Разработка локальной системы управления волновым насосом для аппарата 'Искусственное сердце'
КУРСОВАЯ
РАБОТА
по
дисциплине: Локальные системы управления
Разработка
локальной системы управления волновым насосом для аппарата «Искусственное
сердце»
СОДЕРЖАНИЕ
Введение
1. Техническое задание
.1 Цель курсовой работы
1.2 Технические характеристики
системы регулирования
1.3 Функциональная схема
. Выбор и обоснование выбора
элементной базы локальной системы управления
.1 Выбор микропроцессора
2.2 Выбор ЦАП
.3 Волновой насос
.4 Усилитель
напряжения
2.5 Датчик расхода
3. Расчет датчика обратной связи
4. Расчёт
устойчивости системы
.1 Расчёт
устойчивости непрерывной системы
.2 Построение
переходного процесса
4.3 Определение АЧХ
.4 Расчёт устойчивости дискретной
системы
. Построение характеристик
дискретной системы и их анализ
.1 Построение переходного процесса
дискретной системы
.2 Построение ЛАЧХ и ЛФЧХ дискретной
системы
6. Построение
желаемой ЛАЧХ и ЛФЧХ дискретной системы, ЛАЧХ корректирующего устройства
6.1 Построение желаемой ЛАЧХ и ЛФЧХ дискретной системы
.2 Построение ЛАЧХ корректирующего
устройства
. Синтез корректирующего устройства
.1 Синтез последовательного
корректирующего устройства
.2 Построение переходного процесса
скорректированной системы
.3 Синтез программного
корректирующего устройства
7.4 Выбор
корректирующего устройства
Заключение
Список используемой литературы
ВВЕДЕНИЕ
Аппарат "искусственное сердце" -
аппарат, обеспечивающий оптимальный уровень кровообращения и обменных процессов
в организме больного или в изолированном органе донора; предназначен для
временного выполнения функций сердца и лёгких. На основании предшествующих
многочисленных работ первый аппарат для искусственного кровообращения
теплокровного организма, так называемый автожектор, был создан в 1925 советским
учёным С. С. Брюхоненко при помощи этого аппарата советский учёный Н. Н.
Теребинский в 1930 экспериментально доказал возможность успешной операции на
клапанах сердца. В 1951 итальянские хирурги А. Дольотти и А. Костантини
выполнили операцию удаления опухоли средостения, используя АИК. В СССР первую
операцию на "сухом" сердце с помощью АИК осуществил в 1957 А. А.
Вишневский. АИК включает комплекс взаимосвязанных систем и блоков:
"искусственное сердце" - аппарат, состоящий из насоса, привода,
передачи и нагнетающий кровь с необходимой для жизнеобеспечения объёмной
скоростью кровотока.
В 1986 г. специалистами НИИТиИО было выполнено
17 трансплантаций искусственного сердца "Поиск-10М. Но искусственное
сердце с внешним приводом имеет серьезные отрицательные стороны и в настоящее
время лишь одна фирма в мире выпускает его. В результате искусственное сердце
было вытеснено менее травматичной системой - искусственным левым желудочком
(обход левого желудочка). С технической точки зрения сердце представляет собой
совокупность сердечных мышц, клапанов и гидропульсаторов. По имеющимся данным
основной причиной не долговечности аппаратов "Искусственное сердце"
(АИС) и соответственно срока жизни пациента является механическое
взаимодействие узлов трения АИС и с плазмой крови. Механические узлы АИС
постепенно разрушают плазму крови без возможности её циркуляционной ремиссии.
Разработки в области упруго-оболочечных магнитно-жидкостных сенсоров позволяет
поставить задачу создания принципиально новых элементов АИС. Возможность
получения магнитной жидкости с различными физическими свойствами обуславливает
её применение в различных технических устройствах и в медицине. Намагниченная
во внешнем магнитном поле она эквивалентна по своим свойствам магнитно-мягким
материалам, применяемым в качестве элементов устройств. Магнитные жидкости используются
в качестве чувствительного элемента приборов.
Волновой насос (ВН) с магнитожидкостным сенсором
(МЖС) представляет собой электрогидравлический элемент для перекачки жидкостей.
МЖС будет выполнять функцию поршня волнового насоса, который способен
перекачивать жидкость. Отличительной особенностью такого насоса является то,
что в нем трение скольжения между гребнем и патрубком отсутствует. Здесь
присутствует трение качения. Это свойство волнового насоса является
определяющим в медицине при создании аппарата искусственное сердце, где трение
скольжения является основной причиной разрушения формообразующих элементов
крови - лейкоцитов.
В данной курсовой работе производится синтез
системы автоматического управления волновым насосом для аппарата "Искусственное
сердце".
1. ТЕХНИЧЕСКОЕ ЗАДАНИЕ
.1 Цель курсовой работы
Целью данной курсовой работы является разработка
ЛСУ волновым насосом (ВН) с магнитожидкостным сенсором (МЖС), представляющий
собой электрогидравлический элемент для перекачки жидкостей. Данный элемент,
должен нагнетать кровь с необходимой для жизнеобеспечения объёмной скоростью
кровотока. Таким образом, нам необходимо управлять расходом перекачиваемой
жидкости. Кроме того, система должна отвечать всем заданным в техническом
задании параметрам, обеспечивая достаточное быстродействие, а самое главное -
точность регулирования.
.2 Технические характеристики системы
регулирования
Параметры регулируемой системы:
тип системыцифровая;
емкость проточной части насоса, мл 100;
максимальная производительность насоса, мл/c100;
рабочий диапазон температур, 0С +36… +41.
Показатели качества регулирования:
максимальная ошибка регулирования, %1;
время регулирование, с не более 2;
перерегулирование, %<30;
колебательность<3.
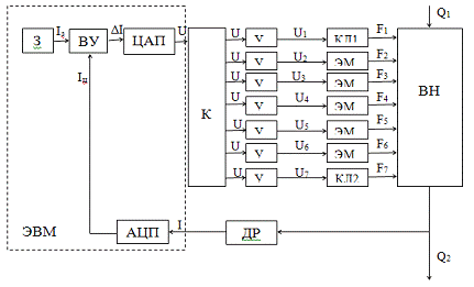
.3 Функциональная схема
Работа САУ волновым насосом, основана на
управлении пятью секциями электромагнитных обмоток (ЭМ), и двумя клапанами, на
которые подаются управляющие напряжения U1
- U7. МЖС 3
представляет собой упругую оболочку из каучука, которая заполнена магнитной
жидкостью. При подаче управляющего напряжения на одну из секций (например, на
первую U1) у МЖС образуется
гребень. Подавая последовательно управляющие напряжения на секции обмоток
гребень будет перемещаться. Если патрубок заполнить жидкостью, то гребень 1 МЖС
будет выполнять функцию поршня волнового насоса, который способен перекачивать
жидкость. Функциональная схема САУ представлена на рисунке 1.
З - задатчик; ВУ - вычислительное устройство;
У(1-7) - усилитель;
ЦАП - цифро-аналоговый преобрагователь; К -
коммутатор; КЛ(1-2) - клапан; ЭМ(1-5) - электромагнитные обмотки; ВН - волновой
насос; ДР - датчик расхода, АЦП - аналого-цифровой преобразователь.
Рисунок 1 - Функциональная схема ЛСУ волновым
насосом
Задатчик, который входит в состав ЭВМ,
представляет собой программу, вычисляющую по определенному алгоритму цифровой
код для задающего значения, соответствующий коду сигнала с датчика,
поступающему с АЦП. Код с задатчика Iз
поступает на сравнивающее устройство ВУ (часть ЭВМ), которое формирует
результат сравнения заданного расхода и текущего. Результат сравнения ΔI
является управляющим воздействием для исполнительных устройств, которое
проходит через коммутатор, усиливается усилителем У(1-7) и попадает на одну из
обмоток ЭМ(1-5) или клапан КЛ(1-2).
В данной системе мы можем регулировать расход
двумя способами. Во-первых, изменяя частоту переключения обмоток и клапанов,
тем самым увеличивая частоту пульса. Во-вторых, мы можем изменять силу
магнитного поля катушки, тем самым изменяя величину гребня МЖС. Чем больше
гребень, тем больший объем он будет выталкивать из проточной части насоса, в
результате мы будем управлять ударным объемом насоса при постоянной частоте
пульса. Остановимся на втором варианте.
Волновой насос является многомерным объектом,
поскольку управляется с помощью семи управляющих воздействий с электромагнитных
обмоток и клапанов. Так как в данной САУ осуществляется управление многомерным
объектом, система является многомерной в таком случае ее можно разделить на
несколько контуров управления.
В данной курсовой работе рассмотрим контур
управления одной электромагнитной обмоткой. Таким образом, получим
функциональную схему, представленную на рисунке 2.
Рисунок 2 - Функциональная схема ЛСУ электромагнитной
обмоткой волнового насоса
2. ВЫБОР И ОБОСНОВАНИЕ ВЫБОРА ЭЛЕМЕНТНОЙ БАЗЫ
ЛОКАЛЬНОЙ СИСТЕМЫ УПРАВЛЕНИЯ
.1 Выбор микропроцессора
Центральным узлом системы является
микроконтроллер, который управляет всеми функциональными частями блока, а также
выполняет функции предварительной обработки сигнала. Выбор его должен
осуществляться исходя из требований к точности представления и обработки
сигнала, а также требований к наличию в его составе некоторых дополнительных
возможностей.
Для целей управления микроконтроллеры AVR
делает привлекательным их хорошо-развитая периферия, которая включает в себя:
таймеры-счётчики, широтно-импульсные модуляторы, поддержку внешних прерываний,
аналоговые компараторы, встроенный АЦП, параллельные порты ввода и вывода,
интерфейсы, сторожевой таймер и устройство сброса по включению питания.
Все эти качества превращают AVR-микроконтроллеры
в мощный инструмент для построения современных, высокопроизводительных и
экономичных контроллеров различного назначения.
Для выбора конкретного микроконтроллера из всего
модельного ряда AVR
проанализируем техническое задание и структурную схему. Микроконтроллер должен
содержать: аналогово-цифровой преобразователь (АЦП); таймер/счетчик, и иметь
достаточное количество портов ввода вывода.
Встроенные АЦП появились только в
микроконтроллерах AT90S8534
и AT90S8535,
семейства classic
AVR, следовательно,
младшие микроконтроллеры не пригодны для использования в данном проекте.
Все вышесказанное заставляет нас обратиться к
семейству mega
AVR, где
самым подходящим (т.е. обладающий всеми перечисленными свойствами) является
микроконтроллер ATmega
128.
Отличительные особенности
периферийных устройств:
- два 8-разр.
таймера-счетчика с раздельными предделителями и режимами сравнения;
- два расширенных
16-разр. таймера-счетчика с отдельными предделителями, режимами сравнения и
режимами захвата;
- счетчик реального
времени с отдельным генератором;
- два 8-разр. каналов
ШИМ;
6 каналов ШИМ с
программируемым разрешением от 2 до 16 разрядов;
модулятор выходов
сравнения;
- 8 мультиплексированных
каналов 10-разрядного аналогово-цифрового преобразования;
- двухпроводной
последовательный интерфейс, ориентированный на передачу данных в байтном
формате;
- программируемый
сторожевой таймер со встроенным генератором
- встроенный аналоговый
компаратор.
Ввод-вывод и корпуса:
53 -программируемые
линии ввода-вывода;
64-выв. корпус TQFP.
Рабочие напряжения:
4.5 - 5.5В.
Градации по быстродействию:
0 - 16 МГц.
Передаточную функцию МП принимаем равной
единице: WМП(p)=1. Поскольку мы используем встроенный в микроконтроллер АЦП,
также учтем его передаточный коэффициент. Для этого рассмотрим его
характеристики:
-разрядное разрешение;
интегральная нелинейность, мл. разр. 0.5;
абсолютная погрешность, мл. разр. ±2;
время преобразования, мкс. 65 - 260;
частота преобразования при максимальном
разрешении, с-1до 15 тыс.;
диапазон входного напряжения АЦП, В 0... VCC.
Из данных параметров нас интересует диапазон
входного напряжения и разрядность. Питание микроконтроллера будет осуществляться
источником напряжения на 5В. Значит, диапазон входного напряжения равен 0-5В.
Поскольку АЦП 10-и разрядный, значит, при 5 вольтах на входе будем иметь на
выходе код 210=1024. Таким образом, получим коэффициент передачи АЦП: kацп=1024/5=204.8.
Получим передаточную функцию АЦП: WАЦП(p)=204.8.(2.2)
.2 Выбор ЦАП
В данной системе ЦАП предназначен для
преобразования управляющего сигнала с микропроцессора и его подачи на
электромагниты. Так как в микропроцессор встроен 10-разрядный АЦП, значит, нам
нужен 10-разрядный ЦАП. Выберем AD5331 - 10-разрядный ЦАП с параллельным
интерфейсом, питанием от +2.5 до +5.5 В и потреблением 115 мкА.
Основные характеристики:
энергопотребление при 3 В питания, мкА 115;
энергопотребление при 5 В питания, мкА 140;
режим пониженного потребления при 5В, нА 200;
питание от источника напряжением, В +2.5В -
+5.5В;
выходной диапазон напряжений, В0-Vпит.
ЦАП будем питать от источника постоянного тока Uпит=5В,
тогда выходной диапазон напряжений будет: 0-5В.
-разрядный ЦАП имеет на входе n=
210 состояний, следовательно, цена единицы младшего разряда равна:
Коэффициент передачи ЦАП равен:
Получим передаточную функцию ЦАП получим:
.3 Волновой насос
Волновой насос с магнитожидкостным сенсором
представлен на рисунке 3. На патрубок 1 устанавливается 5 секций
электромагнитных обмоток 2, на которые подаются управляющие напряжения U1
- U5. МЖС 3
представляет собой упругую оболочку из каучука, которая заполнена магнитной
жидкостью. При подаче управляющего напряжения на одну из секций (например, на
первую U1) у МЖС образуется
гребень 1. Подавая последовательно управляющие напряжения на секции обмоток
гребень 1 будет перемещаться из положения 1 в положение 3.
Рисунок 3 - Волновой насос с магнитожидкостным
сенсором
В данной курсовой работе мы рассматриваем
управление только одной обмоткой. Т. о. на входе волнового насоса будет
управляющее напряжение U1,
а на выходе изменение расхода Q.
Разобьем волновой насос на отдельные блоки:
электромагнитная обмотка, которая
преобразует напряжение U1
в силу f действующую на
МЖС;
преобразователь объемной силы вокруг
управляющих обмоток в перемещение L
- МЖС;
прочная часть, которая преобразует
перемещение L МЖС в расход Q.
Структурная схема волнового насоса представлена
на рисунке 4.
ЭМ - электромагнитная обмотка; МЖС -
магнитожидкостный сенсор; ПЧ - проточная часть.
Рисунок 4 - Структурная схема волнового насоса
Найдем передаточную функцию электромагнитной
обмотки.
Конструкция ЭМ представляет собой цилиндрическую
катушку, многослойную, имеющую длину, существенно меньшую по сравнению с
диаметром. Значение максимальной индукции В на оси в центре катушки со средним
радиусом r находится из
выражения:
где
-
магнитная индукция, Тл;
- магнитная
проницаемость вакуума, Гн/м;
- магнитная
проницаемость среды, Гн/м;
- количество
витков;
- ток
в катушке, А;
r - средний радиус
катушки, м.
Магнитная индукция
и
напряженность Н связаны формулой:
Подставим (
)
в (
):
Найдем ток I
по закону Ома и подставим в (
):
где
-
напряжение на катушке, В;
- сопротивление
катушки, Ом.
Сопротивление катушки определяется выражением:
где
-
удельное электрическое сопротивление меди, Ом мм2/м;
- средняя длинна
витка катушки, м;
- площадь сечения
провода, м2.
Средняя длина витка катушки находится по
формуле:
где
-
средний диаметр катушки, м.
Диаметр проточной части насоса принимаем равным
0.04 м тогда
примем равным 0,06
м.
Площадь сечения провода найдем по формуле:
Подставим (
)
в
и
получим:
Подставим (
)
и (
)
в (
),
и получим:
Таким образом, получена зависимость
напряженности поля от напряжения, причем она линейная, а значит, мы можем
получить коэффициент преобразования электромагнитной катушки:
Средний радиус r=
, тогда формула (
) примет вид:
Сила действующая на МЖС находится по формуле:

где
Гн/м - магнитная постоянная;
- максимальная намагниченность
насыщения МЖ, А/м.
Используя формулы
и
получим:
Примем диаметр провода равным 0,5
мм, максимальную намагниченность насыщения МЖ 50 кА/м, удельное электрическое
сопротивление меди
Ом мм2/м,
тогда получим:
Постоянную времени электромагнита
примем Т=0.04. Таким образом, получим передаточную функцию для электромагнита:
Второй блок является основным,
поскольку предположительно, что все остальные блоки являются слабоинерционными
звеньями в диапазоне времен гидравлических насосов для перекачки низконапорных
потоков, характерных для аппаратов искусственное сердце.
Динамика такого блока должна
описываться в операторах СРП, поэтому, за основу был возят алгоритм профессора
В.В.Власова получения интегральной передаточной функции в СРП /4/. В итоге
получена передаточная функция МЖС:
Следующий блок - прочная часть, которая
преобразует перемещение L
МЖС в расход Q. Изобразим на
рисунке 5 МЖС.
Рисунок 5 - Работа МЖС в проточной части насоса
Из рисунка видно, что чем больше гребень 1 тем
больший объем жидкости V
он вытолкнет из насоса. Нам необходимо найти зависимость этого объема от высоты
гребня L.
Площадь поперечного сечения МЖС в зоне гребня
находится по формуле:
Площадь поперечного сечения МЖС до гребня и
после него находится по формуле:
Площадь поперечного сечения гребня находится по
формуле:
Объем выталкиваемый гребнем за 1 проход найдем
по формуле:
где l
- длинна патрубка, м.
Подставим (
)
в (
),
получим:
Длину патрубка принимаем:
=
0,085 м, также принимаем, что объем V
насос перекачивает за 1 с. Тогда расход будет равен объему V.
Получим формулу для расхода:
Таким образом, мы нашли зависимость расхода Q
от высоты гребня L.
Но данная зависимость нелинейная. Построим
график Q(L)
приняв, что
= 0,085 м, D1=0.01
м.
Рисунок 6 - Статическая характеристика проточной
части насоса
Нас интересует точка в близи Q=80
мл/с=
.
В этой точке L=0.01802
м.
Т.о. коэффициент преобразования проточной части
получим:
WПЧ(p)=
.
В итоге передаточная функция волнового насоса
примет вид:
.4 Усилитель напряжения
Усилитель должен усиливать сигнал, поступающий с
микропроцессора. Этот сигнал является сигналом рассогласования между задающим
воздействием и сигналом с датчика. Задающее воздействие Iз
является цифровым, т.к. задание происходит программой микропроцессора и
находится в диапазоне: Iз=
0 - 1024. Оно сравнивается с сигналом с АЦП Iц
(сигнал с датчика), который также имеет диапазон: Iц
=0-1024. Примем, что максимальная статическая ошибка регулирования будет 5%.
Тогда при максимальном задающем воздействии Iз=
1024, сигнал на ЦАП будет:
Тогда после прохождения через ЦАП сигнал будет:
Этот сигнал нам и надо усилить усилителем. На
электромагнитную обмотку должно подаваться напряжение U1=12
В, тогда коэффициент усилителя должен быть:
Выбор усилителя мощности производится по
следующим показателям:
- вид входного и выходного сигнала, тип питания;
требуемая мощность;
надежность, независимость от внешних влияний
(особенно коэффициента усиления), чувствительность, малые массогабариты.
Выбираем операционный усилитель типа 157УД1.
Технические характеристики усилителя:
напряжение питания, В ±3, ±20;
входной ток, мА 0,5;
коэффициент усиления, В/мВ 110;
дифференциальное входное сопротивление, МОм1;
скорость нарастания выходного напряжения, В/мкс
0,5;
максимальный выходной ток, А 2;
выходное сопротивление, Ом 10.
Усилитель настраивается на коэффициент усиления
.
Получим передаточную функцию для усилителя:
2.5 Датчик расхода
Для измерения расхода выберем датчик Сапфир 22ДД
2410. Принцип действия преобразователей основан на воздействии измеряемой
разности давления на мембраны измерительного блока, что вызывает деформацию
упругого чувствительного элемента и изменение сопротивления тензорезисторов
тензопреобразователя. Это изменение преобразуется в электрический сигнал,
который передается от тензопреобразователя из измерительного блока в
электронный блок, и далее в виде стандартного токового унифицированного
сигнала.
Технические характеристики:
верхний предел измерений, кПа 0,16; 0,25; 0,40;
0,63; 1; 1,6;
предельно допустимое избыточное давление, МПа 4;
предел допускаемой основной погрешности, % 0,5;
выходной сигнал, мА 4…20;
линия связи двухпроводная.
Данный датчик используется вместе с блоком
извлечения корня БИК1 Р. Блок извлечения корня БИК-1Р, предназначен для
линеаризации статической характеристики и электрического питания измерительных
преобразователей типа "Сапфир-22", с выходным информационным сигналом
0-5, 0-20 или 4-20 мА при измерении расхода жидких сред.
Блок имеет встроенный стабилизированный источник
питания постоянного тока, позволяет преобразовывать информационный сигнал от
внешнего устройства 0-5 мА, 0-20 мА или 4-20 мА в сигнал постоянного тока 0-5
мА, 0-20 мА или 4-20 мА.
Поскольку на АЦП должно подаваться напряжение,
параллельно датчику нужно поставить резистор. Максимальное напряжение, поданное
на АЦП: U=5В, максимальный
ток с датчика: I=20 мА,
тогда сопротивление резистора:
Мембраны измерительного блока рассчитываются
таким образом, что при максимальном расходе Q=100
мл/с, на выходе датчика вырабатывается сигнал U=5В,
тогда передаточный коэффициент датчика вместе с резистором получим:
3. РАСЧЕТ ДАТЧИКА ОБРАТНОЙ СВЯЗИ
Для дифференциального манометра
"Сапфир" необходимо рассчитать сужающее устройство (СУ). В качестве
сужающего устройства выберем диафрагму. Расчет сужающего устройства состоит в
определении диаметра отверстия СУ.
Зададимся начальными условиями:
максимальный расход через СУ:
;
диаметр трубопровода до и после СУ:
Сначала следует определить значение комплекса В
и Вg по формулам:
где
-
плотность жидкости, кг/м3;
- скорость потока
жидкости, м/с.
Скорость потока исходя из расхода
.
в качестве жидкости возьмём воду, плотность воды
кг/м3.
Тогда:
Зададимся первоначальным значением относительной
площади диафрагмы
, для воды
рекомендуемое значение
.
Определим значение комплекса Amax
по формуле:
Минимальное значение перепада давления
по
формуле:
Выберем предел дифманометра, ближайший к
,
.
Определим произведение
по
формуле:
Получим:
Дальнейший расчет сводится к нахождению значения
m, обеспечивающего
реализацию уравнения. Зададимся значением m1=0.2.
Для жидкости
.
Находим значение
по
формуле Штольца:
После нахождения С, определяем
и
находим произведение
. Если
не
совпадает с
, то необходимо
задаться другим значением m
и повторить вычисления. В результате получили m1=0.22,
подставим m1 в формулы
и
,
получим:
Подставим
и
в
,
получим:
Найдем произведение
:
Получили, что
,
при m1=0.22.
Находим диаметр отверстия СУ из формулы:
4.
РАСЧЁТ УСТОЙЧИВОСТИ СИСТЕМЫ
4.1 Расчёт устойчивости непрерывной системы
Преобразуем функциональную схему, представленную
на рисунке 2, в структурную схему.
Рисунок 7 - Структурная схема ЛСУ
электромагнитной обмоткой волнового насоса
Передаточные функции блоков имеют вид:
WМП(p)=1,
(4.1)
WАЦП(p)=204.8,
(4.2)
, (4.3)
, (4.5)
. (4.6)
Найдем передаточную функцию системы:
При подстановке в выражение (4.7)
соответствующих передаточных функций и упрощении выражения, получим:
Проверим систему на устойчивость. Проверку будем
производить по критерию Гурвица. Для этого выпишем из передаточной функции
системы характеристическое уравнение. Характеристическое уравнение передаточной
функции в замкнутом состоянии имеет вид:
Вычислим определители Гурвица:
, (4.10)
(4.11)
(4.12)
Как видно из расчетов непрерывная система
устойчива, так как определители Гурвица положительны.
.2 Построение переходного процесса непрерывной
системы
Построение переходного процесса выполняется на
основе обратного преобразования Лапласа от передаточной функции системы
автоматического регулирования в замкнутой форме.
Преобразование по Лапласу от передаточной
функции системы автоматического регулирования в замкнутой форме:
(4.14)
Графическое представление переходного процесса
Рисунок 8 - Переходный процесс системы
По графику, определим показатели качества
системы автоматического управления:
установившееся значение выходной величины:
;
перерегулирование, %:
- колебательность системы:
время нарастания, с:
время достижения максимального
значения, с:
время регулирования, с:
Из показателей качества видно, что система не
соответствует техническому заданию по перерегулирования и по колебательности.
4.3 Определение АЧХ непрерывной системы
Для определение АЧХ приведем передаточную
функцию
к
частотной форме:
Амплитудная характеристика получается путем
внесения реальной и мнимой части
в
формулу:
(4.16)
Рисунок 9 - АЧХ непрерывной системы
Из графика АЧХ, определяем косвенные показатели
качества:
максимальная амплитуда: АMAX=
;
- показатель колебательности:
;
полоса пропускания: 417-447 с-1;
резонансная частота:
.
4.4 Расчёт устойчивости дискретной системы
С учетом ЭВМ данная система представляет собой
одномерную цифроаналоговую систему (ЦАС).
Изобразим функциональную схему такой системы на
рисунке 10.
ЭВМ - электронная вычислительная машина; ЦАП -
цифро-аналоговый преобразователь; АЦП - аналого-цифровой преобразователь; НЧ -
непрерывная часть.
Рисунок 10 - Функциональная схема ЦАС
Передаточная функция ЦАС определяется в
соответствии с формулой:
где
-
передаточная функция ЭВМ;
- дискретная
передаточная функция непрерывной части.
Дискретная передаточная функция непрерывной
части совместно с линеаризованными преобразователями имеет вид:
где
-
передаточная функция непрерывной части;
- передаточный
коэффициент АЦП;
- передаточный
коэффициент ЦАП.
В данной ЛСУ непрерывная часть состоит из
усилителя, волнового насоса и датчика расхода. Исходя из этого мы можем
записать передаточную функцию непрерывной части
:
Подставим передаточные функции в (4.19) и
получим:
Определим дискретную передаточную функцию
непрерывной части
, с помощью z-преобразования.
Разложим выражение в фигурных скобках (4.18), на
простые дроби:
Тогда из
имеем:
Примем частоту опроса датчика в системе 10000
раз/c, тогда период
дискретизации будет составлять: Т=0,0001. С учетом этого дискретная
передаточная функция непрерывной части примет вид:
Передаточная функция ЭВМ:
D(z)=1
(4.25)
Найдем передаточную функцию разомкнутой ЦАС
согласно
:
Передаточная функция замкнутой системы будет:
Устойчивость замкнутой цифровой системы
определяется видом корней характеристического уравнения. Замкнутая система
будет устойчива, если корни характеристического уравнения находятся внутри
единичной окружности.
Характеристическое уравнение системы имеет вид:
Найдем корни характеристического уравнения:
z1=
,
z2=
.
Так как корни находятся внутри единичной
окружности, следовательно, система устойчива.
5. ПОСТРОЕНИЕ ХАРАКТЕРИСТИК ДИСКРЕТНОЙ СИСТЕМЫ И
ИХ АНАЛИЗ
.1 Построение переходного процесса дискретной
системы
Построим переходный процесс для замкнутой
дискретной системы по передаточной функции (4.28), для чего воспользуемся
функцией step(WZ)
пакета MatLab.
Рисунок 11 - Переходный процесс дискретной
системы
Из графика можно определить следующие
характеристики:
время регулирования, с: tp=0.437 c;
перерегулирование, %:
- время нарастания, с:
время достижения максимального
значения, с:
5.2 Построение ЛАЧХ и ЛФЧХ дискретной системы
Для определения запасов устойчивости требуется
построение логарифмических характеристик для разомкнутой системы, согласно. Для
построения ЛАЧХ и ЛФЧХ применим w-преобразование
к разомкнутой системе, для чего введем замену:
(5.1)
Получим:
Перейдем к псевдочастоте, используя
замену
, получаем:
С помощью математического редактора Mathcad
построим ЛАЧХ и ЛФЧХ системы.
Рисунок 12 - ЛАЧХ дискретной системы
Рисунок 13 - ЛФЧХ дискретной системы
Из графиков (Рисунок 12 и 13) определим запасы
устойчивости:
- запас по амплитуде ΔL=9.3
дБ;
- запас по фазе
=2.370.
По графику аппроксимируем ЛАЧХ стандартными
наклонами 0, -20, -40 и -20 дБ/дек. Получим частоты излома (сопряжения):
λ1
= 2.19 c-1; λ2
= 22.7 c-1; λ3
= 18365 c-1. Найдем
коэффициент усиления из выражения:
Получим k=3311.3.
Таким образом, аппроксимированная передаточная
функция разомкнутой системы примет вид:
6. ПОСТРОЕНИЕ ЖЕЛАЕМОЙ ЛАЧХ
И ЛФЧХ ДИСКРЕТНОЙ СИСТЕМЫ, ЛАЧХ КОРРЕКТИРУЮЩЕГО УСТРОЙСТВА
.1 Построение желаемой ЛАЧХ и ЛФЧХ дискретной
системы
Желаемой называют асимптотическую ЛАЧХ
разомкнутой системы, имеющей желаемые (требуемые) статические и динамические
свойства. ЖЛАЧХ состоит из трех основных асимптот: низкочастотной,
среднечастотной и высокочастотной. Среднечастотная асимптота ЛАЧХ разомкнутой
системы и ее сопряжение с низкочастотной определяют динамические свойства
системы - устойчивость и показатели качества переходной характеристики.
Поскольку в исходной САУ присутствует дискретное
устройство, построение желаемой ЛАЧХ (ЖЛАЧХ) ведется методом запретных зон.
Построение ЖЛАЧХ начинаем с
построения запретной зоны, геометрия которой определяется положением рабочей
точки. Пусть на входе системы известны максимальное по модулю значение первой
производной
(скорости)
и максимальное по модулю значение второй производной
(ускорения)
входного сигнала g(t).
Частота рабочей точки определяется
выражением (6.1).
( с-1)(6.1)
Найдем значение L(
),:
Примем максимальную статическую ошибку
,
тогда из (6.2) получим:
Следовательно, рабочая точка имеет координаты
(2; 40). Через полученную точку Ар проводим прямую с наклоном -20 дБ/дек.
Данная прямая ограничивает сверху "запретную зону".
По номограмме Солодовникова (рисунок
14) и желаемому перерегулированию
, колебательности (М=1.3) и времени
регулирования (tр=0,25 c) определяем частоту среза:
, (6.4)
(с-1). (6.5)
Рисунок 14 - Номограмма Солодовникова
Определим верхнюю границу среднечастотной
области:
(дБ) (6.6)
Определим нижнюю границу среднечастотной
области:
(дБ).(6.7)
Наклон ЖЛАЧХ в среднечастотной области равен -20
дБ/дек. Наклон ЖЛАЧХ в высокочастотной области должен быть близким к наклону
исходной ЛАЧХ. В низкочастотной области желаемая ЛАЧХ совпадает с реальной.
Остается сопрячь НЧ и СЧ области линией с наклоном, кратным -20 дБ/дек, в нашем
случае проводим линию с наклоном -40 дБ/дек. Построенная желаемая ЛАЧХ
приведена на рисунке 15.
Рисунок 15 - Построение ЖЛАЧХ системы
Частоты сопряжения желаемой ЛАЧХ:
λ1 = 0.35 c-1;
λ2
= 8.9 c-1; λ3
= 90.2 c-1; λ4
= 18365 c-1.
Найдем коэффициент усиления из выражения:
Получим k=3311.3.
Таким образом, передаточная функция желаемой
разомкнутой системы примет вид:
По выражению
построим
ЖЛАЧХ, ЖЛФЧХ, и определим запасы устойчивости.
Построенные желаемые ЛАЧХ и ЛФЧХ приведена на
рисунках 16 и 17.
Рисунок 16 - Построение ЖЛАЧХ системы
Рисунок 17 - Построение ЖЛФЧХ системы
Из графиков (Рисунок 16 и 17) определим запасы
устойчивости:
- запас по амплитуде: ΔL=42дБ;
- запас по фазе:
=
340.
6.2 Построение ЛАЧХ корректирующего устройства
Найдем передаточную функцию последовательного
корректирующего устройства по формуле:
Получим:
С помощью математического редактора Mathcad
построим ЛАЧХ корректирующего устройства по выражению
.
ЛАЧХ изображена на рисунке 18.
Рисунок 18 - Построение ЛАЧХ корректирующего
устройства
7. СИНТЕЗ КОРРЕКТИРУЮЩЕГО УСТРОЙСТВА
.1 Синтез последовательного корректирующего
устройства
Передаточная функция необходимого КУ была
найдена на предыдущем этапе, теперь требуется определить структурную схему КУ,
его элементную базу и параметры необходимых элементов.
Для синтеза аппаратного корректирующего
устройства будем применять RC-цепочки.
Разделим передаточную функцию корректирующего устройства
на
три звена:
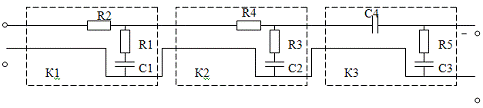
Схема корректирующего устройства представлена на
рисунке 19.
Рисунок 19 - Схема последовательного
корректирующего устройства
Рассчитаем параметры первого каскада.
Выберем емкость конденсатора первого каскада
С1=20мкФ, тогда получим:
Выразим из
R2,
получим:
Рассчитаем параметры второго каскада.
Выберем емкость конденсатора второго каскада
С2=20мкФ, тогда получим:
Выразим из
R4,
получим:
Рассчитаем параметры третьего каскада.
Выберем емкость конденсатора третьего каскада
С3=20мкФ, тогда получим:
Выразим из
С4,
получим:
На рисунке 20 представлена функциональная схема
с корректирующим устройством (КУ).
Рисунок 20 - Функциональная схема ЛСУ с
корректирующим устройством
.2 Построение переходного процесса
скорректированной системы
Приведем передаточную функцию желаемой
разомкнутой системы
, к z-форме.
Получим:
Найдем передаточную функцию замкнутой системы:
Построим переходный процесс с помощью программы Matlab,
представленный на рисунке 21.
Рисунок 21 - Переходный процесс
скорректированной системы
Из графика можно определить следующие
характеристики:
время регулирования: tp=0.164 c;
перерегулирование, %:
- время нарастания, с:
время достижения максимального
значения, с:
Из этих характеристик видно, что
параметры системы соответствуют заданным в техническом задании.
7.3 Синтез программного корректирующего
устройства
Передаточная функция корректирующего устройства
имеет вид:
Запишем передаточную функцию корректирующего
устройства в виде z-разностных
уравнений, для чего произведем замену:
И воспользуемся обратным билинейным
преобразованием:
В результате получим:
Запишем
в
стандартной форме:
По полученному выражению записывается разностное
уравнение в реальном масштабе времени, введя в числитель дополнительный сдвиг
на z-1.
Приведем уравнение к виду:
Напишем программу расчета разностного уравнения
на языке Assembler.
; x - входной сигнал
; y- выходной сигнал_port EQU 1lh; номер порта
для чтения_port EQU 12h; номер порта для записи
Al
EQU 0.0249;
А2 EQU
-0.00747;
А3 EQU
0.0747;
А4 EQU
-0.0249;
B1 EQU 3;EQU -2.983;EQU 0.992;,
x2, x3,
x4 DB
0
;выделение памяти под переменные x(k-l), x(k-2),
x(k-3), x(k-4)
yl,y2,
y3 DB
0
; выделение памяти под переменные y(k-l), y(k-2)
, y(k-3)
; вычисляем значение выражения
y(k)=Al·х1+А2·х2+А3·х3+A4·x4+
В1·у1+В2·у2+В3·у3: ;метка начала цикла
коррекцииal, x1al,Al; вычисление
произведения А1·х1bl, al; сохранение результата в bl
; в результате имеем А1·х1 в регистре blal, x2;al,
А2; вычисление произведения А2·х2
add
al, bl;
сложение с предыдущим результатомbl, al; сохранение результата в bl
; в результате имеем А1·х1+А2·х2 в регистре
blal, x3;al, А3;
вычисление произведения А3·х3al, bl; прибавление к предыдущему результатуbl,
al; сохранение результата в bl
; в результате имеем А1·х1+А2·х2+А3·х3 в
регистре blal, x4;al, А4;
вычисление произведения А4·х4al, bl; прибавление к предыдущему результатуbl,
al; сохранение результата в bl
; в результате имеем А1·х1+А2·х2+А3·х3 А4·х4 в
регистре blal, y1al,Bl;
вычисление произведения B1·y1bl,
al; сохранение результата в bl
add
al, bl;
сложение с предыдущим результатомbl, al; сохранение результата в blal, y2;al,
B2; вычисление
произведения B2·y2
add
al, bl;
сложение с предыдущим результатомbl, al; сохранение результата в blal, y3;al,
B3; вычисление
произведения А3·х3al, bl; прибавление к предыдущему результатуbl, al;
сохранение результата в bl
; в результате имеем значение выражения
y(k)=Al·х1+А2·х2+А3·х3+
A4·x4+
В1·у1+В2·у2+В3·у3 в регистре blo_port, bl; вывод управляющего сигнала из bl
; подготовка данных для следующего управляющего
воздействия
mov y3, y2;y2, y1;yl, blx4, x3;x3,
x2;x2, x1;al, i_port;x1, al;
jmp start; зацикливание на начало программы
.4 Выбор корректирующего устройства
Были рассмотрены два вида корректирующих
устройств: программное и аппаратное. Отличительной особенность аппаратных КУ
является их высокое быстродействие. Однако современные персональные и
промышленные компьютеры не уступают по быстродействию.
Наиболее важным является то, что программное КУ
не требует дополнительных затрат, и в отличие от аппаратных КУ легко
настраивается и изменяется. Все параметры аппаратных КУ являются жесткими и
даже при небольших отличиях систем становится непригодным. Программное КУ с
этой точки зрения является предпочтительным. Особенно для ЛСУ построенных на
основе управляющей ЭВМ, более рационально будет использовать вычислительные
мощности ЭВМ для реализации программы коррекции.
ЗАКЛЮЧЕНИЕ
В ходе курсового проектирование была разработана
система автоматического управления электромагнитной обмоткой волнового насоса.
Система формируется с учетом микропроцессорного управления.
На первом этапе проектирования была подобрана
элементная база, были найдены передаточные функции элементов и всей непрерывной
системы в целом. Далее было проведено исследование непрерывной системы.
Аналоговые системы устаревают и более не
обеспечивают требования предъявляемые к САУ. Был осуществлен переход от
аналоговой системы к дискретной, проведено исследование характеристик такой
системы.
Ввиду недопустимых показателей качества было
решено синтезировать корректирующее устройство. Синтез желаемой системы
осуществлялся по методу запретной зоны.
Был осуществлен синтез корректирующего
устройства двух типов: аппаратного и программного. Оба типа корректирующих
устройств удовлетворяют требованиям по коррекции, ввиду явных улучшений
характеристик.
По полученному разностному уравнению коррекции,
была написана программа для ЭВМ на языке ассемблер.
Таким образом, после продолжительного
проектирования была получена дискретная система автоматического управления,
удовлетворяющая требования, поставленным в техническом задании.
СПИСОК ИСПОЛЬЗУЕМОЙ ЛИТЕРАТУРЫ
. Бесекерский. В.А. Теория
систем автоматического регулирования /В.А. Бесекерский, Е.П. Попов. - М. :
Наука, 1966. - 992 с.
. Бесекерский. В.А. Системы
автоматического управления с микроЭВМ /
В.А. Бесекерский, В.В. Изранцев. -
М. : Наука, 1987. - 320 с.
. Власов. В.В. Синтез
интегральной передаточной функции для объектов управления с распределёнными
параметрами. Школа академика Власова. Вып. 1 М.: Буркин, 1998, с. 65-127.
. Власов. А.В. Динамика
волнового насоса с магнитожидкостным сенсором в операторах систем с
распределенными параметрами / А.В Власов, Ю.В. Николаенко // Вестник БИБиУ -
2010. - № 1(3). - С.66-74.
. Топчеев. Ю.И. Атлас для
проектирования систем автоматического регулирования / Ю.И. Топчеев. - М.
:Машиностроение, 1989. - 752 с.
. Кремлевский. П.П.
Расходомеры и счетчики количества. Справочник /
П. П. Кремлевский. - Л. :
Машиностроение, 1989. - 701 с.
. Пантелеев. А.В. Теория
управления в примерах и задачах. Учебное пособие/ А.В.Пантелеев, А.С.
Бортаковский. - М. : Высш. шк., 2003. - 583 с.
. Дорф. Р. Современные
системы управления / Р. Дорф, Р. Бишоп. - М. : Лаборатория Базовых Знаний,
2002. - 831с.