Исследование процесса технической эксплуатации топливных форсунок системы распределённого впрыска
Аннотация
В данной работе будет рассмотрены разнообразные системы впрыска топлива,
их история развитие в жизни автомобильной промышленности, особенности строения,
которые с каждым годом становятся всё более и более продвинутыми и
принципиальные различия. Главной же целью этой работы будет исследование
работы, технической эксплуатации форсунок бензиновых двигателей. Также будут
рассмотрены примеры промывки форсунок на стендах различных фирм, будет
приведена конструкция данных стендов, в том числе будут предложены собственные
конструкции экспериментальных установок, предназначенных для промывки и
диагностики форсунок. В конце работы будут сделаны соответствующие выводы.
Оглавление
Введение
1. Обзор
систем впрыска бензиновых двигателей
1.1
Электронная система разделённого впрыска
1.1.1 Принцип
действия
1.1.2 Блок
электронного управления
1.2 Система
впрыска с одной форсункой
1.3
Центральный впрыск
1.4
Многоточечный впрыск
1.5
Непрерывный впрыск
1.6
Непосредственный впрыск
1.7 Почему
возникла необходимость в системах впрыска
1.8 Выводы о
системах впрыска
1.9
Эксплуатация современных систем впрыска
2. Исследование
работы и процесса технической эксплуатации форсунок бензиновых двигателей
2.1
Конструкция электромагнитных форсунок
2.2
Разработка новинок в области бензиновых форсунок
2.3 Описание
экспериментальной установки
2.4
Результаты измерений
2.5 Обзор
устройств для технического обслуживания форсунок
2.6
Рекомендации по техническому обслуживанию форсунок
3. Охрана
труда и окружающей среды
3.1 Введение
3.2 Анализ
вредных и опасных факторов на АТП
3.2.1
Микроклимат
3.2.2
Производственное освещение
3.3 Вредные
вещества в воздухе производственных зданий
3.3.1
Промышленная пыль
3.3.2
Промышленные яды
3.4 Шум, звук
и вибрации
3.5
Мероприятия по предотвращению и недопущению опасных и вредных факторов
3.5.1
Мероприятия по обеспечению допустимых метеорологических условий труда
3.5.2 Меры
борьбы с пылью на производстве
3.5.3
Мероприятия по борьбе с шумом и вибрацией
3.6
Пожаробезопасность
3.6.1 Причины
возникновения пожаров
3.6.2
Классификация производств по степени пожарной опасности
3.6.3
Противопожарные преграды
3.6.4
Пожарная безопасность в ремонтных отделениях
3.7 Охрана
окружающей среды
3.8 Охрана
воздушного бассейна
3.9 Охрана и
рациональное использование водных ресурсов
3.10 Расчет
количества светильников
Выводы
Список
используемых источников
Введение
Системы впрыска топлива изобретены практически
одновременно с созданием автомобильного двигателя. Еще в 1881 году, когда
большинство автомобилестроителей совершенствовали карбюратор, француз по имени
Этив получил патент на систему измерения массы сжатого воздуха. В1883 году
немецкий инженер Штиль получил патент на метод впрыска топлива в камеру
сгорания цилиндра двигателя. Примерно в то же время в Англии Эдвардом Буглером
был создан двигатель, оборудованный системой впрыска топлива под давлением
через впускной клапан с полым стержнем.
Первый двигатель с системой впрыска топлива,
запушенный в серийное производство, был разработан Компанией Стерлинга (штат
Иллинойс, США) в 1887 году. В основном, этот двигатель работал в стационарном
режиме. Топливо попадало в форсунку через клапан из топливного бака самотеком.
В Европе Дейтцем был разработан аналогичный
стационарный одноцилиндровый двигатель с системой впрыска топлива под низким
давлением, работавший на керосине. В период с 1898 по 1901 год было продано
более трехсот таких двигателей.
Срвилл Райт также заинтересовался этими системами и
1903 году построил самолет с двигателем, имеющим такую систему.
Оборудованные такими двигателями самолеты меньше
страдали от обледенения карбюратора и пожаров в карбюраторах, что резко
повысило их надежность. Именно по этим причинам системы впрыска топлива
наиболее быстро стали развиваться в авиастроении. В1906 году Пеоном
Левавассором был создан насос высокого давления и введен принцип калиброванной
форсунки. В 1912 году фирмой Bosch
был создан двухтактный двигатель, а котором масляный насос был приспособлен для
впрыска топлива.
Первая Мировая война привела к быстрому развитию и
совершенствованию карбюраторов. Их надежность в двигателях самолетов повысилась
настолько, что идея впрыска топлива была забыта на много лет. В течение 30-х
годов немецкий авиационный испытательный центр, фирмы Bosch, БМВ и Мерседес-Бенц вели разработку авиационных двигателей
с системой впрыска топлива под высоким давлением. Когда в 1937 году фирма
Мерседес-Бенц представила авиационный двигатель DB-601V-12
мощностью 1200 л.с., системы впрыска получили всеобщее признание. Однако
большинство технических решений сводились к созданию дизельного двигателя с
прямым впрыском топлива в камеру сгорания. В течение последних лет Второй
Мировой войны английская фирма в Бирмингеме, специализирующаяся на
карбюраторах, разрабатывала системы с впрыском топлива для авиационных двигателей
фирмы Роллс-Ройс Мерлин. В период с 1950 по 1986 год было разработано и забыто
множество систем впрыска топлива, изготовленных небольшими фирмами. В настоящее
время системы впрыска топлива изготовляются, наоборот, крупными фирмами, а все
меньшие изгнаны с рынка сбыта.
В 1984 году была разработана электронная система
впрыска топлива серии «КЕ» Jetronic с усовершенствованной системой пуска двигателя и системой контроля
выхлопных газов. Эта частично механическая и частично электронная система
исправно служит и в настоящее время.
Однако остальные механические системы впрыска топлива
не выдержали конкуренции с электронными системами и постепенно вышли из
употребления.
Далее в работе речь пойдёт о электронных системах
впрыска топлива и о главной составляющей этой системе - о форсунке.
1. Обзор систем электронного впрыска
За многие годы развития автомобилестроения много узлов
и систем автомобиля было испытано и отвергнуто из-за отсутствия доступной
технологии изготовления. Электронные системы управления двигателем являются
одним из примеров: хотя первые попытки применения этих систем были предприняты
в 1930-50 годах, по-настоящему, жизнеспособная электронная система была
запущена в производство только в 1966 году.
Первое зарегистрированное применение электронного
клапана подачи топлива произошло в 1932 году, когда инженер по имени Кеннеди
усовершенствовал 6-цилиндровый судовой двигатель с искровым зажиганием. В
системе отсутствовали транзисторы (они были изобретены только спустя 16 лет) и
другие компоненты современной электронной системы. В 1934 году Кеннеди
установил 6-цилиндровый двигатель, оборудованный этой системой, на грузовик и
успешно проехал на нем от Лос-Анджелеса до Нью-Йорка и обратно. После того, как
компания, в которой работал Кеннеди обанкротилась, эта система была забыта.
4 февраля 1957 года Корпорация Bendix зарегистрировала патент на
электронную систему впрыска топлива. В патенте было оговорено 39 пунктов, что
дало фирме Bendix права на все формы электронных
систем впрыска топлива. Срок действия патента заканчивался 18 апреля 1961 года.
Рис. Система впрыска топлива Kugelfischer (автомобиль Peugeot 404).
1. Впускной коллектор.
2. Форсунка.
3. Топливная магистраль высокого давления.
4. Коллектор.
5. Корпус дроссельной заслонки.
6. Насос.
Рис. Система впрыска топлива Bosch K-Jetronic с
системой отсечки топлива при чрезмерных оборотах двигателя и системой экономии
топлива.
В 1952 году фирмой была разработана система
электрического впрыска топлива хотя на создание этой системы были затрачены
многие годы и миллионы долларов, она никогда не поступила в серийное
производство. Недостатками этой системы явились высокая стоимость компонентов и
высокая степень содержания СО в выхлопных газах при примитивных технологиях
50-х годов.
Однако некоторые результаты этих разработок оказались
плодотворными и позже нашли применение.
Первые системы электронного впрыска топлива во время буксировки
автомобиля при проведении испытаний открывали форсунки и заполняли цилиндры
чистым бензином! К счастью, эта проблема была преодолена.
Основная система включала в себя электронный блок
управления, который получал данные от датчиков разрежения во впускном
коллекторе, температуры окружающего воздуха, давления воздуха и частоты
вращения двигателя. После вычислений в зависимости от скорости и загрузки
двигателя форсунки открывались электромагнитами, и рассчитанное количество
топлива впрыскивалось в коллектор. Давление топлива поддерживалось постоянным
при помощи топливного насоса. Сигнал для открытия форсунок подавался от
прерывателя зажигания.
В 1966 году Bendix предоставил фирме Bosch
лицензию на производство электронных систем впрыска топлива в Германии и
Бразилии.
В конце 60х годов появилось множество систем, в которых объединены
механическая и электронная системы впрыска топлива. В это же время начала
вставать проблема контроля за загрязнением окружающей среды. Усовершенствование
карбюраторов начало приводить к повышению их стоимости. Попытки объединения
карбюратора с электронными системами не дали ощутимых результатов.
Карбюраторные двигатели стали более «грязными» и стали обладать меньшей
приемистостью по сравнению с двигателями, оборудованными электронными системами
управления. Все это привело к широкому внедрению электронных систем в
автомобилестроение.
В 1956 году Британской компанией была разработана
система электронного впрыска топлива АЕ-Вriсо, которая устанавливалась в 1969 года на автомобиле Aston Martin DB6 в качестве альтернативной системы карбюратору Weber. Однако срок службы этих систем
оказался слишком коротким, и они более не устанавливались.
В1967 году Bendix возобновил работу над созданием электронной системы впрыска топлива. Эта
система устанавливалась с 1976 года на автомобилях Кадиллак Севилья. Фирма Bosch в 1968 году разработала систему D-Jetronic - первую из серии электронных систем
впрыска топлива этой фирмы. Эта система устанавливалась на многие модели
автомобилей: Citroen, Lancia, Mercedes-Benz, Opel, Renault,
SAAB и Volvo. Основы современных электронных систем заложены в
системе серии «D» и многое в этих
системах позаимствовано из системы D-Jetronic, хотя она изготовлена еще в 1967
году.
В 1973 году система D-Jetronic была
заменена системой L-Jetronic. Эта система повлияла на
конструкции, созданные позднее и явилась эталоном для создания подобных систем.
Большинство схем электронного управления и вспомогательных цепей расположено на
одной интегральной плате. В процессе совершенствования системы добавлены
датчики содержания кислорода в выхлопных газах, а также добавлен контур
обратной связи.
В 1978 году Bendix совместно с Renault
разработали систему управления Renix.
Эта система была установлена на автомобиле Рено 25. Впоследствии компания Рено
продала свою долю, и Bendix
самостоятельно продолжил совершенствование этой системы. Еще в 1966 году Рено
разработало блок автоматической трансмиссии с электронным управлением. Эта
трансмиссия была установлена на автомобиле Рено 16 в 1969 году.
В 1978 году фирмой Bosch была создана первая система управления двигателем Motronic. Эта система была установлена на
автомобиле BMW 732L.
Двигатель этого автомобиля был оборудован системой L-Jetronic, a блок электронного управления содержал дополнительную цепь
управления зажиганием. Позже система Motronic была дополнена системой управления оборотами холостого хода
и системой самодиагностики. Первая система самодиагностики была установлена в
1981 году на автомобиле Кадиллак, оборудованном электронной системой Bendix.
В 90-х годах системы электронного управления
двигателем развивались особенно быстро. В это время появилось множество
различных модификаций этих систем. В некоторых системах блок электронного
управления связан с автоматической коробкой передач, системой регулировки силы
тяги и другими системами.
Среди модификаций различаются системы центрального и
распределенного впрыска (одновременного и последовательного), системы зажигания
с распределителем и без распределителя. Система самодиагностики
совершенствуется за счет увеличения параметров, регистрируемых системой. В
настоящее время таких параметров может быть более сотни.
Существует несколько способов впрыска топлива: прямой,
при
котором топливо впрыскивается непосредственно в каждый
цилиндр, а также непрямой, при котором топливо смешивается с воздухом перед
впускным клапаном цилиндра.
Прямой способ впрыска топлива не используется из-за
ряда чисто технических трудностей его реализации. Во-первых, топливо необходимо
впрыскивать в цилиндр под большим давлением что требует мощного насоса и
вызывает повышенную шумность, во-вторых, моменты впрыска топлива должны быть
синхронизированы с вращением коленчатого вала двигателя.
При непрямом впрыске топлива топливо распыляется под
небольшим давлением во впускной тракт, причем впрыск производится одновременно
всеми форсунками, независимо от тактов в цилиндрах.
При непрямом впрыске существует два способа подачи
топлива:
1) Непрерывный впрыск. При работе двигателя топливо
непрерывно распыляется форсунками, а регулирование состава рабочей смеси
осуществляется изменением давления впрыска. Однако отношение потребления
топлива на холостом ходу и при работе с полной нагрузкой достигает 1:60, причем
регулировка должна осуществляться с высокой точностью. Это приводит к
неоправданному усложнению конструкции топливной системы.
2) Дробный впрыск. Топливо распыляется через
равномерные интервалы времени при постоянном давлении (подробнее см. ниже). Эти
интервалы времени могут быть как синхронизированы, так и не синхронизированы с
открытием впускных клапанов двигателя.
Так же в двигателе может быть установлена одна
форсунка (одноточечный или дроссельный впрыск) или для каждого цилиндра
устанавливается своя форсунка (многоточечный или разделенный впрыск).
Форсунка для одноточечного впрыска устанавливается над
дроссельной заслонкой, поэтому такая система иногда называется системой с
дроссельным впрыском топлива. Она является относительно дешевой. В большинстве
систем используется установка форсунок для каждого цилиндра, поскольку,
несмотря на дополнительную стоимость, эти системы обладают рядом преимуществ.
Независимо от типа системы, их общие принципы работы поясняются.
1.1 Электронная система разделенного впрыска топлива
Принцип действия системы разделенного впрыска топлива
рассмотрен на примере системы впрыска топлива Bosch L Jetrcnic.
Система LH Jetronic отличается от системы L Jetronic только установкой датчика массового
расхода воздуха с нагретым проводом.
Работа системы L Jetronic заключается в обеспечении
оптимального соотношения воздуха и топлива в рабочей смеси для всех режимов
работы двигателя, а также в определении времени и длительности впрысков топлива
для каждой из форсунок.
Для обеспечения разделенного впрыска топлива требуется
установка форсунок позади впускных клапанов для каждого цилиндра. При
открывании клапана облако топлива втягивается вместе с воздухом в цилиндр
двигателя, где и образуется рабочая смесь.
1.1.1 Принцип действия
При помощи роликового насоса топливо проходит через
фильтр и закачивается в распределительный коллектор под давлением 2,5 атм.
Регулятор давления, рас - положенный на конце распределительного коллектора,
поддерживает давление топлива постоянным для каждого режима работы двигателя.
Нижняя камера регулятора давления связана с впускным коллектором за
дроссельной заслонкой. Это позволяет поддерживать давление в распределительном
коллекторе на 0,5 атм выше, чем во впускном коллекторе.
Избыток топлива, закачиваемого в распределительный
коллектор, повышает давление, что приводит к открытию регулятора давления и
сливу избытка топлива в бак.
Эта непрерывная циркуляция топлива предотвращает
перегрев топлива и образование пробок из его паров.
Фильтрование топлива необходимо особенно в случае
применения грязного бензина.
Топливный фильтр состоит из бумажного фильтра с
диаметром пор порядка 10 микрон.
Срок эксплуатации топливного фильтра составляет от 40
000 км до 96 500 км пробега в зависимости от размера фильтра. Распределительный
коллектор (иногда называвшийся топливной магистралью) служит для подачи топлива
к форсункам.
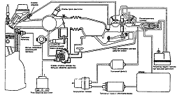
Рис. Система впрыска топлива Bosch L Jetronic.
1 Топливный бак
2 Электрический топливный насос
3 Фильтр тонкой очистки
4 Распределительный коллектор
5 Регулятор давления
6 Датчик расхода воздуха типа заслонки (6а)
7 Блок управления
8 Датчик температуры
9 Топливная форсунка
10 Впускной коллектор
11 Клапан "холодного пуска" двигателя
12 Дроссельная заслонка с переключателем [12а]
13 Вспомогательный воздушный клапан
14 Переключатель термореле
15 Распределитель зажигания
16 Блок реле
17 Замок зажигания
18 Аккумулятор
При включении термореле открывается клапан 2, расположенный во впускном
коллекторе и через него впрыскивается дополнительное топливо.
Более поздние версии системы впрыска используют не отдельный клапан, а
удлиняют время открытого состояния основных клапанов для впрыска топлива.
Прогрев двигателя. После пуска двигателя ему необходимо обогащение
рабочей смеси, поскольку стенки цилиндров ещё не нагрелись.
После пуска обогащение рабочей смеси изменяется. В первые 30 с после
пуска рабочая смесь содержит топлива не 30 - 60 % больше. Изменение состава
рабочей смеси производится в блоке управления в зависимости от температуры
охлаждающей жидкости, измеряемой датчиком, расположенном в блоке цилиндров.
Этот датчик представляет собой реостат с отрицательным температурным
коэффициентом сопротивления.
Управление оборотами холостого хода. Для преодоления повышенного
сопротивления при работе холодного двигателя предусмотрено вспомогательное
устройство, увеличивающее подачу воздуха и топлива в двигатель.
Это устройство представляет собой биметаллическую пластину, которая
открывает или закрывает отверстие для подачи дополнительного топлива.
Адаптация системы к изменению загрузки двигателя.
Если при работе двигателя на холостом ходу рабочая смесь станет слишком
бедной, это может привести к неустойчивой работе двигателя. Для регулировке
рабочей смеси в этом режиме работы двигателя используется система
дополнительной подачи воздуха в обход дроссельной заслонки. Для регулировки
состава рабочей смеси блок электронного управления использует данные датчика
массового расхода воздуха, на основе которых меняет соотношение воздух -
топливо рабочей смеси.
Частичная загрузка двигателя. В процессе эксплуатации двигатель, в
основном, работает, работает с частичной загрузкой.
Подача топлива запрограммирована в блоке электронного управления таким
образом, чтобы в двигатель подавалось минимальное количество топлива на всех
режимах частичной загрузки.
Полная загрузка двигателя.
Для достижения максимальной мощности двигателя необходимо дополнительное
обогащение рабочей смеси по сравнению с частичной загрузкой двигателя.
Дополнительное обогащение рабочей смеси осуществляется блоком управления
по сигналу контактного датчика полностью открытой дроссельной заслонки.
Топливные форсунки устанавливаются для каждого цилиндра и приводятся в
действие электромагнитами. Электромагниты открывают и закрывают клапаны
форсунок по командам блока управления. При отсутствии напряжения на обмотке
электромагнита игольчатый клапан удерживается пружиной в закрытом положении.
Когда на обмотку электромагнита подается напряжение, клапан поднимается
приблизительно на 0,1 мм и топливо впрыскивается через образовавшийся зазор.
Игла клапана имеет специальную форму для лучшего распыления топлива. Время
открытия и закрытия клапана составляет 1,0... 1,5 миллисекунды, а время, в
течение которого клапан остается открытым, колеблется от 1,5 до 10 миллисекунд
в зависимости от команд, формируемых блоком управления.
Топливные форсунки крепятся на резиновых втулках для
обеспечения теплоизоляции. Это предотвращает появление пробок из паров топлива
и способствует облегчению пуска горячего двигателя.
Пуск холодного двигателя. Аналогично тому, что в
карбюраторе устанавливается дополнительная заслонка для обогащения топливной
смеси, система впрыска топлива также имеет возможность впрыска дополнительного
топлива для облегчения пуска холодного двигателя.
Обогащение рабочей смеси осуществляется при помощи специального
термореле. Термореле имеет биметаллический выключатель, который срабатывает в
зависимости от температуры охлаждающей жидкости. Выключатель снабжен
собственным обогревателем для ограничения времени обогащения рабочей смеси и
предотвращения перелива топлива (настройка термореле выполнена таким образом,
чтобы обогащение смеси осуществлялось не более 8 с при температуре -20°С).
При включении термореле открывается клапан (II), расположенный во впускном
коллекторе и через него впрыскивается дополнительное топливо.
Более поздние версии системы впрыска используют не
отдельный клапан, а удлиняют время открытого состояния основных клапанов для
впрыска топлива.
Прогрев двигателя. После пуска двигателя ему
необходимо обогащение рабочей смеси, поскольку стенки цилиндров еще не
нагрелись.
После пуска обогащение рабочей смеси изменяется. В
первые 30 с после пуска рабочая смесь содержит топлива на 30%...60% больше.
Изменение состава рабочей смеси производится в блоке управления в зависимости
от температуры охлаждающей жидкости, измеряемой датчиком, расположенном в блоке
цилиндров. Этот датчик представляет собой реостат с отрицательным температурным
коэффициентом сопротивления.
Управление оборотами холостого хода. Для преодоления
повышенного сопротивления при работе холодного двигателя предусмотрено
вспомогательное устройство, увеличивающее подачу воздуха и топлива в двигатель.
Это устройство представляет собой биметаллическую
пластину, которая открывает или закрывает отверстие для подачи дополнительного
воздуха.
Адаптация системы к изменению загрузки двигателя.
Если при работе двигателя на холостом ходу рабочая смесь станет слишком
бедной, это может привести к неустойчивой работе двигателя.
Для регулировки рабочей смеси в этом режиме работы
двигателя используется система дополнительной подачи воздуха в обход
дроссельной заслонки.
Для регулировки состава рабочей смеси блок
электронного управления использует данные датчика массового расхода воздуха, на
основе которых меняется соотношение воздух / топливо рабочей смеси.
Частичная загрузка двигателя. В процессе эксплуатации
двигатель, в основном, работает с частичной загрузкой.
Подача топлива запрограммирована в блоке электронного
управления таким образом, чтобы в двигатель подавалось минимальное количество
топлива на всех режимах частичной загрузки.
Полная загрузка двигателя. Для достижения максимальной
мощности двигателя необходимо дополнительное обогащение рабочей смеси по
сравнению с режимом частичной загрузки.
Дополнительное обогащение рабочей смеси осуществляется блоком управления
по сигналу контактного датчика полностью открытой дроссельной заслонки.
Ускорение. При ускорении двигателю требуется
увеличение подачи топлива. При нажатии на педаль акселератора дроссельная
заслонка открывается. Это приводит к быстрому открыванию заслонки датчика
расхода воздуха так, что на короткое время заслонка по инерции откроется
больше, чем надо. При этом пропорционально открытию заслонки увеличится подача
топлива и приводит к появлению в выхлопных газах несгоревшего топлива. Если на
автомобиле установлен каталитический преобразователь произойдет временное обогащение
рабочей смеси, позволяющее осуществлять быстрый разгон автомобиля.
Если ускорение продолжается, такой меры может быть
недостаточно. В этом случае блок управления определяет скорость поворота
дроссельной заслонки и на основании этой информации вычисляет необходимую
степень обогащения рабочей смеси. При замедлении происходит обратный процесс,
подача топлива уменьшается или прекращается совсем.
Коррекция по температуре воздуха.
Результаты измерения расхода воздуха датчиком типа
заслонки нуждаются в коррекции в зависимости от температуры воздуха. Поэтому
рядом с датчиком такого типа устанавливается датчик температуры воздуха, а в
блоке управления происходит корректировка вычисления расхода воздуха в
соответствии с данными этого датчика.
Другие корректировки.
Ограничение максимальных оборотов двигателя
производится блоком электронного управления. Однако простое отключение
зажигания выхлопных газов, это может привести его в негодное состояние. Поэтому
блок управления одновременно с отключением зажигания уменьшает или прекращает
подачу топлива к форсункам.
Заброс оборотов двигателя может произойти, например,
при движении автомобиля под уклон с полностью отпущенной педалью акселератора.
При этом происходит лишняя потеря топлива и увеличение несгоревших остатков топлива
в выхлопных газах. Блок электронного управления отключает подачу топлива при
следующих условиях, зависящих от температуры:
а) Дроссельная заслонка закрыта;
б) Частота вращения двигателя превышает 1200 об/мин;
в) Температура охлаждающей жидкости выше 25°С (более
холодный двигатель останавливается только при превышении максимальных
оборотов).
Когда двигатель работает на повышенных оборотах при
закрытой дроссельной заслонке, во впускном коллекторе создается большое
разрежение. Это приводит к неполному сгоранию топлива и увеличению окисей
углерода в выхлопных газах. Для предотвращения этого блок электронного
управления прекращает подачу топлива, когда обороты двигателя становятся
меньше, установленных винтом регулировки, подача топлива возобновляется.
1.1.2 Блок электронного управления
Блок электронного управления - центральный блок
системы. Он предназначен для обработки данных, полученных от датчиков и
формирований управляющих импульсов, открывающих топливные клапаны.
Количество топлива, поступающего в двигатель,
определяется длительностью открытого состояния топливных форсунок.
Блок электронного управления состоит из пяти
электронных схем, расположенных на печатных платах. Элементы конечной ступени
усилителя расположены на стальной рамке для обеспечения отвода выделяющегося
тепла.
За один оборот коленчатого вала топливная форсунка
каждого цилиндра впрыскивает топливо только один раз, независимо от положения
впускных клапанов. Если при впрыскивании топлива впускной клапан еще закрыт,
топливо находится перед впускным клапаном.
б) Топливные форсунки всех цилиндров открываются и
закрываются одновременно.
в) Продолжительность впрыскивания топлива определяется на основе
показаний датчика расхода воздуха и частоты вращения коленчатого вала. Эти
данные корректируются блоком электронного управления в зависимости от условий
работы двигателя.
1.2 Система
впрыска с одной форсункой (дроссельный впрыск)
По заказам производителей автомобилей фирмой Bosch была разработана более дешевая
система с одноточечным впрыском топлива. Эта система была установлена в 1985 г.
на автомобилях марки VW Polo и в 1987 г. на Fiat FIRE (Fully Integrated Robotised Engine].
Как показали проведенные исследования, оптимальным местом для установки
топливной форсунки является зона над дроссельной заслонкой. В этом месте
достигается наибольшая скорость воздуха, что обеспечивает хорошее смешивание
топлива с воздухом.
Рис. Блок Mono Jetronic с центральной форсункой.
В едином корпусе размешен регулятор давления, поддерживающий давление
топлива на постоянном уровне (приблизительно 1 атм), а также специальная
топливная форсунка с малым временем срабатывания.Здесь же расположен регулятор
холостого хода, датчик дроссельной заслонки и датчик температуры воздуха.
Расход воздуха Q
определяется по углу разворота дроссельной заслонки (по напряжению на
потенциометре, расположенном на оси дроссельной заслонки). Частота вращения
коленчатого вала двигателя п определяется по импульсам системы зажигания.
Продолжительность впрыска вычисляется блоком
электронного управления в соответствии с отношением Q/n.
Управление системой осуществляется электронным блоком,
включающим в себя микропроцессор, постоянное запоминающее устройство для
хранения данных и аналогово-цифровой преобразователь.
В блоке электронного управления производится
определение базовой продолжительности впрыска топлива. Для расчета
продолжительности впрыска используется частота вращения двигателя и угол
поворота дроссельной заслонки. Вычисления производятся при помощи карты, на
которой определены 15 значений угла поворота дроссельной заслонки и частот
вращения двигателя.
На основе базовой продолжительности впрыска
производится корректировка с учетом различных параметров.
Система управления может быть запрограммирована для
учета таких режимов, как пуск холодного двигателя, разгон, работа двигателя с
максимальной загрузкой и замедление автомобиля.
Кроме того, дополнительно может осуществляться лямбда-управление составом
рабочей смеси (подробно описанное в следующем разделе).
Еще одна дополнительная возможность системы управления
-регулирование частоты вращения двигателя на холостом ходу при помощи
сервомотора, управляющего углом поворота дроссельной заслонки и,
соответственно, поступлением воздуха в двигатель.
1.3 Центральный
впрыск
Основные отличия системы впрыска от карбюратора достаточно наглядны, если
рассмотреть систему центрального впрыска, например, Bosch Mono-Jetronic, схема
которой представлена на рис. 1.
На впускном коллекторе на месте привычного карбюратора прямо над
дроссельной заслонкой (отсюда Throttle Body Injection) расположена
электромагнитная форсунка, или инжектор. На первый взгляд очень похоже на
карбюратор. Да и функции те же, только выполняются по-другому. Форсунка
представляет собой быстродействующий электромагнитный клапан с соплом,
обеспечивающим высокоэффективное распыливание топлива, когда клапан находится в
открытом состоянии. Для открытия клапана на него подается управляющее
напряжение. Топливо к форсунке подводится под давлением около 1 кг/см кв. через
фильтр электрическим насосом, расположенным в бензобаке 1. Распыленное топливо
с потоком воздуха всасывается двигателем.
Количество подаваемого топлива зависит от времени открытия клапана
форсунки, дозирование осуществляется дискретно-временным (импульсным) способом.
Время открытия клапана (приблизительно от 1 до 20 миллисекунд) определяется
электронным блоком - компьютером, который сравнивает занесенные в его память
экспериментальные данные об оптимальном режиме работы двигателя с информацией о
его нагрузочном режиме в данный момент времени, поступающей от установленных на
двигателе датчиков.
Частота срабатывания клапана форсунки кратна частоте вращения коленчатого
вала двигателя. В более совершенных вариантах такой системы момент впрыска
связан также и с фазами газораспределения, т. е. с моментами открытия впускных
клапанов.
Системы центрального впрыска, безусловно, являлись шагом вперед по
сравнению с карбюраторными системами питания, но из-за своей простоты не лишены
недостатков и уже не удовлетворяют современным требованиям. Основной изъян, как
и у карбюратора, - неоднородное распределение смеси по цилиндрам и ее
конденсация во впускном коллекторе.
В Европе и Японии системы центрального впрыска получили распространение в
основном на небольших автомобилях, что связано прежде всего с относительной
дешевизной этих систем. Немаловажно и то, что под них легко адаптируются
карбюраторные двигатели почти без конструктивных переделок или технологических
изменений в производстве. А вот в США, где пик популярности систем центрального
впрыска пришелся на конец 80-х - начало 90-х годов, их ставили на двигатели
любого объема - вплоть до самых больших - 7,5 литровых.
1.4
Многоточечный впрыск
Более совершенными являются системы многоточечного впрыска, в которых
подача топлива к каждому цилиндру осуществляется индивидуально. Устройство
такой системы на примере L-Jetronic.
Топливо из бензобака насосом через топливный фильтр подается к общей
распределительной магистрали, запитывающей электромагнитные форсунки. Давление
топлива поддерживается постоянным, благодаря регулятору, который направляет
излишки топлива обратно в бак. В каждый цилиндр двигателя топливо впрыскивается
отдельной форсункой. Принцип дозирования количества топлива, как и во всех
системах с электронным управлением, - временной. Клапаны форсунок управляются
электрически и открываются синхронно с работой коленчатого вала двигателя
поодиночке или группами по 2 или 3 (т. н. последовательный впрыск - sequental
fuel injection). Микропроцессор (компьютер), входящий в состав блока
управления, обрабатывает поступающие от соответствующих датчиков данные о
нагрузочном режиме двигателя, частоте вращения и положении коленчатого вала,
положении дроссельной заслонки, температуре охлаждающей жидкости, количестве и температуре
поступающего в двигатель воздуха... Эти данные в сопоставлении с заложенными в
память блока управления экспериментальными регулировочными характеристиками
используются процессором блока для определения длительности импульсов
напряжения, подаваемых на клапаны форсунок. В наиболее совершенных моделях
систем этого типа определяется также и оптимальный момент впрыска.
Основной датчик во всех системах впрыска - это устройство, измеряющее
количество поступающего в двигатель воздуха, что позволяет судить о нагрузочном
режиме двигателя. Измерять количество воздуха можно по-разному. В первой и
самой простой системе Bosch D-Jetronic измерялось давление во впускном
коллекторе, отсюда обозначение D (Druck по-немецки - давление). Это был
косвенный метод, такой же, как в карбюраторе. В 1974 году появилась система
L-Jetronic, в которой количество поступающего в двигатель воздуха определялось
более точно - по углу отклонения шторки, или лопасти датчика воздушного потока
(Luft - воздух). Самый точный метод измерений использован в системах
LH-Jetronic (1984 год) и LH-Motronic (1987 год, Motronic по классификации Bosch
обозначает систему управления впрыском, объединенную с системой управления
зажиганием). Буква H в обозначении - от немецкого Heiss - горячий. Действительно,
в термоанемометрах системы LH используется тонкий (70 мкм) платиновый
проводник, нагретый до 1000C. Поток проходящего воздуха охлаждает проводник, по
изменению его электрического сопротивления определяется количество проходящего
воздуха. Преимущество: прямое измерение массы, а не объема воздуха, что
позволяет отказаться от поправок на температуру и плотность воздуха, или высоту
над уровнем моря.
1.5
Непрерывный впрыск
Описанные выше системы являются импульсными, впрыск топлива форсунками
осуществляется дискретно, по командам блока управления. Можно сделать проще -
подавать топливо из форсунок непрерывно, изменяя лишь его количество в
зависимости от нагрузки на двигатель.
В качестве примера современного устройства непрерывного впрыска можно
привести систему К-Jetronic, созданную Bosch в 1973 году и годом позже
примененную на Porsche 911T. Буква K в обозначении - от немецкого Kontinuerlich
- непрерывный. Система с механическим (иногда его называют гидравлическим)
управлением не лишена недостатков. Пожалуй, единственная причина появления
механической системы в то время, когда на рынке давно и широко были
представлены электронные, заключалась в ее низкой цене, сопоставимой со
стоимостью карбюраторных систем питания.
Работу К-Jetronic можно описать следующим образом: поток воздуха,
засасываемый двигателем, отклоняет напорный диск, который через рычаг
воздействует на дозирующий плунжер, а тот, перемещаясь внутри цилиндра,
изменяет площадь радиально расположенных дозирующих отверстий. Количество
отверстий равно количеству цилиндров двигателя. В цилиндр под давлением порядка
5-6 кг/см кв. подается топливо, нагнетаемое электрическим бензонасосом. Пройдя
дозирующие отверстия, топливо по трубопроводам поступает к впрыскивающим
форсункам (инжекторам), которые расположены прямо над впускными клапанами.
Форсунки в этой системе - это просто пружинные клапаны с распылителем на конце,
которые открываются при определенном давлении. Топливо из форсунок поступает
непрерывно, меняется лишь его количество, определяемое положением дозирующего
плунжера (на самом деле все несколько сложнее, мы намеренно не описали еще
несколько подсистем, но сути это не меняет). Чем выше нагрузка на двигатель,
тем сильнее отклоняется напорный диск и тем выше поднимается дозирующий
плунжер, увеличивая тем самым площадь отверстий, а значит, и подачу топлива к
форсункам.
В момент открытия впускного клапана поступившее топливо смешивается с
воздухом и всасывается в цилиндр. Все остальное время, пока впускной клапан
закрыт, в зоне над ним происходит накопление и испарение топлива. С технической
точки зрения не очень изящно, но тем не менее К-Jetronic неплохо работает,
доказательством чему являются миллионы изготовленных экземпляров данной системы
и ее многочисленные модификации, выпущенные после 1973 года. Особой любовью
такие системы пользовались у инженеров из Штутгарта - вплоть до недавнего
времени впрыск топлива на автомобилях Mercedes был представлен почти
исключительно системами K- и KE-Jetronic.
KE-Jetronic является развитием системы К-Jetronic, но в отличие от
последней, она снабжена электронным блоком и некоторыми другими дополнениями,
сделавшими работу системы более точной и гибкой. Есть вариант KE-Jetronic с
лямбда-сенсором. Есть и другие усовершенствования базовой системы: KE3-Jetronic
и KE-Motronic, дополненные схемами управления зажиганием. Применяются они в
основном на автомобилях Audi под названиями соответственно CIS-E III и
CIS-Motronic.
Стоит сказать, что созданные Bosch системы непрерывного впрыска
используются исключительно на автомобилях европейских производителей - c 1989
года ни на одной машине японского или американского происхождения К-Jetronic
или ее аналоги не устанавливались. Среди европейских пользователей - все
ведущие фирмы: Audi, BMW, Ferrari, Lotus, Mercedes, Peugeot, Porsche, Renault,
Rolls-Royce, Saab, Volvo и, конечно, Volkswagen. На 12-цилиндровых двигателях
Ferrari (Testarossa) и Mercedes по две системы KE-Jetronic устанавливались
параллельно, каждая обслуживала свою группу цилиндров.
Отличительным внешним признаком системы непрерывного впрыска является
отдельный блок, объединяющий в себе измеритель воздушного потока и дозирующее
устройство. Этот блок, как правило, крепится между воздушным фильтром и
впускным коллектором, с которым соединяется гибким рукавом. От дозирующего
устройства к каждому (если впрыск многоточечный) инжектору подведен отдельный
тонкий бензопровод. Встречаются, правда, и исключения: на многих двигателях
Mercedes, а также на V-образных шестерках Peugeot, Renault и Volvo этот блок
крепится прямо на впускном коллекторе и закрыт сверху воздушным фильтром -
внешне похоже на обычный карбюратор. В любом случае электрические провода к
инжекторам и единый массивный распределительный бензопровод, являющиеся
отличительными признаками системы импульсного впрыска, естественно,
отсутствуют.
Для обогащения смеси в момент пуска холодного двигателя в системах
многоточечного впрыска во впускной трубопровод раньше устанавливали еще одну,
дополнительную форсунку, т. н. инжектор холодного пуска, управляемый термочувствительным
переключателем. В последние годы от этого решения отказались, изменив при пуске
режим работы стандартных инжекторов.
1.6
Непосредственный впрыск
Перспективной разновидностью многоточечного впрыска являются системы
непосредственного, или прямого впрыска топлива. От обычных конструкций они
отличаются тем, что впрыск бензина происходит не во впускной коллектор, а
непосредственно в камеру сгорания. Интересно, что первая в мире система впрыска
для серийного бензинового двигателя (Mercedes-Benz 300SL, 1954 год) относилась
именно к этой категории. Но там использовались топливные насосы высокого
давления с механическим приводом от двигателя, что требовало высокой точности
изготовления и тщательной регулировки. Стоимость таких систем и их обслуживания
была весьма высока, да и Mercedes-Benz 300SL назвать серийным автомобилем можно
лишь с большой натяжкой. Широкого применения они не нашли.
Реализация на современном техническом уровне идеи прямого впрыска для
бензиновых двигателей требует решения ряда конструктивных и технологических
проблем, и осуществить ее в массовом производстве пока не удается, тем не менее
идея считается весьма перспективной, разработки в этом направлении ведутся
многими фирмами.
На Tokyo Motor Show в конце 1993 года Toyota показала свой новый
двигатель D-4 ("Автопилот #1). Это 4-цилиндровый бензиновый двигатель с
непосредственным впрыском топлива, работающий на переобедненной смеси. Степень
сжатия 12,5. Топливо подается под давлением более 100 кг/см кв. Применены
быстродействующие пьезоэлектрические инжекторы повышенной точности, которые
фирма называет электронными. Момент впрыска регулируется в зависимости от
нагрузки на двигатель: при малых и средних нагрузках впрыск происходит позднее,
при больших - раньше. Для управления турбуленцией потока в цилиндре применен
специальный клапан (swirl control valve) в воздушном впускном патрубке,
открывающийся при больших нагрузках.
Работа над двигателем продолжается, по окончании его доводки конструкторы
надеются добиться 20% экономии топлива. Массовое внедрение двигателей с
непосредственным впрыском фирмы Toyota ожидают не ранее 2005-2010 годов.
1.7 Почему
возникла необходимость в системах впрыска
А теперь наконец попробуем разобраться, почему собственно системы впрыска
получили такое распространение и в чем их преимущество перед теми же
карбюраторами?
Может показаться, что ответ лежит на поверхности - системы впрыска
позволяют увеличить мощность, улучшить динамику, двигатель становится более
экономичным. Действительно, вначале целью внедрения таких систем на серийных
автомобилях было прежде всего улучшение ездовых качеств. Однако обвальное
распространение впрыска топлива на современных автомобилях обусловлено прежде
всего не техническими, а экологическими соображениями.
Как известно, при сгорании бензина в двигателе в атмосферу выбрасывается
множество вредных для человека и окружающей среды веществ и соединений.
Регламентируется пока (к счастью для автопроизводителей и к несчастью для всех
остальных) выброс только трех компонентов выхлопа: окиси углерода (CO),
углеводородов (НС) и окислов азота (NOx). Снизить их содержание можно
совершенствованием двигателя, оптимизацией процесса сгорания топлива, а также
установкой в системе выпуска специальных трехкомпонентных (по числу
регламентируемых компонентов выхлопа) каталитических нейтрализаторов
отработавших газов. Без них выполнить современные, а тем более планируемые в
недалеком будущем нормы по токсичности выхлопа невозможно. А применение
катализатора обязательно влечет за собой комплектацию автомобиля системой
впрыска топлива.
Массовое внедрение каталитических устройств в системе выпуска
отработавших газов и, соответственно, систем впрыска топлива началось в США,
где нормы на чистоту выхлопа становились более жесткими, чем в Европе. Уже с
1980 года европейские производители автомобилей были вынуждены поставлять свою
продукцию в США с системами впрыска, в то время как на местные рынки
по-прежнему шли автомобили с карбюраторными системами питания.
Разработанные к середине 80-х годов трехкомпонентные катализаторы
предназначались для нейтрализации продуктов, образующихся при сжигании в
двигателе т. н. нормальной топливо-воздушной смеси (весовое соотношение
бензин/воздух 1/14,7).
Любое отклонение состава смеси от указанного приводило к падению эффективности
работы катализатора и увеличению токсичности выхлопа.
Поддержание нужного состава смеси на различных режимах работы двигателя
при наличии массы возмущающих факторов возлагалось на систему впрыска. Для
карбюраторов, даже оснащенных электронным управлением, это была совершенно
непосильная задача. Да и упрощенные системы впрыска, например, К-Jetronic или
KE-модификация тоже не могли решить ее полностью.
Выход был найден следующий. В систему впрыска ввели обратную связь - в
выпускную систему, непосредственно перед катализатором, поставили датчик
содержания кислорода в выхлопных газах, т. н. лямбда-сенсор. По сигналам этого
датчика компьютер системы управления регулировал подачу топлива в двигатель,
точно выдерживая нужный состав смеси.
Трехкомпонентный катализатор в сочетании со снабженной лямбда-сенсором
системой впрыска работал весьма эффективно - с точки зрения экологов. Но для
конструкторов автомобильных двигателей такая схема обернулась серьезной
проблемой - дело в том, что максимальная экономичность двигателя достигается
при работе на обедненной или даже переобедненной смеси (отношение бензин/воздух
1/25), и конструкторами уже была проделана немалая работа по созданию именно
таких двигателей. Однако на обедненных смесях катализатор работает плохо.
За чистоту выхлопа, достигнутую в результате внедрения катализаторов,
пока приходится расплачиваться некоторым увеличением расхода топлива по
сравнению с результатами, которых удалось добиться к середине 80-х годов на
двигателях без катализаторов.
Но увеличение расхода топлива приводит к увеличению общего количества
выбросов в атмосферу, пусть даже и более чистых. Круг замыкается. Решение - за
экологами, экономистами и политиками.
Тенденция работать на переобедненных смесях, по-видимому, сохранится.
Потребуются, конечно, новые катализаторы, способные работать с такими смесями,
а сокращение расхода топлива будет достигаться за счет дальнейшего
совершенствования и усложнения систем управления двигателем: в конце концов
принцип "Максимально достижимой технологии" - это получение наилучших
результатов вне зависимости от сложности и стоимости технических решений.
Приверженность переобедненным смесям демонстрируют японские конструкторы.
Первый двигатель такого типа Toyota выпустила на рынок в 1984 году. Соотношение
бензин/воздух 1/25, многоточечный впрыск, мощная система зажигания, 2 впускных
клапана/цилиндр, в системе управления двигателем - дополнительный датчик
состава смеси или давления в камере сгорания. Экономия топлива 8 - 10%.
Похожие двигатели в 1991 году выпустили Mitsubishi и Honda, в 1994 году о
завершении аналогичной разработки объявил Nissan. Одна из проблем в таких
конструкциях - необходимость повышения турбуленции, или завихрения
топливо-воздушной смеси в камере сгорания. Завихрение может происходить
по-разному - swirl или tumble - как в стиральных машинах с вертикально или
горизонтально расположенной осью барабана. В двигателях Toyota и Nissan для
завихрения смеси в одном из двух воздушных впускных патрубков каждого цилиндра
применен специальный клапан - swirl control valve. Honda для этих целей
использует различающееся на 1 мм по высоте приоткрытие впускных клапанов
каждого цилиндра,
Mitsubishi - особую конфигурацию впускных патрубков в сочетании с формой
днища поршня.
Пока все созданные двигатели имеют относительно небольшой (до 2,0 литра)
объем, который можно будет увеличить лишь после создания катализаторов, хорошо
работающих с переобедненными смесями. Определенный прогресс в этом направлении
уже достигнут. Toyota, кроме того, небезуспешно экспериментирует с системой из
двух датчиков кислорода в выпускной системе, один из которых установлен до
катализатора, а второй после. Исследуется метод электроподогрева катализатора
для улучшения его работы при пуске холодного двигателя. FIAT предлагает использование
двух каталитических нейтрализаторов, один из которых установлен близко к
выпускному коллектору и способен работать при более высокой температуре.
1.8 Выводы о
системах впрыска
Многие до сих пор настороженно относятся к автомобилям, оснащенным системами
впрыска топлива. Напрасно. Во-первых, карбюраторные двигатели все равно
постепенно отходят в прошлое и волей-неволей к впрыску придется привыкать.
Во-вторых, с точки зрения эксплуатации системы впрыска гораздо надежнее
карбюраторов, требующих постоянной чистки и регулировки. О выигрыше с точки
зрения ходовых качеств автомобиля можно не говорить. И о зимнем запуске
двигателя тоже. И о многом другом. Но, конечно, неприятности тоже случаются.
В первую очередь, заправка этилированным бензином. Его продажа в Москве
запрещена, но кто не попадал в ситуацию, когда заправляться приходится за
городом? А в других городах? Одной заправки этилированным бензином с гарантией
хватает на то, чтобы вывести из строя катализатор. Можно, конечно, не думать об
окружающей среде, но от содержащегося в этилированном бензине тетраэтилсвинца
страдает не только катализатор - из строя выходит и датчик кислорода,
лямбда-сенсор. Это уже хуже, поскольку нарушается управление двигателем. А это
потеря мощности и другие прелести.
Бывают и курьезные случаи. Один человек за городом оборвал глушитель.
Где-то в самой передней части. Грохочет машина, естественно, жутко. И не едет
совсем. Сначала думал, что дело в психологии - не хотелось сильно шуметь.
Превозмог себя, нажал на газ как следует - все равно не едет, вернее едет, но
плохо. Потом только в гараже разобрался - глушитель оборван перед самым
цилиндром с катализатором, датчик кислорода торчит наружу. Естественно,
сигнализирует, что кислорода много. Умный компьютер понял - подаваемая в
двигатель смесь слишком бедная. И обогатил ее до отказа. С соответствующей
потерей мощности двигателя.
Другой пример - добыл себе человек Land Rover. Летом все было нормально,
но как только чуть похолодало, начались проблемы. Когда разобрались, выяснилось,
что человек из экономических соображений немного схитрил - купил машину по
случаю, в исполнении для жарких стран. Естественно, компьютер был
запрограммирован на совершенно другой температурный диапазон. Пришлось ставить
новый. Этим и закончилась экономия.
Достаточно распространенное явление в отечественных условиях -
загрязнение форсунок инжекторов. От плохого бензина. Проявляется это в
повышенной шумности холостого хода, провале или неуверенном наборе скорости при
резком нажатии на педаль газа, увеличении расхода топлива, грязном выхлопе.
Чаще происходит в небольших автомобилях с тесным подкапотным пространством при
коротких поездках по городу с длительными остановками между ними: в
неработающем горячем двигателе оставшиеся в соплах форсунок капли топлива
испаряются, оставляя осадок, постепенно забивающий тонкий (около 0,05 мм)
кольцевой канал. Профилактика - использование высокосортного топлива с хорошими
моющими характеристиками. Проверка - только на стенде. Лечение - моющие добавки
к бензину, причем использовать рекомендуется только те из них, которые
специально предназначены для чистки инжекторов - добавки для карбюраторных
двигателей не годятся.
И здесь мы переходим к важному вопросу. В целом системы впрыска устроены
логичнее и даже проще карбюраторов. Но уровень их технического исполнения
таков, что найти неисправность без специального диагностического оборудования
сложно, а уж отремонтировать - тем более. И вряд ли здесь поможет умелец в робе
с продранными локтями, который регулирует карбюраторы на улице. И хотя ломаются
системы впрыска крайне редко, ищите хорошую станцию заранее.
1.9
Эксплуатация современного впрыска
О том, что так называемый впрыск - вещь нужная, известно всем. Но как
правильно с ним обращаться, знает отнюдь не каждый. Между тем, большинство
автомобилей, катающихся по нашим дорогам, оснащены этими самыми инжекторами. Мы
надеемся, что данная статья поможет автомобилистам разобраться в устройстве
систем впрыска топлива.
Начнем с того, что инжекторные системы подачи топлива имеют целый ряд
преимуществ над карбюраторными. Главное - это точное дозирование топлива и, как
следствие, более экономичный его расход. Также нельзя забывать о снижении
токсичности выхлопных газов и увеличении приемистости.
Эффективность работы инжекторного двигателя во многом определяет
состояние форсунок - управляемые электромагнитные клапаны, обеспечивающие
дозированную подачу топлива в цилиндры двигателя. Кстати, существуют форсунки
для центрального (одноточечного) и распределенного (многоточечного) впрыска.
Еще одна важная деталь - блок управления, которому и подчиняются все форсунки.
Как работает форсунка? К ней под определенным давлением подается топливо,
а электрические импульсы, поступающие от блока управления, открывают и
закрывают игольчатый клапан. Таким образом и регулируется количество
распыляемого топлива (оно пропорционально длительности импульса, задаваемой
блоком управления). Причем большую роль в процессе смесеобразования играют
форма и направление так называемого распыляемого факела (это зависит от
расположения распылительных отверстий). Теперь самое время разобраться, чем
различаются центральный и распределенный впрыски. Начнем с первого. Здесь для
всех цилиндров двигателя топливо впрыскивается одной форсункой. Она
устанавливается перед дроссельной заслонкой, на том самом месте, где должен
стоять карбюратор. Эта форсунка имеет низкое сопротивление обмотки
электромагнита - от 4 до 5 Ом.
В системах распределенного впрыска топлива для каждого цилиндра работает
отдельная форсунка, которая располагается у основания впускного коллектора.
Такие форсунки имеют высокое сопротивление обмотки электромагнита - от 12 до 16
Ом.
На новейших инжекторах топливо подается непосредственно в камеру
сгорания, поэтому такие системы носят название - непосредственный впрыск. Здесь
форсунки обладают очень высоким рабочим напряжением электромагнита - до 100 В.
Со временем, естественно, форсунки приходят в негодность. Об этом,
кстати, вы сразу узнаете: недостаточная мощность двигателя, повышенная
токсичность выхлопов, рывки и провалы при увеличении нагрузки на двигатель,
неустойчивая работа на малых оборотах.
Самая распространенная неисправность форсунок - загрязнение. Причин тому
огромное количество. Это и общее загрязнение топливной системы, и
закоксовывание содержащимися в топливе смолами, и... Но не пугайтесь - ведь
чаще всего форсунки промывают, и они восстанавливают свою работоспособность.
Хуже, когда из строя выходит электромагнит форсунки. В таком случае ее,
вероятней всего, придется менять. А проверить его исправность можно на ощупь
или, если хотите, с помощью стетоскопа.
Но вернемся к промывке. Весь смысл состоит в том, чтобы удалить
загрязнения. Существует три основных способа промывки форсунок: промывка
специальными присадками к топливу, промывка без демонтажа форсунок с помощью
специальной установки и промывка на ультразвуковом стенде с демонтажом
форсунок.
2.
Исследование работы и процесса технической эксплуатации форсунок бензиновых
двигателей
2.1
Конструкция электромагнитных форсунок
Рассмотрим устройство и принцип действия форсунок на примере форсунки
фирмы Бош, а также неисправности которые она может вызвать.
Форсунка топливная EV1.3C 0280150902 (BOSCH)
Назначение электромеханизма. Принцип действия
1. Форсунка предназначена для дозирования и тонкого распыления
топлива в сторону впускного клапана цилиндра двигателя.
2. Форсунка представляет собой прецизионный гидравлический клапан с
приводом от быстродействующего электромагнита.
3. Упрощенно конструктивная схема включает игольчатый клапан и
электромагнит в общем корпусе. В обесточенном состоянии обмотки электромагнита
клапан прижат пружиной к седлу клапана.
4. Концы обмотки электромагнита выведены наружу через изолированные
от корпуса электрические контакты. Топливо от топливной рампы через входной
штуцер подводится вовнутрь корпуса форсунки через дополнительный сетчатый
фильтр, предохраняющий полость форсунки, распылитель и отверстие клапана от
загрязнения. Дозирующее сечение распылителя представляет собой кольцевую щель
шириной 0,085 мм.
5. Электропитание форсунки (второй вывод обмотки)
6. осуществляется от бортовой сети через главное реле, а включение
форсунки производится путем замыкания на массу первого вывода обмотки через
силовой канал блока управления.
7. При постоянном относительном давлении топлива в магистрали и
напряжения питания электромагнита объем дозируемого топлива пропорционален
длительности управляющего импульса включения форсунки. Длительность импульса
управления форсункой (длительность впрыска) колеблется от сотен миллисекунд на
запуске двигателя до нескольких миллисекунд на режиме холостого хода. В режиме
ЭПХХ блок управления отключает форсунки, прекращая подачу топлива в двигатель,
что обеспечивает дополнительную экономию топлива.
Конструкция электромеханизма
Рис. Общий вид форсунки.
Конструктивно электромеханизм
состоит из следующих элементов:
o корпус с впускным и выпускным штуцерами, внутри которого
размещены подпружиненный игольчатый клапан и обмотка электромагнита;
o уплотнительные резиновые кольца на концах штуцеров;
o двухконтактная вилка соединителя, опрессованная в корпусе.
Параметры электромеханизма
1. Статическая производительность: 2,595г/с.
2. Активное сопротивление обмотки: 16±1 Ом.
3. Индуктивность обмотки на частоте 100 Гц: 12±2мГн,
4. Напряжение электропитания: 6...18В.
5. Ход запорного элемента: 0,16мм.
6. Время срабатывания клапана: 1,5мс.
7. Время отпускания клапана: 1,3мс.
8. Производительность форсунки зависит не только от давления
топлива, но и от величины бортового напряжения, которым запитана форсунка (с
ростом напряжения производительность форсунки растет эквидистантно). Эта
поправка по величине бортового напряжения учитывается в программе блока
управления при расчете длительности впрыска.
Установка и монтаж электромеханизма на автомобиле
1. Форсунки устанавливаются в специальные седла-отверстия головки
блока цилиндров двигателя и прижимаются сверху топливной рампой.
2. Уплотнение топливных соединений форсунок выполняется резиновыми
кольцами.
3. Подключение каждой форсунки к жгуту проводов производится
посредством двухконтактной розетки с защелкой, имеющей специальный
цилиндрический паз.
Аналоги электромеханизма
1. Форсунки EV-1.3C 0280150902 (BOSCH) предназначены для установки,
в основном, на автомобильные двигатели УМЗ-4213.10 и УМЗ-420.10.
2. Полные аналоги данной форсунки отсутствуют.
3. При проведении ремонтных работ могут устанавливаться:
o форсунка EV-1.3C 0280707569 (BOSCH);
o форсунка DEKA-1A ZMZ (SIEMENS).
4. После замены форсунок необходимо выполнить регулировку CO на
холостом ходу.
Внешние проявления неисправностей цепей электромеханизма
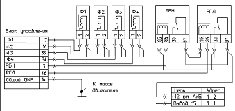
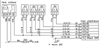
Схема включения форсунок на автомобиле ГАЗ.
Схема включения форсунок на автомобиле УАЗ.
1. Лампа неисправности горит после включения зажигания.
Самодиагностика блока фиксирует коды неисправности 131.
Проверьте исправность цепей форсунок: 17(37к), 16(37и), 35(37з), 34(37ж).
Двигатель работает с перебоями («троение» или «двоение»). Лампа неисправности
мигает бессистемно. Система самодиагностики блока фиксирует однократные коды
неисправности 131...143 (156).
o Проверить контакты в электрических соединителях форсунок.
2. Двигатель работает с перебоями («троение»). Лампа неисправности
не горит (нет неисправностей системы).
3. Выявить методом отключения форсунок неработающий цилиндр.
Проверить параметры неработающей форсунки и при необходимости заменить ее на
исправную. Выполнить профилактику фильтров очистки топлива. При замене форсунок
сбросить давление в топливной магистрали. Двигатель работает с перебоями
(«троение» или «двоение»). Лампа неисправности мигает бессистемно. Система
самодиагностики блока фиксирует однократные коды неисправности 131...143 (156).
o Проверить контакты в электрических соединителях форсунок.
4. Двигатель работает с перебоями («троение»). Лампа неисправности
не горит (нет неисправностей системы).
o Выявить методом отключения форсунок неработающий цилиндр.
Проверить параметры неработающей форсунки и при необходимости заменить ее на
исправную. Выполнить профилактику фильтров очистки топлива. При замене форсунок
сбросить давление в топливной магистрали.
Двигатель работает с перебоями («троение» или «двоение»). Лампа
неисправности мигает бессистемно. Система самодиагностики блока фиксирует
однократные коды неисправности 131...143 (156).
o Проверить контакты в электрических соединителях форсунок.
5. Двигатель работает с перебоями («троение»). Лампа неисправности
не горит (нет неисправностей системы).
o Выявить методом отключения форсунок неработающий цилиндр.
Проверить параметры неработающей форсунки и при необходимости заменить ее на
исправную. Выполнить профилактику фильтров очистки топлива. При замене форсунок
сбросить давление в топливной магистрали.
Диагностика форсунок в бензиновых моторах
В современных автомобилях впрыск под высоким давлением стал обыденным
явлением. Многие производители автомобилей используют в бензиновых двигателях с
прямым впрыском, которые работают как в режиме послойного, так и гомогенного
смесеобразования, подобные устройства. Часто производители используют для таких
двигателей форсунки высокого давления (HDEV), вмонтированные непосредственно в
камеру сгорания. Как можно проверить их работоспособность без демонтажа? Пришло
ли время их прочищать? С помощью диагностической системы для приборов
управления можно сравнить многие актуальные и номинальные показатели.
Пользователь может снять показатели холостого хода с каждого цилиндра.
Если показатели отличаются от номинальных, это указывает в основном на
то, что в системе существует какая-то неисправность. А если провести ещё и тест
компрессии, то можно очень быстро установить, какого рода проблема -
механическое повреждение или повреждение форсунки. Эти тесты можно провести без
демонтажа деталей.
В зависимости от системы впрыска есть возможность получить лямбда
показатели и оценить качество сгорания смеси в каждом отдельном цилиндре.
Благодаря инжектору высокого давления есть возможность проверить с помощью
тестера двигателя, как питание системы, так и прохождение сигнала, интервал
впрыска в каждом цилиндре и сопротивление катушки. Таким образом, такой
встроенный клапан даёт возможность провести полноценную проверку. Если есть подозрение,
что клапан высокого давления протекает, специалист должен удалить свечу
зажигания и после остановки двигателя с помощью тестера выхлопных газов
замерить концентрацию несгоревшего топлива (НС) в цилиндре. Она не должна
увеличиваться, иначе клапан в цилиндре с максимальной концентрацией неисправен.
Оценить состояние форсунок можно на любом СТО, обладающем современными
диагностическими приборами. При малейших перебоях в работе двигателя, такой
контроль позволит четко оценить пришло ли время промывать форсунки.
2.2
Разработка новинок в области бензиновых форсунок
На прошедшей в прошлом году выставке новых технологий был выдвинут новый
проект по устройству форсунок.
Удостоенный премии проект носит название «Форсунки с пьезоэлектрическим
управлением: новая техника впрыскивания для экологичных и экономичных дизельных
и бензиновых двигателей». Давайте вспомним: ещё совсем недавно любой прохожий
мог с первого взгляда отличить дизельный автомобиль от бензинового: дизельный
исторгал из выхлопной трубы густые клубы смрадного дыма. Теперь же ситуация
изменилась: оказалось, что и дизельный двигатель может быть вполне экологичным.
Неслучайно доля машин с дизельными двигателями в общем числе производимых
сегодня автомобилей неуклонно увеличивается и уже приближается к 50-ти
процентам. Растущая популярность дизельных машин объясняется, с одной стороны,
более низкими ценами на дизельное топливо, а с другой стороны - значительным
прогрессом в качестве и эксплуатационных характеристиках самих моторов. Но
несмотря на это - а, может быть, именно поэтому, - дальнейшее совершенствование
дизельных двигателей, то есть, прежде всего, снижение расхода горючего и
уменьшение содержания сажи в выхлопных газах, становятся одной из приоритетных
задач моторостроителей. Достигаются эти цели, в первую очередь, благодаря
специальным фильтрам, собирающим мелкодисперсные частицы сажи, и за счёт
улучшенной системы впрыскивания горючего. Но если в области фильтров мировыми
лидерами считаются японские и французские инженеры, то по части прецизионных
инжекторов и форсунок «впереди планеты всей» специалисты двух немецких фирм -
«Robert Bosch GmbH» в Штутгарте и «Siemens VDO Automotive» в Регенсбурге.
Вообще-то эти фирмы - конкуренты, однако так уж получилось, что новую систему
впрыскивания топлива они разработали хоть и независимо друг от друга, но
одновременно. Поэтому и на соискание премии будущего была выдвинута, так
сказать, сборная команда двух соперничающих фирм - ситуация совершенно
уникальная.
Так что же нового привнесли лауреаты в конструкцию автомобильных моторов?
Как известно, система впрыскивания горючего является одним из важнейших
компонентов дизельного двигателя. Эта система состоит из топливного насоса
высокого давления и клапанной форсунки.
Практически все эксплуатационные характеристики двигателя, будь то КПД,
экономичность, экологичность или уровень шума, напрямую зависят от
эффективности сгорания топлива, а она, в свою очередь, определяется такими
параметрами, как давление, под которым топливо подаётся в камеру сгорания,
объём впрыскиваемой порции, степень распыления, момент впрыскивания и т.д. И
хотя в дизельных двигателях могут быть использованы системы впрыскивания разных
конструкций, практически все клапанные форсунки до недавнего времени были с
электромагнитным управлением. Именно этот элемент и усовершенствовали инженеры
компаний «Bosch» и «Siemens», разработав форсунку с пьезоэлектрическим
управлением. Профессор Ханс Майкснер (Hans Meixner) из фирмы «Siemens»
напоминает:
Название «пьезо» происходит из греческого языка и означает «давлю». Если
вы надавите на такой пьезоматериал, приложите к нему механическое усилие, то он
поляризуется, образует на противолежащих гранях электрические заряды
противоположного знака.
Собственно, это явление - оно именуется прямым пьезоэлектрическим эффектом
- было впервые исследовано ещё Пьером Кюри в 1880-м году. В наши дни этот
эффект находит применение во многих технических изделиях - таких, например, как
струйные принтеры или газовые зажигалки. Но лауреаты Премии будущего
использовали в своих форсунках так называемый обратный пьезоэлектрический
эффект: воздействуя на пьезоматериал электрическим полем, они вызывают его
механическую деформацию. В качестве такого материала инженеры обеих фирм
используют специальную керамику с примесью окислов циркония и свинца, что
позволяет ей выдерживать типичные для дизельного двигателя механические и
термические нагрузки. Одно из преимуществ пьезоэлектрического управления
состоит в его быстродействии: время реакции на сигнал составляет всего лишь
0,00006 секунды. Правда, сама по себе деформация одной такой керамической
пластинки чрезвычайно мала - около 0,0001 миллиметра. Поэтому приходится каждый
управляющий элемент компоновать из нескольких сотен керамических слоёв.
С другой стороны, эти пьезоэлектрические материалы развивают огромное
усилие, за эти доли секунды они могут поднять слона, - говорит профессор
Майкснер. Конкретно такой управляющий элемент развивает усилие в 3 тысячи
ньютонов, что и позволяет использовать пьезокерамические форсунки для
оптимизации всего процесса работы двигателя. Профессор Ханс Майкснер называет
такое управление «taylor made», то есть «скроенным по мерке»:
«Taylor made» означает, например, возможность так регулировать сгорание
топлива, чтобы свести к минимуму содержание вредных веществ в выхлопных газах.
Особенно в дизельных двигателях можно радикально снизить количество
мелкодисперсной сажи. Для этого уже после процесса сгорания в раскалённые
выхлопные газы впрыскивается ещё небольшая порция топлива, и почти все ранее
уцелевшие частицы сажи при таких высоких температурах догорают.
Внешне форсунка с пьезоэлектрическим управлением напоминает толстую
шариковую ручку. Внутри расположен сам пьезоэлемент - он имеет форму цилиндра
длиной 4 сантиметра. Подчиняясь управляющему электрическому сигналу,
пьезоэлемент укорачивается или удлиняется на 0,04 миллиметра. Поскольку этого
всё равно не хватало, конструкторы увеличили ход клапана посредством
специального гидравлического устройства. На конце форсунки, словно остриё
баллончика в шариковой ручке, ходит взад-вперёд дозирующая игла, открывающая и
закрывающая отверстие, через которое и производится впрыскивание топлива. Вроде
бы всё просто. Но только работа двигателя требует нескольких сотен впрыскиваний
в секунду, и форсунка должна надёжно работать на протяжении не менее чем 20-ти
лет в экстремальных условиях высоких температур и давлений до 2-х тысяч бар,
обеспечивать низкий уровень шума и при этом обходиться дёшево в производстве.
Неудивительно, что разработка такой форсунки заняла в общей сложности свыше
20-ти лет. Новый продукт появился на рынке в 2000-м году. Профессор Майкснер
говорит: Исследователи всегда верят в то, что их разработки, существующие пока
только в виде чертежей, уже завтра будут реализованы на практике. Но на самом
деле всё происходит в своё время. Когда мы начинали наши изыскания, время для
этой конструкции ещё не пришло. Тогда и цены на нефтепродукты были гораздо
ниже, и экологическое мышление, идея экономии ресурсов, ещё не получили
широкого распространения.
Многолетние усилия увенчались успехом. За счёт того, что
пьезокерамическая форсунка в 4-5 раз быстрее обычной, она позволяет производить
вместо одного впрыскивания несколько мини-впрыскиваний. В результате такой
оптимизации процесса сгорания топлива его расход сократился на 2-3 процента, а
эмиссия вредных газов и сажи уменьшилась на 20-30 процентов.
Проект обошёлся не дёшево: начиная с середины 90-х годов, обе компании
инвестировали в него более 5-ти миллиардов евро. Зато сегодня такие форсунки
можно встретить во многих автомобилях разных производителей. Эксперты исходят
из того, что в будущем году объём производства достигнет 16-ти миллионов штук.
Но и это ещё не всё, - говорит профессор Майкснер: Теперь эту же технологию мы
собираемся перенести и на бензиновые моторы. Они тоже станут тише, экологичнее
и экономичнее. Мы твёрдо рассчитываем на 20-процентную экономию бензина.
А на вопрос, когда же бензиновые двигатели с пьезокерамическими
форсунками появятся на рынке, другой лауреат - Фридрих Бёккинг (Friedrich
Boecking) с фирмы «Robert Bosch» - ответил кратко, но твёрдо: Cо следующего
года.
Экспериментальное определение производительности.
2.3 Описание
экспериментальной установки
Экспериментальная установка представляет собой многоцелевой стенд, на
котором можно определять производительность форсунок и делать это при разных
условиях: при различной длительности открытия форсунки, также стенд позволяет
менять давление в рампе с форсунками. Давление лишь ограничено
производительностью самого топливного насоса - около 6.5 бар. Также стенд
позволяет наглядно изучать производительность форсунок при разных оборотах
двигателя. На данном стенде можно сравнивать производительности чистых форсунок
и загрязнённых путём сравнения прогоняемой через них жидкости за определённый
промежуток времени. И, главное - на этом стенде можно промывать загрязнённые
форсунки и наглядно видеть изменения, происходящие с ними, что не позволяет
промывка форсунок, проводимая на двигателе.
Сама установка представляет из себя целую последовательность элементов
необходимых для выполняемых ею задач. Во первых это источник питания. В
данном случае его роль исполняет аккумуляторная батарея с подсоединённым к ней
выпрямителем. Выпрямитель нужен из - за того что электробензонасос с
увеличением давления больше рабочего, свыше 3 бар даёт большую просадку, тем
самым потребляя больше энергии чем при обычном режиме его работы. Во вторых это
сам электробензонасос фирмы Bosch
позаимствованный от автомобиля Ауди шестой модели. Насос погружного типа и без
жидкости его включать строго запрещается, потому что из - за особенностей
конструкции он может выйти из строя. Насос погружён в бачок, из которого он
черпует жидкость. Бачок отечественного производства, предназначенный для
автомобилей марки ВАЗ, который там в свою очередь исполняет роль бачка
омывателя стекла. Через шланг жидкость из насоса поступает в рампу с
форсунками.
Рампа рассчитана на две форсунки. Рампа установленная не позаимствована
не из какого автомобиля - она собственного производства. Сделана из трубы
прямоугольного сечения, к которой по торцам приварены два штуцера,
предназначенные для соединения со шлангами. С одной стороны в трубе просверлены
два отверстия, в которые вставлены и обварены два посадочных места под
форсунки. Сверху к рампе приварены две полосы железа, в которых просверлены два
отверстия. Вся рампа посажена на четыре шпильки с резьбой М8, которые
продеваются в отверстия в двух пластинках и при помощи четырёх гаек с
соответствующей резьбой притягивается к опорной планке, чью роль выполняет
доска с соответствующими прорезями для форсунок. После рампы шланг идёт в муфту
соединённую с игольчатым краном. Этот кран и позволяет варьировать давление в
рампе. Через муфту к крану подсоединён манометр, который измеряет давление в
системе и делает картину происходящего более наглядной. Манометр рассчитан на
максимальное давление 10 бар. Со стороны противоположной манометру к
игольчатому крану подсоединён шланг, по которому в бачок идёт жидкость, которая
была не востребована форсунками, или этот шланг можно назвать обратной
магистралью. Главная роль в этой установке отведена самим электромагнитным
форсункам, которые вставляются в рампу. Жидкость, выходящая из форсунок
направлена на мерные стаканы, которые представляют собой две стеклянные
емкости, на которые нанесены мерные деления от 0 и до 250 мл. Длительностью
промывки управляет реле времени, на котором можно устанавливать необходимое
время, по истечению которого установка отключается автоматически. Управляет
работой всего стенда электронный блок управления собственной разработки. В его
обязанности входит регулировать работу форсунок, именно регулировать
длительность открытия и регулировать мнимую частоту вращения двигателя.
Таким образом, мы дали подробное описание нашей установки. Мы дали полное
пояснения всем её составляющем, для чего нужны все элементы, принцип
взаимодействия всех составляющих установки между собой.
Далее будет приведена схема электронного сигнала, который поступает с
блока управления на форсунки и даны некоторые пояснения.
Краткое описание: DD4.1 - задающий генератор, для стабильности
применён кварц. На счётчике DD1 выполнен формирователь длительности импульсов
отпирания форсунки. Длительность импульса можно выбирать 2,5 или 5 мс
переключателем SA1. На счётчике DD2 выполнен дозатор числа импульсов.
Количество импульсов выбирается переключателем SA2. Выключателем SA3
(фиксируемым) можно включить непрерывный режим. Это необходимо при промывке
форсунок, в том числе ультразвуком. SB1 - кнопка "Пуск", при нажатии
на нее начинает работать дозатор. С3,R3 - служит для установки в ноль DD2,DD3.1
при включении питания. VD1,R6,R5,C4 - подавляет дребезг SB1. Можно обойтись и
без него, но при длительном нажатии на SB1 может произойти повторное включение
дозатора. VT3 - пародия на защиту от КЗ, с ней VT2 (KT817) может выдержать пару
циклов работы дозатора. Вместо VT1, VT2 можно поставить составной КТ972 или
КТ829, но тогда теряем еще 1 вольт на Uнас.кэ. При питании устройства от
аккумуляторной батареи автомобиля стабилизации питания микросхем не нужно. Если
от другого источника, то последовательно с L1 нужно поставить резистор и
стабилитрон на 10-15В. На рис.1 изображен сигнал на выходе DD4.4. Скважность
приближена к рабочим условиям сигнала на форсунках. Гонки можно зафиксировать
только хорошим осциллографом и на работу устройства они не влияют. Коэффициенты
деления счетчиков можно изменять по необходимости - данные счетчики позволяют
это делать в широких пределах, но кратно двум.
Далее будет дана электросхема
по принципу которой работает блок управления экспериментальной установки.
На основании проведённых
исследований была изготовлена промышленная промывочно - тестирующая установка.
Учитывая, что на рынке автомобилей присутствуют автомобили с шестью цилиндрами,
это в основном немецкие седаны класса Е, то установка рассчитана на промывку
сразу шести форсунок.
Описание установки. В установки есть две ёмкости объёмом 1.5 литра. В одну
ёмкость заливается промывочная жидкость (WINS, CARBON,
LIQUI MOLY), в другую емкость, тестирующая жидкость, в нашем случае
применялся ТОСОЛ 40. Электробензонасос позаимствован с 406 инжекторного
двигателя. Через электромагнитный клапан бензонасос засасывает одну или другую
жидкость и подаёт под давлением в рампу. Регулировка давления осуществляется с
помощью игольчатого крана. Сброс жидкости происходит через электромагнитный
клапан в одну или другую ёмкость. В установки есть манометр и датчик давления.
Датчик давления стандартный с отечественного автомобиля, срабатывает при
давлении 0.4 бар. В установки он свидетельствует о наличие жидкости в ёмкостях.
Это необходимо, чтобы предупредить порчу электробензонасос. В качестве
мерительных ёмкостей используются мерные стаканы объёмом 250 мл. Схема
управления позволит варьировать как частоту, так и длительность импульса. В
остальном же принцип работы этой установки аналогичен принципу первой
экспериментальной установки. Далее приведём электронную схему блока управления
стендом с некоторыми пояснениями.


DD1,DD2-К561ИЕ16, DD3-К561ТМ2, DD4-К561ЛЕ5, VD2-КД212, VD1-КД521,
VD3-КД213, VT1-КТ3117, VT2-КТ817, VT3-КТ3102
YA1-Форсунка
SA1-Выбор длительности импульса
SA2-Выбор числа импульсов
SA3-Включение непрерывного режима
SB1-"Пуск"
2.4
Результаты измерений
С помощью нашей экспериментальной установки мы проделали некоторые опыты.
В частности это зависимости производительности форсунок от давления в системе,
при разном времени открытия иголок; приведена зависимость производительности
форсунок от давления в системе, при одинаковом времени открытия, и зависимость
производительности форсунок от оборотов при одинаковом времени открытия.
Графики зависимостей будут приведены далее.
2.5 Обзор
устройств для технического обслуживания форсунок
ТЕХНИЧЕСКИЕ ПАРАМЕТРЫ
НАЗНАЧЕНИЕ: устройство Аппарат JetClean Plus для профессиональной очистки
и профилактики топливных систем бензиновых и дизельных автомобилей без разборки
и снятия форсунок.
ХАРАКТЕРИСТИКИ: максимальное давление - 7 атм, объем баллона - 5 литров.
ПОТРЕБИТЕЛЬСКИЙ АНАЛИЗ
ОСОБЕННОСТИ: отличительной особенностью данной установки является ее
полная автономность, то есть для ее работы не требуется никаких источников
питания.
Аппарат JetClean Plus предназначен для подачи чистящих жидкостей при
рекомендованном давлении в топливные магистрали автомобилей, оборудованных
инжекторными системами подачи топлива любой конструкции, карбюраторами и
дизельными системами топливоподачи.
РАБОТА СТЕНДА: для работы данной установки не требуется электроэнергии
или сжатого воздуха, необходимое для промывки давление создается ручным
насосом. Максимальное рабочее давление в 7 атмосфер позволяет работать с
системами механического впрыска топлива. Если автосервис оборудован
централизованной воздушной магистралью высокого давления, то установку можно
подключить и к ней.
При промывке бензиновых двигателей с различными системами питания аппарат
подключается по одноконтурной схеме, то есть обратная топливная магистраль
заглушается, а на установке выставляется номинальное рабочее давление,
конкретное для каждого двигателя.
При работе с дизельными двигателями установка подключается по
двухконтурной схеме (обратная магистраль подключается к установке). В
стандартную комплектацию установки входит большое количество переходников для
подключения к любым автомобилям европейских марок. Для наибольшей эффективности
промывки аппарат рекомендуется использовать с фирменными средствами
Benzin-Sistem-Intensiv-Reinigеr и Diezel-Sistem-Reiniger.
Перед переходом с очистителя бензиновых систем на очиститель дизельных и
наоборот рекомендуется промыть аппарат JetClean Plus соответственно дизельным
топливом или бензином и высушить его.
Так как аппарат JetClean Plus является профессиональным прибором,
подключение его к автомобилю и промывку топливной системы должен выполнять
специалист. Аппарат JetClean Plus и расходные жидкости к нему официально
разрешены концерном VW к применению на выпускаемых им автомобилях.
Устройство и работа отечественных установок для промывки и
тестирования форсунок "ТэкТроник"
Как обещают производители, в семействе установок, включающем
модели TT-041, TT-061 и TT-081, устранены многочисленные недостатки, создающие
неудобства для диагноста на всех этапах работы с демонтированной форсункой: во
время подготовки к тестированию, диагностики и промывки.
Сначала разберемся с моделями. “ТэкТроник” TT-041, TT-061 (на фото) и
TT-081 предназначены для тестирования, анализа и очистки соответственно
четырех, шести и восьми бензиновых форсунок одновременно. Комплектация
установки позволяет обслуживать форсунки всех основных типов и конструкций
известных мировых производителей (Bosch, Siemens, Nipondenso, Weber, Delphi,
Jecs, Hitachi и другие). Установкой управляет “электронный мозг” -
высокопроизводительный процессор, устанавливающий режимы диагностирования,
очистки и обеспечивающий контроль безопасности работы.
Тестовый блок установок “ТэкТроник”, как и у аналогичных устройств,
оснащен визуальной измерительной системой с градуированными колбами, состоящими
из двух частей. Верхняя, широкая часть выполнена из кварцевого стекла и
подсвечена мощными светодиодами, обеспечивающими хорошую видимость факела
распыла. Нижняя часть - непосредственно измерительная, с высокоточными колбами
немецкого производства.
Программное обеспечение установки содержит все необходимые тестовые
режимы: статический, динамический (позволяет наблюдать формирование и
направление факела и измерять относительную производительность форсунок в
активном состоянии с различной частотой и длительностью их активации), тест на
утечки при повышенном давлении, комплексный (имитация реальных режимов
эксплуатации, в том числе переходных). Специальный сервисный режим позволяет
вести статистику использования установки.
Производителями выпускаются установки с возможностью обновления
программного обеспечения, свежие версии которого выходят регулярно.
Каждую из установок можно приобрести как отдельно, так и в составе
“Комплекса для обслуживания инжекторной системы TT-Optima”, выпуск которого
компания “ТэкТроник” начала в феврале этого года.
Комплекс включает в себя, помимо установки “ТэкТроник”, модуль химической
промывки системы впрыска без демонтажа ее элементов, принтер для распечатки
результатов промывки и диагностики и приспособление для извлечения
микрофильтров форсунок, так называемый “экстрактор”. Все оборудование комплекса
размещено на компактной передвижной стойке.
|
Сумма Технологий
|
Номер 010 от 10-01-95
Полоса 071
|
Стенд для промывки и диагностики
форсунок "ФОРСАЖ"
Предназначен для проверки и очистки форсунок
инжекторных двигателей с распределенным впрыском и прямой подачей топлива. В
состав стенда входят ультразвуковая ванна и стробоскоп.
Стенд "Форсаж" отличают:
0
количество
одновременно диагностируемых форсунок - до 6 шт.
1
способ очистки -
в УЗВ с отпиранием клапанов
2
удобство
установки форсунок.
Стенд позволяет проверить и сравнить
форсунки по следующим параметрам:
3
относительному
расходу; электрическим параметрам (короткое замыкание, обрыв);
4
форме факела.
Форма факела контролируется с помощью стробоскопа.
Момент вспышки можно изменять с пульта управления.
ТЕХНИЧЕСКИЕ ХАРАКТЕРИСТИКИ:
Число проверяемых форсунок: б штук
Контроль факела: стробоскопический
Испытательное давление: 0,3 МПа.
Напряжение питания: 220В.
Заправочный объём тестирующей жидкости: 4л.
Объём ультразвуковой ванны: 0,5л.
Мощность ультразвукового излучателя: 50 Вт.
Габаритные размеры: 950x790x450 мм.
Масса: 24кг.
Установка SMC2001
Устройство представляет из себя систему для очистки
различных топливных систем ДВС (бензиновые, дизельные) легковых и грузовых
автомашин, стационарного оборудования.
Установка проектировалась с целью максимальной
адаптации к Российским условиям, мобильности, надёжности и удобства
эксплуатации.
Возможность создания и регулирования давления от 0 до
7 бар с ценой деления 0,2 бар.
Электропитание 12 вольт (автомобильный аккумулятор)
Штатная система автомобиля не требует изменений,
разборки и т.д.
Производительность насоса 127-210 л/час, что является
достаточным для очистки любых систем.
При проведении очистки штатную систему а/м
закольцовывают, т.е. соединяют напорный и обратный шланги системы, либо путём
отключения предохранителя, реле.
Цикл очистки можно прерывать не нанося вреда системе.
Соединения предназначены для очистки любых систем
впрыска.
Установка оснащена насосом "BOSCH" с охлаждением ротора
сольвентом.
Установка ШС-306
Прибор для тестирования и очистки
форсунок инжекторных двигателей
Установка ШС-306 предназначена для диагностики и
очистки бензиновых форсунок системы электронного и механического впрыска
топлива.
Качество очистки гарантируется ультразвуковой
технологией, а точность результатов диагностики - микропроцессорным управлением
длительностью впрыска и давлением топлива в закрытом контуре.
Данная установка позволяет полностью имитировать
работу двигателя автомобиля в различных режимах, что необходимо при полной
диагностике форсунок.
Основные функции:
Ультразвуковое удаление отложений из форсунок
Микропроцессорная система управления и контроля
подачи.топлива
Обратная промывка для удаления грязи из форсунок
Симулирование рабочих условий инжекторного двигателя
на различных режимах.
Сравнительный анализ объема топлива, впрыскиваемого
различными форсунками
Проверка форсунок на наличие утечки при высоком
давлении
Электронное управление сбросом жидкости из тестовых
колб
Характеристики:
Питание: AC 200V±10% 50HZ±0.5%
Потребляемая мощность: 500 Вт
Мощность У/3 камеры: 100 Вт
Диапазон оборотов двигателя для симуляции: 0-9950 об/мин
Продолжительность импульса впрыска форсунки: l-20ms
Диапазон отсчета времени: 0-600 секунд
Объем бака: 4000 мл
Размеры: 480x500x460 мм
Вес: 48 кг
Установка КС-120 для очистки форсунок
инжекторных двигателей
Предназначена для очистки и полной
диагностики топливных систем автомобилей. Установка КС-120 рассчитана на
обслуживание любых топливных систем существующих марок автомобилей и
обеспечивает наиболее качественное их обслуживание.
Функциональные особенности:
5очистка от смолистых и лаковых отложений в форсунках, топливной рейки,
регулятора давления, топливопроводах, жиклерах карбюраторов, а также очистка
впускных клапанов двигателя
6очистка камер сгорания бензиновых двигателей
7контроль очистки инжекторных систем с помощью измерения вакуума за
дроссельной заслонкой двигателя на холостых оборотах
8контроль давления в процессе очистки
9измерение давления топливного насоса автомобиля
10проверка обратного клапана топливного насоса автомобиля
11проверка работоспособности и давления срабатывания клапана топливной
рейки автомобиля
12цифровой тест производительности топливного насоса автомобиля и чистоты
топливного фильтра с индикацией на ЖК-дисплее данного параметра
13измерение оборотов двигателя
14измерение напряжения аккумулятора и генератора автомобиля
15напряжение питания 12 В, от аккумулятора обслуживаемого автомобиля
2.6 Рекомендации по обслуживанию форсунок
Характеристики двигателя и автомобиля в целом не могут быть реализованы
без чистых форсунок. Что происходит с форсунками при работе двигателя, как
поддерживать их в чистом состоянии и как их очистить, если они засорились - об
этом и пойдет речь в настоящей статье, которая в равной мере адресована тем,
кто ездит на современном автомобиле и тем кто их обслуживает.
Сначала коротко о предмете разговора. Рассматриваться будут
электромагнитные форсунки (инжекторы) бензиновых двигателей, которые
применяются в распределенных (многоточечных) системах впрыска топлива
современных автомобилей. Форсунки (инжекторы) одноточечных (центральных) систем
впрыска топлива рассматриваться не будут, т. к. они в силу своих конструктивных
особенностей "болеют" реже, хотя многие рассматриваемые вопросы в
полной мере будут справедливы и для них.
В системе впрыска форсунки являются основным исполнительным устройством,
которое выдает определенную дозу топлива (в зависимости от сигналов с
контроллера управления двигателем) и распыляет его на мелкие частицы вблизи
впускного клапана каждого цилиндра двигателя. Не вдаваясь в конструктивные
особенности форсунок и принцип их работы, отметим три основных параметра,
которые очень важны в реальных условиях эксплуатации: производительность
форсунки (пропускная способность в открытом состоянии при рабочем давлении в
см3\мин), факел распыления, характеризующийся углом распыления в градусах и
дисперсностью частиц топлива, герметичность сопряжения седло - клапан.
Установлено, что когда топливо распыляется на частицы диаметром менее 15мкм, то
его смешивание с воздухом происходит на молекулярном уровне, топливо -
воздушная смесь получается однородной и наиболее полно сгорает в цилиндрах
двигателя, обеспечивая ему максимальную мощность и крутящий момент.
Что же происходит с форсунками при работе двигателя, какие появляются
симптомы при грязных (закоксованных) форсунках, как поддерживать их в чистом
состоянии, как оценить их состояние не вынимая из двигателя и как очистить их
при необходимости - вот те вопросы, которые и будут рассмотрены ниже.
На седлах форсунок и на сопряженных с ними поверхностях запорных клапанов
со временем образуются смолистые отложения, и запорный клапан не может плотно
сесть на седло. В результате форсунка теряет герметичность, и после остановки
двигателя топливо "капает" во впускной коллектор, где испаряется, что
приводит к трудному пуску горячего двигателя. Смолистые отложения уменьшают и
проходное сечение сопла форсунки, оно как бы "зарастает" и
уменьшается в размерах. В результате уменьшается производительность форсунки и
изменяется факел распыления, форсунка уже не делает "туман", а в
факеле появляются "струи" топлива, которые плохо смешиваются с
воздухом или часто направлены в сторону от впускного клапана. В результате при
резком нажатии на педаль дроссельной заслонки появляется "провал" в
динамике разгона автомобиля, одновременно возрастает и расход топлива.
Объясняется это тем, что лямбда - зонд (датчик кислорода) выдает сигнал в
контроллер о "бедной" топливо - воздушной смеси и время открытого
состояния форсунок до определенного предела увеличивается, т.е. система лямбда
- регулирования как бы пытается скомпенсировать уменьшение производительности
форсунок увеличением времени впрыска топлива.
Есть еще одна деталь в форсунке, которая загрязняется смолистыми
отложениями, мелкими механическими включениями и "запирается"
попавшей в нее водой - это входной фильтр. Он очень маленьких размеров и
соответственно с маленькой фильтрующей поверхностью. Маленькие ячейки сетки не
пропускают воду и механические загрязнения, которые под давлением бензонасоса
прошли через магистральный топливный фильтр. Грязь и вода очень часто
"закупоривают" фильтр под самую "крышу" и топливо вообще не
проходит через форсунку. Процесс загрязнения входных сеток форсунок идет
интенсивно при заправке автомобиля на АЗС, где нет фильтров для отделения воды
и механических примесей, при нерегулярной смене магистрального топливного
фильтра, чем большее давление развивает бензонасос и чем большую он имеет
производительность. В последних двух случаях более интенсивно идет
"вымывание" грязи из магистрального топливного фильтра и
"заталкивание" ее во входные фильтры форсунок. Вот почему входная
сетка форсунки центрального впрыска, имея сравнительно большую фильтрующую
поверхность и работающая при сравнительно низком давлении (0,8 - 1,2 кгс\см2)
при тех же неблагоприятных условиях засоряется несравнимо реже.
Какие же внешние проявления на автомобиле, с форсунками которого
произошли вышеописанные процессы? Это трудный пуск двигателя, особенно с
наступлением холодов, когда испаряемость топлива ухудшается, "провал"
в динамике разгона, слабая динамика в движении, повышенный расход топлива,
неустойчивая работа двигателя на холостом ходу, "гуляние" оборотов
холостого хода. Здесь следует отметить, что такие проявления могут быть и по
другим причинам. Например, "провал" может быть по причине
недостаточного давления в системе впрыска или дефекта в датчике положения
дроссельной заслонки, повышенный расход топлива из -за вышедшего из строя
лямбда - зонда и многим другим причинам. Поэтому, прежде чем
"списать" все эти проявления на форсунки и принять решение о
необходимости их чистки и быть уверенным в том, что все будет устранено, нужно
провести диагностику всех датчиков и систем, задействованных в управлении
двигателем на предмет их исправности.
Из вышеизложенного невольно возникает вопрос - как продержать форсунки в
чистом состоянии возможно больший срок до наступления проблем? Первое и самое
банальное правило - заправляться нужно там, где есть гарантия, что в бак не
попадет грязь и вода. В противном случае сразу придется менять топливный фильтр,
чистить сетку бензонасоса и откачивать грязь из бензобака. Если это не сделать
своевременно, то через день - другой придется вынимать и форсунки из двигателя
для чистки. Если автомобиль с приличным пробегом не применять никаких присадок
к топливу для чистки форсунок, которые заливаются в топливный бак.
Положительного эффекта от применения не приходилось наблюдать, а отрицательный-
очень часто. И причина не в качестве или эффективности таких средств, а в
качестве топлива. Дело в том, что отложения, которые "сидят" на
стенках бензобака, магистральных трубопроводах, в самом топливном фильтре
растворяются под действием этих присадок и "хлопья" этих отложений
намертво "закупоривают" входные фильтры форсунок. Форсунки быстрее
закоксовываются если автомобиль эксплуатируется только в городском цикле езды
да еще и с короткими "перебежками" и многократным остыванием
двигателя. В таких случаях периодически нужно выезжать на загородную трасу и
проехать несколько десятков километров на большой скорости. Форсунки не
сохраняют своих характеристик, когда автомобиль длительное время (более
полугода) не эксплуатируется. В таких случаях если и удается запустить
двигатель, то ездить практически невозможно. Если автомобиль с питанием
"газ-бензин" то пользоваться форсунками нужно не только для запуска
двигателя, а нужно хотя бы один раз в неделю ездить на бензине.
Итак, с учетом всего вышеизложенного, можно перейти к вопросу оценки
состояния форсунок и принятия решения об их чистке. Как уже было сказано выше,
нужно проверить и исключить из дальнейшего рассмотрения все датчики системы
задействованные в управлении двигателем, неисправность которых приводит к таким
же симптомам как и грязные форсунки. Если в арсенале СТО имеется мотор-тестер,
то косвенно состояние форсунок можно определить в процедуре где измеряются
пробивные напряжения искровых промежутков свечей зажигания Известно, что
величина пробивного напряжения зависит не только от величины компрессии в
цилиндрах и зазоров в свечах, но и от состава топливовоздушной смеси возле
электродов свечи в момент пробоя. Если смесь "бедная" то пробивные
напряжения будут большими (порядка 10…12кв), и, наоборот, при
"богатой" смеси будут маленькими (порядка 2…3кв). Если после этого
выкрутить свечи и визуально осмотреть состояние керамических изоляторов на
центральных электродах свечей, то прямым подтверждением состояния форсунок
будет черный изолятор до самого основания, где смесь "богатая",
"седой" изолятор, где смесь "бедная" и светло-коричневый
где смесь нормальная. Конечно, полученная таким образом информация не дает
ответа какая у форсунок производительность, но чтобы принять решение - чистить,
вполне достаточная. Есть еще один способ оценить состояние форсунок с помощью
мотор - тестера или осциллографа. Для этого необходимо измерить длительность
импульса впрыска на форсунках в режиме холостого хода (при исправном лямбда -
зонде на полностью прогретом двигателе). Эта длительность при засоренных
форсунках будет в среднем на 20% больше номинального значения. Привести
номинальные значения хотя бы на наиболее распространенные автомобили не
позволяет размер статьи, поэтому рекомендую набрать статистику самостоятельно.
Теперь о самой процедуре чистки. Прежде всего следует сказать о том, что
существует два способа чистки. Первый - это когда форсунки чистятся на
работающем двигателе по так называемой "штатной" схеме. Второй - это
когда форсунки извлекаются из двигателя и чистятся отдельно от него. Каждый из
этих способов имеет свои достоинства и недостатки. Достоинства первого способа
- довольно несложная процедура, небольшие затраты времени и невысокая стоимость
работы. Одновременно с форсунками чистятся от смолистых "наростов" и
нагара впускные клапаны, камеры сгорания, днища поршней, освобождаются
закоксованные кольца и выравнивается компрессия по цилиндрам. Все это вместе
способствует более полному наполнению цилиндров свежей топливо - воздушной
смесью, уменьшается склонность двигателя к калильному зажиганию, которое
губительно для двигателя в режиме больших нагрузок и высоких оборотов коленвала.
Недостаток способа - нет объективных данных о производительности форсунок,
факеле распыления и о чистоте форсунок можно судить только по лучшей работе
двигателя и динамике автомобиля. Достоинства второго способа - есть объективные
данные о состоянии форсунок после извлечения их из двигателя и чистить их можно
до тех пор, пока не будут получены требуемые параметры. Недостаток способа -
часто довольно сложная операция по снятию форсунок т.к. приходится снимать
часть навесного оборудования вплоть до впускного коллектора, большие затраты
времени и соответственно выше стоимость работ, форсунки ставятся обратно
чистыми, а все остальное (клапаны, поршни, кольца, камеры сгорания) остались со
смолистыми отложениями и нагаром. В результате полностью не наступает ожидаемый
эффект. Поэтому принимать решение каким способом чистить нужно сообразуясь с
конкретными условиями возникновения проблемы. Например, если форсунки не
чистились 100 тыс. км. пробега и более, или проблемы возникли после очередной
заправки ( а замена фильтра ничего не изменила) или после заливки в бак
присадок к топливу, то о первом способе нужно сразу забыть. Если форсунки
регулярно чистились (примерно через 20 тыс.км.) и есть уверенность в том, что в
бак не попадала грязь и вода, нет глубокого "провала" а только
неустойчивый холостой ход - то можно рекомендовать первый способ.
Теперь коротко рассмотрим саму процедуру чистки форсунок. Так как
существует два способа чистки то и оборудование для этих целей выпускается двух
типов. Первый тип - для чистки форсунок на работающем двигателе. Существует
довольно большое количество установок различных производителей. Все они близки
по конструкции и конечному результату и отличаются только ценой. По принципу
действия их можно разделить на два класса. Первый - это когда моющая жидкость к
форсункам подается давлением сжатого воздуха (от ручного насоса либо
компрессора). Например, на таком принципе работает установка JET CLEAN фирмы
LIQUI MOLY (Германия) и применяется моющая жидкость этой же фирмы в виде
концентрата емкостью 0,5 л, который перед применением в нужной пропорции
разбавляется бензином. На другом принципе - подаче моющей жидкости к форсункам
с помощью бензонасоса работает установка фирмы WYNN'S(США), где применяется
моющая жидкость этой же фирмы уже готовая к применению емкостью 1л. Процедура
чистки (независимо от типа установки) начинается с отключения двух
топливопроводов от рамки с форсунками и подключения к ней установки с помощью
комплекта переходников и отключению штатного бензонасоса. Далее на установке
создается рабочее давление и запускается двигатель. Экспериментально
установлено, что лучший эффект наблюдается когда соблюдается следующий
технологический цикл: 15мин. двигатель работает в основном на холостом ходу с
периодическим резким повышением до 3000…3500об/мин., затем 30 мин. отстаивается
и затем вновь работает 15мин. в режиме первого цикла. В среднем на эту
процедуру уходит 1,5часа. Второй тип оборудования - для чистки форсунок снятых
с двигателя. Здесь также имеется достаточно большое количество установок
различных производителей. Они также близки по конструкции и конечному
результату, но еще больше отличаются между собой ценой по сравнению с
установками первого типа. Все они позволяют измерить производительность
форсунок, проверить факел распыления и очистить форсунки с помощью
ультразвуковой кавитации в специальной ванночке с моющим раствором. К этому
типу относятся установки NA4DFV, ASNU01-SK и ряд других. Процедура чистки
(независимо от типа установки) начинается со снятия форсунок с двигателя,
измерения производительности, очистки и последующего контрольного замера
производительности. В последние годы на рынке появилась установка "СПРУТ-
ФОРСАЖ" производства НПО "ЭНЕРГИЯ" (Украина), в которой заложен
иной принцип - очистка внутренних каналов форсунки идет за счет колебаний
запорного клапана форсунки с определенной частотой и скважностью, задаваемых от
электронного блока. Данная установка в соотношении цена - эффективность выгодно
отличается от других установок.
В заключение в нижеприведенной таблице приведены данные по
производительности наиболее широко распространенных форсунок, снятые
экспериментальным путем, по которым можно ориентироваться при промывке
форсунок, а также при вынужденной замене одного типа на другой. В таблице,
после дефиса, указана производительность форсунки в смз за1 мин. непрерывной
работы при давлении 2,5кгс/см2.
Таблица 3.6.1. производительности форсунок
|
0.280.150.126 - 170
|
0.280.150.711 - 175
|
GM 90.501.558 - 200
|
|
0.280.150.130 - 165
|
0.280.150.712 - 200
|
GM 90.501.588 - 200
|
|
0.280.150.152 - 200
|
0.280.150.714 - 165
|
GM17.103.677 - 125
|
|
0.280.150.200 - 270
|
0.280.150.715 - 135
|
GM17.109.450 - 145
|
|
0.280.150.203 - 165
|
0.280.150.716 - 135
|
DENSO 23250.62030-210
|
|
0.280.150.208 - 130
|
0.280.150.719 - 135
|
DENSO 23250.74080-270
|
|
0.280.150.209 - 175
|
0.280.150.725 - 175
|
DENSO 23250.16030-140
|
|
0.280.150.219 - 175
|
0.280.150.743 - 165
|
DENSO 23250.74100-185
|
|
0.280.150.360 - 210
|
0.280.150.750 - 125
|
DENSO 195500.1330-170
|
|
0.280.150.366 - 170
|
0.280.150.757 - 160
|
DENSO 195500.3110-140
|
|
0.280.150.415 - 150
|
0.280.150.762 - 165
|
DENSO 195500.1280-200
|
|
0.280.150.444 - 140
|
0.280.150.778 - 155
|
1NP 051 - 140
|
|
0.280.150.502 - 220
|
0.280.150.802 - 260
|
1NP 062 - 170
|
|
0.280.150.504 - 220
|
0.280.150.902 - 185
|
1NP 480 - 180
|
|
0.280.150.701 - 210
|
0.280.150.921 - 145
|
1NP 482 - 120
|
|
0.280.150.704 - 160
|
0.280.150.996 - 130
|
1W 042 - 175
|
|
0.280.150.709 - 200
|
SIEMENS 3M3926 - 170.
|
FE 906.128 - 280
|
Техническое обслуживание форсунок.
Процедура промывки присадками чрезвычайно проста, но, как говорится, далеко
небезобидна. Добавляете в топливо специальные препараты (это рекомендуется
делать не реже, чем через 3 тыс. км. пробега), что позволяет промыть не только
форсунки, но и всю топливную систему. Конечно, такой метод более эффективен при
удалении загрязнений малого характера. В чем же здесь риск? На самом деле,
может случиться так, что большое количество застарелых загрязнений засорит не
только коллектор, топливный фильтр, но и окончательно "добьет" саму
форсунку.
Промывка с применением специального оборудования, но без демонтажа
форсунок - более сложный процесс, который потребует от вас не только
драгоценного времени, но и немалых материальных затрат - ведь на сервисах
просят денег. Сначала отключается штатный топливный насос и магистраль слива
топлива в бак - "обратка". Затем топливопровод системы впрыска
соединяют с установкой, имеющей резервуар со специальным промывающим топливом
(сольвентом), которое подается на форсунки под давлением. После этого двигатель
работает некоторое время на холостом ходу. Во время этого можно определить
эффективность промывки: измеряется длительность срабатывания игольчатого
клапана (нужен мультитестер). Приблизительный расход сольвента составляет 1
литр. Правда, здесь все зависит от объема двигателя. Такую промывку рекомендуется
проводить каждые 20 тысяч километров пробега.
Рис. 3.6. Общий вид форсунок.
В качестве крайней меры применяется промывка на ультразвуковом стенде с
демонтажом форсунок. Принцип действия подобных стендов построен на разрушении
грязевых отложений с помощью ультразвука. Форсунку погружают в специальный
моющий состав и, кроме всего прочего, проверяют производительность и качество
распыления.
В общем, вы уже поняли, что инжектор лучше всего беречь. Для этого
старайтесь использовать только качественный бензин и вовремя меняйте топливный
фильтр.
3. Охрана
труда
Разработанная нами экспериментальная установка для промывки форсунок
находится на автотранспортном предприятии, в зоне ремонта и диагностики систем
двигателя, для работы на ней применяются такие же правила как и к остальным
стендам автотранспортного предприятию, а также ряд спецефических правил, в том
числе требования по ядовитым и взрывоопасным веществам. Все эти нормы и правила
будут изложены ниже.
3.1 Введение
Охрана труда - система обеспечения безопасности жизни и
здоровья работников в процессе трудовой деятельности, включающая правовые,
социально-экономические, организационно-технические, санитарно-гигиенические, лечебно-профилактические
и реабилитационные мероприятия.
Охрана труда включает в себя технику безопасности, производственную,
санитарную, пожарную безопасность и наглядную агитацию.
Работник автомобильного транспорта имеет права по охране труда:
- на рабочее место, защищённое от воздействия вредных или опасных
производственных факторов, которые могут вызвать производственную травму,
профессиональное заболевание или снижение работоспособности;
- на возмещение вреда, причиненного ему увечьем, профессиональным заболеванием
либо иным повреждением здоровья, связанными с исполнением им трудовых
обязанностей;
- на получение достоверной информации от работодателей или
государственных и общественных органов о состоянии условий и охраны труда на
рабочем месте работника, о существующем риске повреждения здоровья, а также о
принятых мерах по его защите от воздействия вредных или опасных
производственных факторов;
- на отказ без каких-либо необоснованных последствий для него от
выполнения работ в случае возникновения непосредственной опасности для его
жизни и здоровья до устранения этой опасности;
- на обеспечение средствами коллективной и индивидуальной защиты в
соответствии с требованиями законодательных и иных нормативных актов об охране
труда за счет средств работодателя;
- на обучение безопасным методам и приемам труда за счет средств
работодателя;
- на профессиональную переподготовку за счет средств работодателя в
случае приостановки деятельности или закрытия предприятия, цеха, участка либо
ликвидации рабочего места вследствие неудовлетворительных условий труда, а
также в случае потери трудоспособности в связи с несчастным случаем на
производстве или профессиональным заболеванием;
- на проведение инспектирования органами государственного надзора и
контроля или общественного контроля условий и охраны труда, в том числе по
запросу работника на его рабочем месте;
- на обращение с жалобой в соответствующие органы государственной власти,
а также в профессиональные союзы и иные уполномоченные работниками
представительные органы в связи с неудовлетворительными условиями и охраной
труда;
- на участие в проверке и рассмотрении вопросов, связанных с улучшением
условий и охраны труда.
Отказ работника от выполнения работ в случае возникновения
непосредственной опасности для его жизни и здоровья либо от выполнения тяжелых
работ и работ с вредными или опасными условиями труда, не предусмотренных
трудовым договором, не влечет для него каких-либо необоснованных последствий.
Допуск к работе лиц, не прошедших в установленном порядке обучение,
инструктаж и проверку знаний правил, норм и инструкций по охране труда,
запрещается.
На тяжелых работах и работах с вредными или опасными условиями труда
запрещается применение труда женщин детородного возраста и лиц в возрасте до 21
года, а также тех лиц, которым эти работы противопоказаны по состоянию
здоровья.
Нормы и правила по охране труда на автомобильном транспорте, утверждаемые
Министерством транспорта Российской Федерации, являющегося государственным
органом управления охраной труда на автомобильном транспорте, обязательны для
исполнения на территории Российской Федерации всеми министерствами и
ведомствами Российской Федерации, автопредприятиями всех форм собственности
независимо от сферы хозяйственной деятельности и ведомственной подчиненности.
Правила по охране труда на автомобильном транспорте, утвержденные
приказом Министерства транспорта Российской Федерации 13.12.95 № 106 и
зарегистрированные Министерством труда Российской Федерации под № ПОТ Р
О-200-01-95, является нормативным документом, действие которого
распространяется на автотранспортные предприятия независимо от их ведомственной
принадлежности и форм собственности.
Ответственность за состояние условий и охраны труда возлагается на
работодателя (руководителя предприятия). Он обязан обеспечить: безопасную
эксплуатацию производственных зданий, сооружений, оборудования; режим труда и
отдыха, установленный законодательством; необходимым количеством
санитарно-бытовых помещений; разработку и выполнение мероприятий по охране
труда; проведение сертификации рабочих мест; средствами индивидуальной защиты;
обучение и проведение своевременных инструктажей по охране труда; возмещение
вреда, причинённого работникам вследствие неблагоприятных и опасных условий
труда.
3.2 Анализ
вредных и опасных факторов на автотранспортном предприятии
3.2.1
Микроклимат
В автотранспортных предприятиях техническое обслуживание и ремонт
автомобилей выполняют при различной температуре, влажности и подвижности
воздуха, а также при наличии тепловых излучений от поверхностей термических
печей, кузнечных горнов, нагретого оборудования, обрабатываемого материала
изделий. При создании безопасных и высокопроизводительных условий труда имеет
важное значение так называемый тепловой комфорт.
Полный тепловой комфорт в производственном помещении человек испытывает,
только когда в нем создан благоприятный микроклимат.
Температура, влажность, движение воздуха и излучение от нагретых тел
относятся к метеорологическим условиям, или так называемому микроклимату.
Каждый из этих факторов, при несоблюдении установленных норм гигиены труда,
может оказывать вредное влияние на самочувствие и работоспособность человека.
Температурный режим горячих цехов (кузнечных, литейных, термических, сварочных и
др.) зависит от количества тепловыделений от оборудования, изделий и поковок, а
также от солнечной радиации, проникающей внутрь помещения через застекленные
поверхности в окнах и световых фонарях здания. Количество тепловыделений
выражают в больших калориях (ккал) в час на 1 м3 помещения.
Согласно санитарным нормам (СН 245-63) те цехи и отделения, где
выделяется тепла менее 20 ккал/м3 в час, относят к холодным, а при
большей величине тепловыделений - к горячим.
Высокая температура воздуха оказывает неблагоприятное влияние на жизненно
важные органы и системы человека (сердечнососудистую, центрально-нервную,
пищеварение и др.), вызывая нарушение нормальной их деятельности, а при
наиболее неблагоприятных условиях она может вызвать перегревание организма
(тепловой удар). Низкая температура воздуха охлаждает организм; в результате
этого он становится более восприимчивым к заболеваниям (грипп, пневмония,
радикулит и т. п.).
На автотранспортных предприятиях неблагоприятные температурные условия
труда наблюдаются в зонах технического обслуживания, текущего ремонта автомобилей,
а также при выполнении сварочных, кузнечных, кузовных, малярных работ в зимнее
время не в производственных помещениях.
Влажность воздуха. Под влажностью воздуха понимается содержание в нём водяных
паров.
В производственных помещениях автотранспортных предприятий наблюдается
различная влажность воздуха: от 5-10% в сушильных камерах; 70-80% в
разборочно-моечном и шиномонтажном; в гальваническом и моечном отделениях
влажность достигает до 90-95%, а в холодный период года в этих отделениях
относительная влажность иногда достигает 100% (туманообразование).
Повышенная влажность воздуха создает неблагоприятные метеорологические
условия, происходит нарушение терморегуляции и перегревание организма,
уменьшается испарение пота, а, следовательно, уменьшается и отдача тепла
организмом человека. Низкая же относительная влажность воздуха способствует
испарению пота, в результате чего происходит быстрая отдача тепла организмом.
На теплоотдачу человеческого организма существенное влияние оказывает
движение воздуха. Чем больше скорость движения воздуха, тем больше теплоотдача
человеческим организмом за счет конвекции, а также значительно увеличивается
теплоотдача за счет испарения влаги с поверхности кожи.
Совокупность параметров воздуха (температура, влажность, скорость
движения) определяют так называемые комфортные условия.
Для человека, находящегося в состоянии покоя, комфортными условиями будут
следующие:
- скорость движения воздуха V=0 м/сек; t=18°С; относительная влажность
r=50%;
- скорость движения воздуха V=1 м/сек; t=24°С; относительная влажность
r=50%.
Для человека, выполняющего тяжелую физическую работу:
-скорость движения воздуха V=0 м/сек; t=14°С; относительная влажность r
=50%;
-скорость движения воздуха V=2 м/сек; t=2б°С; относительная влажность r =40%
Лучистая тепловая энергия создается нагретыми до высокой температуры
изделиями, поковками, горнами, печами и другими установками.
В зависимости от температуры нагретых тел лучистая энергия делится на три
категории: 1) исходящую от нагретых тел до температуры 500°С. Эти тела излучают
невидимые инфракрасные лучи; 2) выделяемую телами, нагретыми до 3000°С, с
образованием световых лучей; 3) исходящую от нагретых тел выше 3000°С с
наличием ультрафиолетовых тепловых лучей.
На автотранспортных предприятиях преобладает лучистая тепловая энергия
первой категории, очень редко приходится ощущать энергию второй категории при
работе у нагревательных печей, термических ванн и в момент плавки и заливки
металла и в исключительных случаях можно встретиться с энергией третьей
категории (при сварочных работах).
Инфракрасное облучение характеризуется как местным, так и общим действием
на организм человека. Инфракрасные лучи обладают способностью вызывать
химические изменения в белковых клетках, а при действии и на органы зрения
вызывать помутнение хрусталика глаза (катаракта). Катаракта возникает при
действии инфракрасных лучей с длиной волны от 0,8 до 1,4 мкм.
3.2.2
Производственное освещение
Правильно спроектированное и выполненное освещение на предприятии
обеспечивает возможность нормальной производственной деятельности. Сохранность
зрения человека, состояние его центральной нервной системы и безопасность на
производстве в значительной мере зависят от условий освещения.
Освещение бывает естественное и искусственное, причём естественное
освещение предпочтительнее. Ведь естественный свет имеет высокую биологическую
и гигиеническую ценность и оказывает сильное воздействие на психологию
человека, а в конечном счёте на производственный травматизм и
производительность труда.
Основные требования к производственному освещению:
1. Освещённость на рабочем месте должна соответствовать характеру
зрительной работы, который определяется следующими тремя параметрами:
- объект различия - наименьший размер рассматриваемого предмета:
- фон - поверхность, прилегающая непосредственно к объекту различия;
- контраст объекта с фоном - отношение яркостей рассматриваемого объекта.
2. Необходимо обеспечить достаточно равномерное распределение яркости на
рабочей поверхности, а также в пределах окружающего пространства.
3. На рабочей поверхности должны отсутствовать резкие тени.
4. В поле зрения должна отсутствовать прямая и отражённая блёскость, то
есть повышенная яркость светящихся поверхностей, вызывающая нарушения
зрительных функций (ослеплённость).
5. Величина освещённости должна быть постоянной во времени. Колебания
освещённости, вызванные резким изменением напряжения в сети, имеют большую
амплитуду, каждый раз вызывая переадаптацию глаза, приводят к значительному
утомлению. Пульсация освещённости связана также с особенностью работы
газоразрядных ламп.
6. Необходимо допиваться оптимальной направленности светового потока. Это
позволяет в одних случаях рассматривать внутренние поверхности деталей, а в
других - различать рельефность поверхности рабочей поверхности.
7. Следует выбирать необходимый спектральный состав света. Это требование
особенно существенно для обеспечения правильной цветопередачи, а в отдельных
случаях для усиления цветочных контрастов.
8. Все элементы осветительных установок - светильники, групповые щитки,
понижающие трансформаторы, осветительные сети должны быть достаточно
долговечными, электробезопасными, а также не должны быть причиной возникновения
пожара или взрыва.
9. Установка должна быть простой, удобной в эксплуатации, отвечать
требованиям эстетики.
3.3 Вредные
вещества в воздухе рабочих зданий
3.3.1
Промышленная пыль
На автотранспортных предприятиях выделение пыли связано с ежедневным
обслуживанием автомобилей (грузовых, легковых, автобусов), с обработкой металла
и дерева, с приготовлением формовочных смесей, с разборкой автомобилей и
агрегатов, с окраской агрегатов и автомобилей, термической и гальванической
обработкой и другими процессами. Промышленная пыль, выбрасываемая вместе с
вентиляционным воздухом, загрязняет воздушные бассейны городов и населенных
пунктов, влияет на здоровье населения.
Пыль оказывает вредное действие на дыхательные пути, кожаные покровы,
органы зрения и на пищеварительный тракт. Поражение пылью верхних дыхательных
путей в начальной стадии сопровождается раздражением, а при длительном
воздействии появляется кашель, отхаркивание грязной мокротой.
Пыль, глубоко проникающая в дыхательные пути, приводит к развитию в них
патологического процесса, который получил название певмокониоза.
Пневмокониозы - пылевые заболевания легких от воздействия всех видов
пыли. Наибольшей агрессивностью обладает кварцевая пыль, вызывающая силикоз.
Развитие силикоза зависит от концентрации пыли. Силикоз обладает способностью
дальнейшего развития и после прекращения работы в пыльных производственных
помещениях. Наиболее частые заболевания силикозом встречаются у рабочих
литейных цехов (стерженщиков, формовщиков, выбивщиков литья и др.).
При работе в запыленных производственных помещениях иногда наблюдаются
случаи поражения органов зрения пылью, которое приводит к воспалительному
процессу слизистых оболочек (коньюнктивиту). Попавшая в глаза металлическая
пыль может вызвать травму роговой оболочки, а абразивная пыль приводит к
помутнению роговицы.
Токсические пыли (хромовая, свинцовая, марганцевая и др.) даже в
относительно небольшом количестве, попадая в органы пищеварения, вызывают
интоксикацию (отравление). Нетоксические пыли не вызывают какого-либо
неблагоприятного действия.
3.3.2
Промышленные яды
Ядами называются токсические вещества, которые, проникая в небольших
дозах в организм человека, вызывают в клетках ткани химические изменения и
болезненные явления (отравления).
Яды по характеру своего действия делятся:
- на яды местного действия. В этом случае поражается только тот участок
тела, на который они попали. Такими действиями обладают кислоты, щелочи,
хромовые соединения и прочие, вызывающие раздражение слизистых оболочек носа,
гортани, бронхов и глаз;
- на яды общего действия, возникающего после проникновения яда в кровь.
Примером такого вещества может служить окись углерода, которая вытесняет
кислород из оксигемоглобина, образуя карбоксигемоглобин, т. е. такое
соединение, которое не позволяет крови разносить кислород по организму
человека, вследствие чего наступает кислородное голодание.
В автотранспортных предприятиях нередко встречаются вещества, которые
обладают местным и общим действием на организм человека.
Наибольшую опасность из всех промышленных ядов представляют яды,
обладающие канцерогенным действием, способные вызывать злокачественные опухоли.
Отравления, вызванные действием токсических веществ, могут быть острые и
хронические. Острые отравления возникают при внезапном поступлении в организм
больших доз токсического вещества. Хронические отравления развиваются постепенно
вследствие длительного воздействия токсических веществ малых концентраций.
Все токсические вещества по биологическому действию их на организм
человека условно делят на пять групп: вещества, вызывающие прижигающие
действия; вещества, действующие на органы дыхания; вещества, действующие на
кровь; вещества, действующие на нервную систему; ферментные и обменные
(протоплазма-тические) яды.
3.4
Шум, звук и вибрация
Звук представляет собой волновое колебание упругой среды. Звуковые волны
возникают, когда частицы упругой среды приходят в колебательное движение от
воздействия на них возмущающей силы.
Производственный звук и шум различной интенсивности и спектра (частоты),
длительно воздействующие на работающих, могут привести к нарушению
артериального давления и ритма сердечной деятельности, притуплению
чувствительности слуха, а иногда и к развитию профессиональной глухоты.
В результате длительного воздействия шума ослабевает внимание и память
работающих, что часто приводит к снижению работоспособности и к производственному
травматизму. Шум оказывает влияние на состояние психического равновесия. Под
действием шума наблюдаются истощение клеток головного мозга, замедленные
психические реакции и функциональные сдвиги нервной системы, которые
проявляются в поступках, не соответствующих нормальной деятельности человека.
Исследованиями установлено, что чем выше частотный состав шумов, чем они
интенсивнее и продолжительнее, тем быстрее и сильнее они оказывают
неблагоприятное действие на орган слуха.
У испытателей двигателей и лиц, работающих в условиях шума, нередко
повышается кровяное давление, появляется аритмия, изменяется тонус коронарных
сосудов, нередки гастриты, возникновение язвенной болезни. Сон у них становится
поверхностным, часто прерывается, а иногда наступает бессонница.
Вибрация оказывает опасное действие на организм, сопровождающееся
изменением нервной и сердечно-сосудистой системы. На транспорте источниками
вибрации являются прежде всего транспортные средства.
Различают общую и локальную вибрации. Общая вибрация вызывает сотрясение
всего организма, местная вовлекает в колебательные движения отдельные части
тела. Общая вибрация с частотой 0,7 Гц (качка) хотя и неприятна, но не приводит
к вибрационной болезни.
Вибрационная безопасность нормируется ГОСТом 12.1.012-90 «Система
стандартов безопасности труда. Вибрация, общие требования безопасности».
Таблица 3.1. Характеристики и допустимые уровни шума на рабочих местах.
|
Вид деятельности
|
Уровни звукового давления,
дБ
|
Уровень звука, дБа
|
|
63
|
125
|
250
|
500
|
1000
|
2000
|
4000
|
8000
|
|
|
Постоянные рабочие места в
производственном помещении
|
99
|
92
|
86
|
83
|
80
|
78
|
76
|
74
|
85
|
По способу передачи вибрация подразделяется на обычную и локальную.
Нормирование вибрации осуществляется в соответствии с ГОСТ
12.1.012 - 90 «Вибрационная безопасность».
Таблица 3.2.
|
Категория вибрации по
санитарным зонам
|
Характеристика условий
труда
|
|
3 типа «а». Граница
сниженной производительности труда
|
Технологическая вибрация,
передающаяся на рабочие места
|
Таблица 3.3.
|
Вибрация
|
Категория вибрации
|
Нормативы корректирования
по частоте и эквивалентные корректированные значения
|
|
|
|
Виброускорение
|
Виброскорость
|
|
|
|
мс-2
|
дБ
|
мс-2*10-2
|
дБ
|
|
Общая
|
3 типа «а»
|
0,1
|
100
|
0,2
|
92
|
Средства борьбы с шумом: звукоизоляция, звукопоглощение.
3.5
Мероприятия по предотвращению и недопущению опасных и вредных факторов
3.5.1
Мероприятия по обеспечению допустимых метеорологических условий труда
Для создания безопасных условий труда санитарными нормами в рабочей зоне
производственных помещений предусмотрены рациональные метеорологические условия
в зависимости от температуры наружного воздуха, относительной влажности,
скорости движения воздуха, характера производственных помещений и степени
тяжести выполняемой работы.
Согласно санитарным нормам все работы по степени тяжести подразделяются
на три категории: легкие, средней тяжести и тяжелые.
К категории легких работ (затраты энергии до 150 ккал/ч) в
автотранспортных предприятиях относят работы контролеров, конторские работы,
выполняемые сидя, стоя или связанные с ходьбой, но не требующие
систематического физического напряжения или поднятия и переноски тяжестей.
К категории средней тяжести работ (затраты энергии от 150 до 250 ккал/ч)
относят работы, связанные с постоянной ходьбой, переноской небольших тяжестей
(до 10 кг) и выполняемые стоя при техническом обслуживании автомобилей, в
разборочно-сборочном отделении, слесарно-механическом, деревообрабатывающем,
сварочном.
К категории тяжелых работ (затраты энергии более 250 ккал/ч) относят
работы, выполняемые в литейных, кузнечных, термических цехах, которые связаны с
систематическим физическим напряжением.
Для уменьшения тепловыделений оборудование, трубопроводы, приборы, ванны,
печи и другие источники тепла должны быть покрыты теплоизоляцией.
Для изоляции источников тепла могут быть использованы обычные
термоизоляционные материалы, обладающие низкой теплопроводностью. К таким
материалам могут быть отнесены: пористый кирпич, асбест, специальные глины с
примесью асбеста и другие материалы.
Однако наибольший эффект получается при применении водяного охлаждения.
Для защиты рабочего от излучения в горячих цехах широко применяется воздушное
душирование стационарными и передвижными душирующими установками.
Места для отдыха работающих должны быть расположены вблизи основных
рабочих мест, но на расстоянии, исключающем возможность влияния конвекционного
и лучистого тепла и инфракрасного излучения.
3.5.2
Меры борьбы с пылью на производстве
Одним из важных мероприятий по борьбе с пылью на производстве является
организация технологического процесса, устраняющего образование пыли или же
изменяющего количество и качество образующейся пыли. Для этого при ежедневном
обслуживании автобусов и легковых автомобилей уборку в кузовах следует
выполнять при помощи пылесоса. В механическом отделении заточные станки должны
быть оборудованы местными отсосами, инструмент надо затачивать с использованием
охлаждающей жидкости, а сухое шлифование заменить мокрым шлифованием.
При выполнении работ в условиях значительной запыленности (ручная
погрузка и выгрузка сыпучих материалов, ремонт автомобилей-цементовозов и др.)
рабочие должны быть обеспечены индивидуальными защитными средствами -
противопылевой спецодеждой, респираторами и очками, а также душами и
умывальниками.
В землеприготовительном отделении литейного цеха рабочие, страдающие
легочными и другими заболеваниями, к работе не допускаются, а все вновь
поступающие и рабочие, занятые на работах, связанных с большой запыленностью
воздуха, должны проходить предварительный и периодический медицинский осмотр.
3.5.3
Мероприятия по борьбе с шумом и вибрацией
Для борьбы с шумом и вибрацией используют как общие, так и индивидуальные
средства защиты.
К общим относятся правильная планировка производственных смещений
(станция испытаний двигателей, термические и кузнечные цехи должны размещаться
с подветренной стороны по отношению к другим зданиям и жилому поселку),
применение звукоизоляционных материалов, рационализация технологических
процессов, применение глушителей, тщательная пригонка всех движущихся частей
механизмов.
Наибольший эффект достигается заменой шумных работ менее шумными.
Пневматическая клепка рам и других деталей должна быть заменена гидравлической
клепкой или сваркой, ковка и штамповка-прессованием, правка металлических
листов-вальцовкой, а если такая замена невозможна, следует применять
звукоизолирующие и звукопоглощающие устройства.
При обработке металлических прутков на автоматно-револьверных станках
необходимо предохранительную трубу снабдить пружиной или же вставить резиновую
рубашку в отверстие этой трубы.
Слесарям и жестянщикам автотранспортных предприятий нередко приходится
выправлять листовой металл на верстаках. Чтобы уменьшить шум, верстаки следует
устанавливать на резиновые амортизаторы, под верхнюю доску подкладывать войлок
в два слоя, на рукоятке молотка (в месте насадки) поставить резиновые
кольца-глушители.
Наиболее совершенным способом борьбы с вибрациями является установка
машин на фундаменте, заглубленном ниже фундамента стен, изолированием от почвы
воздушными разрывами; при работе на автомобилях сиденья для водителей нужно
устанавливать на различных эластичных прокладках, подушках и пружинах.
Индивидуальные средства защиты от шума применяют тогда, когда указанные
выше средства оказываются неэффективными, а рабочему приходится длительное
время работать или находиться в шумном помещении (станции испытания двигателей,
кузнечные цехи и др.). К индивидуальным средствам защиты от шума относятся:
гигроскопическая вата, увлажненная глицерином или просчитанная парафином;
резиновые подушки грушевидной формы, наполненные ватой; губка в виде шариков на
эбонитовом стержне.
Наиболее эффективными с гигиенической точки зрения являются наружные
противошумы. Наружные противошумы имеют круглую или овальную форму из
проклеенной прессованной бумаги, губчатой резины или кожи, заполненные ватой
или другим материалом для глушения шума. Такие противошумы закрывают всю ушную
раковину. Укрепляют их на голове при помощи резиновой налобника.
Санитарными нормами установлено, что рабочие, подвергающиеся воздействию
шума и механических колебаний, должны проходить периодические медицинские
осмотры один раз в год. Лица, страдающие сердечно-сосудистыми заболеваниями,
активной формой туберкулеза, язвенной болезнью, вегетативно-эндокринными
расстройствами, функциональными нарушениями периферической и центральной
нервной системы, психическими заболеваниями, заболеваниями опорно-двигательного
аппарата, болезнями среднего и внутреннего уха, хроническими заболеваниями
печени, на работу в шумные цехи и на автомобили не допускаются.
3.6
Пожаробезопасность
Правила пожарной безопасности для предприятий автомобильного транспорта
разработаны в соответствии с «Правилами пожарной безопасности в Российской
Федерации» (ППБ-01-93).
Нарушение требований пожарной безопасности, в том числе Правил, влечёт уголовную,
административную, дисциплинарную и иную ответственность в соответствии с
действующим законодательством РФ.
3.6.1
Причины возникновения пожаров
Пожар на предприятии наносит большой материальный ущерб хозяйству и очень
часто сопровождается несчастными случаями с людьми.
Основными причинами воспламенения материалов и возникновения пожаров на
автотранспортных предприятиях являются: неправильное устройство термических
печей и котельных топок; неисправность отопительных приборов; неисправность
электрооборудования и освещения и неправильная их эксплуатация; самовозгорание
от неправильного хранения смазочных и обтирочных материалов; статическое
электричество; отсутствие молниеотводов; неосторожное обращение с огнем;
неудовлетворительный надзор за пожарными устройствами и производственным
оборудованием.
Пожарная профилактика является наиболее важной частью противопожарной
защиты.
Пожарная профилактика предусматривает: 1)исключение причин возникновения
пожаров; 2)исключение причин распространения пожаров; 3)обеспечение успешной
эвакуации людей и материальных ценностей из сферы пожара; 4)создание условий
эффективного пожаротушения.
3.6.2
Классификация производств по степени пожарной опасности
В соответствии с противопожарными нормами и противопожарными техническими
условиями строительного проектирования все производства по степени пожарной
опасности подразделяются на пять категорий.
Категория А - производства, связанные с применением: веществ, имеющих
температуры вспышки паров 28°С или ниже; паров или газов, нижний предел
взрываемости которых ниже 10% к объему воздуха, в количествах, образующих с
воздухом взрывоопасные смеси (склады баллонов для горючих газов, склады,
бензина, аккумуляторные отделения, малярные отделения при применении
нитрокрасок с легковоспламеняющимися растворителями.
Категория Б - производства, связанные с применением: веществ, имеющих
температуру вспышки паров от 28 до 120°С; паров или газов, нижний предел
взрываемости которых выше 10% к объему воздуха, в количествах, образующих с
воздухом взрывоопасные смеси (участки, на которых выполняют окраску масляными
красками при помощи кисти).
Категория В - производства, связанные с обработкой или применением
твердых сгораемых веществ и материалов, а также жидкостей с температурой
вспышки выше 120°С (деревообрабатывающие, обойные, масло-регенерационные и
склады смазочных материалов).
Категория Г - производства, связанные с обработкой несгораемых веществ и
материалов в горячем, раскаленном или расплавленном состоянии и
сопровождающиеся выделением лучистого тепла, систематическим выделением искр и
пламени, а также производства, связанные со сжиганием твердого, жидкого и
газообразного топлива. К этой категории относятся горячие цехи, котельные,
литейные и плавильные производства, кузницы, станции испытания двигателей,
помещения двигателей внутреннего сгорания, гаражи, цехи термической обработки
металлов.
Категория Д - производства, связанные с обработкой несгораемых веществ и
материалов в холодном состоянии (механические цехи холодной обработки металлов,
инструментальные и жестяницкие отделения).
3.6.3
Противопожарные преграды
Для сохранения всего зданиям от распространения огня используют
противопожарные преграды. Основными противопожарными преградами служат
противопожарные стены (брандмауеры) и перекрытия.
Брандмауер - это глухая стена высокой степени огнестойкости, перерезающая
по вертикали все элементы здания и опирающаяся непосредственно на фундамент.
Брандмауеры могут быть внутренними и наружными. Они возвышаются над сгораемой
кровлей на 60 см, а на несгораемой на 30 см.
Устройство продольных и поперечных брандмауеров в одноэтажных
промышленных зданиях: 1 - поперечный брандмауер; 2 - продольный; 3 - наружный
брандмауер.
3.6.4
Пожарная безопасность в ремонтных отделениях
Отделение обслуживания и ремонта автомобилей. В помещениях для технического
обслуживания и ремонта автомобилей не разрешается: курить; пользоваться
открытым огнем; выполнять ремонт автомобилей с баками, заполненными топливом;
хранить топливо и керосин в количествах, превышающих сменную потребность;
хранить порожнюю тару из-под топлива и смазочных материалов.
Помимо указанных мероприятий, в этих помещениях необходимо соблюдать
следующие противопожарные меры: проводить тщательную уборку после окончания
работ каждой смены; разлитое масло и топливо убирать при помощи песка; собирать
использованные обтирочные материалы, складывать их в металлические ящики с
крышками и после окончания смены выносить в отведенное и безопасное в пожарном
отношении место, организовать хранение масел и отработавшей смазки в подземных
цистернах или в подвальных помещениях.
Склад легковоспламеняющихся и горючих жидкостей. Учитывая пожарную опасность
легковоспламеняющихся и горючих жидкостей, их хранят в резервуарах или
металлических бочках
Основным мероприятием пожарной профилактики на складе является устройство
противопожарных разрывов. Величины разрывов устанавливают в зависимости от
степени пожарной опасности хранящихся на окладе жидкостей, их объема, степени
огнестойкости зданий и предполагаемого направления огня и возможности его
локализации.
Для хранения жидкостей используют резервуары (цистерны) большой емкости;
они заземлены и имеют герметически закрывающиеся крышки с дыхательными
клапанами для выравнивания давления паров жидкости по отношению к внешнему
атмосферному давлению.
Переливать легковоспламеняющиеся жидкости из одной емкости в другую можно
только при дневном свете. Ни в коем случае нельзя пользоваться ударными
инструментами при открывании бочек с легковоспламеняющимися жидкостями. В
помещении хранения тары должны быть огнетушители ОУ-5, ящики с песком, брезент
или войлок.
3.7
Охрана окружающей среды
Природопользование, с одной стороны, направлено на максимальное
удовлетворение потребностей народного хозяйства и людей, а с другой - должно
всемерно охранять и улучшать природную среду как источник удовлетворения этих
потребностей. Особую актуальность приобретают вопросы экологии и
природопользования в настоящее время.
На всех, без исключения, АТП проводят мероприятия по охране окружающей
среды и рациональном использовании природных ресурсов. В управлении окружающей
средой существенным является выбор и разработка модели, на базе которой
строится вся система управляющих воздействий.
Для АТП к управляемым факторам окружающей природной среды относится
загрязненность воздушного бассейна, водных ресурсов и почвы. Целевой функцией
процесса управления экологичностью работы АТП следует принимать наименьшие
издержки загрязнения окружающей среды, состоящие из затрат на предотвращение
загрязнения и экономического ущерба от загрязнения.
В системе управления природопользованием значительное место отводится
природоохранительному нормированию и стандартизации. Различают предельно
допустимые концентрации и критические уровни загрязнения. Предельно допустимые
концентрации отражают такие требования, при которых не оказывается
неблагоприятного воздействия на здоровье, самочувствие и работоспособность
населения и будущих поколений, а также не ухудшаются биолого-гигиенические
условия жизнеобеспечения.
В России имеется свыше 160 нормативов только по атмосферным загрязнениям.
Критические уровни загрязнения характеризуют минимально допустимые требования к
окружающей природной сфере.
В АТП, при анализе состояния окружающей среды исходным моментом является
сравнение фактических показателей загрязненности с нормативными. В случае
анализа исполнения мероприятий по охране природы и рациональному использованию
природных ресурсов определяют процент выполнения запланированных мероприятий,
своевременность их реализации, сравнивают фактический и ожидаемый эффекты.
Но необходимо особо отметить, что охрана окружающей среды является
общегосударственным делом и эффект, который получается в итоге внедрения
мероприятий, носит народнохозяйственную, в большей степени социальную, чем
экономическую, значимость. Для отдельного предприятия результаты проводимых
работ по охране природы и рациональному использованию природных ресурсов чаще
всего не приводят к росту доходов и прибыли. Все автотранспортные предприятия
обязаны в интересах настоящего и будущих поколений людей обеспечивать
эффективное использование и воспроизводство природных ресурсов, бережно
пользоваться ими, охранять окружающую среду от загрязнения и других вредных
воздействий.
3.8
Охрана воздушного бассейна
Автомобильный транспорт, как известно, является одним из основных
источников загрязнения атмосферного воздуха. Например, на его долю приходится
91,3 % общей суммы вредных веществ (оксид углерода СО, углеводороды СН, окислы
азота NOX), выбрасываемых в атмосферу всеми
видами транспорта, а в зависимости от размеров города - от 17 до 51 % общего
объема загрязнения воздушного бассейна.
Загрязнение воздушного бассейна происходит из-за выброса в атмосферу
вредных веществ от стационарных источников и передвижных (транспортных)
средств.
Влияния стационарных установок на чистоту воздушного бассейна
рекомендуется проводить в следующей последовательности.
Определяют наличие и количество всех вредных веществ, возникающих в
процессе работы стационарных источников загрязнения по ингредиентам и суммарное
значение. В этой сумме выделяют количество вредных веществ, поступающих на
очистные сооружения. Характеристикой работы газоочистных и пылеулавливающих
установок служит количество обезвреженных и улавливаемых ими вредных веществ
всего и по ингредиентам. Важными качественными показателями охраны воздушного
бассейна являются процент улавливаемых и обезвреженных вредных веществ в общем
количестве вредных веществ, отходящих от всех стационарных источников
загрязнения, и процент обезвреживания и улавливания вредных веществ очистными
сооружениями. Эти проценты рассчитывают как по отдельным ингредиентам, так и по
их сумме. Динамика показателей за несколько лет позволяет судить об
эффективности проводимых мероприятий.
Цепные индексы процентов обезвреженных вредных веществ должны быть
постоянно больше единицы, т. е. из года в год удельный вес вредных веществ,
выбрасываемых в атмосферу в объеме отходящих от стационарных источников
загрязнения токсичных веществ, должен уменьшаться.
На автомобильном транспорте особое внимание должно быть обращено на
снижение токсичности отработавших газов подвижного состава.
Концентрация вредных веществ в воздухе зависит от типа двигателя,
грузоподъемности автомобиля, организации движения, технических параметров
дорожной сети, технического состояния автомобилей, квалификации и опыта работы
водителей и ремонтных рабочих, организации производства ТО и ТР, качества
контрольно-измерительных приборов, топлива и т. д.
Наличие вредных веществ в отработавших газах регламентируется различными
нормативными актами, в частности ГОСТ 17.2.2.03-87. ГОСТ 20306-85, ГОСТ
21393-75.
Отношение фактической величины токсичных веществ к их нормативному
значению показывает уровень загрязнения атмосферного воздуха ингредиентами
выхлопных газов.
3.9
Охрана и рациональное использования водных ресурсов
При разработке мероприятий по охране и рациональном использовании водных
ресурсов следует обращать основное внимание на применение прогрессивных
направлений водопотребления и водоотделения для сокращения забора воды из
естественных подземных и поверхностных источников, расширение систем оборотного
и повторно-последовательного водоснабжения, снижения потерь воды, прекращение
сброса загрязненных сточных вод и их полную очистку. Сложность учёта
использования водных ресурсов обусловлена, кроме их многообразной роли в
народном хозяйстве, также изменчивостью потребности в воде во временном и
территориальном разрезе и значением водного фактора в поддержании
экологического равновесия окружающей природной среды.
На АТП разработку мероприятий по сокращению потребления водных ресурсов
начинают с изучения показателя «Забор воды». В него включается суммарный объем
воды, забираемый собственными силами из всех источников водных ресурсов
(поверхностные, подземные, городской водопровод и другие). Разница между
объемом забираемой воды и фактически поступающей на АТП показывает потери при
её транспортировке. Эти потери должны быть по возможности минимальны.
Поступающая на АТП вода («Водопотребление»), используется для собственных целей
на производственные нужды и хозяйственно-бытовые и коммунальные нужды населения
и работающих на предприятии, а также для передачи другим организациям и
предприятиям. Каждый из этих показателей включает объемы питьевой, свежей технической,
оборотной и повторно-последовательно используемой воды. Чем больше удельный вес
оборотной и повторно-последовательно используемой воды в общем объеме
потребления, тем рациональнее с точки зрения охраны водных ресурсов налажено
производство.
3.10 Расчет
количества светильников, необходимых для освещения производственного помещения
Расчетная высота подвеса светильников
h=H-hP-hC=5,8-0,8-0,5=4,5 м.
Индекс помещения
По индексу помещения i=2,1
по табл. 6 находим значение коэффициента использования светового потока - η=43% (светильник ВЛО).
Оптимальное расстояние между
светильниками
L=λ·h=1,4·4,5=6,3
м.
Количество светильников, необходимое
для освещения помещения зоны ТО
Принимаем по расчету 54
светильника.
Выводы
Промышленное развитие системы впрыска топлива получили уже начиная с 50-х
годов двадцатого века. В работе были рассмотрены самые распространённые системы
впрыска топлива. Были подробно изложены их различия и принцип действия. Также
было рассказано об изменениях, которые происходили с системами впрыска топлива
по мере их развития. Были затронуты вопросы касаемые эксплуатации систем
впрыска на современных примерах.
Главной же целью нашей работы было исследовать процессы происходящие с
форсунками на различных режимах работы. Установить время через которое
необходимо производить их техническое обслуживание. Также мы рассмотрели
принципиальное устройство электромагнитных форсунок. Принцип их действия. Также
рассмотрели возможное будущее форсунок, пример которых был изложен в нашей
работе. Для нашей работы мы сделали экспериментальную многоцелевую установку, с
помощью которой мы проводили исследования, касаемые характеристик форсунок.
Исходя из нашей проделанной работы можно сказать, что несмотря на превосходство
систем впрыска топлива по экономии топлива и экологичности и ряду других
показателей не все готовы в нашей стране поменять карбюратор на эту казалось бы
не сложную системы, из-за того что система впрыска конечна хороша и надёжна, но
собственными руками, без специального оборудования с ней сделать что либо
сложно. Но прогресс не стоит на месте и даже в нашей стране автомобили без
системы впрыска скоро перестанут выпускать, так что за системой впрыска будущее
в автомобильной промышленности.
Список
используемых источников
1. Е.П.
Павленко. Система питания современного двигателя. Москва. Машиностроение,
переработано и дополнено. 1998-357с.
2. А.А.
Косенков. Ремонт и эксплуатация автомобиля Volkswagen Golf 4 поколения. Москва. Транспорт. 2001-453с.
3. Зарубин
А.Г. Устройство, обслуживание и ремонт систем современного впрыска. Минск.
Высшая школа. 2002-233с.
4. Васин И.Н.
Справочник оборудования для автосервисов. Москва. АО Транскосалтинг НИИАТ.
2004-279с.
5. В.А.
Хромченко. Система впрыска серии Jetronic. Москва. Машиностроение. 2001-446с.
7.
Нормокомплект оборудования и специального инструмента для АТП. Москва ЦБНТИ
Минавтотранса РФ. 2003-238с.
6. А.Ю.
Грибков. Расчет топлива и ГСМ. Москва. 2006-279с.
7. Епифанов.
Техническое обслуживание и ремонт автомобиля. ООО Атберг. 2006-197с.
8. Ю.Т.
Вишневский. Техническая эксплуатация обслуживание и ремонт автомобиля. Москва.
Рос.Издат. 2003-359с.
6. Методические указания "Оценка
уровней шума в помещениях. Расчёт средств защиты от шума" к практическим
занятиям по курсу "Безопасность жизнедеятельности".
Разработала
к.т.н. доцент кафедры АОТ и ОС Шестакова Н. К., Тульский государственный
университет, кафедра: "Аэрология, охрана труда и окружающей среды",
Тула 1997 год- 17с.
7. Салов А.И. Охрана труда на предприятиях
автомобильного транспорта : Учебник для студентов автомоб. - дор. вузов. - 3-е
изд., перераб. и доп. - М.: Транспорт, 1985. - 351 с., ил., табл.