|
потребляемое напряжение
|
UП = 9 + 0.9 В;
|
|
потребляемый ток
|
I < 4.5 мА;
|
|
входная емкость
|
CВХ = 10 пФ;
|
|
выходная емкость
|
CВХ = 10 пФ;
|
|
входная проводимость
|
gВХ = 0.35 мСм
|
|
выходная проводимос ть
|
gВЫХ = 10 мкСм;
|
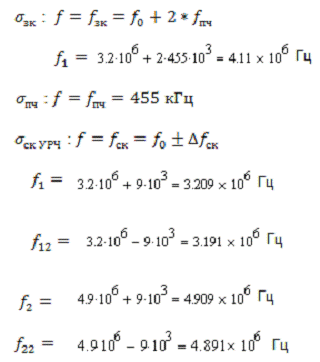
Проводимость прямой передачи всех каскадов ИМС от входа 1 - 2
до выхода 8 y21 = 0.7 См.
Данная ИМС имеет оптимальные для УПЧ АМ тракта
схемотехнические решения. ИМС содержит три каскада усиления сигналов и УПТ АРУ.
Первые два каскада идентичны, построены на дифференциальных парах транзисторов.
Между эмиттерами транзисторов встречно включены пары диодов, сопротивление
которых изменяется под действием напряжения, поступающего от УПТ АРУ. При
изменении регулирующего напряжения изменяется глубина обратной связи, что
приводит к изменению коэффициента усиления УПЧ. Эффективность регулирования
такова, что при изменении входного напряжения от 1 до 100 мВ выходное
напряжение изменяется не более, чем в три раза.
Выходной нерегулируемый каскад имеет несимметричный выход 8,
к которому подключается резонансная нагрузка. При подсоединении нагрузки надо
следить, чтобы вывод 8 (коллектор транзистора V9) по постоянному току был
соединен с корпусом.
Входное сопротивление ИМС практически равно
характеристическому сопротивлению выпускаемых промышленностью ПКФ
(приблизительно 3 кОм), что позволяет подсоединить ПКФ непосредственно ко входу
ИМС без согласующего трансформатора или контура. Для обеспечения нормального
режима работы каскада по постоянному и переменному токам выводы 2 и 3 должны
быть соединены с корпусом с помощью внешних конденсаторов.
ИМС К174УПэ обладает результирующей проводимостью прямой
передачи y21 = 700 мСм, что позволяет получить усиление тракта УПЧ K0
УПЧ = 3000...8000.Выбрав структуру тракта УПЧ и определив его усиление,
уточняем реализуемый коэффициент усиления высокочастотного тракта в целом:
0 Р = K0 ВХ * K0 УРЧ * K0
ПР * K0 Ф * K0 УПЧ =
Требования усиления выполняются.
Проверка
реализации требуемого отношения сигнал/шум на выходе приёмника
Усиление УРЧ достаточно (K0 УРЧ=5), в силу этого
можно пренебречь вкладом шумов последующих каскадов в общий уровень шума
приемника.
Определяем коэффициент шума первого активного прибора (АП1)
,
где KШ МИН и gГ ОПТ (значения
минимального коэффициента шума активного прибора и проводимости генератора, при
которой он обеспечивается) gГ - проводимость генератора, которую
“видит” АП1 в реальной схеме, - принимается равной (2...3) * g11.
Значение KШ МИН в дБ:
Рассчитываем напряжение шума приемника, приведенное ко входу
АП1.
Определяем отношение сигнал / шум на входе приемника при
уровне сигнала равном чувствительности:
Вычисляем отношение сигнал/шум на входе приёмника:
zВЫХ = zВХ * mН ; где mН
- нормальный
коэффициент модуляции АМ сигнала (mН = 0.3);
Сравниваем рассчитанное значение с требуемым:
,
Следовательно, требования не выполнены, т. е. необходим УРЧ.
Определим Uш пр доп при этом полагая
, тогда:

Выбор
ИМС УЗЧ, динамической головки и узлов блока питания
В качестве динамической головки выбираем 4ГД 35, она
рассчитана на диапазон частот от 65 до 12500Гц. Мощность 4.5 Вт, а
сопротивление 4 Ома.
В качестве УЗЧ выберем ИМС отечественного производства
К174УН7. Она имеет следующие параметры:
Выходная мощность при Rн = 4 Ома: 4,5 Вт;
Входное сопротивление при Uп = 9 В:30 кОм;
Диапазон рабочих частот: 40…20 000 Гц;
В качестве элементов питания используем гальванические элементы:
батареи напряжение которых 9В (крона). Наиболее качественные кроны производит
фирма Energiser и Durasel.
Расчёт
входных устройств
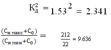
Номинальный коэффициент перекрытия диапазона в соответствии с
заданием:
Кд=1.53, Диапазон не растянутый, и схема контура
соответствует:
Рис.
Lk - индуктивность катушки контура;
Сн - элемент настройки(варикап);
CL - собственная емкость катушки(несколько пФ)
CM - емкость монтажа(единицы пФ),
Сп - конденсатор подстройки контура;
Сд1- дополнительный конденсатор;
Для гарантированной настройки на краях диапазона определяем
расчетные частоты с запасом по перекрытию:
Определяем фактический коэффициент перекрытия:
среднюю рабочую частоту:
Расчет емкостей контура нерастянутого диапазона
Определяем минимальную и максимальную емкости контура:
Выбираем подстроечный конденсатор СП max = 15 пФ, СП min = 5 пФ и рассчитываем
среднее значение ёмкости подстроечного конденсатора:
Определяем ориентировочное значение дополнительного конденсатора:
Проверяем правильностьрасчетов:
Различие между рассчитанным и требуемым значением не более
5%, что допустимо.
Расчет индуктивности, ПП и проводимости контура
На рассчитанных частотах определяем проводимость и полосу
пропускания контура:
Полученные значения являются конструктивными параметрами
колебательного контура, т. е. «чистого» контура без учета влияния подключаемых
к контуру внешних цепей. Это влияние будет учтено далее при расчете входного
устройства и УРЧ в параметрах эквивалентного колебательного контура.
Выбор схемы входного устройства
Так как необходимо что бы резонансный коэффициент передачи
слабо зависел от частоты настройки, выбираем трансформаторную связь и в случае
связи контура с антенной, и в случае связи контура с АП1.
Расчет схемы входного устройства
Расчетные частоты диапазона;
Схема и конструктивные параметры контура, рассчитанные ранее;
Входная емкость приемника
Выбранное значение коэффициента расширения полосы
пропускания:
Определение элементов связи контура с АП1
Расчет начинают с определения допустимого значения
коэффициента включения p1 в наихудших условиях. При трансформаторной связи
его определяют на
Рассчитывают допустимые значения p1 исходя из условий:
получения максимального коэффициента передачи при заданном
расширении полосы:
смещения частоты настройки входного контура не более чем на
половину полосы пропускания:
Выбираем и полученных значений наименьшее
= p1.
Рассчитываем значение индуктивности связи:
По Е24 - 11 мкГн
Где Км - коэффициент магнитной связи между
катушками; его принимают равным 0.2-0.6, в зависимости от типа намотки и
взаимного расположения катушек.
Определение элементов связи контура с антенной
При трансформаторной связи с антенной, рассчитывают
коэффициент включения контура в антенную цепь исходя из заданного расширения
полосы:
Значение
в диапазоне частот остается постоянным.
Далее рассчитывают значения индуктивности катушки связи и
требуемого коэффициента магнитной связи:
Расчет результирующих характеристик
одноконтурного входного устройства
Рассчитываем модуль полного сопротивления антенной цепи
и активную составляющую
проводимости антенной цепи
включенную параллельно контуру.
При трансформаторной связи с антенной и ZA=RA:
Расчеты проведем для минимальной средней и максимальной
частоты диапазона.
Проводимость эквивалентного контура:
Коэффициент расширения полосы пропускания:
Добротность эквивалентного контура:
Проводимость эквивалентного генератора:
Полоса пропускания входного устройства:
Резонансный коэффициент передачи входного устройства:
Неравномерность коэффициента передачи в пределах диапазона:
Сводим все полученный результаты в таблицу:
Таблица
|
F,МГц
|
Параметры
|
|
|
p1
|
,См
|
,См
|
D
|
|
,См
|
,Гц
|
|
|
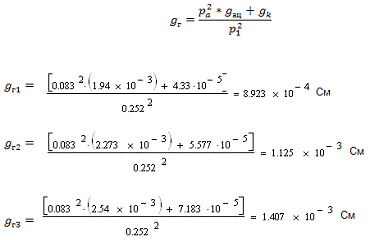
3.072
|
0.083
|
0.252
|
7.183*10-5
|
1.001*10-4
|
1.394
|
71.736
|
1.407*10-3
|
4.282*104
|
0.584
|
|
3.957
|
0.083
|
0.252
|
5.577*10-5
|
8.222*10-5
|
1.474
|
67.843
|
1.125*10-3
|
5.831*104
|
0.671
|
|
5.096
|
0.083
|
0.252
|
4.33*10-5
|
6.746*10-5
|
1.489
|
67.159
|
8.923*10-4
|
7.585*104
|
0.789
|
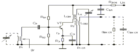
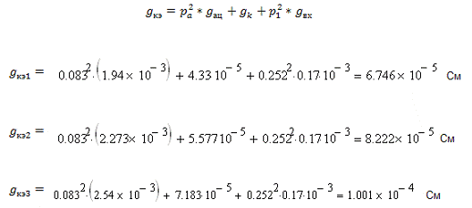
Расчет УРЧ и общих характеристик преселектора
Рис.
Колебательный контур в нагрузке транзистора выполнен по схеме
колебательного контура входного устройства, перестраивается в том же диапазоне
частот и имеет те же параметры Lk, Qk, Ck min, Ck max, gk.Эквивалентные параметры
и
будут определены при
расчете.
Исходными данными для расчёта являются:
модуль проводимости прямой передачи y21 = 30 мСм;
проходная ёмкость транзистора C12 = 0.9 пФ;
вещественная составляющая входной проводимости gвх = g11 = 0.17 мСм;
вещественная составляющая выходной проводимости gвых =g22 = 15 мкСм;
входная ёмкость Cвх = C11 = 10 пФ;
выходная ёмкость Cвых = C22 = 2 пФ;
Следующим каскадом является преобразователь частоты. Для
расчета УРЧ необходимы его параметры:
- вещественная составляющая входной
проводимости;
- входная емкость;
- коэффициент шума.
Расчет резонансного коэффициента усиления УРЧ и
чувствительности приемника
В представленных схемах
на верхней частоте
диапазона имеет наибольшее значение. Влияние внешних цепей на параметры
колебательного контура будет наибольшим также на верхней частоте, поэтому
коэффициенты включения (трансформации)
и
выбирают, исходя из
допустимого влияния внешних цепей на параметры колебательного контура, именно
на максимальной расчетной частоте.
Рассчитываем значение
:
из условия допустимого расширения ПП. D=1.489
из условия допустимого влияния внутренней обратной связи на
устойчивость работу УРЧ.
- Из условия расстройки
контура не более, чем на половину полосы пропускания за счет подключения к нему
.
Выбираем наименьшее значение :
Рассчитываем значение
:
из условия допустимого расширения ПП.
из условия допустимой расстройки контура.
Выбираем наименьшее значение
и используем его в
дальнейших расчетах.
Рассчитываем значение индуктивностей катушек связи:
Рассчитываем параметры УРЧ на крайних и средней частотах.
Резонансная проводимость эквивалентного контура:
Эквивалентная добротность контура:
ПП каскада:
Далее рассчитываем получающееся в результате значение
чувствительности приемника при заданном в ТЗ отношении сигнал/шум на выходе и
стандартном испытательном сигнале. Рассчитываем квадрат напряжения шума,
создаваемого преобразователем частоты на его входе:
Рассчитываем суммарное напряжение шума на входе АП1:
Рассчитываем наихудшее в диапазоне значение чувствительности
приемника:
Расчет характеристик избирательности преселектора
На крайних частотах диапазона
и
рассчитываем
характеристики избирательности преселектора.
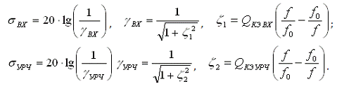
, где σвх и σурч, соответственно, характеристики избирательности входного
устройства и УРЧ, рассчитываемые следующим образом:
На крайних частотах диапазона
и
рассчитываем ослабление
в ВхУ, УРЧ преселекторе в целом помехи с частотой зеркального канала, с
промежуточной частотой и с частотой соседнего канала:
Расчет элементов цепи питания
Iк = I0 = 1 мА
Uкэ = 5 В
Uбэ = 0.6 В
Rэ = 2400 Ом
Uп = 9 В
Так как
, правее Сбл включаем дополнительный
резистор
Задаемся значением тока делителя:
. Рассчитываем напряжение
между базой и корпусом:
И значения сопротивлений:
Подбираем по таблице номинальных значений ближайшие к
рассчитанным:
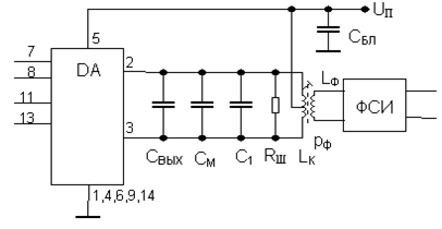
Расчет преобразователя частоты
Преобразователь частоты построим на ИМС К174ПС1 при
симметричном подключении контура к выходу ИМС симметричном подключении входов
ИМС к выходам УРЧ .
Рис.
Рис.
Исходными данными для расчёта являются:
значение промежуточной частоты приёмника: fПЧ = 455 КГц;
полоса пропускания ФСИ: ∆Fф = 3 кГц;
входная проводимость ФСИ: gвх ф = 1/3 мСм;
конструктивная добротность катушки СК на fПЧ: Qk = 120;
крутизна преобразования ИМС: у21 пр =
10 мСм;
выходная проводимость ИМС на fПЧ: gвых = 2.9 мкСм.
Полоса пропускания согласующего контура выбирается
существенно больше, чем полоса пропускания ФСИ, чтобы избежать влияния
согласующего контура на полосу пропускания тракта ПЧ. С другой стороны она не
должна быть слишком большой, так как это приведет к снижению коэффициента
усиления ПрЧ и к ухудшению избирательности при больших отстройках. В итоге
имеем
;
Рассчитываем требуемое значение добротности эквивалентного
контура
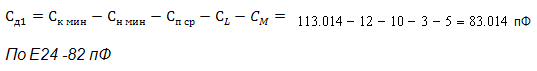
Задаёмся стандартным значением ёмкости конденсатора контура С1
= 500 пФ и рассчитываем ёмкость СК контура с учётом ёмкости монтажа
СМ = 3 пФ и выходной ёмкости ИМС:
пФ
и индуктивность контура:
Гн
Полагая конструктивную добротность контура QK = 100, вычисляем проводимость
ненагруженного и нагруженного (эквивалентного) контура:
и сопротивление шунтирующего резистора:
По Е24- 0.56 КОм
Определим коэффициент включения согласующего контура во
входную цепь ФСИ, при котором обеспечивается согласование ФСИ на его входе:
Рассчитываем индуктивность катушки связи:
По Е24 - 18 мкГн
Определим коэффициент усиления преобразователя частоты:
На расчетных частотах диапазона рассчитываем напряжение
сигнала на входе УПЧ:
Рассчитываем суммарное ослабление соседнего канала в
преселекторе и ФСИ:
,
Fmin=1.232+40=41.232 дБ
Fmax=0.378+40=40.378 дБ
Требования ТЗ выполняются.
Выбор
гетеродина
В качестве гетеродина будем использовать прецизионный,
малошумящий, кварцевый генератор ГК149-ТС-Д1
Таблица
|
Диапазон, МГц
|
5,0 - 20,0
|
|
Нестабильность частоты от изменения на- грузки
|
≤ ±2x10-9
|
|
Неcтабильность частоты от изменения на-
пряжения питания
|
≤ ±1x10-9
|
|
Точность установления частоты относи- тельно
значения «через 1 ч после вкл.»: через 5 мин через 10 мин
|
≤±2x10-7 ≤±5x10-8
|
|
Напряжение питания
|
12В±5%
|
|
Потребляемый ток в установившемся ре- жиме
|
≤50 мA
|
|
Потребляемый ток во время включения
|
≤500 мA
|
|
Пределы перестройки частоты
|
≥±3,0x10-7
|
|
Внешним управляющим напряжением
|
+1…+8 В
|
|
Опорное напряжение (Uоп)
|
+8,2 ±0,2 В
|
|
Выходной сигнал
|
SIN
|
|
Вых. напряжение на внешней нагрузке в пределах,
мВ
|
325 - 700
|
|
Нагрузка
|
50 Ом±10%
|
|
Ослабление гармоник
|
≥ 30 дБ
|
|
Ослабление субгармоник (для частот ≥ 10
МГц)
|
≥ 30 дБ
|
|
«Выходной сигнал
|
КМОП
|
|
Вых. напряжение логических уровней, В: низкий
уровень высокий уровень скважность
|
≤ 0,4 ≥ 4,5 1,7 - 2,5
|
|
Нагрузка
|
> 10 кОм
|
|
Емкость нагрузки
|
15 - 30 пФ
|
Выбираем вариант исполнения «А» т.к. в этом варианте диапазон
частот генератора 5.0-7.5 МГц.
Особенности:
Длительная наработка до отказа: 50 000 часов
Стойкость к воздействию спецфакторов
Высокая температурная стабильность до±5x10-9
Высокая долговременная стабильность до ±2x10-10/сутки
Диапазон частот 5,0 - 20,0 МГц
Рис.
Расчет детектора радиосигналов. Диодный детектор
АМ сигнала
Принципиальная схема диодного АД приведена на рисунке. Для
снижения искажений и улучшения фильтрации сопротивление нагрузки детектора
разделено на две части (R1 и R2). Потенциометр R2
является одновременно регулятором громкости.
Диодный детектор построим на диоде КД401А, он прекрасно
подходит для детектирования высокочастотных сигналов.
Исходными данными для расчета всех детекторов являются:
значение промежуточной частоты fПЧ=455 КГц
значения нижней (FН=200 Гц) и верхней (FВ=3100
Гц) частот модуляции;
допустимые амплитудные искажения на нижних и верхних частотах
модуляции MН = MВ = 1.1;
входное сопротивление (RВХ УЗЧ=30 КОм) и емкость
(CВХ УЗЧ=20 пФ) выбранной ИМС УЗЧ (К174УН7)
Для расчета АМ детектора дополнительными исходными данными
будут:
нормальное и максимальное значения коэффициента модуляции mН
= 0.3, mМАКС = 0.9;
значения прямого (rПР=0.2 КОм) и в обратного (rОБР=1
МОм) сопротивления выбранного диода.
Расчет детектора проводим для режима сильных сигналов.
Выбираем сопротивление нагрузки детектора для постоянного тока RПТ =
10 КОм. Далее рассчитываем значения R2 и R1:
Рассчитываем сопротивление нагрузки детектора для переменного
тока с частотой модуляции:
Выбираем емкость нагрузки детектора из двух условий:
допустимых линейных искажений на максимальной частоте
модуляции
Из двух значений выбираем меньшее (2.615*10^-9 Ф) и подбираем
стандартные конденсаторы с емкостями:
C1 = CН / 2=1.308*10^-9 Ф По Е24 - 1.3
нФ2 = CН - C1 - CВХ УЗЧ=1.287*10^-9
Ф По Е24 - 1.3 нФ
Определяем емкость разделительного конденсатора, исходя из
допустимых искажений в области нижних частот модуляции:
Определяем коэффициент фильтрации напряжения промежуточной
частоты элементами схемы детектора:
фильтром, образованным RВХ Д, C1
Рассчитываем угол отсечки тока диода:
и коэффициент передачи детектора:
Оцениваем напряжение на входе УЗЧ на средних частотах
модуляции
Рассчитываем требуемый коэффициент усиления УЗЧ:
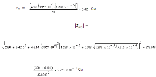
Расчет тракта промежуточной частоты
Ранее было решено сделать УПЧ на специализированной ИМС
К174УПэ. Схема тракта совместно с амплитудным детектором приведена на рисунке:
Исходными данными для расчета УПЧ являются:
входная проводимость детектора (gВХ Д=2.03*10^-4
См), являющаяся проводимостью нагрузки последнего каскада УПЧ;
выходная проводимость ФСИ (gВЫХ ФСИ=0.5*10^-3 См),
являющаяся проводимостью эквивалентного генератора для первого каскада УПЧ.
Расчет резонансного каскада УПЧ.
Аналогично расчёту ПрЧ выбираем и рассчитываем:
- полосу пропускания:
;
добротности эквивалентного контура:
;
ёмкость конденсатора C1 = 500 пФ;
ёмкость контура:
;
индуктивность контура:
;
проводимость контура:
.
Определяем для первого каскада значение коэффициента включения
входа следующего каскада в колебательный контур, при котором происходит
требуемое снижение добротности:
Рассчитываем индуктивность катушки связи:
Уточняем значение эквивалентной проводимости контура:
и рассчитываем коэффициент усиления каскада:
удовлетворяет требованиям.
Расчет общих характеристик тракта УПЧ
Обеспечиваем согласование входной проводимости тракта УПЧ с
входной проводимостью ФСИ.
,
.
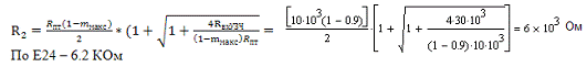
Т.к. gВХ УПЧ < gВЫХ ФСИ, для согласования
параллельно выходу ФСИ включают резистор с сопротивлением:
СОГЛ
= 1 / (gВЫХ ФСИ - gВХ УПЧ)=
По Е24 - 6.8 КОм
По заданию необходимо наличие в УПЧ цепи АРУ.
Выбираем элементы фильтра АРУ, исходя из нужного значения
постоянной времени этого фильтра Ф АРУ = 0.1...0.2 с (при
приеме АМ сигналов):
В заключении расчета определяем напряжение на входе детектора:

Заключение
При проектировании радиоприемника было выбрано одно преобразование
частоты и значение промежуточной частоты
. Избирательность тракта ПЧ обеспечивается ФСИ, который выбран
исходя из требований ТЗ по ослаблению соседнего канала.
Выбрано 2 колебательных контура преселектора: полосовой фильтр в
качестве входного устройства и УРЧ, исходя из ослабления по зеркальному каналу
а также необходимой чувствительности приемника.
В качестве элемента настройки выбран варикап КВ116А-1. УРЧ
построен на биполярном транзисторе КТ368. Преобразователь частоты реализован на
базе ИМС К174ПС1, представляющей собой законченный функциональный узел. В
качестве гетеродина выбрали прецизионный малошумящий кварцевый генератор
ГК149-ТС-Д1. Функции детектора АМ сигнала выполняет Диод КД401А.
Детальный электрический расчет включает в себя расчет
преселектора, ПрЧ, УПЧ, детектора приемника, выбора гетеродина. При этом
выбраны активные приборы и ИМС, выпускаемые промышленностью, а номинальные
значения сопротивлений и емкостей выбраны в соответствии со стандартными
значениями.