Преобразователь кодов

  • Вид работы:
    Курсовая работа (т)
  • Предмет:
    Информатика, ВТ, телекоммуникации
  • Язык:
    Русский
    ,
    Формат файла:
    MS Word
    616,56 Кб
  • Опубликовано:
    2012-07-13
Вы можете узнать стоимость помощи в написании студенческой работы.
Помощь в написании работы, которую точно примут!

Преобразователь кодов

Министерство образования и науки Российской Федерации

Федеральное агентство по образованию

Поволжский государственный технологический университет

КафедраИВС









ПОЯСНИТЕЛЬНАЯ ЗАПИСКА

к курсовому проекту по дисциплине

«Схемотехника ЭВМ»

ПРЕОБРАЗОВАТЕЛЬ КОДОВ


Выполнил:

студент группы ИВТ-31

Сибагатуллин Г.Г.

Проверил:Старыгин С.В.


Йошкар-Ола, 2012

ЗАДАНИЕ

Разработать преобразователь последовательного кода в параллельный и наоборот. Разрядность чисел: 16.

Аннотация

Пояснительная записка посвящена проектированию устройства преобразования последовательного кода в параллельный и наоборот. Она содержит исходные данные к проектированию, анализ задачи, общую схему алгоритма работы устройства, структурную схему устройства, функциональную и принципиальную схемы, а также оценкупараметровустройства.

Содержание

Задание

Аннотация

Введение

. Анализ задания и постановка задачи

. Общая схема алгоритма функционированияустройства

. Разработка функциональной схемы устройства

. Разработка принципиальной электрической схемы

.1 Схема сброса по питанию

.2 Генератор импульсов

.3 Блок «Режим работы»

.4 Счетчик импульсов

.5 Блок «Триггер готовности»

.6 Блок регистров

. Построение временной диаграммы

. Оценка потребляемого тока и аппаратных затрат

Библиографический список

 


ВВЕДЕНИЕ

В настоящее время, когда идет бурный процесс развития быстродействующих электронно-вычислительных устройств и различных микропроцессорных систем, передача данных между быстродействующими устройствами последовательно по одному проводу резко сокращает производительность всего устройства.Возникла необходимость передавать данные параллельно, что существенно увеличивает скорость передачи, а значит и производительность всего устройства. Поэтому возникает проблема преобразования последовательного кода в параллельный.

Однако, не все устройства, особенно старые, имеют возможность работы с параллельным кодом. Поэтому здесь возникает другая проблема: преобразование параллельного кода в последовательный.

Темой данного курсового проекта является разработка устройства преобразования кодовна сдвигающих регистрах типа PI/PO.

1. АНАЛИЗ ЗАДАНИЯ И ПОСТАНОВКА ЗАДАЧИ

По условию поставленной задачи необходимо спроектировать устройство преобразования последовательного кода в параллельный и наоборот. Причем, необходимо предусмотреть выбор режима работы: преобразованиеиз последовательного в параллельный или наоборот.

Преобразование будет осуществляться регистрами сдвига. Т.к. разрядность чисел 16, то необходимо использовать два8 разрядных регистра, соединенных последовательно.

После окончания преобразования схема переводится в режим готовности и ждет следующих действий оператора.

2. ОБЩАЯ СХЕМА АЛГОРИТМА ФУНКЦИОНИРОВАНИЯ УСТРОЙСТВА ПРЕОБРАЗОВАНИЯ КОДОВ

Весь цикл работы устройства показан на рис. 1.

В начальный момент времени, когда устройство включают, все триггеры и счетчики сбрасываются в начальное состояние. После этого устройство переходит в состояние ожидания действий от оператора.

1. Если код параллельный, загружаем по сигналу LOAD параллельный 16 разрядный код. Если же код последовательный, то загружаем на вход DS 16 разрядный код побитно.

. После того каксчетчик просчитал 16 импульсов и выдал сигнал переполнения P4, то преобразование закончено. Схема переводится в режим готовности и ждет следующих действий оператора.


















Рис. 1. Схема алгоритма работы устройства

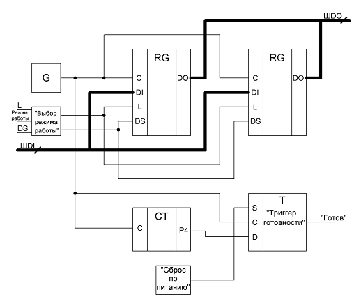
3. РАЗРАБОТКА ФУНКЦИОНАЛЬНОЙ СХЕМЫ УСТРОЙСТВА ПРЕОБРАЗОВАНИЯ КОДОВ

Техническое задание и разработанная блок-схема алгоритма функционирования устройства преобразования кодов предлагают два режима работы: режим преобразования последовательного кода в параллельный и наоборот.

Рис. 2. Функциональная схема устройства преобразования кодов.

код преобразование генератор триггер

Для реализации данных режимов устройство должно содержать:

сдвигающий регистр типа PI/PO;

блок выбора режима работы.

Для подсчета разрядности кода используется счетчик, который выполняет счет импульсов с тактового генератора.

На рис.2 приведена обобщенная функциональная схема устройства преобразования кодов.

4. РАЗРАБОТКА ПРИНЦИПИАЛЬНОЙ ЭЛЕКТРИЧЕСКОЙ СХЕМЫ УСТРОЙСТВА ПРЕОБРАЗОВАНИЯ КОДОВ

Чтобы структурировать процесс разработки принципиальной электрической схемы, он разбит на несколько этапов. Каждый этап определяет разработку соответствующего блока или узла.

.1 Схема сброса по питанию

Сразу после подачи питания необходимо произвести сброс по питанию D триггера, что бы он перешел в состояние «готовности». Для этого будем использовать схему формирования установочного импульса по моменту включения питания (рис. 3).

Рис. 3. Схема сброса по питанию

Параметры схемы:

• Uпит =5В;

• t = 10 нс;

•С = 0,01 мкф;

•R = 1 Ом.

4.2 Генератор импульсов


Рис. 4. Блок «Генератор импульсов»

Логический элемент «И» на выходе генератора, используется для перевода схемы в ждущий режим, при наличии сигнала готовности.

Период колебаний вычисляется по формуле T = RC. Т.к. максимальноевремя срабатывания счетчика равно 200нс, а для остальных устройств значительно меньше, то зададим период колебаний T = 200 и С = 0,01 мкф, тогда R= и R = 20 Ом.

.3 Блок «Режим работы»

Блок«Режим работы» состоит из двух логических элементов -

Рис. 5. Блок «Режим работы»

«И» и «ИЛИ».

Выбор режима работы будет выполнятся путем подачи на соответствующий вход 0 - для преобразования параллельного в последовательный и 1 - для преобразования последовательного в параллельный.

При преобразовании параллельного кода в последовательный на вход DSбудет подаваться 0, а при преобразовании последовательного кода в параллельный на вход L будет подаваться 1.

 
.4 Счетчик разряда

Для подсчета разрядов будем использовать 4 разрядный синхронный счетчик, который при переполнении будет выдавать «1» на P4.

.5 Блок «Триггер готовности»

Блок «Триггер готовности» представляет собой D-триггер, который по завершении преобразования будет переводить схему в состояние готовности.

4.6 Блок регистров

Блок регистров состоит из двух последовательно соединенных 8 разрядных регистров сдвига PI/PO, которые выполняют преобразование последовательного кода в параллельный или наоборот.

5. ПОСТРОЕНИЕ ВРЕМЕННЫХ ДИАГРАММ

Для наглядности работы приводятся временные диаграммы работы устройства. На рис. 6 приведена диаграмма работы устройства.

Рис. 6. Временная диаграмма работы устройства.

6. ОЦЕНКА ПОТРЕБЛЯЕМОЙ МОЩНОСТИ И АППАРАТНЫХ ЗАТРАТ

Сведения о потребляемой мощности и аппаратных затратахприведены в табл. 1.

Наименование

Кол-во корпусов

Потребляемый ток (на 1 корпус)

1 2 3 4 5 6 7

SN74199 К1533АГ3 К1533ИЕ21 К1533ЛИ1 К1533ЛЛ1 К1533ЛН1 К1533ТМ2

2 1 1 2 1 2 1

90 мА 6 мА 12 мА 1,8 мА 2,3 мА 1,8 мА 2,4 мА

Итого: 10209,9 мА


Табл. 1. Оценка потребляемой мощности и аппаратных затрат

СПИСОК ИСПОЛЬЗОВАННОЙ ЛИТЕРАТУРЫ

1. Баранов, В.В. Полупроводниковые БИС запоминающих устройств:справочник / В.В. Баранов.- М.: Радио и связь, 1986.

. Нефедов, А.В. Интегральные микросхемы и их зарубежные аналоги:справочник. Т. 5/ А.В. Нефедов. - М.: ИП Радиософт, 1999.

. Перельман, Б.Л.Отечественные микросхемы и их зарубежные аналоги:справочник/ Б.Л. Перельман, В.В. Шевелев. - М.: НТЦ Микротех, 2000.

. Юшин,A.M. Цифровые микросхемы для электронных устройств: справочник/ А.М. Юшин. - М.: Высш. шк., 1993.

. Лаврентьев, Б.Ф. Схемотехника электронных средств: учеб.пособ. / Б.Ф. Лаврентьев. - Йошкар-Ола: МарГТУ, 2005.

6.Пухальский Г.И., Новосельцева Т.Я. Цифровые устройства: учеб.пособ. для вузов / Г.И. Пухальский, Т.Я. Новосельцева. - СПб.: Политехника, 1996.

7.Старыгин С.В. Схемотехника ЭВМ: учеб.пособ. / С.В, Старыгин. - Йошкар-Ола: МарГТУ, 2000.

















































   СибагатуллинГ.Г.

  



























Похожие работы на - Преобразователь кодов

 

Не нашли материал для своей работы?
Поможем написать уникальную работу
Без плагиата!
Без нейросетей!