Влияние допусков элементов на коэффициент усиления
Федеральное
государственное бюджетное образовательное учреждение высшего профессионального
образования «Ижевский государственный технический университет им. М.Т.
Калашникова»
Кафедра
«Конструирование радиоэлектронной аппаратуры»
Курсовая
работа
“Влияние
допусков элементов на коэффициент усиления”
Выполнила: ст. гр. 6-75-1
Макарова И.
Ижевск
2012 г.
Содержание
1. Анализ
методом «Максимума-минимума»
. Анализ
методом «Наихудшего случая», расчет вручную
. Анализ
методом «Наихудшего случая» в программе OrCAD
. Анализ
методом «Монте-Карло» в программе OrCAD
. Анализ
ширины полосы пропускания УНЧ в программе OrCAD
Заключение
Список
используемой литературы
.
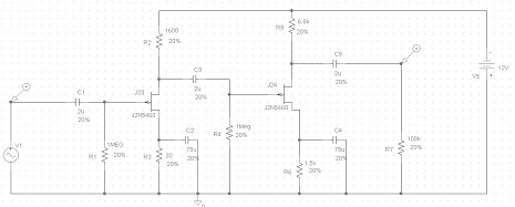
Анализ методом «Максимума-минимума»
Рис. 1 Схема усилителя
Данный метод заключается в том, чтобы оценить
пределы варьирования коэффициента усиления Ku,
исходя из среднего арифметического значений отклонений Ku
при максимальном и минимальном отклонениях номиналов элементов, определяющих Ku.
Рассчитаем усилительный каскад на полевом транзисторе.
Номиналы элементов выбираем из ряда Е24.
В данной схеме коэффициент усилителя зависит от
средней крутизны проходной характеристики транзисторов VT1,
VT2 и VT3
и номиналов резисторов R2
и R5, из чего следует,
что коэффициент усиления будет находиться по формуле Кu=Ku1*Ku2.
Рассчитаем коэффициенты усиления первого и
второго каскадов при номинальных значениях элементов и при S=3мА/В:
Общий коэффициент усиления:
Ku=Ku1*Ku2=4,8*20,4=97,9
Рассчитаем пределы изменения номиналов
резисторов ±20%
R2min
= 1280 Ом
R2max
= 1920 Ом
R5min
= 5120 Ом
R5max
= 7680 Ом
Рассчитаем коэффициент усиления для всех
возможных случаев:
|
R2, Ом
|
R5, Ом
|
Ku
|
|
1280
|
5120
|
58,98
|
|
1280
|
7680
|
88,47
|
|
1920
|
5120
|
88,47
|
|
1920
|
7680
|
132,71
|
MIN
MAX
Kumin
= 58,98
Kumax
= 132,71
Найдем по максимальному и минимальному
коэффициенту пределы отклонения от номинального коэффициента усиления Kuном
= 97,9:
Ku = 97,9 ±
36,86
Проанализировав результаты, можно сделать вывод,
что выбранные нами резисторы нас устраивают, так как разброс оказался не
большим.
. Анализ методом «Наихудшего случая»
Данный метод заключается в том же, что и метод
«Максимума-минимума», только пределы и варьирование определяются исходя из
наихудшего случая.
Определим разброс по формуле:
Найдем 2min
= 1600 - 320/10
=1568
R2max = 1600+20=1632
R5min
= 6400 - 1280/10
=6272
R5max
= 6400+12=6528
Найдем 
:
ΔR2 =
320
Ом
Найдем
ΔR5 = 1280 Ом
Рассчитаем 
:
Запишем коэффициент усиления с получившимися
пределами:
Ku = 97,9 ±
37,64
Из расчёта по данному методу видно, что пределы
варьирования коэффициента усиления средней величины, следовательно, выбранные
элементы нас устраивают полностью.
.
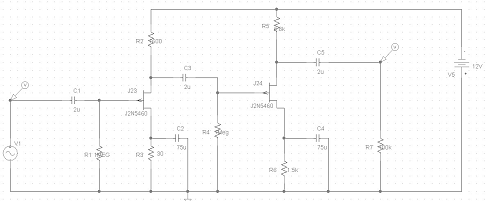
Анализ методом «Наихудшего случая» в программе OrCAD
Данный метод заключается в том, что схема
моделируется в программе OrCAD,
при этом на все элементы устанавливается допуск (20%). Далее по данной схеме
строим АЧХ при нулевых допусках, а затем с допуском на повышение и понижение
параметров.
Собираем схему:
Рис. 2 Схема для анализа в программе OrCAD
Моделируем работу усилителя и задаем анализ
наихудшего случая (Worst
Case), получаем:
Рис. 3 АЧХ с повышением параметров (нижний
график - АЧХ при номинальных значениях элементов)
Рис.4. АЧХ с понижением параметров (верхний
график - АЧХ при номинальных значениях элементов)
Из полученных графиков делаем вывод, что при
повышении номиналов коэффициент усиления растет, а при понижении - падает.
Отклонение коэффициента усиления не выходит за допустимые пределы. Элементы с
указанными допусками удовлетворяют наши требования к отклонению коэффициента
усиления. Отличие результатов данного метода по сравнению с предыдущими
методами связано с тем, что программа OrCad
произвела моделирование с учетом варьирования номиналов на все элементы схемы.
. Анализ методом «Монте-Карло» в программе
OrCAD
Данный метод заключается в том, что выводится
много возможных графиков АЧХ, по которым определяется предел варьирования
коэффициента усиления. В данном методе будем использовать ту же схему, что и в
прошлом пункте. После моделирования схемы и анализа получаем следующие графики:
Рис.5 Возможные графики АЧХ при разбросе
номиналов
Рассчитаем варьирование коэффициента усиления в
программе OrCAD. Для этого построим гистограмму.
Рис.6 Гистограмма распределения возможных
коэффициентов усиления
По гистограмме распределения видно, что
программа OrCAD выдавала
случайные значения параметров по нормальному закону распределения. Исходя из
этого, примем коэффициент для нормального распределения k=6;
так как:
то отсюда найдем отклонение 
k
-реальное рассеяние коэффициента
усиления.
допуск для коэффициента усиления.
Кт-коэффициент точности
Отсюда запишем получившийся коэффициент с
допуском:
Ku = 97,9 ±
25,11
Данный метод показал, что выбранные элементы
полностью обеспечивают нужный Ku.
. Анализ ширины полосы пропускания УНЧ
при вариациях номиналов элементов методом Монте-Карло
Исследуем изменение полосы усиления УНЧ при
вариациях параметров элементов. Для этого проведем анализ Монте-Карло в
программе OrCad с построением
гистограммы распределения частоты среза. Изменение параметров элементов для
данного усилителя с данными характеристиками в большей степени влияет на нижние
частоты. Поэтому во внимание принимаем область нижних частот:
Рис. 8 АЧХ с гистограммой распределения частоты
среза (нижняя частота полосы пропускания УНЧ по уровню 3 дБ)
Рассчитаем отклонение частоты среза (fн):
Коэффициент для нормального распределения k=6;
найдем отсюда отклонение 
Тогда разброс fн
выглядит:
fн=(6 ± 1,88) Гц
Из данного рисунка видно, что изменение
параметров схемы приводит к изменению полосы пропускания и сдвигу частоты
среза.
предел варьирование коэффициент
усиление
Заключение
В данной работе мы оценили влияние допусков
элементов УНЧ на коэффициент усиления. Расчёт вели двумя аналитическими
методами: «максимума-минимума», «наихудшего случая» и тремя методами, моделируя
в программе OrCAD.
Компьютерное моделирование показало, что элементы с выбранными допусками
обеспечивают допустимые варьирования коэффициента усиления. Все методы имеют
некоторое различие полученных значений коэффициента усиления, так как при
аналитических методах расчёт был произведён по трем элементам, а при
моделировании в программе OrCAD
использовался разброс по всем элементам.
Список используемой литературы
1.
Антипенский Р.В. Схемотехническое проектирование и моделирование радиоэлектронных
устройств. Техносфера, 2007 - 128 с.
.
Демаков Ю.П. Радиоматериалы и радиокомпоненты: учебное пособие для вузов. -
Ижевск: ИжГТУ, 2003. - 215с.
.
OrCAD Pspice.
Анализ электрических цепей. - ДМК-Прес; Питер, 2008 - 640с.
.Глушков
В.А. Анализ отклонений параметров электронных схем по допускам на пассивные
радиокомпоненты. - Ижевск, ИжГТУ, 2009,- 21с.