Операционное устройство для решения системы линейных уравнений
Тема работы:
"Операционное устройство для
решения системы линейных уравнений"
Содержание
Введение
Краткие теоретические сведения
Выбор операционного усилителя
Определение основных параметров преобразования
Схемная реализация операционного устройства
Определение погрешностей при переходе в сетку номиналов резисторов
и погрешности 1% допуска
Определение температурной погрешности
Заключение
Библиографический список
Приложение
Введение
В данной курсовой работе необходимо разработать аналоговое устройство
для решения системы линейных уравнений. В качестве активного элемента
целесообразно использовать операционный усилитель. Операционный усилитель (ОУ)
был изобретен в 1938 году. Тогда ОУ собирались на лампах и являлись основным
узлом аналоговых вычислительных машин. Первые монолитные интегральные ОУ были
разработаны Р. Уидларом. Основой их производства послужила биполярная
технология.
За последние годы область применения ОУ очень расширилась.
Практически все аналоговые и цифро-аналоговые электронные устройства, в которых
ранее применялись дискретные транзисторы, строятся теперь с использованием
микроэлектронных ОУ. ОУ являются основным элементом аналоговых и
аналого-цифровых вычислительных систем, различных информационно-измерительных и
управляющих систем и приборов. ОУ широко используются в различных
радиотехнических устройствах, в аналого-цифровых и цифро-аналоговых
преобразователях, коммутаторах, функциональных преобразователях, устройствах
сжатия информации, активных фильтрах, генераторах, источниках питания и ряде
других устройств.
Качество, технические характеристики и номенклатура ОУ в
значительной мере предопределяют такие важные показатели, как быстродействие,
точность, стоимость, надежность и габариты перечисленных выше устройств и
систем. Поэтому улучшение параметров ОУ является очень важной задачей.
В настоящее время разработаны и выпускаются сотни различных
ОУ. Такое широкое распространение их в значительной мере связано с успехами
микроэлектроники, что позволило снизить стоимость и размеры ОУ до стоимости и
размеров транзистора. Надежность интегральных ОУ мало уступает надежности
транзисторов, а по своим функциональным возможностям ОУ относятся к самым
универсальным элементам. Высокий коэффициент усиления, стабильность нулевого
уровня, высокое входное и низкое выходное сопротивления, высокое быстродействие
и возможность работы с разнообразными цепями обратной связи позволяют выполнять
различные преобразования входного сигнала - суммирование, вычитание,
интегрирование, дифференцирование, сравнение, запоминание, умножение,
логарифмирование, возведение в степень и ряд других преобразований
Краткие
теоретические сведения
Основной элементной базой аналоговой микроэлектронной
аппаратуры является операционный усилитель (ОУ). Операционным усилителем
называют модульный многокаскадный усилитель постоянного тока с дифференциальным
входом. Термин "операционный усилитель" возник в аналоговой
вычислительной технике, где эти устройства применялись для моделирования
различных математических операций. Появление полупроводниковых ОУ в виде
интегральных схем (ИС) сделало их наиболее широко применяемыми универсальными
элементами микроэлектроники.
Отличительной особенностью ОУ является использование обратной
связи. ОУ обычно используют в режиме глубокой обратной связи, а коэффициент
усиления по напряжению в разомкнутой петле обратной связи достигает миллиона.
Свойства и параметры обычного усилителя полностью определяются его схемой, а
свойства и параметры ОУ определяются преимущественно параметрами цепи обратной связи.
На функциональных схемах ОУ условно изображаются в виде
треугольника (рис.1) с внешними выводами, один из которых на него подано
напряжение U1)
принято называть инвертирующим входом, второй (U2) - неинвертирующим
входом, третий (Uвых) - выходной шиной усилителя или его выходом, четвертый (+En1) и пятый (En2) выводы - выводы
питания.
Рис.1
Назначение и структура
операционных усилителей. Операционные усилители (ОУ) помимо усиления сигналов
позволяют выполнять математические операции - суммирование, дифференцирование,
интегрирование, логарифмирование сигналов и др. операции. Операционный
усилитель обычно включает в себя дифференциальный каскад ДК на входе, усилитель
напряжения УН и эмиттерный повторитель ЭП на выходе (рис.2).
Дифференциальный каскад выполняется на полевых транзисторах для
получения высокого входного сопротивления. Усилитель напряжения обычно
выполняется в виде дифференциального каскада на биполярных транзисторах для
получения большого коэффициента усиления. Эмиттерный повторитель применяется
для получения низкого выходного сопротивления ОУ. Как правило, применяются
двухтактные эмиттерные повторители, работающие в режиме с отсечкой выходного
тока. ОУ без обратной связи имеет неопределенно большие коэффициенты усиления
напряжения и тока. Реально коэффициент усиления напряжения ОУ
>
.
рис.2 Структура ОУ
Выбор
операционного усилителя
Пользуясь справочником [5]., после анализа характеристик
остановимся на ОУ КР 140УД 18.
КР 140УД18 - операционный усилитель общего применения с
хорошо согласованной парой полевых транзисторов на входе. Имеет малые входные
токи и весьма низкое напряжение смещения, а также внутреннюю частотную
коррекцию и небольшой ток потребления.
аналоговое устройство линейное уравнение
Низкое напряжение смещения и высокий коэффициент усиления
позволяют применять его в измерительной аппаратуре с высоким коэффициентом
усиления. Показатели стабильности напряжения смещения и разности входных токов
в зависимости от времени или температуры - отличные. Точность и устойчивость
работы ОУ при отсутствии внешней установки нуля сделали его образцом для
применения в измерительной аппаратуре.
Особенности:
. Входной каскад на полевых транзисторах.
2. Малые входные токи.
. Напряжение смещение 10мВ.
. Широкий диапазон напряжений питания.
Электрические параметры ОУ КР 140УД 18 при
=
15 В, Т= +25°С.
|
Параметр
|
Буквенное
обозначение
|
Значение
|
Единица
измерения
|
|
Максимальное
выходное напряжение
|
 11,5В
|
|
|
|
Напряжение
смещения
|
10мВ
|
|
|
|
Входной ток
|
1нА
|
|
|
|
Ток потребления
|
4,0мА
|
|
|
|
Разность
входных токов
|
0, 20нА
|
|
|
|
Коэффициент
усиления напряжения
|
50тыс.
|
|
|
|
Коэффициент
ослабления синфазных входных напряжений
|
80дБ
|
|
|
|
Максимальное
синфазное входное напряжение
|
 10,5В
|
|
|
|
Коэффициент
влияния нестабильности источников питания на напряжение смещения
|
80дБ
|
|
|
|
Частота
единичного усиления
|
1,0МГц
|
|
|
|
Максимальная
скорость нарастания выходного напряжения
|
2,0В/мкс
|
|
|
|
Средний
температурный дрейф напряжения смещения
|
10,0мкВ/°С
|
|
|
|
Средний
температурный дрейф разности входных токов
|
100пА/°С
|
|
|
Определение
основных параметров преобразования
Нужно спроектировать операционное устройство для решения
системы трех уравнений относительно переменных х1, х2, х3.
,45x1 + 1,24x2 - 0,58x3 = 2,71
0,54x1 + 0,42x2 + 1,17x3 = 1,84
В матричной форме эта система записывается: А*Х=В.
Решение можно найти: Х = А
*В.
Используя систему MathCad
Professional, найдем матрицы:
- решение системы
Поэтому решение относительно b1,b2,b3 можно записать:
(1)
Предполагается, что значения коэффициентов
могут изменяться от номинальных на ±60%.
Найдем их максимальные и минимальные значения:
B= [2.71; 1.84; 1.03]=
2.7100
1.8400
1.0300
bmin =
1.084
.736
.412
bmax =
4.336
.944
.684
b1min=1.084b2min=0.736b3min=0.4121max=4.336b2max=2.944b3max=1.648
Диапазон изменения
составляет:
1.084
b1
4.336
.736
b2
2.944
.412
b3
1.648
Выберем масштаб преобразования. Для этого определим максимальные
значения переменных
:
Диапазон изменения переменных:
0.947
х1
3.807
.235
х2
2.412
.572
х3
1.575
Определим диапазона
:
x1=2.86
x2=2.177
x3=3.147
Масштабирование проводим по каждому значению
исходя из того, что выходное напряжение
не должно превышать значения
=11,5 В. Определим масштабные коэффициенты по каждой переменной
:
Kxi=
Uвых max=11,5В
Kx1=
Kx1=3.0207x2=
Kx2=4.768x3=
Kx3=7.302
Умножим правые части уравнений (1) на
соответствующую величину масштаба преобразования. Окончательно получаем:
(2)
Схемная
реализация операционного устройства
Каждое из уравнений (2) может быть
реализовано на основе суммирующего (вычитающего) ОУ. При этом переменные со
знаком (+) подключаются на не инвертирующий вход ОУ, а со знаком (-) на -
инвертирующий.
1) х1
) х1
) х3
Каждая из схем реализует следующие уравнения:
Сопротивление резистора в цепи обратной связи
выбирается таким образом, чтобы ток
обратной связи был много больше тока смещения ОУ и в тоже время не превышал
значение, которое усилитель мог бы легко обеспечить вместе с необходимым током
нагрузки. Как и в случае обычного инвертирующего усилителя, выбираем его равным
при
(
=15 В - напряжение питания). Для нашего
случая
=1 нА
Примем
=100 кОм и будем полагать, что
=
, т.е.
=100 кОм.
Для всех трех схем рассчитаем значения сопротивлений входных
цепей.
|
№
|
Расчет значений
сопротивлений R1,R2,R3
|
Номинальные
значения
|
1
R1=47кОм+3.9кОм=
.9кОм
R2=470кОм+30кОм=
кОм
R3=68кОм+2.7кОм=
.7кОм
2 
R1=56кОм+1кОм=57кОм
R2=62кОм+5.6кОм= 67.6кОм
3
R1=30кОм+1.6кОм=
31.6кОм
R2=18кОм+1.2кОм=
.2кОм
R3=100кОм+3кОм=
Для уменьшения погрешности в выходном напряжении, вызванной
входными токами ОУ, входы усилителя должны быть сбалансированы. Смысл
балансировки заключается в том, чтобы обеспечить одинаковые приведенные
сопротивления со стороны обеих входов. В этом случае одинаковые входные токи
будут давать одинаковые падения напряжения на входах, что исключит смещение
выходного напряжения. Баланс в схеме будет выполняться, если к соответствующему
входу подключить дополнительный резистор
. Определим его значение для полученных схем:
1
Rд=27.941кОм
Его номинальное значение: Rдн=24кОм+3.9кОм=27.9кОм
(
)
2
Rд=46.705кОм
Его номинальное значение: Rдн=43кОм+3.6кОм=46.6кОм
(
)
3
Rд=93.205
кОм
Его номинальное значение: Rдн=91кОм+2.2кОм=93.2
кОм
(
)
Определяем погрешность
, связанную с переходом к номиналам резисторов.
1) Схема для уравнения один системы
(2).
2) Схема для уравнения два системы (2).
) Схема для уравнения три системы (2).
Используя справочник: [3,4], выберем
резисторы типа МЛТ (металлопленочные лакированные теплостойкие резисторы). Это
постоянные проволочные резисторы, диапазон номиналов которых составляет: 1.0-107
Ом.
Допуск резисторов -
1%;
2%;
5%;
10%.
Максимальная мощность резисторов - 0.125 Вт; 0.25 Вт; 0,5 Вт; 1
Вт; 2 Вт.
Выберем резисторы с допуском
1%.
Определение
погрешностей при переходе в сетку номиналов резисторов и погрешности 1% допуска
При переходе к номинальным значениям резисторов возникает
некоторая погрешность
, величину которой определим в
соответствии с выражением (3)
(3)
где
- значение выходной переменной при точных
значениях резисторов,
- значение выходной переменной при
переходе в сетку номиналов. Погрешность приводится к максимальному значению
переменной
(
=11.5 В).
Данную погрешность можно определить путем моделирования рабочих
устройств в пакете Multisim 2001. Схемы моделей для определения
погрешностей
для переменных
представлены в приложении соответственно
на рис.1, рис.2, рис.3
В левой части схем расположены устройства, генерирующие изменения
переменных
,
. Переменные
изменяются по гармоническому закону с
частотами отличающимися в 10 раз.
На ОУ LF355M собрана схема с номинальными значениями сопротивлений резисторов,
а на OPAMP_3T_VIRTUAL - с точными значениями. При этом OPAMP_3T_VIRTUAL выбран идеальным, чтобы он не вносил
дополнительной погрешности. Изменение погрешности во времени наблюдаем на
виртуальном осциллографе. Максимальные значения погрешностей составляют:
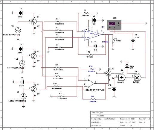
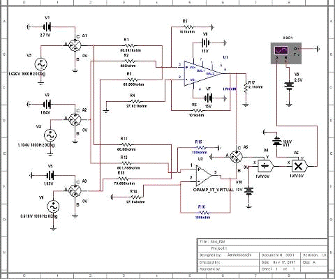
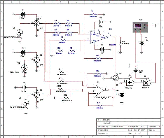
Для первой схемы (x1): δн1=0.17% (рис.1 приложения)
Для второй схемы (x2): δн2=0.149% (рис.2
приложения)
Для третьей схемы (x3): δн3=0.147% (рис.3
приложения)
Величина погрешности для всех трех схем получилась не очень
большой, что говорит о том, что резисторы подобраны достаточно точно.
Поскольку величина сопротивлений резисторов может отклоняться на
1%, то возникает дополнительная
погрешность. Определить суммарную погрешность, связанную с переходом в сетку
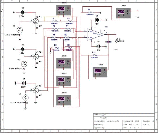
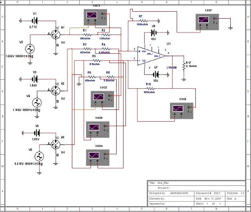
номиналов и погрешность 1%, позволяют схемы моделирования на рисунках 4, 5, 6
приложения. В этих схемах к номинальным значениям резисторов добавляется 1% от
номинала таким образом, чтобы это отразилось на соответствующих коэффициентах
уравнений наихудшим образом.
Максимальное суммарное значение погрешности, связанное с выбором
резисторов, составляет:
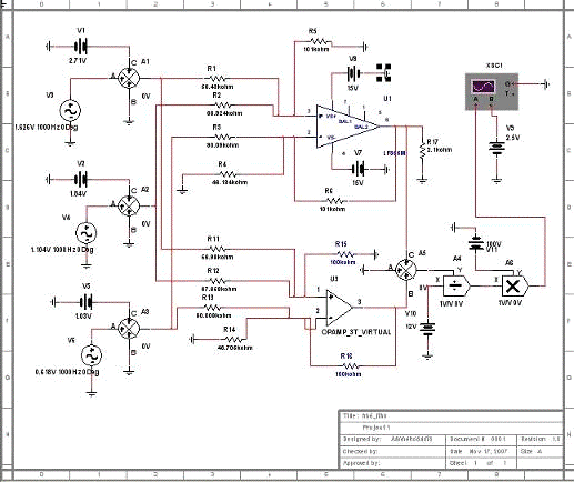
Для первой схемы (x1): δ = 2.1% (рис.4 приложения)
Для второй схемы (x2): δ=1.8% (рис.5 приложения)
Для третьей схемы (x3): δ=0.15% (рис.6 приложения)
Определенное значение погрешности δ% - это максимальное значение погрешности, которое имеет место при
самом неблагоприятном стечении обстоятельств. В условиях реальной работы
численное значение данной погрешности будет меньше.
Существует еще одна погрешность, возникающая при изменении
температуры окружающей среды - температурная погрешность.
Определение
температурной погрешности
Технические характеристики проектируемого
устройства в значительной мере определяются параметрами используемого
операционного усилителя
Недостаточный коэффициент усиления при
разомкнутой петле обратной связи, низкое входное сопротивление, малая скорость
нарастания выходного напряжения или изменения других многочисленных параметров
ОУ могут серьёзно повлиять на возможности проектируемого устройства.
Для учета влияния входных токов и
напряжения смещения ОУ на точные свойства проектируемого усилителя
эквивалентная схема усилителя должна включать в себя соответствующие параметры
ОУ. Рассмотрим это на примере инвертирующего усилителя.
Источником ошибок в этой схеме являются входные токи I1 и I2 и напряжение смещения Uo, приведенное ко входу
ОУ:
где
- напряжение смещения при
;
- изменение температуры окружающей среды;
- температурный коэффициент.
Дрейф напряжения смещения - это максимальное изменение значения
напряжения смещения при изменении температуры окружающей среды. Полагая, что
, запишем:
Выразив из второго уравнения
и подставляя в первое уравнение получим:
При нормальных условия необходимо обеспечивать режим
, при котором исключается дополнительное
смещение выходного напряжения ОУ за счет его входных токов. Следовательно,
резистор
определяется
как
-
, то получим
зная, что
получим:
, где
,
=10 мкВ/°С,
=100 пА/°С,
Для первой и второй схемы найдем погрешность исходя из следующей
формулы
, поскольку переменные
и
не меняют знак.
Для первой схемы:
кОм
кОм
В
=2.8606 В
=0.032 %
Для второй схемы:
кОм
кОм
В
=1.1204 В
=0.076 %
Для третьей схемы данное выражение не применимо вследствие того,
что переменная
меняет знак, а это значит, что
=0. Поэтому задаемся некоторым значением
, и определяем
при котором обеспечивается погрешность.
Для третьей схемы:
кОм
кОм
В
=2.4824 В
Погрешность в 0.05% достигается при
=2.4824 В и уменьшается с ростом
.
Суммарная погрешность для каждой схемы будет определяться как:
,
где
- погрешность, связанная с отклонением
коэффициентов уравнений (2) от реальных значений при схемной реализации
устройства;
- температурная погрешность.
Окончательно получаем:
Для первой схемы:
%
Для второй схемы:
%
Для третьей схемы:
%
Получили что при схемной реализации каждого из уравнений системы
(2) суммарная погрешность не превышает заданного значения
=2,2%.
Расчет мощностей резисторов
Для определения максимальной мощности, которая рассеивается
на резисторе, необходимо найти максимальные падения напряжения Umax или максимальный ток Imax, протекающий через резистор.
)
Мощность, которая рассеивается на каждом резистре, можно
определить как
, где I - ток, протекающий через резистор. Найдем все токи в этой схеме.
Для нахождения остальных токов необходимо найти потенциал точки b:
. Составим систему уравнений по законам
Кирхгофа:
Откуда:
Из последнего выражения однозначно находим
, подставляя его в выражения для токов,
находим соответственно
, после чего определяем соответствующие
мощности резисторов по формуле
.
Максимальную мощность каждого резистора можно найти путем
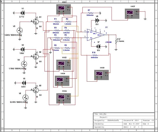
моделирования в пакете Multisim 2001.
Схема моделирования представлена на схеме 7 приложения. Максимальное падение
напряжения на каждом резисторе определяем с помощью виртуального осциллографа
при изменении коэффициентов
,
в заданных диапазонах.
Имеем следующие результаты моделирования:
|
47кОм 2В 85мкВт
|
|
|
|
3,9кОм 0,161В 6,646мкВт
|
|
|
|
470кОм 1,3В 3,596мкВт
|
|
|
|
30кОм 0,08В 0,2133мкВт
|
|
|
|
68кОм 0,1179В 0, 204мкВт
|
|
|
|
2,7кОм 0,0474В 8,321нВт
|
|
|
|
24кОм 2,1В 0,184мВт
|
|
|
|
3,9кОм 0,339В 29мкВт
|
|
|
|
100кОм 8,9В 0,792мВт
|
|
|
|
100кОм 2,5В 63мкВт
|
|
|
)
Для нахождения токов
составим систему уравнений по законам Кирхгофа:
Откуда:
Из последнего выражения однозначно находим
, подставляя его в выражения для токов,
находим соответственно
, после чего определяем соответствующие
мощности резисторов по формуле
.
Для нахождения токов
составим систему уравнений по законам Кирхгофа:
Откуда:
Из последнего выражения однозначно находим
, подставляя его в выражения для токов,
находим соответственно
, после чего определяем соответствующие
мощности резисторов по формуле
.
Максимальную мощность каждого резистора находим путем
моделирования в пакете Multisim 2001.
Схема моделирования представлена на схеме 8 приложения.
Максимальное падение напряжения на каждом резисторе определяем с помощью
виртуального осциллографа при изменении коэффициентов
,
в заданных диапазонах.
Имеем следующие результаты моделирования:
|
56кОм 1,5В 40,18мкВт
|
|
|
|
62кОм 0,108В 0,188мкВт
|
|
|
|
5,6кОм 0,098В 1,715мкВт
|
|
|
|
91кОм 1,2В 15,82мкВт
|
|
|
|
43кОм 2,6В 0,157мВт
|
|
|
|
3,6кОм 0,218В 13,2мкВт
|
|
|
|
100кОм 7,4В 0,547мВт
|
|
|
|
100кОм 2,8В 0,784мВт
|
|
|
)
Для нахождения токов
составим систему уравнений по законам Кирхгофа:
Откуда:
Из последнего выражения однозначно находим
, подставляя его в выражения для токов,
находим соответственно
, после чего определяем соответствующие
мощности резисторов по формуле
.
Для нахождения токов
составим систему уравнений по законам Кирхгофа:
Откуда:
Из последнего выражения однозначно находим
, подставляя его в выражения для токов,
находим соответственно
, после чего определяем соответствующие
мощности резисторов по формуле
.
Максимальную мощность каждого резистора находим путем
моделирования в пакете Multisim 2001.
Схема моделирования представлена на схеме 9 приложения. Максимальное падение
напряжения на каждом резисторе определяем с помощью виртуального осциллографа
при изменении коэффициентов
,
в заданных диапазонах.
Имеем следующие результаты моделирования:
|
18кОм 0,4445В 10,98мкВт
|
|
|
|
1,2кОм 0,0296В 0,73мкВт
|
|
|
|
30кОм 1,8В 0,108мВт
|
|
|
|
1,6кОм 0,0943В 5,558мкВт
|
|
|
|
100кОм 0,8007В 6,411мкВт
|
|
|
|
3кОм 0,024В 0, 192мкВт
|
|
|
|
91кОм 2,4В 63,3мкВт
|
|
|
|
2,2кОм 0,0584В 1,55мкВт
|
|
|
|
100кОм 2,4В 57,6мкВт
|
|
|
|
100кОм 2,5В 62,5мкВт
|
|
|
На основе анализа результатов выбираем резисторы мощностью
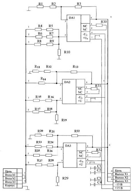
0,125Вт. Принципиальная схема разработанного устройства приведена в приложении.
Переменные резисторы R30,R31,R32 используются для балансировки нуля усилителя. Конденсаторы
C1,C2,C3,C4 применяются для
сглаживания высокочастотных помех по цепи питания +15В.
Заключение
В данной курсовой работе разработано операционное устройство
для решения системы линейных уравнений. В качестве активного элемента
используется операционный усилитель общего применения КР 140 УД 18.
В процессе проектирования было была выбрана схемная
реализация и рассчитаны элементы схемы с учетом обеспечения требуемой
погрешности преобразования.
Моделирование работы устройства проверено с помощью пакета Multisum 2001. Результаты
моделирования подтвердили правильность теоретических расчетов. Разработана
принципиальная схема устройства и приведен перечень элементов.
Библиографический
список
1. А.И.
Бобиков, В.В. Симкин "Операционные усилители с обратной связью".
Методические указания по курсовому и дипломному проектированию для студентов
специальности 2101. РРТИ, Рязань 1991.
2. П.
Хоровиц, У. Хилл. "Искусство схемотехники", 5-е издание. М.: Мир.
1998
3. В.В.
Дубровский, Д.М. Иванов, "Резисторы: Справочник", 2-е издание. М.:
Радио и связь, 1991.
. А.И.
Аксенов, А.В. Нефедов, "Резисторы, конденсаторы, провода, припои, флюсы:
Справочное пособие". М.: Солон-Р, 2000.
. А.В.
Перебаскин и д. р., "Интегральные микросхемы: Операционные
усилители". Том 1, М.: Физматлит, 1993.
Приложение
Рис.1
Схема моделирования для определения погрешности решения первого
уравнения (
) при переходе резисторов в сетку
номиналов.
Рис.2
Схема моделирования для определения погрешности решения второго
уравнения (
) при переходе резисторов в сетку
номиналов.
Рис.3
Схема моделирования для определения погрешности решения третьего
уравнения (
) при переходе резисторов в сетку
номиналов.
Рис.4
Схема моделирования для определения погрешности решения первого
уравнения (
) при переходе резисторов в сетку
номиналов и отклонения величины сопротивления резисторов на 1%.
Рис.5
Схема моделирования для определения погрешности решения второго
уравнения (
) при переходе резисторов в сетку
номиналов и отклонения величины сопротивления резисторов на 1%.
Рис.6
Схема моделирования для определения погрешности решения третьего
уравнения (
) при переходе резисторов в сетку
номиналов и отклонения величины сопротивления резисторов на 1%.
Рис.7
Схема моделирования первого уравнения (
), используемая для определения
максимальных падений напряжений на резисторах.
Рис.8
Схема моделирования второго уравнения
(
), используемая для определения
максимальных падений напряжений на резисторах.
Рис.9
Схема моделирования третьего уравнения