Автоматизация работы теплового насоса
Содержание
Введение
1.Обзор
существующих аналогов проектируемой системы
1.1 Обзор
существующих программно-аппаратных комплексов
1.1.1
Комплексная система исследования работы тепловых насосов "Анализатор"
1.1.2 Комплекс
СТК РНК
1.1.3
Устройство для диагностирования состояния теплового насоса
1.1.3 Системы
контроля “Cидосс”
1.2 Обзор
тепловых насосов
2.Анализ
технического задания
3.Структурные
решения
3.1 Разработка
функциональной схемы системы
3.2 Разработка
технической структуры периферийного устройства
3.2.1 Датчики
3.2.1.1Датчик
измерения температуры
3.2.1.2 Датчик
для измерения давления
3.2.1.3 Датчик
пожарной сигнализации
3.2.1.4 Датчик
охранной сигнализации
3.2.1.5 Датчик
наличия напряжения в сети
3.2.2 Линии
связи
3.2.3 Модем
3.3 Выбор и
расчет нейрочипа
3.4 Выбор и
обоснование модема и периферийных устройств
3.5 Разработка
приемопередатчика
3.6 Структурные
решения по программному обеспечению контроллера
4.Разработка
контроллера
4.1 Разработка
структурной схемы контроллера
4.2Выбор
элементной базы
4.3Разработка
принципиальной схемы контроллера
4.4
Проектирование печатной платы контроллера
4.4.1
Определение общих требований к печатной плате
4.4.2 Методы
изготовления печатных плат
4.4.3 Описание
конструкции печатной платы
4.5 Расчет
надежности контроллера
4.5.1 Причины
отказов средств вычислительной техники
4.5.2
Классификация неисправностей
4.5.3 Основные
подходы к оценке надежности ЭВМ
4.5.4
Статическое резервирование
4.5.5
Динамическое резервирование
4.5.6 Гибридное
резервирование
4.5.7 Расчет
времени наработки на отказ
5. Программное
обеспечение контроллера
5.1 Разработка
алгоритмов обработки данных контроллером
5.2 Разработка
программного обеспечения
5.3
Рекомендации по отладке
6. Программное
обеспечение пользователя
6.1 Разработка
алгоритмов обработки данных поступающих от контроллера
6.2 Разработка
программного обеспечения
6.3
Рекомендации по отладке
Заключение
Список
использованной литературы
Приложения
Введение
В настоящее время при автоматизации процессов в
промышленности все более широкое распространение получают различные системы
автоматического управления.
Автоматическое управление в технике, совокупность действий,
направленных на поддержание или улучшение функционирования управляемого объекта
без непосредственного участия человека в соответствии с заданной целью
управления широко применяется во многих технических системах для выполнения
операций, не осуществимых человеком в связи с необходимостью переработки
большого количества информации в ограниченное время, для повышения качества и
точности регулирования, освобождения человека от управления системами,
функционирующими в условиях относительной недоступности или опасных для
здоровья. Цель управления тем или иным образом связывается с изменением во
времени регулируемой величины - выходной величины управляемого объекта. Для
осуществления цели управления, с учетом особенностей управляемых объектов
различной природы и специфики отдельных классов систем, организуется
воздействие на управляющие органы объекта - управляющее воздействие. Оно
предназначено также для компенсации эффекта внешних возмущающих воздействий,
стремящихся нарушить требуемое поведение регулируемой величины. Управляющее
воздействие вырабатывается устройством управления. Совокупность
взаимодействующих управляющего устройства и управляемого объекта образует
систему автоматического управления.
Дипломная работа состоит из введения ,шести глав ,заключения
,списка использованной литературы и приложений.
В первой главе рассматривается автоматика для управления
тепловыми насосами.
Во второй главе проводится анализ технического задания и
требований к устройству.
В третье главе производится обсонование структурных решений
производится выбор устройств управления.
В четвертой главе производится проектирование контролера ,
выбирается печатная плата , реализуется ПО удаленного пользователя и ПО
контролера.
В пятой главе разрабатывается ПО контролера.
В шестой главе разрабатывается ПО пользователя.
Таким образом, целью данной дипломной работы является
проектирование системы управления тепловым насосом с дистанционным доступом.
1.Обзор существующих аналогов проектируемой системы
Автоматикой называется отрасль науки и техники, которая
рассматривает теорию автоматического управления, а также принципы построения
автоматических систем и образующих их технических средств.
Введение автоматизации управления тепловыми насосами является
одним из важнейших направлений технического прогресса в области подачи и отвода
тепла в населенных пунктах и на промышленных предприятиях.
Применение автоматизированного управления дает значительные
преимущества:
повышает бесперебойность, четкость и надежность работы,
поскольку автоматическая аппаратура быстро реагирует на изменение режима
работы;
снижает эксплуатационные расходы вследствие уменьшения числа
обслуживающего персонала, а также расходов на отопление и освещение помещений;
снижает строительную стоимость, так как оборудование
концентрируется на меньшей площади машинного зала и отпадает необходимость в
устройстве бытовых и вспомогательных помещений;
увеличивает срок службы оборудования и приборов благодаря
своевременному выключению из работы агрегатов при возникновении неполадок в их
работе;
дает возможность сосредоточить управление несколькими
автоматизированными насосами в одном пункте, что делает систему более гибкой и
надежной;
исключает участие персонала в технологических операциях,
протекающих в антисанитарных условиях.
На тепловых насосах автоматизируются: пуск и остановка
агрегатов и вспомогательных установок; контроль и поддержание заданных
параметров (например, уровня воды, подачи, напора и т. д.); прием импульсов
параметров и. передача сигналов в диспетчерский пункт. Для наблюдения за
параметрами работы служат различные датчики, которые преобразуют контролируемую
величину в электрический сигнал, поступающий в исполнительный механизм.
Датчиком называется элемент автоматического устройства,
контролирующий колебания той или иной физической величины и преобразующий эти
колебания в изменения другой величины, удобной для передачи на расстояние и
воздействия на последующие элементы автоматических устройств.
Реле называют устройства, которые состоят из трех основных
органов: воспринимающего, промежуточного и исполнительного. Воспринимающий
орган принимает управляющий импульс и преобразует его в физическую величину, воздействующую
на промежуточный орган. Промежуточный орган, принимая сигнал, воздействует на
исполнительный орган, который скачкообразно изменяет выходной сигнал и передает
его электрическим цепям управления.
В автоматизированных системах управления насосными агрегатами
применяют следующие типы датчиков и реле:
датчики уровня - для подачи импульсов на включение и
остановку насосов при изменении уровня воды в баках и резервуарах;
датчики, или электроконтактные манометры, - для управления
цепями автоматики при изменении давления в трубопроводе;
струйные реле - для управления цепями автоматики в
зависимости от направления движения воды в контролируемом трубопроводе;
реле времени - для отсчета времени, необходимого для
протекания определенных процессов при работе агрегатов;
термические реле - для контроля за температурой подшипников и
сальников, а в некоторых случаях за выдержкой времени;
вакуум-реле - для поддержания определенного разрежения в
насосе или во всасывающем трубопроводе;
промежуточные реле - для переключения отдельных цепей в
установленной последовательности;
реле напряжения - для обеспечения работы агрегатов на
определенном напряжении;
аварийные реле - для отключения агрегатов при нарушении
установленного режима работы.
Электродный датчик уровня. Основными элементами электродного
датчика уровня являются блок сигнализации и электроды, устанавливаемые на
высоте контролируемого уровня. При достижении уровнем воды того или иного
электрода вследствие электрической проводимости воды замыкаются соответствующие
цепи в электрической схеме сигнализации и управления насосными агрегатами.
Датчик давления. В качестве датчика давления используются
электроконтактные манометры, для которых так же, как и для обычных манометров,
применяют трубчатую пружину. Электроконтактные манометры имеют два подвижных
контакта - левый, замыкающийся при давлении ниже величины, на которую он
установлен, и правый, замыкающийся при давлении, превышающем установленную для
него величину. Кроме подвижных контактов манометр имеет один контакт, жестко
укрепленный на стрелке. Контактная система и изоляция манометров позволяет
включать их в цепи управления напряжением до 360 В переменного тока или 220 В
постоянного тока.
Датчик контроля за заливкой насоса. Датчик мембранного типа
для контроля за заливкой насоса с помощью вакуум-насоса. При заполнении насоса
водой мембрана датчика прогибается, поднимает шток и замыкает контакты. После
снижения давления мембрана возвращается в исходное положение пружиной.
Особенностями датчика мембранного типа являются их большая
чувствительность и способность выдерживать высокие давления.
Струйное реле. Принцип действия струйного реле основан на
использовании кинетической энергии жидкости. Движущаяся жидкость отклоняет
вращающийся на шарнире маятник, выполненный в виде тонкой пластинки,
подвешенной к оси. Маятник поворачивается в направлении движения воды и
включает контакты реле.
Реле времени. Для обеспечения выдержки времени между
отдельными операциями при автоматическом управлении служат реле времени. Для
получения значительных выдержек времени (от нескольких секунд до нескольких
минут) применяют термические реле времени (термогруппы). Реле состоит из двух
неподвижных контактных пружин и двух биметаллических пластинок, на одной из
которых намотана нагревательная обмотка. Биметаллические пластинки состоят из
двух частей, выполненных из различных металлов с разным коэффициентом
расширения. Обе части пластинки наложены одна на другую и плотно соединены. От
тока, проходящего через обмотку, пластинка нагревается и, изгибаясь, замыкает
или размыкает контакты в цепи управления. Подобные реле, но несколько
измененной конструкции применяют в качестве реле тепловой защиты.
Электромагнитные реле. Наиболее широко используются в схемах
автоматизированного управления работой насосных агрегатов и в системах
телемеханики электромагнитные реле. По своему устройству и принципу действия
электромагнитные реле очень похожи на магнитный пускатель, только значительно
меньше его по размерам и рассчитаны на более слабый ток.
На небольшом стальном стержне круглого сечения (сердечнике) надета
катушка с обмоткой из медного изолированного провода
<#"563626.files/image001.gif">
Рисунок 1.1 Примеры графиков,
получаемых при исследовании с помощью комплексной системы
"Анализатор"
.2.2 Комплекс СТК РНК
Система предназначена для
телеуправления, телеизмерений и телесигнализации тепловых насосов. Система в
своем составе имеет:
диспетчерский пункт (ДП);
станции управления центральные (СУЦ);
станции управления контролируемых
пунктов (СУ КП).
На рисунке 1.2 показано размещение
элементов СТК РНК на объектах и их взаимодействие с объектами управления.
Рисунок 1.2 Схема СТК РНК-ЛЭП
ДП - диспетчерский пункт, СУЦ -
станция управления центральная, УПЦ, УПКП - устройства присоединения, КТП, Т-Р
- комплектная трансформаторная подстанция, трансформатор, СУКП - станция
управления контролируемого пункта, СУ СК - станция управления и защиты СКН при
работе без РЭП СКН.
Конструктивно станции управления СТК
РНК представляют собой шкафы, в которых размещены кассеты с блоками.
Диспетчерский пункт СТК РНК оборудован ИЗМ-совместимым компьютером. Станции
управления контролируемых пунктов устанавливаются на объектах телеуправления.
СУ КП, имеющие проводные линии связи с диспетчерским пунктом НГДУ (СУ РП, КНС и
др.), подключаются к ДП непосредственно, удаленные СУ КП подключаются к ЛЭП с
помощью конденсаторного устройства присоединения и используют их в качестве
физических линий связи с распределительной подстанцией 6(10) кВ (РП) и затем
через СУЦ связываются с ДП. Принципиально возможно использование радиоканала
для организации связи ДП-СУ КП.
Технические возможности станций
управления СТК РНК позволяют осуществлять телесигнализацию и телеуправление (ТС
и ТУ):
тепловыми насосами (СКН);
групповыми замерными установками
(ГЗУ).
1.1.3 Устройство для диагностирования состояния теплового
насоса
Устройство используется в области
теплоэнергетики . Предназначено для автоматического сбора, анализа и хранения
информации о работе теплового насоса компрессионного типа , , а также
электроцентробежными насосами (ЭЦН).
Схема устройства для диагностирования
состояния насоса представлена на рисунке 1.3
Рисунок 1.3 Схема устройства для
диагностирования состояния
Для проведения диагностирования
технического состояния компрессионного теплового насоса все датчики
устанавливают в соответствующем месте, выходы датчиков подключают к входу
вторичного прибора, на соответствующие тракты измерения блока регистрации 2.
Режим работы устройства выбирают с
помощью клавиатуры 18. Запись информации о техническом состоянии производят в
течение одного или кратного количества циклов работы насоса . Рабочий цикл
определяют по интервалу времени между двумя "мертвыми" точками
положения.
При снятии динамограммы,
характеризующей работу насоса, в блоке регистрации 2 в оперативно-запоминающем
устройстве 20 задается область, в которую будет заноситься информация о работе
насоса, а также заносятся данные. Затем запускают отсчет времени в блоке
временной задержки 13, после чего запускают насос на несколько периодов, шток
при этом совершает возвратно-поступательное движение, как следствие - датчики
усилия 3 и хода 4 штока начинают формировать сигналы. По истечении времени
задержки, после того, как насос вошел в установившийся режим работы,
автоматически или с дистанционного пульта оператора запускается режим
измерения, и сигнал с датчика усилий 3 поступает на усилитель 8 и далее через
мультиплексор 11, который осуществляет коммутацию имеющихся аналоговых
сигналов, - на вход аналого-цифрового преобразователя 12, а с него - на порт
микропроцессорного контроллера 17. В это же время сигнал с датчика положения 4 также
поступает на вход микропроцессорного контроллера 17 и на вход блока запуска
измерений 14. При этом датчик положения 4 установлен на штоке таким образом,
чтобы синхронизирующий сигнал запуска измерения микропроцессорного контроллера
17 вырабатывался в блоке запуска измерений 14 только тогда, когда канатная
подвеска находится в крайнем нижнем положении. По этому сигналу контроллер 17
начинает измерять время. Обработка постоянно поступающей в цикле измерения
информации о времени и усилии осуществляется в контроллере 17 в соответствии с
заданной программой, поступающей из программного блока управления 19. После
прихода с датчика положения второго синхронизирующего сигнала по цепи датчик
положения 4 - блок запуска измерений 14 - контроллер 17 - генератор 16 синусоидальных
колебаний информация автоматически выводится на графический индикатор 22,
заносятся в память оперативно-запоминающего устройства 20 все необходимые
уровни нагрузок и единичная динамограмма. При этом развертка динамограммы по
оси X осуществляется по сигналу с генератора синусоидальных колебаний 16,
период колебаний которого соответствует периоду одного качания. На экране
графического индикатора 22 отображается одиночная динамограмма (фиг. 2).
Значения нагрузок в цифровом виде заносятся в протокол испытаний с фактическими
нагрузками за период одного цикла. По полученной одиночной динамограмме в
соответствии с программой, заданной программным блоком управления 19,
автоматически прямо на скважине рассчитываются величина среднего дебита, утечки
в клапанах насоса, производительность насоса.
.2.3 Системы контроля “Cидосс”
Программно-аппаратный комплекс,
разработанный Томским НПО "СИАМ", предназначен для контроля и
измерения рабочих характеристик промышленных тепловых насосов «грунт-воздух» :
силовых нагрузок в различных положениях штока, длины хода, наличия утечек в
оборудовании, динамограммы работы насоса. Данные измерений записываются в
энергонезависимую память электронного блока и далее могут быть:
выведены на термопечатающее
устройство в виде динамограммы и цифрового отчета;
переданы в компьютерную базу данных
по проведенным исследованиям.
.3 Обзор тепловых насосов
Тепловой насос - устройство для переноса тепловой энергии от источника
низкопотенциальной тепловой энергии (с низкой температурой) к потребителю
(теплоносителю) с более высокой температурой. Термодинамически тепловой насос
аналогичен холодильной машине. Однако если в холодильной машине основной целью
является производство холода путём отбора теплоты из какого-либо объёма
испарителем, а конденсатор осуществляет сброс теплоты в окружающую среду, то в
тепловом насосе картина обратная. Конденсатор является теплообменным аппаратом,
выделяющим теплоту для потребителя, а испаритель - теплообменным аппаратом,
утилизирующим низкопотенциальную теплоту: вторичные энергетические ресурсы и
(или) нетрадиционные возобновляемые источники энергии.
Концепция тепловых насосов была разработана ещё в 1852 году выдающимся
британским физиком и инженером Уильямом Томсоном (Лордом Кельвином) и в
дальнейшем усовершенствована и детализирована австрийским инженером Петером
Риттер фон Риттингером (. Петера Риттера фон Риттингера считают изобретателем
теплового насоса, ведь именно он спроектировал и установил первый известный
тепловой насос в 1855 году. Но практическое применение тепловой насос приобрел
значительно позже, а точнее в 40-х годах ХХ столетия, когда
изобретатель-энтузиаст Роберт Вебер экспериментировал с морозильной камерой.
Однажды Вебер случайно прикоснулся к горячей трубе на выходе камеры и понял,
что тепло просто выбрасывается наружу. Изобретатель задумался над тем, как
использовать это тепло, и решил поместить трубу в бойлер для нагрева воды. В
результате Вебер обеспечил свою семью таким количеством горячей воды, которое
они физически не могли использовать, при этом часть тепла от нагретой воды
попадала в воздух. Это подтолкнуло его к мысли, что от одного источника тепла
можно нагревать и воду, и воздух одновременно, поэтому Вебер усовершенствовал
свое изобретение и начал прогонять горячую воду по спирали (через змеевик) и с
помощью небольшого вентилятора распространять тепло по дому с целью его
отопления. Со временем именно у Вебера появилась идея «выкачивать» тепло из
земли, где температура не слишком изменялась в течение года. Он поместил в
грунт медные трубы, по которым циркулировал фреон, который «собирал» тепло
земли. Газ конденсировался, отдавал свое тепло в доме, и снова проходил через
змеевик, чтобы подобрать следующую порцию тепла. Воздух приводился в движение с
помощью вентилятора и распространялся по дому. В следующем году Вебер продал
свою старую угольную печь.
В 40-х годах тепловой насос был известен благодаря своей чрезвычайной
эффективности, но реальная потребность в нём возникла в период Арабского
нефтяного эмбарго в 70-х годах, когда, несмотря на низкие цены на
энергоносители, появился интерес к энергосбережению.
В зависимости от принципа работы тепловые насосы подразделяются на
компрессионные и абсорбционные. Компрессионные тепловые насосы всегда
приводятся в действие с помощью механической энергии (электроэнергии), в то
время как абсорбционные тепловые насосы могут также использовать тепло в
качестве источника энергии (с помощью электроэнергии или топлива).
В зависимости от источника отбора тепла тепловые насосы подразделяются
на:
) Геотермальные (используют тепло земли, наземных либо подземных
грунтовых вод) а) замкнутого типа
Коллектор размещается кольцами или извилисто в горизонтальных траншеях
ниже глубины промерзания грунта (обычно от 1,20 м и более)[8]. Такой способ
является наиболее экономически эффективным для жилых объектов при условии
отсутствия дефицита земельной площади под контур.
)Вертикальные
Коллектор размещается вертикально в скважины глубиной до 200 м[9]. Этот
способ применятся в случаях, когда площадь земельного участка не позволяет
разместить контур горизонтально или существует угроза повреждения ландшафта.
) Водные
Коллектор размещается извилисто либо кольцами в водоеме (озере, пруду,
реке) ниже глубины промерзания. Это наиболее дешевый вариант, но есть
требования по минимальной глубине и объёму воды в водоеме для конкретного
региона.
) Открытого типа
Подобная система использует в качестве теплообменной жидкости воду,
циркулирующую непосредственно через систему геотермального теплового насоса в
рамках открытого цикла, то есть вода после прохождения по системе возвращается
в землю. Этот вариант возможно реализовать на практике лишь при наличии
достаточного количества относительно чистой воды и при условии, что такой
способ использования грунтовых вод не запрещен законодательством.
)Воздушные
Использующие производное тепло (например, тепло трубопровода центрального
отопления). Подобный вариант является наиболее целесообразным для промышленных
объектов, где есть источники паразитного тепла, которое требует утилизации.
По виду теплоносителя во входном и выходном контурах насосы делят на
шесть типов: «грунт-вода», «вода-вода», «воздух-вода», «грунт-воздух»,
«вода-воздух», «воздух-воздух».
По виду теплоносителя во входном и выходном контурах насосы делят на
шесть типов: «грунт-вода», «вода-вода», «воздух-вода», «грунт-воздух»,
«вода-воздух», «воздух-воздух». Почти все вновь выходящие на рынок устройства
используют тепло выпускаемого из помещения воздуха. Также фильтруют и увлажняют
при необходимости всасываемый извне воздух. насос
дистанционный датчик нейрочип контроллер
Эффективность и выбор определённого источника тепловой энергии сильно
зависит от климатических условий, особенно, если источником отбора тепла
является атмосферный воздух. По сути этот тип более известен в виде кондиционера.
В жарких странах таких устройств десятки миллионов. Для северных стран наиболее
актуален именно обогрев зимой. Системы «воздух-воздух» используются и зимой при
температурах до минус 25 градусов, некоторые модели продолжают работать до −40
градусов. Но их эффективность резко падает. При более сильных морозах нужно
дополнительное отопление.
Скальная порода требует бурения скважины на достаточную глубину (100 −200
метров) или нескольких таких скважин. В скважину опускается U-образный груз с
двумя пластиковыми трубками, составляющими контур. Трубки заполняются
антифризом. По экологическим соображениям это 30 % раствор этилового спирта.
Скважина заполняется грунтовыми водами естественным путём, и вода проводит
тепло от камня к теплоносителю. При недостаточной длине скважины или попытке
получить от грунта сверхрасчётную мощность, эта вода и даже антифриз могут
замёрзнуть что и ограничивает максимальную тепловую мощность таких систем.
Именно температура возвращаемого антифриза и служит одним из показателей для
схемы автоматики. Ориентировочно на 1 погонный метр скважины приходится 50-60
Вт тепловой мощности. Таким образом, для установки теплового насоса
производительностью 10 кВт необходима скважина глубиной около 170 м.
Нецелесообразно бурить глубже 200 метров, дешевле сделать несколько скважин
меньшей глубины через 10 - 20 метров друг от друга. Даже для маленького дома в
110-120 кв.м. при небольшом энергопотреблении срок окупаемости 10 - 15 лет.
Почти все имеющиеся на рынке установки работают и летом, при этом тепло (по
сути солнечная энергия) отбирается из помещения и рассеивается в породе или
грунтовых водах. В скандинавских странах со скальным грунтом гранит выполняет
роль массивного радиатора, получающего тепло летом/днём и рассеивающего его
обратно зимой/ночью. Также тепло постоянно приходит из недр Земли и от
грунтовых вод.
Самые эффективные но и самые дорогие схемы предусматривают отбор тепла от
грунта, чья температура не меняется в течение года уже на глубине нескольких
метров, что делает установку практически независимой от погоды. По данным 2006
года в Швеции полмиллиона установок, в Финляндии 50 000, в Норвегии
устанавливалось в год 70 000. При использовании в качестве источника тепла
энергии грунта трубопровод, в котором циркулирует антифриз, зарывают в землю на
30-50 см ниже уровня промерзания грунта в данном регионе. На практике 0,7 - 1,2
метра. Минимальное рекомендуемое производителями расстояние между трубами
коллектора - 1,5 метра, минимум - 1,2. Здесь Не требуется бурение, но требуются
более обширные земельные работы на большой площади, и трубопровод более
подвержен риску повреждения. Эффективность такая же, как при отборе тепла из
скважины. Специальной подготовки почвы не требуется. Но желательно использовать
участок с влажным грунтом, если же он сухой, контур надо сделать длиннее.
Ориентировочное значение тепловой мощности, приходящейся на 1 м трубопровода: в
глине - 50-60 Вт, в песке - 30-40 Вт для умеренных широт, на севере значения
меньше. Таким образом, для установки теплового насоса производительностью 10
кВт необходим земляной контур длиной 350-450 м, для укладки которого
потребуется участок земли площадью около 400 м² (20х20 м). При правильном расчёте
контур мало влияет на зелёные насаждения.
Если хладагент подаётся непосредственно к источнику земного тепла - это
обеспечивает высокую эффективность геотермальной отопительной системы. Но
делает схему чрезвычайно опасной - давление в контуре высоко, вещество ядовито.
Испаритель устанавливают в грунт горизонтально ниже глубины промерзания или в
скважины диаметром 40-60 мм пробуренные вертикально либо под уклоном до глубины
15-30 м. Благодаря такому инженерному решению устройство теплообменного контура
производится на площади всего несколько квадратных метров, не требует установки
промежуточного теплообменника и дополнительных затрат на работу циркуляционного
насоса.
В скважинах диаметром 218-324 мм можно существенно снизить необходимую
глубину скважины до 50-70 м, увеличить отбор тепловой энергии минимум до 700 Вт
на на 1 пог. м. скважины и обеспечить стабильность круглогодичной
эксплуатации(в отличие от схемы Васильева) позволяет применение активного
контура первичного преобразователя теплового насоса, размещенного в стволе
водозаборной скважины(применяется в скважинах имеющих погружной насос, с
устройством беструбного водоподъема, который создает проточность жидкости в
стволе скважины, продувая током перекачиваемой жидкости теплообменный контур с
хладагентом первичного преобразователя теплового насоса, увеличивая отбор тепла
не только от прилегающего массива грунта, но и от перекачиваемой жидкости).
При использовании в качестве источника тепла близлежащего водоёма контур
укладывается на дно. Глубина не менее 2 метров. Коэффициент преобразования
энергии тепловым насосом такой же как при отборе тепла от грунта.
Ориентировочное значение тепловой мощности на 1 м трубопровода - 30 Вт. Таким
образом, для установки теплового насоса производительностью 10 кВт необходимо
уложить в озеро контур длиной 300 м. Чтобы трубопровод не всплывал, на 1 пог. м
устанавливается около 5 кг груза. Промышленные образцы: 70 - 80 кВт*ч/м в год.
Если тепла из внешнего контура всё же недостаточно для отопления в
сильные морозы, практикуется эксплуатация насоса в паре с дополнительным
генератором тепла (в таких случаях говорят об использовании бивалентной схемы
отопления). Когда уличная температура опускается ниже расчётного уровня
(температуры бивалентности), в работу включается второй генератор тепла - чаще
всего небольшой электронагреватель.
2.Анализ технического задания
На основе вышесказанного в настоящей работе ставится задача
спроектировать программно-аппаратный комплекс для диагностики и управления
тепловым насосом с дистанционным доступом. С необходимыми для изготовления
чертежами схемами по единому российскому стандарту.
Создание и внедрение автоматизированных систем различных
классов и назначений ведется во многих отраслях промышленности по
нормативно-технической документации, устанавливающей разнообразные
организационно-методические и технические нормы, правила и положения,
затрудняющие интеграцию систем и эффективное их совместное функционирование.
· 1) единая система
стандартов автоматизированных систем управления (24-я система),
распространяющаяся на АСУ, АСУП, АСУ ТП и другие организационно-экономические
системы;
· 2) комплекс стандартов
(система 23501); распространяющихся на системы автоматизированного
проектирования;
· 3) четвертая группа
14-й системы стандартов, распространяющаяся на автоматизированные системы
технологической подготовки производства.
Практика применения стандартов на АСУ, САПР, АСУ ТП, АСТПП
показала, что в них применяется одинаковый понятийный аппарат, имеется много
общих объектов стандартизации, однако требования стандартов не согласованы
между собой, имеются различия по составу и содержанию работ, различия по
обозначению, составу, содержанию и оформлению документов и пр.
На фоне отсутствия единой технической политики в области
создания АС многообразие стандартов не обеспечивало широкой совместимости АС
при их взаимодействии, не позволяло тиражировать системы, тормозило развитие
перспективных направлений использования средств вычислительной техники.
В настоящее время осуществляется переход к созданию сложных
АС (за рубежом системы CAD - САМ), включающих в свой состав АСУ
технологическими процессами и производствами, САПР - конструктора, САПР -
технолога, АСНИ и др. системы. Использование противоречивых правил при создании
таких систем приводит к снижению качества, увеличению стоимости работ,
затягиванию сроков ввода АС в действие.
Единый комплекс стандартов и руководящих документов должен
распространяться на автоматизированные системы различного назначения: АСНИ,
САПР, ОАСУ, АСУП, АСУТП, АСУГПС, АСК, АСТПП, включая их интеграцию.
При разработке межотраслевых документов следует учитывать
следующие особенности АС как объектов стандартизации:
) техническое задание является основным документом, в
соответствии с которым проводят создание АС и приемку его заказчиком;
) АС, как правило, создают проектным путем с комплектацией
изделиями серийного и единичного производства и проведением строительных,
монтажных, наладочных и пусковых работ, необходимых для ввода в действие АС;
) в общем случае АС (подсистема АС) состоит из
программно-технических (ПТК), программно-методических комплексов (ПМК) и
компонентов технического, программного и информационного обеспечений.
Компоненты этих видов обеспечения, а также ПМК и ПТК должны изготовляться и
поставляется как продукция производственно-технического назначения.
Компоненты могут входить в АС в качестве самостоятельных
частей или могут быть объединены в комплексы;
) создание АС в организациях (предприятиях) требует
специальной подготовки пользователей и обслуживающего персонала системы;
) функционирование АС и комплексов обеспечивается
совокупностью организационно-методических документов, рассматриваемых в
процессе создания как компоненты правового, методического, лингвистического,
математического, организационного и др. видов обеспечений. Отдельные решения,
получаемые в процессе разработки этих обеспечений, могут реализовываться в виде
компонентов технического, программного или информационного обеспечений;
На основе широкого анализа технического задания проводятся
конструкторские расчеты с целью построения устройства с помощью
предприятия-изготовителя электронных устройств. Особое внимание уделено
конструкторским расчетам на механические, температурные воздействия,
воздействия ускорения при вибрации.
Из ГОСТА известно, что ТЗ представляет собой документ, устанавливающий
основное назначение и показатели качества изделия, технико-экономические и
специальные требования, предъявляемые к разрабатываемому изделию, объему,
стадиям разработки и составу конструкторской документации (КД).
Очевидно, что началом действий проектирования в любом случае должен стать
этап подготовки исходных (априорной информации) о проекте. Подготовка включает
в себя сбор и систематизацию информации в виде технического задания (ТЗ) на
разработку. ТЗ по сути является документом, который должен учесть все факторы,
влияющие на результат - конструкцию РЭС.
Содержание ТЗ представляет собой объединение следующих исходных данных:
- совокупность требований к изделию (технических, экономических,
производственных и др.);
необходимые стадии разработки и строки прохождения стадий;
состав КД (ГОСТ 15.001-73).
Технические требования) Радиотехническое назначение объекта: прием,
передача, обработка информации;
b) Класс объекта
установки - наземный стационарный, работающий в отапливаемых наземных и
подземных помещениях (1 группа);) Климатическое исполнение - У (умеренный
климат со среднегодовыми изменениями температуры + 40ºС и -45ºС);) Категория размещения на объекте - 3 (в закрытых помещениях
с естественной вентиляцией без кондиционирования).
Конструктивные требования) Масса m ≤ 2,5 кг.;
b) Электромагнитная присутвует;) Необходима сеть питания.
Требования по надежности) Группа безотказности по последствиям отказов III (утрата изделия или расходы на
ремонт);
b) Класс восстанавливаемости II (восстанавливаемые изделия, которые после капитального
ремонта должны рассматриваться как новые, а в течение срока службы подвергаются
операциями технического обслуживания, текущего и среднего ремонта: вещательные
РЭС);) Режим эксплуатации IV
(общий - случайные периоды ожидания и действия).
Производственные и экономические требования ) Производство
мелкосерийное, крупносерийное;
b) Группа по стоимости разработки и производства - 2
(промежуточная).
Преемственность
Для данной работы в качестве прототипа был заимствован НЧ усилитель.
Условия эксплуатации) Группа по условиям эксплуатации - I (Стационарная РЭА, работающая в
отапливаемых помещениях);
b) Условия работоспособности: температура от -40ºС до +40ºС, влажность 45-80% при t=25ºС, давление 630 -800 мм.рт.ст.;) Механические
воздействия: вибрация f=10…30
Гц, ускорение вибрации A=2g.
Требования к патентной чистоте изделия
В данной работе не использовались решения, запатентованные в России или
других странах
1) Конструкторские требования (габариты, установочные,
присоединительные размеры и др.);
РЭС должно удовлетворять: габариты устройства в собранном виде ≥
310х187х76 мм;
Крепление на плоскости площадью ≥ 310х187х76 мм; электромагнитная
защита отсутствует.
Требования по охране окружающей среды;
Условия эксплуатации соответствуют европейским стандартам охраны
окружающей среды и человека. В конце срока службы радиоэлектронного средства
необходима утилизация согласно мировым стандартом и ГОСТ.
Требования взаимозаменяемости;
Ремонт устройства и замена вышедших из строя частей производится
исключительно техническими специалистами с высшим образованием в области
электронной техники.
Требования устойчивости к моющим средствам;
Уход за поверхность корпуса устройства осуществляется влажными моющими
средствами без полного погружения во влажную среду и обязательно в выключенном
состоянии.
Требования помехозащищенности и предотвращения выделяемых помех;
В схеме предусмотрен принцип изолирования объекта от воздействующего поля
посредством вариаций материала корпуса. Таким образом, можно использовать либо
принцип отражения, либо поглощения, либо комплексации воздействующего поля.
Конечно, возможно повысить помехоустойчивость самого защищаемого РЭС
конструкторским методом, а именно применение экранов (электромагнитное
экранирование).
Требования к ЗИП по виду (одиночный или групповой) и составу.
К устройству прилагаются инструкции по установке, эксплуатации и
настройке. Монтаж и демонтаж устройства в домашних условиях с использованием
подручных инструментов производится в соответствии с указанными руководствами.
Также вместе с устройством поставляется крепежное оборудование: провода,
кабели, крепления, схема крепежа, крепеж, болты и гайки.
Требования технологичности
Допускается мелкосерийное и крупносерийное производство с группой по
стоимости разработки и производства - 2 (промежуточная).
Работоспособность прибора характеризуется: температурой от -40 до +40 ˚С,
влажностью 45 - 80% при t=25 ˚С,
давлением 630 -800 мм.рт.ст. и механическими воздействиями: вибрация частотой f=10…30 Гц, ускорением A=2g.
Требования к уровню унификации и стандартизации
Создаваемое РЭА разрабатывается согласно существующих нормативов, правил,
стандартов и норм. Устройство не содержит нестандартных частей и элементов, что
дает возможность создания аналогов без каких-либо дополнительных разработок и
проектов. В собранном и настроенном виде прибор готов к использованию по
прямому назначению
Требования безопасности, эстетические и эргономические, требования к
патентной частоте
В данной работе не используется решения, запатентованные в России или
других странах. Нормы технической безопасности при использовании и эргономично
спроектированный корпус основного устройства создают конкурентно способный
товарный вид РЭА.
Условия эксплуатации
1) Условия, в которых конструкция должна быть работоспособной;
Конструкция остается работоспособной при соблюдении следующих параметров:
) Работа в наземных и подземных закрытых и отрытых помещениях;
2) Температура от -40 до +40 ˚С, влажностью 45 - 80% при t=25 ˚С, давлением 630 -800
мм.рт.ст;
2) Допустимые кратковременные воздействия климатических факторов;
Температура от -45 до +45 ˚С ; влажность 30 - 85% при t=25 ˚С не более 30 минут;
давление 450 - 900 мм.рт.ст. не более часа.
) Механические воздействия
Вибрация с частотой f=10…30
Гц и ускорение A=2g.
) Виды обслуживания (постоянное или периодическое, необслуживаемое
исполнение), необходимое количество и квалификация персонала.
Исполнение конструкции - периодически обслуживаемое (по мере появления
отказов в работе). Ремонт производится одним специалистом с наличием высшего
технического профессионального образования.
Указание к упаковке, транспортированию и хранению
При соблюдении условии эксплуатации период хранения не ограничен.
Подвергается транспортировке любыми транспортными средствами при обязательной
индивидуальной упаковке в плотный негнущийся материал (одно устройство - одна
упаковка).
Требования к унификации и стандартизации
Создается согласно имеющихся европейских и российских стандартов, норм и
ГОСТов.
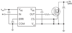
3.Структурные решения
.1 Разработка функциональной схемы системы
Структурная схема, разрабатываемой системы представлена на
рисунке 3.1
Рисунок 3.1 Структурная схема, разрабатываемой системы
Генератор тактовых импульсов состоит
из генератора, выполненного по схеме автогенератора на логических элементах с
резонансной частотой 80000 кГц и счетчика-делителя частоты на 3, устраняющий
фазовую нестабильность. Генератор тактовых импульсов тактирует импульсы для
работы датчика и чипа. Перед началом работы система производит самодиагностику,
выполняя проверку блока обработки информации датчика с помощью таких блоков,
как цифро-аналоговый преобразователь, усилитель напряжений и фильтр нижних
частот. Самодиагностика заключается в следующем : чип выдает кодовую комбинацию
на цифро-аналоговый преобразователь, далее цифровой сигнал преобразуется в
аналоговый сигнал. Выходное напряжение цифро-аналогового преобразователя равно
5 В, а входное напряжение аналого-цифрового преобразователя, расположенный в
датчике равно 5 В, поэтому на выходе цифро-аналогового преобразователя расположен
усилитель напряжений. Далее усиленный до необходимого уровня напряжения
аналоговый сигнал поступает на фильтр нижних частот, где сигнал фильтруется от
помех. И если кодовая комбинация с выхода нейрочипа совпадет с кодовой
комбинацией на выходе аналого-цифрового преобразователя, то значит блок
обработки информации в нейросетевом датчике исправен и система начинает работу.
Цифровой сигнал с датчика поступает на нейрочип, где происходит обработка и
сравнение полученных данных с эталонными значениями, записанных в постоянном
запоминающем устройстве.Если данные совпадают, то результат записывается в
оперативное запоминающее устройство. Если результаты не совпадают, то нейрочип
выдает логический ‘0’ на вход устройства отключения электродвигателя, который
выполнен на оптроне АОУ103. Его работа заключается в следующем, если тепловой
насос находится в нормальном режиме работы, то на входе оптрона логическая ‘1’
светодиод и тиристор работают и в магнитном пускателе реле замкнуто, то есть
электродвигатель работает. Если возникает какая-либо неисправность, то нейрочип
выдает логический ‘0’ на вход оптрона и светодиод и тиристор отключаются, и
реле размыкается, электродвигатель останавливается. Параллельно информация
поступает через универсальный последовательный интерфейс на пульт оператора,
где по полученным значениям выстраивается динамограмма, характеризующая работу
теплового насоса. И по полученной динамограмме оператор анализирует какой вид
неисправности произошел. Оператор также может вносить изменения в работу
системы через универсальный последовательный интерфейс или через устройство
беспроводной передачи данных.
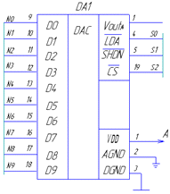
.2 Разработка технической структуры периферийного устройства
Устройство выполненно на микросхеме AD9397 фирмы “Analog Devices”.Схема представлена на рисунке 3.2.
Рисунок 3.2 Периферийное устройство
.2.1 Датчики
.2.1.1Датчик измерения температуры
Тепловые движения носителей заряда создают в резисторе флуктуации
напряжения или тока, которые зависят от температуры Т и имеют мгновенные
значения, соответственно, ЕbR и IbR эффективное значение шумового
напряжения, равное корню квадратному из среднеквадратического значения ЕbR, выражается формулой
,
где
k= 1,38-10-23 Дж-К-1 - постоянная Больцмана, Т -
абсолютная температура в кельвинах и В - полоса пропускания измерительной
аппаратуры.
По
схеме Тевенина этот источник напряжения включен последовательно с резистором R
(рис. 3.3, а). По концепции Нортона источник тока включается параллельно
резистору R (рис. 3.3,б), и эффективное значение тока выражается
формулой

Рис.
3.3. Эквивалентная электрическая схема резистора с источником теплового шума,
а- схема Тевенина; б-схема Нортона.
Мощность
шума в резисторе не зависит от величины сопротивления R:
Рb= Е2bR/R= I2bRR=
4kTB= Е2bR I2bR
Измерение
с помощью вольтметра, регистрирующего эффективное
значение напряжения, позволяет при известных R и В определить Т; измерение Рb
дает дополнительное удобство, поскольку в этом случае не требуется знать R.
3.2.1.2 Датчик для измерения давления
Для непрерывного измерения давления и передачи его значения в
системы учета и контроля применяются датчики давления со стандартными выходными
сигналами тока или (существенно реже) напряжения. Датчики могут измерять
избыточное или абсолютное давление, а также разряжение. Это зависит от
конструкции датчика. Абсолютное давление это сумма избыточного и атмосферного
давлений.
Датчик давления состоит из сенсора, модуля преобразования
сигнала сенсора, дисплея и корпуса. В настоящее время наиболее распространены
тензометрические сенсоры с металлической мембраной. Все более широкое
применение находят емкостные сенсоры с мембраной из сверхчистой керамики (99,9%
Al2O3), например, фирмы Endress+Hauser и пьезорезистивные сенсоры, например,
фирмы Honeywell.
Принцип действия тензосенсоров с металлической мембраной
основан на измерении деформации тензорезисторов, сформированных в тонкой пленке
кремния на сапфировой подложке (КНС), припаянной твердым припоем к титановой
мембране. Иногда вместо кремниевых тензорезисторов используют металлические:
медные, никелевые и др. Принцип действия тензорезисторов основан на явлении тензоэффекта
в материалах, который выражается в том, что при линейном удлинении проводника
его электрическое сопротивление увеличивается. Тензорезисторы соединены в мост
Уитсона. Под действием давления измеряемой среды мембрана прогибается,
тензорезисторы деформируются. Их сопротивление меняется, что приводит к
разбалансу моста. Разбаланс имеет линейную зависимость от степени деформации
резисторов и, следовательно, от приложенного к мембране давления. Разбаланс
моста преобразуется электроникой датчика в выходной аналоговый сигнал и в
цифровой код для вывода данных на дисплей. Мембрана и корпус сенсора образуют
герметичную конструкцию, заполненную внутри кремнийорганической жидкостью.
Несмотря на множество достоинств, таких как: высокая степень
защиты от воздействия агрессивных сред, высокая предельная температуры
измеряемой среды, низкая стоимость, отлаженное серийное производство датчики
давления с тензосенсорами и металлической мембраной имеют ряд недостатков. В
частности, неустранимую временную нестабильность передаточной характеристики
(давление-ток) и существенные гистерезисные эффекты от воздействия давления и
температуры. Это обусловлено неоднородностью конструкции и жесткой связью
мембраны с корпусом сенсора. При эксплуатации датчиков с сенсорами данного типа
практически всегда наблюдается эффект прямого и обратного хода. Например, если
на датчик со шкалой 0-10 Bar и выходным сигналом 4-20 mA подать давление 5 Bar,
плавно увеличивая его с 0 значения то установиться, допустим, выходной ток 11,5
mA. Если же, на тот же датчик подать давление 5 Bar, но теперь плавно уменьшая
с 10 Bar, то выходной сигнал будет уже 12,5 mA. Этот эффект связан с упругими
свойствами металлической мембраны.
Работа емкостных сенсоров датчиков давления основана на
зависимости емкости конденсатора от расстояния между его обкладками. Чем меньше
расстояние, тем больше емкость. Роль одной обкладки (подвижной) выполняет
металлизация внутренней стороны мембраны, роль второй обкладки (неподвижной) -
металлизация основания сенсора. Подвижная мембрана изготавливается из
сверхчистой керамики, кремния или упругого металла. При изменении давления
процесса (рабочей среды) мембрана с обкладкой деформируется, расстояние между
ней и основанием сенсора изменяется и происходит изменение емкости.
Достоинством емкостного сенсора из сверхчистой керамики
является простота конструкции, высокая точность и временная стабильность
показаний, возможность измерять низкие давления и слабый вакуум благодаря
отсутствию заполняющего масла. Керамическая мембрана обладает коррозионной
стойкостью к химически-агрессивным средам и стойкостью к истиранию. Кроме того
у емкостных керамических сенсоров отсутствует эффект прямого и обратного хода.
Они в меньшей степени подвержены воздействию гидравлических ударов, так как мембрана
в этом случае просто прижимается к основанию сенсора.
К недостаткам емкостных сенсоров можно отнести нелинейную
зависимость емкости от приложенного давления, но эта нелинейность
компенсируется электроникой датчика. Так, например, к керамическим емкостным
сенсорам датчиков давления Cerabar фирмы Endress+Hauser прилагается специальный
паспорт, в котором производитель указывает настроечные коэффициенты. При замене
сенсора эти коэффициенты должны быть занесены во внутреннюю энергонезависимую
память датчика с помощью HART-коммуникатора. В противном случае погрешность
измерения давления существенно возрастает, возрастает и нелинейность измерения.
Достаточно широко в настоящее время распространены датчики с
чувствительными элементами на основе монокристаллического кремния. Несмотря на
схожую конструкцию с приборами на основе КНС структур они имеют на порядок
большую временную и температурную стабильности, более устойчивы к воздействию
ударных и знакопеременных нагрузок. Эффект прямого - обратного хода также отсутствует,
что объясняется использованием идеально-упругого материала.
Данный тип сенсора (интегральный преобразователь давления),
представляет собой мембрану из монокристаллического кремния с размещенными на
ней методом диффузии пьезорезисторами. Пьезорезисторы соединены в мост
Уинстона. Кристалл ИПД прикрепляется к диэлектрическому основанию легкоплавким
стеклом или методом анодного сращивания. Для измерения давления чистых
неагрессивных сред применяются, так называемые, Low cost - решения. Чувствительные
элементы в датчиках данного типа либо не имеют защиты вовсе, либо защищены лишь
слоем силиконового геля. При измерении агрессивных сред чувствительный элемент
размещается в герметичном металлическом корпусе, с разделительной диафрагмой из
нержавеющей стали, передающей давление измеряемой среды на ИПД посредством
кремнийорганической жидкости.
Недостатком датчиков с пьезорезистивными сенсорами является
их сравнительно невысокая предельная рабочая температура измеряемой среды - не
более 150 °С.
Не зависимо от типа, сенсор является самой уязвимой частью
датчика давления. Для защиты сенсора от повреждений применяют различные
защитные устройства. Для предотвращения коррозии или загрязнения мембраны
сенсора при измерении давления вязких, агрессивных или сильно загрязненных сред
применяют разделительные мембраны или колонки. Разделительная мембрана
монтируется непосредственно перед датчиком и служит для передачи давления без
контакта сенсора с измеряемой жидкостью. Давление измеряемой жидкости подается
в одну полость разделительной мембраны и деформирует мембрану. Датчик давления
подсоединен ко второй полости, заполненной инертной жидкостью, например,
силиконовым маслом, и воспринимает деформацию мембраны. Разделительные колонки
чаще всего применяют для измерения давления горячего мазута. Нижнюю часть
колонки и датчик заполняют водой, после этого открывают вентиль на
мазутопроводе. Мазут заполняет верхнюю часть колонки, и остается сверху, так
как имеет плотность чуть меньше чем находящаяся снизу вода и не растворяется в
ней.
Для защиты сенсора от чрезмерного давления среды применяют
специальные пружинные вентили, которые автоматически закрываются, перекрывая
подачу давления на датчик при скачках давления или гидроударе. Еще одним
эффективным способом защиты сенсора датчика от гидроударов является глушитель
ударов давления TTR производства компании "BD Sensors Rus",
работающий на многокамерном принципе. Они обладают способностью эффективно
демпфировать гидроудары длительностью от 20 миллисекунд и амплитудой до 70 МПа.
При пульсации давления длительностью до 100 миллисекунд, глушитель ударов
давления позволяет датчику давления выдерживать четырехкратную перегрузку.
Для измерения давлений рабочих сред с температурой до 300 °С
применяют радиатор-охладитель. Как правило, он изготавливается из нержавеющей
стали, например, 12Х18Н10Т. Радиатор-охладитель и разделительная мембрана могут
быть изготовлены и смонтированы как самостоятельные изделия или быть частью
конструкции датчика, например, как в датчике S-11 фирмы WIKA.
Датчики давления могут подключаться к вторичным приборам по
двух-, трех- или четырехпроводной схеме. По двухпроводной схеме подключаются
только датчики, имеющие выходной сигнал 4-20 мА. Это объясняется тем, что в
цепи питания (являющейся одновременно и цепью передачи выходного сигнала)
всегда должен протекать небольшой ток, обеспечивающий питание электронной
«начинки» датчика. В данном случае этот минимальный ток равен 4 мА. Понятно,
что датчики с выходным сигналом 0-5 мА или 0-20 мА при включении по двухпроводной
схеме работать не будут, так как при нулевом давлении ток в цепи также должен
равняться нулю. Соответственно, в этом случае электроника датчика останется без
электропитания и перестанет работать.
Если выходной токовый сигнал датчика нестабилен при стабильном
входном давлении, то, как правило, это связано с наличием сильных
электромагнитных помех. Уменьшить влияние помех можно установкой конденсаторов
между заземленным корпусом датчика и контактом питания (и/или контактом
выходного сигнала) на контактной колодке датчика. Выводы конденсаторов должны
иметь минимальную длину. Для подавления высокочастотных помех достаточно
высокочастотного конденсатора емкостью 300…500 пф., для подавления
низкочастотной помехи - конденсатора типа К73-17 емкостью 1…2 мкф.
Некоторые датчики давления, например DS200 производства BD
Sensors помимо токового выхода имеют встроенные реле с настраиваемыми порогами
срабатывания. С их помощью можно реализовывать различные системы автоматики,
например, АВР насосной установки и одновременно контролировать текущее значение
давления среды.
Во время эксплуатации датчиков давления часто возникает
необходимость изменить значение шкалы измерения или выполнить подстройку нуля.
Не все датчики (в том числе и самые современные) позволяют сделать это. Как
правило, бюджетные приборы являются однопредельными, то есть не
перенастраиваемыми. В лучшем случае имеется возможность подстройки нуля и
шкалы в небольшом диапазоне. Более дорогие модели позволяют осуществлять
корректировку нулевых показаний и шкалы в больших пределах, устанавливать
нестандартные значения «нуля» и шкалы и даже инвертировать выходной сигнал (в
этом случае нулевому давлению будет соответствовать максимальный выходной ток
датчика 20 мА, который будет уменьшаться с ростом давления).
Подстройку шкалы в многопредельных датчиках давления
выполняют либо для увеличения точности представления измеренной величины, либо
для расширения диапазона измерения, либо для согласования с вторичным прибором,
имеющим определенные настройки. Подстройку шкалы для увеличения точности
представления осуществляют в том случае, если максимальное значение шкалы
датчика существенно превышает давление среды. В этом случае целесообразно
уменьшить шкалу датчика, при этом увеличиться точность представления, так как
на единицу измеряемого давления будет приходиться большее изменение выходного
токового сигнала.
Корректировать ноль датчиков давления (особенно датчиков
перепада давления) приходиться довольно часто. Это связано с тем, что у многих
датчиков ноль «уходит» если пространственное положение датчика изменить
относительно той ориентации, при которой была выполнена настройка нуля
(например, наклонить). Либо, если датчик давления соединяется с трубопроводом
импульсной трассой и место подсоединения импульсной трассы к трубопроводу
находиться выше места соединения датчика с импульсной трассой. В результате
этого, если измеряемой средой является пар, вода или другая жидкость, столб
этой жидкости создает дополнительное давление на мембрану датчика, вызывая
отклонение его показаний от нулевых значений.
3.2.1.3 Датчик пожарной сигнализации
Любые противопожарные системы - автономные пожарные, или
входящие в структуру охранно-пожарных сигнализаций, базируются на безупречной
работе датчиков пожарной сигнализации. Именно датчики обеспечивают
своевременное и надежное обнаружение очагов возгорания и локальных пожаров, они
не только определяют эффективную работу комплекса мероприятий, направленных на
защиту и быструю эвакуацию сотрудников и посетителей из здания, но и
способствуют локализации и устранению возгорания. Датчики пожарно охранной
сигнализации базируются на технологии распознавания физических явлений и
изменения состояния окружающего пространства, происходящих в результате любого
вида возгорания. Это и задымленность помещения, и резкое или постепенное
повышение температуры воздуха или материалов, появление инфракрасных излучений
или излучений другого типа, выделение продуктов сгорания и прочие изменения.
Самый характерный отличительный признак возникновения
пожара или начинающегося тления самовозгорающих материалов - появление дыма,
задымленность помещения. Обнаружить частицы дыма в воздухе после подключения
пожарной сигнализации по схемеможно несколькими способами. Радиоизотопный (ионизационный)
датчик ориентируется на характерную способность свободных ионов, находящихся в
воздухе, притягиваться к частицам дыма. В датчике имеется специальная камера,
где в электрическом поле воздух специально ионизируется слабым радиоактивным
источником. Ионы заряжены и способствуют протеканию между электродами
электрического тока. Как только появляется дым, интенсивность тока уменьшается
- датчик пожарной сигнализации незамедлительно реагирует. Оптический
дымовой датчик основан на реагировании на уменьшение интенсивности светового
потока, так как дым препятствует распространению света. Источник света в таком
датчике направлен прямо на принимающий фотоэлемент. Другой вид оптического
дымового датчика работает по-другому. Фотоэлемент в нем в нормальном состоянии
не освещен, так как источник света направлен в другую сторону. Появившиеся
частицы дыма рассеивают узконаправленный поток света, и высокочувствительный
фотоэлемент улавливает слабое свечение, а датчик пожарной сигнализации подает
сигнал на приемник.
В основе принципа их работы лежит изменение
дифференциального (относительного) или абсолютного (максимального) значения
температуры воздуха в подконтрольном помещении или комнате. В качестве
улавливающих изменения чувствительных элементов здесь могут применяться
легкоплавкие перемычки, биметаллические пластины, разного рода термисторы или
устройства, работающие на основе принципа расширения жидкости даже при
незначительном нагреве. Для подобных датчиков пожарной сигнализации заранее
устанавливается предельный порог допускаемого уровня температуры, по достижении
которого на приборы контроля незамедлительно подается соответствующий сигнал.
Дифференциальные тепловые датчики реагируют не только на факт возрастания
температуру, но и на скорость изменения значений. Они измеряют и абсолютную
температуру окружающего воздуха, и относительную, имея в наличии два устройства
измерения (чувствительных элемента. Дифференциальные датчики пожарной
сигнализации очень успешно применяются для обнаружения очагов открытого огня, а
качество их работы никак не зависит от погодных условий и общей температуры
окружающей среды.
3.2.1.4 Датчик охранной сигнализации
Микросхема К1056УП1(TBA2800).
На рисунке 3.4 показано условное графическое обозначение (УГО),
на рисунке 3.5 показана функциональная схема микросхемы К1056УП1.
Рисунок 3.4 - УГО микросхемы К1056УП1(TBA2800)
Рисунок 3.5 -
Функциональная схема ИС К1056УП1
Предварительный усилитель ИК сигнала К1056УП1(ТВА2800) предназначен для
предварительного усиления импульсных сигналов. Усилитель содержит четыре узла:
управляемый усилитель I, усилитель II, усилитель выделения импульсов III и
инвертор IV [1](рисунок 3.5).
Назначение выводов микросхемы ТВА2800: 1 - общий вывод входного сигнала;
2 - вывод подключения конденсатора к усилителю I; 3 - вывод напряжения
питания; 4 - вход усилителя III; 5 - выход усилителя II; 6 - вывод для
регулировки соотношения сигнал/шум; 7 - выход отрицательных импульсов; 8 -
выход положительных импульсов; 9 - общий вывод выхода; 10 - тестовый вывод; 11
- вход усилителя II; 12 - выход усилителя I; 13 - общий вывод усилителя II; 14
- вход усилителя I.
Усилитель I имеет большой динамический диапазон. Благодаря этому
гарантируется работоспособность при ярком окружающем свете и в условиях
засветки модулированным светом частотой 50 Гц от флуоресцентных ламп (ламп
дневного света). Кроме того, работоспособность сохраняется и при засветке
интенсивным ИК излучением. Такая ситуация возможна при непосредственной
близости отражающей поверхности объекта от излучателя и фотоприемника.
Усилитель II служит для дальнейшего усиления сигнала, а усилитель III - для
отделения импульсной составляющей от шумов. Инвертор IV обеспечивает
дополнительное инвертирование отрицательных импульсов с выхода усилителя III
(вывод 7) в положительные (вывод 8). Введение дополнительного резистора между
выводом 6 и общим проводом увеличивает шумовую устойчивость, но снижает
чувствительность по входу. Микросхема сохраняет работоспособность при изменении
напряжения питания в пределах 4.5…6В. Максимальный потребляемый ток - не более
2мА.
3.2.1.5 Датчик наличия напряжения в сети
Схема датчика наличия напряжения, состоит из следующих элементов:
Микросхема К561ЛА7 - четыре логических элемента 2И - НЕ.
Один
двухвходовой канал
из микросхемы K56IЛА7 содержит четыре разноканальных.
VT1 и VT2 - n, а VT3, VT4 - p канальные. На
эквивалентной ключевой схеме выходы А и В получают четыре возможных
логических сигнала от переключателей S1 и S2.
Если
последовательно перебрать все комбинации напряжений высоких и низких уровней,
поступающих на входы А и В от S1 и S2, и рассмотреть уровни на выходе Q,
получим таблицу состояний инвертора
. Когда
от S1 и S2 на входы A и B поданы
напряжения высокого уровня B, n - каналы транзисторов VT1 и VT2 будут замкнуты, а
каналы VT3 и VT4 разомкнуты. На выходе Q окажется напряжение низкого уровня Н.
Если на вход A или В поступает хотя бы один низкий уровень, один из
каналов VT3 или VT4 оказывается замкнутым и на выходе Q появляется напряжение
высокого уровня. В результате вертикальная колонка данных на выходе
соответствует функции
.
Если
на входы А и В подать два положительных импульса, сигнал на выходе Q будет
соответствовать площади их совпадения но с инверсией.
Таблица истинности ИС К561ЛА7
|
Вход
|
Выход
|
|
A
|
B
|
Q
|
|
H
|
H
|
B
|
|
H
|
B
|
B
|
|
B
|
H
|
B
|
|
B
|
B
|
H
|
Таблица характеристик микросхемы К561ЛА7
|
Тип микросхемы
|
К561ЛА7
|
|
Функциональное назначение
|
4 элемента 2И - НЕ
|
|
Т,С
|
-10…+70
|
|
-0,5…+18
|
|
|
Рпот,мВт
|
300
|
|
I вх, при Uп = 5В1,5
|
|
|
I вх, при Uп = 5В3,5
|
|
|
Iпот,мкА при Uп = 5В
|
<0,25
|
|
,нс при Uп = 5В60
|
|
|
,нс при Uп = 5В60
|
|
Микросхема К561ЛН2 - шесть логических элементов НЕ с буферным
выходом и с повышенной нагрузочной способностью.
3.2.2 Линии связи
В проекте будет использоваться мультиплексор Metropolis AMS компании
Lucent Technologies предназначенный для сетей доступа. Он поможет расширить
границы сети, обеспечить рентабельный мультисервисный доступ и предоставить
большую передачу данных. Транспорт данных по существующей инфраструктуре SDH
позволит обойтись без наложенной сети.
Устройство имеет небольшие габаритные размеры и энергопотребление. Может
работать как терминальный мультиплексор или мультиплексор вставки/выделения.
Области применения: экономичный доступ для данных, в многоточечном режиме или
режиме «точка-точка». Преимущества: поддержка пакетных и коммутируемых служб,
высокая надежность за счет сетевого резервирования, небольшие затраты на
эксплуатацию при широких возможностях управления.
Мультиплексор Metropolis AMS
Основное применение
недорогой доступ к услугам передачи данных для распределенных офисов и
мобильных сетей;
связь локальных сетей 10/100 Base-T «точка-точка» и «точка-многоточка»;
организация каналов E1 по медным проводам (SHDSL).
- мультиплексор ввода-вывод
- терминальный мультиплексор
Наличие функций защиты обеспечивает непрерывность оказания услуг.
Мультиплексор может применяться в кольцевых и линейных конфигурациях. Малые
габариты допускают установку в уличных шкафах и в помещении клиента.Управление
мультиплексором Metropolis AMS осуществляется настраиваемой системой Lucent
Navis® Optical Management Solution. Поддерживается консольный интерфейс на базе
ПК для локального и удаленного управления STM-1.
Таблица Характеристики мультиплексора Metropolis AMS
|
Габаритные размеры
|
Один блок 447,6 x 70 x
204,3 мм
|
|
Питание
|
Постоянного и переменного
тока с автонастройкой напряжения (100-240 VAC, от -24 до -48/-60 VDC).
|
|
Материнская плата
|
Два посадочных места для
приемо-передатчиков SFP и 16 портов 2 Мбит/с G.703 (E1). Посадочное место для
одного добавочного интерфейсного модуля
|
|
Типы SFP для комплектации
мультиплексора терминирования или вставки/выделения
|
Оптический STM-1, 1310 нм,
короткое расстояние, G.957 S-1.1 Оптический STM-1, 1310 нм, дальнее
расстояние, G.957 L-1.1 Оптический STM-1, 1550 нм, дальнее расстояние, G.957
L-1.2
|
|
Добавочные интерфейсные
модули
|
16 x 2 Мбит/с G.703 (E1) 2
x 34 Мбит/с (E3) 4 x 2 Мбит/с X.21 12 x SHDSL (доступна версия SHDSL Lucent
NTU) 4 x 10/100 Base-T Ethernet 8 x 10/100 Base-T Ethernet (для выделенных
линий Ethernet - Ethernet Private Line)
|
|
Службы Ethernet
|
Fast Ethernet (10/100
Base-T) ITU-T G.7041 с упаковкой GFP-F Конкатенция виртуальных контейнеров
Коммутация IEEE 802.1D«Точка-точка» Ethernet Private Line«Точка-много точек»
Ethernet Private LAN Services (TLS)«Точка-много точек» для служб виртуальных
локальных сетей VLAN в пакетном кольце при разделении полосы пропускания и
статическом мультиплексировании Алгоритм быстрого покрывающего дерева RSTP по
IEEE 802.1w Маркировка/транкинг VLAN по IEEE 802.1Q и стеки меток VLAN GVRP
IEEE 802.1p/DiffServ QoS Управление уровнем CIR/PIR
|
|
Резервирование
|
1+1 многосекционное
резервирование MSP VC-12 и VC-3SNPRSTP по IEEE 802.1w
|
|
Сетевое управление
|
Система управления
элементами Wavestar ITM-SC Система сетевого управления оптическими сетями
Navis Локальный терминал ITM-CIT с функциями удаленного доступа и поллинга в
режиме реального времени.
|
3.2.3 Модем
Модем AVC-5610 предназначен для передачи данных в формате CWDM.
Устойчивое соединение модема достигается за счет использования качественной
аппаратной базы и специально адаптированной микропрограммы управления.
Благодаря этому модем уверенно распознает все электрические сигналы, обладает
высокой помехоустойчивостью, надежностью и уникальными возможностями по
настройке на каждый конкретный канал связи.
К сожалению, большая часть современных модемов, за редкими исключениями,
проектируется и изготавливается не в России, и приспособлена к помеховой
обстановке, значительно отличающейся от отечественной в лучшую сторону. Слабым
местом таких модемов обычно является ненадежность удержания соединения в
тяжелых условиях и низкая скорость приема/передачи данных. Модем AVC-5610 лишен
большинства этих недостатков, так как ориентирован исключительно на российские
условия и внутренний рынок. Он устойчиво и надежно работает на сильно
зашумленных каналах низкого качества, на которых "обычные" модемы
могут даже не соединяться.
Технология CWDM. Весьма эффективным является метод уплотнения
несущих - WDM (Wavelength Division Multiplexing). Суть данного метода
заключается в том, что ряд информационных потоков, переносимых каждый на своей
несущей, с помощью специальных устройств -мультиплексоров - объединяется в один
сигнал. На приемной стороне производится обратная операция
демультиплексирования.
Преимущества технологии CWDM:
передача 16-ти независимых сервисов по двум парам ОВ;
низкая стоимость по сравнению с DWDM;
гибкость в реализации различных топологий;
передача данных на большие расстояния;
единая система управления всеми узлами CWDM сети.
Рисунок Пример системы CWDM
Грубое
спектральное мультиплексирование - CWDM (Coarse Wavelength Division
Multiplexing) - является технологией передачи данных, позволяющей одновременную
передачу различных протоколов по одной паре волокон. CWDM базируется на
использовании оптических каналов, отстоящих друг от друга на расстоянии 20 нм.
.3 Выбор и
расчет нейрочипа
Нейрочип необходим
для обучения входным эталонным сигналам и для обработки информации.
Схема
нейрочипа NM6403 приведена на рисунке 3.5.
Рисунок 3.5 Нейрочип.
Основные характеристики процессора
NeuroMatrix NM6403:
тактовая частота - 40 МГц (машинный
такт - 25 нс);
число эквивалентных вентилей -
115.000;
корпус 256BGA;
малое напряжение питания, от 2.7В до
3.6В;
адресное пространство - 16 Гбайт;
формат скалярных и векторных данных:
-разрядные скаляры;
вектора с элементами переменной
разрядности от 1 до 64, упакованные в 64- разрядные блоки данных;
аппаратная поддержка операций
умножения вектора на матрицу или матрицы на матрицу;
аппаратная реализация функции
насыщения два устройства генерации адреса;
регистры:
32-разрядных регистров общего
назначения;
32-разрядных адресных регистров;
внутренних памяти по 32*64 бит;
специальные регистры управления и
состояния;
команды процессора NM6403 32- и
64-разрядные (одна команда обычно задаёт две операции);
- два 64-разрядных программируемых
интерфейса для работы с любым типом внешней памяти. Каждый интерфейс
поддерживает;
обмен с двумя банками памяти разного
типа (статическая или динамическая память);
два скоростных байтовых
коммуникационных порта ввода/вывода, аппаратно совместимых с портами TMS320C4x.
3.4 Выбор и обоснование модема и периферийных устройств
Все ОЗУ делятся на две большие
группы: статические и динамические. В накопителях статических ОЗУ применяются
триггерные элементы памяти. В ОЗУ динамического типа запоминающим элементом
служит конденсатор, в котором информация хранится в форме наличия или
отсутствия заряда.
Статические ОЗУ образуются матрицей
запоминающего элемента , каждый из которых может быть установлен в одно из двух
состояний, сохраняющихся при поданном напряжении питания.
Наибольшим быстродействием обладают
биполярные ОЗУ, построенные на основе элементов ЭСЛ и ТТЛШ, однако эти МС имеют
самый высокий уровень энергопотребления .
Схема ОЗУ представлена на рисунке
3.6.
Рисунок 3.6 Оперативное запоминающие
устройство
В данном дипломном проекте ОЗУ
предназначено для хранения программных настроек, весовых коэфициентов, набора
динамограм, соответствующим разным видам неполадок, результаты сравнения
эталонных значений с полученными данными.
Основными параметрами микросхем ОЗУ
являются: емкость хранящаяся в ОЗУ, быстродействие, мощность.
В качестве запоминающего устройства в
разрабатываемом устройстве была выбрана микросхема Flash памяти - M25P80 фирмы STMicroelectronics.
Микросхема имеет встроенный
последовательный интерфейс. Последовательный формат записи позволяет упростить
процедуру программирования и уменьшить величину корпуса (у данной микросхемы - DIP8) и количество управляющих сигналов.
Схема, выбранного постоянного
запоминающего устройства представлена на рисунке 3.7.
Рисунок 3.7 Постоянное запоминающее
устройство
В отличие от модулей оперативно
запоминающих устройств (ОЗУ) данное решение обеспечивает сохранность информации
при непредвиденном отключении питания, что позволяет исключить использование
резервного питания, которое создает большие трудности в обслуживании.
Также данный выбор имеет преимущество
и перед модулями перепрограммируемых постоянных запоминающих устройств (ППЗУ),
так как для записи информации в ППЗУ обычно требуется подавать кратковременно
напряжение, значительно большее напряжения штатного питания. Это неудобно тем,
что значительно увеличивает количество элементов питания и требует добавления в
схему дополнительных средств аналоговой коммутации.
Основные характеристики микросхемы Flash памяти M25P80:
· Емкость - 8 Мбит
· Запись страницы (256 байт) - 1.5 мс
· Стирание сектора (512 Кбит) - 2 с
· Полное стирание (8 Мбит) - 10 с
· Напряжение питания - 2.7-5.5 В
(однополярное)
· Максимальная тактовая частота - 25
МГц
· Режим пониженного потребления - 1 мкА
· Более 100000 циклов стирания/записи
для каждого сектора
· Более 20 лет хранения информации
Для проектируемоой системы в качестве
интерфейса был выбран USB (UniversalSerial Bus). Он удобен тем, что данный интерфейс входит в состав
практически всех персональных компьютеров, выпускаемых на данный момент.
Схема, выбранного интерфейса
представлена на рисунке 3.6.
Рисунок 3.8 Универсальный
последовательный интерфейс
Выбранный интерфейс позволяет
производить обмен информацией в последовательном формате со скоростью до 12
Мбит/сек и хотя для самого комплекса скорость обмена не является принципиальной
характеристикой, ПК используемый для ввода информации может быть критичен ко
времени, отводимому на обмен.
Также данный интерфейс имеет
значительное преимущество, поскольку он позволяет производить «горячее»
подключение устройства к ПК. Т.е. нет необходимости производить выключение ПК,
приостанавливающее выполнение текущих операций.
Конкретная микросхема - SL-11 USB Controller фирмы Scan Logic - была выбрана, поскольку у нее в относительно
небольшом корпусе (28PLCC)
интегрированы все необходимые компоненты: приемник, передатчик, модуль буферной
памяти, параллельный микропроцессорный интерфейс. Из дополнительных элементов
необходимы только кварцевый резонатор, для задания тактовой частоты внутреннего
генератора, и сам разъем.
Основные характеристики USB контроллера SL-11:
стандартный микропроцессорный
интерфейс;
поддержка канала ПДП;
двунаправленный 8-и разрядный
параллельный интерфейс;
256 байт памяти на кристалле;
4 контакта USB интерфейса;
USB передатчик;
5В, 0.8мк КМОП технология;
28PLCC корпус.
Передатчик работает полностью в
соответствии со стандартом USB
версии 1.0 и может вести обмен в режиме полной скорости - 12 Мбит/сек.
3.5 Разработка приемопередатчика
Для проектируемой системы в качестве
усройства беспроводной передачи данных применен однокристальный трансивер
XE1203, предназначенный для работы в диапазоне частот ISM (433МГц / 868МГц /
915МГц). Высокая степень интеграции позволяет достичь максимальной гибкости
использования устройства при минимальном количестве внешних элементов.
Трансивер XE1203 обеспечивает связь со скоростью передачи до 152,3 кБод и
оптимизирован для приложений требующих малое энергопотребление, большую
выходную мощность и высокую входную чувствительность. Схема приемопередатчика
представлена на рисунке 3.9.
Рисунок 3.7 Приемопередатчик
Приемопередатчик функционально
включает в себя приемник, передатчик, синтезатор частоты, колебательный контур
и некоторые другие узлы. И для каждого блока необходимо сделать согласование
цепей. В данном проекте смоделирована схема в “Micro-Cap Evaluation 7.0” и
произведен расчет согласования цепей передатчика. Схемы согласования цепей
остальных блоков и номиналы пассивных элементов взяты с сайта производителя.
Схема согласования цепей передатчика
представлена на рисунке 3.8.
Рисунок 3.8 Согласование цепей
передатчика
Рассчитаем значения конденсаторов и
индуктивностей:
Примем
L3=12 нГн , тогда
, откуда
С10=3.03
пФ
Примем
L2=27 нГн, тогда
, откуда
С11=1.12
пФ
Смоделируем
модель согласования цепей передатчика в “Micro-Cap”.
Схема
модели представлена на рисунке 3.9.
Рисунок
3.9 Модель согласования цепей передатчика в Micro-Cap.
Произведем
анализ частотных характеристик.
Полученный
график представлен на рисунке 3.10.
Рисунок
3.10Анализ частотных характеристик
По
графику видно, что при рассчитанных значениях конденсаторов и индуктивностей
обеспечивается требуемая резонансная частота 915 МГц.
Основные
технические характеристики XE1203:
- Выходная мощность: до +15 дБм на
нагрузку 50 Ом (тип);
Чувствительность входа: до -113 дБм
(тип);
Потребление: Rx=14 мА; Tx=62 мА (15
дБм);
Напряжение питания: до 5 В;
Скорость передачи: от 1,2 до 152,3
кБод (NRZ-кодирование);
Режим Konnex-совместимости;
11-разр. Кодек Баркера;
Встроенный синтезатор частоты с шагом
500Гц;
Двух уровневая FSK модуляция с
непрерывной фазовой функцией;
Распознавание входных данных
(используется для выхода из спящего режима);
Система синхронизации входных данных
(Bit-Synchronizer);
Контроль уровня принимаемого сигнала
(RSSI);
Контроль частоты (FEI).
3.6 Структурные решения по программному обеспечению
контроллера
На основе вышесказанного в настоящей работе ставится задача разработать
устройство, отвечающее за контроль и своевременное оповещение о наступлении
того или иного события происходящего в тепловом насосе. С необходимыми для
изготовления чертежами схемами по единому российскому стандарту.
На основе широкого анализа технического задания проводятся
конструкторские расчеты с целью построения устройства с помощью
предприятия-изготовителя электронных устройств. Особое внимание уделено
конструкторским расчетам на механические, температурные воздействия,
воздействия ускорения при вибрации.
4.Разработка контроллера
Для осуществления дипломного проекта потребуются следующие устройства:
однокристальная микроЭВМ;
датчик скорости;
датчик сигнализации;
датчик давления;
датчик температуры;
жидкокристаллический индикатор (ЖКИ);
клавиатура;
драйвер управления IGBT
транзистором.
МикроЭВМ (микроконтроллер) обеспечивает управление всей схемой и
соответственно позволяет выполнять все заданные функции, т.о. микроконтроллер
является основой всего устройства. Датчики служат для определения основных
параметров теплового насоса путём измерения времени между двумя цифровыми
сигналами, поступившими с него. ЖКИ и клавиатура позволяют выводить и задавать
основные рабочие параметры, а драйвер управления IGBT транзистором и сам IGBT транзистор делают возможным регулирование путём
широтно - импульсной модуляции (ШИМ).
В основу структурной функциональной схемы (рисунок 4.1) был положен
аппаратно-программный метод реализации алгоритма, предполагающий разработку как
программных, так и аппаратных средств. Сюда относятся построения устройств
управления с программной логикой на основе микропроцессора. Этот вариант
охватывает широкие возможности для применения больших интегральных микросхем
(БИС) в аппаратуре устройств защиты и позволяет в наибольшей степени
согласовать разрабатываемые аппаратно-программные устройства с особенностями
решаемых задач.
Рисунок
4.1 Структурная функциональная схема устройства
МК
- микроконтроллер
ДС
- датчик скорости
ДПТ
- тепловой насос
ЖКИ
- жидкокристаллический индикатор
4.1 Разработка структурной схемы контроллера
Генератор тактовых импульсов состоит
из генератора, выполненного по схеме автогенератора на логических элементах с
резонансной частотой 80000 кГц и счетчика-делителя частоты на 3, устраняющий
фазовую нестабильность. Генератор тактовых импульсов тактирует импульсы для
работы нейросетевого датчика и нейрочипа. Перед началом работы система
производит самодиагностику, выполняя проверку блока обработки информации
нейросетевого датчика с помощью таких блоков, как цифро-аналоговый
преобразователь, усилитель напряжений и фильтр нижних частот. Самодиагностика
заключается в следующем : нейрочип выдает кодовую комбинацию на цифро-аналоговый
преобразователь, далее цифровой сигнал преобразуется в аналоговый сигнал.
Выходное напряжение цифро-аналогового преобразователя равно 5 В, а входное
напряжение аналого-цифрового преобразователя, расположенный в нейросетевом
датчике равно 5 В, поэтому на выходе цифро-аналогового преобразователя
расположен усилитель напряжений. Далее усиленный до необходимого уровня
напряжения аналоговый сигнал поступает на фильтр нижних частот, где сигнал
фильтруется от помех. И если кодовая комбинация с выхода нейрочипа совпадет с
кодовой комбинацией на выходе аналого-цифрового преобразователя, то значит блок
обработки информации в нейросетевом датчике исправен и система начинает работу.
Цифровой сигнал с датчика поступает на нейрочип, где происходит обработка и
сравнение полученных данных с эталонными значениями, записанных в постоянном
запоминающем устройстве.Если данные совпадают, то результат записывается в
оперативное запоминающее устройство. Если результаты не совпадают, то нейрочип
выдает логический ‘0’ на вход устройства отключения электродвигателя, который
выполнен на оптроне АОУ103. Его работа заключается в следующем, если тепловой
насос находится в нормальном режиме работы, то на входе оптрона логическая ‘1’
светодиод и тиристор работают и в магнитном пускателе реле замкнуто, то есть
электродвигатель работает. Если возникает какая-либо неисправность, то нейрочип
выдает логический ‘0’ на вход оптрона и светодиод и тиристор отключаются, и
реле размыкается, электродвигатель останавливается. Параллельно информация поступает
через универсальный последовательный интерфейс на пульт оператора, где по
полученным значениям выстраивается динамограмма, характеризующая работу
теплового насоса. И по полученной динамограмме оператор анализирует какой вид
неисправности произошел. Оператор также может вносить изменения в работу
системы через универсальный последовательный интерфейс или через устройство
беспроводной передачи данных.
4.2Выбор элементной базы
Выбор элементной базы является важной частью разработки любого
электронного устройства, так как от правильного выбора зависит как стоимость
устройства, так и гарантированное выполнение своих функций в условиях,
предусмотренных в техническом задании. При выборе элементной базы для
разрабатываемой установки необходимо учитывать следующие требования:
·
обеспечение
минимальной потребляемой мощности электрорадиоэлементов (ЭРЭ);
·
обеспечение
быстродействия ЭРЭ;
·
обеспечение
заданных габаритов платы;
·
обеспечение
работы платы в условиях, указанных в техническом задании;
·
обеспечение
наименьшей стоимости платы;
·
обеспечение
простоты ремонта.
Таким образом, задача выбора типа элементной базы состоит из трех
основных этапов:
·
выбор серий
используемых интегральных схем;
·
выбор типов
корпусов используемых интегральных схем;
·
выбор остальных
ЭРЭ.
В качестве центрального узла могут быть применены различные
микропроцессоры и микроконтроллеры, например, микропроцессоры I8086, PIC - контроллеры, семейство MCS - 51. В случае использования микропроцессора
потребуется подключение большого числа БИС обрамления. Поэтому рациональнее
применить микроконтроллер, имеющий интеграцию всех необходимых для работы
центрального микропроцессора узлов в одном кристалле.
В данном устройстве в качестве управляющего органа будет использована
однокристальная микроЭВМ 80С552 фирмы Philips®. Этот кристалл содержит ядро и
систему известного микроконтроллера 8051 фирмы INTEL®, но значительно
превосходит его набором встроенных аппаратных средств и гибкостью их
применения. Из аппаратных средств можно отметить наличие встроенных
аналого-цифрового преобразователя (АЦП) и аналогового коммутатора. Следует
также отметить, что данный микроконтроллер требует наличие внешнего ПЗУ.
Кристалл 80C552 имеет следующие возможности:
. систему команд и архитектуру 8051. При использовании внешнего
быстродействующего ПЗУ позволяет применять кварцы до 30 МГц. Нижний порог
частоты возбуждения 1,2 МГц;
. внутреннее ОЗУ - 256 байт, не считая управляющих SFR регистров;
. адресует по шине до 64кбайт внешнего ПЗУ и столько же
дополнительной внешней памяти данных;
. два 16 битных таймера Т0 и Т1 стандартной архитектуры от 8051;
. дополнительный (плюс к двум стандартным) 16 - битный таймер Т2,
сопряженный с 4 встроенными схемами чтения на “лету” и с 3 регистрами сравнения
“на лету”. Узел защелкивания позволяет аппаратно измерять интервалы на 4
диаграммах дискретных сигналов одновременно. Узел сравнения позволяет аппаратно
генерировать одновременно до 8 диаграмм дискретных сигналов;
. 10-битный АЦП с 8-ми канальным мультиплексором и схемой выборки-хранения
при входе. Время преобразования 37,5 мкс при частоте кварца 16 Мгц. Опорное
напряжение задается внешним источником. Аналоговые схемы имеют изолированные
от цифровых цепей входы питания плюс Avdd и аналоговый общий Avss.
Это позволяет значительно уменьшить шумы. Общий Avss должен подсоединяться внешними цепями к цифровому
общему Vss в оптимальной для конкретной схеме
точке (уменьшение импульсных шумов из-за бросков тока). Положительное питание Avdd не должно превышать уровень питания
цифровых цепей кристалла более чем на 0,7 В. Его следует фильтровать от импульсных
помех. На рис. 4.2.1 приведена схема подключения некоторого источника сигнала Vin к одному из 8-ми входов аналогового
мультиплексора ADCx.
.
Рисунок 4.2.1. Схема питания встроенного АЦП
Здесь реализована простая RC-фильтрация
питания аналоговых цепей кристалла и опорных напряжений. Предусмотрена защита
с помощью диодов входа 80С552 от электрического пробоя при случайном выбросе
напряжения на входе Vin. Наилучший
динамический диапазон АЦП дают значения опорных напряжений дают значения
опорных напряжений равные + AVref
= AVdd и - AVref = AVss.
При этом опорные напряжения не должны выходить за указанные пределы более чем
на 0,2 В.
. два независимых 8 - битовых ШИМ генератора с программно
регулируемым периодом следования (могут использоваться как выходы ЦАП);
. пять стандартных портов ввода-вывода. Из них два использованы
как микропроцессорная шина, а остальные имеют альтернативные функции;
. сторожевой таймер T3.
Условное обозначение 80С552 показано на рисунке 4.2.2.
Рисунок
4.2.2 Условное обозначение 80С552
В
таблице 4.1. приведены обозначения и назначение выводов кристалла 80С552.
Таблица 4.1. Назначение и номера выводов 80С552
|
Обозначение
|
Ножка
|
Назначение выводов и
альтернативные функции
|
|
VDD
|
2
|
Питание +5 В цифровых схем
кристалла
|
|
|
STADC
|
3
|
Внешний пуск АЦП. Пуск
может быть и по программе. Не оставлять этот вывод висящим в воздухе.
|
|
/PWM0
|
4
|
Инверсный Выход ШИМ
генератора 0
|
|
/PWM1
|
5
|
Инверсный Выход ШИМ
генератора 1
|
|
/EW
|
6
|
Инверсный Вход разрешения
встроенному сторожевому таймеру Т3. Не оставлять этот вывод висящим в
воздухе.
|
|
P0.0 - P0.7
|
57...50
|
Порт0. Двунаправленная
мультиплексированная шина данных и младших адресов А0 - А7.
|
|
Р1.0 - Р1.7
|
16...23
|
Порт1. Двунаправленный
порт. Имеет следующие альтернативные функции:
|
|
CT0I - CT3I
|
16...19
|
Входы для четырех схем
захвата таймера Т2.
|
|
T2
|
20
|
Вход внешних импульсов для
таймера Т2 (могут быть внутренние)
|
|
RT2
|
21
|
Вход внешнего сброса для
таймера Т2
|
|
SCL
|
22
|
Линия синхронизации
последовательной шины I2C SCL
|
|
SDA
|
23
|
Линия данных
последовательной шины I2C SDA
|
|
Р2.0 - Р2.7
|
39...46
|
Порт2. Выход старшей
половины адреса А8 - А15
|
|
Р3.0 - Р3.7
|
24...31
|
Порт3. Двунаправленный
порт. Имеет следующие альтернативные функции:
|
|
RxD
|
24
|
Вход UART
|
|
TxD
|
25
|
Выход UART
|
|
/INT0
|
26
|
Инверсный вход внешнего
сигнала прерывания 0
|
|
/INT1
|
27
|
Инверсный вход внешнего
сигнала прерывания 1
|
|
T0
|
28
|
Вход внешних импульсов для
таймера_0 (могут быть внутренние)
|
|
T1
|
29
|
Вход внешних импульсов для
таймера_1 (могут быть внутренние)
|
|
/WR
|
30
|
Инверсный Выход строба
записи во внешнюю память данных
|
|
/RD
|
31
|
Инверсный Выход строба
чтения из внешней памяти данных
|
|
Р4.0 - Р4.7
|
7...14
|
Порт4. Двунаправленный
порт. Имеет следующие альтернативные функции:
|
|
CMRS0 -CMRS5
|
7...12
|
Выходы с установкой или
сбросом при достижении таймером Т2 заданного значения
|
|
CMТ0 -CMТ5
|
13, 14
|
Выходы с изменением на
противоположный логического уровня при достижении таймером Т2 заданного
значения
|
|
Р5.0 - Р5.7
|
68... 62, 1
|
Порт5. Двунаправленный
порт. Имеет альтернативные функции в виде аналоговых каналов мультиплексора
ADC0 - ADC7 АЦП
|
|
RST
|
15
|
Вход для сигнала сброса
процессора. Когда срабатывает сторожевой таймер Т3, то RST генерится на этой
ножке изнутри
|
|
XTAL1
|
35
|
Подключение кварца . Также
вход от внешнего источника возбуждения кристалла
|
|
XTAL2
|
34
|
Подключение кварца . Когда
используется внешнее возбуждение через ввод XTAL1, оставить этот вывод
висящим в воздухе.
|
|
VSS
|
36,37
|
Две ножки общего вывода.
Использовать обе.
|
|
/PSEN
|
47
|
Инверсный выход строба
чтения из внешней памяти программ
|
|
ALE
|
48
|
Выход строба для
защелкивания младшей половины адреса
|
|
/EA
|
49
|
Инверсный Вход для
указания, что процессор должен использовать внешнюю память программ. Не
оставлять висящим в воздухе.
|
|
-AVref
|
58
|
Подвод нижнего уровня
опорного напряжения, но не ниже АVSS. Соответствует результату
АЦП =
0 .
|
|
+Avref
|
59
|
Подвод верхнего уровня
опорного напряжения. но не выше АVDD. Соответствует результату
АЦП = 3FFН
|
|
AVSS
|
60
|
Общий вывод аналоговых
цепей кристалла
|
|
AVDD
|
61
|
Плюс питания аналоговых
цепей кристалла
|
Микроконтроллер 80С552 не имеет внутренней памяти программ, поэтому для
реализации микропроцессорной системы необходимо использовать внешнюю память
программ.
Для хранения программы будем использовать ПЗУ типа 27C64. Это перепрограммируемое ПЗУ.
Информация стирается с помощью ультрафиолетового облучения кристалла. Основные
параметры 27C64 приведены
в таблице 4.2.
Таблица 4.2 Основные параметры К573РФ5
|
Ёмкость, байт
|
8к
|
|
Организация
|
1024´8
|
|
Время выборки, нс
|
0.45
|
|
Удельная мощность
потребления мВт/бит
|
0.1
|
|
Время хранения информации,
час
|
15000
|
Рисунок 4.2. 3Расположение и назначение выводов ПЗУ
Таблица 4.3. Назначение выводов ПЗУ
|
Вывод
|
Назначение
|
|
A0-A12
|
Address Inputs
|
|
CE
|
Chip Enable
|
|
OE
|
Output Enable
|
|
PGM
|
Program Enable
|
|
VPP
|
Programming
Voltage
|
|
O0 - O7
|
Data Output
|
|
VCC
|
+5V Power Supply
|
|
VSS
|
Ground
|
|
NC
|
No Connection;
No Internal Connections
|
|
NU
|
Not Used; No
External Connection Is
|
Принимаем в качестве устройства индикации двухстрочный ЖКИ HDD44780.
В таблице 1.4 приведены команды ЖКИ.
Таблица 1.4 Команды ЖКИ
|
Команда
|
Код
|
Время выполнения
|
|
RS
|
R/W
|
DB7
|
DB6
|
DB5
|
DB4
|
DB3
|
DB2
|
DB1
|
DB0
|
|
|
Очистка дисплея
|
0
|
0
|
0
|
0
|
0
|
0
|
0
|
0
|
0
|
1
|
1,64мкс
|
|
Курсор домой
|
0
|
0
|
0
|
0
|
0
|
0
|
0
|
0
|
1
|
*
|
1,64мкс
|
|
Включение изображения
|
0
|
0
|
0
|
0
|
0
|
0
|
D
|
C
|
B
|
40мс
|
|
Сдвиг
|
0
|
0
|
0
|
0
|
0
|
1
|
S/C
|
R/L
|
*
|
*
|
40мс
|
|
Запись данных
|
1
|
0
|
WRITE DATA
|
40мс
|
/D=1-инкремент адреса при вводе символа
(0-декремент)
S=1-сдвиг
всего изображения при вводе символа
S/C=1/0-изображение сдвигается/нет R/L=1/0-сдвиг вправо/влево
D=1-включение
дисплея C=1-включение курсора
B=1-мерцание
символа, под которым курсор
Рисунок 4.2.4 двухстрочный ЖКИ HDD44780.
DB0-DB7 -входы данных;
R/W -чтение/запись;
V0
-яркость;
E
-разрешение;
RS-
данные/команды.
В качестве датчиков для выбираем датчики на основе эффекта Холла GT101DC фирмы Honeywell. Внешний вид GT101DC изображен на рисунке 4.2.5, а
функциональная схема изображена на рисунке 4.2.6
Рисунок 4.2.5. Внешний вид GT101DC
Рисунок 4.2.6. Функциональная схема GT101DC
Назначение внешних выводов GT101DC представлено в таблице 4.5.
Таблица 4.5. Назначение внешних выводов GT101DC
|
Вывод
|
Обозначение
|
Назначение вывода
|
|
1
|
VDD
|
Напряжение питания (+5В)
|
|
3
|
OUT
|
Выходной сигнал
|
|
2
|
VSS
|
Общий вывод
|
101DC имеет следующие технические
характеристики:
|
Тип выходного сигнала:
|
пороговый
|
|
Тип чувствительного
элемента:
|
элемент Холла
|
|
Наличие встроенного
магнита:
|
есть
|
|
Тип чувствительности к
полю:
|
встроенный магнит
|
|
Индукция включения при
25оС, Гаусс:
|
-
|
|
Индукция выключения при
25оС, Гаусс:
|
-
|
|
Максимальная
чувствительность, мВ/Гаусс:
|
-
|
|
Макс рабочая частота, кГц:
|
100
|
|
Время нарастания сигнала,
мкс:
|
15
|
|
Мин напряжение питания, В:
|
4.5
|
|
Макс напряжение питания, В:
|
24
|
|
Макс выходной ток, мА:
|
20
|
|
Температурный диапазон, гр.
С:
|
-40…150
|
|
Корпус:
|
1GT1
|
|
Производитель:
|
Honeywell Inc.
|
Принцип действия датчика заключается в наведении разности потенциалов на
границах полупроводниковой пластины с током, во внешнем магнитном поле.
Усиленная датчиком разность потенциалов прямо пропорциональна напряжённости
магнитного поля в области его установки. Таким образом, при размещении датчика
вблизи вращающейся детали на выходе будет генерироваться цифровой сигнал.
Для обеспечения ШИМ выбираем IGBT транзистор SKM75GB063D фирмы Semicon. Данный IGBT
имеет следующие отличительные особенности:канальная гомогенная кремниевая
структура (NPT IGBT, непробиваемый биполярный транзистор с изолированным
затвором)
Малый хвостовой ток с малой температурной зависимостью
Высокая стойкость к короткому замыканию, самоограничение при
закорачивании затвора с эмиттером
Положительный температурный коэффициент VCEsat (напряжение коллектор-эмиттер
в насыщении)
Очень малые емкости Cies, Coes, Cres
Исключено защелкивание
Быстродействующие диоды, выполненные по запатентованной технологии CAL
(управляемый осевой ресурс), с плавным восстановлением
Изолированная медная базовая пластина, выполненная с использованием
технологии DBC (непосредственное медное соединение) без жесткой формовки
Большой зазор (10 мм) и путь утечки (20 мм)
В таблице 1.6 указаны рабочие характеристики IGBT транзистора
Таблица 4.6 Рабочие характеристики SKM75GB063D
|
Обозначение
|
Наименование
|
Условия снятия
характеристики
|
мин.
|
ном.
|
макс.
|
Единица измерения
|
|
IGBT-транзистор
|
|
VGE(th)
|
пороговое напряжение
затвор-эмиттер
|
VGE = VCE,
IC = 1 мА
|
4,5
|
5,5
|
6,5
|
В
|
|
ICES
|
коллекторно-эмиттерный ток
отсечки при соединении затвора с эмиттером
|
VGE =
0, VCE = VCES, Tj = 25 (125) °C
|
|
0,1
|
0,3
|
мА
|
|
VCE(TO)
|
постоянное пороговое
напряжение коллектор-эмиттер
|
Tj = 25 (125) °C
|
|
1,05 (1)
|
|
В
|
|
rCE
|
дифференциальное
сопротивление открытого канала
|
VGE = 15 V, Tj
= 25 (125) °C
|
|
14 (18,7)
|
|
мОм
|
|
VCE(sat)
|
напряжение
коллектор-эмиттер насыщения
|
ICnom = 75 A, VGE
= 15В, на уровне кристалла
|
|
2,1 (2,4)
|
2,5 (2,8)
|
В
|
|
|
|
Cies
|
входная емкость
|
при следующих условиях: VGE
= 0, VCE = 25 В, f = 1 МГц
|
|
4,2
|
|
нФ
|
|
Coes
|
выходная емкость
|
|
|
0,5
|
|
нФ
|
|
Cres
|
обратная переходная емкость
|
|
|
0,3
|
|
нФ
|
|
LCE
|
паразитная индуктивность
коллектора-эмиттера
|
|
|
30
|
|
нГн
|
|
RCC'+EE'
|
суммарное переходное
сопротивление выводов коллектора и эмиттера
|
температура выводов
полупроводника Tc = 25 (125) °C
|
|
0,75 (1)
|
|
мОм
|
|
|
|
td(on)
|
длительность задержки
включения
|
VCC = 300 В, ICnom
= 75 A
|
|
60
|
|
нс
|
|
tr
|
время нарастания
|
RGon
= RGoff = 15 Ом, Tj = 125 °C
|
|
50
|
|
нс
|
|
td(off)
|
длительность задержки
выключения
|
VGE = ± 15В
|
|
350
|
|
нс
|
|
tf
|
время спада
|
|
|
35
|
|
нс
|
|
Eon (Eoff)
|
рассеиваемая энергия в
процессе включения (выключения)
|
|
|
3 (2,5)
|
|
мДж
|
Для управления SKM75GB063D с помощью микроконтроллера выбираем драйвер
фирмы International Rectifier IR2118, которая выпускает широкую гамму микросхем драйверов для управления
затворами IGBT и полевых транзисторов. Все драйверы выпускаются в DIP и SMD
исполнении с возможностью управления затворами приборов, работающих под
напряжением до1200 В при макс. выходном напряжении на затворе до 20 В.
Выпускаемые драйверы предназначены для управления затворами верхних, нижних,
полумостовых, верхних и нижних, раздельных трехфазных мостовых и трехфазных
схем включения.
Рисунок 4.2.7 Схема подключения драйвера IGBT IR2118
Данный драйвер имеет следующие технические характеристики:
|
Функциональность:
|
Верхн и нижн плеча прям
|
|
Напряжение высоковольтной
части:
|
600
|
|
Напряжение логической
части:
|
10...25
|
|
Макс. вытекающий ток в/в
части:
|
130
|
|
Макс. втекающий ток в/в
части:
|
270
|
|
Макс. выходное напряжение:
|
20
|
|
Диапазон рабочих
температур:
|
-40...125
|
|
Корпус:
|
PDIP8
|
|
Входная логика:
|
TTL/CMOS
|
|
Дополнительные особенности:
|
Задержка 50нс
|
|
Производитель:
|
International Rectifier
|
Для питания микроконтроллера и остальных элементов схемы используем
стабилизатор фиксированного положительного напряжения 5 вольт типа КР142ЕН5А.
Выполнен в корпусе ТО - 220. Внешний вид и типовое включение КР142ЕН5А
изображены на рисунке 4.2.8.
а)
б)
Рисунок 4.2.8 Внешний вид (а) и типовое включение (б) КР142ЕН5А
На рисунке 4.2.8. обозначены:
- вход;
- общий;
- выход.
Несмотря на то, что основное назначение этого прибора - источник
фиксированного напряжения, он может быть использован и как источник с
регулированием напряжения и тока путем добавления в схемы его применения
внешних компонентов. Внешние компоненты могут быть использованы для успокоения
переходных процессов. Входной конденсатор необходим только в том случае, если
регулятор находится далеко от фильтрующего конденсатора источника питания.
Основные параметры стабилизатора фиксированного напряжения 5 вольт типа
КР142ЕН5А приведены ниже:
- выходное номинальное напряжение - 5В;
- выходное минимальное напряжение - 4,9В;
выходное максимальное напряжение - 5,1В;
входное максимальное напряжение - 15В;
- коэффициент нестабильности напряжения, максимальный - 0,05%/B;
- коэффициент нестабильности тока, максимальный - 1,33%/A;
- выходное сопротивление - 17мОм;
ток КЗ - 750мА;
максимальный выходной ток - 1,5А;
рабочий диапазон температур кристалла -45 ... +125°С.
4.3Разработка принципиальной схемы контроллера
Структурная схема, разрабатываемой системы представлена на
рисунке 4.3.1
Рисунок 4.3.1 Структурная схема, разрабатываемой системы
Рассмотрим общую схему ПАК, в которой показаны все основные блоки и
протоколы передачи информации между ними. Эта схема представлена на рисунке
4.3.2.
Рисунок 4.3.2. Функциональная схема ПАК
Процессор предназначен для выполнения вычислений и управления
интерфейсами ПАК и управляется микропрограммой, заложенной в восьмибитной DATA FLASH. ОЗУ данной операционной части группового контроллера
выполняет вспомогательную функцию хранения промежуточных данных, полученных в
процессе обработки информации процессором. Nand Flash выполняет функцию долговременного хранения данных.
Так как процессор обладает большими функциональными возможностями, то
решено добавить в схему ПАК несколько периферийных устройств помимо заявленных
в техническом задании.
Также в плату ПАК интегрирован IDE интерфейс подключенный на шину EBI.
Данная архитектура ПАК позволяет реализовать большинство возможностей процессора.
Это является большим плюсом и позволяет отлаживать большой перечень различных
программ самых разнообразных назначений.
Следует заметить, что для осуществления подобной функциональности
необходимо подобрать современную элементную базу. И в полной мере может
обеспечиваться современными микропроцессорами с RISC архитектурой, имеющими не только достаточный
функционал, но и производительность, позволяющие выполнять современные
программные инструменты и при этом обладают очень малым энергопотреблением.
4.4 Проектирование печатной платы контроллера
.4.1 Определение общих требований к печатной плате
Материал для печатной платы выбирается по ГОСТ 10316-78. Исходя из
характеристик, используемых для изготовления печатных плат фольгированных
материалов следует, что стеклотекстолиты превосходят гетинакс по параметрам
механических и электрических характеристик, и воздействию влажности, уступая
только в диэлектрической проницаемости. Это существенный плюс для использования
в аппаратуре, где очень важна надежность материалов. В качестве материала для
печатной платы выбран стеклотекстолит марки СФ -2 -35-1.5, толщина фольги
35мкм, платы - 1.5мм.
Таблица 4.4.1
|
Показатели
|
ГФ-1
|
ГФ-1-П, ГФ-2-П
|
ГФ-1-Н, ГФ-2-Н
|
СФ-1, СФ-2
|
Гетинакс марок
|
|
|
|
|
|
А
|
Б
|
В
|
|
Плотность, г/см3
|
с фольгой
|
1,8-2,0
|
1,5-1,85
|
1,5-1,85
|
1,9-2,9
|
-
|
-
|
-
|
|
без фольги
|
1,3-1,4
|
1,3-1,4
|
1,3-1,4
|
1,6-1,8
|
1,3-1,4
|
1,25-1,4
|
1,3-1,4
|
|
Предел прочности при
растяжении в кгс/см2 (не менее)
|
800
|
800
|
800
|
2000
|
800
|
700
|
1000
|
|
Водопоглощение в % (не
более)
|
5
|
4
|
4
|
3
|
0,5
|
0,5
|
0,6
|
Механические характеристики некоторых изоляционных материалов для
изготовления печатных плат
Таблица 4.4.2
Электрические характеристики некоторых изоляционных материалов для
изготовления печатных плат.
|
Показатели
|
ГФ-1
|
ГФ-1-П,
ГФ-2-П
|
ГФ-1-Н,
ГФ-2-Н
|
СФ-1,
СФ-2
|
Гетинакс марок
|
|
|
|
|
|
А
|
Б
|
В
|
|
Удельное поверхностное
электрическое сопротивление, Ом (не менее)
|
1011
|
1011
|
1011
|
1012
|
1011
|
-
|
1010
|
|
Удельное объемное
электрическое сопротивление, Ом*см (не менее)
|
1012
|
1012
|
1011
|
1013
|
1011
|
-
|
1010
|
|
Тангенс угла диэлектрических
потерь при частоте 10б Гц(не более)
|
0,038
|
0,038
|
0,038
|
0,045
|
-
|
-
|
-
|
|
Диэлектрическая
проницаемость при частоте 106 Гц (не более)
|
7
|
7
|
7
|
6
|
8
|
8
|
-
|
Основные требования к заготовке печатной платы:
Толщина листа заготовки платы должна быть от 0.6 мм до 3.мм (0.024”…
0.2”).
Зоны на заготовке, запрещённые для размещения компонентов должны
соответствовать ( рисунок 1.3.1):
Рисунок 4.4.1. Зоны, запрещённые для размещения компонентов
А - сторона платы для установки SMD
компонентов:
-запрещённая зона шириной 3 мм от верхнего края заготовки;
запрещённая зона шириной 5 мм от нижнего края заготовки.
В - противоположная SMD компонентам сторона платы
-запрещённые зоны шириной 5 мм от верхнего и от нижнего краёв платы.
Деформация заготовки платы не должна превышать величин, указанных на
рисунок 4.4.2.
Рисунок 4.4.2. Деформация платы для пайки SMD компонентов
При необходимости установки на плату навесных компонентов до установки
компонентов SMD их высота не должна превышать:
на стороне платы для установки SMD компонентов - 6.5 мм (0.26”) (рисунок 4.4.3);
Сторона платы для пайки компонентов поверхностного монтажа (SMD)
Рисунок 4.4.3 Высота навесных элементов
.4.2 Методы изготовления печатных плат
Методы получения печатного монтажа представляют собой сочетание
определенного способа нанесения изображения печатных проводников с тем или иным
способом создания токопроводящего слоя (печатных проводников).
Поэтому название метода получения печатного монтажа часто совпадает с
названием способа создания токопроводящего слоя печатных проводников.
К настоящему времени известны около 200 методов получения печатного
монтажа. Однако распространение получили лишь те, которые удовлетворяют
современным конструкторско-технологическим требованиям и технологически не
сложны. К ним относятся следующие методы: химического травления фольгированного
диэлектрика, гальванохимический, переноса изображения с запрессовкой в
изоляционное основание (метод временного основания), комбинированный.
Сущность химического травления фольгированного диэлектрика заключается в
удалении фольги с пробельных мест в результате протекания реакции 2 FeCl3 + Cu 2 FeCl2 + CuCl.
Предварительно методом фотопечати или
печатанием через сетчатый трафарет наносятся изображения печатных проводников
(печатного монтажа) - кислотоупорный слой, который защищает фольгу в этих
местах от действия FeCl3. Его удаляют затем промывками и
нейтрализацией. Основные преимущества метода химического травления
фольгированного диэлектрика: наивысшая точность и разрешающая способность
(соответственно ±0,05 мм и до 10 линий на 1 мм), легкий переход производства с
одной схемы на другую, отсутствие необходимости в сложном оборудовании,
быстрота налаживания производства. Весьма существенным преимуществом является и
то, что этот метод допускает полную автоматизацию, начиная с проектирования и
заканчивая заключительными вспомогательными операциями технологического
процесса. Метод широко используется в серийном производстве при большой
номенклатуре сложных односторонних печатных плат. Недостатки метода:
невозможность металлизации отверстий, непроизводительное расходование металла
при травлении фольги, возможность воздействия химических реагентов на
изоляционное основание платы.
Гальванохимический метод заключается
в создании на нефольгированном диэлектрическом основании путем химического
осаждения тонкого (1…5 мкм) токопроводящего слоя металла с последующим
получением печатных проводников и металлизацией отверстий в результате
осаждения металла в соответствии с рисунком печатного монтажа. Рисунок
печатного монтажа получают различными фотохимическими способами, например,
способом офсетной печати. Гальванохимический метод не требует сложного
оборудования, технологически прост, процесс легко механизируется и
автоматизируется. Недостатки: невысокие разрешающая способность и
точность, неравномерность наращивания слоя металла, подверженность
диэлектрического основания платы воздействию химических реагентов
(растворов), большие временные затраты.
Метод переноса изображения печатного
монтажа с запрессовкой в изоляционное основание (метод временного основания)
заключается в получении печатных проводников на стальной матрице в
гальванической ванне с последующим впрессовыванием их в изоляционное основание
или в получении печатных проводников (травлением) на временном основании и в
переносе затем их на постоянное основание. Данный метод сложен и не допускает
изменения рисунка (в случае использования рельефной стальной матрицы),
отверстия не металлизируются, процесс длительный, однако полностью исключено
воздействие кислот и щелочей на диэлектрическое основание платы, и отпадает
необходимость в предварительной активации его поверхности.
Комбинированный метод заключается в
получении печатных проводников путем химического травления (т.е. используется
фольгированный диэлектрик и избирательно удаляется металлический слой) и
металлизация отверстий в основании платы гальванохимичеким методом. В
зависимости от метода защиты проводящего рисунка при вытравливании меди этот
способ может осуществляться в двух вариантах: негативном, когда защитой от
вытравления служат краска и фоторезист, и позитивным, когда
защитным слоем служит металлическое
покрытие - металлорезист. Название эти способы получили от фотошаблона,
применяемого при создании защитного рельефа: в первом случае при экспонировании
рисунка используется негатив печатной схемы, во втором - позитив.
Недостатком этого метода является
двукратное воздействие химических реагентов на изоляционное основание, что
приводит к существенному ухудшению его свойств. Во избежание этого металлизация
отверстий производится до травления меди (фольги) в пробельных местах.
Метод получения печатного монтажа
выбирается чаще всего технологом и является начальным и весьма важным этапом
проектирования технологического процесса изготовления печатного монтажа и
печатной платы в целом.
Принятый метод обусловливает
маршрутную технологию, а, значит, содержание и объем работ, их трудоемкость и
технологическую себестоимость, длительность технологического цикла и его
подготовки.
МПП - узел, состоящий из чередующихся
проводниковых и изоляционных слоев. Проводниковые слои представляют собой
обычный печатный монтаж, но с меньшей шириной проводников, меньшими
расстояниями между ними и контактными площадками. Совокупность проводниковых
слоев соответствует электрической схеме функционального узла.
Печатный монтаж всех слоев получается
чаще всего методом химического травления фольгированного диэлектрика,
рассмотренного ранее. Новым при производстве МПП является лишь соединение слоев
в единый пакет, которое достигается обычно склеивающим прессованием. Наиболее
распространен метод попарного прессования.
При изготовлении МПП методом
попарного прессования выполняются следующие операции:
вырубка заготовок из двустороннего
фольгированного диэлектрика и очистка поверхности фольги;
получение рисунка схемы на внутренних
слоях химическим методом;
сверление, химическое и гальваническое
меднение отверстий комбинированным методом;
сборка, заполнение смолой и
прессование платы;
получение негативного изображения
нанесением светочувствительного раствора;
нанесение слоя серебра;
очистка.
При соединении слоев МПП способом
металлизации сквозных отверстий печатный монтаж всех внутренних слоев получают
методом химического травления фольгированного диэлектрика. Затем внутренние и
наружные слои одновременно склеивают (прессуют) в единый пакет с применением
прокладочной стеклоткани.
Проектирование технологических
процессов изготовления МПП выполняется в соответствии с имеющимся стандартом на
типовые технологические процессы.
Печатный монтаж позволяет
автоматизировать изготовление электронных узлов и блоков приборов самого
разного функционального назначения.
Наибольшие возможности для полной
автоматизации производства печатых плат обеспечивает гальванический метод и
способ металлизации сквозных отверстий (при производстве МПП).
Прочность сцепления
металлизированного слоя с изоляционным основанием проверяют методом, который
невозможно реализовать как автоматический. Визуальным является входной контроль
фольгированного диэлектрика, качества светочувствительного слоя, качества
нанесения лака, сверления отверстий и т.д.
Измерения для контроля печатных
проводников и др. участков печатного монтажа осуществляется различными
методами: с отделением от диэлектрического основания или без него. В первом
случае измерения производятся микрометром с ценой деления шкалы 0,002 мм.
Толщина металлизированного слоя без отделения его от основания платы
контролируется с помощью индикатора часового типа или микроскопа (измеряется
возвышение металлизированного слоя под основанием) и косвенными методами (путем
измерения омического сопротивления участка печатного проводника и с
использованием в- излучения).
Визуальный контроль необходимо
заменять автоматизированным, выполняющимся с помощью автоматических устройств
по определенной программе с выдачей результатов контроля и корректировкой
технологического процесса. Такой контроль называют управляющим.
Механическая обработка включает
раскрой листового материала на полосы, получение из них заготовок, выполнение
фиксирующих, технологических, переходных и монтажных отверстий получение
чистового контура ПП. Размеры заготовок определяются требованиями чертежа и
наличием по всему периметру технологического поля, на котором выполняются
фиксирующие отверстия для базирования деталей в процессе изготовления и
тестовые элементы. При прессовании ДПП на технологическом поле образуется зона некачественной
пропрессовки пакета, которая удаляется при обработке контура. Ширина
технологического поля не превышает 10 мм. Малогабаритные платы размером до 100
мм размещают на групповой заготовке площадью не менее 0,05 м2 с
расстоянием 5 ... 10 мм между ними. Размеры заготовок вспомогательных
материалов (кабельная бумага, триацетатная пленка), используемых при
изготовлении ДПП, должны превышать на 55 ... 60 мм размеры заготовок из
основного материала.
Выбор метода получения заготовок
определяется типом производства. В крупносерийном и массовом производстве
раскрой листового материала осуществляют штамповкой на кривошипных или
эксцентриковых прессах с одновременной пробивкой фиксирующих отверстий на
технологическом поле. В качестве инструмента применяют вырубные штампы, рабочие
элементы которых изготовлены из инструментальных легированных сталей марок Х12М
и Х12Ф1 (ГОСТ 5950-73) или металлокерамического твердого сплава марок
ВК15 и ВК20 (ГОСТ 3882-74). Стойкость штампов из инструментальной стали при
вырубке заготовок из гетинакса толщиной 1,5 мм составляет 8 ... 10 тыс. ударов,
при вырубке заготовок из стеклотекстолита-1,5-2 тыс. ударов.
Заготовки ПП в единичном и
мелкосерийном производстве получают разрезкой на одно- и многоножевых роликовых
или гильотинных ножницах. Применяемые ножи должны быть установлены параллельно
друг другу с минимальным зазором 0,01 ... ... 0,03 мм по всей длине реза.
Фиксирующие отверстия диаметром 4 ...
6 мм выполняют штамповкой или сверлением с высокой точностью (0,01 ... 0,05 мм).
Для сверления используют универсальные станки, в которых точность достигается
применением кондукторов, или специальное полуавтоматическое оборудование,
которое в одном цикле с обработкой пакета заготовок предусматривает
пневматическую установку штифтов, фиксирующих пакет. Резание ведут спиральными
сверлами из быстрорежущей стали (ГОСТ 4010-77) или твердых сплавов (ГОСТ
22736-77, 17274-71) при скорости 30 ... 50 м/мин и подаче 0,03 ... 0,07 мм/об.
Биение сверла при обработке не должно превышать 0,03 мм. Повышение точности
сверления фиксирующих отверстий достигается их развертыванием при скорости 10.
..30 м/мин и ручной подаче инструмента.
Монтажные и переходные отверстия
получают также штамповкой и сверлением. Пробивку отверстий на универсальных или
специальных штампах применяют в тех случаях, когда отверстие в дальнейшем не
подвергнется металлизации и его диаметр не менее 1 мм. Правильный выбор зазоров
между рабочими частями штампа, их размеров и геометрии, а также усилий при
штамповке позволяет свести к минимуму образование трещин на материале и
расслоений.
Металлизированные монтажные и
переходные отверстия обрабатывают с высокой точностью на специализированных
одно- н многошпиндельных сверлильных станках с ЧПУ.
Чистовой контур ПП получают
штамповкой, отрезкой на гильотинных ножницах или на специальных станках с
прецизионными алмазными пилами, фрезерованием.
Формирование токопроводящих элементов
ПП осуществляется двумя основными методами: химическим и электрохимическим.
Химическая металлизация используется в качестве основного слоя при изготовлении
плат аддитивным методом или как подслой перед гальваническим осаждением в
комбинированных методах.
Процесс химической металлизации
основан на окислительно-восстановительной реакции ионов металла из его комплексной
соли и определенной среде, при которой необходимые для восстановления катионов
металла электроны получают в результате окисления специальных веществ,
называемых восстановителями. На диэлектрике реакция восстановления протекает
при наличии па его поверхности каталитически активного слоя. Для придания
диэлектрику способности к металлизации производят операции сенсибилизации и
активирования.
Сенсибилизация - это процесс создания
па поверхности диэлектрика пленки ионов двухвалентного олова, которые впоследствии
обеспечат восстановление ионов активатора металлизации. Платы обрабатывают в
растворе двуххлорисгого олова и соляной кислоты (5пС12-5 ... 10 г/л,
НС1 - 20 ... 40 г/л, остальное - дистиллированная вода) в течение 5 ... 7 мин и
промывают в холодной воде. При этом происходит гидролиз хлористого олова по
реакции
SnС12+Н2O®Sn (ОН) С1+НС1
Sn(OH)Cl+H2O®Sn(OH)2+HCl
Активирование заключается в том, что yа поверхности, сенсибилизированной
двухвалентным оловом, происходит реакция восстановления ионов каталитического
металла. Обработку проводят в растворах благородных металлов, преимущественно
палладия (РdС12 - 0,5 ... 4 г/л, НС1 -
10 ... 20 мл/л, остальное - дистиллированная вода) в течение 5 ... 7 мин. На
плате происходят следующие реакции:
на диэлектрике
2++Pd2+ ®Pd+Sn4+
на поверхности фольги
+Pd2+ ®Pd+Cu2+
Контактное выделение палладия на меди
приводит к образованию барьерного слоя из рыхлой и непрочной пленки гидридов
палладия, которая снижает адгезионные свойства химически осажденной меди и
увеличивает переходное сопротивление. Для улучшения качества металлизации
используют совмещенный раствор, в котором контактное выделение палладия
существенно уменьшается. Совмещенный раствор имеет следующий состав (г/л): РdC12 - 0,8... 1, SnС12*2Н20 -
40... 70, КС1- 140…150, НС1- 150 ... 200.
После активирования и промывки платы
поступают на химическое меднение.
Как видно, основными проблемами
химической металлизации являются низкая производительность, сложность процесса,
использование дорогостоящих материалов. Для устранения указанных недостатков
разрабатываются методы беспалладиевой металлизации, например термохимический. В
результате термического разложения комплексной соли гипофосфита меди на
поверхности ПП и в монтажных отверстиях образуется электропроводящее покрытие,
которое служит основой для электрохимического наращивания металла.
Гальваническая металлизация при
производстве ПП применяется для усиления слоя химической меди, нанесения
металлического резиста, например олово - свинец толщиной 8 ... 20 мкм <;
целью предохранения проводящего рисунка при травлении плат, защиты его от
коррозии и обеспечения хорошей паяемости; создания на части проводящего рисунка
(например, на концевых печатных контактах) специальных покрытий (палладий,
золото, родий и т. п.) толщиной 2.. .5 мкм. Заготовки плат, закрепленные на
специальных подвесках-токоподводах, помещают в гальваническую ванну с
электролитом между анодами, выполненными из металла покрытия. Режим
электрохимической металлизации выбирают таким образом, чтобы при высокой производительности
были обеспечены равномерность толщины покрытия и его адгезия.
Адгезия гальванического покрытия
зависит от качества подготовки поверхности под металлизацию, длительности
перерыва между подготовкой поверхности и нанесением покрытия, от соблюдения
режимов процесса.
Для меднения ПП применяют различные
электролиты. Отраслевые стандарты рекомендуют для предварительной металлизации
борфтористоводородный электролит следующего состава (г/л): Сu(ВF4) -230:..250, НВF4 - 5... 15,
Н3ВО3-15 ... 40. Процесс ведут при температуре 20±5°С,
плотности тока 3 ...4 А/дм2, скорости осаждения 25 ... 30 мкм/ч.
Повышение объемов производства и
требований к качеству ПП, усложнение аппаратуры и ее микроминиатюризация
требуют развития перспективных методов электрохимической металлизации и
производительного технологического оборудования.
Нанесение рисунка схемы на ПП
необходимо для получения защитной маски требуемой конфигурации при
осуществлении процессов металлизации и травления. Наиболее распространены в
промышленности ссткографический (офсетной печати) и фотохимический методы.
Сеткографический метод получения
рисунка ПП основан на применении специальных кислотостойких быстросохнущих
красок, которые после продавливания через трафарет закрепляются на поверхности
заготовки в результате испарения растворителя.
Качество наносимого защитного слоя в
значительной степени определяется вязкостью используемых трафаретных красок. Ее
оптимальная величина устанавливается исходя из температуры, номера сетки,
характера изображения, наличия орошения формы и др.
Фотографический метод предусматривает
нанесение на подготовленную поверхность заготовки ПП специальных
светочувствительных материалов фоторезистов, которые разделяются на негативные
и позитивные. Негативные фоторезисты образуют при воздействии света защитные
маски вследствие реакции фотополимеризации, при этом облученные участки
остаются на плате, а необлученные удаляются при проявлении. В позитивных
фоторезистах под действием света происходит фотодеструкция органических молекул,
вследствие чего облученные участки удаляются при проявлении. Фоторезисты могут
быть жидкими и сухими (пленочными). Жидкие фоторезисты значительно дешевле
пленочных, и для работы с ними требуется несложное оборудование. Применение
пленочных фоторезистов значительно упрощает ТП (исключаются операции сушки,
дубления, ретуширования), он легко поддается автоматизации, обеспечивает
равномерное нанесение защитных слоев при наличии монтажных отверстий
Установка радиоэлементов на печатных
платах должна обеспечивать надежную их работу в условиях механических и
климатических воздействий, указанных в ТУ на данный вид аппаратуры. Навесные
элементы следует устанавливать на плате таким образом, чтобы обеспечить
выполнение технологических процессов их установки, групповой пайки и исключить
воздействие припоя на эти элементы.
Навесные элементы располагаются на
односторонних платах с одной стороны, независимо от их назначения и габаритов,
рядами в определенном порядке.
Выводы навесных радиоэлементов крепят
в отверстиях печатной платы. В каждом отверстии размещают выводы только одного
навесного элемента. Радиоузлы с большим количеством выводов закрепляют на плате
в зависимости от их конструктивных особенностей и механической прочности платы.
Переходные элементы (разъемы, переходные колодки и т.д.) от одной платы к
другой устанавливаются так же, как и навесные радиоэлементы.
Крепление печатного узла в приборе,
во избежании обрыва печатных проводников, не должно давать прогиба платы, но
должно обеспечивать возможность легкой замены. Во избежании замыкания печатного
проводника на корпус прибора, производится изоляция печатной платы от шасси
прибора. Для повышения жесткости изделий на печатной плате, работающей в
условиях значительных перегрузок, наиболее массивные радиоэлементы рекомендуется
располагать ближе к местам крепления платы.
Металлизированные отверстия на плате
обязательно зелкуют с 2 сторон. Их диаметры выбирают в зависимости от толщины
платы и диаметров выводов элементов. Следует ограничить применение разных
диаметров выводов на одной плате.
Расстояние от корпуса элемента до
места изгиба вывода должно быть не менее расстояния, указанного в ТУ на этот
элемент. Если в ТУ это расстояние не указано, оно принимается не менее 2 мм.
При применении припоя ПОС-61 или
другого более низкотемпературного и времени пайки не более 2-3 секунд при
толщине до 1,5 мм, пайку резисторов и конденсаторов разрешается производить на
расстоянии 2,5-3 мм от корпуса.
Пайка является одним из основных
элементов электромонтажных работ. Высокое и стабильное качество достигается при
выполнении следующих условий:
выбора оптимального состава флюса;
выбора состава припоя;
обеспечения технологических
требований к конструкции соединяемых монтажных элементов;
одготовки поверхности соединяемых
элементов;
выбора наилучшего способа нагрева,
обеспечивающего равномерный прогрев деталей при соединении;
конструкции приспособления,
обеспечивающего сборку и получение паяных узлов в соответствии с заданными ТУ.
Пайка производится с помощью
паяльника. Для эксплуатации в заводских условиях (согласно требованиям техники
безопасности) необходимо использование электропаяльника на напряжение 36В при
сохранении номинальной мощности.
В процессе растворения меди в припое,
происходит изменение формы рабочей части паяльника, из-за чего приходится
производить его переточку.
Перед пайкой следует произвести
зачистку и лужение рабочей части паяльника.
На разогретый паяльник набирается
доза припоя и переносится в место соединения, которое нагревается паяльником до
растекания припоя и заполнения им зазоров. Если в качестве флюса используется
порошок канифоли, то он подается на место пайки на капле припоя, находящейся на
этом же паяльнике. Для этого жалом паяльника с дозой расплавленного припоя
прикасаются к порошку канифоли. Остатки канифоли предварительно удаляют
скальпелем, а затем промывают плату спиртом или ацетоном, что увеличивает
поверхностное сопротивление.
Диаметр объемного проводника должен
быть от 0,5 до 0,8 мм, а подпаянных к нему проводников от микросхем 0,2 - 0,4
мм.
Концы проводников закручивают на 1-2
оборота вокруг “штанги” и подпаивают.
.4.3 Описание конструкции печатной платы
При размещении печатных проводников и компонентов необходимо учитывать
следующие требования.
все безкорпусные и компоненты с планарными выводами (SMD) следует размещать на одной стороне
платы.
Рисунок 4.4.3.1 Минимальные зазоры между проводниками.
зазоры между компонентами должны быть не менее указанных на рисунке
4.4.3.1
компоненты должны располагаться не ближе 1.25 мм (0,05”) от края
заготовки и не ближе запрещённых зон, указанных в п.4.3.1;
в слое металлизации при трассировке проводников нужно избегать
острых углов;
шина заземления должна быть везде, где это возможно;
обратить внимание на необходимость запрещённой зоны вокруг
крепёжных отверстий;
диаметры отверстий для компонентов с выводами должны превышать
диаметры выводов не более чем на 0.25мм (0.01”);
диаметры отверстий на чертеже указываются с учётом толщины
металлизации;
расстояние от края не металлизированного отверстия до контактной
площадки или проводника должно быть не менее 0.5 мм (0.02”);
полярные компоненты желательно ориентировать одинаково;
все пассивные компоненты одного типа по возможности
группировать. В группах компоненты располагать параллельно;
все SOIC компоненты рекомендуется размещать перпендикулярно
длинной оси пассивных компонентов;
проводники, расположенные под компонентами SMD, должны быть закрыты защитной
маской;
для уменьшения оттока тепла при пайке от контактных площадок
(для исключения появления “холодных” паек) необходимо:
а) Использовать узкие проводники, соединяющие непосредственно контактную
площадку и широкий проводник, как показано на 4.4.3.3. (а, б).
Рисунок 4.4.3.2.