Антенно-фидерные устройства
Введение
Радио - это способ передачи сигналов на расстояние с помощью
электромагнитных колебаний (радиоволн). Посредством радио осуществляются связь
(радиосвязь), вещание (радиовещание и телевидение), определение положения
подвижного объекта в пространстве (радиолокация), сигнализация, контроль,
управление и др.
Радиопередающим устройством - (радиопередатчиком или просто передатчиком)
называют устройство для получения (генерирования) электрических колебаний
определенной частоты (радиочастоты) и мощности, один из параметров которых
(амплитуда, частота) изменяется в соответствии с передаваемой информацией
(манипуляция, модуляция). Эти колебания с помощью антенн излучаются в
пространство в виде радиоволн. Генерирование колебаний высокой частоты
представляет собой процесс преобразования энергии источника питания передатчика
(электрическая сеть, гальванический элемент, аккумулятор или др.) в энергию
электрических колебаний радиочастоты. Распространяющиеся в свободном
пространстве электромагнитные колебания достигают приемной антенны и поступают
в радиоприемное устройство, на выходе которого воспроизводится переданная
информация. В процессе преобразования передаваемой информации в электрический
сигнал, а также при получении модулированных колебаний радиочастоты в передатчике
и обратном преобразовании сигналов в приемнике происходит искажение
передаваемой информации. Кроме того, на любую радиосистему воздействуют
различные радиопомехи атмосферного происхождения, от других радиосистем,
промышленных электроустановок и др.
Потому при проектировании, производстве и эксплуатации любой радиосистемы
необходимо обеспечить ее работу в пределах допустимого уровня искажений и помех
гак, чтобы не создавались помехи другим системам. При этом система
радиотелефонной связи должна обеспечивать достаточную разборчивость
передаваемой речи, а система радиовещания должна воспроизводить человеческий
голос, музыку и другие звуки так, чтобы не терялось эстетическое впечатление от
услышанного.
При расчете радиопередающих устройств различного назначения и типа
необходимо определить следующие основные характеристики:
а). мощность на выходе Рвых, вычисляемую при расчете радиолинии, т. е. в
процессе выбора рабочих частот, учета условий их распространения и параметров
передающей и приемной антенн, уровня радиопомех и пр.; составляет от долей
ватта до миллионов ватт;
б). частоту f или диапазон
частот f1-f2, определяемый в зависимости от назначения радиолинии,
расположения пунктов передачи и приема, международного распределения
радиочастот, условий распространения радиочастот и др.; составляет от 3 кГц до
3000 ГГц;
л). коэффициент полезного действия - отношение мощности на выходе
передатчика Рвых к полной мощности, потребляемой от источника питания Ρпит: Передатчик с большим к. п. д.
потребляет меньше энергии питания, что снижает денежные затраты на его
эксплуатацию. При питании от гальванических элементов, аккумуляторов и т. п.
больший к. п. д. обеспечивает большую продолжительность питания передатчика от
данной батареи, аккумулятора или позволяет уменьшить емкость батареи, т. е.
дополнительно снизить массу, габариты и стоимость. Высокий к. п. д. позволяет
сделать более экономичной систему охлаждения, а также увеличить надежность
работы.
К передатчикам предъявляют также требования конструктивного, эксплуатационного
и экономического характера: меньшие габариты, масса и стоимость; удобство
эксплуатации и ремонта; высокая надежность; устойчивость к внешним воздействиям
(изменению окружающей температуры, влажности, давления, ударам, тряске),
безопасность обслуживающего персонала и др.
1.
Амплитудная модуляция и приём сигналов
Немодулированный РЧ сигнал ( несущая ) сам по себе не несет никакой
информации. Для передачи телеграфного сообщения РЧ сигнал манипулируют в
соответствии с кодом Морзе. Для передачи же телефонного сообщения несущую,
необходимо промодулировать. Модуляция означает изменение параметров РЧ сигнала,
амплитуды, частоты или фазы в такт со звуковым напряжением, развиваемым
микрофоном. Чисто угловая модуляция, частотная или фазовая, используется только
на УКВ диапазонах, поскольку полоса частот, занимаемая радиостанцией в эфире,
получается излишне широкой. На KB
используют однополосную модуляцию, при чем однополосный сигнал формируют из
амплитудно-модулированного (AM)
сигнала. Рассмотрим его особенности.
Пусть звуковое напряжение, поступающее от микрофонного усилителя,
описывается функцией s(t), причем будем полагать, что -1<s(t)< 1. Выражение для напряжения AM сигнала выглядит следующим образом:
uAM (t) =[1+ ms(t)] a0
cos(ω0t
+ φο )
где m - коэффициент модуляции, 0 ≤ m ≥ 1. - амплитуда радиочастотной несущей;
a0=2πfο
- угловая частота
несущей;
φο - начальная фаза несущей.
При s(t)= 0 или m = 0
модуляция отсутствует, и передатчик излучает немодулированную несущую u0(t) = a0 cos(ω0t + φο ),
График AM сигнала при модуляции синусоидальным
звуковым напряжением s(t)=cosΩt, где Ω=2πF (1) показан на рис. 1.1
Рис.1.1 AM сигнал
Как видно из рисунка, а также из формулы, при AM непрерывно передается несущая, которая информации не несет и
нужна только для нормальной работы амплитудного детектора огибающей в приемнике
Спектр AM сигнала легко найти, подставив в и
проведя несложные тригонометрические преобразования:
uAM (t) = a0 {cos(ω0t + φο ) + m/2[(ω0 + Ω)t + φο] + m/2 cos(ω0 - Ω )t + φο]}
Спектр содержит три частоты: несущую fo, верхнюю боковую fo +F и нижнюю боковую fo -F, как показано на рис.1.2.a; Если несущая промоделирована не чистым тоном, а звуковым
сигналом, занимающим некоторый спектр, то обе боковые полосы симметрично
отображают этот спектр, как показано на рис 1.2.б; Форма спектра здесь
нарисована чисто условно, имея в виду тот факт, что высшие составляющие
звукового спектра обычно имеют меньшую амплитуду, чем низшие.
Реальный спектр может иметь, разумеется, совсем другую форму, которая к
тому же сильно видоизменяется при произнесении различных звуков. Из рис.2.2
легко видеть, что полоса частот, занимаемая в эфире AM станцией, вдвое шире необходимой, соответствующей ширине
спектра звукового сигнала.
Недостатки AM. этим не
исчерпываются. Оказывается, что она крайне невыгодна энергетически. Амплитуда
боковых частот AM сигнала при
модуляции чистым тоном составляет m/2. а мощность каждой боковой m2/4. Таким образом, даже при 100% модуляции суммарная мощность боковых
составляет только половину мощности несущей.

Рис.1.2. Спектр AM
сигнала
α - синусоидальная модуляция; б -
модуляция звуковым сигналом
Но реальная телефонная передача содержит как громкие, так и тихие звуки.
Отношение максимальной амплитуды, сигнала к средней называют пик-фактором.
Для речевого телефонного сигнала его значение составляет около 3 (для
радиовеща-тельных, например, музыкальных сигналов оно еще больше). Во избежание
перемодуляции на пиках сигнала среднее значение коэффициента модуляции
устанавливается около 0,3 (30%), при этом, как легко подсчитать, более 95%
мощности передатчика тратится на передачу бесполезной несущей и лишь менее 5%
на передачу боковых полос, несущих информацию. Постоянно излучаемые несущие
многих станций служат также источником свистов и других взаимных помех. По этим
причинам в радиосвязи на KB
отказались от AM. При однополосной модуляции
излучается спектр частот, соответствующий одной из боковых полос, верхней или
нижней, при полностью подавленной несущей.
Это дает четырехкратный выигрыш по мощности сигнала по сравнению с AM при m =1. Дополнительный двукратный выигрыш получается в
приемнике, так как мощность шумов и помех в полосе (3 кГц) вдвое меньше, чем в
полосе AM (6 кГц). Таким образом, переход к
однополосной модуляции дает восьмикратный выигрыш по мощности сигнала. В
условиях селективных замираний, характерных для KB диапазона, выигрыш получается, еще больше и оценивается
примерно в 16 раз (12 дБ).
Если из AM сигнала исключить несущую,
получается двухполосный сигнал с подав-ленной несущей (DSB сигнал). Получить его технически довольно просто
достаточно установить в передатчике балансный модулятор. Математически он
выполняет операцию перемножения напряжений звукового сигнала и несущей: uDSB (t) = s(t)a0cos(ω0t + φο ) (2)
Форма DSB сигнала при модуляции синусоидальным
колебанием (1) показана на рис. 1.3. Дважды за период, модуляции амплитуда DSB сигнала падает до нуля, и в эти
моменты фаза высокочастотного заполнения меняется на обратную. Спектр DSB сигнала легко получить из (2), подставив
выражение для синусоидального модулирующего сигнала.
Рис. 1.3 DSB сигнал проведя
несложные тригонометрические преобразования (для простоты положим
ψο = 0): uDSB (t) = a0 /2 [cos(ω0 +
Ω)t= + cos(ω0 -
Ω)t]
Как и следовало ожидать, спектр содержит лишь две составляющие на
частотах ωο ± Ω,
как показано на
рис.1.4.а.

Рис.1.4 Спектр DSB
сигнала: а - синусоидальная модуляция; б - модуляция звуковым сигналом
Это иллюстрирует рис. 1.4.б. Оценим выигрыш по мощности при переходе от AM к DSB. Устранение несущей дает двукратный выигрыш. Приемник
DSB сигналов оснащается цепью
восстановления несущей и мультипликативным детектором (смесителем),
перемножающим DSB сигнал с напряжением восстановленной
несущей. При этом амплитуды боковых полос складываются, что увеличивает
мощность звукового сигнала по сравнению с мощностью одной боковой в 4 раза,
тогда как независимые шумы двух боковых полос просто складываются по мощности.
Это дает еще двукратный выигрыш над AM и общий выигрыш получается в 4 раза.
Таким образом, при равных пиковых мощностях передатчика переход к DSB дает четырехкратный.. В паузах речи DSB передатчики не излучают, а это
значительно повышает их экономичность и снижает общий уровень помех в эфире.
Структурная схема DSB передатчика,
показанная на рис. 2.5, чрезвычайно проста. Он содержит
Задающий генератор G1,
который может включать также буферные каскады и умножители частоты, балансный
модулятор U1, выходной усилитель мощности А1,
Второй вход балансного соединен с микрофонным усилителем А2. Часто балансную
модуляцию осуществляют в выходном мощном двухтактном каскаде, что еще более
упрощает структурную схему.
Рис 1.5
AM
сигналы демодулируются обычным детектором огибающей, таким же, как в обычном
радиовещательном приемнике. До детектирования AM сигнал должен быть усилен до значительного уровня, поэтому AM приемники обычно выполняют по
супергетеродинной схеме. При приеме DSB сигналов с подавленной несущей последняя восстанавливается в самом
приемнике. В ряде случаев для этого служит местный гетеродин. Казалось бы, что
гетеродинный приемник обладающие кривой селективности, идеально подходят для
приема DSB сигнала со спектром, показанным на
рис. 1.4.б. На самом деле это не совсем так. Даже при точной настройке
гетеродина приемника на частоту подавленной несущей ωο
его колебания будут
иметь произвольный фазовый сдвиг φ. Напряжения DSB сигнала и гетеродина приемника можно записать
следующим образом:
uс = s(t)aсcosω0t)
uГ = aГcos(ω0t+φ)
Смеситель приемника перемножает эти напряжения
uс uГ = s(t)aсcosω0t)·aГcos(ω0t+φ) = s(t) aсa / 2 [cos φ+ cos(ω0t+φ)]
ФНЧ, установленный на выходе смесителя, выделяет только сигналы низких
частот, соответствующие первому слагаемом, и отфильтровывает сигнал с удвоенной
частотой 2ωο·Звуковое напряжение оказывается
пропорциональным косинусу разности фаз напряжений сигнала и гетеродина:
uо=s(t) aсa / 2 cos
φ
Оно максимально при ψ = 0° и φ=180°,
но обращается в нуль при
φ
= 90° и φ =270°.
Физически это явление объясняется тем, что две боковые полосы DSB сигнала преобразуются в смесителе
независимо друг от друга и складываются па его выходе. При этом верхняя боковая
полоса приобретает фазовый сдвиг -φ, поскольку частота и фаза гетеродина
вычитаются из частоты и фазы сигнала (последняя принята за нулевую). Нижняя
боковая полоса приобретает фазовый сдвиг +φ.
При φ = 90° и φ = 270° низкочастотные колебания от двух
боковых полос получаются противофазными и компенсируют друг друга.
Существуют способы и схемы для приема DSB сигналов с автоматической подстройкой частоты и фазы
гетеродина по принимаемому сигналу. . В радиолюбительской практике они пока не
использовались. А без, автоподстройки при существующей стабильности частоты
любительских радиостанций точная фазировка колебаний гетеродина практически невозможна.
Если же частоты гетеродина и подавленной несущей совпадают не точно, то сдвиг
фазы φ непрерывно изменяется во времени (φ
= Ωt,) где Ω расстройка частот) и амплитуда
звукового сигнала периодически изменяется от максимума до нуля. Происходят те
же эффекты, что и при приеме AM
сигнала на гетеродинный приемник. Модуляция звукового сигнала низкой разностной
частотой заметно ухудшает разборчивость и качество принимаемого сигнала.
DSB
сигнал без всяких затруднений принимается на однополосный приемник. В этом
случае для приема используется только одна боковая, а другая либо
отфильтровывается (в супергетеродине), либо подавляется фазовым методом (в
гетеродинном приемнике). Неиспользуемая боковая полоса приема служит при этом
источником помех, и ее желательно подавить.
Из выше рассмотренного выбираю схему радиопередатчика с однополосной
модуляцией (ОБП). Такой вид модуляции является разновидностью амплитудной
модуляции. Известно, что двухполосная АМ обладает высоким удельным расходом
мощности, поскольку основная мощность сигнала сосредоточена на несущей частоте
и лишь малая ее часть - в боковых лепестках, так же сигнал АМ занимает широкую
полосу спектра
(DfAM = 2·fB
где fB - верхняя частота модулирующего
процесса). Энергетически более выгодна балансная модуляция (БМ), представляющая
собой АМ с подавлением несущей.
При БМ на передачу сообщения затрачивается вся мощность передатчика, что
и обуславливает ее высокую энергетическую эффективность.
Более экономичной по занимаемой полосе частот является однополосная
модуляция, ширина спектра ОБП DfОБП =
fB, что в два раза меньше полосы
сигналов АМ и БМ, при сохранении высокой энергетической эффективности. Данный
вид модуляции можно трактовать как перенос спектра сообщения из области низких
частот в область высоких частот.
Недостаток ОБП сигнала заключается в том, что для точного восстановления
сообщения на приемной стороне необходимо формирование опорного колебания,
частота и фаза которого должны точно совпадать с частотой и начальной фазой
несущей. Однако, при ОБП несущая в спектре сигнала отсутствует, что приводит к
искажениям сообщения при его восстановлении. При передаче речевых сообщений
допустима некоторая расстройка по частоте (до десятков герц) между опорным
колебанием и несущей без снижения существующего качества принятого речевого
сигнала. Это позволяет формировать опорные автономным генератором и не
передавать сигнал несущей.
В силу перечисленных выше причин ОБП широко применяется в системах
передачи речевых сигналов, а вопросы связанные с проектированием и применением
радиопередатчиков с однополосной модуляцией весьма актуальны.
2.
Структурная схема передатчика
.1
Структурная схема передатчика
Рис 2.1 Структурная схема передатчика с ОБП
. Задающий генератор
. Согласующее устройство
. Балансный модулятор
. Усилитель мощности
. Согласующее устройство с АФУ
. Антенна
. Микрофон
. Усилитель НЧ
Стабильность частоты оценивает способность передатчика сохранять частоту
выходного колебания постоянной в течение определенного времени при воздействии
дестабилизирующих факторов.
Под нестабильностью частоты передатчика понимают изменение частоты
выходного колебания при воздействии дестабилизирующих факторов в течение
определенного времени. В зависимости от длительности измерения различают
долговременную (за длительный интервал времени) и кратковременную (за короткий
интервал времени) нестабильность частоты. Каждая из этих нестабильностей может быть
абсолютной или относительной.
Под абсолютной нестабильностью Δf понимают разность между фактической частотой колебания на
выходе передатчика и ее номинальным значением:
Δf= f ном - f Под
относительной нестабильностью Δ f ном понимают отношение абсолютной нестабильности Δ f к нормированному (номинальному) значению частоты на выходе
передатчика f ном· Генератор передатчика должен
быть настроен на f ном.·
Одной из современных проблем радиосвязи является «теснота в эфирe». Суть проблемы состоит в том, что в
рабочих диапазонах частот стремятся разместить по возможности большее число
радиостанций. При фиксированной ширине диапазона полоса частот, отводимая для
одного радиопередатчика, должна быть минимально допустимой, равной с учетом
небольшого запаса ширине спектра излучаемого передатчиком колебания. При
кратковременных изменениях во времени несущей частоты передатчика
результирующая ширина спектра излучаемого колебания увеличивается. Этот
приводит к необходимости сокращать число радиостанций, работающих в данном
диапазоне. Однако полосы частот, отводимые для каждой из них в рабочем
диапазоне, строго регламентированы. Поэтому при отклонении частоты передатчика
от заданного значения гнущая частота приближается к частоте другого, соседнего,
передатчика, что приводит к взаимным помехам при приеме. При расширении
результирующего спектра колебаний на выходе передатчика в приемнике приходится
также расширять полосу пропускания. Это ухудшает отношение сигнал/помеха на
выходе приемника, так как при более широкой полосе пропускания возрастает
уровень помех, что снижает качество принимаемого сигнала. Прежнее отношение
сигнал/помеха на выходе приемника можно получить, если использовать более
мощный передатчик, который дороже и потребляет больше энергии.
Если полоса пропускания приемника выбрана без учета нестабильности
частоты передатчика, то изменение этой частоты создает расхождение между
частотой настройки приемника и частотой сигнала, что приводит к ухудшению
качества воспроизводимого сигнала, а то и к полному срыву радиосвязи. Этого
можно избежать, если все время подстраивать приемник на изменяющуюся частоту
передатчика. Однако ручная подстройка частоты приемника затрудняет его
эксплуатацию, введение же систем автоматической подстройки частоты повышает его
стоимость.
Для удобства эксплуатации аппаратуры и повышения надежности , радиосвязи
желательно, осуществлять беспоисковую и бесподстроечную радиосвязь, т. е.
настроенный на частоту сигнала приемник должен принимать передаваемый сигнал
сразу после его включения без дополнительных подстроек. Однако реализовать
такую радиосвязь можно только при высокой стабильности частоты передатчика.
Долговременная стабильность частоты колебания на выходе передатчика
зависит от стабильности частоты задающего генератора, определяемой эквивалентными
параметрами резонансной системы. Таким образом, частота автогенератора, а
следовательно, и частота колебания на выходе передатчика изменяются во времени
при изменении эквивалентных параметров резонансной системы автогенератора .
В качестве резонансной системы в автогенераторе чаще всего используют
одиночный контур, эквивалентные параметры которого,Lэк Cэк R эк определяются собственными
параметрами ненагруженного контура L, С, R и вносимыми в него комплексными
сопротивлениями от усилительного элемента и цепи нагрузки. Вносимое в контур
комплексное сопротивление от усилительного элемента автогенератора состоит из
выходного сопротивления усилительного элемента, образованного выходной емкостью
Свых и внутренним сопротивлением.
По существующим международным нормам абсолютная нестабильность связных
передатчиков для радиосвязи в декаметровом диапазоне не должна превышать ±20
Гц, а радиовещательных - ±10 Гц. Однако во многих случаях абсолютная
нестабильность современных передатчиков существенно ниже.
.3 Резонатор
Как было сказано ранее, для реализации высокой стабильности частоты
автогенератора его эквивалентный контур должен помимо высокой добротности
обладать параметрами, мало изменяющимися во времени при воздействии внешних
дестабилизирующих факторов. Автогенераторы на LC-контурах не обеспечивают стабильности, требуемой по
современным нормам. Поэтому в современных передатчиках в качестве
высокостабильного генератора применяют генераторы с кварцевой стабилизацией. В
качестве высокостабильной и высокодобротной колебательной системы в подобных
генераторах используют кварцевые резонаторы.
Кварцевый резонатор
представляет собой
пластину, вырезанную из кристалла кварца и помещенную между двумя
металлическими обкладками, называемыми электродами. Крепление кварцевой
пластины осуществляют с помощью кварцедержателей. Кварц является
кристаллическим минералом естественного или искусственного происхождения.
Характерным для кварца является постоянство свойств, высокая упругость и
большая твердость.
Кристалл кварца по форме близок к шестигранной призме, ограниченной
сверху и снизу Шестигранными пирамидами (рис. 2.2,б ). У него различают следующие оси (рис.2.2, а, б ):
оптическую ΖΖ, проходящую через вершины пирамид; три
электрические XX, проходящие через противоположные
Углы шестиугольника сечения призмы, и три механические ΥΥ, проходящие через середины
противоположных сторон шестиугольника


Рис.2.2
Свойства кварцевой пластины зависят как от ее размеров и формы, так и от
плоскости, в которой осуществляется ее срез (плоскости среза). Срезы, при
которых ребра пластины параллельны осям кристалла кварца, называют прямыми.
Преимущественное распространение получили косые срезы, при которых ребра
кварцевой пластины составляют с осями кристалла некоторый угол. В зависимости
от этого угла различают несколько типов пластин с косыми срезами, отличающихся
друг от друга температурными характеристиками.
Кварцевые пластины имеют различную форму. Их выполняют в виде
плоско-параллельных пластин, стержней или плосковыпуклых линз.
Электроды делают в виде токопроводящих пластин, расположенных вблизи
поверхности кварцевой пластины или пленки (обычно из никеля, серебра или
золота), контактирующей с ее поверхностью. Изготовление электродов с помощью
металлизации кварцевой пластины позволяет полностью избавиться от зазора между
электродами и кварцем, что дает возможность повысить добротность резонатора.
Параметры такого контура отличаются от параметров LC-контура. Во-первых, в таком контуре
внешние воздействия мало влияют на резонансную частоту; во-вторых, контур
обладает очень высокой добротностью, составляющей величину порядка 102 - 104.
Напомним, что LC-контуры в диапазоне KB имеют добротность не выше 200- 300,
а в диапазоне СВЧ - до 104.
Электрический эквивалент кварцевого резонатора (рис.2.3, а) с электродами
в виде пленки на кварцевой пластине, показанный на рис. , б, представляет собой
электрическую схему, которая имеет такие же полные электрические сопротивления,
что и кварцевый резонатор на частотах вблизи резонанса На этой схеме
индуктивность LK характеризует колеблющуюся массу
кварцевой пластины; емкость Ск - величину, обратную упругости пластины;
сопротивление Rк учитывает потери на трение, а также
потери энергии при преобразовании механических колебаний в электрические;
емкость Со - это емкость между выводами кварцевого резонатора на частотах,
отличных от резонансной.
Рис.2.3
Суть физических процессов, происходящих в электрической цепи с кварцевым
резонатором, можно пояснить следующим образом. Положим, что к электродам
кварцевого резонатора подключили источник переменного напряжения. Тогда ток в
цепи этого источника возникает за счет того, что:
) кварцевый резонатор обладает свойствами обыкновенного конденсатора,
емкость которого Со определяется площадью электродов, толщиной кварцевой
пластины и диэлектрической проницаемостью кварца;
) появляется составляющая тока в цепи источника напряжения, обусловленная
пьезоэлектрическим эффектом кварцевой пластины. Действительно, переменное
напряжение, приложенное к пластине, вызовет в ней механические колебания,
которые, в свою очередь, приведут к возникновению на кварцедержателях
переменного электрического напряжения. Это напряжение создает в цепи вторую
составляющую тока.
Если частота напряжения, приложенного к кварцевому резонатору, совпадает
с резонансной частотой механических колебаний пластины, то малое электрическое
напряжение вызывает в пластине сильные механические колебания. Э.Д, С.,
появляющаяся за счет пьезоэлектрического эффекта, складываясь с напряжением
внешнего источника, приводит к многократному увеличению тока. Таким образом,
переменный ток от источника ВЧ- колебаний преобразуется сначала в механические
колебания кварцевой пластиныс требуемой резонансной частотой, а затем обратно в
увеличенный по амплитуде переменный ток. Значения зависят от размеров кварцевой
пластины, типа среза, вида кварцедержателей, свойств кварцевого материала и т.
д. Если сравнить параметры эквивалентного контура кварцевой пластины с
параметрами LC-контура, то можно заметить
существенное различие в их значениях. Так, LK эквивалентного контура больше Rк и LK
простого контура, а емкость С наоборот, мала. Несмотря на большое Rк, добротность эквивалентного контура
кварцевой пластины получается очень высоко; Это объясняется тем, что при
большой индуктивности LK и
малой емкости С получается очень большое характеристическое сопротивление
контура
Zo =
а следовательно, и добротность контура Q = Zк./Rк.
У кварцевых резонаторов высокостабильных генераторов добротность может
достигать нескольких миллионов. Кварцевый резонатор в соответствии со схемой
рис.2.3 , б имеет две резонансные частоты; частоту последовательного резонанса
и
частоту параллельного резонанса
Поскольку
емкость последовательного соединения Ск и Со меньше емкости Ск то ωο>
ωκ Однако Ск < Со и их
последовательное соединение в основном Определяется емкостью Ск. Таким образом,ώο > ωκ. Обычно разность частот ω0-ωк составляет величину порядка от нескольких сотен до
двух-трех тысяч герц. Отметим, что частота ω, более стабильна, чем ω0, так как ω0 зависит от изменяющейся емкости кварцедержателей Со и внешних емкостей
генератора.
Поскольку
емкость Со влияет на резонансную частоту и ее стабильность, к конструкциям
металлических электродов и кварцедержателей предъявляют ряд требований. Так,
конструкция кварцедержателей должна:
)
Обеспечивать постоянство емкости Со (величина емкости должна быть по
возможности малой);
)
Не затруднять механических колебаний кварцевой пластины, т. е. не увеличивать
сопротивление потерь Rк эквивалентного контура;
)
Не препятствовать охлаждению кварцевой пластины
2.3 Балансные
модуляторы
Устройство, позволяющее осуществить амплитудную модуляцию и подавить
несущую, называется балансным модулятором (БМ), смесителем или
преобразователем. Очевидно, что для получения амплитудной модуляции в состав
схемы должны входить нелинейные элементы усилительные лампы, работающие в
нелинейном режиме, обычно в классе В, либо диоды ламповые или
полупроводниковые. Частотная модуляция в однополосной передаче не используется.
Название «балансный» указывает на то, что для исключения нежелательной частоты
необходима балансировка, т. е. симметрирование схемы. Степень подавления
несущей зависит от симметрии схемы, поэтому требуется тщательно выполнять ее
конструкцию и регулировку.
Не ламповые схемы балансных модуляторов могут быть мостовыми или
кольцевыми.
.3.1 Мостовой
балансный модулятор

Рис.2.5 Вариант мостовой схемы балансного модулятора на двух диодах: а -
схема; б - последовательность импульсов на выходе
Мостовые схемы балансных модуляторов. Вариант мостовой схемы приведен на
рис.2.5, а. Исходная рабочая точка регулируется выбором величины напряжения
обратного смещения диодов Ес. Для нормальной работы схемы требуется соблюдение
неравенств: Ec>Up; Ec<.Uf и Uf>UF.
В этом случае диоды могут быть открыты только напряжением несущей, а
напряжение модулирующей частоты не в состоянии открыть их. Схема работает
следующим образом.
. К балансному модулятору подводится только напряжение звуковой частоты UF. При этом диоды остаются закрытыми и
тока в схеме нет.
. К схеме подводится только напряжение несущей частоты. В один полупериод
несущей частоты диоды Д1, Д2 еще больше запираются и тока нет. В другой
полупериод возникает импульс тока по пути: точка а, средняя точка вторичной
обмотки трансформатора Up,
диоды Д1, Д2, средняя точка первичной обмотки выходного трансформатора, батарея
Ес, точка б. Если схема симметрична, то эти импульсы не будут
трансформироваться на выход или вход преобразователя.
. К преобразователю подводятся одновременно оба напряжения. В моменты,
когда диоды открыты напряжением Uf,
напряжение Up вызывает ток по пути: с мгновенного
плюса в точке в, диод Д1, первичная обмотка выходного трансформатора, диод Д2
на мгновенный минус в точке Г. Открытый диод пропускает ток в обоих
направлениях: в прямом и обратном. Поэтому через диод Д2 прошел ток в запорном
направлении.
В результате во вторичной обмотке выходного трансформатора появятся
импульсы тока (рис.2.5.б). Частота импульсов равна частоте напряжения несущей,
а их амплитуда в каждый данный момент времени определяется мгновенными
значениями напряжения звуковой частоты, пока идет положительная полуволна
звука, получим последовательность однонаправленных импульсов, скажем,
положительной полярности: их частота равна несущей, а огибающая импульсов
повторяет форму звукового колебания. В отрицательной полупериод модулирующего
колебания импульсы тока пойдут по тому же пути, но в обратном направлении: из
точки г, диод Д2, выходной трансформатор, диод Д1 к точке В. На выходе
образуется последовательность импульсов отрицательной полярности. Таким
образом, весь период звукового колебания на выходе оказался как бы разбитым на
ряд импульсов.
Импульсы высокой частоты оказались промодулированными. При разложении
импульсов в гармонический ряд получим: первые гармоники положительных и
отрицательных импульсов будут противофазны и компенсируются. Следовательно,
произошло подавление несущей частоты. Работу диодных коммутаторов можно
уподобить механическому прерывателю.
Напряжение несущей частоты управляет диодами, т. е. является
коммутирующим, а звуковое напряжение коммутируемым. Коммутирующее напряжение
всегда подключается к балансному преобразователю таким образом, что создаваемый
им ток через нагрузку не проходит. Ток через нагрузку создается коммутируемым
напряжением.
Однако направление этого тока определяется полярностью обоих напряжений.
Величина коммутирующего напряжения для германиевых и купроксных (кремниевых )
диодов обычно равна 2 - 6 В, а коммутируемого в 10 - 20 раз меньше.
Ширина полосы пропускания контура на уровне 0,7 равна 2∆f07 = d f0. Если несущая fo сравнительно низкая (очень длинные волны), то для сохранения требуемой
полосы необходимо понижать добротность контура. Увеличить затухание контура
нетрудно, но при большом затухании контур становится апериодическим. Так
приходят к схемам без настроенных контуров.
2.3.2
Параллельно-мостовый балансный модулятор
Рис. 2.6 Параллельно-мостовая схема балансного модулятора: а - на четырех
диодах; б - на двух диодах
Параллельно-мостовая схема балансного модулятора показана на рис. 2.6. а.
При отсутствии звукового напряжения и наличии несущей частоты через диоды
проходят односторонние импульсы несущей, которые не попадают на выход из-за
баланса моста. В этом можно убедиться, расставив мгновенную полярность на
диодах. При подаче звукового колебания в отсутствие несущей частоты возникает
ток звуковой частоты через обмотки трансформаторов ТрЗ и Tpl, которые, однако, не трансформируют
низкую частоту из-за отсутствия в них железа. При одновременной подаче обоих
напряжений цепь тока звуковой частоты шунтируется диодами с частотой
коммутирующего напряжения. В результате на выходе получим последовательность
модулированных импульсов (рис. 2.5. б).
Аналогично работает и схема, представленная на рис. 2.6.б. Здесь
требуются только два диода, зато у входного трансформатора должна быть выведена
средняя точка. Половины вторичной обмотки этого трансформатора и два диода
образуют мост.
2.3.3
Последовательно-мостовой балансный модулятор
Рис.2.7 Последовательно-мостовая схема балансного модулятора: а - на четырех диодах; б - на двух диодах
В последовательно-мостовой схеме балансного модулятора коммутатор из
четырех или двух диодов включается последовательно в цепь звуковых частот (рис.
2.7.).
Все мостовые схемы однополупериодные; последовательность выходных
импульсов в них аналогична представленной на рис.2.5.б
.3.4
Кольцевой балансный модулятор
Рис.2.8 Кольцевой балансный модулятор: (принципиальная схема)
Кольцевая схема балансного модулятора (рис.2.8.) состоит из входного Tp1 и выходного Тр2 трансформаторов,
четырех диодов, включенных в пропускном направлении последовательно друг за
другом по замкнутому кольцу: резисторов, предназначенных для компенсации
разброса параметров диодов и потенциометра Rб для балансировки схемы.
Положительный полупериод напряжения несущей открывает диоды Д1, Д3 и
закрывает Д2, Д4. Модулирующее напряжение вызывает ток по пути: с точки а, диод
Д1, первичная обмотка Тр2, диод ДЗ к точке б (либо в обратном направлении). Во
вторичной обмотке Тр2 появится импульс тока. В отрицательный полупериод
напряжения несущей Ut диоды меняются
ролью: Д2, Д4 открыты, а Д1, ДЗ закрыты. Звуковое напряжение создает ток по
пути: с точки а, диод Д4, первичная обмотка Тр2, диод Д2 к точке б.
Как видно из схемы, хотя полярность звукового напряжения осталась
прежней, направление создаваемого им тока изменилось. Следовательно, изменится
также полярность импульса во вторичной обмотке выходного трансформатора. В
результате получим последовательность двусторонних импульсов, огибающей которых
является полусинусоида. Это указывает на отсутствие несущей частоты. Схема
работает аналогично механическому переключателю (рис. 2.10).
В отличие от однополупериодных схем кольцевая схема является
двухполупериодной, поскольку в ней используются оба полупериода коммутирующего
напряжения (рис. 2.5)
Рис.2.10
Механическая аналогия с переключателем
Важным свойством кольцевого и мостового балансных модуляторов является
то, что в выходном напряжении отсутствует частота модулирующего напряжения и её
гармоники. Это особенно важно тогда, когда несущая частота выбрана низкой и
гармоники модулирующего спектра могут непосредственно попадать в выходной
сигнал. Кроме того, если при телеграфной работе предполагается подавать НЧ тон
на вход однополосного передатчика, эти схемы БМ предпочтительней, так как они
способствуют подавлению паразитных излучений вблизи основного сигнала. Другие
схемы БМ в этом случае часто не пригодны.
Кольцевая схема считается лучшей; на ее выходе будет меньше побочных
частот, чем в других схемах. Основная энергия содержится в боковых (f±F), т. е, в суммарной и разно-стной комбинационных частотах.
Возможен также и квадратичный режим работы диодного БМ, когда напряжение
на диоде не выходит за пределы квадратичного участка характеристики диода. Для
большинства диодов это напряжения не превышает 0,2- 0,.5 в.В этом случае
отношение напряжения гетеродина к напряжению сигнала можно уменьшить в
несколько раз при том же коэффициенте нелинейных искажений. Однако уровень
выходного сигнала при квадратичном режиме БМ в несколько раз меньше, чем при
линейном, в следствии малых входных напряжений.
Частоты на которых хорошо работают диодные БМ, зависят от типов
применяемых диодов и лежат в пределах от десятков КГц до 10-15 МГц.
Общей чертой всех БМ является возможность высокой степени подавления
несущей порядка до 35- 40 дБ
Диодные БМ имеют низкие входные характеристики и выходные
сопротивления,поэтому применение согласующих устройств обязательно.
2.4 Усилители
частоты
Качество однополосного сигнала зависит от показателей всех узлов
передатчика. Большое значение имеет удачный выбор микрофона,
Радиолюбителями используются различные типы микрофонов, но предпочтение
нужно отдать динамическим и пьезокристаллическим.
Пьезоэлектрические микрофоны развивают значительно большее звуковое
напряжение, чем динамические; оно может достигать десятков милливольт, тогда как
выходное напряжение динамических микрофонов измеряется милливольтами.
При использовании пьезомикрофонов, важное значение имеет величина
нагрузочного сопротивления, на которое работает микрофон. Пьезомикрофон с
электрической точки зрения представляет собой конденсатор емкостью в несколько
сот или тысяч пикофарад. Сопротивление его переменному току, генератором
которого он сам является, обратно пропорционально частоте. Если нагрузочное
сопротивление имеет достаточно большую величину (несколько мегом), напряжения
высоких и низких частот на нем оказываются примерно одного уровня. При
нагрузочном же сопротивлении порядка 0,5 Мом и менее уже имеет место
значительное ослабление низких звуковых частот. Точных данных здесь привести
нельзя, так как емкость различных пьезомикрофонов может отличаться в несколько
раз. Пьезомикрофон нельзя подносить близко ко рту, так как он боится влажности
и со временем может испортиться. Если есть возможность, лучше применить
микрофон с ярко выраженной направленностью. Он ослабит посторонние шумы,
которые могут быть в комнате радиолюбителя. Довольно широко распространены
микрофоны с кардиоидной диаграммой направленности, имеющей минимум сзади от
микрофона. Если прием корреспондента осуществляется на динамик, микрофон нужно
расположить так, чтобы направление на динамик соответствовало минимуму в
кардиоиде.
Микрофон можно подобрать, прослушивая на приемнике уже сформированный
однополосный сигнал, так как учитывать отдельно характеристики голоса
оператора, микрофона, модулятора, однополосного фильтра весьма сложно.
Низкочастотные колебания с выхода микрофона имеют обычно весьма низкий
уровень и потому должны быть усилены перед подачей их на балансный модулятор. В
отличие от AМ передатчиков однополосные не
требуют столь значительных модулирующих напряжений, поэтому усилители низкой
частоты в них довольно просты. Во многих случаях достаточно бывает одной
ступени усиления на пентоде или двух на триодах. Более сложные передатчики
имеют добавочные каскады усиления низкой частоты для приведения в действие
системы голосового управления.
Напряжение, подаваемое с УНЧ на балансный модулятор, не превышает обычно
нескольких вольт, так что коэффициент усиления УНЧ для динамического микрофона
должен быть от нескольких сотен до тысячи, а при использовании пьезомикрофона
достаточен коэффициент усиления порядка 50-100.
Схемы микрофонных усилителей мало отличаются от обычных усилителей НЧ.
Для них остается справедливым требование малых нелинейных искажений (не более
1-2%). При малых уровнях усиливаемых напряжений это легко выполнимо. Для
уменьшения нелинейных искажений в микрофонных усилителях однополосных
передатчиков применяются обычные меры: правильный выбор ламп и их режима,
отрицательные обратные связи. Часто применяют такой простейший вид
отрицательной обратной связи, как незашунтированное емкостью катодное
сопротивление. Заодно это упрощает схему.
Весьма важным требованием к микрофонному усилителю является полное
отсутствие в модулирующем напряжении фона переменного тока. Наличие фона
приводит, во-первых, к «журчанию» сигнала, во-вторых, к появлению по обе
стороны от подавленной несущей двух частот, отличающихся от нее на 50 или 100
гц. Для уничтожения фона используются такие общеизвестные методы, как хорошая
фильтраций питающих напряжений, питание накала первой лампы постоянным током,
продуманное размещение деталей и проводов, подбор точки заземления деталей
первого каскада, экранирование проводов и деталей. Можно также весь монтаж
первого каскада УНЧ заключить в экран, согнутый из тонкой меди, алюминия или
белой жести.
Микрофонные усилители нередко работают в условиях сильных высокочастотных
полей, которые могут вызвать вредные явления. Высокочастотное напряжение иногда
наводится на микрофон, микрофонный шнур, детали и лампы усилителя. На входе оно
может достигать единиц или даже десятков вольт. Это вызывает появление
сеточного тока, резкое нарушение режима работы УНЧ и очень большие искажения.
Может возникнуть также самовозбуждение усилителя на частотах от нескольких
единиц герц до десятков килогерц, которое будет причиной побочных излучений.
Самовозбуждение на ультразвуковых частотах иной раз трудно обнаружить в УНЧ, но
легко, прослушивая на приемнике полосу на 50-100 кГц по обе стороны от сигнала.
Чтобы избежать этих явлений, нужно прежде всего снизить до минимума ВЧ поля в
помещении радиостанции продуманным размещением антенных вводов и применением
коаксиальных фидеров вместо открытых проводов. Если микрофон не экранирован,
его нужно экранировать металлической сеткой или решеткой. Часто помогает отдельное
соединение микрофона с заземлением или корпусом радиостанции.
Порой причиной больших ВЧ наводок бывает спиральный экран в микрофонном
кабеле. Можно применять кабели с экраном типа «чулок», но лучше использовать
гибкие коаксиальные кабели. Может помочь также использование одно-,
двухкаскадного транзисторного предусилителя, смонтированного непосредственно в
корпусе микрофона. Это позволит повысить уровень сигнала в кабеле и понизить
сопротивление выхода микрофона и входа УНЧ, что весьма полезно для уменьшения
ВЧ наводок и фона переменного тока.
Если микрофонный УНЧ работает на низкоомный фильтр звуковых частот или
диодный балансный модулятор, следует применить согласующий трансформатор или
обычный катодный повторитель.
.5 Усилитель
мощности
Главная особенность усилителя мощности (УМ) или выходного каскада,
заключается в том, что на его на его энергетику, режим работы и настройку
большое влияние оказывают параметры антенны. Поэтому оговаривают параметры
антенн, в пределах которых обеспечивается настройка и работоспособность.
Основные требования к УМ относятся к мощности, линейности усиления,
широкополосность, согласованию, фильтрации, скорости перестройки, постоянству
мощности по диапазону, охлаждению и защите транзисторов от перегрузки.
Получение требуемой мощности достигается использованием сумматоров.
УМ может быть узкополосным или широкополосным, не требующим перестройки
(УРУ) либо требующим её.
Выходные каскады перестраиваемых передатчиков строятся по схеме:
АЭ-БФ-СУ, где АЭ- активный элемент( транзистор ), БФ- блок фильтров, СУ-
согласующее устройство.
Выходную мощность радиопередатчика формирует каскад усилителя мощности. В
диапазоне высоких частот обычно используют транзисторный усилитель мощности по
схеме с общим эмиттером, т.к. это обеспечивает наилучшую устойчивость работы. В
состав усилителя мощности входят активный элемент, согласующие цепи, цепи
питания и смещения. Чтобы обеспечить максимальный к.п.д и максимальную мощность
необходима произвести расчет усилитель мощности в оптимальном режиме. Для реализации
такого режима необходимо правильно спроектировать внешние цепи усилителя -
питания, смещения и согласования.
Рис.
2.11 Типовая схема усилителя Мощности
2.5.1
Устойчивость работы транзисторных усилителей
Обеспечение устойчивого режима работы транзисторов является одной из
основных задач при проектировании усилительных ступеней. Появление паразитных
колебаний чрезвычайно опасно, так как они могут ухудшить качественные и
энергетические показатели ступени или даже вызвать разрушение полупроводниковой
структуры транзисторов.
Причиной неустойчивости работы транзисторного усилителя может быть;
1. внутренняя обратная связь за счет емкости коллектора Ск;
2. внешняя обратная связь, определяемая индуктивной и емкостной связями
во внешних цепях усилителя;
. нелинейная зависимость емкости коллектора или эмиттера от
напряжения на переходе;
. тепловая неустойчивость в полупроводниковой структуре
транзистора;
. появление отрицательного сопротивления или проводимости из-за
инерционных свойств, лавинного умножения тока коллектора или базы и т. д.
. Поведение транзисторного усилителя мощности на различных
частотах можно отобразить с помощью диаграммы рис.2.12, где области возможного
самопроизвольного возбуждения транзистора заштрихованы
Рис.2.12 Частотные диапазоны транзистора нормированы относительно
характеристической частоты F = f/fгр
В области А возможность появления паразитных колебаний вызывается
тепловой неустойчивостью работы транзистора. Механизм возникновения
низкочастотных колебаний зависит от имеющейся обратной связи между температурой
полупроводниковой структуры и коллекторным током. Температура полупроводниковой
структуры, в свою очередь, зависит от коллекторного тока и рабочей частоты.
Этот эффект проявляется редко, чаще в схемах ОБ. Область β
соответствует
устойчивому состоянию работы транзистора, так как тепловая инерционность велика
и нет обратных связей из за большого сопротивления цепей обратной связи.
Работа усилителя в области С может сопровождаться возникновением
паразитных колебаний. При этом коэффициент усиления транзистора по мощности еще
достаточно велик (Кр >> 1), а сопротивления элементов в цепи обратной
связи приобретают такие значения, при которых уже нельзя пренебречь влиянием
внутренней и внешней обратной связи.
Области D соответствует устойчивый режим
работы транзистора.
При работе в области L
возможно возникновение паразитных колебаний на гармониках или чаще на
субгармониках рабочей частоты из-за нелинейности емкости коллекторного
перехода. Колебание на субгармонике это колебание с частотой, меньшей рабочей в
кратное число раз.
Обычно fпар = 0,5 fpаб. На более высоких частотах (область Е) коэффициент
усиления транзистора по мощности уменьшается до единицы. На частотах выше fmах транзистор ведет себя как
пассивный четырехполюсник.
Существует несколько способов обнаружения паразитных колебаний в
усилителе, общих для транзисторов и ламп: визуальный контроль по экрану
осциллографа формы огибающей радиочастотных колебаний на выходе и сравнение ее
с формой огибающей на входе; исследование спектра выходного сигнала; наблюдение
скачков постоянной составляющей тока коллектора при плавном изменении
возбуждающего напряжения or
нуля до максимума.
Иногда для возникновения паразитной генерации достаточно на базу
транзистора подать отпирающее напряжение ( Еб > Еб`).
Особенностью паразитных колебаний является то, что контурные токи
протекают по проводам и элементам ступени, не предназначенным для больших токов
радиочастоты(по соединительным проводам, выводам ламп, дросселям и т. п.).
Если, например, дроссель, рассчитанный на прохождение постоянной составляющей
анодного тока, при возни-кновении длинноволновых паразитных колебании станет
элементом колебательного контура, настроенного на частоту этих колебаний, то из
за большого контурного тока возможен сильный его нагрев, даже его выход из
строя.
Меры борьбы с самовозбуждением, как правило, не устраняют паразитных
колебаний. Более того, иногда средства, препятствующие самовозбуждению, способствуют
возникновению паразитных колебаний. Так, введение в схему усилителя
дополнительных нейтродинных конденсаторов увеличивает возможность возникновения
длинноволновых паразитных колебаний.
1. Для длинноволновых паразитных колебаний элементами колебательного
контура, определяющими его частоту, являются проходная емкость С, блокировочные
и контурные конденсаторы. Такие колебания называются также дроссельными.
Дроссельные паразитные колебания возникают в том случае, когда выполняются
условия самовозбуждения для эквивалентной индуктивной трехточечной схемы ,.
2. колебания монтаж стремятся выполнять с минимальной длиной
соединительных проводов. В провода, по которым может протекать контурный ток
паразитного колебания, включают антипаразитные резисторы, прежде всего в цепь
управляющей сетки. Для уменьшения коэффициента обратной связи увеличивают
емкость между сеткой и катодом,
. Ультракоротковолновые паразитные - колебания, чаще всего
возникают в ступенях о параллельные включением нескольких электронных приборов.
Элементами, определяющими частоту их колебаний, является проходная ёмкость
индуктивность и монтажных проводов, собственной ёмкости приборов и паразитная
емкость монтажа.
Для снижения вероятности возникновения ультракоротковолнового паразитного
для чего непосредственно около лампы ставят ВЧ-конденсатор
Предугадать возможность возникновения паразитных колебаний не удается,
поэтому в процессе проектирования и производства стараются исключить их
появление. При первом включении передатчика выявляют устойчивость работы его
ступеней и при необходимости осуществляют дополнительные меры обеспечения
устойчивости передатчика.
.6 Назначение
согласующих устройств (цепей согласования)
Из расчета оптимального режима генератора определяются амплитудные
значения колебательного напряжения Uк.м. м и тока первой гармоники коллекторного тока Iк1 откуда Rопт = Uк.м / Iк1 . Сопротивление Rопт называется оптимальным, требуемым
или выходным (Rвых).· Для реализации выбранного
режима и эффективной передачи мощности в нагрузку Rн требуется равенство Rвых = Rн этого равенства является
основной задачей согласования.
Сопротивлением нагрузки промежуточного каскада является входное
сопротивление следующего каскада, а для выходного сопротивление антенны. Каждый
каскад усилителя должен быть согласован со стороны входа с источником
возбуждения и со стороны выхода с нагрузкой. С этой целью между генератором и
нагрузкой ставится цепь согласования (ЦС) четырехполюсник, обеспечивающий
трансформацию сопротивлений. Кроме трансформации, ЦС должна обеспечить
требуемую фильтрацию гармоник и форму АЧХ. В противном случае в помощь ЦС
ставят дополнительные фильтры и цепи коррекции АЧХ.
К междукаскадным ЦС обычно не предъявляются особые требования по
фильтрации. Исключение составляют выходные цепи умножителей частоты, которые
должны подавлять субгармоники, т. е. гармоники, частота которых ниже
выделяемой. Высокую фильтрацию должен обеспечить выходной каскад. Для передачи
энергии часто используют коаксиальный кабель с волновым сопротивлением ρ
= 50 Ом или ρ
= 75Ом. Входное и
выходное сопротивления кабеля одинаковы и равны ρ. С помощью ЦС кабель согласуется с
обеих сторон с соответствующими нагрузками. Идеальное согласование осуществимо
только на одной фиксированной волне; в диапазоне частот лишь с определенной
степенью приближения.
Рассогласование сопровождается уменьшением мощности в нагрузке,
перегрузкой транзисторов, ухудшением фильтрации и формы АЧХ. Наибольшее
рассогласование возникает в диапазонных усилителях при смене волны, когда
усилитель расстроен. В этом случае мощные транзисторы выходного каскада,
особенно чувствительные к рассогласованию, могут выйти из строя из-за
перегрузки. Перегрузку можно объяснить с помощью уравнения баланса мощностей.
При расстройке подводимая к транзистору мощность почти не изменяется, а
отсасываемая уменьшается, следовательно, возрастает мощность потерь. Поэтому
настройку производят при пониженной 25%-ной мощности и применяют схемы защиты
транзисторов от перегрузки.
Различают два вида согласования в четырехполюсниках: на максимум передачи
активной мощности от генератора к нагрузке и на минимум отраженной волны от
нагрузки и генератора. В дальнейшем рассматривается только первый вид.
2.6.1
Узкополосные схемы согласования
Элементы согласования. Основными типами узкополосных ЦС и являются ФНЧ,
трансформатор, контур, а в диапазонах УКВ и СВЧ четвертьволновая линия. Потери
энергии в ЦС зависят от коэффициента трансформаций n. При n порядка единиц потери незначительны, при n порядка сотен их необходимо учитывать. Наибольшее распространение
получил П-образный однозвенный фильтр нижних частот (ФНЧ).
Трансформирующие свойства ФНЧ характеризуются величиной максимального
затухания в полосе пропускания, а фильтрующая способность-минимальным
затуханием вне этой полосы. С помощью различных типов ФНЧ удобно согласовать
нагрузки с низким импедансом. ФНЧ совмещает функции трансформатора
сопротивлений и фильтра. Однако расчет такого ФНЧ сложный, поэтому часто
прибегают к разделению функций трансформации и фильтрации между различными цепями.
Фильтрацию гармоник удобнее осуществлять с помощью фильтров, включаемых в
антенно-фидерном тракте, оставив за электрической цепью генератора только
функцию трансформации сопротивления нагрузки. Такое решение, кроме упрощения
расчета, позволяет также расширить пределы согласования.
Использование ФНЧ позволяет компенсировать вредное действие паразитных
реактивностей транзистора, так как последние вписываются в параметры ФНЧ.
Трансформатор согласующий, элемент применяется на всех диапазонах. Однако с
повышением частоты к. п. д. трансформатора падает, что и ограничивает его
использо-вание на УКВ. С увеличением коэффициента трансформации частотные
свойства ухудшаются. Возможны два основных вида нагрузки на трансформатор:
активная и комплексная с емкостной составляющей. Первая относится к выходному
каскаду при настроенной в резонанс антенне, вторая - к промежуточным
усилителям, когда нагрузкой служит входное сопротивление преследующего каскада.
1. Основной недостаток трансформаторного усилителя высокий уровень гармоник.
Параллельный контур находит ограниченное применение из-за необходимости его
перестройки и разбивки на поддиапазоны.
. Четвертьволновая линия является трансформатором сопротивлений лишь
в том случае, когда в ней образуется стоячая или смешанная волна, т. е. линия
не согласована. Если ее согласовать, т. е. нагрузить на сопротивление, равное
волновому (ρ), то в ней установится бегущая волна и линия превращается в
фидер, передающий энергию. Когда говорят о согласовании четвертьволновой линии
с нагрузками, то имеют в виду выбор коэффициента трансформации, т. е. точек
включения нагрузок к линии.
3. Сопротивление нагрузок должно быть равным сопротивлению линии в
точках включения. На основе трансформирующих свойств линии построены многие ЦС.
Большинство схем ЦС представляют собой многочисленные модификации ФНЧ.



Рис.2.13 Варианты схем межкаскадного согласования промежуточных
усилителей передатчика при фиксированной частоте сигнала или узкой полосе: а- ФНЧ с емкостным делителем Х0, Х3, позволяющим расширить пределы согласования; б -ФНЧ с
дополнительной индуктивностью XL2·
служащей для компенсации выходной емкости транзистора, в - параллельный
колебательный контур с неполным включением; г- ФНЧ, согласующий Rвх транзистора с ρ
коаксиального кабеля
В схеме на рис.2.13, а - элементы Х1, ХL, Х2 образуют П-образный ФНЧ, а Х3,
Х0 - емкостный делитель для расширения пределов согласования. Символ R1 обозначает промежуточное значение
пересчитанного сопротивления нагрузки. В цепи Х3ХL не должно быть последовательного резонанса на какой-либо из
частот в полосе пропускания, так как при резонансе сопротивление Rопт без трансформации соединяется с
нагрузкой, что входе и выходе схемы получаются близкими к гармоническим. В этом
и заключаются фильтрующие свойства схемы. Реактивные составляющие сопротивлений
нарушает согласование. При построении каскада следует учитывать, что от типа ЦС
зависит форма токов и напряжений транзисторов. Так, при больших емкостях Х1 и
Х2 напряжения на генератора и нагрузки считаются входящими в состав элементов
связи Х0 и Х2. Другими словами, выходная емкость транзистора Т1 суммируется с
Х0, а входная емкость Т2 с Х2- Полюса 5, 6 обозначают вход четырехполюсника, а
3, 4 - его выход. Трансформирующие свойства ФНЧ упрощенно можно объяснить
следующим образом. Напряжение на входных зажимах 5, 6 фильтра будет большим,
чем на выходных 3, 4 из-за неравенства Χ0>Χ2;С0<С2. Произошла трансформация
напряжений, при этом ток на выходе может быть больше, чем на входе.
В схеме на рис.2.13, б элементы Χ2, XL образуют ФНЧ, а Х0, X1-делитель напряжения. Индуктивность XL2 служит для частичной компенсации выходной емкости
транзистора T2 некомпенсированная часть емкости
входит в Х0. Между Χ1 и XL не должно быть последовательного
резонанса в рабочем диапазоне.
В схеме на рис.2.13, в используется параллельный контур с неполным
включением. Коэффициенты включения транзисторов различны: для T1 имеем контур III вида, а для Т2 - II вида с точками включения 1, 2 и 3, 4
соответственно. Иногда нагрузка контура подключается к нему через емкостный
делитель.
Схема на рис.2.13, г получается из схемы рис. 000, б путем исключений
индуктивности ХL2; применяется
для согласования с кабелем.
2.6.2
Широкополосные схемы согласования
Общие сведения. Широкополосный усилитель (ШПУ) позволяет отказаться от
перестройки. Это существенно упрощает весь высокочастотный тракт передатчика,
кроме антенного контура, который необходимо настраивать, если в нем не
используется УРУ. Согласование в ШПУ может быть получено только приближенно.
Причем существует жесткая связь между полосой пропускания, допуском на точность
согласования и сопротивлением нагрузки. При заданных значениях полосы и
нагрузки определяется допуск на рассогласование, который называется граничным,
или предельным. Однако практически реализовать граничный допуск не удается, так
как для этого требуется электрическая цепь с бесконечно большим количеством
элементов. Поэтому ограничиваются числом элементов не более 4-6, получая при
этом достаточно хорошее приближение к предельному случаю.
При смене рабочей волны изменяются: затухание и входное сопротивление ZBX четырехполюсника ЦС, степень
рассогласования, нагрузка на генератор, его режим и мощность, поступающая в
нагрузку. Только в одной точке диапазона, где ZBX = Rопт
режим будет оптимальным, а в остальных точках недонапряженным, если |ZBX | < Rопт, либо перенапряженным при |ZBX | > Rопт;
здесь |Zвх| - абсолютная величина (модуль)
входного сопротивления ЦС. В недонапряженном режиме ток первой гармоники
коллекторного тока Iк1 сравнительно слабо зависит от величины нагрузки и его можно
считать неизменным (генератор тока). В перенапряженном режиме, наоборот,
неизменным можно считать напряжение на выходе генератора Uкм (генератор напряжения). Строго
говоря, при комплексном характере нагрузки определение напряженности режима
работы генератора является более сложной задачей. Однако в первом приближении
приведенные неравенства указывают на характер напряженности режима.
В ШПУ чаще, чем в узкополосных усилителях, прибегают к раз делению
функций фильтрации и трансформации. Кроме того, предусматривают частотную
коррекцию для выравнивания коэффициента усиления, уменьшающегося с увеличением
частоты. Элементы согласования в ШПУ.
Основными типами широкополосных ЦС являются: П-образные ФНЧ, многозвенные
ФНЧ и полосовые фильтры в сочетании с широкополосными трансформаторами и цепями
коррекции. В диапазоне СВЧ применяется четвертьволновая линия, осуществляющая
любую трансформацию активных сопротивлений.

Многозвенные и полосовые фильтры используются только при очень широкой
полосе (рис. 2.14). Расчет элементов производится на получение требуемой
фильтрации. Если трансформирующие свойства фильтров окажутся недостаточными для
согласования, то схему дополняют широкополосными трансформаторами.
Широкополосные трансформаторы (ШПТ). Для получения равномерной АЧХ в
широком диапазоне используют ШПТ при условии, что он будет иметь минимальную
емкость и индуктивность рассеяния. Выполнение этих требований достигается
следующим образом. Используются два тороидальных сердечника. На одном из них
наматывается первичная обмотка, а на другом вторичная. Тороиды разделяются
электростатическим экраном (шайбой), чтобы уменьшить емкость между обмотками.
Обмотки помещаются в замкнутый экран (корпус). В отверстиях тороидов
размещается центральный стержень, соединяющийся с наружным экраном. Получился
кольцевой замкнутый сердечник. Сильная электромагнитная связь между обмотками
осуществляется за счет протекания тока по внутренней поверхности корпуса к
центральному стержню. Эта цепь тока называют объемным витком. Для уменьшения
междувитковой емкости используется толстый слой диэлектрика, но при этом
увеличивается индуктивность рассеяния. Следовательно, требования к ШПТ
противоречивы и разрешаются компромиссно.
В зависимости от конструкции различают трансформаторы тироидального,
коакси-ального и распределенного типа. Последние называются также
трансформаторами типа «длинной линии» (ТДЛ) или по имени их автора Рутрофа. ТДЛ
включаются на входе и выходе схемы усилителя и обеспечивают наибольшую
широкополосность.
В ТДЛ обмотки конструктивно выполняют так, чтобы междувитковые емкости Со
и индуктивности рассеяния Lpac
создавали однородную длинную линию, в которой обеспечивается постоянство
волнового сопротивления
ρ
Если
такую линию согласовать с нагрузкой Rп = ρ, то коэффициент передачи линии будет близким к единице
(n =1) и неизменным в полосе частот от нуля до нескольких гигагерц. В ТДЛ
обеспечива-ются сильная электрическая и магнитная связи между обмотками. При
работе ТДЛ токи, протекающие по линиям (обмоткам), обязательно равны по
величине и противофазны по направлению. ТДЛ представляет собой тороидальный
ферритовый сердечник, на котором располагается одна или несколько линий
передачи, выполненных в виде скрученных проводов или на основе коаксиальных и
полосковых линий. При этом выбирается требуемая величина волнового
сопротивления линии ρ и длина
линии ι из соотношения
ι = λφ/4
где λφ - нижняя длина волны с учетом укорочения ее в феррите.
Широкополосность ТДЛ объясняется тем, что междувитковая емкость по существу
нейтрализуется, так как она входит в величину ρ, в то время как в трансформаторе
обычного типа эта емкость шунтирует трансформатор и обусловливает
узкополосность. Полоса пропускания в ТДЛ существенно расширяется в сторону
верхних частот. Сложность заключается в получении сильной связи между
проводниками линии, что достигается путем их скручивания.
По своему устройству ТДЛ занимает промежуточное положение между системами
сосредоточенного и распределенного типа. В области высоких частот ТДЛ
характеризуется волновым сопротивлением ρ и фазовой скоростью распространения
волны υφ
вдоль линии.
Величина υφ в линии в 1,5-3 раза меньше скорости
света.- Величины ρ и υφ зависят от многих факторов и
определяются экспериментально. В области низких частот ТДЛ характеризуется
индуктивностью первичной обмотки. АЧХ во многом зависит от свойств
тироидального сердечника. С повышением частоты активные потери в сердечнике
возрастают, а магнитная проницаемость уменьшается. При повышении верхней
частоты диапазона возрастают трудности по созданию ТДЛ.
Рис.2.15
Рис.2.16
В случае рис.2.16. Rн = Rвых = ρ , коэффициент трансформации
сопротивлений ТДЛ равен единице (1:1), согласующие функции ТДЛ сужаются, но
развязку нагрузки с генератором ТДЛ обеспечивает. Без развязки возможно
самовозбуждение усилителя из-за связи через внутреннее сопротивление
генератора. Автогенерация в трансформаторном усилителе может быть сорвана путем
переключения обмоток трансформатора, т.е. нарушением баланса фаз
автогенератора. На этом основана развязка цепей с помощью трансформатора.
Схема с двумя ТДЛ состоит из двух длинных линий, т.е.двух ТДЛ,
соединённых последовательно по входу и параллельно по выходу. Рис.2.17.
Рис.2.17
Рис.2.18
Схема на четырёх ТДЛ строится по тому же принципу, что и на двух ТДЛ.
Различие лишь в том, что здесь берется 4 длинных линий, соединенных
последовательно по входу и параллельно по выходу. Рис 2.18.
2.6.3
Устройства согласования передатчика с антенной
Непосредственно к передатчику можно подключить только антенно-фидерное
устройство, входное сопротивление которого обеспечивает его нормальную работу.
Транзисторные усилители мощности могут не иметь органов регулировки
согласования с антенной и требуют подключения к ним фидера с КСВ не более 1,1
... 1,2.
Поэтому между антенно-фидерным устройством с большим КСВ и любым
передат-чиком и между передатчиком, рассчитанным на работу с определенным
согласованным фидером (на трансформируется до величины, равной выходному
сопротивлению фильтров или ρ кабеля.
Питание большинства антенн, применяемых в настоящее время
радиолюбителями, осуществляется с помощью коаксиального кабеля с КСВ, близким к
1 (обычно не более 2).
Имеющиеся в выходных каскадах ламповых усилителей мощности устройства
связи с антенной обеспечивают возможность согласования с такими
антенно-фидерными устройствами, т. е. передачу максимальной выходной мощности в
антенну.
Для контроля настройки устройства согласования между передатчиком и
входом антенны включают измеритель КСВ, как это показано на рис. 2.19.
Рис.2.19 Подключение к передатчику устройства согласования антенны
При этом КСВ-метр должен работать при полной выходной мощности
передатчика.
В практике радиолюбителей-коротковолновиков согласование антенны с
фидером достигается включением его в точки питания антенны, сопротивление между
которыми близко к волновому сопротивлению фидера или использованием простейших
трансформаторов сопротивлений между антенной и фидером. А в некоторых типах
радиолюбительских антенн применяются фидеры, рассогласованные с антенной, такие
сооружения радиолюбители называют антеннами с питанием стоячей волной. При
применении в этих антеннах фидерных линий с малыми потерями (например,
воздушных двухпроводных симметричных линий) КПД антенно-фидерного устройства,
как было показано выше, сохраняется достаточно высоким.
Согласующее устройство, трансформирующее входное сопротивление антенны в
активное сопротивление, близкое к 75 Ом, оказывается полезным и при приеме. Оно
обеспечивает оптимальное согласование входной цепи приемника (обычно
рассчитанной на подключение коаксиального кабеля с волновым сопротивлением 50
... 75 Ом) и, следовательно, реализацию полной чувствительности приемника.
2.7
Антенно-фидерные устройства
Антенно-фидерное устройство важный элемент радиостанции. Его
эффективность является определяющим фактором в проведении дальней радиосвязи.
Случайный кусок провода, используемый в качестве антенны, обычно имеет КПД
преобразования выходной мощности передатчика в излучаемую в нужном направлении
энергию электромагнитного поля не более 10 %. А хорошо сконструированная
радиолюбительская KB антенна может
иметь коэффициент усиления больше 10, так что переход от заменителя антенны к
специально построенной дает эквивалентный выигрыш по мощности передатчика в
сотни раз.
Если малоэффективную антенну подключить к высокочувствительному
приемнику, то при хорошем прохождении радиоволн можно услышать работу многих
любительских радиостанций, даже находящихся на больших расстояниях. Но
использовать такую антенну для передающей' радиостанции нельзя.
Неравнозначность качества антенн приемных и передающих радиостанций объясняется
следующим. Когда прием ведется на малоэффективную (обычно просто короткую или
низкую) антенну, то сигналы всех корреспондентов и помехи будут одинаково
слабы; увеличив усиление приемника, можно принять большую часть сигналов.
Большинство любительских радиостанций оборудовано высокоэффективными антеннами,
поэтому сигнал передатчика, работающего на очень неэффективную антенну,
потеряется на фоне сигналов других радиостанций.
.7.1
Характеристики антенно-фидерных устройств
Передающая антенна преобразовывает энергию переменного электрического
тока в энергию электромагнитноного поля, распространяющегося от антенны в
окружающее пространство.
Приемная антенна конструктивно не отличается от передающей, но выполняет
обратную задачу. Характеристики передающих и приемных антенн одинаковы,
поэтому, рассмотрев характеристики передающих антенн, мы можем использовать их
и для· приемных.
Коэффициент полезного действия антенно-фидерного устройства - это
отношение мощности, подводимой к фидеру от передатчика, к мощности, излучаемой
антенной. Он равен произведению КПД фидера на КПД самой антенны. У хороших
коротковолновых антенно-фидерных устройств общий КПД достигает 70 ...90 %.
Плохой КПД безусловно снижает эффективность антенны, но и хороший КПД не
гарантирует ее высокую эффективность. Определяющим фактором здесь является
диаграмма направленности антенны. Различают диаграммы направленности антенны в
вертикальной и горизонтальной плоскостях.
Диаграмма направленности антенны в вертикальной плоскости это зависимость
плотности потока излучаемой мощности от угла к горизонту. Для обеспечения связи
с дальними корреспондентами антенна должна хорошо излучать под малыми углами к
горизонту и не излучать в направлениях, близких κ
вертикали. Хорошо
сконструированная KB антенна может
сосредоточить все излучения в пределах углов до 10 ... 20° к горизонту.
Диаграмма направленности антенны у горизонтальной плоскости это
зависимость плотности потока излучаемой мощности от азимутального направления.
Ненаправленная антенна излучает одинаково во все направления. Такая антенна
удобна для работы в условиях, когда желательна радиосвязь с любым
корреспондентом (иногда это важно в соревнованиях). Для связи же с
корреспондентом, находящимся на определенном азимуте, необходимо сосредоточить
излучение именно в этом направлении.
Направленные свойства антенн характеризуются ее коэффициентом направленного
действия.
Диаграмму направленности характеризуют и отношением потока излучаемой
мощности в нужном направлении к потоку мощности в противоположном направлении
(отношение вперед-назад) и в перпендикулярном направлении (отношение вперед -
вбок). У любительских коротковолновых направленных антенн отношение
вперед-назад достигает 20 ... 30 дБ, а отношение вперед вбок может достигать 60
дБ.
Общий выигрыш по мощности благодаря направленным свойствам антенны -
коэффициент усиления - равен произведению коэффициента направленного действия
на КПД. Радиолюбителям удается создавать KB антенны с коэффициентом усиления до 20 дБ.
По направлению вектора электрической составляющей излучаемого
электромагнитного поля антенны делятся на антенны с горизонтальной и вертикальной
поляризациями. Коротковолновые антенны с излучающими элементами (обычно
проводами или металличес-кими трубками), расположенными параллельно горизонту,
являются антеннами с горизонтальной поляризацией, а антенны, излучающие
элементы которых перпендикулярны горизонту, антеннами с вертикальной
поляризацией. При радиосвязи на KB с
использованием отражения радиоволн от ионосферы поляризация антенн не имеет
существенного значения.
Входное сопротивление Антенно-фидерное устройства это отношение
напряжения на выходе передатчика к поступающему в фидер току. Обычно
любительские передатчики рассчитаны для работы на нагрузку с чисто активным
сопротивлением, равным 50 ... 100 Ом, и входное сопротивление антенно-фидерное
устройства желательно иметь близким к этому значению.
.7.2 Фидерные
линии и КПД фидерных линий
В редких случаях антенна может быть связана с KB радиостанцией без применения фидерной линии, которая
обеспечивает соединение точек питания антенны с выходом антенно-фидерного
устройства они приводят и к искажениям диаграммы передатчика (входом
приемника). Основное требование к фидерной линии - минимальные потери энергии.
На высоких частотах они определяются излучением фидера, потерями из-за
активного сопротивления его проводов и диэлектрическими потерями из-за не
идеальности изоляции. Особенно нежелательны потери на излучение, так как кроме
снижения КПД направленности и могут быть причиной помех, создаваемых
устройствам, вблизи которых проходит фидер. Поэтому
радиолюбители-коротковолновики практически не используют излучающие фидерные
линии типа одиночного неэкранированного провода. Наиболее распространенными
фидерными линиями, применяемыми для питания антенн, являются коаксиальные
кабели и (реже) двухпроводные симметричные линии.
Важной характеристикой фидерной линии - является ее волновое
сопротивление, Если фидер нагружен на активное сопротивление, равное волновому
сопротивлению линии, амплитуды напряжений между проводниками линии и
протекающих по ним токов постоянны по всей ее длине. Отношение этих амплитуд
равно волновому сопротивлению фидерной линии. При рассогласовании волнового
сопротивления линии с нагрузкой в фидере появляются стоячие волны: амплитуда
напряжения в одной из точек линии достигает максимума, а ток минимума
(«пучность» напряжения и «узел» тока), в другой точке линии наоборот -
напряжение минимально («узел» напряжения), а ток максимален («пучность» тока).
Отношение напряжений или токов в «пучности» и «узле» - это коэффициент стоячей
волны (КСВ) в фидерной линии. Поскольку омические потери в фидере
пропорциональны квадрату амплитуды тока а диэлектрические - квадрату амплитуды
напряжения, увеличение потерь в «пучностях» не компенсируется их уменьшением в
«узлах» и наличие стоячих волн приводит к снижению КПД фидерной линии.
приемник сигнал транзисторный
усилитель
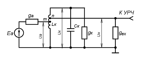
3. Расчет
фидерного устройства приемного тракта приемника
Как уже было установлено ранее, проектируемый приемник должен иметь два
преобразования частоты, поэтому его структурная схема будет строиться согласно
типовой схеме супергетеродинного радиоприемника с двумя преобразованиями.
Коэффициент диапазона
Так
как
, то можно применить неперестраиваемые избирательные
цепи, а перестройку в диапазоне частот можно осуществлять перестройкой первого
гетеродина. С учетом требований к современной элементной базе управление
перестройкой гетеродина целесообразно осуществлять при помощи синтезатора сетки
частот. В соответствии с техническим заданием шаг сетки должен быть равен 50
кГц, а перестройка должна производится в диапазоне 330-340 МГц.
Поскольку
первая и вторая ПЧ неизменны, то частота второго гетеродина фиксирован
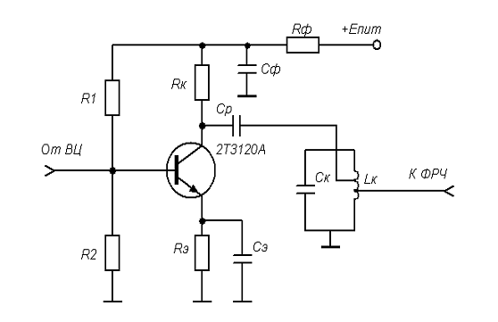
Избирательность
по зеркальному каналу осуществляется одновременно входной (ВЦ) цепью,
выполненной на одиночном колебательном контуре, и фильтром радиочастоты (ФРЧ),
являющимся нагрузкой МШУ РЧ. Принимая во внимание рабочие частоты, фильтром
радиочастоты разумно выбрать фильтр на поверхностных акустических волнах. В настоящее
время существуют ПАВ-фильтры, обладающие необходимой полосой пропускания и
достаточной избирательностью. Кроме избирательности при выборе ФРЧ следует
учитывать потери сигнала в его полосе пропускания. Они не должны быть очень
большими, чтобы увеличить уровень шумов в первых каскадах и тем самым не
ухудшить чувствительность.
Качественными
характеристиками на частотах, близких к первой промежуточной, обладают
монолитные кварцевые фильтры. Часто они способны одновременно осуществить
избирательность и по второму зеркальному, и по соседнему дополнительным каналам
приема. Поэтому кварцевый фильтр в качестве ФПЧ1 станет рациональным выбором.
Избирательность
по соседнему каналу осуществляется одновременно фильтрами первой (ФПЧ1) и
второй (ФПЧ2-1, ФПЧ2-2) промежуточных частот. На вторую промежуточную частоту
обычно выбираются недорогие керамические фильтры со сравнительно невысокой
избирательностью, поскольку большую часть задачи подавления соседнего канала
решается кварцевым ФПЧ1.
Для
устранения паразитной амплитудной модуляции сигнала при детектировании
ЧМ-сигналов перед частотным детектором (ЧД) ставится усилитель-ограничитель
(УО).
Описанная
структурная схема изображена на рис.1.
3.1 Расчет
входной цепи
Входная цепь приемника предназначена для передачи принимаемого сигнала из
антенны в последующие каскады. Она содержит избирательный элемент (контур или
фильтр), который ослабляет помехи побочных каналов и сильные внешние помехи,
уменьшая при этом такие нелинейные эффекты, как перекрестная модуляция,
интермодуляция.
Часто в качестве избирательного элемента используется одиночный
колебательный контур. Поскольку в проектируемом приемнике входная цепь (ВЦ)
является не перестраиваемой, и предполагается работа с настроенной антенной, то
реализуем цепь в виде обыкновенного колебательного контура с двойной
автотрансформаторной связью (Рис.3.2).
Рис.3.2 Схема входной цепи
Эквивалентная схема входной цепи с двойным автотрансформаторным включением
изображена на (Рис.3.3).
Рис.3. Эквивалентная схема входной цепи
Исходные данные:
-
резонансная частота
;
рабочий
частотный диапазон
,
;
проводимость
антенны
;
;
входная
проводимость следующего каскада
(см.
расчет УРЧ
).
Максимальный
коэффициент передачи достигается при согласовании контура входной цепи с
антенной или входной проводимостью следующего каскада. Однако обеспечить
одновременное оптимальное согласование контура и со стороны антенны, и со
стороны входа следующего каскада - невозможно. Поэтому так как
, то обеспечим оптимальное согласование с антенной,
задавшись значением
, и рассчитаем значение
.
Определим
параметры контура, для чего зададимся величиной емкости контура.
Рассчитаем значение индуктивности контура
.
где
при
, при
,
.
С
другой стороны
, отсюда
Характеристическое
сопротивление контура
Проводимость
ненагруженного контура
.
Зададимся
коэффициентом включения
.
Рассчитаем
коэффициент включения
:
.
Рассчитаю
избирательность по зеркальному каналу.
Обобщенная
расстройка
3.2 Расчет
усилителя радиочастоты
Входная цепь не обеспечивает должной избирательности по зеркальному
каналу, поэтому следует применить УРЧ с резонансной нагрузкой, которой может
служить контур, аналогичный контуру входной цепи. Помимо требуемой
избирательности усилитель радиочастоты должен обладать также достаточно высоким
усилением по мощности, а также малым коэффициентом шума. Исходя из этих
условий, выберу в качестве усилителя РЧ схему с ОЭ на СВЧ n-p-n биполярном
транзисторе 2Т3120А. Схема каскада приведена на рис.4.4.
Рис.3.4 Реализация УРЧ по схеме с ОЭ
В качестве активного элемента выберем СВЧ БТ n-p-n транзистор 2Т3120А,
имеющий следующие параметры:
-
статический коэффициент передачи тока биполярного транзистора в режиме малого
сигнала в схеме с общим эмиттером
обратный
ток коллектора
граничная
частота коэффициента передачи тока
емкость
коллекторного перехода
емкость
эмиттерного перехода
коэффициент
шума БТ на частоте
постоянная
времени цепи обратной связи
диапазон
рабочих температур
Выберу
по выходным характеристикам транзистора режим с
и
при
.
Учитывая
высокую рабочую частоту усилителя, выберу
и
. Разделительный конденсатор выберу из условия его
малого сопротивления на рабочей частоте
.
Рассчитаю
сопротивления делителя R1, R2. Зададимся коэффициентом нестабильности
.
Рассчитаем
коэффициент усиления данного каскада.
Найдём
коэффициент включения нагрузочного контура.
Пусть
, тогда
Полученное
значение превышает предельно устойчивое, поэтому уменьшим усиление до
приемлемого уровня путем снижения m более, чем в
раза, выберем 3. В этом случае
, а
.
Так
как УРЧ нагружен на контур, аналогичный входной цепи, то и избирательность, им обеспечиваемая,
будет такая же. В этом случае суммарная избирательность по зеркальному каналу
приема
, чего явно недостаточно для выполнения предъявленного
условия в 60дБ. Для обеспечения более высокой избирательности следует заменить
нагрузку УРЧ с колебательного контура на высокоизбирательный фильтр, которым
при заданных рабочих частотах может являться фильтр на ПАВ.
.5 Оценка
реальной чувствительности приемника
Поскольку влияние на чувствительность всего приемника оказывают лишь его
первые каскады, и, так как ранее были предъявлены требования к коэффициенту
шума приемника, будем считать, что если шум первых каскадов не превысит
рассчитанного значения, то приемник будет обладать заявленной в задании
чувствительностью.
Примем шумы контура входной цепи равными нулю и рассчитаем коэффициент
шума каскадов от УРЧ до 1-го смесителя включительно.
, поэтому
чувствительность удовлетворяет заданному требованию.
Поскольку
УРЧ был выбран в интегральном исполнении, то, учитывая изменившееся входное
сопротивление первого усилительного каскада, необходимо пересмотреть входную
цепь. Входное сопротивление интегрированного МШУ равно 50 Ом и, соответственно,
равно волновому сопротивлению антенно-фидерного тракта. В этом случае
согласование антенны с УРЧ посредством двойной автотрансформаторной связи не
требуется, достаточно использовать простой параллельный колебательный контур.
Выбор L и C, осуществленный при расчете входной цепи, остается в
силе. Помимо этого не меняется и избирательность, меняется лишь требование к
добротности контура
.
Общая
избирательность по зеркальному каналу складывается из соответствующих
избирательностей входной цепи и ФРЧ и составляет
при
заданной избирательности 60дБ.
Селективность
по второму зеркальному каналу, реализуемая в тракте ПЧ1 кварцевым фильтром
ФП2П4-590
при заданной 60 дБ.
Избирательность
по соседнему каналу, отстоящему от основного на 50кГц, складывается из
избирательностей ФПЧ1 и двух керамических фильтров ПЧ2.
, что значительно превышает требование в 60 дБ.
Пересчитаю
заданную чувствительность на входе микросхемы в единицы мощности.
или
Для
нормальной работы приемника сигнал на входе микросхемы MC13150FTA
должен быть выше чувствительности, т.е. выше -100 дБм. Следовательно, каскады,
предшествующие данной микросхеме, должны обеспечить суммарное усиление, большее
. Рассчитаем это суммарное усиление, приняв потери,
вносимые входной цепью, равными нулю.
Результат
показывает, что есть некоторый запас по чувствительности, и если при
максимальном входном сигнале возникнет перегрузка каскадов, рассчитанное
суммарное усиление можно уменьшить, изменив коэффициент усиления УПЧ с АРУ.
Рассмотрим
работу приемника в режиме максимального входного сигнала, то есть проверим, не
перегружаются ли каскады приемника при этом сигнале. При этом в качестве
критерия перегрузки каскада возьмем сигнал в точке компрессии 1 дБ.
Поскольку
заданный динамический диапазон равен 70 дБ, то на входе приемника, т.е. на
входе УРЧ, имеем сигнал
. В этом случае сигнал на входе MC13150FTA
достигает величины
, что превышает
.
Так
как значение -20,5 дБм меньше любого из значений
,
то перегрузки каскадов до МС MC13150FTA тем более не происходит, соответственно,
останавливаемся на усилении
.
При
выполнении условий линейности всех усилительных и преобразовательных узлов
приемного тракта нелинейные искажения можно считать малыми и удовлетворяющими
требованию
.
Выберу
напряжение источника питания
,
поскольку все из выбранных микросхем способны работать при таком напряжении.
Поскольку
практическая схема, приведенная в документации разработчиком микросхемы MC13142D,
рассчитана на частоту 975,5 МГц, то реактивности контура ГУН’а, а также другие
реактивности, через которые протекает ВЧ ток, должны быть пересчитаны на
частоту 375,5 МГц (330+45,5) при условии равенства реактивных сопротивлений.
Это элементы C1, C4, C5, C8, L2, С9.
Аналогично
,
,
,
, 
.
Конденсаторы
С10, С11 синтезатора частоты выбираются аналогично, но первоначальная
.
,
.
Цепочка
R1, C2 на выходе синтезатора выбирается из условия
качественной фильтрации постоянного напряжения, поэтому выберем 
,
.
Выходное
сопротивление смесителя 1 - 800 Ом, но он нагружен на линию 50 Ом,
следовательно, требуется согласовать линию по максимально передаваемой
мощности. Так как коэффициент полоса пропускания относительно узка в этом месте
тракта, то произведем согласование посредством согласующего Г-звена (на схеме
С13 и L3). Реактивные сопротивления элементов в этом случае
определяются по формулам
и
где
и
,
соответственно, выходное сопротивление предыдущего и входное сопротивление
следующего каскадов.
,
.
Для
управления усилением УПС RF3330 вводим переменный резистор R5
номиналом 1кОм.
Необходимо
пересчитать параметры элементов контура второго гетеродина на частоту
. В документации параметры приведены на частоту
. Коэффициент пересчета
.
,
,
.
Резистор
R9=560кОм, подключенный к детектору микросхемы MC13150FTA,
обеспечивает необходимый управляющий ток, реализующий полосу детектирования
26кГц.
Фильтр
низких частот, образованный RC-цепочкой, включенной между детектором и УНЧ, должен
быть рассчитан на верхнюю частоту спектра речевого сигнала, т.е. на 3,4кГц.
Пусть
, тогда
Блокировочные
конденсаторы в цепях питания выберу следующим образом:
для
схем РЧ, ПЧ1 - по 1 мкФ;
для
ПЧ2 - 10 мкФ;
для
УНЧ - 100 мкФ.
Выбор
остальных элементов можно осуществить, пользуясь типовыми схемами включения,
поскольку во всех оставшихся цепях частоты совпадают с типовыми.
Заключение
В ходе выполнения курсовой работы были углублены знания в области
построения, принципов работы радиопередающих устройств, и был произведен расчет
линии:
Также в результате выполнения курсовой работы изучены требования к блокам
входящим в состав радиопередающих устройств.
Проделанная работа закрепила полученные на лекциях знания в области
проектирования и анализа работы радиопередающих устройств.
Список
использованной литературы
1. Абилов А.В. Сети связи и системы коммутации. ИжГТУ 2009.-352с.:ил.
2. Слепов Н.Н. Современные технологии цифровых оптоволоконных сетей
связи. Москва: Радио и Связь, 2010. 468с.:ил.
. Гордиенко В.Н., Ксенофонтов С.Н., Кунегин С.В., Цыбулин М.К.
Современные высокоскоростные цифровые телекоммуникационные системы. Ч. 3.
Группообразование в синхронной цифровой иерархии: Учебное пособиеМТУСИ. - М.,
2009. - 76 с.:ил.
4. Гольдштейн
Б. С. Системы коммутации - СПб.: БХВ - Санкт-Петербург, 2003.- 318 с.: ил.
5. Цифровая
коммутационная система Si 2000: Справочник по эксплуатации.- Iskratel, 2004.
. Универсальный
мультиплексор FOX. Руководство пользователя. Блоки шины PBus. 2-е издание. - ABB Power Automatic AG, 2000.
7. Универсальный
мультиплексор FOX. Руководство пользователя. Блоки шины UBus. 2-е издание. - ABB Power Automatic AG, 2000.
8. Универсальный
мультиплексор FOX. Руководство пользователя. Блоки управления. 2-е издание. -
ABB Power Automatic AG, 2000.
. Универсальный
мультиплексор FOX. Руководство пользователя. Блоки питания. 2-е издание. - ABB
Power Automatic AG, 2000.
. Денисьева
О. М., Мирошников Д. Г. Средства связи для «последней мили». - М.: Эко-Трендз,
2000.
. Алиев
И. И. Кабельные изделия: Справочник.- М.: ИП РадиоСофт, 2001.
. Гроднев
И. И. Волоконно-оптические линии связи./Учебное пособие для высших учебных
заведений. - М.: Радио и связь, 1990.
. Верник
С. М., Гитин В. Я., Иванов В. С. Оптические кабели связи. - М.: Радио и связь,
1988.
. Берлин
Б. З., Брискер А. С., Иванов В. С. Волоконно-оптические системы связи на
ГТС/Справочник. - М.: Радио и связь, 1994.
. Руководство
по прокладке, монтажу и сдаче в эксплуатацию волоконно-оптических линий связи
ГТС. - М.: ССКТБ, 1987.
. Инструкция
по проектированию линейно-кабельных сооружений связи. ВСН 116-87. - М.:
Гипросвязь, 1987.
. Фриман
Р. Волоконно-оптические системы связи. 2-е дополненное издание. М.: Техносфера,
2004. - 496 с.
. Гроднев
И. И., Верник С. М. Линии связи/Учебник для ВУЗов. - М.: Радио и связь, 1989.
. Птицын
Г. А. Живучесть сетей связи: Ж. Электросвязь. М., №2, 2001.
. Казаринов
И. А. Проектирование электропитающих установок предприятий проводной связи.-
М.: Связь, 1974.
. Китаев
В. Е., Бокуняев А. А., Колканов М. Ф. Электропитание устройств связи / Учебник
для вузов. - М.: Связь, 1975.
. Князевский
Б. А., Долин П. А., Марусова Т. П. и др. Охрана труда: Учебник для студентов
вузов/ Под ред. Б. А. Князевского. 2-е изд., перераб. и доп. - М.: Высш. Школа,
1982.