Разработка автономного электроснабжения для теплонасосной установки

  • Вид работы:
    Дипломная (ВКР)
  • Предмет:
    Физика
  • Язык:
    Русский
    ,
    Формат файла:
    MS Word
    1,43 Мб
  • Опубликовано:
    2012-05-15
Вы можете узнать стоимость помощи в написании студенческой работы.
Помощь в написании работы, которую точно примут!

Разработка автономного электроснабжения для теплонасосной установки

СОДЕРЖАНИЕ

ВВЕДЕНИЕ

1. СОСТОЯНИЕ ВОПРОСА И ЗАДАЧИ РАБОТЫ

1.1 Недостатки централизованного теплоснабжения

1.2 Опыт применения ТНУ на Западе и в РФ

1.3 Сочетание ТНУ с возобновляемыми источниками энергии - эффективный путь экономии не возобновляемых энергоресурсов

Выводы по главе 1

2. ФИЗИЧЕСКАЯ МОДЕЛЬ ТНУ

2.1 Прямой и обратный циклы Карно

2.2 Параметры в контурах ТНУ и диапазоны их изменения

Выводы по главе 2

3. МАТЕМАТИЧЕСКАЯ МОДЕЛЬ ТНУ

3.1 Расчет тепловой нагрузки системы отопления

3.2 Уравнение теплового баланса системы отопления

3.3 Расчет мощности компрессора

3.4 Расчет общей мощности привода компрессора

Выводы по главе 3

4. СТРУКТУРНАЯ СХЕМА ТНУ С АВТОНОМНЫМ ЭЛЕКТРОСНАБЖЕНИЕМ

4.1 Структурная схема ТНУ

4.2 Блок-схема устройства автономного электроснабжения. Выбор и обоснование преобразователя постоянного напряжения в переменное

4.3 Расчет суммарной электрической нагрузки ТНУ

4.4 Фотопреобразователь

4.4.1 Принцип действия фотоэлемента

4.4.2 Расчет фотопреобразователя

4.4.3 Параметры фотоэлектрических солнечных модулей

4.5 Термопреобразователь

4.5.1 Термопреобразователь с проволочными термоэлементами и его расчет

4.5.2 Термопреобразователь с полупроводниковыми термоэлементами и его расчет

Выводы по главе 4

5. ПРИМЕР ПРИМЕНЕНИЯ ТНУ С АВТОНОМНЫМ ЭЛЕКТРОСНАБЖЕНИЕМ

5.1 Цель и задачи разработки опытной ТНУ с автономным электроснабжением

5.2 Способы извлечения низкопотенциального источника тепла верхних слоев грунта и грунтовых вод

Выводы по главе 5

ЗАКЛЮЧЕНИЕ

СПИСОК ИСПОЛЬЗОВАННЫХ ИСТОЧНИКОВ

ПРИЛОЖЕНИЯ

Приложение 1. Параметры фотопреобразователей

Приложение 2. Электрические накопители энергии

Приложение 3. Математическая модель ТНУ с автономным электроснабжением

 

ВВЕДЕНИЕ


Актуальность проблемы

Одним из основных положений экологического аспекта стратегии устойчивого развития, принятой в Рио-де-Жанейро в 1992 г., является «постепенный переход от энергетики, основанной на сжигании органического топлива, к альтернативной энергетике, использующей возобновляемые источники энергии (солнце, подземное тепло, воду, ветер, энергию биомассы и т. д.), а также древесные отходы - опилки, стружка, сухая трава и т.д.

Новизна технического предложения магистерской диссертации заключается в разработке теплонасосной установки с одновременной выработкой тепла и электроэнергии.

В ближайшее время основными источниками энергии будут энергия солнца, низкопотенциальная энергия недр земли, в том числе грунтовых вод, а так же природный газ и отходы некоторых производств.

В настоящее время теплонасосные установки (в дальнейшем ТНУ) применяются только для выработки тепла. Их действие основано на использовании электроэнергии существующих электрических сетей. Существенным недостатком этих установок, сдерживающим их широкое применение в России, являются большие затраты электроэнергии, расходуемой компрессором.

Естественно, заманчивым является предложение одновременной выработки в ТНУ как тепла, так и электроэнергии.

Как было отмечено в начале, для выработки электроэнергии перспективно использование нетрадиционных возобновляемых источников энергии, которые отличаются высокой степенью экологической чистоты.

В ТНУ применяются два вида генераторов постоянного напряжения.

на солнечных кремниевых фотоэлементах (солнечные батареи)

на проводниковых и полупроводниковых термоэлементах

Исходными данными для проектирования такой ТНУ является: а) мощность потребления электроэнергии; б) параметры солнечных модулей; в) параметры термоэлементов.

Объект и предмет исследования

Объектом исследования является теплонасосная установка для одновременной выработки теплоснабжения и электроэнергии на основе фотоэлектрических и термоэлектрических преобразователей.

Предметом исследования является автономный преобразователь постоянного напряжения в переменное, частотой 50 Гц.

Цель и задачи исследования

Основными целями данной работы являются:

.   Разработка ТНУ с автономным электроснабжением.

2.      Составление ее математической модели.

Одной из основных задач работы является получение математической модели ТНУ с автономным электроснабжением. Исходными данными для расчета параметров ТНУ на основе математической модели являются теплофизические параметры объекта: Количество тепловой энергии, определяемое на основе площади отопления объекта и нормативных данных. На основе расчета необходимой теплоты определяется количество электроэнергии, необходимой для ее производства с помощью компрессора.

Методы решения поставленных задач

В работе используются следующие методы:

а) составление математической модели теплонасосной установки с автономным электроснабжением.

б) разработка схем электроснабжения и автоматики.

Научная новизна

В результате анализа применения ТНУ за рубежом и в РФ предложено совместить с выработкой тепла выработку электроэнергии в условиях отсутствия централизованного электроснабжения на основе возобновляемых источников энергии: солнечных батарей и терморегуляторов.

Основные защищаемые положения

а) Математическая модель автономного источника электроснабжения

б) Структурная схема ТНУ с одновременным обеспечением тепла, электроэнергии.

Практическая ценность

Предложена блок-схема автономного электроснабжения на основе солнечных элементов, термогенератора и преобразователя постоянного напряжения в переменное в виде машинного агрегата, а так же приведена методика расчета на конкретную нагрузку на основе солнечных элементов.

1. СОСТОЯНИЕ ВОПРОСА И ЗАДАЧИ РАБОТЫ

1.1 Недостатки централизованного теплоснабжения


На протяжении последних десятилетий в РФ теплоснабжение осуществляется от централизованных систем теплоснабжения, в которых источником тепловой энергии является ТЭЦ, на которых одновременно осуществляется выработка, как тепла, так и электроэнергии. Преимущества централизованного теплоснабжения понятны и широко признаны во всем мире. По масштабам использования централизованного теплоснабжения - является лидером. Такое теплоснабжение при одновременной выработке электроэнергии на ТЭЦ многими странами, такими как Германия, Дания, считается эффективным средством энергосбережения.

Вместе с тем централизованное теплоснабжение имеет существенные недостатки: большие капитальные затраты на строительство теплотрасс, большие потери тепла на трассе, большие затраты на эксплуатацию теплотрасс.

Повышение тарифов на тепловую энергию и указанные большие затраты на содержание теплотрасс заставляют искать новые пути и способы теплоснабжения.

1.2 Опыт применения ТНУ на Западе и в РФ


Теплонасосные установки являются одним из эффективных альтернативных путей теплоснабжения. Тепловые насосы уже давно применяются в США, Швеции для теплоснабжения жилых зданий, а также производственных помещений, предприятий.

В некоторых странах количества тепла, вырабатываемого ТНУ, уже составляет около 50% от потребного, например в Швеции. В Японии в эксплуатации находиться несколько миллионов ТНУ с единичной тепловой мощностью от 1 до 16 кВт. В Германии находится в эксплуатации около 1 миллиона ТНУ, вплоть до единичной тепловой мощности 4 МВт. Надо отметить, что в Германии выделяется самая крупная среди развитых стран государственная дотация из бюджета: за 1 кВт тепловой мощности, запущенного в эксплуатацию ТН, выплачивается 300 ЕВРО. В Дании эксплуатируется 40 000 ТНУ. В Швейцарии, в которой первые ТНУ были построены еще в 30-х годах 20 века, находятся в эксплуатации около 40 000 ТНУ, но в основном небольшой мощности. Предусматривается увеличение втрое производства тепла с ТНУ.

На данное время, в начале 21 века, Россия существенно отстает по объему внедрения ТНУ даже от слабых стран. Однако следует подчеркнуть, что для России с учетом более жестких климатических условий и более продолжительного отопительного периода экономическая эффективность от применения ТНУ будет намного выше, чем в странах Европы, США и Канаде.

В бывшем СССР еще в 1986-89 годах «ВНИИ холодмаш» был разработан ряд ТНУ теплопроизводительностью от 17 кВт до 11,5 МВт. Большая часть ТНУ этого ряда прошла стадию изготовления и испытания, опытных образцов на пяти заводах холодильного машиностроения. Четыре типоразмера выпускались серийно теплопроизводительностью 14; 100; 300; 8500 кВт. С 1987 по 1992 было выпущено около 3 000 ТНУ. Тепловая мощность парка всех ТНУ оценивается в 30 МВт.

В России в последние годы появились специализированные фирмы в Москве, Новосибирске, Нижнем Новгороде и других городах, проектирующие и выпускающие только тепловые насосы. Усилиями этих фирм дополнительно введены в эксплуатацию ТНУ общей тепловой мощностью около 50 МВт.

Достаточно универсальным повсеместно доступным источником низкопотенциального тепла являются поверхностные слои грунта до 50-60-100 м. Скважины для взятия грунтовой воды могут сооружаться под фундаментом здания или в непосредственной близости от него.

Тепловые режимы грунтовых теплообменников могут быть существенно улучшены при использовании, наряду с теплом грунта, утилизируемого тепла вентвыбросов, тепла жидких стоков, а в ряде случаев и солнечной энергии.

Дополнительный потенциал повышения эффективности использования тепловых насосов кроется также в возможности их внедрения не только для целей отопления и горячего водоснабжения, но и для кондиционирования воздуха, включая контроль и управление влажности воздуха в помещениях и в ряде технологических процессов.

В настоящее время создан ряд систем для теплоснабжения коттеджей и так называемых «умных домов».

В 1998 году запущена в эксплуатацию система теплоснабжения средней школы в деревне Филинново Ярославской области, ведется строительство крупной (более 1,5 МВт) системы теплоснабжения первого в Москве и в России аквапарка. Система теплонасосного горячего водоснабжения заложена в проект экспериментального энергоэффективного многоэтажного жилого дома в микрорайоне Никулино-2 г.Москвы, разработка которого ведется в рамках долгосрочной научно-технической программы «Энергосбережение в городе Москве», реализуемой Миннауки России совместно с московским правительством. Сооружается ряд объектов тепловыми насосами в московском городском парке «Фили».

 

.3 Сочетание ТНУ с возобновляемыми источниками энергии - эффективный путь экономии не возобновляемых энергоресурсов


Развитие энергетического сектора напрямую зависит от инвестиций в технологическое перевооружение и внедрение нетрадиционных возобновляемых источников энергии.

Согласно данным экспертов Конференции ООН по торговле и развитию общий объем иностранных инвестиций в экономику России по итогам 2005г. достиг 26,1 млрд. дол., что меньше в 3 раза, чем в экономику Китая, в 4 раза, чем в экономику США и в 8 раз меньше, чем в экономику Великобритании.

В развитых странах 80% роста ВВП определяется инновациями и технологическим процессом. Доля России на мировом рынке высокотехнологичной продукции очень мала и составляет всего 0,5%.

В России надо взять под особый контроль реализацию научных разработок в энергетике, которые у нас не всегда получают должную финансовую поддержку.

Наглядным примером является судьба разработок по теплонасосным установкам, начатых еще 30-40 лет назад, но так и не получившим широкого применения в России. Однако эти ТНУ на Западе получили широкое распространение во многих странах.

Главными проблемами развития нетрадиционной энергетики является изучение и применение различных способов производства электроэнергии и тепла, лучше всего одновременно.

К возобновляемым источникам относятся: энергия солнца, ветра, биомассы, геотермального тепла, низкотемпературной тепловой энергии окружающей среды (в том числе, прежде всего грунтовых вод), водных потоков и т.д.

Перспективным направлением в энергетике в 21 веке является направление «солнце - газ».

Ресурсы на долгосрочную перспективу, как солнца, так и газа, неограничены. Ресурс солнечной энергии оценивается в миллиарды лет. Ресурс газа оценивается большими запасами природного газа (на сотни лет), а так же запасами газа, получаемого из биомассы, и зависящего только от существования солнца.

Поэтому в данной работе при построении ТНУ за основу взято направление «солнце - газ».

Выводы по главе 1

Рассмотрены недостатки централизованного теплоснабжения.

Обоснована перспективность применения ТНУ с автономным электроснабжением.

2. ФИЗИЧЕСКАЯ МОДЕЛЬ ТНУ


2.1 Прямой и обратный циклы Карно


Теплонасосная установка состоит собственно из теплового насоса (ТН) и системы, обеспечивающей подвод и отвод из источника низкопотенциальной теплоты (ИНТ), подачу нагретой в ТН среды потребителю и ее возврат к ТН (рис 2.1). В ТНУ могут входить несколько ТН.

В испарителе ТНУ низкокипящее рабочее вещество (фреон) кипит при низком давлении, отнимая теплоту у ИНТ. После компрессора давление фреона повышается до уровня, позволяющего отдать теплоту конденсации нагреваемой жидкости в отопительном контуре. В дросселе давление сконденсированного фреона снижается до давления кипения. Таким образом, реализуется непрерывный процесс переноса теплоты с более низкого температурного уровня на более высокий с подводом энергии из вне, затрачиваемой на повышение давления парообразного рабочего вещества, т.е. обратный термодинамический цикл - обратный цикл Карно.

Рис. 2.1 Тепловой насос (обратный цикл Карно)

В компрессионном холодильнике (рис. 2.2) замкнутая система из соединенных последовательно трубопроводами компрессора, испарителя и конденсатора заполняется хладагентом - фреоном, обладающим низкой температурой кипения ≈ - 30°С при атмосферном давлении.

Компрессор отсасывает пары фреона из испарителя и из-за понижения давления процесс испарения ускоряется. Теплота, идущая на испарение, «отбирается» от среды, окружающей испаритель. Компрессором пары фреона сжимаются, при этом их температура повышается. В конденсаторе - теплообменнике (находящемся на задней стенке холодильника) они охлаждаются до комнатной температуры, отдавая часть тепла окружающей среде, и конденсируются при постоянном давлении Р1. После прохождения фреона через капиллярную трубку в испаритель его давление снижается от значения Р1 в конденсаторе до Р2 в испарителе. Здесь жидкий фреон при понижении давления опять испаряется, его температура (и вместе с ним температура испарителя) понижается. Такая циркуляция фреона, связанная с теплообменом, происходит непрерывно, пока работает компрессор. Здесь имеет место прямой термодинамический цикл - прямой цикл Карно.

Рис. 2.2 Принципиальная схема компрессионного холодильника. (прямой цикл Карно)

2.2 Параметры в контурах ТНУ и диапазоны их изменения

 

t1, t2, t3- температура воды на глубине погружения глубинного насоса, на ее поверхности и на входе в питательный контур, в скважине С1, диапазон +(3-5)°С;

t4 - температура воды на входе в скважине С1, С2, диапазон +(1-2)°С;

t5 - температура фреона до компрессора, основной контур, диапазон +(3-5)°С;

t6 - температура фреона после компрессора, основной контур, диапазон +(100-115)°С;

t7 - температура в отопительном контуре подаваемая потребителю тепла, диапазон +(55-100)°С;

tсу - температура после дросселя, основной контур, диапазон - 30°С;

P1 - давление на входе в питательный контур из скважины С1, диапазон 2 кгс/см2;

P2 - давление до компрессора, основной контур, диапазон 2 кгс/см2;

Pдк - давление после компрессора, основной контур, диапазон 20-25 кгс/см2;

Pдок - давление в отопительном контуре потребителя тепла, диапазон 3-5 кгс/см2;

Pсу - давление после дросселя, основной контур, диапазон 2 кгс/см2;

Nk - мощность компрессора, диапазон 2-5 кВт;

Nгн - мощность глубинного насоса, диапазон 0,3-0,5 кВт;

Nнок - мощность насоса отопительного контура, диапазон 0,03-0,1 кВт;

Выводы по главе 2

Рассмотрены физические процессы ТНУ на основе обратного цикла Карно для выработки тепла и на основе прямого цикла Карно для выработки холода.

Приведены параметры ТНУ и диапазоны их применения.

3. МАТЕМАТИЧЕСКАЯ МОДЕЛЬ ТНУ


3.1 Расчет тепловой нагрузки системы отопления


Расчет тепловой нагрузки системы отопления Q0 объекта (жилого дома, административного здания и т.д.) исходя из общей площади S объекта и удельной тепловой нагрузки q на единицу площади, проводится по соотношению:

 (3.1)

где , ,

Величина q определяется нормативными документами на объект.

3.2 Уравнение теплового баланса системы отопления


В соответствии с [4,5] уравнение теплового баланса системы отопления может быть представлено в виде

 (3.2)

где Q0 - тепловая нагрузка системы отопления, ;

e - удельная безразмерная тепловая нагрузка отопления;

G0 - расход воды на отопление, ;

с - теплоемкость воды, ; своды=4,2 ;

tсв - температура воды перед системой отопления, °С;

tвп - температура воздуха в отапливаемом помещение.

Анализ выражения (3.2) показывает [5], что при изменении температуры tвп в результате изменения температуры окружающего воздуха tов и изменения температуры воды tсв на входе в систему отопления поддержание постоянства Q0=const может быть обеспечено изменением G0, то есть путем изменения расхода воды G0.

Для сохранения неизменной тепловой нагрузки Q0 при снижении температуры tсв воды на входе системы расход воды на отопление должен быть увеличен на ΔG0, (G0+ΔG0), а при увеличение температуры tсв - уменьшен на ΔG0, (G0-ΔG0).

Следовательно, автоматическое поддержание постоянства температуры воздуха tвп внутри отапливаемого помещения может быть обеспечено системой автоматического регулирования расхода воды, содержащей датчики температуры tвп воздуха в отапливаемом помещении; датчики температуры tсв воды на входе системы отопления; теплосчетчик, состоящий из расходомера и тепловычислителя.

Одновременно может быть установлен ручной регулятор расхода воды для случая выхода из строя системы автоматического регулирования расхода воды.

Для выбора датчиков приведем ориентировочные диапазоны изменения: tвп=(18-22)°С; температуры наружного воздуха tов=-(40)…+(40)°С, температуры воды tсв перед системой отопления +(50-115)°С.

Из (3.2) может быть рассчитан расход воды на отопление G0, поступающий от ТНУ

.(3.3)

3.3 Расчет мощности компрессора


Расчет мощности компрессора Nk, потребляемой им для производства количества тепла Q0, проводится исходя из следующих соображений.

Эффективность работы теплового насоса характеризуется коэффициентом преобразования φ представляющий собой отношение тепловой нагрузки системы отопления Q0, полученной от конденсатора ТНУ, к электрической мощности привода компрессора Nпр, затраченной им для производства количества тепла Q0, и выраженный в тепловых единицах (или в электрических)

 (3.4)

 (3.5)

φ в диапазоне от 3 до 7.

 

.4 Расчет общей мощности привода компрессора


 (3.6)

где Nk - мощность, затраченная на сжатие газа;

Nм1 - мощность, затрачиваемая на механические потери в компрессоре, слагается из потерь мощности в опорах скольжения или качения, в местах трения в уплотнительных устройствах и у поршня;

Потери мощности Nм1 учитываются механическим КПД ζм1, который колеблется в пределах 0,9…0,93 для вертикальных компрессоров; 0,88…0,92 для горизонтальных компрессоров и 0,8…0,85 для небольших горизонтальных компрессоров.

Потери мощности в передаче Nм2 учитываются механическим КПД ζм2, который равен 0,9…0,95 для ременной передачи и 0,85…0,92 для зубчатой;

Мощность, затрачиваемая на привод вспомогательных механизмов Nвсп, определяется в зависимости от типа механизма и учитывается КПД ζвсп.

Мощность привода выбирают с запасом на 10…12% мощности компрессора.

Найденное Nпр. является параметром для выбора компрессора, а так же для выбора суммарной электрической нагрузки Nтну.

Это значение Nтну нужно для проектирования автономного электроснабжения от ФП и ТП.

3.5 Выводы по главе 3


Составлена математическая модель ТНУ с автономным электроснабжением.

Приведено уравнение теплового баланса системы отопления для расчета мощности компрессора и общей мощности его привода.

4. СТРУКТУРНАЯ СХЕМА ТНУ С АВТОНОМНЫМ ЭЛЕКТРОСНАБЖЕНИЕМ


4.1 Структурная схема ТНУ


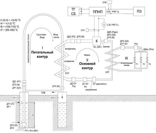
Теплонасосная установка (рис.4.1) состоит из трех контуров: питательного, основного и отопительного.

На рисунке рис 4.1 обозначены:- питательный контур.

ГН1 - глубинный насос закачки грунтовой воды.

ДУ1 - датчик верхнего уровня воды в скважине С1 и датчик ДТ1 ее температуры t1.

ДУ2 - датчик нижнего уровня воды и датчик ДТ2 ее температуры t2.- высота извлекаемого столба жидкости в скважине С1.

ДД1, ДТ3, ДР1 - соответственно датчики на входе питательного контура: давления Р1, температуры t3 и расхода Q1.

ДТ4 - датчик температуры воды t4 на выходе питательного контура при закачке обратной воды по трубопроводам обратной воды ТОВ в две скважины: C1 - из которой производилась закачка воды в питательный контур насосом ГН1; С2 - специальная скважина для поддержания уровня грунтовых вод H и восстановления в обеих скважинах первоначальных температур, т.к. температура t4 после взаимодействия питательного контура I с устройством отбора тепла УОТ основного контура II понижается (после сужающего устройства СУ).- основной контур.

К - компрессор мощностью Nк; СУ - сужающее устройство; УОТ - устройство отбора тепла от питательного контура; ДД2 и ДТ5 - датчики давления Р2 и температуры t5 на входе компрессора; ДДК, ДР2, ДТ6 - датчики давления, расхода и температуры на выходе компрессора; ДД-СУ, ДТ-СУ - датчики давления Рсу и температуры tсу на выходе сужающего устройства СУ; СУ - сужающее устройство.- отопительный контур.

П1, П2, …, Пn - потребители тепла; УПТ - устройство приема тепла; ДР3, ДТ7 - датчики расхода нагретой воды и ее температуры t7 при подаче потребителям с помощью насоса отопительного контура Нок; ДДок - датчик давления на вводе потребителям.

ППНП - преобразователь постоянного напряжения в переменное U частотой f=50 Гц; ТГ, СБ - соответственно термогенератор и солнечная батарея, вырабатывающие постоянное напряжение E; СЧ1 - счетчик электроэнергии Nк, потребляемой компрессором К; СЧ2 - счетчик электроэнергии Nпэ, потребляемой остальными потребителями электроэнергии.

Рис 4.1 ТНУ с автономным электроснабжением от термогенератора и от солнечных батарей

4.2 Блок-схема устройства автономного электроснабжения. Выбор и обоснование преобразователя постоянного напряжения в переменное


Блок-схема устройства автономного электроснабжения приведена на рис.4.2

Рис.4.2 Блок-схема автономного электроснабжения для теплонасосной установки

ФГ - фотогенератор; НФГ - накопитель фотогенератора; ТГ - термогенератор; НТГ - накопитель термогенератора; СхУ - схема управления; ППНП - преобразователь постоянного напряжения в переменное; ВРУ - вводное распределительное устройство.

Uс - напряжение электросети 220 В 50 Гц; Uфг - постоянное напряжение фотогенератора; Uнфг - постоянное напряжение накопителя фотогенератора; Uтг - постоянное напряжение термогенератора; Uнтг - постоянное напряжение накопителя термогенератора; Uд, Iд - напряжение и ток двигателя постоянного тока;

Нагрузки ВРУ: Nпр - мощность привода компрессора; Nна - мощность насосных агрегатов; Nбн - мощность нагрузок бытового назначения; Nсху - мощность приборов схемы управления; Nтну - суммарная нагрузка.

Источники электрической энергии постоянного напряжения для автономных систем электроснабжения

Химические источники:

·  аккумуляторы

·        топливные элементы

·        электрохимические

·        биохимические

Физические источники:

·  фотогенераторы

·        термогенераторы

·        атомные батареи

Для преобразования постоянного напряжения в переменное известны следующие пути:

·  статические преобразователи постоянного напряжения в переменное - инверторы

·        электромашинные преобразователи постоянного напряжения в переменное структур ДПТ-ГПН (двигатель постоянного тока - генератор переменного напряжения)

Классификация статических преобразователей постоянного напряжения в переменное

.   Транзисторные: однотактные и двухтактные (недостаток - небольшая выходная мощность - до нескольких кВт)

2.      Тиристорные

(Достоинства - большие мощности до нескольких десятков кВт)

.   На JGBT - транзисторах

(Достоинства - большие мощности, кВт, МВт)

.   Цифровые (ЦАП - цифроаналоговые преобразователи)

В приложении 2 дана классификация накопителей электроэнергии.

В настоящее время перспективными считаются накопители энергии, из них в первую очередь обычные свинцовые аккумуляторы с добавкой наноматериалов.

4.3 Расчет суммарной электрической нагрузки ТНУ


Схема автономного электроснабжения ТНУ включает преобразователь постоянного напряжения в переменное, который представляет собой машинный агрегат, состоящий из двигателя постоянного тока ДПТ и генератора переменного напряжения ГПН.

ГПН выбирается исходя из суммарной электрической нагрузки Nтну:

Nтну=Nпр+Nна+Nсн+Nсху (4.1)

где Nпр - мощность привода компрессора

Nна - мощности насосных агрегатов

Nсн - мощности приборов собственных нужд

Nсху - мощность приборов схемы управления СхУ

Машинный агрегат имеет напряжение 220 В частотой 50 Гц с тем, чтобы можно было применять обычные приборы различного назначения на 220 В. Питание нагрузок Nпр, Nна, Nсн, Nсху осуществляется через вводное распределительное устройство ВРУ с соответствующей релейной защитой.

Для функционирования машинного агрегата МА необходимо на вход двигателя постоянного тока ДПТ подавать постоянное напряжение Uд и при токе Iд.

Постоянное напряжение Uд может быть получено фотогенератором ФГ, термогенератором ТГ.

Подключение выбранного преобразователя ФГ или ТГ осуществляется схемой управления СхУ.

4.4 Фотопреобразователь


4.4.1 Принцип действия фотоэлемента

Полупроводниковые солнечные батареи впервые были установлены на третьем советском искусственном спутнике Земли (запущенном на орбиту 15 мая 1985г.).

Простейшая конструкция солнечного фотоэлемента-прибора для преобразования энергии солнечного измерения - на основе монокристаллического кремния показана на (рис. 4.3). На малой глубине от поверхности кремниевой пластины р-типа сформирован р-n-переход с тонким металлическим контактом. На тыльную сторону пластины нанесен сплошной металлический контакт.

Когда солнечный элемент освещается, поглощенные фотоны генерируют неравновесные электронные пары.

Электроны, генерируемые в р-слое вблизи р-n-перехода, подходят к р-n-переходу и существующим в нем электрическим полем выносятся в n-область. Аналогично и избыточные дырки, созданные в n-слое, частично переносятся в р-слой. В результате n- слой приобретает дополнительный отрицательный заряд, а р-слой - положительный. Снижается первоначальная контактная разность потенциалов между р и n-слоями полупроводника, и во внешней цепи появляется напряжение Eфэ (рис. 4.3). Отрицательному полюсу источника тока соответствует n- слой, а р-слой - положительному.

Стоимость солнечной батареи размером 65см х 100см мощностью 150-160 Вт составляет 12000 руб.

Рис. 4.3 Конструкция фотоэлемента

4.4.2 Расчет фотопреобразователя


Рис. 4.4 Схема соединений фотоэлемента в фотоэлектрические солнечные модули

Фотопреобразователь ФП (рис 4.4) представляет собой «к» фотобатарей ФБ, соединенных параллельно для обеспечения требуемого напряжения Uфп. При этом каждая фотобатарея ФБ состоит из «n» последовательно соединенных фотоэлементов ФЭ с известными значениями напряжения на отдельном фотоэлементе (фото ЭДС Eфэ), обеспечивающего номинальный ток его Iфэ.

С учётом этого имеем соотношения

 (4.2)

. (4.3)

4.4.3 Параметры фотоэлектрических солнечных модулей

Солнечные модули (СМ) на основе монокристаллического кремния предназначены для преобразования прямого солнечного излучения мощностью от 500 Вт/м2 в электрический ток постоянного напряжения. Круглые кремневые пластины размещены в стеклянной подложке толщиной 3 или 4 мм. Стекло помещено в алюминиевый каркас.

Преимущества: Облегченная герметичная конструкция, полированное упрочненное стекло, повышенная градостойкость, интервал рабочих температур -60єС... +75єС, допустимая влажность 100%, энергосберегающая технология сборки.

Применение: В качестве основного или вспомогательного источника энергии в составе автономных источников питания для:

жилых коттеджей и дачных домов

радиоаппаратуры, радио- и телекоммуникаций

систем охраны

уличного освещения и освещения рекламных щитов

систем водоснабжения и опреснения

сельскохозяйственных объектов

заправочных станций

катодной защиты металлических объектов

а) солнечные элементы

Солнечные элементы (СЭ), фотопреобразователи (ФП) - синонимы первичного преобразователя, осуществляющего прямое преобразование солнечной энергии в электрический ток.

Фотопреобразователи (ФП) производятся на основе монокристаллического кремния как “p”, так и “n” типа проводимости со структурой:+ - p - p + - при использовании базового кремния “p” типа,+ - n - n + - при использовании базового кремния “n” типа,

т. е. фотопреобразователи (ФП) с полем на тыльной поверхности (ПТП СЭ).

Рабочая поверхность текстурирована, соответственно, ориентация пластин кремния (100).

Тыльная поверхность - в зависимости от модификации может быть как гладкой, так и текстурированной.

Контакты на рабочей и тыльной поверхностях - сетчатые, полученные осаждением металлических паст методом трафаретной печати.

б) солнечные модули

Электрически соединенные солнечные элементы создают базовую основу для производства солнечных модулей, которые, в свою очередь, уже способны вырабатывать электрическую энергию, достаточную для питания электропотребителей бытового назначения, а также служить базовыми элементами больших энергосистем. В зависимости от применения солнечные модули могут иметь различные конструктивные решения и разные выходные мощности.

Выпускаются три серии солнечных модулей:

солнечные модули в алюминиевом каркасе - серия MSW, 32 типа в диапазоне мощностей от 3 до 120 Вт;

бескаркасные солнечные модули - серия “Лира”, 16 типов в диапазоне мощностей от 1,7 до 24 Вт;

солнечные модули на металле - серия MSWm, 16 типов в диапазоне мощностей от 1,7 до 24 Вт.

По требованию заказчиков разрабатываются и изготавливаются также и специальные солнечные батареи, например, для яхт и других применений.

в) каркасные солнечные модули

Каркасный солнечный модуль выполнен в виде панели, заключенной в каркас из алюминиевого профиля. Панель представляет собой фотоэлектрический генератор, состоящий из стеклянной плиты, с тыльной стороны которой между двумя слоями герметизирующей пленки размещены солнечные элементы, электрически соединенные между собой металлическими шинами. Нижний слой герметизирующей пленки защищен от внешних воздействий слоем защитной пленки. К внутренней стороне корпуса модуля прикреплен диодный блок, под крышкой которого размещены электрические контакты, предназначенные для подключения модуля.

г) бескаркасные солнечные модули (серия “Лира”)

Бескаркасные солнечные модули конструктивно реализуются в виде монолитного ламината, состоящего из спаянных монокристаллических кремниевых солнечных элементов, размещенных между двумя слоями ламинирующей пленки типа ПВБ или ЭВА, с рабочей поверхности защищенных оптически прозрачной пленкой типа ПЭТ, а с тыльной - аналогичной пленкой без дополнительных требований к оптическим характеристикам.

д) солнечные модули на металле (серия MSWm)

Солнечные модули на металле (рис. 4) конструктивно реализуются в виде монолитного ламината, состоящего из спаянных монокристаллических кремниевых солнечных элементов, размещенных между двумя слоями ламинирующей пленки типа ПВБ или ЭВА, с рабочей поверхности защищенных оптически прозрачной пленкой ПЭТ, тыльной поверхностью заламинированные на металлическую плиту. MSWm оснащается контактной коробкой для защиты выводных контактов. Посадочные отверстия для крепления модуля оснащены резиновыми втулками.

4.5 Термопреобразователь


4.5.1 Термопреобразователь с проволочными термоэлементами и его расчет

Термопреобразователь ТП представляет собой «е», блоков одинаковых термомодулей с напряжением (Етм), соединенных параллельно (рис.4.5, б). Следовательно, выходное напряжение термопреобразователя Uтп равно напряжению отдельного термомодуля (Етме)’

 (4.4)

Напряжение отдельного блока термомодулей (Етм)’ равно сумме напряжений отдельных термомодулей Етм

 (4.5)

Ток Iтп термопреобразователя ТП (рис.4.5, б) равен сумме токов «е» термомодулей

 (4.6)

Выходное напряжение термопреобразователя ТП Uтп равно напряжению отдельного блока термомодулей

 (4.7)

Произведем расчет блока термомодуля по (рис.4.5, а). Блок термомодуля представляет собой «е» параллельно соединенных термобатарей ТБ с одинаковыми напряжениями Етб

 (4.8)

Каждая термобатарея состоит из «m» последовательно соединенных одинаковых термоэлементов с напряжением Етэ и током Iтэ. Так как термоэлементы ТЭ в термобатареях соединены последовательно, то ток каждой термобатареи Iтб равен току отдельного термоэлемента ТЭ

 (4.9)

где, m-число термобатарей.

Напряжение термобатареи Етб равно сумме напряжений «m» термоэлементов

 (4.10)

При этом напряжение термомодуля Етм равно напряжению термобатареи Етб

 (4.11)

Ток термомодуля Iтм (рис.4.5, а) равен сумме токов «е» термобатарей

  (4.12)

а)

б)

Рис. 4.5 Структурная схема блока термомодуля ТМ (а) и термопреобразователя ТП (б) на базе термопар (термоэлементов) с проволочными термоэлектродами.

4.5.2 Термопреобразователь с полупроводниковыми термоэлементами и его расчет

Термоэлектрический способ получения электрической энергии основан на взаимосвязи между тепловыми и электрическими явлениями в проводниках. Было обнаружено, что если нагревать место спая двух разнородных проводников, то в нем возникает электродвижущая сила (термо-ЭДС), пропорциональная разности температур на горячем и холодном концах проводника (эффект Зеебека):

E= α*(Т2-Т1),

где α - коэффициент термо-ЭДС, численно равный разности потенциалов, возникающей при разности температур в 1єC; Т2 и Т1- соответственно температуры горячего и холодного спаев. Создаваемая ЭДС даже при высоком нагреве получалась столь незначительной, что сначала не могла быть использована в энергетических целях. Это объясняется тем, что у металлов разность температур быстро падает из-за их высокой теплопроводимости, а, следовательно, быстро уменьшается и термо - ЭДС.

С появлением полупроводников положение резко изменилось. Если термо - ЭДС металлического стержня вызывается перемещением электрических зарядов (свободных электронов) от более нагретого конца к менее нагретому и количество электрических зарядов при этом остается неизменным, то у полупроводникового стержня с повышением температуры сильно увеличивается концентрация электрических зарядов, а перепад температур, так же как и у металлов, приводит к их интенсивному перемещению из горячей области в холодную. Появление больших количеств новых электрических зарядов обуславливает образование у полупроводников при одном и том же перепаде температур примерно в 50 раз большей термо - ЭДС, чем у металлов. Поэтому применение полупроводников существенно изменило возможности термоэлементов.

На рис.4.6, а приведена принципиальная схема термобатареи ТБ из «n» термоэлементов ТЭ на полупроводниках р- и n- типов. Простейший термоэлектрогенератор ТЭГ, представляющий собой термомодуль ТМ из «m» параллельно соединенных термобатарей ТБ, приведен на рис.4.6, б.

Примем напряжение одного термоэлемента ТЭ за Е, а допустимый ток за Iтэ. Для схемы рис.4.6, а напряжение термобатареи Етб будет равно сумме напряжений всех последовательно соединенных термоэлементов ТЭ.

 (4.13)

Ток термобатареи Iтб равен току отдельного термоэлемента Iтэ

 (4.14)

Рис. 4.6 Источник постоянного напряжения на основе термомодулей:

а) Схема термобатареи (ТБ) из n термоэлементов (ТЭ)

б) Схема соединения термобатарей (ТБ) в термомодуль (ТМ)

в) Печь с термомодулями

Термомодуль Тм представляет собой «m» параллельно соединенных термобатарей, поэтому ток термомодуля Iтм равен сумме токов «m» термобатарей (рис.4.6, б)

 (4.15)

а напряжение термомодуля Uтм равно напряжению одной термобатареи Етб

 (4.16)

Разность температур t1 и t2 может быть обеспечена в печи, в качестве топлива в которой может быть применен газ, дрова, отходы древесины и т.д. (рис.4.6, в).

Выводы по главе 4

Приведена структурная схема ТНУ с автономным электроснабжением на основе преобразователя постоянного напряжения в переменное.

Рассмотрены принципы действия фотоэлементов и термоэлементов и приведены методики их расчета.

теплонасосный установка автономный электроснабжение

5. ПРИМЕР ПРИМЕНЕНИЯ ТНУ С АВТОНОМНЫМ ЭЛЕКТРОСНАБЖЕНИЕМ


Проект предусматривает попытку спроектировать, создать и испытать маломощную теплонасосную установку исходя из имеющихся возможностей: 1. наличие колодца грунтовых вод; 2. наличие насоса для закачки воды из колодца в ТНУ; 3. наличие компрессора - главного компонента ТНУ.

Компрессор является компонентом входящим в состав ТНУ и обычного холодильника (рис. 2.1; 2.2). Поэтому для экспериментальной маломощной ТНУ можно применить компрессор от холодильника или среднемощной холодильной установки.

Для первоначального исследования ТНУ можно использовать сеть электроснабжения 220 В. В результате исследований потребляемой мощности определятся требования к параметрам установки автономного электроснабжения.

Вторым этапом исследований по проекту на основе параметров потребления электроэнергии, определенных на 1 этапе при питании компрессора от сети 220 В, будет создание фотопреобразователя на основе промышленных фотомодулей.

5.1 Цель и задачи разработки опытной ТНУ с автономным электроснабжением


Цель - изучить возможности создания опытного образца ТНУ с автономным электроснабжением небольшой мощности, обеспечивающей основные энергоресурсы: горячее и холодное водоснабжение, теплоснабжение и кондиционирование, электроснабжение (выработка электроэнергии).

Задачи:

. Изучить возможности применения для ТНУ низкопотенциального тепла грунтовых вод колодцев глубиной (5-10) м и неглубоких скважин глубиной до 20 м, с целью размещения ТНУ, например, на дачных участках или в личном домовладении.

. Произвести ориентировочный расчет ТНУ на небольшую мощность автономного электроснабжения на основе выпускаемых промышленностью фотопреобразователей.

. Применить способ преобразования постоянного напряжения фотопреобразователей в переменное напряжение 220 В частотой 50 Гц в виде системы «двигатель постоянного тока - генератор переменного напряжения».

. Произвести анализ накопителей электроэнергии и наметить пути их выбора для ТНУ. Определить тип накопителя электроэнергии на ближайшую перспективу, в частности, для проектирования опытной ТНУ.

. Оценка возможности применения однотипных устройств для создания, как тепла, так и холода, например, компрессоров, сужающих устройств (дросселей). Это является предпосылкой изготовления ТНУ на существующих предприятиях холодильного оборудования.

. Провести предварительную оценку стоимости основных элементов опытной ТНУ, прежде всего компрессора, являющегося основным потребителем электроэнергии.

. Наметить план исследования параметров опытной ТНУ.

. Разработать систему автоматизации технологических процессов ТНУ. Определить технологические датчики: температуры, давления, уровня, расхода воды, расхода электроэнергии и т.д.

. Разработать систему управления ТНУ с помощью беспроводных и проводных каналов связи.

. Выработка требований к контроллеру и локальной вычислительной сети.

5.2 Способы извлечения низкопотенциального источника тепла верхних слоев грунта и грунтовых вод

 

Рассматривается два варианта закачки воды грунта:

Из скважин глубиной 20-100м; и 2. из колодца глубиной 5м

I вариант реализован в городе Тольятти Самарской области в ТНУ для отопления административного здания железнодорожной станции. Количество скважин - 5. Диаметр спускаемых труб в скважину - ориентировочно 200мм. Температура в скважине на глубине 20м равна +10оС. Температура на выходе ТНУ для отопления +55оС. (Сообщение ТВ программы «Вести» по 1 каналу 26 января 2012г.). Питание компрессора - от энергосистемы г. Тольятти. I вариант конструктивного исполнения приведен на (рис. 5.1, а). Основные затраты на тепло - оплата электроэнергии, потребляемой компрессором.

II вариант закачки воды в ТНУ предусматривает колодец глубиной 5м, выполненный из 5 бетонных колец диаметром 1м, высотой 1м (рис. 5.1, б). Температура на глубине 5м равна +(4-5)оС (возможно, +(2-3)о С).

Закачка воды в ТНУ производится глубинным насосом с управлением

системой автоматики на основе датчиков нижнего и верхнего уровня.

Вариант рис. 5.1, б - предлагаемый. Спускаемая конструкция в виде 5 колец диаметром D2=1м и общей длиной H2=5м. Температура t2=+(1-3)оС.

 

.3 Расчет фотопреобразователя на заданную электрическую нагрузку


Nтну=Nпр+Nна+Nсн+Nсху

Задаваемая мощность ТНУ Nтну=N=3 кВт,

Выбираем из приложения 2 солнечный элемент MSV-100 (21). Его данные: длина l=130 см, ширина h=67 см, мощность Nфэ=100 Вт.

а)                                            б)

Рис.5.1 Два варианта конструктивного исполнения ТНУ: а) В виде глубоких скважин малого диаметра труб; б) в виде колец большого диаметра.

- спускаемые конструкции; 2- трубы для подъема воды; 3- глубинные насосы.

Определяем количество солнечных элементов

 (5.1)

Цена одного солнечного элемента Cфэ=12 000 руб.

Стоимость n=30 солнечных элементов

Стфэ=Сфэ*nфэ=12000*30=360 000 руб. (5.2)

Площадь n=30 солнечных элементов состоит:

площадь одного солнечного элемента.

Sфэ=l*h=1,3*0,67=0,871 м2 (5.3)

Общая площадь солнечных элементов

S=Sф*n=0,871*30=25,13 м2 (5.4)

Солнечные элементы размещаем по одному по периметру, поэтому n=30 солнечных элементов, размещенные по периметру P, длина каждого l=1,3 м, займут длину периметра

P=n*l=30*1,3= 39 м. (5.5)

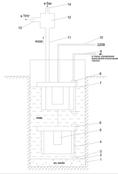
5.4 Управление включением насоса в колодце

При достижении насоса 5 (рис.5.2) нижнего уровня 6 упор 3 штока 4 размыкает контакты микропереключателя 8 и отключает обмотку насоса 5 от сети 220 В.

Во включенном состоянии насос 5 подает воду из колодца по шлангу 11 к тройнику 12, имеющему два выводных шланга. По шлангу 13 вода подается в ТНУ, а по шлангу 14 - в накопительный бак.

5.5 Расположение солнечных элементов в опытной ТНУ

Теплонасосная установка имеет три контура (рис. 4.1):

I - питательный; II - основной; III - отопительный.

Автономное электроснабжение обеспечивается от солнечных элементов 9, которые могут располагаться либо на крыше и стенах помещения ТНУ, либо по периметру территории в качестве забора.

В данной работе предполагается применение солнечных элементов, выпускаемых уже промышленностью и доступных для широкого применения.

Практическое применение термогенераторов 11 пока еще сдерживается, они находятся в стадии разработки.

Рис. 5.2 Колодец в качестве источника низкопотенциального тепла

- стенки скважины; 2 - дно колодца; 3 - упор штока 4 насоса 5; 6 - нижнее положение уровня воды; 8 - микропереключатель; 9 - провода от микропереключателя в схему управления; 10 - кабель питания насоса; 11 - шланг подачи воды от насоса 5 к тройнику 12; 13 - шланг подачи воды в ТНУ; 14 - шланг подачи воды в накопительный бак.

Рис. 5.3 Расположение солнечных элементов в опытной ТНУ

- насос; 2 - трубопровод подачи воды от насоса в испаритель 3 питательного контура I; 4 - трубопровод подачи обратной воды после испарителя в колодец; 5 - компрессор; 6 - сужающее устройство(дроссель); 7 - конденсатор; 8 - трубопровод отопительного контура III; 9 - солнечные панели; 10 - электрощит и схема управления; 11 - печь с термоэлементами; 12 - помещение ТНУ; 13 - периметр территории; 14 - датчик верхнего уровня; 15 - датчик нижнего уровня.

 

.6 Система автоматизации ТНУ с автономным электроснабжением

Основные функции системы автоматизации заключаются в обеспечении автоматического режима работы всех технологических процессов ТНУ, т.е. в трех контурах: питательном, основном и отопительном.

Автоматизация осуществляется с помощью датчиков - первичных преобразователей (рис. 4.1).

В питательном контуре контролируются параметры: верхний и нижний уровни воды в колодце (датчики уровня ДУ1, ДУ2), температура воды на уровнях t1 и t2 (датчики температуры ДТ1 и ДТ2); расход извлекаемой из колодца воды Q1 (датчик расхода ДР1); давление нагнетания воды Р1 из колодца от глубины насоса ГН1 (датчик расхода ДР1); температура охлаждающей воды при возврате ее из питательного контура обратно в скважину t4 (датчик температуры ДТ4).

В основном контуре контролируются параметры: температура агента (фреона) t5 при подаче в компрессор К после испарителя (датчик температуры ДТ5); давление агента на входе компрессора Р2 (датчик давления ДД2); давление РСУ и температура tСУ после сужающего устройства СУ на входе в испаритель (датчик давления ДД-СУ и датчик температуры ДТ-СУ); мощность Nпр, потребляемая компрессором К (счетчик электроэнергии СУ1).

В отопительном контуре контролируются параметры: температура t7 (датчик температуры ДТ7), расход нагретой воды G3 (датчик расхода ДР3), давление (датчик давления ДДок), энергопотребление насосов в отопительном контуре (Нок).

В устройстве автономного электроснабжения (рис. 4.2) контролируются следующие параметры: постоянное напряжение Uфп и ток Iфп фотопреобразователя; постоянное напряжение Uтп и ток Iтп термопреобразователя; постоянное напряжение Uд и ток Iд на входе двигателя постоянного тока; переменное напряжение U=220 В и мощность N, потребляемая всеми потребителями.

В простейшем случае для контроля перечисленных параметров могут быть применены отдельные приборы для каждого параметра.

Для автоматизации всех процессов может применена схема на основе структурной схемы (рис. 5.4), основанная на интерфейсе RS-485, позволяющего выполнить локальную сеть до 1000 м.

Рис. 5.4 Локальная сеть на основе интерфейса RS 485 (витая пара)

Обмен ведущего устройства (ПЭВМ, контроллера) с периферийными измерительными преобразователями ИП1 и ИПN осуществляется через устройство связи УС, представляющее преобразователь интерфейсов RS 485 / RS 232. В качестве кабеля локальной сети используется витая пара провод в экране (RS 485). На конце линии установлено сопротивление Rт-терминатор, сопротивлением 120-150 Ом.

Ведущее устройство (ПЭВМ) запрограммировано на скорость обмена 9600 Бод при формате:


Ведущее устройство передает данные через RS 485 / RS 232 в сеть интерфейса RS 485 с теми же параметрами последовательного обмена, т.е. скорость обмена 9600 Бод при формате 1 старт-бит, 8 бит данных, 2 стоп-бита.

Ведомое устройство (измерительный преобразователь) распознает команды, адресованные отдельному измерительному преобразователю, и отвечает на них.

Ответ ведомого устройства (ИП) через RS 485 / RS 232 передается в порт ведущего устройства.

ПЭВМ (контроллер) программируется на выполнение операции автоматизации всего технологического цикла ТНУ.

Выводы по главе 5


Рассмотрен пример применения ТНУ с автономным электроснабжением. Дан расчет фотопреобразователя на заданную электрическую нагрузку. Приведено расположение солнечных элементов в ТНУ. Рассмотрена структурная схема системы автоматизации.

ЗАКЛЮЧЕНИЕ


1. Рассмотрены перспективы применения теплонасосных установок в теплоснабжении в РФ. Отмечаются недостатки централизованного теплоснабжения.

2.      Приведены принципы действия теплонасосных установок.

.        Обосновывается целесообразность разработки для ТНУ систем автономного электроснабжения. При этом отмечается, что эффективным путем экономии не возобновляемых энергоресурсов является сочетание ТНУ с возобновляемыми источниками энергии. Отмечается перспективное направление в энергетике - «солнце - газ».

.        Приведена структурная схема теплонасосной установки с автономным электроснабжением, блок-схема автономного электроснабжения на основе фотопреобразователей и термопреобразователей. Преобразователь постоянных напряжений фотопреобразователей и термопреобразователей в переменное напряжение однофазного тока построен на основе электромашинного агрегата, состоящего из электродвигателя постоянного тока и однофазного синхронного генератора переменного синусоидального напряжения частотой 50 Гц.

.        Приведен расчет суммарной электрической нагрузки ТНУ.

.        Приведен принцип действия фотоэлемента и дана ориентировочная стоимость солнечных батарей. Рассмотрена структурная схема соединения фотоэлементов в фотобатарее и фотобатарей в фотопреобразователь. Дан расчет фотопреобразователя.

.        Приведены параметры фотоэлектрических солнечных модулей, выпускаемых промышленностью.

.        Приведены структурные схемы термопреобразователей на проволочных и полупроводниковых терморезисторах и их расчет.

.        Рассматривается проект исследовательской ТНУ с автономным электроснабжением.

.        Приводятся цели и задачи опытной ТНУ.

.        Приводятся два способа извлечения низкопотенциального источника тепла верхних слоев грунта. Выбирается предлагаемый вариант- в виде колодца из пяти колец диаметром 1м.

.        Дан расчет фотопреобразователя для мощности 3 кВт. Согласно расчету количество солнечных элементов MSW-100(12) для этой мощности -30 штук. Стоимость тридцати солнечных элементов 360 000 рублей. Площадь солнечных элементов - 25,13м2, размещены по периметру на длину 39м.

.        Приведены схема расположения солнечных элементов в опытной ТНУ.

.        Составлена математическая модель ТНУ с автономным электроснабжением.

СПИСОК ИСПОЛЬЗОВАННЫХ ИСТОЧНИКОВ


1. Проект Федерального Закона №111730-5 «Об энергосбережении и повышении энергетической эффективности».

2.      Игнатов А.Н. Классическая электроника и наноэлектроника: учеб. пособие/ А.Н. Игнатов, Н.Е. Фадеева, В.Л. Савиных, В.Я. Вайспапир, С.В. Воробьева - М.: Флинта: Наука, 2009. - 728 с., стр. 485.

.        Тузов В.П. Электротехнические устройства летательных аппаратов: Учеб. пособие для авиац. неэлектротехн. спец. вузов. - М.: Высш. шк., 1987. - 152 с.: ил., стр. 114-123.

.        Соколов Е.Я. Теплофикация и тепловые сети. М.: Издательство МЭИ, 1999, стр.

5.      Байбаков С.А. Тимошкин А.С. Определение расчетных условий при наладке систем теплоснабжения с учетом тепловых потерь в сетях. Энергетик, 2007, №7, стр.35-37.

6.      Энергоэффективный жилой дом в Москве. АВОК, 1999г. №4.

7.      Борисов И.И. «О стратегии развития энергетики. Энергетик.» 2007г.№3, стр. 5-7.

8.      Руководство по применению тепловых насосов с использованием вторичных энергетических ресурсов и нетрадиционных возобновляемых источников энергии. Москомархитектура. ГУП «НИАЦ», 2001г.

9.      Проценко В.П. Проблемы использования теплонасосных установок в системах централизованного теплоснабжения. Энергетическое хозяйство. 1994г. №2

10. Васильев Г.П., Крундышев Н.С. Энергоэффективная сельская школа в Ярославской области. АВОК. 2002г. №5.

11.    Васильев Г.П. Энергоэффективные здания с теплонасосными системами теплоснабжения. ЖКХ, 2002г.,

12.    Шеффер Н.И. Определение характеристик компрессионного холодильника. Физика в школе. 1991г., №6, с. 46-47.

13.    www.thermocompressor.ru/sistemy-otopleija/ustroystva-raboti// <#"551446.files/image043.gif"> для солнечных элементов типов Ф103 и Ф85 (по П1.1)


Солнечные элементы


Ф103,5

Ф103,5/2

Ф103,5/4

Ф85

Ф85/2

Ф85/4

10

Максимальная выходная средняя мощность Pвых макс ср, Вт

1,47

0,73

0,37

0,94

0,47

0,235

11

Площадь элемента S δ, см2

07,09

53,54

26,83

72,25

36,12

78,06

12

Отношение , []

0,01388

0,01388

0,01388

0,01301

0,01301

0,01301


ПРИЛОЖЕНИЕ 2

 

Электрические накопители энергии


Электричество - наиболее удобная и универсальная форма энергии в современном мире. Поэтому именно накопители электрической энергии развиваются наиболее быстро. К сожалению, в большинстве случаев удельная ёмкость недорогих устройств невелика, а устройства с высокой удельной ёмкостью слишком дороги для хранения больших запасов энергии при массовом применении.

Конденсаторы

Самые массовые «электрические» накопители энергии - это обычные радиотехнические конденсаторы. Они обладают огромной скоростью накопления и отдачи энергии - как правило, от нескольких тысяч до многих миллиардов полных циклов в секунду, и способны так работать в широком диапазоне температур многие годы, а то и десятилетия. Объединяя несколько конденсаторов параллельно, легко можно увеличить их суммарную ёмкость до нужной величины.

Конденсаторы можно разделить на два больших класса - «сухие» неполярные и электролитические, имеющие существенно большую удельную ёмкость, но требующие соблюдения полярности при подключении и более чувствительные к внешним условиям, прежде всего к температуре.

Ионисторы

Ионисторы, которые иногда называют «суперконденсаторами», можно рассматривать как своего рода промежуточное звено между электролитическими конденсаторами и электрохимическими аккумуляторами. От первых они унаследовали практически неограниченное количество циклов заряда-разряда, а от вторых - относительно невысокие токи зарядки и разрядки (цикл полной зарядки-разрядки может длиться секунду, а то и намного дольше). Ёмкость их также находится в диапазоне между наиболее ёмкими конденсаторами и небольшими аккумуляторами - обычно запас энергии составляет от единиц до нескольких сотен джоулей.

Дополнительно следует отметить достаточно высокую чувствительность ионисторов к температуре и ограниченное время хранения заряда - от нескольких суток до нескольких недель максимум.

Электрохимические аккумуляторы

Электрохимические аккумуляторы были изобретены ещё на заре развития электротехники, и сейчас их можно встретить повсюду - от мобильного телефона до самолётов и кораблей.

Как правило, при необходимости запасать достаточно большую энергию - от нескольких сотен килоджоулей и более - используются свинцовые аккумуляторы (пример - любой автомобиль). Однако они имеют немалые габариты и, главное, вес. Если же требуется малый вес и мобильность устройства, то используются более современные типы аккумуляторов - никель-кадмиевые, металл-гидридные, литий-ионные, полимер-ионные и др. Они имеют гораздо более высокую удельную ёмкость, однако и удельная стоимость хранения энергии у них заметно выше, поэтому их применение обычно ограничивается относительно небольшими и экономичными устройствами - мобильными телефонами, различными камерами и ноутбуками.

По режиму использования электрохимические аккумуляторы (прежде всего мощные) также подразделяются на два больших класса - так называемые тяговые и стартовые. Тяговые аккумуляторы ориентированы на относительно равномерный разряд в течение достаточно длительного времени, когда параметры разряда сравнимы с током и временем зарядки, а глубина разряда может быть достаточно большой - прежде всего это аккумуляторы для электротранспорта, электроинструмента и источников бесперебойного питания (UPS). Стартовые, наоборот, способны выдать очень большой ток в течении короткого времени, но при штатной эксплуатации не должны испытывать глубокий разряд - таковы обычные автомобильные аккумуляторы, выдающие в течении нескольких секунд на стартёр ток в сотни ампер при зарядном токе порядка 5..10 А и длительности зарядки в несколько часов. Обычно стартовый аккумулятор достаточно успешно может работать в качестве тягового (главное - контролировать степень разряда и не доводить его до такой глубины, которая допустима для тяговых аккумуляторов), а вот при обратном применении слишком большой ток нагрузки может очень быстро вывести тяговый аккумулятор из строя. С другой стороны, менее жёсткие условия разряда позволяют несколько облегчить конструкцию тяговых аккумуляторов по сравнению с их стартовыми собратьями, а допустимость большей глубины разряда позволяет приблизить реально используемую ёмкость к номинальной.

К недостаткам электрохимических аккумуляторов можно отнести весьма ограниченное число циклов заряда-разряда (в большинстве случаев - 1..2 тысячи, а при несоблюдении рекомендаций производителей - гораздо меньше), чувствительность к температуре, длительное время заряда, иногда в десятки раз превышающее время разряда, и необходимость соблюдения методики использования (недопущение глубокого разряда для свинцовых аккумуляторов и, наоборот, соблюдение полного цикла заряда-разряда для металл-гидридных и многих других типов аккумуляторов). Время хранения заряда также обычно довольно ограничено - от недели до года-другого (я имею в виду, что оставшийся в аккумуляторе заряд будет намного меньше исходного, а вовсе не то, что по истечении указанного срока он будет совсем «пуст», хотя возможно и такое). У старых аккумуляторов уменьшается не только ёмкость, но и время хранения, причём и то, и другое может сократиться во много раз.

Химические накопители энергии

Этот способ накопления энергии стоит рассмотреть отдельно, поскольку такие процессы часто позволяют получать энергию как в том виде, из которого она запасалась, так и в любом другом. Можно выделить «топливные» и «безтопливные» разновидности. В отличии от низкотемпературных термохимических накопителей, которые могут запасти энергию, просто будучи помещёнными в достаточно тёплое место, здесь не обойтись без специальных технологий и высокотехнологичного оборудования, иногда весьма громоздкого. В частности, если в случае низкотемпературных термохимических реакций смесь реагентов обычно не разделяется и всегда находится в одной и той же ёмкости, реагенты для высокотемпературных реакций хранятся отдельно друг от друга и соединяются лишь тогда, когда нужно получить энергию.

Накопление энергии наработкой топлива

Электролизёр

На этапе накопления энергии происходит химическая реакция, в результате которой восстанавливается топливо, например, из воды выделяется водород - прямым электролизом, в электрохимических ячейках с использованием катализатора или с помощью термического разложения, скажем, электрической дугой или сильно сконцентрированным солнечным светом. «Освободившийся» окислитель может быть собран отдельно (для кислорода это необходимо в условиях замкнутого изолированного объекта - под водой или в космосе) либо за ненадобностью «выброшен», поскольку в момент использования топлива этого окислителя будет вполне достаточно в окружающей среде и нет необходимости тратить место и средства на его организованное хранение.

На этапе извлечения энергии наработанное топливо окисляется с выделением энергии непосредственно в нужной форме, независимо от того, каким способом было получено это топливо. Например, водород может дать сразу тепло (при сжигании в горелке), механическую энергию (при подаче его в качестве топлива в двигатель внутреннего сгорания или турбину) либо электричество (при окислении в топливной ячейке). Как правило, такие реакции требуют дополнительной инициации (поджига), что весьма удобно для управления процессом извлечения энергии.

Наноэлектронные аккумуляторы энергии и топливные элементы

В настоящее время активно ведутся работы по созданию элементов и систем искусственного фотосинтеза. Существует несколько подходов к их созданию. Один из них реализован в солнечной батарее, предложенной Аливисатасом, принцип работы которой поясняет рис. П 2.1.

В этом устройстве матрица коллекторов собирает свет и передает энергию возбуждения в единый реакционный центр, где она преобразуется в запасаемую химическую энергию с использованием наноматериалов: нанокристаллов CdSe с размерами 50 А. Поглощающие частицы из CdSe помещены в проводящую матрицу из органического вещества.

Между двумя плоскостями батареи (задняя металлизирована, передняя прозрачна) приложено внешнее напряжение UП. Под действием образованного при этом поля электронно-дырочные пары, образующиеся при поглощении света наночастицей, разделяются на составляющие (электроны и дырки), которые начинают двигаться к соответствующим полюсам и создают в устройстве электрический ток.

В этом устройстве возможен также перенос энергии возбуждения между поглощающими наночастицами.

При изменении полярности UП наночастицы из CdSe способны излучать свет, и устройство выполняет функцию светоизлучающего диода.

Другой подход к созданию солнечных батарей реализует фотохимическая ячейка Грацеля, изображенная на рисунке, использующая оптическое возбуждение заряженных молекул красителя. Возбужденные молекулы красителя передают отрицательный заряд наночастицам TiO2 (их размеры составляют 100-300 А). В результате происходит фотоокисление обратимых пар в растворе. Эффективность преобразований солнечной энергии ячейками этого типа составляет около 10%. В двух рассмотренных вариантах появление электрического тока связано с использованием наноматериалов, которые обеспечивают поглощение света, генерацию носителей заряда и их разделение. Перспективы практического использования таких устройств зависят от успехов в конструировании наноструктурных материалов.

Рис. П 2.1 Две концепции прямого преобразования солнечной энергии (в электрическую или химическую) с использованием наноматериалов: а) солнечная батарея Аливисатоса; б) фотохимическая ячейка

Перспективы создания высокоэффективных литиевых аккумуляторов также связаны с применением наноструктурных материалов. В аккумуляторах наноструктурные материалы используются для мембран и катализаторов.

Целесообразность использования наноматериалов в литиевом аккумуляторе иллюстрирует рис. П 4.2.

Рис. П 2.2 Литиевый аккумулятор, созданный на основе наноматериалов

В аккумуляторах важную роль играют диффузионные процессы. Использование наноструктурных электродов значительно повышает скорость зарядки/разряда и стабильность работы. Применение аэрогелей V205 и наночастиц LiС0О2 или Мп02 позволяет повысить качество катода. Эффективность работы анода повышается при его наноструктурировании путем использования углеродных нанотрубок и сплавов Li/Sn.

В качестве электролитов в литиевых аккумуляторах используется соединения LiPF6/EC-DC или LiClO4/РРС.

Рассматриваются возможности создания батареек на основе углеродных нанотрубок. Отмечается, что литий, являющийся носителем заряда в некоторых батарейках, можно помещать внутри нанотрубок. Утверждается, что в трубке можно разместить один атом лития на каждые шесть атомов углерода. Другим возможным использованием нанотрубок является хранение в них водорода, что может быть использовано при конструировании топливных элементов как источников электрической энергии для объектов с автономным питанием (например, автомобилей). Топливный элемент состоит из двух электродов и специального электролита, пропускающего ионы водорода между ними, но не пропускающего электроны. Водород направляется на анод, где он ионизируется. Свободные электроны движутся к катоду по внешней цепи, а ионы водорода диффундируют к катоду через электролит, где из этих ионов, электронов и кислорода образуются молекулы воды. Такой системе необходим источник водорода. Одна из возможностей состоит в хранении водорода внутри углеродных нанотрубок. По существующим оценкам, для эффективного использования в этом качестве трубка должна поглощать 6,5% водорода по весу. В настоящее время в трубку удалось поместить только 4% водорода по весу.

Элегантный метод заполнения углеродных нанотрубок водородом состоит в использовании для этого электрохимической ячейки, показанной на рис. П 2.3

Рис. П 2.3 Устройство наноэлектронной химической ячейки, используемой для введения водорода в углеродные трубки

Ячейка содержит электролит на основе КОН, а отрицательный электрод состоит из листа углеродных нанотрубок. При подаче на электроды напряжения ионы Н+ движутся к отрицательному электроду. Одностенные нанотрубки в форме листа бумаги составляют отрицательный электрод в растворе КОН, являющемся электролитом. Другой электрод состоит из Ni(ОН)2. Вода электролита разлагается с образованием положительных ионов водорода (H+), движущихся к отрицательному электроду из нанотрубок.

Электроды из НТ благодаря высокой обратимой емкости могут использоваться в литиевых (литий-ионных) батареях. В современных батареях катоды выполнены из оксидов переходных металлов (LixCoO2, LixMn2O4), а аноды - из графита или разупорядоченного углерода. Металлический литий и ионы лития могут быть интеркалированы в межтрубные пространства сростков трубок, между слоями многослойных нанотрубок рулонной структуры или углеродных нановолокон, содержащих множественные дефекты. Литий может заполнять внутренние полости открытых углеродных нанотрубок.

Максимально достигнутое значение емкости для однослойных нанотрубок составляет 1200 мА∙ч/г, однако оно сильно зависит от способа изготовления электрода. Полученные пиролитическим методом многослойные нанотрубки имеют больше дефектов, чем дуговые трубки, и проявляют более высокую емкость. К недостаткам устройств относятся изменение напряжения при разряде и большой гистерезис в циклах заряд-разряд.

Промышленные батареи в начале 2000-х годов имели емкость 330 мА-ч/г. В конце 2004 г. специалисты из США демонстрировали лабораторную батарею, которая характеризовалась удельной энергией 600 Вт ч/кг и импульсной удельной мощностью 3 кВт/кг.

Введение углеродных нанотрубок в обычные свинцово-кислотные аккумуляторы увеличивает срок их службы.

«Лес» нанотрубок проявил себя как функциональный материал в эффективных солнечных батареях.

Применение углеродных нанотрубок в электронике обещает значительное уменьшение размеров электронных схем и электронных устройств при одновременном снижении затрат энергии и резком повышении быстродействия. Можно говорить о том, что углеродные нанотрубки сегодня являются одним из важнейших материалов наноэлектроники.

ПРИЛОЖЕНИЕ 3

 

Математическая модель ТНУ с автономным электроснабжением


.   Расчет тепловой нагрузки Q0  [4]

  (1)

где Q0 - тепловая нагрузка системы отопления, ;

e - удельная безразмерная тепловая нагрузка отопления;

G0 - расход воды на отопление, ;

с - теплоемкость воды, ; своды=4,2

tсв - температура воды перед системой отопления (после конденсатора ТНУ), °С;

tвп - температура воздуха в отапливаемом помещении.

.   Коэффициент преобразования φ, представляющий отношение тепловой нагрузки Q0  к затраченной электрической мощности ТНУ N [кВт]

   (2)

Величина φ=3-7 [18].

При расчете ТНУ φ задаются.

.   Расчет Nпр при заданном φ

 (3)

4. Расчет суммарной электрической нагрузки ТНУ

  (4)

Расчет схемы электроснабжения

.   Выбор и обоснование схемы электроснабжения ТНУ в виде фотопреобразователь/термопреобразователь - машинный агрегат [рис. 4.2]

(Кратко описать 1-2 предложения из текста)

Определение по NТНУ Uд и Iд машинного агрегата.

.   Расчет фотопреобразователя ФП (рис. 4.4) с Uфп и Iфп

 (5)

. (6)

где Eфэ - напряжение отдельного фотоэлемента

Iфэ - ток отдельной фотобатареи.

По рассчитанным Uфп и Iфп выбор стандартных солнечных модулей

7. Расчет термопреобразователя ТП (рис. 4.5).        ТП с проволочными термометрами (рис 4.5)

 (7)

 (8)

 (9)

 (10)

 (11)

 (12)

Напряжение термобатареи

 (13)

Напряжение термомодуля

 (14)

 (15)

ТП с полупроводниковыми термоэлементами (рис 4.6)

 (16)

 (17)

Напряжение термомодуля

 (18)

8. Расчет фотопреобразователя на заданную электрическую нагрузку Nтну=3 кВт.

Выбираем солнечный элемент MSV-100 (21) с параметрами: длина l=130 см, ширина h=67 см, мощность Nфэ=100 Вт.

Расчет количества солнечных элементов

  (20)

Цена одного солнечного элемента Cфэ=12 000 руб.

Стоимость n=30 солнечных элементов

Стфэ=Сфэ*nфэ=12000*30=360 000 руб. (21)

Площадь n=30 солнечных элементов:

Sфэ=l*h=1,3*0,67=0,871 м2 (22)

Sфэ - площадь одного солнечного элемента.

Общая площадь солнечных элементов

S=Sф*n=0,871*30=25,13 м2 (23)

Солнечные элементы размещаем по одному по периметру, поэтому n=30 солнечных элементов, размещенные по периметру Pp, длина каждого l=1,3 м, займут длину периметра

Pp=n*l=30*1,3= 39 м. (24)

Похожие работы на - Разработка автономного электроснабжения для теплонасосной установки

 

Не нашли материал для своей работы?
Поможем написать уникальную работу
Без плагиата!
Без нейросетей!