|
Qсро
|
Qсрв
|
Qтех
|
SQоп
|
|
Микрорайон
|
16,23
|
1,95
|
-
|
18,18
|
|
Рабочий посёлок
|
10,3
|
1,298
|
-
|
11,598
|
|
Промпредприятие
|
10,37
|
17,43
|
21
|
48,8
|
|
SQоп
|
36,9
|
20,678
|
21
|
78,578
|
1.2 Годовые расходы теплоты для жилых и общественных зданий
Указанные тепловые нагрузки определяются по следующим зависимостям:
а) на отопление:
б)
на вентиляцию:
где
n0 - продолжительность отопительного
периода, сут.;
z - усреднённое
за отопительный период число часов работы вентиляции в течение суток (при
отсутствии данных рекомендуется принять z=16 ч).
в) на горячее водоснабжение:
где
nг - длительность работы системы ГВС, ч/год, обычно nг=8400ч/год.
.2.1 Годовые расходы теплоты для микрорайона
а) на отопление:
б)
на вентиляцию:
в)
на горячее водоснабжение:
.2.2
Годовые расходы теплоты для рабочего посёлка
а)
на отопление:

б)
на вентиляцию:
в)
на горячее водоснабжение:
1.3 Годовые расходы теплоты для
промышленных предприятий
Годовые расходы теплоты, МВт ×ч, для промышленных предприятий определяются по зависимостям
а) на отопление:
где
- средний
расход теплоты за отопительный период, Вт,
tвд - температура внутреннего воздуха при работе
дежурного отопления, 0С, принимаемая в расчётах равной 5 0С;
nд - длительность работы дежурного отопления, ч/год.
Годовые расходы теплоты предприятия должны определяться по числу дней
их работы в году, количество смен в сутки и с учётом суточных, годовых режимов
теплопотребления предприятия.
При двухсменной работе предприятия число часов работы дежурного отопления
определяется по формуле:
,
где
nр - число часов работы основного
отопления за отопительный период, час, пересчитывается по формуле:
б) на вентиляцию:
где
- расчётный
расход теплоты на вентиляцию, МВт;
nв - продолжительность отопительного периода с
температурой наружного воздуха tн<tрв , час;
tрв - расчётная температура наружного воздуха для
проектирования вентиляции, 0С.
в)
на технологические нужды:
где
Qт - расход теплоты на технологические нужды, МВт; (по
заданию);
nг - число часов работы предприятия в году.
При
двухсменной работе предприятия
1.3.1 Годовой расход теплоты промпредприятия на
отопление
Число часов работы основного отопления за отопительный период:
Длительность
работы дежурного отопления
.3.2
Годовой расход теплоты промпредприятия на вентиляцию
1.3.3 Годовой расход теплоты
промпредприятия на технологические нужды
1.3.4 Годовой расход теплоты
промпредприятия на технологические нужды
Таблица 3.
Годовые
расходы теплоты
|
Q’0
|
Q’’в
|
Q QтехSQоп
|
|
|
|
Микрорайон
|
93484.8
|
7488
|
75854.4
|
-
|
176827.2
|
|
Рабочий посёлок
|
59329
|
4984.32
|
49917.6
|
-
|
114230.92
|
|
Промпредприятие
|
38745.52
|
66727,9
|
62976
|
87591
|
256040,42
|
|
SQоп
|
191559.32
|
79200,22
|
188748
|
87591
|
547098,5
|
1.4 Построение графиков температур при центральном
регулировании систем теплоснабжения по отопительной нагрузке
Температуры воды в подающем и обратном трубопроводах определяются по
уравнениям:
где
- расчётная
разность температур сетевой воды, 0С,
- расчётный
температурный напор в нагревательном приборе, 0С,
- температура
воды после смесительного устройства, 0С,
- расчётный
перепад температур в отопительной системе, 0С,
- относительная
нагрузка,
tн- температура наружного воздуха.
Расчёт
параметров при tн=8 0С:

Аналогично температуры рассчитываются и при других tн.
Таблица 4.
Параметры для построения температурного графика
|
tн0С
|
t01
|
t02
|
|
|
8
|
59,9
|
36,36
|
0,214
|
|
5
|
67,9
|
0,268
|
|
0
|
82,2
|
42,93
|
0,357
|
|
-5
|
96,25
|
47,19
|
0,446
|
|
-10
|
113,29
|
52,13
|
0,556
|
|
-15
|
123,85
|
55,1
|
0,625
|
|
-20
|
137,35
|
58,81
|
0,714
|
|
-25
|
150,88
|
62,44
|
0,804
|
|
-30
|
164,16
|
65,93
|
0,893
|
|
-35
|
177,34
|
69,32
|
0,982
|
|
-36
|
180
|
70
|
1
|
Отопительно-бытовой график температур сетевой воды
1.5 Расчёт скорректированного температурного графика
Предварительно рассчитывается относительный расход воды.
где
Значения
температур в подающем и обратном трубопроводах определяются по зависимостям:
Расчет
сведем в таблицу.2,2.
|
Температура наружного
воздуха
|
Относительный расход
|
Температура воды
|
|
Тепла Воды τ1τ2
|
|
|
|
|
+8
|
0,214
|
0,55
|
76
|
33,3
|
|
+5
|
0,268
|
0,64
|
83
|
36,6
|
|
0
|
0,357
|
0,74
|
94,5
|
41,4
|
|
-5
|
0,446
|
0,83
|
105,2
|
46
|
|
-10
|
0,556
|
0,91
|
118,7
|
51,4
|
|
-15
|
0,625
|
0,95
|
127,1
|
54,7
|
|
-20
|
0,714
|
0,99
|
138,1
|
58,7
|
|
-25
|
0,804
|
1
|
150,9
|
62,4
|
Скорректированный график температур сетевой воды
1.6 Расчёт и построение графиков температур на вентиляцию
Температурный график для системы вентиляции строится с учётом
вентиляционной тепловой нагрузки и температур сетевой воды в отопительный
период.
Диапазон
3. Температура обратной воды
определяется методом подбора из уравнения:
где
Dt - температурный напор в калорифере;
Расход сетевой воды в расчетном режиме на отопление:
Gв\=
Gв\=
Двумя
штрихами обозначены величины, относящиеся к расчётной температуре наружного
воздуха для проектирования вентиляции. Значение температуры сетевой воды после
калорифера в расчётный режим для вентиляции принимается равным 60 0С,
т.е.
=60 0С.
Диапазон
2. Температура воды после калорифера
определяется при температуре наружного воздуха в
точке «излома» tи, по
формуле:
где
- относительный
расход теплоты на вентиляцию,
Расчетный
расход сетевой воды на вентиляцию, кг/с:
Gв\\=
Gв\\=
По результатам расчёта строится график расходов сетевой воды на
вентиляцию.
График температур сетевой воды на вентиляцию
.7 Расчёт и построение графиков суммарного расхода воды
В открытых и закрытых системах теплоснабжения при качественном
регулировании отпуска тепла суммарные расчётные расходы сетевой воды, кг/с, для
двухтрубных тепловых сетей определяются по формуле:
где
- расчетный
расход воды, кг/с, на отопление
- расчётный
расход воды, кг/с, на вентиляцию
Gв\=
Gв\\=
k3 - коэффициент, учитывающий долю
среднего расхода воды на горячее водоснабжение при регулировании по нагрузке
отопления, следует принимать по табл. 2 [3]. При регулировании по совмещённой
нагрузке отопления и горячего водоснабжения коэффициент k3 принимается равным 0.
При наличии технологической нагрузки расход определяется для каждого
диапазона по формуле:
где
t1 и t2 - соответственно температура воды, 0С, в
подающем и обратном трубопроводах из скорректированного или «повышенного»
графиков для различных диапазонов.
G’т=
G’’т=
По результатам расчёта строится график суммарных расходов воды.
График суммарных расходов сетевой воды
Рассчитаем расходы сетевой воды по объектам
Микрорайон
Рабочий
поселок
Промпредприятие
Таблица
1.6.
Таблица
расходов сетевой воды по объектам
|
G0
|
Gв
|
Gт
|
SG
|
|
Микрорайон
|
69,3
|
9,94
|
-
|
79,24
|
|
Рабочий посёлок
|
46,12
|
6,62
|
-
|
52,74
|
|
Промпредприятие
|
47,77
|
96,06
|
117,5
|
261,33
|
|
S
|
163,19
|
112,62
|
117,5
|
393,31
|
2. ГИДРАВЛИЧЕСКИЙ РАСЧЁТ
.1 Определяем расходы сетевой воды на каждом участке
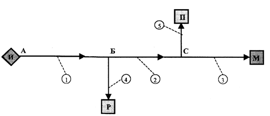
Расход сетевой воды на первом участке, равен сумме расходов всех
потребителей
Расход сетевой воды на втором участке:
Расход сетевой воды на третьем участке:
Расход
сетевой воды на четвёртом участке:
Расход
сетевой воды на пятом участке:
За расчётный принимаем участок АВСП.
По данным Gi и Rлi по номограмме рис. 5.2. [4] определяем стандартные
диаметры труб и фактические сопротивления участков.
Таблица 1.7.
|
№ участка
|
G, кг/с
|
Rл
|
dтр
|
Rлф
|
w, м/с
|
|
1
|
393,31
|
80
|
500
|
70
|
2
|
|
2
|
340,57
|
80
|
466
|
90
|
2
|
|
3
|
79,24
|
80
|
270
|
90
|
1,4
|
|
4
|
52,74
|
80
|
230
|
70
|
1,2
|
|
5
|
261,33
|
80
|
414
|
95
|
1,8
|
Таблица 1.8.
Параметры выбранных труб
|
№ участка
|
Dусл, мм
|
dнар, мм
|
dвн, мм
|
dст., мм
|
|
1
|
500
|
530
|
514
|
8
|
|
2
|
450
|
480
|
464
|
8
|
|
3
|
250
|
273
|
259
|
7
|
|
4
|
250
|
273
|
259
|
7
|
|
5
|
400
|
426
|
414
|
6
|
2.2 Определяем эквивалентные длины местных сопротивлений
-й участок:
Задвижки 2шт.
П-образные компенсаторы 10 шт.
Тройники 1 шт.
-й
участок:
Задвижки3
шт.
П-образные
компенсаторы 17 шт.
Тройники
1 шт.
-й
участок:
Задвижки
4 шт.
П-образные
компенсаторы 29 шт.
-й
участок:
Задвижки
3 шт.
П-образные
компенсаторы 15 шт.
Тройники
1 шт.
5-й участок:
Задвижки 3 шт.
П-образные компенсаторы25 шт.
Тройники 1 шт.
Колено двух шовное (r=d) 2 шт.
Суммарная эквивалентная длина местных сопротивлений на расчётном участке
определяется следующим образом:
2.3 Общие потери давления определяются
для каждого участка по формуле
-й
участок:
-й
участок:
-й
участок:
-й
участок:
-й
участок:
2.4 Определяем потери напора на
отдельных участках тепловой сети
где
r - плотность
воды, кг/м3;
g - ускорение
свободного падения, g=9,8 м/с2.
-й
участок:
-й
участок:
-й
участок:
-й
участок:
-й
участок:
Результаты
гидравлического расчёта трубопроводов тепловых сетей сводятся в таблицу 1.9.
Таблица 1.9.
Результаты гидравлического расчёта
|
Предварительный расчёт
|
Окончательный расчёт
|
|
G, кг/с
|
l, м
|
d × S, мм
|
R, Па/м
|
w, м/с
|
lэ, м
|
l+lэ, м
|
DP, Па
|
DH,
м
|
|
393,31
|
1400
|
514´8
|
70
|
2
|
691,2
|
2091,2
|
146384
|
15,7
|
|
340,57
|
2000
|
464´8
|
90
|
2
|
1018,32
|
3018,32
|
271648,8
|
29,1
|
|
79,24
|
2700
|
90
|
1,4
|
826,4
|
3526,4
|
317376
|
34,1
|
|
52,74
|
1400
|
259х7
|
70
|
12
|
539,8
|
1939,8
|
135786
|
14,6
|
|
261,33
|
3000
|
414´6
|
95
|
1,8
|
1308,92
|
4308,92
|
409347,4
|
43,9
|
Пьезометрический график
3. ТЕПЛОВОЙ РАСЧЁТ МАГИСТРАЛИ ТЕПЛОВОЙ СЕТИ
3.1 Тепловой расчёт надземного участка сети
теплоснабжение температура магистраль сеть
3.1.1 Рассчитываем участок СП
В качестве изоляции принимаем минеральные маты, плотность материала r=120 кг/м3. Марка - 100
ГОСТ 21880 - 86
Параметры трубопровода на участке СП:
dу=0,40 м
dн=0,426 м
Определяем наружный диаметр изоляции
Коэффициент
теплопроводности слоя изоляции определяем по формуле:
Определяем линейную плотность теплового потока:
где
К
- коэффициент дополнительных потерь, учитывающий теплопотери через
теплопроводные включения в теплоизоляционных конструкциях, К=1,15;
-
расчетная температура теплоносителя;
tн-расчетная
температура окружающего воздуха, ˚С;
коэффициент
теплоотдачи наружной поверхности изоляции, Вт/(м²·˚С)
коэффициент
теплопроводности изоляции, Вт/(м²·˚С)
толщина
изоляционного слоя, м
наружный
диаметр изолируемого трубопровода, м
Сравниваем
линейную плотность теплового потока с нормативной плотностью теплового потока:
Определяем
линейные тепловые потери теплопровода:
где
l - длинна
теплопровода, м
Определяем
падение температуры теплоносителя при его движении по теплопроводу:
где
G - расход
теплоносителя, кг/с
изобарная
теплоемкость теплоносителя, кДж/(кг·˚С)
˚С
˚С
3.2 Тепловой расчёт двухтрубного
теплопровода канальной прокладки участка AB
Наружные диаметры трубопроводов на этом участке равен 0,530 м
Определяем наружные диаметры изоляции
Определяем
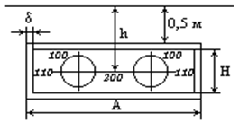
предварительные размеры канала и вычерчиваем схему
Выбираем
стандартный размер канала
A=2100 мм
H=1200мм
Определяем
коэффициент теплопроводности изоляции
Определяем
сопротивление слоя изоляции:
Определяем
термическое сопротивление теплоотдаче от поверхности изоляции трубопровода:
где
коэффициент
теплоотдачи в канале, принимается равным 11
Вт/(м²·˚С).
Определяем
термическое сопротивление теплоотдаче от воздуха к поверхности канала:
Определяем термическое сопротивление грунта:
где
теплопроводность
грунта, принимаем равной 0,8 Вт/(м²·˚С).
Определяем
температуру воздуха в канале:
Определяем
тепловые потери:
Сравниваем линейную плотность теплового потока с нормативной плотностью
теплового потока:
Определяем
линейные тепловые потери теплопровода:
где
l - длинна
теплопровода, м
Определяем
падение температуры теплоносителя при его движении по теплопроводу:
где
G - расход
теплоносителя, кг/с
изобарная
теплоемкость теплоносителя, кДж/(кг·˚С)
˚С
˚С
3.3 Тепловой расчёт двухтрубного
теплопровода канальной прокладки участка ВС
Наружные диаметры трубопроводов на этом участке равен 0,48 м
Определяем наружные диаметры изоляции
Определяем
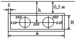
предварительные размеры канала и вычерчиваем схему
Выбираем
стандартный размер канала
A=1800 мм
H=900мм
Определяем
коэффициент теплопроводности изоляции
Определяем сопротивление слоя изоляции:
Определяем
термическое сопротивление теплоотдаче от поверхности изоляции трубопровода:
где
коэффициент
теплоотдачи в канале, принимается равным 11
Вт/(м²·˚С).
Определяем
термическое сопротивление теплоотдаче от воздуха к поверхности канала:
Определяем
термическое сопротивление грунта:
где
теплопроводность
грунта, принимаем равной 1,5 Вт/(м²·˚С).
Определяем
температуру воздуха в канале:
Определяем
тепловые потери:
Сравниваем линейную плотность теплового потока с нормативной плотностью
теплового потока:
Определяем линейные тепловые потери теплопровода:
где
l - длинна
теплопровода, м
Определяем
падение температуры теплоносителя при его движении по теплопроводу:
где
G - расход
теплоносителя, кг/с
изобарная
теплоемкость теплоносителя, кДж/(кг·˚С)
˚С
˚С
3.4 Тепловой расчёт двухтрубного
теплопровода канальной прокладки участка СМ
Наружные диаметры трубопроводов на этом участке равен 0,273 м
Определяем наружные диаметры изоляции
Определяем
предварительные размеры канала и вычерчиваем схему
Выбираем
стандартный размер канала
A=1800 мм
H=900мм
Определяем коэффициент теплопроводности изоляции
Определяем сопротивление слоя изоляции:
Определяем
термическое сопротивление теплоотдаче от поверхности изоляции трубопровода:
где
коэффициент
теплоотдачи в канале, принимается равным 11 Вт/(м²·˚С).
Определяем термическое сопротивление теплоотдаче от воздуха к поверхности
канала:
Определяем
термическое сопротивление грунта:
где
теплопроводность
грунта, принимаем равной 1,5 Вт/(м²·˚С).
Определяем
температуру воздуха в канале:
Определяем тепловые потери:
Сравниваем линейную плотность теплового потока с нормативной плотностью
теплового потока:
Определяем линейные тепловые потери теплопровода:
где
l - длинна
теплопровода, м
Определяем
падение температуры теплоносителя при его движении по теплопроводу:
где
G -
расход теплоносителя, кг/с
изобарная
теплоемкость теплоносителя, кДж/(кг·˚С)
˚С
˚С
3.5 Тепловой расчёт двухтрубного
теплопровода канальной прокладки участка ВР
Так как диаметры трубопроводов одинаковые, то применяем идентичную
изоляцию участке на ВР.
Определяем линейные тепловые потери теплопровода:
где
l - длинна
теплопровода, м
Определяем
падение температуры теплоносителя при его движении по теплопроводу:
где
G -
расход теплоносителя, кг/с
изобарная
теплоемкость теплоносителя, кДж/(кг·˚С)
˚С
˚С
Полученные результаты заносим в таблицу:
|
№ участка
|
Тип прокладки
|
Трубопро-вод
|
Норматив-ный тепловой потокq,
Вт/м
|
Материал тепловой изоляции
|
Принятая толщина тепловой
изоляции, δ, мм
|
Фактический тепловой поток q,
Вт/м
|
Тепловые потери
теплопровода Q, Вт
|
Падение температуры
теплонасителя ∆τ,˚С
|
|
1
|
Канальная прокладка
|
Подающий
|
127
|
Пенополиуретан
|
0,13
|
84
|
117600
|
0,07
|
|
|
Обратный
|
|
|
0,09
|
38
|
53200
|
0,03
|
|
2
|
|
Подающий
|
117
|
|
0,14
|
75
|
150000
|
0,11
|
|
|
Обратный
|
|
|
0,08
|
41
|
82000
|
0,06
|
|
3
|
|
Подающий
|
80
|
|
0,12
|
54
|
145800
|
0,44
|
|
|
Обратный
|
|
|
0,08
|
25
|
67500
|
0,21
|
|
4
|
|
Подающий
|
80
|
|
0,12
|
54
|
75600
|
0,34
|
|
|
Обратный
|
|
|
0,08
|
25
|
35000
|
0,16
|
|
5
|
Надземный
|
Подающий
|
84
|
|
0,22
|
55
|
165000
|
0,15
|
|
|
Обратный
|
49
|
|
0,17
|
25,4
|
76200
|
0,07
|
4. РАСЧЁТ ТРУБОПРОВОДОВ ТЕПЛОВЫХ
СЕТЕЙ НА ПРОЧНОСТЬ
.1 Надземный участок СП
На пятом участке тепловой сети СП, проложенном надземным способом
действуют следующие нагрузки:
·
ветровые;
·
внутреннее
давление теплоносителя;
·
весовые;
Приведем схематичный рисунок расстановки опор и прогиба трубопровода:
Рисунок 4.1.
Определяем максимальный изгибающий момент над опорами:
;
где
расстояние
между опорами, м;
удельная
нагрузка на единицу длины трубопровода, Н/м;
;
где
- горизонтальная
удельная нагрузка, Н/м;
- вертикальная
удельная нагрузка, Н/м;
;
где
- скорость
воздуха, м/с, (
=10);
- плотность
воздуха, кг/м3;
- наружный
диаметр изоляции трубопровода, м;
k- аэродинамический
коэффициент, 1.4¸1.6, берем 1.4;
суммарная
масса теплоносителя, трубы, изоляции, кг,
;;
g - ускорение
свободного падения, 9.8 м/с2;

труба:
изоляция:

где
коэффициент
напряжения, 0.4¸0.5;
коэффициент
прочности, 0.8;
напряжение
металла труб, для труб стальных 16ГС, 145 МПа;
Определяем
экваториальный момент сопротивления трубы:
Определяем
расстояние между опорами:
Определяем
изгибающий момент на опоре:
Определяем изгибающий момент на прогиб трубы:
Определяем
стрелу прогиба трубопровода:
где
модуль
продольной упругости, 19.6×1010 Па;
экваториальный
момент инерции трубы, м4;
Стела
прогиба не превышает допустимую
.2
Подземный канальный участок АВ
Определяем
удельную нагрузку на единицу длины трубопровода, Н/м;
;
где
- горизонтальная
удельная нагрузка, Н/м;
- вертикальная
удельная нагрузка, Н/м;
;
где
суммарная
масса теплоносителя, трубы, изоляции, кг,
;;
g - ускорение
свободного падения, 9.8 м/с2;
теплоноситель:
труба:
изоляция:

Определяем
экваториальный момент сопротивления трубы:
Определяем
расстояние между опорами:
Определяем
изгибающий момент на опоре:
Определяем
изгибающий момент на прогиб трубы:
Определяем
стрелу прогиба трубопровода:
Стела
прогиба не превышает допустимую
4.3 Подземный канальный участок ВС
Определяем удельную нагрузку на единицу длины трубопровода, Н/м;
;
где
- горизонтальная
удельная нагрузка, Н/м;
- вертикальная
удельная нагрузка, Н/м;
;
где
суммарная
масса теплоносителя, трубы, изоляции, кг,
;;
g - ускорение
свободного падения, 9.8 м/с2;
теплоноситель:
труба:
изоляция:

Определяем
экваториальный момент сопротивления трубы:
Определяем
расстояние между опорами:
Определяем
изгибающий момент на опоре:
Определяем
изгибающий момент на прогиб трубы:
Определяем стрелу прогиба трубопровода:
Стела
прогиба не превышает допустимую
4.4
Подземный канальный участок СМ=ВР
Определяем
удельную нагрузку на единицу длины трубопровода, Н/м;
;
где
- горизонтальная
удельная нагрузка, Н/м;
- вертикальная
удельная нагрузка, Н/м;
;
где
суммарная
масса теплоносителя, трубы, изоляции, кг,
;;
g - ускорение
свободного падения, 9.8 м/с2;
теплоноситель:
труба:
изоляция:

Определяем
экваториальный момент сопротивления трубы:
Определяем
расстояние между опорами:
Определяем изгибающий момент на опоре:
Определяем
изгибающий момент на прогиб трубы:
Определяем
стрелу прогиба трубопровода:
Стела
прогиба не превышает допустимую
5. РАСЧЕТ КОМПЕНСАТОРОВ
Расчет проводим для двух участков: надземного СП и подземного СМ.
5.1 Для участка СП
Рассчитываем тепловое удлинение трубопроводов Dl мм между неподвижными опорами.
где
L - длина
трубопровода между неподвижными опорами, L=120 м;
t - температура
теплоносителя, ОС;
tО - температура окружающей среды, ОС;
a - коэффициент
линейного удлинения стальных труб.
Расчетное
тепловое удлинение с учетом предварительной растяжки компенсатора.
Задаемся
длиной спинки, С=4,4 м, и по номограмме определяем вылет компенсатора Н=4,8м.
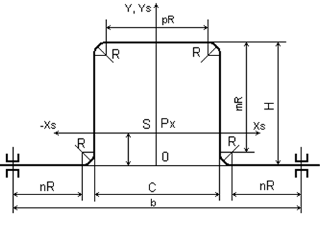
Рис.5.1. Расчетная схема П образного компенсатора.
Вычисляем координаты упругого центра xS и yS. Вследствие симметричности упругий
центр S лежит на оси y, поэтому xS=0.
где
LПР - приведенная длина оси компенсатора, м:
где
R - радиус
изгиба отвода;
k- коэффициент
Кармана;
d - толщина
стенки трубы;
rСР - радиус поперечного сечения трубы.

Вычисляем
момент инерции упругой линии оси компенсатора относительно оси xS.
Сила упругого отпора компенсатора определяется по формуле:
где
Е
- модуль упругости стали с учетом температуры;
J - момент
инерции поперечного сечения трубы, из которой изготавливается компенсатор,
Максимальный
изгибающий момент определяется по формуле:
где
Н
- вылет компенсатора;
Напряжение
изгиба на изогнутых участках определяем по формуле:
Допускаемое значение, изгибающее напряжение, меньше 160 МПа. Расчет
проведен правильно.
5.2 Для участка АВ
Рассчитываем тепловое удлинение трубопроводов Dl мм между неподвижными опорами.
где
L - длина
трубопровода между неподвижными опорами, L=140 м;
t - температура
теплоносителя, ОС;
tО - температура окружающей среды, ОС;
a - коэффициент
линейного удлинения стальных труб.
Расчетное
тепловое удлинение с учетом предварительной растяжки компенсатора.
Задаемся
длиной спинки, С=5 м, и по номограмме определяем вылет компенсатора Н=6 м.
Вычисляем
координаты упругого центра xS и yS. Вследствие симметричности упругий центр S
лежит на оси y, поэтому xS=0.
где
LПР - приведенная длина оси компенсатора, м:
где
R - радиус
изгиба отвода;
k- коэффициент
Кармана;
d - толщина
стенки трубы;
rСР - радиус поперечного сечения трубы.

Вычисляем
момент инерции упругой линии оси компенсатора относительно оси xS.
Сила
упругого отпора компенсатора определяется по формуле:
где
Е
- модуль упругости стали с учетом температуры;
J - момент
инерции поперечного сечения трубы, из которой изготавливается компенсатор,
Максимальный
изгибающий момент определяется по формуле:
где
Н
- вылет компенсатора;
Напряжение
изгиба на изогнутых участках определяем по формуле:
Допускаемое
значение, изгибающее напряжение, меньше 160 МПа. Расчет проведен правильно.
.3
Для участка ВС
Рассчитываем
тепловое удлинение трубопроводов Dl мм между неподвижными опорами.
где
L - длина
трубопровода между неподвижными опорами, L=120 м;
t - температура
теплоносителя, ОС;
tО - температура окружающей среды, ОС;
a - коэффициент линейного удлинения стальных труб.
Расчетное
тепловое удлинение с учетом предварительной растяжки компенсатора.
Задаемся
длиной спинки, С=4,4 м, и по номограмме определяем вылет компенсатора Н=4,8 м.
Вычисляем
координаты упругого центра xS и yS. Вследствие симметричности упругий центр S
лежит на оси y, поэтому xS=0.
где
LПР - приведенная длина оси компенсатора, м:
где
R - радиус
изгиба отвода;
k- коэффициент
Кармана;

d - толщина
стенки трубы;
rСР - радиус поперечного сечения трубы.

Вычисляем
момент инерции упругой линии оси компенсатора относительно оси xS.
Сила
упругого отпора компенсатора определяется по формуле:
где
Е - модуль упругости стали с учетом температуры;
J - момент
инерции поперечного сечения трубы, из которой изготавливается компенсатор,
Максимальный
изгибающий момент определяется по формуле:
где
Н
- вылет компенсатора;
Напряжение
изгиба на изогнутых участках определяем по формуле:
Допускаемое
значение, изгибающее напряжение, меньше 160 МПа. Расчет проведен правильно.
5.4 Для участка СМ
Рассчитываем тепловое удлинение трубопроводов Dl мм между неподвижными опорами.
где
L - длина
трубопровода между неподвижными опорами, L=95 м;
t - температура
теплоносителя, ОС;
tО - температура окружающей среды, ОС;
a - коэффициент
линейного удлинения стальных труб.
Расчетное
тепловое удлинение с учетом предварительной растяжки компенсатора.
Задаемся
длиной спинки, С=2,5 м, и по номограмме определяем вылет компенсатора Н=4 м.
Вычисляем
координаты упругого центра xS и yS. Вследствие симметричности упругий центр S
лежит на оси y, поэтому xS=0.
где
LПР - приведенная длина оси
компенсатора, м:
где
R - радиус
изгиба отвода;
k- коэффициент
Кармана;
d - толщина
стенки трубы;
rСР - радиус поперечного сечения трубы.


Вычисляем момент инерции упругой линии оси компенсатора относительно оси xS.
Сила
упругого отпора компенсатора определяется по формуле:
где
Е
- модуль упругости стали с учетом температуры;
J - момент
инерции поперечного сечения трубы, из которой изготавливается компенсатор,
Максимальный
изгибающий момент определяется по формуле:
где
Н
- вылет компенсатора;
Напряжение изгиба на изогнутых участках определяем по формуле:
Допускаемое
значение, изгибающее напряжение, Больше 160 МПа. Уменьшаем расстояние между
опорами с 95 до 75 м.
Допускаемое
значение, изгибающее напряжение, меньше 160 МПа. Расчет проведен правильно.
6. ВЫБОР НАСОСОВ
Выбираем сетевые насосы
Суммарный расход сетевых насосов равен расходу на первом участке (AB):
;
Напор
основных сетевых насосов принимается равный сумме потерь давления в
подогревательной установке, подающем и обратном трубопроводах главной
магистрали и потерь в центральном или индивидуальном тепловом пункте. И того из
пьезометрического графика определяем
, по
номограмме определяем тип насоса СЭ - 1250 - 180, плюс один резервный.
Выбираем
подкачивающие насосы:
;
Выбираем
2 насоса Фирмы Grunfos типа 400-3 плюс один резервный.

Выбираем
2 насоса Фирмы Grunfos типа 125-2 плюс один резервный.

Выбираем
3 насоса Фирмы Grunfos типа 400-2плюс один резервный.
Выбираем подпиточные насосы:
Определим объем системы теплоснабжения
Выбираем
насос типа КМ 90/55с
в количестве 5 штуки.
На
этом выбор насосов закончен.
ЗАКЛЮЧЕНИЕ
В процессе расчёта данного курсового проекта мы рассмотрели систему
теплоснабжения промышленного предприятия, рабочего посёлка и микрорайона.
Расчёт состоял из: определения теплового потребления жилых районов и
промышленного предприятиякоторый в сумме составил 88 МВт ×ч - в зимнем режиме, 27,4 МВт × ч - в летнем. Далее произвели
гидравлический расчёт тепловой сети и определили диаметры трубопроводов по
участкам сети. Затем рассчитали изоляцию трубопроводов тепловой сети. При
расчёте трубопроводов на прочность и компенсацию температурных расширений
определили расстояние между опорами и выбрали П-образные компенсаторы.
СПИСОК ИСПОЛЬЗОВАННОЙ ЛИТЕРАТУРЫ
1. Теплофикация и тепловые сети: Учебник для вузов. - 5-е
изд., перераб. - М.: Энергоиздат, 1982. 360 с., ил.
. Проектирование систем теплоснабжения: Учебное пособие
для курсового проектирования. Г.В. Пак, Л.В. Сорокина. - Братск, 2011 г. - 58
с.
. Справочник проектировщика. Проектирование тепловых
сетей. Под ред. А.А. Николаева, М.: Стройиздат, 1988.
. Сафонов А.П. Сборник задач по теплофикации и тепловым
сетям. М.: Энергия, 1985.
. Теплоснабжение: Учебное пособие для студентов вызов.
- М.: Высш. школа, 1980. - 408 с., ил.