|
|
|
|
|
|
|
1 2 2’ 3
4 5
|
0,065 0,090 0,091 0,075 0,020 -
|
76,201 105,509 106,682 87,924
23,446 -
|
- - - - - -0,0910
|
- - - - - -106,682
|
|
5 6 7 7’ 8 9 10
|
- 0,018 0,058 0,0625 0,058 0,018 -
|
- 21,101 67,995 73,270 67,995 21,101 -
|
-0,0910 -0,0513
-0,0289 - -0,0239 -0,0343 -0,0625
|
-110,360 -62,214
-35,048 - -28,984 -43,597 -75,796
|
|
10 11 12 12’ 13 14 15
|
- 0,018 0,058 0,0625 0,058 0,018 -
|
- 21,101 67,995 73,270 67,995 21,101 -
|
-0,0625 -0.0286 -0,0119 - -0,0119 -0,0296
-0,0625
|
-75,796 -34,684
-14,432 - -14,432 -35,897 -75,796
|
После
определения значений
и
строим
эпюры изгибающих моментов Поперечные силы в сечениях определяем по формулам:
на
первой опоре
на
первой промежуточной опоре, слева
на
первой промежуточной опоре справа и на второй промежуточной опоре слева


4.3 Уточнение размеров второстепенной балки
Уточняем
размеры поперечного сечения по опорному моменту на первой промежуточной опоре.
Зададим коэффициент
, тогда
Полная
высота балки
, тогда окончательно примем
(должно быть кратно 5см).
Проверяем
условие, устанавливающее минимальные размеры сечения и ограничивающее ширину
раскрытия наклонных трещин
- условие
выполняется и поэтому разрушение бетона по наклонной сжатой полосе не
произойдет. Расчет следует продолжать с размерами
и
.4 Армирование второстепенной балки
Введем
в расчеты ширину полки
, которая зависти от отношения высоты полки к высоте
второстепенной балки:
.
Ширину
полки принимаем меньшую из двух величин:
и
, следовательно
.4.1 Подбор продольной арматуры
Подберем рабочую арматуру в трех расчетных сечениях в первом и среднем
пролетах и на опоре.
Сечение 1-1
Подберем нижнюю продольную арматуру.
Максимальный
момент, который действует в крайнем пролете
. Для
армирования принимаем сварные каркасы из стали класса А-III.
Определим положение нейтральной оси, для этого найдем момент воспринимаемый
полкой тавра:
, где
-коэффициент
условия работы (см. табл.15 [3])
При
двухрядном расположения рабочих стержней в каркасе
.
Тогда
получим:
-
следовательно, нейтральная ось проходит в полке, поэтому балку рассматриваем
как балку прямоугольного сечения с шириной
.
Определим
площадь арматуры:
,
тогда
`по таблице III.1 [1] находим коэффициент
.
Проверяем
граничные условия:
,
где
, тогда
- граничные
условия соблюдаются.
Найдем
требуемую площадь арматуры
по
таблице III.1 [1] определяем, что
.
По
сортаменту примем 2стрежня
,
и 2стержня
,
Арматуру
располагаем в два ряда
и
.
Подберем
верхнюю продольную арматуру.
Принимаем
два стержня диаметр стержней
,
.
Арматуру
располагаем в один ряд
и
.
Сечение
2-2
Расчет
ведем для балки прямоугольного сечения шириной равной ширине ребра
Момент
в этом сечении равен
.
для
двухрядном расположения рабочих стержней в каркасе
.
Определим
площадь арматуры:
, тогда
(по
таблице III.1[1]).
Проверяем
граничные условия:
,
где
, тогда
-граничные
условия соблюдаются.
Найдем требуемую площадь арматуры
по
таблице III.1 см. [1] определяем, что
.
.
По
сортаменту примем 2стрежня
,
и 2стержня
,
Сечение
3-3
Подберем
нижнюю продольную арматуру.
Максимальный
момент, который действует в крайнем пролете равен
. Для армирования принимаем сварные каркасы из стали
класса А-III.
для
двухрядном расположения рабочих стержней в каркасе
.
Определим
положение нейтральной оси из условия.
-
следовательно нейтральная ось проходит в полке, поэтому балку рассматриваем как
балку прямоугольного сечения с шириной
.
Определим
площадь арматуры:
, тогда
(по
таблице III.1 [1]).
Проверяем
граничные условия:
,
где
, тогда
-граничные
условия соблюдаются.
Найдем
требуемую площадь арматуры
по
таблице III.1 [1] определяем, что
.
.
По
сортаменту примем 2стрежня
,
и 2стержня
,
Арматуру
располагаем в два ряда
и
.
Подберем
верхнюю продольную арматуру.
Расчет
ведем по моменту
. Для армирования принимаем сварные каркасы из стали
класса А-III.
Защитный
слой бетона
. С учетом расположения арматуры в один ряд
, тогда
.
Определим положение нейтральной оси из условия. Тогда получим:
- Расчет
ведем для балки прямоугольного сечения шириной равной ширине ребра
.
Определим
площадь арматуры:
, тогда
(по
таблице III.1 [1]).
Проверяем
граничные условия:
,
где
, тогда
- граничные
условия соблюдаются.
Найдем
требуемую площадь арматуры
по
таблице III.1[1] определяем, что
.
.
По
сортаменту примем 2стрежня
,
. Арматуру располагаем в один ряд
Сечение
4-4
Расчет
ведем для балки прямоугольного сечения шириной
Момент
в этом сечении равен
.
для
двухрядном расположения рабочих стержней в каркасе
.
Определим
площадь арматуры:
, тогда
(по
таблице III.1 [1]). Проверяем граничные условия:
,
где
, тогда
-граничные
условия соблюдаются.
Найдем
требуемую площадь арматуры, по таблице III.1 [1]
определяем, что
.
.
По
сортаменту примем 4 стержня
,
Сечение 5-5
Подберем нижнюю продольную арматуру.
Максимальный
момент, который действует в крайнем пролете равен
. Для армирования принимаем сварные каркасы из стали
класса А-III.
Здесь
арматуру берем, что в сечении 3-3, следовательно, примем 2стрежня
,
и
2стержня
,
Подберем верхнюю продольную арматуру.
Расчет
ведем по моменту
.
Для
армирования принимаем сварные каркасы из стали класса А-III.
Защитный
слой бетона
. С учетом расположения арматуры в один ряд
, тогда
.
Определим положение нейтральной оси из условия. Тогда получим:
- Расчет
ведем для балки прямоугольного сечения шириной равной ширине ребра
.
Определим
площадь арматуры:
, тогда
(по
таблице III.1 [1]).
Проверяем
граничные условия:
,
где
,
тогда
-граничные условия соблюдаются.
Найдем
требуемую площадь арматуры
по
таблице III.1 [1] определяем, что
.
По
сортаменту примем 2 стрежня
,
. Арматуру располагаем в один ряд
.4.2 Расчет наклонных сечений на
действие поперечной силы
Расчет ведется на при опорных и средних участках в крайнем и среднем
пролетах. Значение поперечных сил на участках см.Рис.4.4.2.
Рис. 4.4.2.
Участок 1
,
,
,
.
-расчетное
сопротивление бетона растяжению для марки В-20,
-расчетное
сопротивление поперечной арматуры растяжению для класса А-III.
Проверяем
необходимость установки поперечной арматуры по расчету:
-условие
не выполняется.
Определяем
длину проекции наклонного сечения.
, где
,
,
тогда
и
.
Следовательно,
длина проекции наклонного сечения равна
или
.
Принимаем
наименьшее сечение из двух
.
Определим
усилие в хомутах на единицу длины элемента в пределах наклонного сечения:
.
Назначаем
диаметр арматуры из условия сварки с продольной арматурой, диаметр которой d =
18мм по таблице 5 [2] примем
, тогда
.
Число
плоских каркасов
.
Определим
площадь сечения
.
Тогда
шаг поперечных стрежней равен:
Конструктивное
требование при
:
.
Примем
шаг
Участок
2 (средний)
,
,
.
Проверяем
необходимость установки поперечной арматуры по расчету:
-условие
не выполняется.
Определяем
длину проекции наклонного сечения.
, где
,
, тогда
и
.
Следовательно,
длина проекции наклонного сечения равна
или
.
Принимаем
наименьшее сечение из двух
.
Определим усилие в хомутах на единицу длины элемента в пределах
наклонного сечения:
.
Определим
площадь сечения
.
Тогда
шаг поперечных стрежней равен:
Конструктивное
требование при
:
.
Примем
шаг
Участок
3 (приопорный)
,
,
,
.
-расчетное
сопротивление бетона растяжению для марки В-20,
-расчетное
сопротивление поперечной арматуры растяжению для класса А-III.
Проверяем
необходимость установки поперечной арматуры по расчету:
-условие
не выполняется.
Определяем
длину проекции наклонного сечения.
, где
,
, тогда
и
.
Следовательно,
длина проекции наклонного сечения равна
или
.
Принимаем
наименьшее сечение из двух
.
Определим
усилие в хомутах на единицу длины элемента в пределах наклонного сечения:
.
Назначаем
диаметр арматуры из условия сварки с продольной арматурой, диаметр которой d =
18мм по таблице 5 [2] примем
, тогда
. Число плоских каркасов
.
Определим
площадь сечения
.
Тогда
шаг поперечных стрежней равен:
Конструктивное
требование при
:
.
Примем
наименьшее значение
.
Дополнительно
проводим проверку сечения по сжатой полосе между наклонными трещинами по
условию:
,
где
- поперечная сила в нормальном сечении, принимаемом на
расстоянии от опоры не менее
,
, здесь
,
,
-условие
выполняется.
Участок
4 (приопорный)
,
,
.
Проверяем
необходимость установки поперечной арматуры по расчету:
-условие
не выполняется.
Определяем
длину проекции наклонного сечения.
, где
,
, тогда
и
.
Следовательно,
длина проекции наклонного сечения равна
или
.
Принимаем
наименьшее сечение из двух
.
Определим
усилие в хомутах на единицу длины элемента в пределах наклонного сечения:
.
Назначаем
диаметр арматуры из условия сварки с продольной арматурой диаметр которой d =
14мм по таблице 5 [2] примем
, тогда
. Число плоских каркасов
.
Определим
площадь сечения
.
Тогда
шаг поперечных стрежней равен:
Конструктивное
требование при
:
.
Примем
шаг
.
Дополнительно
проводим проверку сечения по сжатой полосе между наклонными трещинами по
условию:
,
где
- поперечная сила в нормальном сечении, принимаемом на
расстоянии от опоры не менее
,
, здесь
,
,
-условие
выполняется.
Участок
5 (средний)
,
,
.
Проверим
необходимость установки поперечной арматуры по расчету:
-условие
выполняется.
Так
как условие выполняется, то арматуру принимаем конструктивно.
Назначаем
диаметр арматуры из условия сварки с продольной арматурой диаметр которой d =
14мм по таблице 5 [2] примем
, тогда
. Число плоских каркасов
.
Определим
площадь сечения
.
Тогда
шаг поперечных стрежней равен:
Конструктивное
требование при
:
.
Примем
шаг
.
4.5 Посторение эпюры материалов
второстепенной балки
Для стрежней разных диаметров составляем таблицу единичных моментов (см.
таблица 4.5.1.). Где As,1 - площадь
одного стержня данного диаметра по таблице [2], Rs - сопротивление растяжению продольной арматуры
данного диаметра и класса проволочной арматуры по таблице 10 и 11 [2], для
А-III - Rs=365 МПа, а также η,
вычисляется в
зависимости от ζ по таблице III.1 [1].
Таблица 4.5.1.Единичные моменты для разных диаметров стержней.
|
наим.
|
      
|
|
|
|
|
|
|
|
|
K-1
|
18
|
254,5
|
92,89
|
0,08
|
0,96
|
0,400
|
0,384
|
35,67
|
|
14
|
153,9
|
56,17
|
0,048
|
0,976
|
0,400
|
0,390
|
21,90
|
|
12
|
113,1
|
41,28
|
0,034
|
0,983
|
0,424
|
0,417
|
17,21
|
|
К-2
|
18
|
254,5
|
92,89
|
0,08
|
0,96
|
0,400
|
0,384
|
35,67
|
|
16
|
201,1
|
73,40
|
0,064
|
0,968
|
0,400
|
0,387
|
28,40
|
|
K-3
|
14
|
153,9
|
56,17
|
0,048
|
0,976
|
0,400
|
0,390
|
21,90
|
|
12
|
113,1
|
41,28
|
0,036
|
0,982
|
0,400
|
0,393
|
16,22
|
|
18
|
254,5
|
92,89
|
0,0767
|
0,961
|
0,421
|
0,385
|
35,76
|
|
К-4
|
14
|
153,9
|
56,17
|
0,048
|
0,976
|
0,400
|
0,390
|
21,90
|
|
14
|
153,9
|
56,17
|
0,048
|
0,976
|
0,400
|
0,390
|
21,90
|
|
К-5
|
14
|
153,9
|
56,17
|
0,048
|
0,976
|
0,400
|
0,390
|
21,90
|
|
12
|
113,1
|
41,28
|
0,036
|
0,982
|
0,400
|
0,393
|
16,22
|
|
14
|
153,9
|
56,17
|
0,046
|
0,977
|
0,423
|
0,413
|
23,198
|
Для проверки правильности и экономичности армирования балки, обеспечения
прочности во всех ее сечениях строим эпюры арматуры. Ординаты эпюры вычисляем
как сумму моментов внутренних сил в рассматриваемом сечении балки.
Длину
заделки обрываемых стержней за место теоретического определим как
, получим:
-
принимаем по Рис. 4.4.2
∅
18
∅14
∅12
∅16
Принимаем
длину заделки для стержней с
280мм,
для стержней с
360мм,
246мм,
320мм.
5. Расчет колонны
Требуется запроектировать среднюю колонну 1 этажа многоэтажного здания
при ниже приведенных данных:
- конструктивная схема рисунок
- число этажей n
= 4
- высота этажа Н
= 3,1 м
- расчетная нагрузка на перекрытие 16,42 кН/м2
(табл.1)
- расчетная нагрузка от веса ригеля 4,13
кН/м (2)
- район строительства г.
Киев
(III снеговой район)
- снеговая расчетная нагрузка 1,8
кН/м2 [2]
- расчетная грузовая площадь
при сетке колонн 6 × 6 м 36 м2
- коэффициент надежности по назначению 0,95
Краткие методические рекомендации
Колонны средних рядов зданий и сооружений условно могут быть отнесены к
внецентренно сжатым железобетонным элементам со случайным эксцентриситетом.
Поэтому:
- рекомендуемые сечения для сжатых (со случайным
эксцентриситетом) элементов - симметричные (квадратные, круглые) при
минимальных размерах 200 мм для жилых (общественных) зданий и 300 мм -
промышленных;
- сечение
колонн целесообразно принимать с таким расчетом, чтобы их гибкость
;
- рекомендуемые
классы
бетона - не ниже В15;
рабочей арматуры - А300, A400;
поперечной - А240, В500.
- минимальный диаметр стержней продольной арматуры принимается
равным 12 мм, а поперечной - по условиям свариваемости для сварных каркасов
(Прил. 3) и не менее 5 мм (0,25 d) - в вязанных;
- максимальный диаметр продольных стержней сжатых элементов
зависит от вида и класса бетона
- минимальный коэффициент армирования должен соответствовать
требованиям, максимальный - μmax ≤ 0,03;
- шаг хомутов не должен превышать 15 d и быть не более 500
(условие обеспечения устойчивости сжатой продольной арматуры);
Примечание: если μ > 3 %, то шаг хомутов принимается менее 10 d и менее 300 мм;
- размещение арматуры в сечении и установка конструктивной
продольной и поперечной арматуры должны выполняться с учетом требований . также
рис. 6.1).
Таблица 7
К определению нагрузок на среднюю колонну первого этажа
|
Характер нагружения
|
Вид нагрузки
|
Обозначение
|
Размерность
|
Исходное расчетное значение
|
Грузовая площадь, м2 (м)
|
Расчетное усилие, кН
|
|
От собственной массы колонн
|
gc
|
-
|
-
|
-
|
36,0
|
|
От массы плит перекрытия и пола
|
gf, pl
|
кН/ м2
|
3,82
|
3 × 36
|
412,6
|
|
Постоянная
|
От массы ригелей перекрытия
|
grib
|
кН/ м
|
4,13
|
3 × 6
|
74,4
|
|
От массы покрытия *)
|
gt
|
кН/ м2
|
3,41
|
36
|
122,8
|
|
От массы ригеля покрытия
|
grib
|
кН/ м
|
4,13
|
6
|
24,8
|
|
Итого постоянная
|
Nconst
|
|
|
|
Nconst =670,6
|
|
Полная снеговая, в том числе:
|
рs
|
кН/ м2
|
1,8
|
36
|
Ns = 64,8
|
|
- кратковременная
|
рs, sh
|
кН/ м2
|
0,84
|
36
|
Ns, sh = 30,2
|
|
Временная
|
- длительная (30 %)
|
рs, l
|
кН/ м2
|
0,36
|
36
|
Ns, l = 13,0
|
|
Полезная полная, в том числе:
|
v
|
кН/ м2
|
10,5
|
3 × 36
|
Nv = 1134
|
|
- кратковременная
|
vsh
|
кН/ м2
|
1,5
|
108
|
Nv, sh = 162
|
|
- длительная
|
vl
|
кН/ м2
|
9
|
108
|
Nv, l = 972
|
|
Полная, в том числе:
|
Nt = Nconst +
Ns + Nv =
|
1869,4
|
|
Суммарная
|
- кратковременная
|
Nsh = Ns, sh
+ Nv, sh =
|
192,2
|
|
- длительная
|
Nl = Nconst +
Ns, l + Nv, l =
|
1655,6
|
Примечание: *) расчетная нагрузка от покрытия принята от
веса:
3 слоев рубероида -120 · 1,2 = 144 Н / м2 = 0,144 кН / м2
цементно-песчаного выравнивающего
слоя толщиной 0,020 м - 400 · 1,3 = 0,52 кН / м2
железобетонной ребристой плиты- 2,5 · 1,1 = 2,75 кН / м2
Предварительно задаемся сечением колонн bс × hс = 30 × 30
см;
Определяем полную конструктивную длину колонны Нс = 15,3 +
0,15 + 0,50 = 15,85 м, где hзад = 0,5 - глубина заделки колонны в
фундамент).
Расчетная
нагрузка от массы колонны (без учета веса защемляемого участка колонны)
кН
Расчетные
усилия с учетом коэффициента надежности по ответственности γn
= 0,95 будет иметь следующие значения:
Полное
кН,
длительное
кН,
кратковременное
кН.
Расчет площади рабочей арматуры
Нормируемые характеристики бетона и арматуры
Принимаем: бетон класса В30, γb1 = 0,9 (γb1 Rb = 0,9 · 17 = 15,3 МПа)
арматура класса А400 (Rsc = 355 МПа).
Проводим необходимые поверочные расчеты:
- расчетная длина колонны 1го этажа с учетом
защемления в фундаменте
м;
- гибкость колонны
< 20
и, следовательно, расчет ведется в предположении наличия только случайных
эксцентриситетов методом последовательных приближений.
мм2,
где
φ
= 0,8 - предварительно принятое значение
для ориентировочной оценки площади арматуры Аs, tot .
Принимаем
для поверочных расчетов 4 Ø 28 А400
с площадью 2463 мм2.
Уточняем расчет колонны с учетом принятого значения Аs, tot = 2463 мм2 и значение φ
= 0,9
Тогда фактическая несущая способность колонны
кН >
1775 кН,
то
есть, прочность колонны обеспечена.
Проверяем
достаточность величины принятого армирования
μmax >
> μmin = 0,001, т.е. условие удовлетворяется.
Назначение поперечной арматуры
Принимаем dw =
8,0 мм.
Каркас сварной, поэтому шаг хомутов sw ≤ 15 d=375
мм, sw=smax=350мм.
Расчетное усилие в заделке - Nfun = 1513 кН;
Нормативное усилие - N nfun = Nfun
: γfm = 1513 : 1,15 = 1740 кН;
Условная (без учета района строительства
и категории грунта) глубина заложения - Нf = 1,5 м
Расчетное сопротивление грунта (по заданию) - Rгр = 0,32 МПа
Средний вес единицы объема бетона фундамента
и грунта на его уступах -
γm = 20 кН / м3
Фундамент проектируется монолитным, многоступенчатым
из тяжелого бетона класса В15 (γb1 = 0,9) - Rbt = 0,675 МПа
Армирование фундамента выполнить арматурой класса А400 (Rs = 355 МПа)
Суть расчета состоит в обоснованном назначении общего конструктивного
решения (высоты фундамента Нf
, количества и высоты ступеней, глубины и размеров стакана под колонну) и
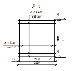
площади арматуры сетки подошвы фундамента С - 1 (рис. 4)
При этом напоминаем читателю, что:
- размеры подошвы фундамента определяются расчетом основания по
деформациям при действии расчетных нагрузок, учитываемых с коэффициентом
надежности γf
= 1 (в Пособии они обозначены Nn fun);
- подошва фундамента при загружениях со случайным эксцентриситетом
имеет квадратное очертание с размерами кратными 100 мм;
- обрез фундамента (при отсутствии подвала) принимается
расположенным на 0,150 м (сугубо субъективное требование, объясняемое
целесообразностью завершения работ нулевого цикла отдельной специализированной
организацией);
- количество ступеней определяется общей высотой фундамента Нf
(рис. 4) и должно быть не более 3х (из условия большой
трудоемкости работ по устройству многоступенчатого фундамента);
- во всех случаях общая высота стаканного фундамента должна
позволять обеспечивать необходимую анкеровку арматуры колонны lan
≥ λan d и толщину дна стакана под колонной
не менее 200 мм;
- рабочая высота фундамента (h0) определяется из
условия, исключающего его продавливания колонной по пирамиде, грани которой
находятся под углом 45º;
Одноступенчатый Двухступенчатый
Трехступенчатый Глубокого заложения
1 - сетка плиты, 2 - каркас колонны, 3 - каркас подколонника, 4 - сетка
косвенного армирования днища стакана
Рисунок 9 - Варианты конструктивных решений монолитных центрально
нагруженных фундаментов
- полезная высота нижней ступени (h01) назначается
из условия, исключающего срез бетона от реактивного отпора грунта (p’s);
- высота остальных ступеней определяется геометрически
(графически);
- рабочая арматура подошвы фундамента (сетки С-1) определяется
исходя из его расчета на консольный изгиб по сечениям (I - I ÷
III - III рис. 4) от
реактивного отпора грунта p’s;
- рекомендуемые диаметры рабочей арматуры сетки С-1 - 12 ÷
14 мм, шаг стержней 100
÷ 200 мм;
- минимальный коэффициент армирования по каждому направлению
принимается равным μmin = 0,05 %.
Требуемая площадь сечения подошвы фундамента
мм2
= 5,32 м2.
Размер
стороны квадратной подошвы
м.
Назначаем
а = 2,4м, тогда давление под подошвой фундамента при действии расчетной
нагрузки
Н/мм2
= 320 кН/м2.
Рабочая высота фундамента
из условия прочности на продавливание
мм;
мм
(аз = 35 ÷
70 мм - толщина защитного слоя)
По
условию заделки колонны в фундамент
мм.
По
условию анкеровки сжатой арматуры (арматура колонны) диаметром Æ 25 А400 в бетоне класса В30
мм,
где
λ
an = 20.
Слагаемые (200 + 50) - первое слагаемое определяет минимальную (по
условию продавливания) толщину днища стакана, а второе - зазор между дном
стакана и низом колонны.
С
учетом удовлетворения всех требований принимаем окончательно двухступенчатый
фундамент:
мм,
мм,
высоту нижней ступени h1 = 400 мм
.
Проверяем
соответствие рабочей высоты нижней ступени h0 1 по условию прочности по поперечной силе, действующей
в сечении III - III. На 1 м ширины этого сечения поперечная сила равна
кН.
Минимальное
значение поперечной силы
, воспринимаемое бетоном определяем
Н =
=
118,1 кН > Q1 = 77 кН.
То
есть, прочность нижней ступени по наклонному сечению обеспечена.
Ширина
второй ступени определена геометрически и составляет
мм.
Проверяем
прочность фундамента на продавливание по поверхности пирамиды (пунктир на
рис..)
,
где
кН - усилие продавливания;
м2
- площадь основания пирамиды продавливания;
м -
усредненный периметр сечения пирамиды продавливания;
F = 732,7 <
Н = 2175
кН,
т.е. условие прочности на продавливание удовлетворяется.
Определение площади рабочей арматуры
Изгибающие моменты в расчетных сечениях фундамента
= 126
кНм,
= 317
кНм.
Необходимая
площадь сечения арматуры для каждого направления на всю ширину фундамента
определяется как большее из двух следующих значений
мм2,
мм2.
Нестандартную
сетку принимаем с одинаковой в обоих направлениях с рабочей арматурой 9 Æ 16 А400 (Аs =
1385 мм2) и шагом 150 мм.
Проверяем
достаточность принятого армирования фундамента
>
Список
литературы
1. Байков
В.Н. Сигалов Э.Е. Железобетонные конструкции : Общий курс: Учебник для вузов. -
5-е изд. перераб. и доп. - М.: Стройиздат, 1991-767с.ил.
. Стуков
В.П. Железобетонные конструкции: Основные данные и нормативные материалы к
выполнению курсовых проектов №1,2 - Архангельск: РИО АЛТИ , 1992 - 36с.
. СНиП
2.03.01 - 84*. Бетонные и железобетонные конструкции. М., 1989
. СНиП
2.01.07 - 85*. Нагрузки и воздействия. М., 1985
. Мандриков
А.П. Примеры расчета железобетонных конструкций: Учебное пособие для строит.
техникумов по спец. «Пром. и гражд. стр-во». - М.: Стройиздат, 1979. - 419 с.,
ил.