Проектирование приспособления для обработки детали 'Фланец'
Содержание
Введение.
.
Технологическая часть
.1
Описание конструкции детали. Анализ технологичности детали.
.2
Характеристика материала.
.3
Маршрут обработки.
.4
Выбор схемы базирования для операции.
.5
Выбор оборудования для операции (характеристика и модель станка)
.6
Расчёт сил резания на операцию.
.
Расчётная часть
.1
Определение погрешности базирования.
.2
Расчёт необходимой силы зажима заготовки.
.
Конструкторская часть
.1
Выбор установочных элементов приспособления.
.2
Выбор зажимных устройств.
.3
Выбор и обоснование силового привода.
.4
Установка приспособления на столе станка.
.
Графическая часть
.1
Чертёж детали
.2
Чертёж заготовки
.3
Сборочный чертёж приспособления. (обозначение чертежа ПКГХ.151001.
ТМ-306.__.СБ) Спецификация.
.
Технологическая документация
.1
Маршрутный технологический процесс обработки детали.
.2
Операционная карта и операционный эскиз на одну операцию.
Заключение
Список
литературы
Приложение
Графическая
часть.
Лист
1 Чертеж детали.
Лист
2 Чертеж заготовки.
Лист
3 Общий вид (Сборочный чертеж, компоновка приспособления) Спецификация.
Технологическая
документация.
Маршрутный
технологический процесс обработки.
Операционный
эскиз и операционная карта на одну операцию.
Введение
Интенсификация производства в машиностроении неразрывно связана с
техническим перевооружением и модернизацией средств производства на базе
применения новейших достижений науки и техники. Техническое перевооружение,
подготовка производства неизбежно включают процессы проектирования средств
технологического оснащения и их изготовления.
В общем объеме средств технологического оснащения примерно 50% составляют
станочные приспособления. Применение станочных приспособлений позволяет:
§ надежно базировать и закреплять обрабатываемую деталь с сохранением ее
обработки;
§ стабильно обеспечивать высокое качество обрабатываемых деталей
при минимальной зависимости качества от квалификации рабочего;
§ повысить производительность и облегчить условия труда рабочего в
механизации приспособлений;
§ расширить технологические возможности используемого оборудования.
В зависимости от вида производства технический уровень и структура
станочных приспособлений различны. Для массового и крупносерийного производства
в большинстве случаев применяют специальные станочные приспособления одноцелевого
назначения для выполнения определенных операций механической обработки
конкретной детали. Эти приспособления наиболее трудоемки и дороги при
изготовлении. В условиях единичного и мелкосерийного производства широкое
распространение получила система универсально-сборных приспособлений,
основанная на использовании стандартных деталей и узлов. Этот вид
приспособлений более мобилен в части подготовки производства и не требует
значительных затрат.
Создание любого вида станочных приспособлений, отвечающих требованием
производства, неизбежно сопряжено с применением квалифицированного труда.
В последнее время в области проектирования станочных приспособлений
достигнуты значительные спехи. Разработаны методики расчета точности обработки
деталей в станочных приспособлениях, созданы прецизионные патроны и оправки,
улучшены зажимные механизмы и усовершенствованна методика их расчетов,
разработаны различные приводы с элементами, повысившими их эксплуатационную
надежность.
В представленной пояснительной записке изложена информация необходимая
для того, чтобы рассчитать, спроектировать и изготовить по возможности простое,
надежное и удобное, в обращении, отвечающее стандартам и требованиям
производства станочное приспособление для сверления двух сквозных отверстий в детали
«Втулка» в условиях среднесерийного производства.
1. Технологическая часть
.1 Описание конструкции и назначение детали. Анализ технологичности
детали
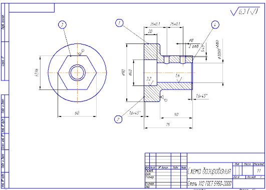
Деталь «Втулка» относится к группе цилиндрических деталей с габаритными
размерами 75×90 (Рисунок 1. 3D Модель детали). Деталь состоит из цилиндрического основания Ø90 и высотой 25. На основании имеется
бобышка в виде шестигранника Ø60 и длиной 50. На бобышке имеется
два сквозных отверстия Ø8. Деталь имеет гладкое ступенчатое отверстие Ø40 на длину 20, и Ø30.
Деталь имеет хорошие базовые поверхности, имеется возможность обработки
поверхностей на проход, в сквозном отверстии имеется фаска размером 1,6×
45 Материал детали:
Сталь Х12 ГОСТ 5950-2000.
Рисунок 1. 3D Модель детали.
В результате анализа чертежа детали «Втулка» определенно что
чертеж содержит все необходимые сведенья о размерах, точности, качестве
обрабатываемых поверхностей, допускаемые отклонения от правильной геометрической
формы, а так же взаимного расположения поверхностей даны сведенья о материале.
При выборе заготовки требуются специальная оснастка т.к. размеры детали
обеспечиваются заготовкой - штамповка.
При выборе установочных технологических базовых поверхностей соблюдается
принцип совмещения конструкторской и технологической баз. Выполнения всех
поверхностей обеспечивает удобный подвод стандартного режущего инструмента. В
конструкции детали предусмотрены возможности удобного визуального наблюдения за
процессом резания, отвода стружки.
Наиболее точными размерами являются:
Диаметром 30 мм выполненный по девятому квалитету точности и
шероховатостью 1,6 мкм;
Диаметром 40 мм выполненный по двенадцатому квалитету точности и
шероховатостью 3,2 мкм;
Дано указание о материале сталь Х12 ГОСТ 5950-2000.
При выборе установочных технологических базовых поверхностей соблюдается
принцип совмещения конструкторской и технологической баз. При обработке
гладкого ступенчатого отверстия затрудняется визуальное наблюдение за процессом
резания и отводе стружки.
1.2 Характеристика материала
Сталь Х12 ГОСТ 5950-2000.- инструментальная, углеродистая , качественная
Таблица1 Химический состав
|
Углерод, %
|
Кремний, %
|
Марганец, %
|
Хром, %
|
Никель, %
|
Сера, %
|
Медь, %
|
Фосфор, %
|
|
2,2
|
0,4
|
0,45
|
13
|
0,35
|
0,03
|
0,3
|
0,03
|
Механические свойства
|
Предел прочности
|
224,3384
|
|
|
Предел текучести
|
-
|
|
|
Относительное удлинение
|
-
|
|
|
Относительное сужение
|
-
|
|
|
Твердость по Бриннелю
|
255
|
|
1.3 Маршрут
обработки
|
№ Опер
|
Наименование и содержание
операции
|
Оборудование
|
Режущий инструмент
|
Измерит. инструмент
|
|
|
005
|
Заготовительная. Штамповать
заготовку по тех. процессу ОГМет.
|
Пресс.
|
______
|
______
|
|
|
010
|
Контрольная. Контролировать
марку материала и размеры заготовки согласно чертежа.
|
Стол ОТК.
|
______
|
Штангециркуль Шц-I-125-0,1
ГОСТ 166-80
|
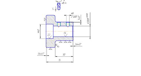
Токарная. А.Установить и
закрепить заготовку; 01. Подрезать торец в размер 77h14; 02.
Расточить отверстие Ø27Н14 на длину 55мм; 03. Расточить отверстие Ø29Н11 на длину 55мм; 04. Расточить отверстие Ø30Н9 на длину 55мм с образованием фаски 1,6х45º; Б. Переустановить и закрепить заготовку 01.
Подрезать торец в размер 75h14; 02. Точить Ø90h14 на длину 25мм с образованием фаски 1,6х45º; 03. Расточить отверстие Ø38Н14 на длину 20мм; 04. Расточить отверстие Ø40Н11 на длину 20мм;
|
Токарно-винторезный 16К20
|
Резец проходной отогнутый
ВК-8 ГОСТ18868-73 Резец расточной Т15К6 ГОСТ -18882-73 Резец расточной
чистовой Т15К6 ГОСТ -18882-73
|
Штангециркуль Шц-I-125-0,1
ГОСТ 166-80; Калибр-пробка Ø30Н9
ГОСТ 1810-69 Калибр-пробка Ø40Н11
ГОСТ 1810-69
|
|
|
020
|
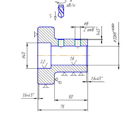
Сверлильная. А. Установить
и закрепить. 01. Сверлить 2 отверстия Ø8 мм; 02. Сверлить на отверстиях фаску 1х45º ;
|
Настольный сверлильный
станок 2М112
|
Сверло спиральное Ø8 Гост 12121-71 Сверло спиральное Ø 10 Гост 12123-71
|
Штангенциркуль Шц-I-125-0,1
ГОСТ 166-80;
|
|
025
|
Слесарная. Зачистить
заусенцы и притупить острые кромки.
|
Верстак.
|
Слесарный инструмент
|
Штангенциркуль Шц-I-125-0,1
ГОСТ 166-80
|
|
|
030
|
Контрольная. Контролировать
размеры детали по чертежу.
|
Стол ОТК.
|
______
|
Штангециркуль Шц-I-125-0,1
ГОСТ 166-80 Образцы шероховатости ГОСТ 166-80 Калибр-пробка Ø30Н9 ГОСТ 1810-69 Калибр-пробка Ø40Н11 ГОСТ 1810-69
|
|
|
|
|
|
|
|
|
|
(Рис. 2) Базовые поверхности.
|
№ Опер
|
Наименование и содержание
операции
|
Оборудование
|
У.Т.Б.
|
Приспособление
|
|
015
|
Токарная. А.Установить и
закрепить заготовку; 01. Подрезать торец в размер 77h14; 02.
Расточить отверстие Ø27Н14 на длину 55мм; 03. Расточить отверстие Ø29Н11 на длину 55мм; 04. Расточить отверстие Ø30Н9 на длину 55мм с образованием фаски 1,6х45º; Б. Переустановить и закрепить заготовку 01.
Подрезать торец в размер 75h14; 02. Точить Ø90h14 на длину
25мм с образованием саски 1,6х45º; 03. Расточить отверстие Ø38Н14 на длину 20мм; 04. Расточить отверстие Ø40Н11 на длину 20мм;
|
Токарно-винторезный 16К20
|
Установ А 1;2
Установ Б 3;4
|
Патрон 3-х кулачковый ГОСТ
- 12595-85.
|
|
020
|
Сверлильная. А. Установить
и закрепить. 01. Сверлить 2 отверстия Ø8 мм; 02. Сверлить на отверстиях фаску 1х45º ;
|
Настольный сверлильный
станок 2М112
|
1;2;4
|
Специальное приспособление
|
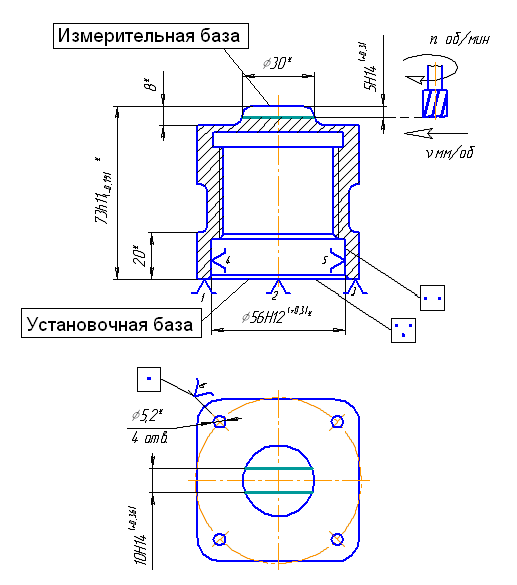
1.4 Выбор схемы базирования
При проектировании технологического процесса механической обработки
выбираю установочные базы обрабатываемой детали для каждой операции, от которых
зависит точность обработки детали.
Установка обрабатываемой детали базовыми поверхностями в приспособлении
определяет ее положение относительно режущего инструмента. Поэтому при выборе
базовых поверхностей буду руководствоваться правилом «совмещения баз», а именно
буду стремиться к совмещению технологических установочных баз с
конструкторскими и измерительными базами.
Способ установки детали для обработки на станке, выбирается с учетом типа
производства. Для серийного, среднесерийного, производства деталь для обработки
на станке устанавливают непосредственно в приспособление.
Согласно маршрута обработки на операции 020 Сверлильная ; требуется
просверлить два сквозных отверстия Ø8мм .
Операция будет выполняться на радиально-сверлильном станке
Н106, сверлом спиральным Ø8 ГОСТ 10902-77.
Параметры сверла.
|
Обозначение
|
d
|
L
|
l
|
N зубьев
|
|
2300-0195
|
8
|
117
|
75
|
2
|
Исходя из этого, для базирования детали на сверлильной операции выбираю
следующие базирующие поверхности:
1.5 Выбор оборудования для операции (характеристика и модель станка)
Настольный
сверлильный станок 2М112
Сверлильный
станок 2М112 предназначен для сверления отверстий в деталях из черных и цветных
металлов, а также других материалов, диаметром не более 12 мм. Простота
конструкции обеспечивает легкость управления, надежность и долговечность
станков. Отсчет глубины обработки производится по круговому лимбу штурвала.
Технические данные и характеристики настольного сверлильного станка 2М112
|
Диаметр сверления в стали
45 ГОСТ 1050-88, мм
|
12
|
|
Вылет шпинделя (расстояние
от оси шпинделя до образующей колонны), мм
|
190
|
|
Размер конуса шпинделя
наружный по ГОСТ 9953-82
|
B18
|
|
Наибольшее перемещение
шпинделя, мм
|
100
|
|
Цена деления лимба, мм
|
1
|
|
Расстояние от торца
шпинделя до рабочей поверхности стола, мм
|
50…400
|
|
Размеры рабочей поверхности
стола, мм
|
|
Количество Т-образных пазов
|
3
|
|
Расстояние между пазами, мм
|
50
|
|
Ширина пазов, мм
|
14
|
|
Число скоростей шпинделя
|
5
|
|
Число оборотов, об/мин
|
450…4500
|
|
Подача при сверлении
|
ручная
|
|
Мощность электродвигателя,
кВт
|
0,55
|
|
Частота вращения, об/мин.
|
1500
|
|
Напряжение питания, В
|
380
|
|
Габаритные размеры, мм
|
770 x 370x 950
|
|
Масса станка, кг не более
|
120
|
1.6 Расчет сил резания для операции
Табличные значения режимов резания при сверлении.
Sот=0,19
Vт
=25,5
Рт=1885
Nт=0,64
Подача S, мм/об:
S = Sот · KSM , мм/об
от - подача табличная мм/об
KSM-
поправочный коэффициент на подачу[стр.143, карта 53, лист 1]; KSM=1,3
S =
0,19 · 1,3 = 0,377 мм/об ;
Скорость при сверлении V, м/мин:
V = Vт ·Kvм· Kvз· Kvж· Kvт· Kvп· Kvи· KvL ·Kvw,
м/мин
Vт -
скорость табличная м/мин
K vм - поправочный коэффициент на
скорость[стр.143, карта 53, лист 1];
K vм=1,3
K vж - поправочные коэффициенты на
скорость для измененных условий работы в зависимости от применения
охлаждения[стр.145, карта 53, лист 3];
K vж =0,8
K vw - поправочные коэффициенты на
скорость для измененных условий работы в зависимости от состояния поверхности
заготовки[стр.145, карта 53, лист 3];
K vw = 1,0
K vз - поправочные коэффициенты на
скорость формы и заточки инструмента [стр.146, карта 53, лист 4];
K vн = 1,0
K vт - поправочные коэффициенты на
скорость для измененных условий работы в зависимости от отношения фактического
периода стойкости к нормативному[стр.148, карта 53, лист 6];
K vт = 1,32
K vп - поправочные коэффициенты на
скорость для измененных условий работы в зависимости от покрытия
инструментального материала[стр.147, карта 53, лист 5];
K vп - 1,2
K vн - поправочные коэффициенты на
скорость инструментального материала[стр.146, карта 53, лист 4];
K vз = 1,0
K vL - поправочные коэффициенты на
скорость длины рабочей части сверла[стр.146, карта 53, лист 4];
K vL = 1,9
K vи = 1,0
V =
25,5 · 1,3 · 1,0 · 0,8 · 1,32 ·1,0 · 0,9 · 1,0 · 1,0 · 1,2 = 37,8 м/мин ;
Мощность резания при сверлении N, кВт:
N = Nт/KNм, кВт
Nт -
мощность табличная, кВт [стр.126, карта 46, лист 1]
KNм -
поправочный коэффициент на мощность [стр.143, карта 53, лист 1]; KNм = 1,3
N =
0,64/1,3 = 0,49 кВт;
Осевая сила при сверлении Р, Н:
Р = Рт/КРм, Н
Р т - осевая сила резания табличная, Н[стр.126, карта 46, лист 1]
К Рм - поправочный коэффициент на осевую силу[стр.143, карта 53, лист 1];
К Рм = 1,3
Р = 1885/1,3=1450 Н;
2. Расчётная часть
.1 Определение погрешности базирования
При проектировании технологического процесса механической обработки
должны быть определены установочные базы обрабатываемой детали для каждой
операции, от которых зависит точность обработки детали.
Установка обрабатываемой детали базовыми поверхностями в приспособлении
определяет ее положение относительно режущего инструмента. Поэтому при выборе
базовых поверхностей буду руководствоваться правилом «совмещения баз», а именно
буду стремиться к совмещению технологических установочных баз с
конструкторскими и измерительными базами.
Способ установки детали для обработки на станке, выбирается с учетом типа
производства. Для серийного, среднесерийного, производства деталь для обработки
на станке устанавливают непосредственно в приспособление.
2.2 Выбор установочных элементов в приспособлении и место их
расположения
Установочные элементы (опоры) приспособлений служат для установки на них
базовыми поверхностями обрабатываемой заготовки.
Число и расположение установочных элементов должно обеспечивать
необходимую ориентацию заготовки согласно принятой в технологическом процессе
схеме базирования.
Схема базирования.
Заготовка будет базироваться в приспособлении по плоскости и двум
отверстиям. Следовательно, установочными элементами в данном приспособлении
будут являться:
Опорная пластина.
Она представляет собой призматическую деталь, в которой имеются резьбовые
отверстия и отверстия под штифты служащие для крепления и ориентации опорной
пластины на корпусе приспособления, а также два отверстия для запресовки двух
пальцев.
Два пальца.
короткий
цилиндрический Ø56
f7
короткий
ромбический (срезанный) Ø5,2
f7
Пальцы
крепятся к опорной пластине методом запрессовки в отверстия опорной пластины.
Принимаю
диаметры установочных поверхностей постоянных пальцев:
|
Диаметр отверстия в детали
|
Диаметр короткого цилиндрического
пальца
|
|
Ø56Н7(+0,3)
|
d = Ø56 f7
|
|
Диаметр отверстия в детали
|
Диаметр короткого
ромбического (срезанного) пальца
|
|
Ø5,2Н14(+0,3)
|
d = Ø5,2 f7
|
Установочные элементы приспособления, в процессе работы, подвергаются
наибольшему износу, поэтому материал для изготовления установочных элементов
выбираю Сталь 45ГОСТ 1050-88, Сталь 20 ГОСТ 1050-88, Сталь 20Х ГОСТ 4543-71-
для повышения износостойкости и подвергаю термообработки до НRC 58…62
2.3 Выбор зажимных устройств и место приложения сил зажима
Обоснованием для выбора типа зажимного механизма служит:
Приспособление проектируется для обработки заготовок в серийном,
среднесерийном производстве;
Сила
резания на данной фрезерной операции будет составлять
=152,5Н
Для
обеспечения контакта заготовки с установочными элементами приспособления при
закреплении точку приложения зажимного усилия выбираю так, чтобы направление
его действия было перпендикулярно поверхности опорного элемента.
При
выборе зажимного устройства приспособления буду руководствоваться следующим
требованиям:
При
зажиме не изменять первоначально заданное положение заготовки.
Сила
зажима должна обеспечивать надежное закрепление детали и не допускать сдвига,
поворота и вибрации заготовки при обработке на станке.
Зажим
и открепление заготовки производится с минимальной затратой сил и времени
рабочего. При использовании ручных зажимов усилие не должно превышать 147 Н.
Зажимной
механизм должен быть простым по конструкции, компактным, максимально удобным и
безопасным в работе (min габаритные размеры и число съемных деталей;
устройство управления зажимным механизмом должно располагаться со стороны
рабочего).
Исходя
из вышесказанного, в данном станочном приспособлении буду использовать
стандартный винтовой прихват (2 шт.)
1
- Корпус приспособления
-
Гайка
-
Прихват
-
Опора регулируемая
-
Пружина
деталь
фланец привод обработка
2.4 Выбор и обоснование силового привода для зажима детали в
приспособлении
Выбрав конструкцию зажимных устройств, выберу конструкцию силового
привода для их перемещения при зажиме и разжиме заготовки в приспособлении.
Выбирать конструкцию привода буду исходя из конкретных условий выполнения
операций:
типа производства - серийное, среднесерийное;
величина силы резания Рz=152,5
[Н], действующая на заготовку при выполнении операции,
конструктивных особенностей заготовки, а именно материал обрабатываемой
заготовки - это алюминиевый сплав, который легко поддается деформации.
типа станка - вертикально - фрезерный станок модели 6Т104.
Зажимное устройство в приспособлении будет приводиться в движение
непосредственно рабочим, прилагающим исходное усилие Ри на плече L (при помощи
гаечного ключа)
Эти устройства иногда называют зажимным устройством с ручным приводом.
3. Расчетная часть
.1 Определение погрешности базирования обрабатываемой детали
Погрешностью
базирования
называют разность предельных расстояний измерительной
базы относительно установленного на заданный размер заготовки режущего
инструмента.
Погрешностью
базирования возникает, когда опорная установочная база обрабатываемой детали не
совмещена с измерительной базой.
Обрабатываемая поверхность определяется двумя размерами:
глубина паза 5Н14(+0,3);
ширина паза 10Н14(+0,36)
Рассмотрим погрешности базирования для каждого размера конкретно.
. Погрешность базирования на размер глубины паза 5Н14(+0,3) будет
возникать, так как установочная база и измерительная базы не совмещены.
Габаритный размер «Фланца» 73h11(-
0,19) обработан на предыдущих операциях:
Фрезерная,
Токарная.
На
настроенном станке ось фрезы занимает определенное положение, а измерительная
база будет изменять свое положение от max значения до min
значения, т.е. в пределах допуска
на
габаритный размер детали.
=
= 0,19
где,
- допуск на габаритный размер «Фланца» 73h11(-
0,19).
Погрешность
базирования
= 0,19 меньше, чем допуск на размер глубины паза
5Н14(+0,3), следовательно, точность на размер глубины паза 5Н14(+0,3) мы
обеспечим.
.
Погрешность базирования на размер ширины паза 10Н14(+0,36) не будет возникать,
так как этот размер будет обеспечиваться инструментом, т.е. концевой фрезой Ø10 ГОСТ17025-71.
Определим
погрешность базирования при установке заготовки на 2 пальца короткий
цилиндрический - Ø56,
короткий ромбический (срезанный) - Ø5,2.
Принимаю
диаметры установочных поверхностей постоянных пальцев:
короткий
цилиндрический - d = Ø56 f7
Диаметр отверстия в детали, D (по чертежу)
короткий
ромбический (срезанный) - d1 = Ø5,2 f7
Диаметр отверстия в детали, D1(по чертежу),
Примем следующие обозначения (мм):1min - минимальный зазор в сопряжении
первого отверстия с цилиндрическим пальцем;2min - минимальный зазор между
вторым отверстием детали и установочным пальцем в не срезанной его части.
Х - увеличенный зазор между
отверстием детали и установочным пальцем в направлении размера - между осями
пальцев;- хорда цилиндрического участка срезанного пальца- диаметр
цилиндрической части срезанного пальца
Н - размер срезанного
пальца;- номинальный размер между осями двух отверстий детали и установочных
пальцев в приспособления- диаметр отверстия детали.
где,
δо - допуск на размер между осями базовых отверстий детали (смотреть на
чертеже детали)
δп - допуск на размер между осями установочных пальцев в приспособлении
принимаем
Диаметры
отверстий в детали (смотреть по чертежу детали):
Ø56Н7(+0,3)
Dmax=56,3 мм; Dmin=56,0
мм
Ø5,2Н14(+0,3)
D 1 max=5,5 мм; D 1min=5,2 мм
Диаметры
установочных поверхностей постоянных пальцев принимаю:
d = Ø56 f7
dmax=55,97 мм; dmin=55,94
мм
d1 = Ø5,2 f7
d 1 max=5,19
мм; d 1min=5,182 мм
Вывод:
Чем
меньше цилиндрический участок b срезанного пальца, тем больше зазор Х между
срезанным пальцем и отверстием обрабатываемых деталей.
Применение
пальцев с небольшой хордой ведет к быстрому износу пальцев и уменьшению
точности установки детали в приспособлении.
1. Выполню эскиз и рассчитаю увеличенный зазор между отверстием
детали и срезанным пальцем при установке детали отверстиями на два пальца.
Увеличенный зазор между отверстием детали и срезанным пальцем при
установке детали отверстиями на два пальца определяется по формуле:
где,
Х - увеличенный зазор между
отверстием детали и установочным пальцем в направлении размера - между осями
пальцев, мм2min - минимальный зазор между вторым отверстием детали и
установочным пальцем в не срезанной его части, мм- хорда цилиндрического
участка срезанного пальца, мм- диаметр цилиндрической части срезанного пальца,
мм
2. Выполню эскиз и определю угол поворота α детали при установке отверстиями на
два пальца относительно оси О1О2
где,
α - угол поворота детали, град;
S 1max -
максимальный радиальный зазор между цилиндрическим пальцем и отверстием детали,
мм2max - максимальный радиальный зазор между срезанным пальцем и отверстием
детали, мм
Диаметры
отверстий в детали (смотреть по чертежу детали):
Ø56Н7(+0,3)
Dmax=56,3 мм; Dmin=56,0
мм
Ø5,2Н14(+0,3)
D 1 max=5,5 мм; D 1min=5,2 мм
Диаметры
установочных поверхностей постоянных пальцев принимаю:
d = Ø56 f7
dmax=55,97 мм; dmin=55,94
мм
d1 = Ø5,2 f7
d 1 max=5,19 мм; d 1min=5,182 мм
3.2 Расчет необходимой силы зажима обрабатываемой детали
Для
определения силы зажима обрабатываемой детали, найденное значение сил резания
увеличивают на величину коэффициента запаса
, который
принимается в зависимости от вида обработки, а так же определяют направления
действия сил зажима и силы резания.
В
данном случае сила резания Рz и сила зажима Wз, действуют в перпендикулярном
друг другу направлении, и сила зажима будет определяться по формуле:
[Н] ,
где
-
коэффициент запаса;
= 1,0…2,5;
- сила
резания. Н;
=152,5 Н
= 152,5∙2,5
= 381,2 [Н]
Определим
усилие зажима по упрощенной формуле:
где
-
расстояние от точки приложения силы Q до оси симметрии болта, мм;1-
расстояние от оси симметрии болта до оси симметрии регулируемой опоры, мм;-
сопротивление пружины, Н
Принимаем
соответственно компоновки сборочного чертежа
L = 24 мм; L 1 =
38 мм; q = 4,5 Н
4. Конструкторская часть
.1 Установка приспособления на станке
Для закрепления приспособления на рабочей поверхности стола в основании
его корпуса предусматриваются проушины в которые заводятся крепежные болты.
Головки болтов удерживаются в Т-образных пазах стола.
Количество болтов, а следовательно и проушин, выбирается в зависимости от
действующих усилий резания. В большинстве случаев удается обходиться двумя проушинами
и лишь при больших усилиях резания приходится предусматривать четыре - по две с
каждой стороны. При четырех проушинах шаг t между ними согласуется с шагом
Т-образных пазов стола станка.
Часто требуется придать приспособлению вполне определенное положение на
столе станка по отношению к направлению продольной подачи стола. В этом случае
ориентацию приспособления производят с помощью шпонок по Т-образным пазам
стола, направление которых точно совпадает с направлением его продольной
подачи. Наиболее широко используются стандартные (ГОСТ l4737-69) призматические
привертные шпонки (рис. а) Основным размером шпонки является ширина В, которая
должна быть равна ширине Т-образного паза стола. Размер В выполняется по h8 по СТ СЭВ (С3 по ГОСТ). В шпонках с
канавкой размер В1 (у основания) принимается на 0,5...1,0 мм больше ширины В,
что необходимо для пригонки шпонки по Т-образному пазу стола.
а)
Установка приспособлений с помощью шпонок на фрезерных станках
б)
На каждое приспособление ставят по две шпонки. Шпонка 2 устанавливается
на корпусе 1 приспособления снизу в специально предусмотренном пазу Б и
закрепляется винтом 3 (рис. б).
Шпонки располагают таким образом, чтобы обе они входили в один и тот же
Т-образный паз стола - обычно средний, как более точный (рис. в)

Проушины для крепежных болтов размещают: при двух проушинах - на оси
шпонок, при четырех - слева и справа от оси так, чтобы для крепления можно было
использовать боковые пазы стола.
Вследствие износа и последующих ремонтов ширина пазов на столах станков
часто выходит за пределы допусков, что приводит к увеличению зазоров между
шпонкой приспособления и пазом стола. В этих случаях для предотвращения
возможного поворота приспособления на столе при установке его прижимают
шпонками к одной стороне паза стола и тем самым уменьшают погрешность
расположения на станке.
4.2 Основные элементы приспособления
Основными элементами приспособления будут являться:
Установочные элементы (опорная пластина и два пальца) - для определения
положения обрабатываемой поверхности заготовки относительно режущего
инструмента.
Опорная пластина.
Она имеет призматическую форму.
В пластине имеются резьбовые отверстия и отверстия под штифты служащие
для крепления и ориентации опорной пластины на корпусе приспособления, а также
два отверстия для запрессовки в опорной пластине двух пальцев короткого
цилиндрического и ромбического.
Два пальца.
короткий
цилиндрический Ø56 f6
,
короткий
ромбический (срезанный) Ø5,2 f6
.
Пальцы
крепятся к опорной пластине методом запрессовки в отверстия.
Зажимные
элементы - для закрепления обрабатываемой заготовки в приспособлении, буду
использовать стандартизованный винтовой прихват.
Направляющие
элементы (шпонки и центровик) - для придания требуемого направления движению
режущего инструмента относительно обрабатываемой поверхности. Шпонки
располагаются на корпусе приспособления и крепятся к нему при помощи винтов.
Центровик прессуется в корпус приспособления.
Корпус
приспособления - основная часть, на которой размещены все элементы
приспособлений. Корпусом в данном приспособлении является плита. Это базовая
деталь, на которой крепятся все другие элементы приспособления.
Корпус
представляет собой призматическую деталь, изготовленную из листового проката с
последующей механической обработкой.
На
плите имеются сквозные резьбовые отверстия и сквозные отверстия под штифты,
отверстия под винты.
Крепежные
элементы (болты, винты и штифты) - для соединения и ориентации отдельных
элементов, входящих в сборку, между собой.
4.3 Конструкция зажимных устройств
В данном приспособлении буду использовать стандартизованный винтовой
прихват.
Винтовой зажимной механизм имеет следующие преимущества:
· простота конструкции;
· надежность закрепления;
· возможность закрепления в труднодоступном месте.
Основные элементы конструкции стандартизованного винтового прихвата:
1 - заготовка.
- гайка ГОСТ 8918-69
- прижимная планка (прихват) ГОСТ 4735-69
- регулируемая опора ГОСТ 4084-68
Закрепление и раскрепление заготовки производится при помощи гаечного
ключа и гайки поз.2. При раскреплении заготовки пружина разжимается и
поддерживает прижимную планку поз.3., что значительно облегчает установку новой
заготовки.
В зависимости от требуемого усилия зажима Q и допускаемого напряжения
шпильки резьбовой на растяжение определяют номинальный наружный диаметр шпильки
резьбовой:
[мм.]
мм
[
] - допускаемое напряжение на растяжение, которое
выбирается в зависимости от материала винта при переменной нагрузке.
[
] = 58…98 МПа
Следовательно,
номинальный наружный диаметр шпильки резьбовой должен быть
мм.
Заключение
Применение
станочного приспособления позволит:
· уменьшить основное и вспомогательное время благодаря
исключению операции разметки заготовок перед обработкой.
· повысить точность обработки.
· облегчить труд станочника, использовать рабочих с более
низкой квалификацией.
· повысить производительность труда.
· расширить технологические возможности станков.
· создать условия для автоматизации и механизации станков.
· снизить себестоимость изготовления продукции.
Список литературы
1. Горошкин
А.К. Приспособления для металлорежущих станков.- М..-Машиностроение 1990г.
2. Касилова
А.Г. и Мещеряков Р.К. Справочник технолога - машиностроителя. В 2-х т. Т2. -
М..- Машиностроение 1985г.
. Шатилов
А.А. Станочные приспособления справочник. Т1 М..-Машиностроение 1984г.