Проектирование привода, состоящего из электродвигателя и двухступенчатого цилиндрического редуктора
Введение
В данном курсовом проекте необходимо
спроектировать привод, состоящий из электродвигателя, двухступенчатого
цилиндрического редуктора с вертикальной межосевой линией быстроходной. На
быстроходном валу редуктора установить муфту упругую с торообразной оболочкой
по ГОСТ 20884-75, на тихоходном валу - муфту зубчатую по ГОСТ 5006-55.
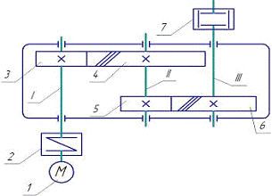
Рис.1 Кинематическая схема привода
-электродвигатель, 2-муфта упругая, 3 -
шестерня, 4 - колесо, 5 - шестерня, 6-колесо, 7 - муфта зубчатая, I
- вал двигателя, II
- вал быстроходный, III
- вал тихоходный
1. Подбор электродвигателя привода и
кинематический расчёт
1.1 Определение потребной мощности
электродвигателя
,
где
кВт - мощность на выходе;
- общий КПД привода.
где
- КПД одной пары зубьев;
- КПД одной пары подшипников
качения;
- КПД муфты;
Электродвигатель подбирают по потребляемой
мощности, при заданной частоте вращения вала двигателя.
,
Выбираем двигатель 4А132S4У3.
Мощность выбранного двигателя:
;
Частота вращения выбранного
двигателя:
.
1.2 Определение общего передаточного
числа привода и его разбивка по ступеням
принимаем
=5,6,
принимаем
=4.
1.3 Силовой и кинематический расчеты
привода
Вычислим мощность
, частоту
вращения
, угловую
скорость
, и
на каждом
валу привода.
I вал.
;
;
;
.
II вал.
;
;
;
.
III вал.
;
;
1.4 Выбор материала шестерен и
зубчатых колёс
Для изготовления шестерен принимаем сталь 40Х,
[1,стр.12];
Шестерня подвергается улучшению до
твердости
,
средняя твердость
.
Колёса подвергается улучшению до
твердости
,
средняя твердость
.
2. Расчёт первой ступени
.1 Определение допускаемых
контактных напряжений и напряжений изгиба
а) Допускаемые контактные напряжения [1,стр.13]:
- для шестерни:
где:
- предел контактной выносливости
[1,тбл.2.2,стр.13];
- коэффициент долговечности;
- коэффициент учитывающий влияние
шероховатости; [1,стр.14]
- коэффициент учитывающий влияние
окружной скорости;
- коэффициент запаса прочности,
э,
при условии
,
здесь
- базовое число циклов напряжений;
- эквивалентное число циклов
перемен контактных напряжений;
;
где
с - число зацеплений с шестерней,
с=1,
n1- частота
вращения шестерни, n1=1455,
Lh - срок
службы, Lh=7100 ч,
TH= момент на
шестерне по контактной прочности,
,
,
, [1,стр.14],
, т.к.
[1,стр.14] ;
[1,стр.13];
.
-для колеса:
,
,
,
,
, [1,стр.14]
, т.к.
[1,стр.14] ;
[1,стр.13];
;
.
Допускаемые напряжения изгиба [1,стр.15]:
для шестерни:
где
- предел выносливости;
- коэффициент долговечности;
YA -
коэффициент, учитывающий двухстороннее приложение нагрузки,
YR -
коэффициент, учитывающий влияние шероховатости;
Yδ - градиент
напряжений;
Yx1 -
коэффициент размеров;
- коэффициент запаса прочности.
Предел выносливости вычисляем по
следующей формуле:
;
Коэффициент долговечности учитывает
влияние ресурса:
, при условии
где
и
- для улучшенных зубчатых колес;
- число
циклов,
- эквивалентное число циклов
нагружений,
где
с - число зацеплений с шестерней, с=1,
n1-
частота вращения шестерни, n1=1455
об/мин,
Lh
- срок службы, Lh=7100
ч,
TH=
момент на шестерне по контактной прочности,
,
, принимаем
;
, т.к. зубья шлифованные [1,стр.15];
YA=0,65,
[1,стр.15]
[1,стр.15];
Градиент напряжений вычисляем по формуле:
;
Коэффициент размеров вычисляем по
формуле:
.
для колеса:
, при условии
где
и
- для улучшенных зубчатых колес;
;
, принимаем
;
Коэффициент размеров вычисляем по
формуле:
2.2 Проектировочный расчет
цилиндрической зубчатой передачи
Межосевое расстояние.
,
где Ка = 430 - косозубых
колес,
;
- в МПа.
- коэффициент ширины принимаем из
ряда стандартных чисел: 0,1; 0,15; 0,2; 0,25; 0,315; 0,4; 0,5; 0,63 в
зависимости от положения колес относительно опор. При симметричном расположении
0,315…0,5.
принимаем 0,315[1,стр.18].
Коэффициент
учитывает
неравномерность распределения нагрузки по длине контактных линий,
обусловливаемую погрешностями изготовления и упругими деформациями валов,
подшипников.
=1,15;
мм.
Округляем до ближайшего стандартного
значения
=180 мм.
Модуль передачи.
мм,
из полученного диапазона модулей
принимают меньшее значение m, согласуя его со стандартным:
мм.
Суммарное число зубьев и угол
наклона.
Предварительно принимаем угол
наклона зубьев
=9°;
Суммарное число зубьев рассчитываем по формуле:
.
Число зубьев шестерни и колеса.
Число зубьев шестерни рассчитываем
по формуле:
;
Число зубьев колеса рассчитываем по
формуле:
;.
Диаметры колес.
Уточняем угол наклона
:
,
;
Делительные диаметры d:
Шестерни
мм;
Колеса внешнего зацепления
мм;
Диаметры
,
окружностей
вершин и впадин зубьев и ширина зубчатого венца b колес
внешнего зацепления:
;
;
мм;
мм;
мм;
мм;
мм;
Окружную скорость рассчитываем по
формуле:
.
Степень точности передачи 8-В.
Силы, действующие в зацеплении.
окружная сила рассчитывается по
формуле:
;
радиальная сила рассчитывается по
формуле:
, (для стандартного угла
),
;
осевая сила рассчитывается по
формуле:
.3 Проверка зубьев колес по
контактным напряжениям
Расчетное значение контактного напряжения:
, где
ZE -
коэффициент, учитывающий механические свойства материалов шестерни и колеса; ZE=190 - для
стальных колёс;
ZH -
коэффициент, учитывающий форму сопряжённых поверхностей зубьев; Z=2,5, так
как передача без смещения (x=0);
Ze -
коэффициент, учитывающий суммарную длину контактных линий;
,
где
- коэффициент торцового перекрытия,
;
, принимаем Ze=0,8;
- коэффициент внешней нагрузки,
=1;
- коэффициент распределения нагрузки
между зубьями,
=1,09;
- коэффициент внутренней
динамической нагрузки,
=1,08,
,
где WHV - удельная
расчетная динамическая нагрузка,
,
где
- коэффициент пропорциональности,
учитывающий влияние косозубости, модификацию головки, приработку, влияние
динамических нагрузок на прочность,
=0,02;
- коэффициент, учитывающий влияние
действующей ошибки шагов зацепления
=5,6;
;
;
;
- допустимая погрешность.
2.4 Проверка зубьев по напряжениям
изгиба
Условие прочности при изгибе:
в зубьях колеса:
;
в зубьях шестерни:
.
- коэффициент учитывающий форму зуба
и концентрацию напряжений. Вычисляем по формуле:
, где
- приведенное число зубьев;
,
;
,
;
- коэффициент внешней нагрузки,
=1;
- коэффициент распределения нагрузки
между зубьями,
=1,09;
- коэффициент внутренней
динамической нагрузки,
-коэффициент, учитывающий
неравномерность распределения нагрузки по длине контактных линий,
обусловливаемую погрешностями изготовления и упругими деформациями валов,
подшипников,
,
где WFV - удельная
расчетная динамическая нагрузка,
,
где
- коэффициент пропорциональности,
учитывающий влияние косозубости, модификацию головки, приработку, влияние
динамических нагрузок на прочность,
=0,06;
- коэффициент, учитывающий влияние
действующей ошибки шагов зацепления
=5,6;
;
;
- коэффициент, учитывающий угол
наклона зубьев, который вычисляют по формуле
при условии
;
;
- коэффициент, учитывающий
перекрытие зубьев,
;
;
.
2.5 Проверочный расчет на прочность
зубьев при действии максимальной нагрузки
Для предотвращения остаточных
деформаций или хрупкого разрушения поверхностного слоя контактные напряжения
не должно
превышать допускаемое напряжение
:
,
Допускаемое напряжение
, МПа,
принимаем при улучшении [1, стр.26]:
;
;
.
Для предотвращения остаточных
деформаций и хрупкого разрушения зубьев напряжение
изгиба при
действии пикового момента не должно превышать допускаемое
, МПа:
;
Допускаемое напряжение, МПа:
,
- длительный предел выносливости при
изгибе,
;
;
=1;
=1;
- коэффициент размеров,
,
;
- коэффициент запаса прочности,
принимаем 1,75 [1, стр.26].
;
;
;
.
3. Расчёт второй ступени
.1 Определение допускаемых
контактных напряжений и напряжений изгиба
а) Допускаемые контактные напряжения
[1,стр.13]:
для шестерни:
где:
- предел контактной выносливости
[1,тбл.2.2,стр.13];
- коэффициент долговечности;
- коэффициент учитывающий влияние
шероховатости; [1,стр.14]
- коэффициент учитывающий влияние
окружной скорости;
- коэффициент запаса прочности,
э,
при условии
,
здесь
- базовое число циклов напряжений;
- эквивалентное число циклов
перемен контактных напряжений;
;
где
с - число зацеплений с шестерней,
с=1,
n2- частота
вращения шестерни, n2=260 об/мин,
Lh - срок
службы, Lh=7100 ч,
TH= момент на
шестерне по контактной прочности,
,
,
, [1,стр.14],
, т.к.
[1,стр.14] ;
[1,стр.13];
.
- для колеса:
,
,
,
,
, [1,стр.14]
, т.к.
[1,стр.14] ;
[1,стр.13];
;
.
б) Допускаемые напряжения изгиба [1,стр.15]:
для шестерни:
где
- предел выносливости;
- коэффициент долговечности;
YA -
коэффициент, учитывающий двухстороннее приложение нагрузки,
YR -
коэффициент, учитывающий влияние шероховатости;
Yδ - градиент
напряжений;
Yx1 -
коэффициент размеров;
- коэффициент запаса прочности.
Предел выносливости вычисляем по
следующей формуле:
;
Коэффициент долговечности учитывает
влияние ресурса:
, при условии
где
и
- для улучшенных зубчатых колес;
- число
циклов,
- эквивалентное число циклов
нагружений,
где
с - число зацеплений с шестерней, с=1,
n2-
частота вращения шестерни, n2=260
об/мин,
Lh
- срок службы, Lh=7100
ч,
TH=
момент на шестерне по контактной прочности,
,
, т.к. зубья шлифованные [1,стр.15];
YA=0,65,
[1,стр.15]
[1,стр.15];
Градиент напряжений вычисляем по формуле:
;
Коэффициент размеров вычисляем по
формуле:
.
для колеса:
, при условии
где
и
- для улучшенных зубчатых колес;
Коэффициент размеров вычисляем по
формуле:
3.2 Проектировочный расчет
цилиндрической зубчатой передачи
Межосевое расстояние:
,
где Ка = 430 - косозубых
колес,
;
- в МПа.
- коэффициент ширины принимаем из
ряда стандартных чисел: 0,1; 0,15; 0,2; 0,25; 0,315; 0,4; 0,5; 0,63 в
зависимости от положения колес относительно опор. При симметричном расположении
0,315…0,5.
принимаем 0,315[1,стр.18].
;
Округляем до ближайшего стандартного
значения
=225 мм.
Модуль передачи.
мм,
из полученного диапазона модулей
принимают меньшее значение m, согласуя его со стандартным:
мм.
Суммарное число зубьев и угол
наклона.
Предварительно принимаем угол
наклона зубьев
=9°;
Суммарное число зубьев рассчитываем по формуле:
.
Число зубьев шестерни и колеса.
Число зубьев шестерни рассчитываем
по формуле:
;
;.
Диаметры колес.
Уточняем угол наклона
:
,
;
Делительные диаметры d:
Шестерни
мм;
Колеса внешнего зацепления
мм;
Диаметры
,
окружностей
вершин и впадин зубьев и ширина зубчатого венца b колес
внешнего зацепления:
;
;
мм;
мм;
мм;
мм;
мм;
Окружную скорость рассчитываем по
формуле:
.
Степень точности передачи 8-В.
Силы, действующие в зацеплении.
Окружная сила рассчитывается по
формуле:
;
радиальная сила рассчитывается по
формуле:
, (для стандартного угла
),
;
осевая сила рассчитывается по
формуле:
.3 Проверка зубьев колес по
контактным напряжениям
Расчетное значение контактного
напряжения:
, где
ZE -
коэффициент, учитывающий механические свойства материалов шестерни и колеса; ZE=190 - для
стальных колёс;
ZH -
коэффициент, учитывающий форму сопряжённых поверхностей зубьев;
ZH =2,5, так
как передача без смещения (x=0);
Ze -
коэффициент, учитывающий суммарную длину контактных линий;
,
где
- коэффициент торцового перекрытия,
;
, принимаем Ze=0,8;
- коэффициент внешней нагрузки,
=1;
- коэффициент распределения нагрузки
между зубьями,
=1,04;
- коэффициент внутренней
динамической нагрузки,
=1,08,
,
где WHV - удельная
расчетная динамическая нагрузка,
,
где
- коэффициент пропорциональности,
учитывающий влияние косозубости, модификацию головки, приработку, влияние
динамических нагрузок на прочность,
=0,02;
- коэффициент, учитывающий влияние
действующей ошибки шагов зацепления
=5,6;
;
;
;
- допустимая погрешность.
3.4 Проверка зубьев по напряжениям
изгиба
Условие прочности при изгибе:
в зубьях колеса:
;
в зубьях шестерни:
.
- коэффициент учитывающий форму зуба
и концентрацию напряжений. Вычисляем по формуле:
, где
- приведенное число зубьев;
,
;
,
;
- коэффициент внешней нагрузки,
=1;
- коэффициент, учитывающий
неравномерное распределение нагрузки по длине контактных линий,
=1,17;
- коэффициент распределения нагрузки
между зубьями,
=1,04;
- коэффициент внутренней
динамической нагрузки,
,
где WFV - удельная
расчетная динамическая нагрузка,
,
где
- коэффициент пропорциональности,
учитывающий влияние косозубости, модификацию головки, приработку, влияние
динамических нагрузок на прочность,
=0,06;
- коэффициент, учитывающий влияние
действующей ошибки шагов зацепления
=5,6;
;
;
- коэффициент, учитывающий угол
наклона зубьев, который вычисляют по формуле
при условии
;
;
- коэффициент, учитывающий
перекрытие зубьев,
;
;
.
3.5 Проверочный
расчет на прочность зубьев при действии максимальной нагрузки
Для предотвращения остаточных
деформаций или хрупкого разрушения поверхностного слоя контактные напряжения
не должно
превышать допускаемое напряжение
:
,
Допускаемое напряжение
, МПа,
принимаем при улучшении [1, стр.26]:
;
;
.
Для предотвращения остаточных
деформаций и хрупкого разрушения зубьев напряжение
изгиба при
действии пикового момента не должно превышать допускаемое
, МПа:
;
Допускаемое напряжение, МПа:
,
- длительный предел выносливости при
изгибе,
;
;
=1;
=1;
- коэффициент размеров,
,
;
- коэффициент запаса прочности,
принимаем 1,75 [1, стр.26].
;
;
;
.
4. Выбор масла в редукторе
для 1-й ступени:
- вязкость масла;
- кинематическая вязкость;
для 2-й ступени:
;
;
.
Исходя из полученного значения
средней кинематической вязкости выбираем масло ИРП-75 ГОСТ 17479.4-87 [2. табл.
52].
5. Эскизная компоновка редуктора
5.1 Проектировочный расчет валов
электродвигатель привод
редуктор вал
Разработку эскизного проекта начина
с предварительного определения размеров выходного конца вала. Диаметр d, мм,
находят по формуле:
Для быстроходного вала:
.
Для промежуточного вала:
.
Для тихоходного вала:
.
Вычисленные значения диаметров
округляем в ближайшую сторону до стандартных [1, табл.24.1.]. Для быстроходного
вала принимаем d = 30 мм. Для промежуточного вала
принимаем d=38 мм. Для
тихоходного вала принимаем d = 50 мм.
По значению d подбираем
стандартный концевой участок вала [1, табл.24.27.]. Для всех валов выбираем
цилиндрический концевой участок вала.
Определяем размеры участка под
подшипником и уплотнением. Диаметр вала под подшипником и уплотнением вычисляют
по формуле:
Для быстроходного вала:
.
Для тихоходного вала:
.
Для промежуточного вала:
.
Высоту tк заплечика
цилиндрического хвостовика, координату r фаски подшипника и размер f фаски
колеса, мм, принимают в зависимости от диаметра d [1, стр.46].
Полученные величины
для
быстроходного и промежуточного валов соответствуют числам из стандартного ряда.
Для тихоходного вала округляем до ближайшего большего числа из стандартного
ряда [1, табл.24.1.]. Принимаем dП = 60 мм.
Длину участка вала под уплотнением и
подшипником принимают равной, мм:
Для быстроходного вала:
.
Для тихоходного вала:
.
Вычисленные значения округляем в
ближайшую сторону до стандартных [1, табл.24.1.]. Принимаем
.
соответствует
стандартному значению.
Определяем диаметр буртика для упора
подшипника качения:
Для быстроходного вала:
.
Для тихоходного вала:
.
Вычисленные значения округляем в
ближайшую сторону до стандартных [1, табл.24.1.]. Для быстроходного вала
принимаем
мм. Для
тихоходного вала принимаем
мм.
Расстояние а между внутренней
поверхностью стенки корпуса редуктора и торцом ступицы принимаем равным 10 мм.
5.2 Выбор типа подшипников
Для опор валов цилиндрических
прямозубых колес редукторов применяют чаще всего шариковые радиальные
подшипники.
Подшипники выбираем по диаметру вала
под подшипником.
Для быстроходного вала:
= 35 мм.
Подшипник №307 ГОСТ 8338 - 75.
Для промежуточного вала:
Подшипник
№307 ГОСТ 8338-75
Для тихоходного вала:
=60 мм.
Подшипник №212 ГОСТ 8338 - 75.
6. Расчет
валов
6.1 Расчет быстроходного вала
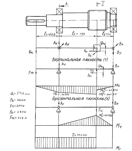
1. Составляем схему нагружения вала
в двух взаимно перпендикулярных плоскостях - вертикальной Y
и горизонтальной X.
Рис.2 Схема нагружения быстроходного вала
- нагрузка на консоль.
2. По правилам, известным из курса
«Сопротивление материалов», определяем опорные реакции и изгибающие моменты:
опорные реакции Ay и By в
вертикальной плоскости:
;
;
;
;
Проверка:
,
.
изгибающие моменты M¢x, M¢¢x и M¢¢¢x в
вертикальной плоскости:
Н·мм,
Н·мм;
Н·мм;
опорные реакции Ax и Bx в
горизонтальной плоскости:
;

Н;
;
Н;
Проверка:
,
.
изгибающий момент M¢у в
горизонтальной плоскости:
Н·мм;
В опасном сечении I-I прочность
вала не рассчитывают т.к. вал изготовлен заодно с шестерней.
3. Результирующий изгибающий момент M в сечении А-А:
Н·мм.
. Реакции в опорах:
Н;
Н.
5. Уточнённый расчет вала (сечение
А-А)
Механические характеристики стали
40Х улучшенной при диаметре заготовки до 200 мм (табл. 2.1):
предел прочности σв = 900 МПа;
предел текучести σт = 750 МПа;
предел текучести при кручении τт = 450 МПа;
предел выносливости гладких образцов
при симметричном цикле изгиба σ-1 = 410 МПа;
предел выносливости гладких образцов
при симметричном цикле кручения τ-1 = 240 МПа;
коэффициент ψτ = 0,1.
Момент сопротивления при изгибе:
,
Момент сопротивления Wк при
кручении:
.
Нормальные напряжения:
.
Касательные напряжения:
.
Вычисляем коэффициент KσD снижения
предела выносливости при изгибе:
, где
Кσ -
эффективный коэффициент концентрации нормальных напряжений (табл. 3.2), Кσ = 2,7;
Кdσ -
коэффициент влияния абсолютных размеров поперечного сечения (табл. 3.4), Кdσ = 0,65;
КFσ -
коэффициент влияния качества поверхности (табл. 3.6), при Ra=0,8 мкм КFσ = 0,91;
КV -
коэффициент влияния поверхностного упрочнения (табл. 3.7), КV=1.
Вычисляем коэффициент КτD снижения
предела выносливости при кручении:
, где
Кτ -
эффективный коэффициент концентрации касательных напряжений (табл. 3.2), Кτ = 2,2;
Кdτ -
коэффициент влияния абсолютных размеров поперечного сечения (табл. 3.4), Кdτ = 0,87;
КFτ -
коэффициент влияния качества поверхности (табл. 3.6), при Ra = 0,8 мкм КFτ = 0,95.
, (табл. 3.5);
, (табл. 3.6);
, (табл. 3.7);
Коэффициент влияния асимметрии цикла
ψτD:
.
Пределы выносливости σ-1D и τ-1D
МПа;
МПа.
Коэффициент запаса прочности Sσ по
нормальным напряжениям:
.
Коэффициент запаса прочности Sτ по
касательным напряжениям:
Коэффициент S запаса
прочности:
.
Прочность вала в сечении А-А обеспечена,
так как коэффициент S = 11,7 значительно превышает
минимально допустимое значение [S] =1,5…2,5.
6.2 Расчет промежуточного вала
1. Составляем схему нагружения вала
в двух взаимно перпендикулярных плоскостях - вертикальной Y и
горизонтальной X.
Рис.3 Схема нагружения
промежуточного вала
2. По правилам, известным из курса
«Сопротивление материалов», определяем опорные реакции и изгибающие моменты:
опорные реакции Ay и By в
вертикальной плоскости:
;
Н;
;
Н;
Проверка:
,
.
изгибающие моменты M¢x, M¢¢x и M¢¢¢x в
вертикальной плоскости:
Н·мм;
Н·мм;
Н·мм;
опорные реакции Ax и Bx в
горизонтальной плоскости:
;

Н;
;
Н;
Проверка:
,
.
изгибающие моменты M¢y, M¢¢y и M¢¢¢y в
вертикальной плоскости:
Н·мм;
Н·мм;
Н·мм;
. Результирующий изгибающий момент M в сечении I-I:
Н·мм.
. Реакции в опорах:
Н;
Н.
. Уточнённый расчет вала (сечение I-I)
Механические характеристики стали
40Х улучшенной при диаметре заготовки до 200 мм (табл. 2.1):
предел прочности σв = 900 МПа;
предел текучести σт = 750 МПа;
предел текучести при кручении τт = 450 МПа;
предел выносливости гладких образцов
при симметричном цикле изгиба σ-1 = 410 МПа;
предел выносливости гладких образцов
при симметричном цикле кручения τ-1 = 240 МПа;
коэффициент ψτ = 0,1.
Момент сопротивления при изгибе:
,
Момент сопротивления Wк при
кручении:
.
Нормальные напряжения:
.
Касательные напряжения:
.
Вычисляем коэффициент KσD снижения
предела выносливости при изгибе:
, где
Кσ -
эффективный коэффициент концентрации нормальных напряжений (табл. 3.2), Кσ = 2,2;
Кdσ -
коэффициент влияния абсолютных размеров поперечного сечения (табл. 3.4), Кdσ = 0,75;
КFσ -
коэффициент влияния качества поверхности (табл. 3.6), при Ra = 0,8 мкм КFσ = 0,95;
КV -
коэффициент влияния поверхностного упрочнения (табл. 3.7), КV=1.
Вычисляем коэффициент КτD снижения
предела выносливости при кручении:
, где
Кτ -
эффективный коэффициент концентрации касательных напряжений (табл. 3.2), Кτ = 2,05;
Кdτ -
коэффициент влияния абсолютных размеров поперечного сечения (табл. 3.4), Кdτ = 0,75;
КFτ -
коэффициент влияния качества поверхности (табл. 3.6), при Ra = 0,8 мкм КFτ = 0,95.
Коэффициент влияния асимметрии цикла
ψτD:
.
Пределы выносливости σ-1D и τ-1D
МПа;
МПа.
Коэффициент запаса прочности Sσ по
нормальным напряжениям:
.
Коэффициент запаса прочности Sτ по
касательным напряжениям:
Коэффициент S запаса
прочности:
.
Прочность вала в сечении I-I обеспечена,
так как коэффициент S = 3,5 превышает минимально
допустимое значение [S] =1,5…2,5.
.3 Расчет тихоходного вала
1. Составляем схему нагружения вала
в двух взаимно перпендикулярных плоскостях - вертикальной Y и
горизонтальной X.
Рис.4 Схема нагружения тихоходного
вала
. По правилам, известным из курса
«Сопротивление материалов», определяем опорные реакции и изгибающие моменты:
опорные реакции Ay и By в
вертикальной плоскости:
;
Н;
;
Н;
Проверка:
,
.
изгибающие моменты M¢x, M¢¢x в
вертикальной плоскости:
Н·мм;
Н·мм;
опорные реакции Ax и Bx в
горизонтальной плоскости:
;

Н;
;
Н;
Проверка:
,
.
изгибающие моменты M¢y, M¢¢y в
вертикальной плоскости:
Н·мм;
Н·мм;
. Результирующий изгибающий момент M в сечении I-I:
Н·мм.
. Реакции в опорах:
Н;
Н.
. Уточнённый расчет вала
Механические характеристики стали 45
улучшенной при диаметре заготовки до 200 мм (табл. 2.1):
предел прочности σв = 900 МПа;
предел текучести σт = 650 МПа;
предел текучести при кручении τт = 390 МПа;
предел выносливости гладких образцов
при симметричном цикле изгиба σ-1 = 410 МПа;
предел выносливости гладких образцов
при симметричном цикле кручения τ-1 = 230 МПа;
коэффициент ψτ = 0,1.
Момент сопротивления при изгибе:
,
Момент сопротивления Wк при
кручении:
.
Нормальные напряжения:
Касательные напряжения:
.
Вычисляем коэффициент KσD снижения
предела выносливости при изгибе:
, где
Кσ -
эффективный коэффициент концентрации нормальных напряжений (табл. 3.2), Кσ = 2,2;
Кdσ -
коэффициент влияния абсолютных размеров поперечного сечения (табл. 3.4), Кdσ = 0,77;
КFσ -
коэффициент влияния качества поверхности (табл. 3.6), при Ra = 0,8 мкм КFσ = 0,91;
КV -
коэффициент влияния поверхностного упрочнения (табл. 3.7), КV=1.
Вычисляем коэффициент КτD снижения
предела выносливости при кручении:
, где
Кτ -
эффективный коэффициент концентрации касательных напряжений (табл. 3.2), Кτ = 2,05;
Кdτ -
коэффициент влияния абсолютных размеров поперечного сечения (табл. 3.4), Кdτ = 0,66;
КFτ -
коэффициент влияния качества поверхности (табл. 3.6), при Ra = 0,8 мкм КFτ = 0,95.
Коэффициент влияния асимметрии цикла
ψτD:
.
Пределы выносливости σ-1D и τ-1D
МПа;
МПа.
Коэффициент запаса прочности Sσ по
нормальным напряжениям:
.
Коэффициент запаса прочности Sτ по
касательным напряжениям:
Коэффициент S запаса
прочности:
.
Прочность вала в сечении I-I обеспечена,
так как коэффициент S = 5,8 превышает минимально
допустимое значение [S] =1,5…2,5.
7. Проверка долговечности
подшипников качения
.1 Быстроходный вал
Для предварительно выбранных
подшипников средней серии №307 находим [2. таб. 24.10] :
динамическая грузоподъемность Cr = 33,2 кН;
статическая грузоподъемность C0r = 18 кН;
диаметр внутреннего кольца d = 35 мм;
диаметр внешнего кольца D = 80 мм;
ширина B = 21 мм.
Осевая нагрузка Fa=Fx=250 Н.
Отношение
[ 3. табл.
7.1].
Эквивалентная динамическая
радиальная нагрузка:
, где
- коэффициент нагрузки,
[ 3. табл.
7.6];
-температурный коэффициент
=1 (
) [3.
стр.107];
V=1 -
коэффициент вращения, вращается внутреннее кольцо;
X и Y -
коэффициенты радиальной и осевой нагрузки [3. табл. 7.1];
С учётом циклограммы нагружений:
;
Отношение
;
Н;
Отношение
;
;
Долговечность определяем по более
нагруженной опоре B.
Расчетный скорректированный ресурс
подшипника при а1 = 1 (вероятность безотказной работы 90%) [3. табл.
7.5], а23 = 0,8 (обычные условия применения) [3. стр.108]:
ч.
Так как расчетный ресурс больше
требуемого (68633 > 7100), то назначенный подшипник 307 пригоден.
.2 Промежуточный вал
Для предварительно выбранных
подшипников средней серии №307 находим [2. таб. 24.10] :
динамическая грузоподъемность Cr = 33,2 кН;
статическая грузоподъемность C0r = 18 кН;
диаметр внутреннего кольца d = 35 мм;
диаметр внешнего кольца D = 80 мм;
ширина B = 21 мм.
Осевая нагрузка Fa=Fx=883-250=633
Н.
Отношение
[ 3. табл.
7.1].
Эквивалентная динамическая
радиальная нагрузка:
, где
- коэффициент нагрузки,
[ 3. табл.
7.6];
- температурный коэффициент
=1 (
) [3.
стр.107];
V=1 -
коэффициент вращения, вращается внутреннее кольцо;
X и Y -
коэффициенты радиальной и осевой нагрузки [3. табл. 7.1];
С учётом циклограммы нагружений:
;
Отношение
;
Н;
Отношение
;
;
Долговечность определяем по более
нагруженной опоре А.
Расчетный скорректированный ресурс
подшипника при а1 = 1 (вероятность безотказной работы 90%) [3. табл.
7.5], а23 = 0,8 (обычные условия применения) [3. стр.108]:
ч.
Так как расчетный ресурс больше
требуемого (12776 > 7100), то назначенный подшипник 307 пригоден.
7.3 Тихоходный вал
Для предварительно выбранных
подшипников лёгкой серии №307 находим [2. таб. 24.10] :
динамическая грузоподъемность Cr = 52 кН;
статическая грузоподъемность C0r = 31 кН;
диаметр внутреннего кольца d = 60 мм;
диаметр внешнего кольца D = 110 мм;
ширина B = 22 мм.
Осевая нагрузка Fa=Fx=883 Н.
Отношение
[ 3. табл.
7.1].
Эквивалентная динамическая
радиальная нагрузка:
, где
- коэффициент нагрузки,
[ 3. табл.
7.6];
- температурный коэффициент
=1 (
) [3.
стр.107];
V=1 -
коэффициент вращения, вращается внутреннее кольцо;
X и Y -
коэффициенты радиальной и осевой нагрузки [3. табл. 7.1];
С учётом циклограммы нагружений:
;
Отношение
;
Н;
Отношение
;
;
Долговечность определяем по более
нагруженной опоре А.
Расчетный скорректированный ресурс
подшипника при а1 = 1 (вероятность безотказной работы 90%) [3. табл.
7.5], а23 = 0,8 (обычные условия применения) [3. стр.108]:
ч.
Так как расчетный ресурс больше
требуемого (15550> 7100), то назначенный подшипник 212 пригоден.
8. Расчет шпонок
Шпонки выбираем призматические со
скругленными концами. Материал шпонок - сталь 45. Для каждого диаметра вала
определяем размеры поперечного сечения шпонки по ГОСТ 12081-72. Посадки шпонок
выбираем согласно ГОСТ 23360-78, получим
.
Шпонки проверяем по напряжению
смятия, МПа [5] :
,
где
- допускаемое напряжение смятия,
равное 120 МПа.
Быстроходный вал: Т = 45,3 Н·м, l = 70 мм, d = 30 мм, b==8 мм, h = 7 мм, t = 4 мм;
.
Промежуточный вал: Т = 247,3 Н·м, l =50 мм, d = 38 мм, b=10, h = 8 мм, t = 5 мм;
.
Тихоходный вал: 1) d = 50 мм, Т
= 955 Н·м,l = 110 мм, b=14, h = 9 мм, t = 5,5 мм;
;
) d = 65 мм, T = 955 Н·м, l = 80 мм, b=18, h = 11 мм, t = 7 мм;
.
9. Расчёт корпусных элементов и
крышек
.1 Расчёт основных элементов крышки
и корпуса редуктора
Толщина стенки корпуса и крышки:
мм;
мм.
Толщина верхнего пояса (фланца)
корпуса:
мм.
Толщина нижнего пояса (фланца)
крышки:
мм.
Толщина нижнего пояса корпуса:
мм.
Толщина рёбер основания корпуса:
мм.
Толщина рёбер крышки корпуса:
мм.
Диаметр фундаментных болтов:
мм.
Принимаем болты М20.
Диаметр болтов у подшипников:
мм.
Принимаем болты М16.
Диаметр болтов, соединяющих
основания корпуса с крышкой:
мм. Принимаем болты М12.
Диаметр болтов, крепящих крышки
подшипников и смотровую крышку:
мм. Принимаем болты М8
Наименьший зазор между наружной
поверхностью колеса и стенкой корпуса:
мм.
9.2 Расчет крышек подшипниковых
гнёзд
Для подшипниковых гнёзд всех
диаметров устанавливаем привертные крышки.
Рис. 5 Крышка подшипника привертная
Параметры крышек для подшипниковых
гнёзд:
быстроходного вала и промежуточного
вала:
D = 80 мм
-диаметр гнезда под подшипник;
d = 8 мм -
диаметр отверстия под болт;
z = 6 - число
болтов;
мм - толщина стенки крышки;
мм - диаметр крышки.
тихоходного вала:
D = 110 мм
-диаметр гнезда под подшипник;
d = 10 мм -
диаметр отверстия под болт;
z = 6 - число
болтов;
мм - толщина стенки крышки;
мм - диаметр крышки.
10. Подбор муфт
.1 Подбор муфты упругой с
торообразной оболочкой
Для соединения быстроходного вала
редуктора с валом электродвигателя применим муфту упругую с торообразной
оболочкой 125-30-1,1 по ГОСТ 20884-82 [6. стр. 486]. Данные муфты
характеризуются высокой амортизирующей способностью, выдерживают
кратковременные перегрузки прядка 2,5 - 3 - кратных по сравнению с
номинальными.
Рис.6 Муфта упругая с торообразной
оболочкой
Условие прочности оболочки на сдвиг
в сечении около зажима:
,
где Тр = кТ =
Н·м - расчётный
момент,
где к - коэффициент нагружения, Т -
крутящий момент на валу
мм - диаметр окружности в сечении
около зажима;
мм - толщина оболочки;
МПа - допускаемое напряжение на
сдвиг для материала оболочки;
;
Условие прочности выполняется
следовательно выбранная муфта подходит для использования в данном приводе.
10.2 Подбор зубчатой муфты
Для соединения выходного вала
редуктора с приводным валом применим зубчатую муфту М3 2-Н50 по ГОСТ 5006-83.
Данные муфты компенсируют радиальное смещение - в пределах радиального зазора в
зацеплении; осевое смещение, благодаря тому, что венец зубчатой обоймы шире
венца полумуфты; угловое смещение обеспечивается сферической обточкой головок
зубьев. Материал муфты - сталь 45, твердость рабочих поверхностей зубьев HRC≥35
для зубьев обоймы и HRC≥40 для зубьев втулок.
Рис.7 Муфта зубчатая
Условие износостойкости:
,
где p - давление
на поверхности зубьев, МПа;
Тр=кТ=1,6·955=1528 Н·м -
расчетный момент;
b=15 мм -
длина зуба;
Dd = mz = 2,5·38
=95 мм - диаметр делительной окружности;
z = 38 -
число зубьев втулки;
m = 2,5 мм -
модуль зацепления;
МПа - допускаемое давление.
;
Условие износостойкости выполняется
следовательно выбранная муфта подходит для использования в данном приводе.
11. Компоновка привода и разработка
конструкции сварной рамы
При монтаже приводов, состоящих из
электродвигателя и редуктора, должны быть выдержанны определенные требования
точности относительного положения узлов. Для этого узлы привода устанавливают
на сварных рамах или литых плитах.
Конфигурацию и размеры рамы
определяют тип и размеры редуктора и электродвигателя. Для создания базовых
поверхностей под двигатель и редуктор на раме размещают платики в виде узких
полос или отдельных прямоугольников. Ширину и длину платиков на раме принимают
большими, чем ширина и длина опорных поверхностей электродвигателя и редуктора,
на величину 2С0, где
мм.
Здесь
- ширина опорных поверхностей
двигателя (редуктора), мм.
Определяют основные размеры рамы в
плане: B и L, принимая
размер
мм.
Размеры B и L округляют
до стандартных значений [3. табл. 24.1]. Затем определяют высоту рамы
, по которой
подбирают ближайший размер швеллера.
Раму удобно конструировать из двух
продольно расположенных швеллеров и приваренных к ним трёх-четырёх поперечно
расположенных швеллеров. Швеллеры располагают, как правило, полками наружу.
Такое расположение удобно для крепления узлов к раме, осуществляемого как
болтами, так и винтами.
Для крепления рамы к полу цеха
применяют фундаментные болты, их расположение определяют при проектировании
рам.
Выбираем швеллер:
.
Сварка ручная дуговая ГОСТ 5264-80.
Фундаментный болт: ГОСТ 24379.1-80.
Шпилька болта: ВСт3пс2 ГОСТ 380-94.
Заключение
При проектировании редуктора были
произведены расчеты валов и шестерни на прочность, допускаемые напряжения,
контактные напряжения, напряжения изгиба.
Прочность зубьев колес и валов
обеспечена как по напряжению изгиба так и по контактным напряжениям.
Так же были проверены использованные
в редукторе подшипники на долговечность.
Вывод: Редуктор работоспособен и
выполняет все требования проекта.
Список использованной литературы
1.
Гриценко В.Е., Бабец Н.В., «Методика расчета зубчатых цилиндрических
эвольвентных передач на прочность» - ЮРГТУ(НПИ). Новочеркасск, 1991, 63 с.
.
Решетов Д.Н. «Детали машин» - М. Машиностроение, 1989, 496 с.
.
Дунаев П.Ф., Леликов О.П. «Конструирование узлов и деталей машин: учебное
пособие для технических вузов» - М.: Высшая школа 1998. 447с.
.
Благовестный А. С. «Расчет вала: Методические указания к лабораторно - практич.
занятиям для студентов, изучающих дисциплины: «Механика», «Техническая
механика», «Детали машин и основы конструирования»» - ЮРГТУ(НПИ). Новочеркасск,
2003, 15 с.
.
Чернавскии С.А., Г.А. Снесарев, Б.С. Козинцов «Проектирование механических
передач: Учебно-справочное пособие для вузов»- 5-е изд. - М.: Машиностроение,
1984, 560 с.
.
Чернин И.М., Кузьмин А.В., Ицкович Г.М., «Расчеты деталей машин» - Минск.
Высшая школа, 1974, 592с.