Проектирование однопролетных шарнирно-опертых балок и колонн
Содержание:
1. Исходные
данные
2. Компоновочное
решение
3. Расчет и
конструирование балок
3.1
Вспомогательные балки
.1.1 Сбор
нагрузок
.1.2 Силовой
расчет
.1.3
Назначение типа сечения вспомогательных балок и марки стали
.2 Главные
балки
.2.1
Определение расчетного пролета и нагрузок
.2.2 Силовой
расчет
.2.3
Компоновка сечения и проверка прочности и общей устойчивости
.2.4
Изменение сечения главной балки
.2.5 Проверка
общей устойчивости и деформативности балок
.2.6 Проверка
местной устойчивости балок
.2.7 Расчет
поясных швов, опорных частей балок, узлов сопряжений балок
4. Расчет и
конструирование колонн
4.1 Выбор
расчетной схемы
.2 Компоновка
сечения колонны
.3 Проверка
сечения колонны
.4
Конструирование и расчет оголовка колонны
.5
Конструирование и расчет базы колонны
.6 Подбор
сечения связей по колоннам
Список
литературы
1. Исходные данные
§ Пролет главной балки (L)
- 11 м
§ Шаг главных балок (B)
-6 м
§ Толщина плиты (tпл.) - 0,14 м
§ Отметка верха плиты (Н пл.) - 7,5 м
§ Нормативная (полезная) нагрузка (q) - 22 кН/мІ
2. Компоновочное решение
Проектирование сооружения начинаем с назначения компоновочной
схемы, в которой за основу, принимаем балочную клетку нормального типа,
опирающуюся на центрально-сжатые колонны. Устойчивость сооружения в плоскости
главных балок обеспечивается путем примыкания этих балок к жесткому блоку (для
рабочих площадок - это каркас здания цеха). В плоскости, перпендикулярной
главным балкам, устойчивость сооружения обеспечивается путем постановки связей
по колоннам, т.е. созданием диска.
Шаг вспомогательных (второстепенных) балок “а” исходя из того что:
при железобетонном настиле t=10-20см а=1.5-2.5м
принимаем а=1,9 м.
Пролет вспомогательных балок “B” равен шагу главных балок, статическую схему
вспомогательных балок принимаем в виде однопролетных шарнирно-опертых балок.
3. Расчет и конструирование балок
.1 Вспомогательные балки.
Нагрузка на вспомогательные и все нижележащие конструкции состоит из
постоянной составляющей и временной (полезной) нагрузки.
.1.1 Сбор нагрузок на рабочую площадку
|
№№ п/п
|
Наименование нагрузки
|
Нормативная нагрузка, кН
|
Расчетная нагрузка, кН
|
|
|
Постоянная нагрузка
|
|
1
|
Пол асфальтобетонный:
|
0,72
|
1,3
|
0,94
|
|
t=
|
0,4
|
м
|
|
|
|
|
=18кН/м3
|
|
|
|
|
|
|
2
|
Монолитный настил:
|
3,5
|
1,2
|
4,2
|
|
t=
|
0,14
|
М
|
|
|
|
|
=25кН/м3
|
|
|
|
|
|
|
3
|
Собственный вес второстепенных балок:
|
0,2
|
1,05
|
0,21
|
|
Итого постоянная нагрузка q:
|
4,42
|
|
5,25
|
|
4
|
Полезная нагрузка p:
|
22
|
1,2
|
26,4
|
|
Всего нагрузка (q+p):
|
26,42
|
|
31,75
|
3.1.2 Силовой расчет
Погонная нагрузка на вспомогательные балки равна:
q = (p + q)•a =
(0,2•1,95+22•1,2) •1,9=50,56 кН/м.
Опорные реакции:
VA = VB = q•l/2 = 50,56•6 / 2
=151,58 кН/м.
Максимальный изгибающий момент:
Mmax = q•l2/8 = 50,56•6І / 8 = 227,52 кН•м
Максимальная поперечная сила: Qmax = q•l/2 =151,58 кН.
3.1.3 Назначение типа сечения вспомогательных балок и марки
стали.
Сечение принимаем в виде прокатного двутавра по ГОСТ 26020-83.
Марка стали Ст245. Расчетное сопротивление марки стали Ry (по пределу текучести) принимаем по
СНиП II-23-81*, табл.50 [2]:
Ry = 240МПа =24кН/смІ.
Сечение балок назначаем из условия прочности:
σ = Mmax / C1•Wn,min
£ Ry•γc,
где Мmax -
максимальный расчетный изгибающий момент в балке;
Wn,min - момент сопротивления сечения балки, т.е. требуемый Wтр;
γс - коэффициент условия работы балки, γc= 1 (табл.6);
С1 - коэффициент, принимаем равный С1 = С = 1,12 (табл.66).
тр = Мmax / C1•Ry•γc,
Wтр =227,52 •102 / 1,12•24•1
=861,82смі.
Зная Wтр =861,82смі, подбираем по сортаменту
прокатных двутавровых балок, ближайший номер профиля с избытком, Wx > Wтр и выписываем из сортамента для него геометрические
характеристики:
Двутавр 40:
Wx = 953смі; b = 155мм; tw = 8,3мм;
Ix = 19062см4; tf = 13мм;
Iy = 667см4; h =
400мм.
По известной толщине полки двутавра (размер tf), уточняем Ry (Ry = 240МПа без изменения) и проводим
проверку прочности:
σ = 227,52•100 / 1,12•953= 21,32кН/смІ
< 24•1кН/смІ,
проверка прочности выполняется.
Проверку деформативности балок производим от действия нормативных
нагрузок и при равномерно распределенной нагрузке используем формулу:
ѓ/B = 5•gн•B3/384•E•Ix £ |ѓ/B|,
где B - пролет балки, равный B = 6м;
gн = (pн + qн)•a = 26,42•1,9=50,198 кН/м;
Е = 206000МПа;
|ѓ/B| - нормируемый относительный прогиб
балки, принимаем |ѓ/B| = 1/250 = 0,004.
ѓ/B = 5•50,198•10-2•600і/384•2,06•104•19062 =
35,95•10-4 <
0,005,
проверка деформативности выполняется.
Проверка общей устойчивости балок производится по формуле:
σ = Mmax/φb•Wx £ Ry•γc,
где Mmax = Мрасч;
Wx - принятый момент сопротивления балки;
γс = 0,95 при проверке устойчивости;
φb - коэффициент, определяемый по указаниям [2].
ef=B/2 = 6/2= 3м
Для определения φb находим по формулe (174) значения:
φ1 =
ψ•Iy/Ix•(h/lef)І•E/Ry
где h - высота сечения балки;
ψ - коэффициент, определяем по формуле:
ψ = 2,25 + 0,07•α и
α = 8•(lef•t/h•b)І•(1 + (0.5•h•twі/b•tі))
где tw - толщина стенки балки, по
сортаменту:
α = 8•(2850•13/400•155)І•(1 +
(0.5•400•8,3і/155•13і)) = 3,816;
ψ = 2.25 + 0.07•3.816 = 2.517;
φ1 = 2,517•667/19062•(400/2850)І•(20600 /24) = 1,489
принимаем φb = φ1 = 1.489, так как φb › 1, то общая устойчивость
обеспечена и дальнейшую проверку не проводим.
.2 Главные балки
3.2.1Определение расчетного пролета и нагрузок
Расчетный пролет 'l'
зависит от конструктивного решения опорных частей балок. При опирании балки на
стальную колонну сверху, расчетный пролет 'l' равен расстоянию между осями колонн. В соответствии с
заданием принимаем l =9,8м.
Нагрузку на главные балки принимаем равномерно распределенной, величину
которой определяем по формуле:
qг.б. = (p + q)•1.04•B,
где (p + q) - расчетное значение нагрузки;
.04 - коэффициент, учитывающий собственный вес главных балок;
B -
шаг главных балок.
qг.б. = 26,42•1.05•6 = 166,446кН/м.
.2.2Силовой расчет
Опорные реакции:
VА = VВ = q•l/2 = 166,446•11/2 =915,453кН.
Максимальный изгибающий момент:
Мmax = q•l2/8=166,446•112/8
=2517,496кН•м.
Максимальная поперечная сила:
Qmax =
q•l/2 = 166,446•11/2 =915,453кН.
3.2.3 Компоновка сечения и проверка прочности и общей
устойчивости
Тип сечения - сварной двутавр.
Выбор стали (т. 50* [2]) сталь - С255.
Расчетное сопротивление: Ry=230 МПа. T 20-40мм.]
Компоновка сечения начинается с назначения высоты балки 'h'. В нашем случае высота балки
назначается исходя из двух критериев:
. Из условия экономичности.
. Из условия жесткости балки.
Исходя из условия минимального расхода стали, высота балки определяется
при h ≤ 1.3 по формуле:
hопт = k•ÖWтр/tw,
где h - высота балки, определяется в
первом приближении как h ≈ 0.1•l;
l -
пролет главной балки;
к = 1.1 - для балок переменного сечения;
γс = 1.
Из условий прочности требуемый момент сопротивления:
Wтр = Mрасч/Ry•γc = 2422,21•102/23•1 = 10489,567кН•смі,» 0.1•11 = 1,1м = 110см,
tw = [7 + 3•(h,м)] = 7 + 3•1,1
= 10,3мм = 1,03см,опт = 1.1•Ö10489,567/1,03= 111,01cм.
Из условия обеспечения требуемой жесткости:
hmin = 5•Ry •γc•l•|l/ѓ|•(pн+ qн)/[23•E•(p + q)],
hmin = 5•23•1•11•400•26,42/[24•20600•31,75] = 0,889м=89см.
Из полученных высот hопт, hmin принимаем большую, h = hопт =111,01 см, следуя рекомендациям при h>1м - принимаем h кратную 10 см, т.е. h= 120см=1,2 м Минимально допустимая
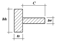
толщина стенки из условия прочности на срез определяется по формуле:
tw min ³ 1.5•Qрасч/hef •Rs•γc,
где Rs - расчетное сопротивление стали
сдвигу в зависимости от значения Ry:
Rs = 0,58•Ry=0,58•23=13,34kH/см2
hef - расчетная высота стенки, равная hef = 0.97•h=120•0.97=116,4см
tw min ³ 1.5•915,453/116,4•13,34•1 = 0,925см
= 9,25мм.
tw min > 6мм. Cогласно сортаменту, принимаем толщину стенки tw = 10мм.
Для определения значений bf, tf необходимо найти требуемую площадь
пояса Аf по формуле:
Af = 2•(Ix - Iw)/hІ,
где Ix - требуемый момент инерции,
определяемый по формуле:
Ix = Wтр•h/2,
Iw - момент инерции стенки сечения, определяемый по формуле:
Iw = tw•hef і/12,x
= 10489,567•120/2 =629374,02 см4,w = 1,0•116,43/12 =
131424,912 см4,
получаем:
Af = 2•(629374,02 -131424,912)/120І = 69,16 смІ.
Ширину пояса выбираем из условия:
bf = (1/3 - 1/5)h,
tf = Af/bf,
bf и tf назначаем с учетом сортамента на
листовую сталь, при этом должно выполняться условие:
bf/tf < |bf/tf| » ÖE/Ry.
bf = 120•1/4 = 30см,
тогда
tf = 69,16 /30 = 2,305 см
В
соответствии с сортаментом и расчетом принимаем: tf = 2,5см, bf = 30см.
30/2,5 = 12,99< Ö20600 /23 = 29,297.w=116,4см.=Aw+2Af=116,4•1+2•69,16=254,72
cм2,x = 1•116,43/12+2(30•2,53/12+59,452(30•2,5))=661648,412
см4.x = tf•bf•(hef
+ tf)/2 + tw•hef/2•hef/4x=6152,37см3
Wx = Ix/(h/2),x =
2•661648,412/120= 11027,47 смі,
Прочность сечения проверяем, исходя из предположения упругой работы
стали:
σ = Mрасч/Wx £ Ry•γc
σ = 2517,496•102/11027,47 =
22,83кН/смІ < 23•1 = 23кН/смІ. (недогруз
менее 5%)
Проверка касательных напряжений и прочность стенки производятся после
изменения сечения балки.
3.2.4 Изменение сечения главной балки
В однопролетных шарнирно опертых балках целесообразно изменять ее сечение
в соответствии с эпюрой изгибающих моментов. Следуя рекомендациям, изменение
сечения производим путем уменьшения bf, оставляя без изменения h, tf, tw.
Для этого ширину пояса bf1
в концевой части балки назначаем равной (0.5-0.75)•bf, принятой для сечения с расчетным
моментом Мрасч. При этом, соблюдая условия:
bf1
³ 0.1•h и bf1 ³ 16см.
bf1
= 0.6•bf = 0.6•30 =18см,
> 0,1•110 = 12см,
см > 16см.
После назначения bf находим геометрические характеристики Ix1, Wx1,
Sx1, Sf1,
где Sf1 - статический момент полки.
Ix1=Iw+2If=131424,912+2•159043,6125=449512,137
см4,x1 = Ix1/h/2
= 2•449512,137 /120 = 7491,87 смі,x1
= (hw+bf)/2• bf1 • tf+hw/4•
hw/2•twx1
= 4371,12 с мі.
Изгибающий момент, который может быть воспринят измененным сечением,
определяется по формуле:
M1 = Wx1•Ry•γc, , где γс = 1.
M1 =7491,87 •23•1 =179804,8548Кн•см
=1798,048548 кН•м

Далее находим
расстояние от опоры балки до ординаты М1.
M(x) = VA•x - q•xІ/2,
приравниваем M(x) =M1:
,446/2•XІ - 915,453 •X + 1798,048548 = 0,
X =
(915,453 - Ö915,4532-4•83,223•1798,048548)/2•83,223= 2,55979 м.
Стык поясов в балках относим от сечения с ординатой М1 в
сторону опор на 200-250мм.
X=2,56-0,25=2,31
м
В месте изменения сечения балки производим проверки:
σ = Mрасч/Wx1 £ Ry•γc,
Mрасч.(x=2,31)=915,453•2,31-166,446•2,312/2=1670,61 кН•м
σ = 1670,61 •102/7491,87 =
22,299кН/смІ <24•1 = 24кН/смІ;
τ = Qрасч•Sx1/Ix1•tw £ Rs•γc,
Qрасч = VA - q•1 = 915,453 -166,446•2,31 = 530.963кН,
τ =
530.963•4371,12/(449512,137 •1) = 5,163кН/смІ < 0,58•23•1 =
,34кН/смІ.
Кроме того, прочность стенки проверяем на совместное действие σx,
τxy:
σx = Mрасч•hef/2•Ix = 1670,61 •102•116,4/(2•449512,137)
=21,63 кН/см2;
τxy = Qрасч/(tw•hef) = 530.963/(1•116,4)= 4,56кН/см2;
ÖσxІ + 3•τxyІ £ 1.15•Ry•γc,
Ö21,63І + 3•4,56І = 23,03/кН/смІ < 1.15•23•1 = 26,45кН/смІ.
.2.5 Проверка общей устойчивости и деформативности балок
Проверка деформативности главной балки заключается в сравнении
фактического относительного прогиба f/l к нормируемому | f/l |, который определяется по [3].
В целях упрощения расчёта допускаем систему сосредоточенных нагрузок на
главную балку при их числе более 5 заменить эквивалентной равномерно
распределённой нагрузкой qн,
э, и прогиб
определять без учёта изменения сечения балки. Тогда для однопролётных балок:
f/l=5qн, э•l3/(384E•Ix) £| f/l |,
f/l=5•26,42•10-2•11003/(384•20600•661648,412)=0,0022£| f/l
|=1/400=0,0025
Местная устойчивость поясных листов обеспечена, если выполняется условие,
[2], п.7.24, табл.30. Так как компоновка сечения балки производилась с учетом
этого условия, то местную устойчивость сжатой полки не проверяем.
Стенки балок для обеспечения их местной устойчивости следует укреплять
поперечными ребрами, поставленными на всю высоту стенки. Ребра жесткости
устанавливаем в случае, если значения условной гибкости стенки:
λw = hef/tw•ÖRy/E > 3,2,
λw = 116,4/1•√23/20600 = 3,97
> 3,2.
Поперечные ребра устанавливаем в местах приложения неподвижных
сосредоточенных нагрузок, от вспомогательных балок и на опорах.
Ширина выступающей части ребра:
bh ³ hef/30
+ 40мм,
bh ³ 1164/30 +4 = 78,8 см,
после округления до размера кратного 10мм, получим bh = 8см.
Толщина ребра:
ts ³ 2•bh •ÖRy/E,
ts = 2•8•Ö23/20600 = 0,55см,
принимаем по сортаменту ts = 6мм.
Расчет на устойчивость стенки проверяем по формуле:
Ö(σ/σcr)І + (τ/τcr)І £ 1,
σcr = Ccr•Ry/λw, Ccr = 35,5,
σcr = 35,5•23/3,97І = 54,058 кН/смІ.
τcr = 10,3•(1 + (0.76/μІ))•Rs/λefІ,
μ - отношение большей стороны отсека
балки к меньшей, т.е.:
μ = a/hef = 190/116,4 = 1,63,
λef = (d/tw)•ÖRy/E,
d - меньшая из сторон отсека балки, т.е. hef = 116,4cм;
λef = (116,4/1)•Ö23/20600 = 3,97,
τcr = 10,3•(1 +
(0.76/1,63І))•0,58•23/3,97І = 13,013кН/смІ.
σ = (М/Ix)•y,
τ = Q/(tw•hef),
y = hef/2=116,4/2=58,2 см
На устойчивость проверим 1 отсек (в котором происходит изменение
сечения):
;
Xср=3,218 м
Mср.= 915,453•3,218-166,446•3,2182/2=2084,11
кН•м
Qср.= 915,453-166,446•3,218=394,81 кН
σ= Mср•y/ Ix=2084,11•100•58,2/449512,137=26,98 кН/см2
τ= Qср/tw•hef=394,81/1•116,4=3,39 кН/см2
2.3.7 Расчет поясных швов, опорных частей балок, узлов
сопряжений балок
Расчет поясных швов сводится к определению требуемого катета углового
сварного шва Кf. Для балок
с изменённым сечением расчёт ведётся по меньшему сечению. В балках,
проектируемых, из одной марки стали, при статической нагрузке требуемый катет
шва равен:
Kf ³ (Qрасч•Sf)/(2•Ix•βf•Rwf•γwf•γc),
где Sf - статический момент полки балки;
βf = 1.1 - коэффициент, для автоматической сварки стали
с Ry до 580МПа;
γwf = 1 - коэффициент условия работы
шва;
Rwf = 180МПа - расчетное сопротивление сварного углового шва
условному срезу,
γс = 1.
Кf ³ (915,453•4443,75•10-6)/(2•661648,412•10-8•1.1•180•103•1•1)
=
,553•10-3 м<6мм
Принимаем Кf
= 6мм.
Участок стенки составной балки над опорой должен укрепляться опорным
ребром жесткости и рассчитываться на продольный изгиб из плоскости как стойка
высотой ls = h, нагруженная опорной реакцией Vr. В расчетное сечение включается,
кроме опорных ребер и часть стенки.
Площадь
опорного ребра определим из условия смятия торца по формуле:
As = bf•ts = Vr/Rp,s=915,453/370•103=25,36
см2
Находим ts:
ts = As /bf1 = 25,36
/18 = 14мм.s=1,4см.
тогда δ
= 1,5•1,4 = 2,1см.
Проверка устойчивости опорной стойки относительно оси x-x производится по формуле:
σ = Vr/φ•A £ Ry•γc,
где А - расчетная площадь стойки, равная:
A = bh•ts + 0.65•twІ•ÖE/Ry,
A = 18•1,4 + 0,65•1І•Ö20600/24 = 44,24смІ;
φ - коэффициент продольного изгиба,
определяемый по [2], в зависимости от гибкости: λ = lef/ix, lef = h =1,1м =120см
ix = ÖIx/A,
где Ix - для расчетного сечения;
Ix = (ts•bfі)/12 + (0,65•tw•ÖE/Ry•twі)/12
= 1,3•18і)/12 +
(0,65•1,4•Ö20600/24•1і)/12 =681,987 см4,
тогда
ix = Ö681,987 /44,24= 3,93см, λ =120/3,93 = 30,53,
принимаем φ =0,929,
σ = 915,453/0,929•44,24= 22,27кН/смІ < 23•1 = 23кН/смІ.
Сопряжение вспомогательных балок с главными, по условиям задания
рассчитываем для случая примыкания вспомогательной балки к поперечному ребру
жесткости главной балки. Сопряжение производим на сварке.
Расчет сопряжения заключается в назначении требуемого катета шва Кf. Длина шва lω, определяется высотой стенки
вспомогательной балки lω = hef -1см, где hef = 0.85•h - высота стенки прокатной балки до закругления. При
проектировании ребер главных и вспомогательных балок из одной стали катет шва,
равен:
Kf ³ V/(βf•lω•Ry•γωf•γc),
где V - реакция вспомогательной балки;
hef = 0,85•40,0 = 34см,
lω = 34- 1 = 33см,
Kf ³ 227,52 /(1.1•33•23•1•1) = 0,3см.
Принимаем Кf
= 6мм.
шарнирный опорный балка колонна
4. Расчет и конструирование колонн
.1.Выбор расчетной схемы
Определение расчетной сжимающей силы на колонну производим суммированием
опорных реакций главных балок:
N = 2•k•V,
где k = 1.008 - коэффициент, учитывающий
собственный вес колонны;
N =
2•915,5•1,01 = 1849,31кН.
Условия опирания колонн на фундаменты и схема связей по колоннам
определяется следующими требованиями. Необходимо обеспечить геометрическую
неизменяемость сооружения в плоскости и из плоскости главных балок. Из
плоскости главных балок геометрическая неизменяемость, как правило,
обеспечивается установкой вертикальных связей по колоннам. В плоскости главных
балок путем прикрепления их к неподвижным точкам (каркасу здания).
При этом необходимо стремиться к обеспечению равно устойчивости колонн: ix/iy = lef,x/lef,y.
Это достигается путем рационального выбора типа сечения и правильной ориентации
его в плане сооружения. В нашем случае, проектируем колонны в виде двутавра и
жестком сопряжении с фундаментами в плоскости главных балок целесообразно
совмещать стенку колонны с плоскостью стенки главной балки.
Геометрическую длину колонны lk, определяем по формуле:
lk = Hпл - (tп+h)+(0,4ч0,6)м
где Нпл=7,5м - отметка верха перекрытия, hб =1м-высота балки;
tп =0,18м- толщина плиты;
h=1,1
м-высота главной балки на опоре;
(0,4ч 0,6) - величина заглубления верха фундамента относительно отметки
чистого пола.
Нk = 7,5-(0,18+1,2)+0,6=5,52м.
Расчетные длины колонны:
lef,x = lk•μx; lef,y = lk•μy,
где μx, μy - коэффициенты приведения длины колонны,
устанавливаются по [2], табл.71,а: μx = 1, μy = 1; тогда
lef,x = 5,52•1 = 5,52м; lef,y = 5,52•1 = 5,52м.
4.2 Компоновка сечения колонны
Стержень колонны конструируем в виде сварного составного двутавра.
Требуемую площадь сечения колонны, определяем по формуле:
Aтр = N/φ•Ry•γc,
где φ - коэффициент, Гибкость колонны на основании опыта
проектирования ориентировочно можно принять в пределах от 60 до 80. Выбираем,
λ = 70 и из таблицы
72 [1]находим φ = 0,761.
Атр = 1849,31/0,78•23•1 = 99смІ.
Используя сравнительно постоянную зависимость между радиусом инерции и
габаритами сечения, оцениваем ориентировочные размеры двутавра.
bf = iy/0.24; h = ix/0.42x
= lef,x/λ; iy = lef,y/λ,
iy = 5,52/64,9 = 8,51см,
тогда:
bf =8,51 /0.24 =35,46см;
h =
8,51/0.42 =20,26см.
По условиям изготовления ширина полок принимается обыч-
но не более чем высота сварного двутавра. Кроме того, должны выполняться
пропорции, характерные для стальных колонн зданий и сооружений,
h=
(1/20ч1/30)lk
h=(1/20ч1/30)•614=(30,7ч20,47)cм
Используя толстолистовую сталь, назначаем размеры кратными 20мм, т.е.
bf = 34см, h =34см.
Толщина стенки колонны назначается из условия обеспечения местной
устойчивости и с учётом возможностей сортамента:
tw≥hw/λuv
λuv - предельная гибкость устойчивой
стенки колонны - величина, зависящая от гибкости колонны.
λuv=58,5
Приняв hw≈0,95h, hw=0,95•34=32,3см
tw=32,3/56,84=0,57cм
В соответствии с ГОСТ на листовой прокат назначаем толщину tw
= 6мм.
Определим требуемую площадь пояса колонны:
Af=0,5(Aтр-hwtw)
Af=0,5(99-0,6•32,3)=39,24 см2
tf³ Af / bf=39,24 /36=1,09 см
Определим толщину tf с учётом местной устойчивости:
tf³Ö Af /2
λuf
λuf -Предельная гтбкость пояса колонны λuf =|bef/tf|. На
этапе компоновки сечения для назначения λuf пользуемся графиком, выражающим зависимость между λuf и λ.
Принимаем λuf =17,28
tf³Ö39,24 /2•17,28=1,07см
Принимаем tf=12мм
.3 Проверка сечения колонны
Определяем для сечения колонны все необходимые характеристики:
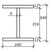
A=2•bf•tf + tw•hw=2•34•1,2+0,6•31,6=100,56см2x=
hw3•tw/12+2bf•tf((h-tf)/2)2x=31,63•0,6/12+2•34•1,2((34-1,2)/2)2=23535,23см4
Iy=hw•tw3/12+2bf3•tf/12y=31,6•0,63/12+2•343•1,2/12=7861,37
см4
ix=ÖIx/Ax=Ö23535,23/100,56=15,3смx=ÖIy/Ay=Ö7861,37 /100,56=8,84смx=Ix/(h/2)x=23535,23/(34/2)=1384,43см3
Выполним проверку общей устойчивости колонны при центральном сжатии
/φ•A≤Ry•yc
Где φ= φmin - наименьшее их величин φx и φy
Гибкости колонны λx=lef,x/ix
λx=552/16,23=36,08
λy=lef,y/iy
λy =552/9,36=62,44
Наибольшей гибкости λmax из λx и λy соответствует наименьшая φ( φmin)
По табл. 72[2] с применением интерполяции для λmax=
λy=62,44 находим φmin=0,793
Проверка:
/φ•A=1849,31/0,793•106,56=23,19≤23
Выполняется.
Недогруз менее 5%.
Выполним проверку местной устойчивости стенки:
λw≤λuwÖE/Ry,
где λuw - предельная приведённая гибкость
устойчивой стенки, определённая по табл. 27 [2], и зависит от λ.
λ= λmaxÖ Ry /E=62,44Ö23/20600=2,13
т.к. λ³2, то λuw=1,2+0,35λ=1,2+0,35•2,13=2,79
λw=hef/tw=31,6/0,6=52,67
λuwÖE/Ry=2,79Ö20600/23=81,74 52,67<81,74
Проверка выполняется.
Выполним проверку местной устойчивости пояса:
bef/tf≤λuf=|bef/tf|, где
bef -расчётная ширина свеса полки,
λuf - предельная гибкость пояса,
определяется по табл. 29* [2].
|bef/tf|=(0,36+0,1λ)ÖE/Ry=(0,36+0,1•2,13)•Ö20600/23=16,79ef/tf=(34-0,6)/(
2•1,2)=13,92 13,92≤16,79
Проверка выполняется.
Для окончательно подобранного сечения колонны проверяем гибкость:
λx=lef,x/ix≤|λ|
λy=lef,y/iy≤|λ|
где |λ|=180-60•α
α=N/Ry•yc•A• φmin=1849,31/23•1•100,56•0,793=0.97>0,5
|λ|=180-60•0.97=121,8
λx=36,08≤121,8
λy=62,44≤121,8
Выполняется
4.4 Конструирование и расчет оголовка колонны
Следуя рекомендациям, располагаем главные балки на колонне сверху с
передачей нагрузки на вертикальные консольные ребра.
Расчетными параметрами оголовка являются:
1. габариты консольных ребер: ширина bs, высота hs и толщина ts;
2. катеты швов крепления ребер к стенке
балки kf1 и опорной плиты kf2;
3. толщина стенки стержня колонны в
пределах высоты ребер.
Высоту ребер hf
назначаем из условия прочности сварных швов, крепящих ребра к стенке колонны,
не менее 0,6h, где h - высота сечения колонны:
hs £ (ålw,тр/4) + 1см, hs ³ 0.6•h,
ålw,тр = N/βf•kf•Rwf•γwf•γc,
где βf - коэффициент, принимаемый при сварке элементов из
стали. При полуавтоматической сварке сварочной проволокой Св-08 βf=0,9, Rwf=180 МПа.
h -
высота сечения колонны;
N -
продольная сила в колонне;
kf - принимаем по наименьшей толщине свариваемых элементов, но не менее
6мм, т.е. kf =8мм;
hs ³ 0,6•34=20,04 см,
ålw,тр = 1849,31/0,9•0,8•18•1•1 = 142,69см,
hs £ (142,69/4) + 1 = 35,67см,
Принятая высота ребра ограничивается величиной:
•βf•kf = 85•0,9•0,6 =45,9см.
Принимаем hs=36см.
Толщину ребра ts
назначаем из условия среза:
ts ³ 1,5•Q/hs•Rs•γc, Q = N/2, = 1849,31/2 =924,655кН,
ts ³ 1,5•924,655/36•0,58•23•1 = 2,89см
Ширину ребра bs
назначаем не менее половины ширины опирающегося торца ребра балки и может
выходить за поперечный габарит колонны для приема элементов связей.
bs³ bf1/2
bf1/2=18/2=9см
Для удобства монтажа элементов связей принимаем bs=23см
Принятая толщина и ширина ребра должны удовлетворять условию
сопротивления смятию торца под давлением опорного ребра балки и условию
обеспечения местной устойчивости. Из условия смятия:
ts ³ N/Rp•bсм,
где Rp - определяем по [2];
bсм- расчётная длина площадки смятия: bсм = bs+2t, где
bs - ширина опорного ребра балки;
t -
толщина опорной плиты колонны;
bсм = 180 + 2•18 =216cм,
ts ³ 2340/32,7•216 = 3,31см
Окончательно принимаем ts=34 мм.
Из условия местной устойчивости:
bs/ts £ 0,5ÖE/Ry,
/3,4= 5,29 < 0,5Ö20600/23 = 14,96.
Проверяем стенку колонны на прочность по срезу в сечениях, где примыкают
консольные ребра:
τ = 1,5•N/2•tw•hs£ Rs•γc,
τ = 1,5•1841,31/2•36•0,6 = 188,573
МПа< 0,58•23•1 = 133 МПа
так как проверка не выполняется, принимаем стенку колонны tw1 = 3см = 30мм, тогда:
τ = 1,5•1841,31/2•36•3= 12,78кН/см2
< 13,34кН/см2.
Низ опорных ребер обрамляется горизонтальными поперечными ребрами
толщиной 6мм, чтобы придать жесткость ребрам, поддерживающим опорную плиту, и
укрепить от потери устойчивости стенку стержня колонны.
4.5 Конструирование и расчет базы колонны
Конструкция базы должна обеспечивать равномерную передачу нагрузки от
колонны на фундамент, а также простоту монтажа колонн. Следуя рекомендациям,
принимаем базу с траверсами, служащими для передачи усилия с поясов на опорную
плиту.
Расчетными параметрами базы являются размеры опорной плиты. Размеры
опорной плиты определяем из условия прочности бетона фундамента в предположении
равномерного распределения давления под плитой.
Определяем размеры опорной плиты в плане. Эти размеры должны быть
достаточными для размещения на плите колонны с траверсами и для обеспечения
прочности бетона фундамента под плитой. Размеры плиты обычно делают кратными
20мм.
Требуемая площадь плиты:
Aпл=N/Rф
Фундаменты (по проекту) изготовлены из бетона класса прочности В12,5. Расчётное
сопротивление бетона фундамента под плитой
Rф=Rпр.б.ÖАф/Апл=8, 5Ö1,1=7,74 Мпа
Где Rпр.б.=7,74МПа - призменная прочность бетона класса B12.5
Апл=1841,31/8,77•103=0,24 м2
Ширину плиты назначаем по конструктивным требованиям:
Bпл=bf+2ts+2c
Bпл=34+2•1+2•6=48см.
Где ts = 10мм -
толщина листа траверсы(принимаем конструктивно 10-14мм)
bf =34см - ширина полок колоны;
c=6см
- ширина свеса плиты (выбираем конструктивно в пределах 6-8см);
Требуемая длина плиты:
Lпл=Апл/Bпл
Lпл=0,24/0,48=0,5=50см Принимаем Lпл=50см
Принятая величина достаточная для размещения колонны и траверс. Также
выполняется условие: Lпл/Bпл=1…2 50/48=1,042
Определим толщину плиты tпл по условию ее прочности при
изгибе, как пластины, нагруженной равномерно распределённым по площади контакта
отпором фундамента:
q=N/Lпл•Bпл
q=1841,31/50•48=0,77кН/см2
M1= α •q•d2
где α - коэф., принимаемый в зависимости от отношения
длинной стороны к короткой.
Опорную плиту представляем, как систему элементарных пластинок,
отличающихся размерами и характером опирания на элементы базы: консольные,
опертые по двум сторонам, опертые по трем сторонам, опертые по четырем
сторонам.
Тип 1. Для консольной пластинки:
0,5 d=c=6
см
Тип 4. Пластинка опёртая на четыре канта:
d=а=16,7
см (а− минимальная сторона пластины)
по
т. 6.8, стр. 405 [3],
Тип
3. Пластинка опёртая на три канта:
d=b1= 340 мм
=34 см
(b1− длина свободной стороны)α− зависит от отношения
(а1 − вторая сторона пластины), при отношении
− плита рассчитывается как консоль с вылетом =
а1,

0,5
Тип 2. Пластинка опёртая на два канта:

b1 - длина
диагонали прямоугольника;
,
a1 - длина
перпендикуляра, опущенного из угла пересечения опертых сторон на диагональ;
,
Толщину
плиты определяем по большему из моментов на отдельных участках:
=24,64
кН,
,
2,27 см,
принимаем
tпл = 2,5см
= 25 мм, назначаем с учетом сортамента на листовую сталь ГОСТ 82-70*.
Высоту
траверсы определяем из условия прикрепления ее к стержню колонны сварными
угловыми швами, полагая при этом, что действующее в колонне усилие равномерно
распределяется между всеми швами.
hт≥N/4•βf•kf•Rwf•ywf•yc+1см
kf=0,8 см- катеты сварных швов,
Rwf=180МПа расчетное сопротивление металла шва
ywf= yc=1 -
коэффициенты условия работы.
hт≥1841,31/4•0,9•0,8•18•1•1+1=36,52см
Принятая высота траверсы ограничивается величиной:
•βf•kf = 85•0,9•0,8 =61,2см.
Принимаем hт=40 см
Траверсу необходимо проверить по прочности на изгиб. Для расчета нашу
траверсу можно представить в виде однопролетной балки с двумя консолями. Эта
балка загружена снизу вверх отпором бетона, а опорами у нее служат сварные швы.
Погонная нагрузка на траверсу q1=0,5•B•q
q1=0,5•48•0,77=18,48 кН/см
Изгибающий момент в траверсе над опорой
М1=0,5•b22•q1
М1=0,5•82•18,48=591,36кН•см
Изгибающий момент в траверсе в пролете
М2=q1•l2/8-M1
М2=18,17•342/8-591,36=2079 кН•см
Наибольший изгибающий момент в траверсе
max=M1=2079 кН•см
σ=Mmax/ts•hm2£Ry •yc
σ=2079•6/2,8•402=2,78£24
τ = 1,5•Qmax/ts•hт£ Rs•γc,
Qmax=18,48•8=147,84 кН
τ =1,5•147,84 /2,8•40=1,98£0,58•24=13,92
Базу колонны крепим к фундаменту двумя анкерными болтами, диаметр которых
принимают конструктивно d=20..30
мм.
Принимаем d=24 мм.
.6 Подбор сечения связей по колоннам
Связи по колоннам служат для обеспечения геометрической неизменяемости
сооружения и для уменьшения расчетной длины колонн. Связи по колоннам включают
диагональную связь, образующую совместно с колоннами и распоркой жесткий диск и
систему распорок, прикрепляющую соединение колонны к этому жесткому диску
Подбор сечения связей производим по предельной гибкости. Расчетная длина
распорок и диагональных связей в обеих плоскостях принимается равной их
геометрической длине.
При этом распорки и раскосы связи считаются сжатыми, а элементы крестовой
связи - растянутыми.
Требуемый радиус инерции сечения стержня:
iтр = lef/|λ|, (4.6.1)
где |λ| - предельная гибкость элементов, принимаем по [2, табл19,20],
|λ| = 400 - для растянутых элементов, |λ|
= 200 - для сжатых
элементов;ef - расчетная длина.
Подбор сечения диагональных связей.
геометрическая длина равна:
l = ÖBІ + lkІ
= Ö6І + 5,52І = 8,15м,
- расчетные длины связей:
lef,х =l/2=815/2=407,5
смef,у =l= 815 м,
- требуемый радиус инерции сечения стержня равен:
iтр х =407,5 /400=1,02см;тр у = 815/400 = 2,04 см;
- по сортаменту [4],прил11, ГОСТ 8509-93, принимаем равнополочные уголки ∟50х50x5 с радиусами инерции:
i х = 1,53 см>iтр x =1,02 см и i у
=2,45>iтр у=2,04 см
Подбор сечения распорок:
геометрическая длина равна: l = B = 6 м,
расчетная длина равна: lef = l = 6 м,
требуемый радиус инерции сечения стержня:
iтр х= iтр у = 600/200 = 3 см,
i х= iу=0,21bтр= i /0,21=3/0,21=14,29см
- по сортаменту, принимаем равнополочные уголки ∟70x70х5 с радиусами инерции: i х=
iу=3,22см
Список литературы:
1. Методические
указания к РГУ по курсу ‘Металлические конструкции’. Новосибирск: НГАСУ, 1998.
2. СНиП
II-23-81*. Стальные конструкции /
Госстрой СССР. - М.: ЦИТП Госстроя СССР, 1990.
. СНиП
2.01.07-85. Нагрузки и воздействия / Госстрой СССР. - М.: ЦИТП Госстроя СССР,
1988.
. Металлические
конструкции / Г.С.Веденников, Е.И.Беленя, В.C.Игнатьева, и др. - М.: Стройиздат, 1998.