Механизм подъема груза
Федеральное
агентство по образованию.
Сибирская
государственная автомобильно-дорожная академия
(СибАДИ).
Кафедра
«ПТТМ и Гидропривод»
ПОЯСНИТЕЛЬНАЯ
ЗАПИСКА
к
курсовому проекту по дисциплине
«Грузоподъемные
машины»
КП
1308.00.00.000.ПЗ
ОМСК
2007
Содержание
Введение
Техническое задание на курсовой
проект
. Механизм подъёма груза
.1 Выбор схемы полиспаста
.2 Расчет усилий в канате и выбор
каната
.3 Расчет грузовой подвески
.3.1 Проектирование стального
барабана
.3.2 Проектирование блока
.3.3 Проверка барабана на прочность
.3.4 Крепление конца каната на
барабане
.3.5 Выбор крюка
.3.6 Определение диаметра оси
барабана
.3.7 Выбор гайки крюка
.3.8 Выбор подшипник под гайку крюка
.3.9 Выбор подшипника блока
.3.10 Расчет траверсы
.3.11 Расчет оси блока
.3.12 Расчет щеки
.4 Определение мощности и выбор
электродвигателя
.5 Проверка двигателя по пусковому
моменту
.6 Выбор редуктора
.7 Выбор муфты
.8 Выбор тормоза
. Механизм передвижения каретки с
канатной тягой
.1 Выбор схемы передвижения каретки
.2 Выбор ходового колеса каретки
.3 Определение сил сопротивления
.4 Выбор тягового каната
.5 Определение мощности и выбор
электродвигателя
.6 Выбор редуктора
.7 Выбор муфты
.8 Выбор тормоза
Список используемой литературы
Введение
Башенные краны получили широкое
распространение практически во всем мире. Они нашли применение в строительстве
жилищном, гражданском и промышленном, при возведении как одноэтажных из
кирпича, так и высотных полносборных зданий. Краны выпускаются с грузовым
моментом 2 - 1000 тс·м и высотой подъема 5 - 150 м, а ряд зарубежных башенных
кранов выполняется даже «без ограничения высоты».
Хотя в строительстве постоянно
ведутся поиски новых схем монтажа зданий (методы подъема этажей или перекрытий,
с помощью вертолетов, вертостатов, дирижаблей и т. д.), однако башенные краны
были и остаются основной машиной. Эти краны, диктующие темп и характер
строительства, позволяют на 98% механизировать подъемно-транспортные операции
при возведении зданий.
Техническое задание на курсовой проект
1. Механизм
подъёма груза
.1 Выбор схемы полиспаста
.2 Расчет усилий в канате и выбор
каната
Н;
;
Н;
,
.
Канат двойной свивки типа ЛК-РО, 6
36 проволок
с одним органическим сердечником, ГОСТ 7668-80.
кН;
Диаметр каната
мм;
Расчетная площадь сечения всех
проволок 215,94 мм 2.
Ориентировочная масса 1000м
смазанного каната 2130 кг, 1м - 2,13 кг.
.3 Расчет грузовой подвески
Расчетный диаметр барабана, блока определяют по
формуле
мм;
мм.
где
- диаметр каната;
- коэффициент выбора диаметров, в
зависимости от группы режимов.
Для барабана
; блока
.
.3.1 Проектирование стального
барабана
м;
мм;
мм;
мм;
м;
м;
м;
, количество витков крепления и
запасных витков;
м, длина каната;
, количество рабочих витков;
, количество витков наматываемых на
барабан;
мм;
м;
м.
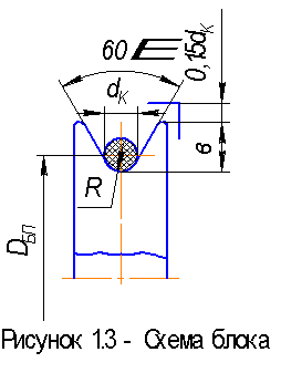
.3.2 Проектирование блока
мм;
мм;
мм.
.3.3 Проверка барабана на прочность
Определим суммарный крутящий момент
Нм, изгибающий момент;
Нм, вращающий момент;
Нм;
канат барабан каретка
Определим предел прочности на сжатие
м³, момент сопротивления;
МПа;
МПа, предел текучести для стали;
МПа
МПа.
.3.4 Крепление конца каната на
барабане
Н;
;
;
, коэффициент трения между канатом и
барабаном;
, коэффициент запаса
;
Н.
Определим усилия действующую на болт
(2) (шпильку)
мм, М16;
МПа;
Н;
, количество накладок (1);
необходимо установить
две накладки.
.3.5 Выбор крюка
т;
Режим работы М5.
По ГОСТу 6627 - 74 крюк № 14
М48,
, шаг 5.0 мм.
.3.6 Определение диаметра оси
барабана
Расчет оси барабана сводится к
определению диаметра ступицы из условий работы оси на изгиб в симметричном
цикле.
Диаметр ступицы определяем по
формуле
,
=
Н;
мм;
мм;
мм;
МПа.
Определяем реакции опор оси
и
,
,
Н;
,
,
Н;
После определения реакции опор оси
и
можно
определить изгибающий момент в любом ее сечении (Рис. 1.7). Наибольший
изгибающий момент под правой ступицей
Нм.
м.
.3.7 Выбор гайки крюка
мм,
мм.
Шаг
мм,
МПа.
мм
.3.8 Выбор подшипник под гайку крюка
ГОСТ 6874 - 54
Обозначение подшипника 8210
Коэффициент работоспособности 70000
Допускаемая осевая статическая
нагрузка 99.0 кН.
1.3.9 Выбор подшипника блока
Определим частоту вращения блока

,
Определим приведенную нагрузку
Определяем коэффициент динамической
работоспособности, по которому в дальнейшем выберем подшипник
,
По ГОСТу 8338 - 57 подшипник № 310
мм;
мм;
мм.
Коэффициент динамической
работоспособности
Н,
Допускаемая радиальная
статистическая нагрузка 35кН.
.3.10 Расчет траверсы
мм;
мм;
мм;
Нм;
м;
Нм;
м.
.3.11 Расчет оси блока
мм;
мм;
мм;
мм;
м.
1.3.12 Расчет щеки
мм;
;
МПа;
МПа
260МПа.
1.4 Определение мощности и выбор
электродвигателя
кВт;
кВт.
Двигатель:
MTKF 411 - 6
кВт
об/мин
КПД=80%
Нм
Масса 255кг
.5 Проверка двигателя по пусковому
моменту
;
;
с;
Нм;
Нм;
Нм;
Нм;
1.6 Выбор редуктора
;
;
кВт
Редуктор:
Ц 2 - 500
.7 Выбор муфты
Нм;
Муфта зубчатая:
Нм
мм
мм
Масса муфты 30кг
Момент инерции муфты
.
.8 Выбор тормоза
Нм;
;
Нм.
Тормоз:
ТКГ - 300
Нм
ТГМ - 50
Масса тормоза 80кг.
2. Механизм передвижения каретки с канатной
тягой
.1 Выбор схемы передвижения каретки
т;
м/с;
м; Режим работы М5.
.2 Выбор ходового колеса каретки
Н;
Н;
м/с;
Режим работы М5.
мм.
.3 Определение сил сопротивления
кг;
т;
;
Н;
Н;
Н;
Н;
Н;
Н.
2.4 Выбор тягового каната
Н;
Н.
Канат двойной свивки типа ЛК-3, 6
25 проволок
с одним органическим сердечником, ГОСТ 7665-80.
кН;
Диаметр каната
мм;
Расчетная площадь сечения всех
проволок 24 мм 2.
Ориентировочная масса 1000м
смазанного каната 236.5 кг, 1м - 0.2365 кг.
Расчетный диаметр приводного барабана, обводного
блока определяют по формуле
мм;
мм.
где
- диаметр каната;
- коэффициент выбора диаметров, в
зависимости от группы режимов.
2.5 Определение мощности и выбор
электродвигателя
кВт;
Двигатель:
MTKF 011 - 6
кВт
об/мин
КПД=56%
Нм
Масса 47кг.
.6 Выбор редуктора
;
;
;
;
кВт
Редуктор:
Ц 2 - 250
.7 Выбор муфты
;
Нм;
МУВП с тормозным шкивом:
Нм
мм
.8 Выбор тормоза
ТКГ - 200;
Нм;
Список используемой литературы
1.
Башенные краны/Л. А. Невзоров, А. А. Зарецкий, БЗЗ Л. М. Волин и др. - М.:
Машиностроение, 1979. -292 с, ил.
2. Курсовое проектирование грузоподъемных машин:
Учеб.
К93 пособие для студентов машииостр. спец.
вузов/С. А. Казак, В. Е. Дусье, Е.С. Кузнецов и др.; Под ред. С. А. Казака.-М.:
Высш. шк.3 1989.-319 с: ил.
. Курсовой проект по грузоподъемным машинам:
Методические указания /Сост. Ю.В.Ремизович. - Омск: Изд-во СибАДИ, 2003. - 29
с.
4. Александров
А. В., Потапов В. Д., Державин Б. П.А46 Сопротивление материалов: Учебник для
вузов.- 2-е изд. испр.- М.: Высшая школа, 2000. - 560 с.: ил.ISBN
5-06-003732-0
5.
А. А. Вайнсон. Строительные краны, 1989.
.
Строительный справочник по кранам.; Под ред. Гохбелга М. М. 2 - тома.
.
А. А. Вайнсон. Подъемно-транспортные машины строительной промышленности; Атлас
конструкций, М. 1962.