Проектирование и анализ работы вентильных преобразователей электрической энергии

  • Вид работы:
    Курсовая работа (т)
  • Предмет:
    Физика
  • Язык:
    Русский
    ,
    Формат файла:
    MS Word
    197,92 Кб
  • Опубликовано:
    2012-07-11
Вы можете узнать стоимость помощи в написании студенческой работы.
Помощь в написании работы, которую точно примут!

Проектирование и анализ работы вентильных преобразователей электрической энергии

Содержание

Введение
. Техническое задание

2. Проектирование силовой части преобразователя

2.1 Выбор способа подключения к сети параметров согласующего трансформатора

2.2 Выбор вентилей

.3 Анализ работы ШИР и определение частоты модуляции

.4 Расчет емкости компенсирующего конденсатора

.5 Построение характеристик ШИП

3. управление преобразователем

3.1 Функциональная схема системы управления

.2 Разработка принципиальной электрической схемы

.3 Описание работы принципиальной схемы

Заключение

Список литературы

Приложение

Введение

В электроэнергетике и промышленности используют электрическую энергию постоянного и переменного токов, имеющие стандартные параметры сети, определяемые отраслевыми стандартами. В большинстве случаев параметры стандартной сети по частоте, стабильности или уровню напряжения оказываются непригодными для питания электронных, радиоэлектронных и другого вида нагрузок (одной из которых является вентильный автоматизированный электропривод). Поэтому для согласования параметров первичного источника электроэнергии и ее потребителях возникает необходимость в применении преобразователей электрической энергии. По разным данным, от 40% до 60% всей вырабатываемой электроэнергии преобразуется перед ее использованием [1], например, изменяют вид и уровень напряжения, производят его стабилизацию и т.п.

Полупроводниковые вентильные преобразовательные устройства являются частью современного автоматизированного электропривода (ЭП) и находят в нем все более широкое применение. Полупроводниковые вентильные преобразователи электроэнергии применяются на транспорте, в электротехнологических установках, на электростанциях. Широкое применение устройств преобразовательной техники обусловлено преимуществами полупроводниковых приборов и элементов микроэлектроники - малыми габаритами, высоким быстродействием, надежностью, экономичностью и широкими возможностями преобразования информации. Современная преобразовательная техника основана на применении полупроводниковых приборов, к которым относятся: силовые диоды, тиристоры, различного рода силовые транзисторы. Поскольку вентильные преобразовательные устройства являются частью современного автоматизированного ЭП, то задача проектирования и анализа работы вентильных преобразователей электрической энергии является актуальной. Целью данного курсового проекта является разработка вентильного преобразователя, что подразумевает, в рамках работы над ним, решение следующих задач:

) Расчет и выбор элементной базы для силовой схемы вентильного преобразователя.

) Построение регулировочных и внешних характеристик вентильного преобразователя, дающих наглядное представление о режимах его работы.

) Разработка электрической принципиальной схемы для управления силовыми полупроводниковыми ключами вентильного преобразователя.

1. Техническое задание

1.1 Силовая схема вентильного преобразователя

Рисунок 1.1 - Схема силовой части преобразователя второй серии

1.2 Технические требования


1.3 Параметры двигателя постоянного тока

Номинальное напряжение Uн - 440 В

Номинальная частота вращения n - 1500 об/мин

К. п. д.  - 87 %

Сопротивление цепи якоря ra - 0,137 Ом

Индуктивность цепи якоря Lн - 9 мГн

Сопротивление обмотки возбуждения Rов - 13 Ом

2. Проектирование силовой части преобразователя

2.1 Выбор способа подключения к сети параметров согласующего трансформатора

Принципиально важным, влияющим на массогабаритные и технико-экономические показатели, является рациональное решение задачи о способе подключения преобразователя к питающей сети. Воспользуемся подключением через согласующий трансформатор.

Для предварительных расчетов можно принять приведенные к цепи нагрузки индуктивность и активное сопротивление трансформатора в долях от параметров нагрузки:

Индуктивность фазы обмотки трансформатора:

, Гн



Активное сопротивление фазы обмотки трансформатора:

, Ом



Минимально достаточное напряжение питания ШИР:


, В



где ᵞmax=0.95 - максимальная скважность импульсов;

ΔUν = 1 - падение напряжения на диоде, В.

Параметры нагрузки соответствуют параметрам якорной цепи двигателя. Тогда номинальное напряжение на нагрузке при номинальном токе определяется следующим уравнением:


(2.1)

где Еdтр - требуемое среднее значение выпрямленной ЭДС, В;

n=2 - количество последовательно соединенных диодов;

m=3 - количество фаз;

N=2 - тактность мостовой схемы;

Хт - индуктивное сопротивление фазы обмотки

трансформатора, Ом;

Idн - номинальный ток двигателя, А.

Индуктивное сопротивление фазы обмотки трансформатора определяется как:

, Ом





Номинальный ток двигателя рассчитывается следующим способом:


, А




Подставляя данные в уравнение (2.1), решим его относительно требуемого среднего значения выпрямленной ЭДС , обеспечивающее номинальный режим работы нагрузки:

В тоже время:



где Ed - напряжение на входе ШИР;

Кс = 0.9 - коэффициент учитывающий возможное снижение  напряжения сети;

Ксх=2.34 - коэффициент схемы трехфазного мостового неуправляемого выпрямителя;

E - ЭДС фазы вторичной обмотки трансформатора, В.

Тогда, из (2.2) ЭДС фазы вторичной обмотки трансформатора E, при условии, что Ed=Edтр, будет равна:


, В




По найденному значению ЭДС фазы вторичной обмотки трансформатора E определяется коэффициент трансформации:







2.2 Выбор вентилей

Диоды выбираются по напряжению с учетом рассчитанного напряжения питания выпрямителя, возможного повторяющегося перенапряжения UП и возможного неповторяющегося (случайного) перенапряжения UНП. Для проектируемой схемы преобразователя напряжение на вентиле, определяющее его класс, находится по следующему соотношению:

 

, В

где kп=1.25 - коэффициент учитывающий повторяющиеся перенапряжения;

kн=1.5 - коэффициент учитывающий кратковременные перенапряжения.



Выбор вентилей по току должен осуществляться по максимальному току нагрузки, проходящему через вентиль:


, А




Для проектируемой схемы преобразователя напряжение на транзисторе, определяющее его класс, находится по следующему соотношению:

, В





Выбор транзистора по току должен осуществляться по максимальному току нагрузки, проходящему через транзистор:

, А




Из справочника берутся следующие результаты:

Транзистор BUR314[2]

Класс по напряжению Uкэ = 1200 В.

Класс по току Iк = 52 А

Падение напряжения ΔUкэ=2.7

Диоды ВУР 302[2]

Класс по напряжению Uкэ = 1200 В.

Класс по току Iк = 40 А

2.3 Анализ работы ШИР и определение частоты модуляции

Анализ и расчеты выполняются исходя из допущения, что емкость конденсатора выбрана такой, что процессы в выпрямителе не влияют на работу ШИР.

Для анализа, прежде всего, необходимо начертить схему ШИР с конденсатором, подключенным к шинам питания, и показать на схеме контур с током нагрузки при каждом из двух состояний ключей для выбранного алгоритма модуляции. Затем, выбрав расчетную скважность ᵞmax > > min, рассчитать мгновенные значения токов на интервалах.

Напряжение и токи нагрузки строятся в соответствии с уравнениями для однополярной модуляции:







где rн - сопротивление цепи якоря с учетом сопротивления канала вентиля, Ом;

Ea=wn*C*F - ЭДС якорной цепи, В;

 - номинальная скорость вращения электродвигателя, рад/сек;


- конструктивный коэффициент машины;- магнитный поток, Вб;

γ=0.5 - скважность импульсов.

Решая (2.3) относительно idH1(t) и idH2(t), получим:












Найдем постоянные интегрирования:



























Диаграмма изменения тока нагрузки, изображенная на рисунке 2.1, построена в соответствии с расчетами, выполненными в пакете Mathcad [ПРИЛОЖЕНИЕ 2].

Рисунок 2.1 - Токи нагрузки

Рисунок 2.2 - Напряжение на нагрузке

Значение ЭДС нагрузки можно определить, задавшись средним током нагрузки, например номинальным значением. Тогда для однополярной модуляции:

, В




Частота модуляции fм, [ПРИЛОЖЕНИЕ 2] равна:


2.4 Расчет емкости компенсирующего конденсатора

Пульсации тока нагрузки определяются не только электромагнитными процессами в цепи нагрузки, но и колебаниями напряжения питания ШИР, которое соответствует напряжению на компенсирующем конденсаторе при его конечной емкости.

Предполагают, что изменение напряжения на конденсаторе невелико и не влияет на ток заряда. В этом случае ток заряда будет соответствовать току нагрузки на первом интервале (1), т.е.



=

Или учитывая, что при  a=b) получим:






Тогда изменение напряжения на конденсаторе за время отрицательного импульса будет:




В результате интегрирования получим, что емкость конденсатора:


Откуда



Емкость при подзарядке конденсатора за счет индуктивности трансформатора определяется по методике расчета LC -фильтра




где ΔUd=23 - амплитуда на выходе неуправляемого выпрямителя, B;

ΔUтр - падение напряжения, В.




Тогда емкость конденсатора определяется как:




где mn=6 - эквивалентное число фаз.

По результатам двух расчетов выбирается большее значение емкости. Реально емкость конденсатора определяется по условию нормального режима работы цепи сброса энергии в режиме торможения двигателя и имеет большую величину. Поэтому выбираем конденсатор:

К50-17[3]

Номинальная емкость Сн=200 мкФ;

Рабочее напряжение Uр=500 В.

2.5 Построение характеристик ШИП

С изменением тока нагрузки будет изменяться Ud и падение напряжения в ключах ШИР. Характер этого изменения определяется внешними характеристиками:

, В




где Ua - напряжение на якорной цепи, В;

rνb - эквивалентное сопротивление диода выпрямителя, Ом;

rшν= ΔUν/Idн - эквивалентное сопротивление открытого ,модуля ШИР, Ом.

В общем виде:


, В

где






Тогда реальная регулировочная характеристика будет зависеть от тока нагрузки

, В




Для однополярной модуляции скважность γ изменяется от 0 до 1

 

Рисунок 2.3 - Регулировочная характеристика

Построим семейство внешних характеристик для различных значений , и тока, протекающего в якорной цепи двигателя Iа=Idн. (Рисунок 2.4).

, В

Рисунок 2.4 - Внешняя характеристика

3. Управление преобразователем

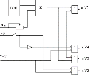
3.1 Функциональная схема системы управления

При однополярной модуляции управляющие импульсы с одной из диагоналей, например V2-V3 полностью снимаются, один из ключей другой диагонали (V4) держится постоянно открытым, а регулирование Ua осуществляется за счет модуляции ключа V1. При необходимости сменить полярность напряжения на нагрузке управляющий импульс снимается с диагонали V1-V4, то есть она закрывается, один из ключей другой диагонали (V2) держится постоянно открытым, а регулирование Ua будет осуществляться за счет модуляции ключа V3.

Диаграмма работы ключей при однополярной модуляции выглядит следующим образом (рис. 3.1).

Рисунок 3.1 - Диаграмма работы ключей

Из выше изложенного алгоритма работы ключей и приведенной диаграммы работы ключей следует функциональная схема, изображенная на рисунке 3.2.

Рисунок 3.2 - Функциональная схема

На рисунке 3.2 изображена, функциональна схема системы управления, на которой:

К - компаратор;

V1, V2, V3, V4 - силовые полупроводниковые ключи;

uзс - сигнал управления;

uр - сигнал реверса;

“1” - сигнал логической единицы.

На данной функциональной схеме есть явно задаваемый сигнал реверса и 4 дополнительных двухходовых элемента «и», на которых фактически реализованы 2 демультиплексора. На информационный вход одного из демультиплексоров подается сигнал с выхода компаратора, а на информационный вход другого демультиплексора подается сигнал логической единицы. В качестве адресного сигнала используется сигнал реверса, если он имеет значение 0, то импульсы с выхода компаратора поступают к драйверу транзистора v1, а сигнал логической единицы уходит на драйвер транзистора v4. В этом случае работает диагональ v1-v4. Если сигнал реверса равен 1, то выходные импульсы компаратора поступают на драйвер транзистора v3, а сигнал логической единицы идет к драйверу транзистора v2. Работает диагональ v2-v3, а транзисторы v1, v4 будут закрыты.

3.2 Разработка принципиальной электрической схемы

Принципиальная электрическая схема состоит из генератора опорных напряжений (ГОН), компаратора (К), драйверов, силовой части и логических элементов, осуществляющих реверс. ГОН собран на трёх инверторах, счётчике и цифро-аналоговом преобразователе (ЦАП). Настройка генератора производится конденсатором С1 и резистором R1. Компаратор состоит из трех операционных усилителей и производит сравнение пилообразного напряжения с опорным. Драйвера осуществляют гальваническую развязку с силовой частью.

С ГОН на один из входов компаратора поступают импульсы опорного напряжения, на другой вход компаратора подается сигнал управления. В момент равенства импульсов опорного напряжения и управления на выходе компаратора формируется импульс управления соответствующем силовым модулем, поступающий на вход выходного формирователя импульсов.

Для гальванической развязки между системой управления и силовой частью ставят драйвер. Исходя из того, какое напряжение и какие токи протекают в цепи, выбираем драйвер TLP 250 [4].

Рисунок 3.3 - Внутренняя структура драйвера

3.3 Описание работы принципиальной схемы

ГОН состоит из генератора прямоугольных импульсов, собранных на трёх элементах НЕ (DD1.1-DD1.3) с подключёнными к ним резистором и конденсатором (R1 и C1). Период вырабатываемых импульсов равен  , тогда частота импульсов будет равна:

 Гц.

Для более плавного регулирования скорости берем 2 счетчика тогда количество значений будет равно 256.

С выхода генератора прямоугольных импульсов они поступают на четырёхразрядный счётчик DD3 (счётный вход C1), который подсчитывает количество поступивших импульсов и на выходе выдаёт соответствующий двоичный код числа поступивших на его вход импульсов. Например: поступил первый импульс на вход счётчика, тогда на выходе будет: 0 0 0 1, поступил второй - 0 0 1 0, третий - 0 0 1 1 и так далее пока во всех четырёх разрядов не будут единицы. Затем с приходом очередного импульса счётчик обнулится и всё начнётся с начала. С выхода счётчика четырёхразрядный двоичный код подаётся на четыре входа ЦАП DA2, соответствующие разрядам с нулевого по третий. В зависимости от входного двоичного кода на выходе ЦАП будет то или иное напряжение, которое определяется по формуле (Рисунок 3.3) :

,

где e-напряжение, соответствующее весу младшего разряда; - значение i-го разряда двоичного кода (0 или 1),

Рисунок 3.4 - Диаграмма напряжения на выходе ЦАП

Компаратор сделан на операционных усилителях и на его входе сравнивается входное напряжение (с выхода ЦАП) с опорным. Если существует разница между опорным напряжением и напряжением с выхода ЦАП, то на выходе компаратора появляется высокий уровень напряжения, т.е. 1, а если входные сигналы равны (), то на выходе компаратора низкий уровень напряжения, т.е. 0.

Например, если на выходе компаратора 1, то она поступает на два входа логического элемента И (DD7.1, DD7.2) и на элемент НЕ (DD1.4), на два оставшихся входа элемента И, также подаётся единица. Поэтому на их выходах 1, а на выходе элемента НЕ - 0. 1 с выхода элементов И поступает на драйверы DD8 и DD9, которые осуществляют гальваническую развязку силовой цепи и системы управления. В результате этого в цепь баз транзисторов VT1 и VT4 поступает управляющее напряжение, и они открываются, т.е. работает первая диагональ. Также на входах двух оставшихся элементов И поступает 0 и на их выходах также логические нули, поэтому на входах драйверов DD10, DD11 низкое напряжение и они закрыты, следовательно закрыты и транзисторы VT3 и VT2. С приходом 0 на входы элементов И (DD7.2, DD7.2) происходит открытие транзисторов VT3 и VT2, и закрытие транзисторов VT1 и VT4, т.е. включается вторая диагональ.

Заключение

Система управления реализует алгоритм, обеспечивающий минимально достаточный набор функциональных преобразований управляющих сигналов в импульсные последовательности. Эти последовательности используются для управления ключами силовой части системы.

В результате работы над курсовым проектом был выполнен расчет и выбор элементной базы для силовой схемы вентильного преобразователя, построены его регулировочные и внешние характеристики, а также разработана электрическая принципиальная схема для управления силовыми полупроводниковыми ключами вентильного преобразователя.

Список использованных источников

вентильный преобразователь электрический полупроводниковый

1. Лукин А.В. Преобразователи напряжения силовой электроники / А.В. Лукин, М.Ю. Кастров, Г.М. Малышков [и др.]. - М.: Радио и связь, 2004. - 416 с.

. Грузов В.Л. Вентильные преобразователи: Учебное пособие по курсовому проектированию / В.Л. Грузов. - Вологда: ВоГТУ, 2002. - 91 с.

3. Платан [Электронный ресурс]: офиц. сайт. - Режим доступа: <#"551108.files/image083.gif">

Рисунок П1.1 - Условное графическое обозначение

Назначения выводов:

,3,5,9,11,13 - входы;

,4,6,8,10,12 - выходы;

- общий;

- напряжение питания.

Таблица П 1.1 - Электрические параметры

1

Номинальное напряжение питания

5 В  5 %

2

Выходное напряжение низкого уровня

не более 0,4 В

3

Выходное напряжение высокого уровня

не менее 2,4 В

4

Входной ток низкого уровня

не более -1,6 мА

5

Входной ток высокого уровня

не более 0,04 мА

6

Входной пробивной ток

не более 1 мА

7

Ток потребления при низком уровне выходного напряжения

не более 33 мА

8

Ток потребления при высоком уровне выходного напряжения

не более 12 мА

9

Потребляемая статическая мощность на один логический элемент

не более 19,7 мВт

10

Время задержки распространения при включении

не более 15 нс


Микросхема КР140УД7 [6]

Микросхемы представляют собой операционные усилители средней точности с внутренней частотной коррекцией и защитой выхода от короткого замыкания установкой нуля (балансировкой) с помощью одного резистора. Содержит 35 интегральных элементов.

Рисунок П1.2 - Условное графическое обозначение

Назначение выводов КР140УД7: 1,2,7,8,13,14 - свободные; 3,9 - балансировка; 4 - вход инвертирующий; 5 - вход неинвертирующий; 6 - напряжение питания -Uп; 10 - выход; 11 - напряжение питания +Uп; 12 - коррекция;

Таблица П1.2 - Электрические параметры

1

Напряжение питания

 15 В  10%

2

Диапазон синфазных входных напряжений при Uп=  15 В

 12 В

3

Максимальное выходное напряжение при Uп=  15 В, Uвх=  0,1 В, Rн = 2 кОм

 10,5 В

4

Напряжение смещения нуля при Uп=  15 В, Rн = 2 кОм  К140УД7, КР140УД7, КР140УД708  КФ140УД7

  не более 9 мВ не более 6 мВ

5

Входной ток при Uп=  15 В, Rн = 2 кОм

не более 400 нА

6

Разность входных токов при Uп=  15 В, Rн = 2 кОм

не более 200 нА

7

Ток потребления при Uп=  15 В, Rн = 2 кОм

не более 3,5 мА

8

Коэффициент усиления напряжения  К140УД7, КР140УД7, КР140УД708

  не менее 30000


Микросхема К594ПА1 [6]

Микросхема представляет собой двенадцатиразрядный параллельный цифро-аналоговый преобразователь (ЦАП) с суммированием токов и предназначена для преобразования двоичного 12 - разрядного кода в аналоговый ток и может быть применена как декодирующее устройство в вычислительной технике. В состав ИС входят операционный (компенсирующий) усилитель, для временной и температурной стабилизации, 12 разрядных токовых ключей и их схемы управления, генераторы разрядных токов и прецизионная резисторная матрица. ИС технологически выполнены на двух кристаллах. Управляются по входу уровнями ТТЛ и КМОП схем и может работать в режимах униполярного и биполярного выходных токов. Источник опорного напряжения внешний. В ИС имеются резисторы обратной связи (выводы 4, 5) для внешнего ОУ, которые обеспечивают работу ЦАП с выходом по напряжению (от 0 до 10 В и 20 В). резистор 10кОм (выводы 1, 2) обеспечивает режим работы с биполярным током (±2.5, ±5, ±10 В). Содержит 177 интегральных элементов.

Рисунок П1.3 - Условное графическое обозначение

Назначение выводов: 1 - вход сдвига выходного уровня; 2 - выход сдвига выходного уровня; 3 - выход; 4 - обратная связь (Uвых=10 В); 5 - обратная связь (Uвых=20 В); 6 - общий; 7..18 - вход 12…1 разрядов; 19 - напряжение питания (Uп1); 20 - управление логическим порогом; 21 - инвертирующий вход ОУ; 22 - неинвертирующий вход ОУ; 23 - вход эталонного напряжения (Uоп); 24 - напряжение питания (-Uп2)

Электрические параметры

Номинальное напряжение питания...............................................±5 В ±5%п1………………………………………………………..………...5 В ±5%п2…………………………………………………………..……-15 В ±5%

Номинальное опорное напряжение……………………………….10,24 В

Входное напряжение низкого уровня:

при работе от ТТЛ ИС…………………………………............…...0,8 В

при работе от КМОП ИС………………………………………...0,3

Выходное напряжение высокого уровня:

при работе от ТТЛ ИС……………………………………………......2 В

при работе от КМОП ИС………………………………….……...….0,7 В

Ток потребления:

от источника питания Uп1………………………………….…...…25 мА

от источника питания Uп2……………………………………..…35 мА

Входной ток высокого уровня.................................................... 0,25 мкА

Входной ток низкого уровня....................................................... 0,25 мкА

Максимальный выходной ток в униполярном режиме……1,8…2,2 мА

Максимальный выходной ток в биполярном режиме…...…..0,9…1,1 мА

Ток утечки на выходе……………………………………..…….1 мкА

Дифференциальная нелинейность выходного тока…..-0,024…+0,024%

Время установления выходного тока…………………………..3,5 мкс

Абсолютная погрешность преобразования в конечной точке шкалы………………………….……………………..-2…+2 мА

Микросхема К555ЛИ6 [7]

Микросхема представляет собой два логических элемента 4И. Содержит 48 интегральных элементов.

 

Рисунок П1.4 - Условное графическое обозначение

Назначение выводов: 1 - вход Х1; 2 - вход Х2; 3 - свободный; 4 - вход Х3; 5 - вход Х4; 6 - выход Y1; 7 - общий; 8 - выход Y2; 9 - вход Х5; 10 - вход Х6; 11 - свободный; 12 - вход Х7; 13 - вход Х8; 14 - напряжение питания.

Электрические параметры

Номинальное напряжение питания..................................................5 В±5%

Ток потребления при низком уровне выходного напряжения...4.4мА

Ток потребления при высоком уровне выходного напряжения....2.4мА

Выходное напряжение низкого уровня..........................................0.5В

Выходное напряжение высокого уровня.......................................2.7В

Входной ток низкого уровня........................................................36мА

Входной ток высокого уровня..................................................0.02мА

Потребляемая мощность…..........................................17.85мВт

Микросхема К1533ИЕ7 [8]

Микросхемы представляют собой четырехразрядный двоичный реверсивный счетчик синхронного типа. Содержит 276 интегральных элементов. Корпус типа 238.16-2, масса не более 1.2 г.

Рисунок П1.5 - Условное графическое обозначение

Электрические параметры:

Номинальное напряжение питания...............................................±5 В ±5%

Выходное напряжение низкого уровня …………………………....0.4 В

Выходное напряжение высокого уровня………………………...2.5 В

Входной ток низкого уровня………………………………..….мА

Входной ток высокого уровня……………………………..….....20мкА

Входной пробивной ток……………………………………..…….0.1мА

Ток потребления при Uп=5.5В………………………………….22мА

Время задержки распространения сигнала при включении:

от входа 5 до выхода 12, от входа 4 до выхода 13……..…………27нс

от входов 4,5 до выходов 2,3,6,7……………………………...……30нс

от входа 11 до выходов 2,3,6,7………………………..……………42нс

от входа 14 до выходов 2,3,6,7………………………..……………32нс

Время задержки распространения сигнала при выключении:

от входа 5 до выхода 12, от входа 4 до выхода 13……………..…25нс

от входов 4,5 до выходов 2,3,6,7………………………………..…34нс

от входа 11 до выходов 2,3,6,7…………………………………..…38нс

Емкость входа………………………………………………………..5пФ

Приложение 2

Расчет в системе Mathcad

Идуктивность обмотки якоря ДПТ

Активное сопротивление обмотки якоря ДПТ

Активное сопротивление обмотки возбуждения

Требуемое напряжение на ДПТ

Мощность ДПТ

Кпд ДПТ

Относительная величина допустимых пульсаций тока

Номинальная частота вращения

Частота питающей сети

Номинальная частота вращения


Сопротивление проводящего канала вентиля

Кратность перегрузки по току

Напряжение питающей сети

Сопротивление цепи якоря с учетом эквивалентного сопротивления вентилей

Предварительное значение частоты модуляции


Постоянная времени нагрузки



Предварительное значение периода модуляции



Значение коэффициентов a и b

Выбранная частота модуляции должна быть больше чем

Допустимая амплитуда пульсаций тока согласно заданию

Амплитуда пульсаций тока при однополярной модуляции

Построение диаграмм токов нагрузки выполним для скважности

Изменение тока нагрузки на периоде модуляции при однополярной модуляции описывается следующим выражением





































Рисунок П2.1 - Диаграмма изменения тока нагрузки






Похожие работы на - Проектирование и анализ работы вентильных преобразователей электрической энергии

 

Не нашли материал для своей работы?
Поможем написать уникальную работу
Без плагиата!
Без нейросетей!