Проектирование электрического двигателя для вентилятора

  • Вид работы:
    Курсовая работа (т)
  • Предмет:
    Физика
  • Язык:
    Русский
    ,
    Формат файла:
    MS Word
    701,5 Кб
  • Опубликовано:
    2012-05-25
Вы можете узнать стоимость помощи в написании студенческой работы.
Помощь в написании работы, которую точно примут!

Проектирование электрического двигателя для вентилятора

Содержание

 

Введение

1. Выбор вентилятора

2. Расчет мощности и выбор электродвигателя

3. Расчет механической характеристики асинхронного двигателя

4. Построение естественной механической характеристики двигателя

5. Выбор преобразователя частоты

7. Расчеты системы ПЧ-АД

8. Расчет механических характеристик. Нагрузочные характеристики

9. Компьютерное моделирование энергетических характеристик частотно-управляемых электроприводов в среде Matlab

Заключение

Список используемой литературы

Введение

Электрический привод - это электромеханическая система для приведения в движение исполнительных механизмов рабочих машин и управления этим движением в целях осуществления технологического процесса.

Современный электропривод - это совокупность множества электромашин, аппаратов и систем управления ими. Он является основным потребителем электрической энергии (до 60 %) и главным источником механической энергии в промышленности.

Проблема регулирования скорости движения машин и механизмов с целью экономии электроэнергии решалась в последние десятилетия в основном с помощью регулируемых электроприводов. Причём, если ещё в 70-80-х годах преобладающими были регулируемые электроприводы постоянного тока, то в настоящее время они повсеместно вытесняются регулируемыми электроприводами переменного тока, как правило, с асинхронными электродвигателями с короткозамкнутым ротором. Объясняется это достижениями микроэлектроники, позволяющими реализовать небольшими аппаратными затратами довольно сложные алгоритмы управления электродвигателем переменного тока, который в общем случае предпочтительнее двигателя постоянного тока по надёжности, массе, габаритам и стоимости.

АСИНХРОННЫЙ электродвигатель - асинхронная электрическая машина, работающая в двигательном режиме. Наиболее распространен трехфазный асинхронный электродвигатель (изобретен в 1889 М.О. Доливо-Добровольским). Асинхронные электродвигатели отличаются относительной простотой конструкции и надежностью в эксплуатации, однако имеют ограниченный диапазон частоты вращения и низкий коэффициент мощности при малых нагрузках. Мощность от долей Вт до десятков МВт.

электрический двигатель вентилятор электропривод

Преобразователь частоты - радиоэлектронное устройство для преобразования электрического (электромагнитного) сигнала путём переноса его спектра на некоторый интервал по оси частот. Другие названия преобразователя частоты электродвигателя − инвертор, инвертер, частотный преобразователь. Это устройство контроля работы электрического двигателя посредством регулирования числа оборотов (частотного регулирования) электропривода.

Частотный преобразователь (ЧП) служит для плавного регулирования скорости асинхронного двигателя за счет создания на выходе преобразователя трехфазного напряжения заданной частоты. В простейших случаях регулирование частоты и напряжения происходит в соответствии с заданной характеристикой V/f, в наиболее совершенных преобразователях реализовано так называемое векторное управление. Частотный преобразователь - это устройство состоящее из выпрямителя (моста постоянного тока), преобразующего переменный ток промышленной частоты в постоянный и инвертора (преобразователя) (иногда с ШИМ), преобразующего постоянный ток в переменный требуемых частоты и амплитуды. Выходные тиристоры (GTO) или транзисторы (IGBT) обеспечивают необходимый ток для питания электродвигателя. Для улучшения формы выходного напряжения между преобразователем и двигателем иногда ставят дроссель, а для уменьшения электромагнитных помех - EMC-фильтр.

Частотное регулирование электроприводов позволяет повысить надёжность работы оборудования и систем, улучшить качество производимой продукции или услуг, автоматизировать производство, экономить ресурсы и энергию.

1. Выбор вентилятора


По заданной мощности Р = 12,5 кВт выбираем из справочника вентиляторов нужный. Поданной мощности берём ВЦ4-75-64 (центробежный вентилятор)

Таблица 1: Паспортные данные вентилятора.

Тип

Мощность кВт

Производительность М3/ час

Скорость вращения об/мин

Давление Па

Вес кг

ВЦ4-75-64

12,5

16,3

1500

1490

136

Краткая характеристика центробежных вентиляторов.

Центробежные вентиляторы относятся к категории нагнетателей, отличающихся наибольшим разнообразием конструктивных типов. Колеса вентиляторов могут иметь лопатки загнутые как вперед, так и назад относительно направления вращения колеса. Достаточно распространены вентиляторы с радиальными лопатками.

При проектировании следует учитывать, что вентиляторы с лопатками назад более экономичны и менее шумны.

КПД вентилятора растет с увеличением быстроходности и для колес конической формы с лопатками назад может достигать значения ~0,9.

С учетом современных требований к энергосбережению при проектировании вентиляторных установок следует ориентироваться на конструкции вентиляторов, соответствующих отработанным аэродинамическим схемам Ц4-76, 0,55-40 и сходным с ними.

Компоновочные решения определяют КПД вентиляторной установки. При моноблочном исполнении (колесо на валу электропривода) КПД имеет максимальное значение. Использование в конструкции ходовой части (колесо на собственном валу в подшипниках) снижает КПД приблизительно на 2 %. Клиноременная передача по сравнению с муфтой дополнительно снижает КПД еще минимум на 3 %. Проектные решения зависят от давления вентиляторов и их быстроходности.

По развиваемому избыточному давлению воздушные вентиляторы общего назначения делятся на следующие группы:

. вентиляторы высокого давления (до 1 кПа);

. вентиляторы среднего давления (1¸3 кПа);

. вентиляторы низкого давления (3¸12 кПа).

Некоторые специализированные вентиляторы высокого давления могут развивать давление до 20 кПа.

По быстроходности (удельному числу оборотов) вентиляторы общего назначения подразделяют на следующие категории:

. быстроходные вентиляторы (11<ns<30);

. вентиляторы средней быстроходности (30<ns<60);

. быстроходные вентиляторы (60<ns<80).

Конструктивные решения зависят от требуемой проектным заданием подачи. При больших подачах вентиляторы имеют колеса двустороннего всасывания.

Предлагаемый расчет относится к категории конструктивных и выполняется методом последовательных приближений.

Коэффициенты местных сопротивлений проточной части, коэффициенты изменения скорости и соотношения линейных размеров задаются в зависимости от проектного давления вентилятора с последующей проверкой. Критерием правильности выбора является соответствие расчетного давления вентилятора заданному значению.

2. Расчет мощности и выбор электродвигателя


По имеющей мощности составляем временную диаграмму за один цикл работы привода вентилятора, для этого берём приблизительные значение любых мощностей.

Параметры:

P1 = 12,5 кВт t1 = 1,25 с

Р2 = 12,0 кВт t2 = 6,5 с

Р3 = 13,5 кВт t3 = 0,85 с

Р4 = 5,0 кВт t4 = 0,6 с

Р5 = 8,0 кВт t5 = 4 с

α = 0,4 - коэффициент потерь

β0 = 0,25 - коэффициент ухудшения теплоотдачи

Тн = 55 мин - постоянная нагревания

nмин = 1410 об/мин - частота вращения механизма

Расчет мощности и выбор эл. привода для двигателя технолог. машины

Таблица 2

 Мощность P1, кВт

Р2, кВт

Р3, кВт

Р4, кВт

Р5, кВт

12,5

12,0

13,5

5,0

8,0

t 1, c

t 2, c

t 3, c

t 4, с

t 5, с

1,25

6,5

0,85

0,6

4


Рисунок 1: Нагрузочная диаграмма времени работы за один цикл.

.1 По заданной нагрузочной диаграмме определяется время работы за один цикл:

(2.1) Время работы двигателя:


Время паузы:

(2.2) Время цикла:


(2.3) Мах. мощность двигателя


Определяется режим работы двигателя. Исходя из графика работы эл. двигателя делается вывод, что режим работы повторно-кратковременый.

(2.4) Определяется расчетный коэффициент:


Т.к. , то режим длительный.

(2.5) Определяется эквивалентная мощность:


(2.6) Приведем полученную Pэкв к стандартной продолжительности включения:


(2.7) В механизм установлен один двигатель. Двигатель выбирается по номинальному моменту по двум критериям. *

Таблица 3: Данные выбранного электро-двигателя

Тип

Рном, кВт

n, об/мин

Sн, %

Cosφ

КПД, %

Кн

Кmax

Кmin

Кi

Uн, В

4АМ160S4

12,5

1500

2,7/2,5

0,86

89

2,2

1,5

1,3

7,5

220


Кн =Мп / Мн

Кмах = Ммах / Мном

Кмin = Ммin / Мном

Кi - кратность пускового тока

Мном - номинальный момент

Мп - пусковой момент

Ммах - максимальный момент

Ммin - минимальный момент

(2.8) Определяем номинальный ток электродвигателя:


(2.9) Номинальный момент эл. двигателя:


(2.10) Паспортные значения мах. из пусковых моментов:

Номинальные данные двигателя:

Номинальное напряжение статора

Uном = 220 В

Ток статора

Iном = 24,74 А

Пусковой ток статора

Iпуск = 309,25 А

Мощность на валу

Pн = 12,5кВт

Обороты

nном = 1500 об/мин

КПД

μ = 0,890

Номинальный момент

Mном = 80 Нм

Минимальный момент

Mdvmax. = 104 Нм

Максимальная частота вращения

nmax. = 1500 об/мин

Число пар полюсов

P = 2


(2.11) Определение мах. момента нагрузки на валу эл. двигателя:


Условия проверки эл. двигателя на перегрузки:

 - условие выполняется

(2.12) Коэффициент снижения:


(2.13) Тогда, мах. момент будет равен:


 - условие выполняется

(2.14) Мах. ток двигателя при P=Pmax


3. Расчет механической характеристики асинхронного двигателя


Механической характеристикой двигателя называется зависимость частоты вращения ротора от момента на валу n = f (M2). Так как при нагрузке момент холостого хода мал, то M2 ≈ M и механическая характеристика представляется зависимостью n = f (M). Если учесть взаимосвязь s = (n1 - n) / n1, то механическую характеристику можно получить, представив ее графическую зависимость в координатах n и М (рис.1).

Рис.1. Механическая характеристика асинхронного двигателя

Естественная механическая характеристика асинхронного двигателя соответствует основной (паспортной) схеме его включения и номинальным параметрам питающего напряжения. Искусственные характеристики получаются, если включены какие-либо дополнительные элементы: резисторы, реакторы, конденсаторы. При питании двигателя не номинальным напряжением характеристики также отличаются от естественной механической характеристики.

Механические характеристики являются очень удобным и полезным инструментом при анализе статических и динамических режимов электропривода.

Данные для расчета механических характеристик для данного привода и двигателя:

Трехфазный асинхронный двигатель с короткозамкнутым ротором питается от сети с напряжением = 380 В при = 50 Гц.

Параметры двигателя 4АМ160S4:

н= 12,5 кВт,н= 1460 об/мин,

cosφн= 0,86,ηн= 0,89,kн= 2,2

Определить: номинальный ток в фазе обмотки статора, число пар полюсов, номинальное скольжение, номинальный момент на валу, критический момент, критическое скольжение и построить механическую характеристику двигателя. Решение.

(3.1) Номинальная мощность, потребляемая из сети:

 кВт

(3.2) Номинальный ток, потребляемый из сети:


(3.3) Число пар полюсов


где n1 = 1500 - синхронная частота вращения, ближайшая к номинальной частоте nн= 1460 об/мин.

(3.4) Номинальное скольжение:


(3.5) Номинальный момент на валу двигателя:


(3.6) Критический момент

Мк = kм х Мн = 1,5 х 249,5 = 374,25 Нм.

(3.7) Критическое скольжение находим подставив М = Мн, s = sн и Мк / Мн = kм.

0.078

Для построения механической характеристики двигателя с помощью n = (n1 - s) определим характерные точки: точка холостого хода s = 0, n = 1500 об/мин, М = 0, точка номинального режима sн = 0,03, nн = 1500 об/мин, Мн = 249.5 Нм и точка критического режима sк = 0,078, Мк =374.25 Нм.

Для точки пускового режима sп = 1, n = 0 находим

По полученным данным строят механическую характеристику двигателя. Для более точного построения механической характеристики следует увеличить число расчетных точек и для заданных скольжений определить моменты и частоту вращения.

4. Построение естественной механической характеристики двигателя


Механической характеристикой двигателя называется, зависимость частоты вращения n от момента М нагрузки на валу.

Различают естественные и искусственные характеристики электродвигателей.

Естественной механической характеристикой называется - зависимость оборотов двигателя от момента на валу при номинальных условиях работы двигателя в отношении его параметров (номинальные напряжения, частота, сопротивление и тому подобное). Изменение одного или нескольких параметров вызывает соответствующее изменение механической характеристики двигателя. Такая механическая характеристика называется искусственной.

Для построения уравнения механической характеристики асинхронного двигателя воспользуемся формулой Клоса (4.1):


где Мk - критический момент двигателя (4.1.1):;

 

Sk - критическое скольжение двигателя (4.1.2);


l - перегрузочная способность двигателя (l = 3);

Sн - номинальное скольжение двигателя (4.1.3):


где nн - скорость вращения ротора;

n1 - синхронная скорость поля статора (4.1.4);


где f - промышленная частота тока питающей сети, (f = 50 Гц) (4.1.5);

Р - число пар полюсов (для двигателя 4АМ132S4 Р=2)


Номинальное скольжение двигателя 4АМ132S4


Критическое скольжение двигателя

 


Критический момент двигателя


Для построения характеристики в координатах переходят от скольжения к числу оборотов на основании уравнения

n = n1 (1 - S)

Скольжением задаются в пределах от 0 до 1

Так для

S = 0 n = 1500. (1 - 0) = 1500 об/мин;

S = 0.1 n = 1500. (1 - 0.1) = 1350 об/мин;

S = 0.2 n = 1500. (1 - 0.2) = 1200 об/мин;

S = 0.3 n = 1500. (1 - 0.3) = 1050 об/мин;

S = 0.4 n = 1500. (1 - 0.4) = 900 об/мин;

S = 0.5 n = 1500. (1 - 0.5) = 750 об/мин;

S = 0.6 n = 1500. (1 - 0.6) = 600 об/мин;

S = 0.7 n = 1500. (1 - 0.7) = 450 об/мин;

S = 0.8 n = 1500. (1 - 0.8) = 300 об/мин;

S = 0.9 n = 1500. (1 - 0.9) = 150 об/мин;

S = 1 n = 1500. (1 - 1) = 0 об/мин.

При тех же скольжениях находим по формуле Клоса соответствующие им моменты:

S = 0 М = 0 кг. м= 0.1  кг. м= 0.2  кг. м= 0.3  кг. м= 0.4  кг. м= 0.5  кг. м= 0.6  кг. м= 0.7  кг. м= 0.8  кг. м = 0.9  кг. м

S = 1  кг. м

Пользуясь этими значениями переходим к построению естественной механической характеристики двигателя.

Рисунок 1: естественная механическая характеристика двигателя

5. Выбор преобразователя частоты


При питании электродвигателя от преобразователя напряжение и частота регулируется плавно. Определение напряжения и частоты необходимы для работы двигателя в заданной точке, сводиться к уточнению возможности обеспечение преобразователя уровня напряжения и частоты при различных нагрузках и колебаниях напряжения питающей сети. При питании синхронного двигателя от преобразователя частоты в процессе преобразуется напряжение промышленной частоты. В напряжение регулировки амплитуды и регулировки частоты возникают потери напряжения и мощности преобразователя. Обычно преобразователь имеет внутреннее обратные связи, и при изменении нагрузки двигателя выходное напряжение и частота практически не изменяться. Поэтому в дальнейшем напряжение и частота на статоре электродвигателя будем сочетать независимыми от нагрузки. Синхронная скорость двигателя зависит от частоты питающей сети и числа пар полюсов.


Для устойчивой работы двигателя необходимо изменение частоты поддерживать перегружавшую способность двигателя, что обеспечиваться регулированием напряжения на статоре по различным законам. Зависимость от частоты и от характера изменения статического момента. Эти особенности необходимо учитывать при расчете частоты и амплитуды напряжения. Наиболее распространенный закон изменения амплитуды напряжения пропорционально частоте в виде закона:

U/f=const,

при таком законе максимальный момент постоянен и не зависит от частоты. Также не зависит от частоты:

.

Это позволяет в расчетах использовать прием параллельного переноса естественной механической характеристики. При этом естественная характеристика перемешаться вдоль оси "w" и устанавливаться в т. Wзад, Mзад.

(5.1): Из паспортных данных преобразователей частоты следует, что:


(5.2): Номинальный ток преобразователя частоты должен быть не менее:


По IПЧ выбирается преобразователь частоты

Е2-8300-010H, P =12,5 кВт, в количестве 1 штуки

По каталогу Iном = 17,5 А

С учетом требования тех. задания мощность преобразователя частоты должна превышать мощность двигателя на 20%.

Тогда (5.3):


Выбираем преобразователь частоты

Е2-8300-015H, P = 17 кВт, Iном = 25 А


Проверочный расчет из условия, что преобразователь частоты обеспечивает перегрузочный пусковой момент 170% от номинального.

(5.4) Мах. момент на валу двигателя

АИР 132 S4


Где Iном р. с. = 25 А - номинальный ток преобразователя частотыном dv = 15,6 А - ном. ток двигателя

 - условие выполняется

Окончательно выбираем преобразователь

Е2-8300-015H, P = 15 кВт, Iном = 25 А

Таблица №4: Характеристики преобразователя

Двигатель

Сеть

Altivar 61HD45N4

Р, кВт

л. с.

I, А

S, кВА

Iк. з. мах, кА

Iмах, А

Iперех.



380 В

220 В



380 В

480 В


15

18

25

20

15

22--

94--

77--

112,8---


Применение

Преобразователь частоты Altivar 61 используется для трехфазных асинхронных двигателей мощностью от 0,75 кВт до 630 кВт.

Преобразователь используется для создания современных систем обогрева, вентиляции и

кондиционирования воздуха (HVAC) в промышленных и коммерческих зданиях:

вентиляция;

кондиционирование воздуха;

насосные агрегаты.

Преобразователь частоты Altivar 61 может уменьшить эксплуатационные расходы путем оптимизации потребления энергии, значительно повышая комфортность. Различные встроенные функции позволяют адаптировать преобразователь для использования в электрических установках, сложных управляющих системах и системах диспетчеризации инженерного оборудования здания.

При разработке преобразователя учитывалась необходимость электромагнитной совместимости и уменьшения гармонических составляющих тока.

В зависимости от характеристик, каждый тип (UL типа 1/IP 20 и/или UL типа 12/IP 54) либо имеет встроенные фильтры ЭМС класса A или B и дроссели звена постоянного тока, либо эти элементы доступны в качестве дополнительного оборудования.

Функции

Макроконфигурации и меню ускоренного запуска ПЧ Altivar 61 могут использоваться для быстрого запуска установок и моментальной настройки в дружественных пользователю диалоговых средствах.

Функции, разработанные специально для насосных и вентиляторных агрегатов

Энергосбережение, квадратичный закон по 2 или 5 точкам.

Автоматический подхват вращающейся нагрузки с поиском скорости.

Адаптация ограничения тока в зависимости от скорости.

Подавление шума и резонанса посредством частоты коммутации, которая, в зависимости от номинальной нагрузки, может быть установлена до16 кГц во время работы, и случайной модуляции.

Предустановленные скорости.

Встроенный ПИД-регулятор, с предустановленными значениями ПИД и режимом

автоматический/ручной (Auto/Man).

Счетчик наработки и энергопотребления.

Определение отсутствия жидкости, определение нулевой скорости потока, ограничение скорости потока.

Функция "сон", функция "пробуждение".

Клиентские настройки с отображением физических значений: бар, л/с.,°C.

Характеристики момента (типовые кривые)

Нижеприведенные кривые соответствуют установившемуся и переходному перегрузочным моментам для двигателя с естественной и принудительной вентиляцией. Различие заключается в способности двигателя продолжительно развивать значительный момент при скорости ниже половины номинальной.

Электропривод с разомкнутой системой

. Двигатель с естественной вентиляцией: полезный установившийся момент (1)

2. Двигатель с принудительной вентиляцией: полезный установившийся момент

3. Перегрузочный момент в течение <60 c для ATV 61W

(UL типа 12/IP 54)

4. Перегрузочный переходный момент в течение y 60 с для ATV61HD45N4

(UL типа 1/IP 20)

5. Момент на скорости выше номинальной при постоянной мощности (2)

6. Выбор и расчет преобразователя частоты

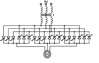
Преобразователь частоты (ПЧ) предназначен для одноступенчатого преобразования энергии переменного тока одной частоты в энергию переменного тока другой частоты.

Схема НПЧ представлена на рисунке 1.

Рисунок 1 - Принципиальная схема ПЧ

Преобразователь состоит из 18 управляемых вентилей по 6 на фазу, в каждой фазе 6 вентилей объединены во встречно-параллельные группы с раздельным или совместным управлением. В основе каждой фазы преобразователя лежит трёхфазная нулевая схема выпрямителя. Каждая фаза состоит из двух встречновключённых выпрямителей. Группу из трёх управляемых вентилей, имеющих общий катод называют положительной, общий анод - отрицательной.

Вентильные группы могут управляться либо раздельно, либо совместно. По принципу действия каждая фаза ПЧ аналогична двухкомплектному реверсивному выпрямителю. При раздельном управлении управляющие импульсы подаются на вентили одной из групп в соответствии с желаемым направлением тока в нагрузке. При этом во избежание К.З. применяют специальные логические устройства, предотвращающие протекание тока в обеих группах. В преобразователях с совместным управлением необходимо предусматривать включение мощных реакторов, предотвращающих протекание уравнительных токов между вентилями каждой группы (что ограничивает их применение). Углы управления вентилями положительной и отрицательной групп изменяются по определённому закону, исключающему появление постоянной составляющей уравнительного тока.

В течении одного полупериода выходного напряжения преобразователя пропускают ток вентили положительной группы, другого полупериода - отрицательной. Выходное напряжение формируется из отрезков волн напряжения питающей сети. На рисунке 7 представлена диаграмма выходного напряжения при углах управления , . Выходное напряжение имеет прямоугольную форму.

Для получения напряжения близкого к синусоидальному изменяют угол управления во времени так, чтобы среднее значение выходного напряжения Uср. вых в течении каждого пол периода изменялось бы по синусоидальному закону.

Диаграмма, поясняющая работу ПЧ, представлена на рисунке 7.


Рисунок 2 - Диаграмма, поясняющая работу ПЧ

НПЧ могут выполняться с фиксированной выходной частотой или с регулированием по выходной частоте. При этом выходная частота зависит от длительности полупериода выходного напряжения и, соответственно, изменяется с помощью изменения длительности открытого состояния вентилей положительной и отрицательной групп. Нижний предел частоты выходного напряжения может быть практически равен нулю, что совершенно не сказывается на энергетических показателях привода. Верхний предел ограничивается отношением .

Это связано с тем, что увеличение частоты выходного напряжения выше указанных пределов приводит к резкому ухудшению формы UВЫХ (энергетические показатели снижаются).

Поэтому, в тех редких случаях использования ПЧ когда требуется регулирование вверх от основной скорости вращения применяют сетевое напряжение повышенной частоты.

Показатели качества регулирования скорости вращения:

направление: однозонное вниз от основной частоты;

экономичность высокая;

плавность: в нижнем диапазоне выше;

диапазон: ниже чем в других преобразователях за счёт отсутствия верхней части диапазона;

допустимая нагрузка: как правило ПЧ используются в приводах турбомеханизмов МС = f; наиболее благоприятный закон управления:

.

стабильность высокая.

Достоинства и недостатки ПЧ:

К достоинствам этого типа преобразователей можно отнести:

однократное преобразование энергии (h = 0.97¸0.98);

возможность независимого регулирования амплитуды выходного напряжения от частоты;

свободный обмен реактивной и активной энергией от сети к двигателю и обратно (возможен вариант работы с опережающим cos j);

отсутствие коммутирующих конденсаторов, т.к. коммутация вентилей осуществляется напряжением сети

возможность получения практически синусоидального напряжения на выходе;

В последнее время наблюдается резкое увеличение области применения НПЧ, что связано с появлением современной электронной базы, которая имеет больший диапазон напряжений и мощностей и является полностью управляемой.

К недостаткам можно отнести:

ограниченную возможность регулирования выходной частоты при значении входной f = 50 Гц.;

большое количество силовых вентилей: динамические потери, сложная система управления.

невысокий cos j. Максимальное значение 0,8.

Преобразователь с промежуточным звеном постоянного тока позволяет регулировать частоту как вверх, так и вниз от частоты питающей сети; он отличается высоким КПД (около 0,96), значительным быстродействием, малыми габаритами, сравнительно высокой надежностью и бесшумен в работе.

Частотное регулирование скорости вращения асинхронных двигателей с использованием преобразователей частоты с широтно-импульсной модуляцией.

Принцип работы АИ с ШИМ удобно рассмотреть с помощью эквивалентной схемы (рисунок 9), где а - эквивалентная схема однофазного инвертора с синусоидальной ШИМ; б - график напряжения и тока регулируемой частоты в нагрузке при постоянной несущей частоте и неизменном выпрямленном напряжении на входе инвертора.

Здесь нагрузка включена в диагональ моста, образованного двумя источниками напряжения и полупроводниковым ключом, который переключается из положения 1 в положение 2 с высокой частотой fк, называемой несущей частотой коммутации. В общем случае напряжение на нагрузке, усредненной за период несущей частоты:

,

гдеτ - период несущей частоты, с.

Если при постоянной несущей частоте менять соотношение между Δt1 и Δt2 в соответствии с синусоидальным законом, то среднее значение напряжение на нагрузке также будет меняется по синусоидальному закону:

,

гдеws - круговая частота модуляции, рад/с;

μ - коэффициент глубины модуляции, который показывает, в каких пределах изменяются длительности интервалов коммутации в течение периода частоты модуляции.

Исходя из заданных параметров, выбираем преобразователь частоты РИТМ-Н-75/150-380-У3-IP20

7. Расчеты системы ПЧ-АД


(7.1.1) Расчет схемы замещения

Рисунок 3 - Схема замещения асинхронного двигателя при частотном регулировании

Анализ характеристик АД при частотном управлении можно произвести, использовав Т-образную схему замещения (рис3.1).

(7.1.2) Скорость вращения на ХХ:

 об/мин

где р=2 - количество пар полюсов.

(7.1.3) Частота вращения на ХХ:

с-1

(7.1.4) Номинальная частота вращения:

с-1

(7.1.5) Номинальное скольжение:

.

(7.1.6) Уравнение для критического скольжения:

,

где λм - кратность максимального момента, λм=2,3.

.

(7.1.7) Ток намагничивания Iµн:

,  А

(7.1.8) Приведенный ток ротора:

;

=65,72 А

(7.1.9) Сопротивление статора:

;

=1,23 Ом

(7.1.10) Приведенное сопротивление ротора:

;

=1,379 Ом

(7.1.11) Индуктивное сопротивление контура намагничивания:

=143 Ом

Индуктивное сопротивление ротора:

(7.1.12) С помощью критического скольжения найдем :

;

=23,62 Ом

(7.1.13) Реактивное сопротивление статора:

;

=11,35 Ом

(7.1.14) Реактивное сопротивление ротора

;

=11,81 Ом

(7.1.14) Номинальный момент АД:

Мн= 4065 Нм

(7.1.15) Критический момент:

Мкр=4810·103 Нм

На основании полученных результатов проводим расчет статических и энергетических характеристик.

(7.2.1) Расчет статических характеристик

Закон частотного управления который определяет соотношения между частотой и напряжением в зависимости от характера технологической нагрузки:

.

 - относительное напряжение;

 - относительная частота;

 - относительный момент;

Для приводов с насосной нагрузкой : , тогда закон частотного управления будет иметь вид

Принятыми допущениями обусловливается постоянство сопротивлений схемы замещения при данной частоте. Индуктивные сопротивления  соответствуют частоте ХХ.

Параметр абсолютного скольжения, или относительная частота ротора - отношение абсолютного скольжения  к синхронной скорости при номинальной частоте (7.2.2):


Параметр  используется вместо скольжения s и связан с ним соотношением (7.2.3):


Коэффициент рассеяния соответственно для статора и ротора (7.2.4):


Общий коэффициент рассеяния (7.2.5):


Кроме того, введём обозначения (7.2.6):

; ; ;

Анализ и расчёты установившегося режима проводятся в действующих значениях величин.

Для дальнейших расчетов примем обозначения (7.2.7):

;


Для каждой из рассчитываемых величин задаются несколько значений  и изменение

Из расчёта схемы замещения получаем электродвижущую силу


Поток в воздушном зазоре (7.2.8):


Ток статора (7.2.9):


Приведенный ток ротора (7.2.10):


ток намагничивания (7.2.11):


Графики токов показаны на рисунках

Рисунок 4.1 - График изменения токов статора при частотном регулировании

Рисунок 4.2 - График изменения токов ротора при частотном регулировании

Рисунок 4.3 - График изменения токов намагничивания

8. Расчет механических характеристик. Нагрузочные характеристики


Момент двигателя (8.1):


Нагрузочная характеристика определяется из выражений момента статического и угловой скорости (8.2):


При этом изменяется от 0 до 1

Механические характеристики и нагрузочная кривая, при частотном регулировании, изображены на рисунке 5.1.

Рисунок 5.1 - Механические и нагрузочные характеристики при частотном регулировании

9. Компьютерное моделирование энергетических характеристик частотно-управляемых электроприводов в среде Matlab


В связи с широким внедрением в последние годы во всех отраслях промышленности частотно-регулируемых (ЧР) асинхронных электродвигателей и существующей проблемы энергосбережения, актуальной является задача оптимизации энергопотребления указанных приводов.

В первую очередь представляет интерес практическое решение задачи расчета энергетической эффективности электропривода по схеме преобразователь частоты - асинхронный двигатель (ПЧ-АД), что требует предварительного создания математических и программно-ориентированных моделей расчета потерь мощности и коэффициента полезного действия (к. п. д.) в данном приводе.

Целью работы является исследование энергетических характеристик системы ПЧ-АД путем виртуального моделирования, используя инструментальные средства наиболее удобной и популярной в настоящее время среды Matlab со своими пакетами расширения Simulink.

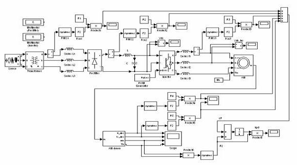
Разработанная модель (рис.1) представлена комплектным частотно-регулируемым асинхронным электроприводом переменного тока использованием оболочки Power system blockset программной среды Matlab.

Питание системы электропривода осуществляется от источника синусоидального напряжения (Source) через трехфазный силовой трансформатор (Transformer). Преобразователь частоты имеет двухзвенную структуру. На первой ступени происходит выпрямление переменного тока питающей сети в постоянный, на выходе неуправляемого выпрямителя (Rectifier). Силовой фильтр, состоящий из дросселя L и конденсатора C, уменьшает пульсации выпрямленного напряжения и ограничивает скорость изменения тока di/dt в аварийных режимах. На второй ступени с помощью трехфазного мостового автономного инвертора напряжения (Inverter) постоянное напряжение преобразуется в переменное, требуемой частоты и амплитуды. Управление силовыми (IGBT) - модулями автономного инвертора осуществляется методом широтно-импульсной модуляции блоком (PWM Generator). К входу и выходу преобразователя подключены фильтры (Series), уменьшающие его влияние на питающую сеть и асинхронный двигатель.

Вводимыми параметрами в модели каждого блока являются паспортные данные источника питания, трансформатора, фильтра, типа исследуемой машины, величины сопротивлений элементов системы. Описание элементов виртуальной модели приведено в табл.1.

Расчет параметров (R1, R2, R3), являющихся соответственно эквивалентным сопротивлениям трансформатора, выпрямительной и инверторной групп преобразователя частоты, осуществляется согласно методике. Расчет активного сопротивления ротора R4 и статора R5 асинхронного двигателя проводится согласно общепринятой методике. Коэффициент полезного действия электропривода определяется отношением механической мощности Р2, на валу асинхронной машины, к сумме механической мощности Р2 и суммарным потерям sP.

Рис.1. Схема виртуальной модели системы ПЧ-АД

Описание элементов виртуальной модели. Таблица 1

Элемент

Наименование и функции

Вводимые параметры

Source

Источник трехфазного синусоидального напряжения

Амплитуда, фазовый угол и частота фазного напряжения, внутреннее активное и реактивное сопротивление

Transformer

Трехфазный силовой трансформатор

Номинальные частота и полная мощность, параметры цепей

Series

Фильтр преобразователя частоты

Активное сопротивление и индуктивность

Rectifier

Трехфазный силовой неуправляемый выпрямитель

Тип моста, тип силового элемента, динамическое сопротивление диода, пороговое напряжение, параметры цепей

L

Индуктивный элемент

Величина индуктивности

C

Емкостной элемент

Величина емкости

Inverter

Трехфазный мостовой инвертор напряжения (силовой элемент - IGBT-транзистор)

Тип моста, тип силового элемента, параметры демпфирующих цепей, динамическое сопротивление, пороговое напряжение, постоянные времени

PWMGenerator

Блок управления автономным инвертором (генератор ШИМ-сигнала)

Несущая частота, коэффициент модуляции, модулирующая частота, начальная фаза модулирующего напряжения

АМ

Асинхронный двигатель

Тип ротора, номинальные мощность, напряжение и частота, параметры статора и ротора, момент инерции

AM demux

Блок вывода переменных асинхронного двигателя

Тип исследуемой машины, указание о выводе требуемых переменных

RMS

Блок определения действующего значения периодической величины

Значение основной частоты

Product

Блок определения алгебраического произведения сигналов

Число входов, тип сигнала

Scope, Multimeter

Блоки визуализации исследуемых параметров

Число входов, параметры отображения координат


В результате исследования модели получены временные зависимости токов статора, угловой частоты вращения ротора, электромагнитного момента и значения к. п. д. всей системы, показанные на рис.2.

Рис.6. Временные зависимости энергетических показателей системы ПЧ-АД

Как видно из графиков характер зависимостей отражает физическую картину изменения энергетических характеристик во времени, что существенно для анализа и оптимизации в требуемых режимах работы. Кроме того, модель позволяет определить долевые потери энергии на каждом участке системы.

Разработанная виртуальная модель может быть использована в процессе выбора и проектирования энергосберегающих электроприводов как в учебном процессе подготовки специалистов электротехнических специальностей, так и на производстве.

Выводы: в данном разделе была построена математическая модель двигателя в программном пакете MatLab. Вычислены необходимые коэффициенты модели для исследования динамических характеристик. Построены графики изменения скорости, момента, токов статора и ротора от времени t при Мс=0 и при Мс=Мн.

Заключение


Энергосбережение, увеличение производительности, повышение конкурентоспособности не возможно без применения современного комплектного автоматизированного электропривода.

В настоящее время основным потребителем электроэнергии, порядка 80% от вырабатываемой электроэнергии, является электропривод.

Доля асинхронного электропривода, в приводе машин и механизмов, составляет порядка 75 % с тенденцией к постоянному увеличению.

Такая тенденция связана с тем, что с одной стороны, применение современных электропроводящих и изоляционных материалов в производстве асинхронных двигателей, позволяет повышать его энергетические характеристики, тем самым, обеспечивая экономию электроэнергии в традиционных областях применения асинхронных двигателей.

С другой стороны, современный уровень развития электроники, обеспечивший производство недорогих, надежных, быстродействующих, простых в эксплуатации преобразователей частоты, стал основой для внедрения регулируемого электропривода, позволяющего экономить электроэнергию, за счет более точного учета особенностей работы исполнительных механизмов и улучшения условий работы самого асинхронного двигателя. Развитые и разнообразные устройствами визуализации, возможность совместной работы с компьютером, обеспечивают удобную диспетчеризацию, учет и анализ потребления электроэнергии.

Простота ввода в эксплуатацию преобразователей частоты, позволяет заказчику частично или полностью автоматизировать свое производство своими силами (малыми затратами), т.е. значительно повысить производительность, снизить количество сотрудников и требуемого оборудования на единицу продукции.

Возможность быстрой настройки параметров (параметрирования), учета особенностей работы приводного механизма, интуитивно понятный интерфейс программного обеспечения, и возможность настройки режимов работы on-line с помощью программного осциллографа, позволяет разнообразить потребительские свойства производимого потребителем оборудования, т.е. значительно увеличить номенклатуру, производимого оборудования, и его конкурентоспособность.

Повышение конкурентоспособности, выпускаемой продукции

Рост стоимости энергоносителей, ужесточение экологических требований, повышение требований к потребительским качествам, делает экономически нецелесообразным покупать не автоматизированное оборудование.

Существенные преимущества автоматизированного электропривода:

         экономия электроэнергии в циклических режимах;

         повышение срока службы механических и электрических составляющих привода, за счет возможности задавать плавные режимы эксплуатации, без механических ударов и пиковых электрических нагрузок;

         повышение гибкости производственных линий;

         простотой интеграции нового оборудования в существующие технологические линии;

         интеграции электроприводов в сети управления производством, с центральным компьютером сбора и анализа данных и удаленным доступом.

Все эти возможности легко могут быть реализованы применением комплектного автоматизированного электропривода (редуктор-двигатель-преобразователь частоты).

Список используемой литературы


1. 1980_Solomahova_T_S_Chebysheva_K_V_Centrobejnye_ventilyatory_Aerodinamicheskie_shemy_i_harakteristiki

2.      Лезнов Б.С. Энергосберегательные и регулируемый привод вентиляторов и насосов

.        Справочник вентиляторов. Рысин С.А.

.        Соломакова Т.С. Расчет электропривода вентиляторов

5.      Интернет: сайт <http://www.twirpx.com/>

Похожие работы на - Проектирование электрического двигателя для вентилятора

 

Не нашли материал для своей работы?
Поможем написать уникальную работу
Без плагиата!
Без нейросетей!