Проект тепловой части ТЭЦ – мощностью 400 МВт, расположенной в г. Петрозаводске
Правительство
российской федерации
Федеральное
государственное автономное образовательное учреждение
высшего
профессионального образования
национальный
исследовательский университет
высшая школа
экономики
Санкт-Петербург
ДИПЛОМНЫЙ
ПРОЕКТ
по специальности
140101 «Тепловые электрические станции»
Тема
«Проект
тепловой части ТЭЦ - мощностью 400 МВт,
расположенной
в г.Петрозаводск
г.
Аннотация
Энергетика всегда была в центре внимания государства, развивалась
опережающими темпами и получала масштабные инвестиции. Этому способствовали
стратегические государственные решения о развитие отрасли, начиная от
знаменитого плана ГОЭРЛО до создания крупнейшей энергетической системы. При
этом были созданы передовая энергетическая наука и техника, мощное энергетическое
машиностроение, завоеваны самые передовые позиции в мире:
первые в мире парогазовые установки на сверх и суперкритеские параметры;
линии электропередач на сверхвысокие напряжения;
электрогенераторы рекордной гигаватной мощности;
первые атомные станции… (из доклада В.Е. Фартова и О.Н. Фарворского).
Основа страны - энергетика, фундамент не только развития и размещения, но
самого существования общества- в последние годы неумолимо разрушалась.
Совершенно естественный вопрос: “ Что будет завтра? ”- не через тридцать или
пятьдесят лет, а именно завтра!
В 2003 году создана программа развития и размещения энергетических
мощностей на 15-20 лет вперед. Главным приоритетом в развитие электроэнергетике
страны, основой надежного и безопасного энергоснабжения потребителей как были
так и будут крупные электростанции и прежде всего ТЭС на органическом топливе.
Необходимость обеспечения гарантированного, надежного и безопасного
энергоснабжения потребителей , требует интенсивного развития энергосетевого
комплекса страны. Ежегодно наша страна теряет до 5% роста валового продукта,
т.е. в стране сдерживается развитие производства.
По консервативным оценкам Минэкономразвития России в 2010г. суммарное
потребление электроэнергии в стране составит 1045 млрд. кВт/ч а максимум
электрической нагрузки 160Гвт.
До конца 2010г. предусматривается ввод 21,8 Гвт новых генерирующих
мощностей при выводе из эксплуатации 4.2 Гвт устаревших. Учитывается прогноз
строительства электростанций крупными промышленными предприятиями и независимыми
инвесторами. Дополнительно помечен ввод 1 Гвт мощности на АЭС. Вводы мощностей
на тепловых электростанциях составит 13,4 Гвт , на гидростанциях 4,4 Гвт, на
блочных станциях (тоже тепловых) - 3 Гвт. На станциях работающих на газе будут
сооружаться преимущественно газотурбинные (при комбинированной выработке
электроэнергии и тепла) и парогазовые установки. В работе проекты ГТУ единичной
мощности 260- 280 Мвт в составе ПГУ мощностью 400Мвт и 800Мвт. Разрабатываются
проекты уже освоенных в эксплуатации ПГУ. Это преимущественно теплофикационные
ПГУ и ГТУ единичной мощностью 160 Мвт. Предлагается установить 10-15 таких ГТУ.
Намечено строительство нескольких блоков ГТУ мощностью 110 Мвт (головная ПТУ
мощностью 325Мвт с двумя ГТЭ-110 строится и будет пущена в 2010г.) и 65 Мвт
(проект ЛМЗ).
Техническое совершенствование угольных электростанций предусматривает
разработку и сооружение паровых энергоблоков на угле мощностью 225, 330-350 и
600-800 Мвт. В целях увеличения экономичности повышаются параметры пара:
Давление до 27-30 Мпа, температуры до 580-620 °С. Длительность
проектирования и изготовления оборудования энергоблоков нового поколения ввод
их в эксплуатацию после 2010 года.
В 2005г. на тепловых и гидравлических электростанциях введено около 2 Гвт
энергетических мощностей, в том числе 1 Гвт на объектах нового строительства.
Пущен и начел работать первый парогазовый энергоблок мощностью 450 Мвт на
Калининградской ТЭЦ-2, четвертый гидроагрегат Геурейской ГЭС мощностью 330 Мвт,
первый энергоблок мощностью 180 Мвт на Ленинградской ТЭЦ -5.
На электростанциях введены энергоблоки: 310 Мвт на Новочеркасской ГРЭС,
110 Мвт на Новосибирской ТЭЦ-3; гидроагрегаты единичной мощностью 115 Мвт.
В 2009г. предусматривался ввод новых мощностей на ГЭС- 49 Мвт, на ТЭС
(перевооружение) - 165 Мвт, новое строительство на ТЭС - 1359 Мвт.
В прошлом году должно быть введено новых энергетических мощностей на ГЭС
- 679 Мвт, на техническом перевооружении существующих ТЭС получено 264 Мвт, на
вновь строящихся ТЭС - 1516 Мвт
В стране есть инженеры и технические организации, которые способны решить
огромные задачи развития и технического обновления энергетики, а мы являемся
поколением, которое продолжит начатое ими дело, доведет его до успешного
завершения и вложит свой вклад в дальнейшее развитие этого направления.
Проектируемая ТЭЦ располагается в городе Петрозаводск и предназначена для
улучшения ситуации с тепло - и электроснабжением Северо-Запада России, для
повышения устойчивости работы энергосистемы Северо-Запада, особенно в период
осеннее - зимних максимумов нагрузки.
1. Выбор типа и количества турбин энергетических и водогрейных котлов
.1 Выбор энергетических котлов
Выбор осуществляется по суммарному расходу пара на все котлы
; т/ч (1.1)
-
суммарный максимальный расход пара на все турбины
= 2350
т/ч.
-
собственные нужды,
= 0,02
- запас,
= 0,03
т/ч
Типоразмер
котла по ГОСТу 3619-76Е-420-140, в количестве пяти штук
Количество
котлов принимается с резервом по выработке пара.
Резерв
должен быть таким , чтобы при выходе из строя одного из котлов, оставшиеся в
работе обеспечивали максимальный отпуск пара на производство, нагрузка на
отопление и ГВС может быть уменьшена до 70% от расчетной, электрическая
нагрузка может быть уменьшена на величину мощности одного турбоагрегата.
Параметры
котла Е-420-140
Паропроизводительность,
т/ч 420
Абсолютное
давление пара. МПА 13,8
Температура
перегретого пара
560
Температура
питательной воды,
230
1.2 Выбор водогрейных котлов
На ТЭЦ выбор водогрейных котлов производится по величине пиковой
теплофикационной нагрузки.
, ГДж/ч (1.2)
-
расчетная тепловая нагрузка,
=2700
ГДж/ч (по заданию)
- коэф.
теплофикации,
=0,5,
2700(1-0,5)=1350
ГДж/ч.
Количество
водогрейных котлов
, шт
(1.3)
=1350ГДж/ч
(см. выше)
-
теплопроизводительность,
=100 ГКалл/ч; (принимается)
шт.
Принимается
к установке три водогрейных котла КВГМ-100.
Котел
типа КВГМ-100 имеет Т-образную компоновку оборудован тремя газомазутными
горелками с ротационными форсунками типа РГМГ-30, и может быть использован для
работы как в основном, так и в пиковом режиме. Выполнение бескаркасное.
2
Составление и описание принципиальной тепловой схемы: её расчет на заданный
режим
.1 Описание тепловой схемы
ТЭЦ установлена в городе Петрозаводск. Основное топливо - уголь
(Воркутинский). На ТЭЦ имеется технологическая нагрузка виде пара. Dп= 420 т/ч, а также тепловая нагрузка
Qгвс= 2700 ГДж/ч, из которых Qот=2000ГДж/ч , а Qгвс=700ГДж/ч.
В
соответствии с данными нагрузками на ТЭЦ установлены пять турбин типа
ПТ-80/100-130/13. Начальные параметры пара Р0=12,75 Мпа, t0=565
.
ТЭЦ
выполнена с поперечными связями. На станции установлены шесть котлов типа
Е-420-140ГМ, производительность Д=420т/ч.
Регенеративная
установка состоит из четырех ПНД и трех ПВД, в которых производится нагрев
рабочего тела до tп.в.= 249
. Пар
после котлоагрегата подается в турбину, в ЦВД (совместный с ЧСД ), а затем идет
в ЦНД. После прохождения проточной части турбины пар поступает в конденсатор,
где конденсируется. После конденсатора основной конденсат прокачивается
конденсатным насосом через ПНД в деаэратор 0,59 Мпа.
В
основном деаэраторе основной конденсат деаэрируется, до нагреваясь до
температуры питательной воды 159
.
После
деаэратора питательным насосом перекачивается через систему ПВД в котел. Нагрев
в ПВД до 249
. Слив дренажей из регенеративных подогревателей
высокого давления каскадный заводом в деаэратор, а в системе ПНД смешанный, с
последующим заводом в линию основного конденсата.
На
ТЭЦ имеется технологическая нагрузка. Подача пара на производство
осуществляется с третьего отбора, Рп=1,27МПа, Двозвр=360т/ч, процент-30%.
Сетевая
установка состоит из двух ступеней сетевых подогревателей, пар к которым
подается из пятого и шестого регенеративных отборов турбины.
Температурный
график 150/70
.
Система
технического водоснабжения оборотная, система ГВС- закрытая.
Для
перекачивания сетевой воды установлены два сетевых насоса. В схеме имеется система
подпитки котлов, которая состоит из двухступенчатой сепарационной установки и
атмосферного деаэратора подпитки котлов.
2.2 Основные параметры турбины
Начальные параметры пара:
Ро=12,75 МПа, t0=565°C
Число регенеративных отборов-7шт.
Конечное давление пара
Рк=0,0035 МПа.
Температура питательной воды
tп.в=249°C
Давление пара в нерегулируемых отборах: Р1=4,41 МПа
Р2=2,55 МПа
Р3=1,27 МПа
Р4=0,39 МПа
Р5=0,175 МПа
Р6=0,088 МПа
Р7=0,003 МПа
Расход охлаждающей воды:
Дов=8000м3/ч
2.3 Процесс расширения пара в турбине
Процесс расширения пара разбиваем на три отсека:
I
отсек: от начального давления до давления пара в третьем отборе.
II
отсек: от давления третьего отбора до давления верхнего теплофикационного
отбора.
III
отсек: от давления верхнего теплофикационного отбора до конечного давления
пара.
Из
построенного процесса расширения пара определяем энтальпии перегретого пара
перед турбиной, за турбиной и в регенеративных отборах. В процессе построения
принимаем:
бар;
0,04 бар.
Действительный
теплоперепад в отсеках ищем по формулам:
;
;
Значение
по отсекам:
КДж/кг
КДж/кг
КДж/кг
.4 Повышение температуры воды в питательном насосе
∆tпн =
(2.1)
-
удельный объём воды
Рн,
Рвс - давление воды на входе и выходе из насоса,
ηпн - КПД питательного насоса , ηпн= 0,8%
с
- теплоёмкость воды
∆tпн=
= 5,6 0С.
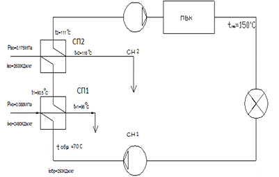
.5 Расчет сетевой установки
Рисунок 2.1 Расчетная схема СПУ
Расход воды на горячее водоснабжение

(2.2)
Qгвс -
расчетная тепловая нагрузка (задано).
tобр -
температура обратной воды 0С.
tисх -
температура исходной воды 0С.
т/ч
Расход
воды на подпитку.
Dпод=
; т/ч (2.3)
- обьем
воды теплосети.
; м3 (2.4)
Qp -
расчетная тепловая нагрузка. ГДж/ч (задано)
м3
Dпод=
т/ч
Температура сетевой воды за СП2
(2.5)
Ср - теплоемкость воды, КДж/кг
- расход
сетевой воды с учетом подпитки, т/ч
- расход
сетевой воды, т/ч
т/ч (2.6)
Qот-
расчетная тепловая нагрузка на отопление, ГДж/кг.
т/ч
т/ч
расчетная
теплофикационная нагрузка
С
- удельная теплоёмкость
отпускаемая
температура
температура
обратной сетевой воды
Температура
за СП1
(2.7)
Расход воды через СП1
Уравнение теплового баланса второго сетевого подогревателя:
(2.8)
(2.9)
расход
сетевой воды
энтальпия
верхнего теплофикационного отбора турбины
энтальпия
нижнего отбора
и
энтальпия на входе и выходе из подогревателя
кпд
сетевого подогревателя
Уравнение
теплового баланса первого сетевого подогревателя
;
(2.10)
энтальпия
нижнего теплофикационного отбора турбины
.6 расчет сепарационной установки
Рисунок 2.2 Расчетная схема СУ
При расчете принимаем двухступенчатую схему сепарации. При этом давление
в расширителе берется с учетом гидравлических потерь в трубопроводах,
соединяющих расширитель с аппаратом, куда поступает пар
Величина продувки составляет:
(2.11)
Где
= 1% от паропроизводительности котла
Давление
в барабане котла:
(2.12)
Где
- номинальное давление пара в котле
-
гидравлическое сопротивление пароперегревателя
В
данном случае целесообразно завести пар из 1 ступени сепаратора в деаэратор,
поэтому давление в РНП- 0,7 МПа.
Количество
пара, отсепарированного в РНП и потеря продувочной воды определяются из
уравнения теплового и материального баланса расширителя продувки:
(2.13)
Где
- энтальпии продувочной воды, отсепарированного пара и
отсепарированной воды соответственно, КДж/кг
-коэффициент,
учитывающий охлаждение сепаратора, принимается равным 0,98
Дпр=Дпр-Дс1=4,2-1,8=2,4т/ч
Вторая
ступень рассчитывается аналогично первой
Количество
отсепарированного пара в РНП 2
(2.14)
Где
энтальпия сухого насыщенного пара и отсепарированной
воды.
Количество
продувочной воды, сбрасываемой в канализацию.
(2.15)
.7 Расчет ПВД
Рисунок 2.3 Расчетная схема ПВД
Расчет ПВД-7
(2.16)
Расчет ПВД-6
(2.17)
Расчет
ПВД-5
.8
Расчет основного деаэратора
Рисунок
2.4 Расчетная схема деаэратора
(2.18)
Уравнение
теплового баланса
(2.19)
2.9 расчет ПНД
Рисунок 2.5 Расчетная схема ПНД
Тепловой расчет ПНД 4
(2.20)
Уравнение теплового баланса ПНД - 4
(2.21)
(2.22)
Уравнение теплового баланса ПНД - 3
Количество
деаэрированной воды на подпитку котлов после вакуумного деаэратора
(2.23)
Уравнение теплового баланса ПНД - 2
Пропуск пара в конденсатор
Расход пара в отборы по результатам расчета
Д1= 6,5кг/с
Д2= 6,5 кг/с
Д3= 5,8 кг/с
Д4= 5,4 кг/с
Д5= 5,4 кг/с
Д6= 4 кг/с
Дк =6,9 кг/с
Баланс мощностей
Мощность потока пара в турбине первого отбора
Второго
отбора
Третьего
отбора
Четвертого
отбора
Пятого
отбора
Шестого
отбора
Мощность
конденсатного потока
мощность
на зажимах генератора
ΣNi=1677 +2652+30860,7+3834+11894,8+23128,9+8680,2=82727,6кВт
Мощность на зажимах генератора
Погрешность
3. Выбор вспомогательного оборудования тепловой схемы станции
.1 Оборудование, поставляемое в комплекте с турбиной
В комплектное оборудование, поставляемое вместе с турбиной
ПТ-80/100-130/13 поставляются:
регенеративные подогреватели высокого и низкого давления;
конденсатор 80 КЦС;
эжектор ЭП-3-700-1 (2 шт.)
маслоохладители МБ-63-90 (2 шт.)
.2 Расчет и выбор деаэраторов
В соответствие с НТП суммарная производительность деаэраторов питательной
воды выбирается по максимальному ее расходу. Суммарный запас питательной воды в
баках должен обеспечивать работу в течение для блочных 3,5 мин. Для не блочных
7 мин. К основному деаэратору предусматривается подвод резервного пара для
удержания в них давления при сбросе нагрузки и деаэрации воды при пусках.
Максимальный расход пара питательной воды:
; т/ч (3.1)
-
продувка
-
собственные нужды
-максимальный
расход пара на турбину
; т/ч
(3.2)
-
минимальная полезная вместимость бак деаэратора
- запас
- объем
Принимаю
БДП-100-1-3 и ДП-500М2
.3 Расчет и выбор конденсатных насосов
Конденсатные насосы выбираются по условиям максимального расхода пара в
конденсатор, необходимому на пару и температуре конденсата.
Типоразмер конденсатного насоса определяется по подаче и напору:
,т/ч (3.3)
,1- коэффициент запаса
-
учитывается отвод в конденсатор
т/ч (3.4)
- расход
пара на турбину
- сумма
регенеративных отборов
т/ч
т/ч
Напор
конденсатного насоса определяется исходя из давления в деаэраторе, преодоление
сопротивления всей регенеративной схемы и всего тракта от конденсатора до
деаэратора, а так же высоты гидростатического столба в связи с установкой
деаэратора на значительной высоте.
,м (3.5)
-
коэффициент запаса на непредвиденные эксплуатационные сопротивления,
=1,1(принимается);
-
давление в деаэраторе,
=0,59МПа;
-
давление в конденсаторе,
=0,0035Мпа
-
геометрическая высота подъема конденсата;
102-переводной коэффициент
- сумма
потерь напора трубопровода и ПНД;
,м (3.6)
-
гидравлические сопротивления ПНД;
-
гидравлические сопротивления труб и арматуры;
-
гидравлические сопротивления охлаждения уплотнений;
-
сопротивление питательного клапана деаэратора;
м
м.
В соответствие с произведенными расчетами подача и напор:
т/ч
м
По
выбирается типоразмер конденсатного насоса:
КСВ200-220 в количестве трех штук, два рабочих и один резервный.
3.4 Расчет и выбор питательных насосов
В соответствие с НТП питательные насосы выбираются на схемах с
поперечными связями. Питательные насосы выбираются: суммарная подача всех
питательных насосов должна быть такой чтобы в случае остановок любого из них
оставшиеся должны обеспечивать номинальную паропроизводительность всех
установленных котлов. Резервный насос хранится на складе. Типоразмер
питательного насоса определяется по подаче и давлению.
,м3/ч (3.7)
- доля
расхода пара на продувку,
= 0,02.
β - доля расхода пара на собственные нужды, β=0,03.
-
максимальный расход пара на турбину,
= 470
т/ч.
-
удельный объем,
=1,1 м3/ч.
м3/ч
Давление
питательного насоса:
;МПа (3.8)
-
давлении в стороне нагнетания питательного насоса.
-
давление на всасывающем патрубке.
Барабанный
котел:
, Мпа (3.9)
-
давление в барабане,
, Мпа
-
номинальное давление пара в котле.
-
гидравлические сопротивления паропровода в барабане котла, МПа (
от
)
,МПа
(3.10)
- запас
давления на открытие предохранительного клапана 5% от
-
суммарное гидравлическое сопротивление нагнетательного тракта.
-
гидравлическое сопротивление клапана питания котла, Мпа (
=0,1МПа)
-
гидравлическое сопротивление трубопроводов от насоса до котла, МПа (
= 0,25 МПа)
-
гидравлические сопротивления ПВД
=92м
(0,92 Мпа)
-
гидравлическое сопротивление экономайзера,
= 0,75
Мпа
МПА
-
геодезический напор
-
плотность (средняя) в нагнетательном патрубке.
Нн
- высота столба воды на нагнетательной стороне насоса
;
(3.11)
(3.12)
, МПА (3.13)
-
давление в деаэраторе
-
сопротивление водяного тракта до входа в питательный пред включенный насос.
= 0,01МПа
- средняя
плотность в нагнетательном патрубке,
= 0,909

3.5 Расчет и выбор сетевых насосов
Подача сетевых насосов определяется по расчетному расходу сетевой воды. В
связи с упрощением конструкции сетевых подогревателей давление воды а
подогревателе ограничено 8 ат. А давление в теплосетях (требуемое) - 18 ат.
Напор сетевых насосов первой ступени выбирается по условию преодоления
гидравлических сопротивлений сетевых подогревателей и создание необходимого
кавитационного запаса на всосе насоса второй ступени.
; т/ч (3.14)
т/ч
В
связи с расчетами выбирается 2 рабочих и 1 резервный насосы типа СЭ 5000-160
.6 Расчет и выбор конденсатных сетевых насосов
Конденсатные сетевые насосы при двухступенчатом
подогреве выбирается с резервным насосом I ступени подогрева. При установке двух рабочих насосов на
каждой ступени подогрева устанавливается один резервный насос на 1 ступени
подогрева. Напор выбирается по условию закачки конденсата в линию основного
конденсата.
В соответствии с полученными расчетами, выбирается по
подаче и напору:
D=120 т/ч;
Н=220 м
Выбираем насос Ксв200-220.
.7 Расчет и выбор оборудования подпитки котлов
Деаэратор
В соответствие НТП на ТЭЦ с большими добавками воды в качестве первой
ступени деаэрации применяются вакуумные деаэраторы, деаэрации подлежат:
1. Обессоленная вода для восполнения потерь в цикле
2. Вода из дренажных баков куда направляются все потоки имеющие
открытый слив.
. Слив конденсата от привода системы регулирования охлаждения
электродвигателей, и приводы арматуры БРОУ и РОУ.
Производительность деаэратора выбирается по суммарному расходу всех
потоков воды поступающих в деаэратор.
Дп= 600т/ч
Потери конденсата на производстве 30%
Внутристанционные потери конденсата α=2% от Дк.
Продувка котлов 1%
Производительность котлов:
Дк= 6* 420=2520 т/ч
Расход обессоленной воды:
т/ч (3.15)
αск - доля сброса продувочной воды в
канализацию, αск= 0,0051
β - процент потерь на производстве, β=0,3
αпот - 0,02
т/ч
Сумма
потоков поступающих в деаэратор подпитки
т/ч
В
соответствие с полученными расчетами по литературе 1 выбираем два ДВ-400
Подача
рабочих насосов первой и второй ступени подогрева выбирается по суммарному
расходу пара в отборы и напор насосов выбирается условиями закачки в линию
основного конденсата.
Д=120т/ч
Нксн= 220 м
Выбираем насос Ксв200-220
Типоразмер Ксв200-220
Подача, V 200
Напор, Н 220
Допустимый кавитационный запас 2,5
Частота вращения 1500
Мощность, N 164
КПД, % 73
4. Схема технического водоснабжения. Определение потребности станции в
технической воде и выбор циркуляционных насосов
Согласно заданию станция располагается в городе Петрозаводск. Система
водоснабжения оборотная с градирнями Геллера.
На станции применяем традиционный конденсатор поверхностного типа.
Сухое охлаждение обеспечивает решение проблем недостатка воды и
экологического ущерба. Такая система выбрасывает только теплый и чистый воздух,
который не вызывает необратимых в окружающей среде и дает возможность сооружать
электростанцию в отдаленных от источников воды местах. Схема технического
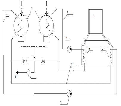
водоснабжения приведена на рисунке 3.
Охлажденная в градирне (1) техническая вода по циркводоводам (4) подается
в конденсатор (3), где она нагревается , отбирая тепло у пара, отработанного в
турбине и по сливным циркводоводам (5) поступает на всас циркуляционных насосов
(6) и подается в охладительные элементы (2). В охладительных элементах вода
движется по трубкам не соприкасаясь с воздухом.
Расход охлаждающей воды на конденсатор.
(3.16)
-
максимальный расход пара в конденсатор (из расчета),
=124,2т/ч
=2250
КДж/кг
= 113,13
КДж/кг
С -
нагрев охлаждающей воды в конденсаторе (принимаем)
,01
- коэффициент, учитывающий дополнительные сбросы тепла в конденсатор.
Расход
охлаждающей воды на подшипники вращающихся механизмов:
Расход
охлаждающей воды на маслоохладители:
Расход
охлаждающей воды на газо- и воздухоохладители:
Расход
охлаждающей воды на блок:
Расход
охлаждающей воды на станции:
(3.17)
Выбор циркуляционных насосов.
Для обслуживания конденсаторов ТЭЦ принимаем к установке два
циркуляционных насоса. Производительность ЦН должна обеспечивать по нормам
нагрузку блока не менее 60%. Отсюда:
(3.17)
На основе приведенных расчетов принимаем к установке два циркуляционных
насоса типа: 05-29,5
Характеристика насоса
Подача, V 1100
Напор, м вод.ст. 7
Допустимый кавитационный запас 5
Частота вращения 1450
Мощность, N 28,5
КПД, % 75
1. Градирня Геллера
2. Охладительные дельты
. Конденсаторы
. Напорные цирководоводы
. Сливные цирководоводы
. Циркуляционные насосы
. Фильтр механический
. Подача охлаждающей воды на нужды ТЭЦ (мо,го,во,подшипники.).
Рисунок 4.1 Схема технического водоснабжения
. Определение часового расхода топлива энергетических и водогрейных
котлов
Технические характеристики котла:
Паропроизводительность, Д=420 т/ч
Давление перегретого пара, Рпп =13,8 Мпа
Температура
перегретого пара, t = 560
Температура
питательной воды, t = 230
Энтальпия
перегретого пара, hпп=3512,1 КДж/кг
Энтальпия
питательной воды,hпв= 992,1 КДж/кг
Технические
характеристики топлива:
Бассейн
: Печерский, Воркутинский
Состав
рабочей массы топлива
Wp=5,5%;
Ap=28,4%;и Spop=0,9%;=55,5%;Hp=3,6%;Np=1,7;Op=4,4%
Низшая
теплота сгорания: Qрн=22,02 кг/МДЖ
Приведенные
характеристики:
Wп=0,25% кг/МДж;
Ап=1,29%кг/МДж
Выход
летучих:Vг=33%
Обьемы
воздуха и продуктов сгорания:
V0=5,77м3кг; Vro2=0,56
м3кг; V0N2=4,57 м3кг; V0H2O=1,04
м3кг
Система
пылеприготовления - с прямым вдуванием пыли в топку.
Тип
шлакоудаления - твердое.
Принимается
температура горячего воздуха tчв=400
Тип
воздухонагревателя - ТВП.
Принимается
температура воздуха на входе в воздухонагреватель t/вп=30
Температура
уходящих газов
=140
Расход
топлива :
; м3/ч (5.1)
Qка -
тепло, полезно используемое в котле, КДж/кг
Qка=D(hпп- hпв),
КДж/кг (5.2)
D -
паропрозводительность котла (см. выше)
hпп -
энтальпия перегретого пара, КДж/кг
hпв -
энтальпия питательной воды, КДж/кг
Qка=420(3512,1-
992,1)=1058400, КДж/кг
Qpp
Qpн=22,02 кг/МДж
- потери
тепла с физическим теплом шлака,
= 1%
- потери
тепла в окружающую среду,
= 0,5%
- потери
тепла с механическим недожогом,
= 2%
- потери
тепла с химическим недожогом,
=0%
- потери
тепла с уходящими газами ,%
;% (5.3)
-
коэффициент избытка воздуха,
=1,5(принимается).
Нух
- энтальпия уходящих газов, КДж/кг
Нух=Н0г.ух+Н0в.ух(
-1), КДж/кг (5.4)
Н0г.ух - теоретическая энтальпия уходящих газов, КДж/кг
Н0г.ух=
; КДж/кг (5.5)
-
температура уходящих газов (см.выше)
Н0г.200=
1732 КДж/кг
Н0г.ух=
КДж/кг
Н0в.ух
- теоретическая энтальпия воздуха, КДж/кг
Н0в.ух=
; КДж/кг (5.6)
Н0в.200=1537 КДж/кг
Н0в.ух=
; КДж/кг
Нух=1212,4+1075,9(1,5-1)=2288,3,КДж/кг
Н0хв
- энтальпия холодного воздуха, КДж/кг
Н0хв=
; КДж/кг (5.7)
-
температура холодного воздуха,0С
Н0ов2000С=1537
КДж/кг (см. выше)
Н0хв=
КДж/кг
%
; кг/ч
Расход
резервного топлива:
; кг/ч (5.8)
Qpp=Qpн=40000 КДж/кг
Qpн -
теплота сгорания резервного топлива
- КПД
котла брутто работающего на резервном топливе,
=91%
кг/ч
6. Выбор системы топливного хозяйства на основном топливе и ее описание.
Выбор резервного топлива
.1 Расчет и выбор складов топлива
Станция расположена на расстоянии более 100 км от месторождения, значит
на складе необходимо иметь 30 суточный запас топлива.
Объем склада:
м3
(6.1)
n=6 -
количество энергетических котлов.
t=30
суток.
м3
Принимаем
на станции склад топлива кольцевой с поворотным штабелеукладчиком и роторным
перегружателем, схема которого приведена на рисунке.
Используемое
на станции топливо устойчиво к окислению и самовозгоранию (самовозгорается в
редких случаях). Предельный срок хранения при вместимости штабеля более 100000
тонн - 4 года.
Площадь
под склад:
, м2 (6.2)
-
насыпная плотность угля,
=0,8т/м3
, м2
Площадь
под склад брутто:
м2 (6.3)
Подача топлива в котельное отделение:
Т.к. мощность станции Nтэс=400МВт,
то топливо подача выполняется с одним самостоятельным вводом топлива в главный
корпус со стороны постоянного торца. Подача топлива производится по эстакаде с
углом наклона не более 180 по двум ленточным транспортерам.
Производительность одного ленточного транспортера:
т/ч
Принимаем
к установке транспортерную ленту прорезиненную, морозостойкую.Шириной:1400мм.
Скорость движения ленты - 2,25м/с.
Т.к. расход топлива на всю станцию составляет Втэснат = 381,1 т/ч то
принимаем к установке один вагоноопрокидыватель, боковой.
Выбор системы пылеприготовления.
Коэффициент размолотоспособности топлива Кло=1,5
Приведенная влажность топлива Wп меньше 8%. На основании приведенных данных принимаю к установке шаровые
барабанные мельницы и индивидуальные системы пылеприготовления с промбункером
пыли.
При индивидуальной схеме СПП устанавливаем не менее двух ШБМ на один
котел. Количество мельниц - 12 штук.
Схема пылеприготовления приведена на рисунке.
Производительность одной мельницы должна быть не менее:

т/ч (6.4)
,35 - коэффициент запаса
т/ч
Принимаем
к установке шаровые барабанные мельницы : Ш-32А (ШБМ - 340/650)
Характеристика
мельницы:
Производительность,
т/ч 32
Диаметр барабана, мм 3400
Частота вращения, об/мин 17,2
Предельная масса загружаемых шаров, т 56
Мощность электродвигателя, КВт 1000
Выбор резервного и растопочного топлива.
Резервным и растопочным топливом на станции принимаю мазут марки М-100.
На станциях паропроизводительностью менее 4000т/ч устанавливаются
мазутохранилище резервного и растопочного топлива 3 бака емкостью по 1000
м3каждый.
1. Вагонные весы
2. Размораживающее устройство
. Приемно-разгрузочное устройство
. Узел пересыпки
. Топливный склад
. Дробильное помещение
. Ленточные (транспортерные) весы
. Отборник средних проб топлива
. Раздающий транспортер
.Бункер сырого топлива для котлов
Рисунок 6.1 Принципиальная схема топливного хозяйства ТЭЦ
7. Расчет и выбор главных трубопроводов ТЭС
К главным паропроводам ТЭС относятся паропроводы свежего пара и
паропроводы промперегрева. Для изготовления трубопроводов применяют
углеродистые или легированные стали перлитного класса , которые обладают
достаточной прочностью при длительном воздействии высоких температур , (
углеродистые до 4500С, легированные до 5850С), легко подвергаются механической
обработке и хорошо свариваются. Возможно применение и аутентитных сталей, но
они во много раз дороже перлитных , трудно обрабатываются поэтому мало освоены
в эксплуатационных условиях.
Главные паропроводы изготавливаются из бесшовных высококачественных
стальных труб по особым техническим условиям. Стандартные трубы характеризуются
величиной рабочего и условного давления, а также условного прохода. Условный
проход - это величина внутреннего диаметра трубопровода. Рабочее давление - это
наивысшее давление , при котором допускается работа трубопровода и его деталей
при рабочей температуре среды. Понятие условного давления в основном связано с
унификацией деталей и изделий ,предназначенных для различных условий работы.
При температуре до 2000С рабочее давление равно условному , при более высоких
температурах рабочее давление в зависимости от материала снижается по сравнению
с условным давлением .
При проектировании трубопроводов производят гидравлический (определение
диаметра трубопровода или его пропускной способности), механический
(определение толщины стенки трубы, расчет самокомпенсации) или тепловой
(определение тепловых потерь, выбор материала и толщины изоляции) расчеты.
Проходное сечение Fтр и
его внутренний диаметр dв
определяется по формулам:
Fтр=
м2,
мм,
D - часовой
расход, кг/ч
-
удельный объем среды ,м3/ч
С
- скорость движения среды, м/с
Fтр=
м2,
, (7.1)
Экономически наивыгоднейшая величина диаметра трубопроводов,
Определяется минимумом расчетных затрат. Величина диаметра влияет на
толщину стенки, расход металла и изоляции , а также потерю давления и расход
энергии.
Выбираю
паропровод подачи острого пара из котла в главный паропровод ТЭС диаметром dHXS=
325
22 мм (dу=250мм), массой 1кг.погонного метра 175,7 кг/м
Сталь
марки 12Х1МФ.
насос
теплофикационный котел турбина
8. Выбор диаметров, типоразмеров и материала трубопроводов питательной
воды
Материал , применяемый для питательных трубопроводов станции - сталь 15
ГС, (16ГС), сталь 20.
Потери давления в питательных трубопроводах можно принять равной 1%
напора питательного насоса.
Расход питательной воды определяется по формуле:
,т/ч (8.1)
,т/ ч или
112,5кг/с,
Подача
воды к парогенераторам осуществляется по одной или двум ниткам, принимаю
однониточную схему подачи питательной воды в систему регенеративного подогрева
высокого давления.
Внутренний
диаметр трубопровода питательной воды определяется по формуле:
(8.2)
Дпв - расход питательной воды, кг/с.
= 0,00107
- удельный объем питательной воды при температуре. 125,60С.
С
= 3м/с - скорость воды в питательном трубопроводе.
=1 -
число ниток питательного трубопровода.
м или 225
мм.
Схема
питательных трубопроводов принята однониточной на всем участке от питательных
насосов в пределах ПВД и после них.
Из
сортамента труб для питательных трубопроводов Рраб = 185 кгс/см2,
t = 2150С
принимаю:
dн=325
24 мм.
Вес
1 кг. трубы = 190,4 кг.
dу = 225 мм.
Материал
- сталь 16 ГС.
9. Выбор тягодутьевых установок и дымовой трубы
.1 Выбор тягодутьевых установок
Выбрать надо дымососы и вентиляторы, выбирается количество машин и
типоразмеры. Согласно НТП на котлах производительностью менее или равной 500т/ч
надо устанавливать один дымосос и один вентилятор. Для выбора типоразмера
машины , надо рассчитывать Qр,м3/ч
- расчетная подача и Hпрр,
мм.вод.ст. - расчетный приведенный напор машины.
, м3/ч (9.1)
-
коэффициент запаса,
- 1,1
- расход
дымовых газов или расход воздуха перед машиной, м3/ч
-
барометрическое давление в том городе где проектируется электростанция,
= 750 мм.в.ст.
Z - количество
машин, Z = 5 шт.
Расчет
V для дымососа (дымовые газы)
,м3/ч (9.2)
Вр - расчетный расход топлива
,кг/ч (9.3)
В и q4 - смотри выше.
- присосы
в котле,
=0,5
V0 -
теоретический объем воздуха, м3/м3(кг)
Vух -
температура уходящих газов (смотри выше)
Vг.ух - объем
дымовых газов перед дымососом, м3/м3(кг)
Vг.ух = V0г+
1,0161
- смотри
выше
V0= V0H2O+V0N2+V0RO2, м3/м3(кг) (9.4)
V0H2O,V0N2,V0RO2 по таблице
П.4.2.
V0=
1,04+4,57+0,56=6,17, м3/м3(кг)
Vг.ух = 6,17+
1,0161
,кг/ч
,м3/ч
, м3/ч
Расчет V для вентилятора (воздуха)
м3/ч (9.5)
- смотри
выше
-
коэффициент избытка воздуха в топке,
= 1,2
= 0,05
-
присосы в СПП,
=0,04
-
присосы в ВП,
=0,06
= 300С
, м3/ч
, м3/ч
Расчет
Нпрр:
Нпрр=
Кр
Нр
Кр-
коэффициент приведения расчетного давления машины к условия при которых на
заводе построена рабочая характеристика машины.
(9.6)
= 0,132
кг/м3 - воздух
-
дымовые газы
- по
справочнику
-
плотность воздуха (если выбирают вентилятор) или плотность дымовых газов ( если
выбирают дымосос).
(9.7)
V0h2o , V0г -
смотри выше.
Т - абсолютная температура воздуха или дымовых газов перед машиной из
меряется в К (кельвинах)
- воздух
-
дымовые газы
,
- смотри выше.
Тзав - абсолютная температура воздуха при которой снята характеристика на
заводе.
- воздух
-
дымовые газы
Нр - расчетный напор машины
-
коэффициент запаса,
= 1,2 -
дымосос,
= 1,5 -
вентилятор,
- полный
перепад давлений на воздушном или газовом тракте, мм.в.ст.
=
230-280 - дымосос
=
250-300 - вентилятор
Вентилятор:
Нпрр=
1
375= 375 мм.в.см.
Дымосос:
Нпрр=
1,1
276= 303,6 мм.в.см.
На
каждый котел принимаю к установке один вентилятор ВДН-28-II-у
одна штука и один дымосос: ДОД-43 одна штука
9.2 Расчет дымовой трубы:
На ТЭС строят дымовые трубы железобетонные с
внутренней кирпичной облицовкой но если труба высотой от 180 - 250 метров то
надежней строить трубу с воздушным вентиляционным зазором.
Высота тубы зависит от объема дымовых газов и от
концентрации сернистого газа и оксидов азота в дымовых газах. Высота должна
быть такой чтобы концентрация токсичных газов на уровне дыхания была в
соответствие с санитарными нормами.

,м (9.8)
-
коэффициент зависящий от конструкции трубы, для одноствольных труб
=1
А
- коэффициент зависящий от географического положения электростанции.
F - коэффициент
учитывающий скорость осаждения токсичных веществ для SO2 и Nox, F=1
m - коэффициент
зависящий от скорости выброса дымовых газов из устья труб,m -
0,85
Vсек - секундный
объем дымовых газов.
,м3/ч (9.10)
Vд - смотри выше.
nк - количество котлов подключенных к одной трубе.
-
разность между температурой уходящих газов из котлов газов и средней
температурой самого жаркого месяца.
-
температура самого жаркого месяца, смотри т/б 10.1
n - коэффициент
зависящий от параметра
(9.11)
h - предварительно принятая ориентировочная высота трубы (по
согласованию с руководителем)
МSO2 -
выброс сернистого газа из трубы, мг/с
(9.12)
SP - содержание серы в топливе
Всек - секундный расход топлива,
,кг/с
В - расход угля
nк -
количество котлов на одну турбину
- доля
сернистого газа осевшая в золоуловителе
М
NOX - выброс оксидов азота из трубы
, мг/с (9.13)
-
коэффициент по т/б 7.6
К
- коэффициент
Д
- паропроизводительность одного котла в т/ч
Qрн - теплота
сгорания топлива, МДж/кг
q4 - смотри выше
-
коэффициент зависящий от конструкции горелок
,м3/ч
n=1
,кг/с
, мг/с

, м
Принимаю трубу высотой 150 метров. Такая низкая труба из-за низкого
содержания серы.
Диаметр устья

, м 
, м
Vсек -
смотри выше
W -
сотри выше
Диаметр округляю до ближайшего целого числа.
10. Выбор схемы и оборудования золоулавливания и золошлакоудаления и ее
описание
Для
улавливания золы из уходящих газов предусматривают выбор и установку на каждый
паровой котел четырех электрофильтров типа УГЗ - 4
215, КПД золоуловителя 99,5%.
Краткая
характеристика электрофильтров.
Электрофильтр
современной типовой конструкции типа УТ и УГЗ.
Запыленные
газы после газораспределительной решетки поступают в коридоры, образованные
вертикально широкополосными осадителями электродом С-образной формы, к которой
подведен выпрямленный ток высокого напряжения.
В
электрическом поле происходит ионизация дымовых газов, и частички золы получаю
отрицательный заряд.
Под
действием электрических сил частички осождаются на осадительном электроде.
Далее с помощью ударного механизма происходит встряхивание электродов, и частички
под действием тяжести попадают в бункер.
Степень
осождения определяется двумя факторами - скорость дрейфа частиц золы к
осадительному электроду и удельной поверхности осаждения. Увеличением удельной
поверхности осаждения можно получить высокую степень улавливания, однако это
связано с большим расходом металла и увеличением объема фильтра.
Одним
из эффективных путей повышения улавливания золы с неблагоприятными
электрическими свойствами является использование влажностного
кондиционирования. При добавлении влаги происходит понижение температуры газов
повышается рабочее напряжение на коронирующих электродов благодаря увеличению
диэлектрической проницаемости дымовых газов, что увеличивает скорость дрейфа.
Степень
улавливания золы в электрофильтре зависит от скорости пылегазового потока. Она
не должна превышать 1,3 - 1,8 м/с. На степень улавливания золы больше влияет
равномерность распределения пыле скоростей дымовых газов по сечению
электрофильтра. Она зависит от принятых газораспределительных устройств на входе
в электрофильтр.
На
проектируемой ТЭЦ принимаю комбинированную систему золошлакоудаления (ЗШУ).
ПГЗУ с использованием части золы на строительство, которая в пояснительной
записке представлена на рисунке.
Из
- под котлов шлак удаляется механизированным способом, пройдя в дробилку
попадая в шлаковые каналы (9),по которой он транспортируется к насосной станции
(7) самотеком или с помощью струи воды , выходящей из побудительных сопл (13).
Из-под сухих золоуловителей зола собирается пневмосистемой в промежуточный
бункер, откуда она может быть выдана потребителю, при его отсутствие подана
смывным аппаратом (11) в золовые каналы (17), а по ним в багерную насосную (8).
В
каналы непосредственно поступает пульпа из-под золоуловителей.
В
приемной емкости насосной станции шлаковая и золовая пульпы смешиваются, из
золошлак транспортируется до золоотвала (1) багерными насосами (8). Зола и шлак
оседают на золоотвале, и осветленная вода возвращается насосами на
электростанцию для повторного использования.
При
наличие потребителей золы из промежуточных бункеров пневмосистемой
транспортируется в склад сухой золы. Гидрозолоудаление при этом является
резервной системой. Для непрерывного механизированного шлакоудаления котельные
заводы комплектно с котлами поставляют роторные, шлаковые и скребковые
транспортеры. Размер кусков шлака после роторных транспортеров не превышает 60
мм.
Применение
золоотвалов экономически нецелесообразно, по этому предполагаю использование
золы и шлака для производства шлакоблоков или шлакобетона на подсобном
производстве ТЭС это позволит получить некую прибыль и избавится от уплаты
налога за землю, которая была бы занята шлакозолоотвалом уменьшить расходы на
обслуживание и ремонт соответствующего оборудования, транспортные расходы и
расход электроэнергии на собственные нужды ТЭЦ.
11.
Схема подготовки добавочной воды на ТЭС
На
проектируемой электростанции применяется двухступенчатая схема химического
обессоливания.
Сырая
вода подогревается до температуры 300С и поступает в осветитель, где
освобождается от каллоидных частиц. Осветленная вода сливается в
«бак-накопитель». Из бака вода направляется в механический фильтр, где из неё
удаляются грубодисперсные примеси. Далее вода направляется на фильтры
химической очистки; первым в схеме стоит водород - катионный фильтр, в нем
задерживаются ионы кальция, магния, натрия и заменяются на ионы водорода.
Обработанная вода умягчается и снижает свое солесодержание. Затем вода
поступает в слабоосновной анионитный фильтр; в нем анионы серной и соляной
кислоты задерживаются, а ион OH- (гидроксильный ион) уходит в воду. Далее
декарбонизатор, в котором из воды удаляется растворенный в ней CO2.
Из декарбонизатора вода поступает на фильтры второй ступени. Водород -
катионный фильтр второй ступени улавливает те ионы Са, Mg, Na,
которые проскочили через первую ступень. Анионитный фильтр второй ступени
является сильноосновным фильтром, в нем улавливаются анионы слабых кислот, в
основном кремниевом, т.е. происходит обескремнивание воды. Очищенная вода
поступает в подпитку регенеративного цикла.
Требования
к качеству питательной воды:
общая
жесткость 1 мГр экв/дм3
соединения
железа 20 мГр/дм3
кислород
10 мГр/дм3
удельная
электропроводимость
1,5 мкСм/см
кремниевая
кислота 30 мГр/дм3
12.
Перечень средств автоматизации проектируемой ТЭЦ и технологических защит и
блокировок в систем пылеприготовления с бункером пыли
На
тепловой электрической станции предусматривается автоматизированная система
управления (АСУ). Технологическими процессами обеспечивающая выполнения функций
контроля, сигнализации, вычисления, дистанционного управления, автоматического
регулирования управления и защиты технологических объектов а также оперативную
связь, объем принимается в соответствие с руководящими указаниями. Для станции
с поперечными связями основными постами управления являются:
главный
щит управления (ГЩУ)
групповой
щит управления (ГрЩУ)
щит
управления вспомогательных цехов
С
главного щита управления производится управление генераторами и элементами
главной схемы соединений, включая питающие элементы собственных нужд 3-10 кВ
(объем управления указан в п.8.38 «Электротехнической части»), управление
циркуляционной насосной и другими объектами, предусмотренными ПТЭ, а также
аварийное отключение мазутных насосов. При наличие на ТЭЦ ГрШУ, управление
циркуляционными насосами может выполнятся с Грщу.
На
ГЩУ предусматривается информация о работе основных агрегатов и сигнализация о
неисправности не обслуживаемых постоянным персоналом участков электростанции.
Для
управления четырьмя агрегатами, как правило, сооружается один групповой щит на
проектируемой станции пять турбин следовательно два щита. Групповые щиты
управления котлами и турбинами располагаются в одном изолированном помещении по
возможности центрально к обслуживаемым агрегатам. Из этого помещения, как
правило, осуществляется также управление питательными насосами, деаэраторами и
РОУ.
Электростанция
с поперечными связями оснащаются приборами автоматического химконтроля водного
режима, устанавливаемм в двух смежных помещениях с организованными стоками и
вентиляцией - одно для устройств подготовки пробы, другое - для автоматических
приборов химконтроля. Устройства подготовки пробы и приборы химконтроля группы
котлов и турбин располагаются в общих помещениях между котельными и
турбогенераторным отделениями. На Грщу выводится сигнал нарушения водного
режима.
Допускается
применение для дистанционного управления аппаратуры пониженного напряжения
(24-60В).
Управление
общестанционным оборудованием, находящимся вне главного корпуса (
топливоподача, мазутонасосная, пиковая котельная, химводоочистка, золоудаление,
электролизерная, компрессорная, и др.) и контроль работы этого оборудования
осуществляется со щитов управления, расположенных в помещениях, где это
оборудование установлено или непосредственно по месту соответствующих
механизмов.
Во
всех случаях , за исключением топливоподачи и химводоочистки, контроль и
управление выполняются, исходя из отсутствия на этих участках постоянного
дежурного персонала, вследствие чего при появлении неисправности в работе
оборудования на центральный (главный) щит управления подается общий для каждого
участка сигнала осуществляется в помещении соответствующего участка.
В
тракте топливо подачи автоматизируются управление механизмами и процесс
загрузки бункеров топливом. Дистанционное управление механизмами выполняется с
центрально щита топливоподачи, располагаемого в изолированном помещении с
доступным для аппаратуры уровнем вибрации и запыленности.
В
химводоочистке предусматривается автоматизация технологических процессов,
производительности ХВО, режимов регенерации , восстановление фильтров и
процесса нейтрализации сточных вод.
В
мазутохозяйстве осуществляется автоматизация технологического процесса.
Дистанционное управление механизмами выполняется со щита мазутонасосной.
Помещение
центрального (главного), блочного и группового щитов управления, а также
помещения для средств вычислительной техники выполняются со звукоизоляцией и
кондиционированием воздуха. Из помещений щита предусматривается два выхода.
Перекрытие
щитового помещения должно иметь гидроизоляцию.
Высота
центральной части помещения (ЦЩУ, БЩУ, ЩУ и Грщу) в которой располагается
оперативный контур, принимается 4м.
Интерьер
щита выполняется по специальному проекту.
В
случае установки реле или иной аппаратуры системы управления вне БЩУ в
обособленных изолированных помещениях - последние выполняются вентилируемыми.
В
инженерно вспомогательном корпусе предусматривается помещение для измерительных
лабораторий и ремонта приборов общей площадью до 400м2
Принято,
что система пылеприготовления с прямым вдуванием состоит из следующего
оборудования: бункера сырого топлива, питателя сырого топлива, одной мельницы,
индивидуального вентилятора сушильно-вентилирующего агента, установленного
перед или за мельницей, сепаратора пыли, пыледелителя, пылеконцентратора,
пылегазовоздухопроводов со встроенными клапанами (шиберами), систем смазки и
пожаротушения.
Система
пылеприготовления с промежуточным бункером дополнительно оснащена циклоном с
мигалками и сетками в течке пыли под ним, коробами первичного и/или сбросного
воздуха, смесителями пыли, встроенными в основные пылепроводы. К одному
промежуточному бункеру с питателями пыли подключается одна или несколько
мельниц с относящимися к ним бункерами и питателями сырого топлива,
сепараторами, циклонами и индивидуальными вентиляторами.
Защиты
в системе пылеприготовления с бункером пыли.
Защиты,
действующие на останов системы пылеприготовления:
Повышение
до II предела температуры пылегазовоздушной смеси за сепаратором для всех
топлив, кроме АШ.
Повышение
давления в системе пылеприготовления, оборудованной взрывными
предохранительными клапанами.
Забивание
течки пыли под циклоном (выполняется по требованию Заказчика).
Повышение
вибрации мельницы (выполняется по согласованию между заводом и Заказчиком).
Уменьшение
протока масла через любой подшипник мельницы или ее электродвигателя, имеющий
принудительную жидкую смазку.
Отключение
MB.
При
аварийном останове котла.
При
аварийной разгрузке котла.
Защиты,
выполняющие локальные операции:
Повышение
до I предела температуры пылегазовоздушной смеси за сепаратором для всех
топлив, кроме АШ.
Прекращение
выхода сырого топлива из бункера.
Понижение
уровня сырого топлива в бункере систем пылеприготовления с сушкой топлива
дымовыми газами и питателями сырого топлива в газоплотном корпусе.
Перегрузка
мельницы.
Забивание пылепровода к основной горелке.
Блокировки системы пылеприготовления с бункером пыли
Запрещается включение электродвигателя мельницы:
Без подачи пара в мельницу (определяется конкретными условиями
эксплуатации систем пылеприготовления на взрывоопасных топливах).
Запрещается включение электродвигателя мельницы при закрытой арматуре на
трубопроводе подачи пара в мельницу.
Без подачи воды в мельницу (выполняется только для молотковых мельниц при
размоле в них всех топлив, кроме углей тощих, экибастузского и кузнецкого марок
ОС и 2СС).
Запрещается включение электродвигателя мельницы при закрытой арматуре на
трубопроводах подачи воды в размольную камеру мельницы или в центробежный
сепаратор пыли.
Без подачи в мельницу сушильно-вентилирующего агента.
Запрещается включение электродвигателя мельницы при наличии любого из
указанных условий:
отключен электродвигатель мельничного вентилятора;
закрыт клапан в пылегазовоздухопроводе перед MB;
закрыты плотные клапаны в тракте сушильно-вентилирующего агента перед
мельницей или перед дымососом подачи в мельницу дымовых газов;
отключен электродвигатель этого дымососа;
закрыт направляющий аппарат дымососа;
не подключен к клапану в тракте присадки низкотемпературного сушильного
агента авторегулятор температуры пылегазовоздушной смеси за шаровой барабанной
мельницей (за сепаратором молотковой мельницы).
При работе вспомогательного привода мельницы.
Блокировка выполняется для шаровой барабанной мельницы.
Запрещается включение электродвигателя при уменьшении протока масла через
любой его подшипник или любой подшипник мельницы. Расход масла на каждый
подшипник контролируется одним датчиком-реле протока, задействованным также в
технологической защите по п.2.5.1.5.
Запрещается включение электродвигателя одноступенчатого питателя сырого
топлива при отключенном электродвигателе мельницы.
Запрещается включение электродвигателя транспортера двухступенчатого
питателя сырого топлива при отключенном электродвигателе мельницы.
При недостаточном расходе масла на каждый подшипник. Блокировка
выполняется для мельниц и их электродвигателей с принудительной жидкой смазкой
подшипников.
Запрещается включение электродвигателя дозатора двухступенчатого питателя
сырого топлива при отключенном электродвигателе транспортера.
Запрещается открытие плотных клапанов в тракте сушильно-вентилирующего
агента перед дымососом горячих дымовых газов при открытом атмосферном клапане
между ними.
13. Мероприятия по охране труда, технике безопасности и пожарной
профилактике по турбинному отделению
Оборудование турбинных цехов электростанции работает в различных
условиях: часть его находится под высоким давлением при высокой температуре и
испытывает большие механические нагрузки, а часть работает под высоким
напряжением. Сложное переплетение магистралей для транспортировки пара, воды,
масла, воздуха, водорода и других сред с помощью арматуры создают условия, при
которых работа на действующей электростанции считается опасной.
На обслуживающем персонале турбинных цехов лежит ответственность за
обеспечение нормальной работы дорогостоящего оборудования, а также ущерб,
наносимый при незапланированном прекращение выработки электроэнергии. Это
требует высокого нервно-эмоционального напряжения. Снижению напряжения
способствуют хорошие знания принципов действия оборудования, правил его
эксплуатации и инструкций, организация рабочих мест в соответствии с
установленными нормами освещенности, вентиляции и учетом требований эргономики.
Рабочее место машинистов-операторов турбин - вся турбинная установка. В
различных местах около нее существуют различные условия - повышенное
теплоизлучение, шум, вибрация, влажность, опасность поражения электрическим
током, вращающимися частями оборудования, паром и др.
Наибольшее тепловое излучение идет от поверхностей корпуса турбины в зоне
перегретого пара и паропроводов. Обычно интенсивность теплового уменьшают
теплоизоляцией горячих поверхностей. Температура наружной поверхности
теплоизоляции должна быть не более 450С. Если необходимо, источники теплоты
кроме теплоизоляции покрывают теплоотражающими экранами из алюминиевой фольги,
листового алюминия, белой жести, окрашивают алюминиевой краской. Наиболее
нагретые части корпуса накрывают кожухом из стальных листов. Необходимая
температура воздуха в турбинном цехе поддерживается естественной вентиляцией.
Обслуживающий персонал обеспечивается белково-витаминным напитком, газированной
охлажденной подсоленной водой чаем в количестве 1,5-3 л на день зимой и 2-4 л
летом. Для индивидуальной защиты от теплоизлучения используется специальная
одежда и обувь, рукавицы, каски, очки. В турбинном цехе уровень шума достигает
100 дБ и более. Источником шума являются турбина, генератор, паропроводы,
различные насосы и коллекторы дренажей. Вибрация основного оборудования
приводит к появлению вторичных источников шума: вибрируют листовые перекрытия,
смотровые площадки, перила и др. Кроме постоянного шума периодически при
срабатывании аварийных клапанов возникают шумы высокого уровня, а при посадке
стопорных клапанов - удары.
Интенсивный шум вредно влияет на здоровье работающих. Кроме того, в
шумных помещениях чаще происходят травмы.
Уровни шума на рабочих местах регламентируются ГОСТ 12.1.003 - 83 и
зависят от частоты звука, который излучает источник шума. Для защиты от шума в
местах наиболее длительного пребывания машинистов-обходчиков турбин
устанавливают звукоизолированные кабины, снабжают персонал средствами
индивидуальной защиты - наушниками, вкладышами, шлемами. Средства
индивидуальной защиты обязательно выдаются при уровне шума более 85дБ. В местах
где уровень шума составляет более 135 дБ запрещается даже кратковременное
пребывание работающих.
Вибрация оборудования так же оказывает неблагоприятное воздействие на
организм человека. Общая вибрация передается телу человека через ноги, а
местная - при прикосновении к ее источнику руками или частью тела. Уровни
допустимой вибрации (в децибелах) регламентируется тем же ГОСТом, что и уровни
шума. Для защиты от общей вибрации на нижнюю поверхность металлических листов
перекрытий приклеиваются специальные демпфирующие материалы (резиновые полосы,
коврики), обслуживающий персонал обеспечивают специальной обувью с
виброгасящими подошвами.
Рабочие помещения должны освещаться как естественным так и искусственным
светом. Источники освещения надо размещать так, чтобы создавалось достаточное
общее освещение и повышенная освещенность рабочих мест (местное освещение).
Применять на производстве только местное освещение не разрешается. Следует
иметь ввиду, что при люминесцентном освещении может возникнуть
стробоскопический эффект, при котором вращающиеся части оборудования кажутся
неподвижными.
В зависимости от условий работы в помещениях применяют различные типы
светильников: открытые, защищенные, закрытые, пыле- и влагонепроницаемые,
взрывоопасные. Нормы освещенности для различных помещений и мест различны, а
уровень освещенности зависит от характера работ, которые нужно проводить. Кроме
постоянного рабочего освещения на электростанциях предусматривается аварийное
освещение, используемое при выходе из строя рабочего. Осветительные устройства
регулярно очищают от пыли, ремонтируют и заменяют перегоревшие лампы.
В необходимых случаях используют переносные лампы заводского
изготовления, которые получают питание от переносных трансформаторов
напряжением не более 42 или 36 В, а в особо опасных условиях - не более 12 В.
Переносные лампы должны быть защищены сетками и снабжены устройствами для
подвески, иметь шланговый провод и специальную вилку, которую нельзя вставить в
розетку более высокого напряжения.
При обслуживании турбины необходимо обращать внимание на возможность
воспламенение масла. Маслопроводы высокого давления заключают в специальные
стальные короба со сливом. Маслопроводы без коробов отделяют от горячих
поверхностей экранами; фланцы и тройники заключают в специальные кожухи со
сливом. Во избежание пожара производить какие-либо работы, связанные с заменой
и ремонтом арматуры на маслопроводах или разборкой деталей системы регулирования
при работающей турбине или работающем маслонасосе, запрещается.
В помещениях электростанции должна поддерживаться чистота. Использованный
и чистый обтирочный материал должен хранится отдельно в специальных ящиках.
Вода и масло, пролитые на пол или перекрытие, должны быть немедленно убраны,
так как на них можно поскользнуться и получить тяжелую травму при падении.
При обслуживании турбинной установки персоналу приходится перемещаться по
лестницам с одного уровня на другой на расстоянии нескольких метров. Чтобы
избежать падения с высоты, края полов и перекрытий, лестничные марши должны
иметь прочные ограждения, поручни.
Персонал электростанции должен быть обучен правилам поведения при
возникновении пожара, четко знать свои обязанности, уметь обращаться со
средствами тушения пожаров и владеть способами огнетушения.
В помещениях, где расположена турбинная установка, имеются места
повышенной опасности, в которых следует находиться возможно более короткое
время. Например, не следует долго находиться около ЦНД в плоскостях вращения
ступеней турбин с длинными лопатками, так как корпус ЦНД имеет небольшую
толщину и лопатка при обрыве ее пробивает, вылетая с большой скоростью наружу.
Опасно также находится длительное время вблизи фланцев паропроводов, по которым
течет пар, имеющий высокое давление и температуру: в случае возникновения течи
через фланец струя пара может сильно обжечь.
В распоряжении обслуживающего персонала каждого цеха имеются инструкции и
технологические схемы, перечень которых утверждается главным инженером
электростанции.
Основное и вспомогательное оборудование электростанций, тепловых и
электрических сетей, в том числе трубопроводы, арматура, заслонки газо- и
воздухопроводов, нумеруются. Основные схемы оборудования вывешивают на видном
месте в помещении, где оно находиться. Необходимыми инструкциями снабжают все
рабочие места.
В инструкциях по эксплуатации оборудования в числе прочих сведений
обязательно дается краткая характеристика данной установки, порядок подготовки
ее к пуску, пуска, останова и обслуживания при нормальной работе и в аварийных
режимах, допуска к осмотру, ремонту и испытаниям , а также требования по охране
труда и технике безопасности.
При имении условий эксплуатации или состояния оборудования в инструкции
вносятся в необходимые дополнения, которые доводятся до сведений персонала,
обязанного знать эту инструкцию. Пересматриваются инструкции один раз в два три
года. Четкое и неуклонное выполнение инструкции позволяет обеспечивать надежную
и экономичную работу оборудования электростанции.
Основные обязанности работников электростанций приводятся в Правилах
технической эксплуатации станции и сетей. Соблюдение этих правил способствует:
бесперебойному энерго- и теплоснабжению потребителей; выполнению диспетчерских
графиков электрической и тепловой нагрузок; максимальной экономичности работы
оборудования; защите окружающей среды.
Каждый работник электростанции должен всемерно укреплять и соблюдать
государственную трудовую и технологическую дисциплину, выполнять Правила
технической эксплуатации станций и сетей, Правила охраны труда и техники
безопасности, инструкции и другие указания, касающиеся его деятельности, а
также правила внутреннего распорядка.
Состав, функции и взаимоотношения производственных служб, цехов и других
подразделений электростанции определяются в соответствие с типовыми
организационными структурами. Внутри подразделений обязанности распределяются
между мастерами и другим персоналом. Оборудование, здания, сооружения, и
коммуникации электростанций распределяются между их производственными цехами,
службами, участками и лабораториями.
Должностными инструкциями устанавливается круг обязанностей каждого
работника, его служебные отношения с вышестоящим и подчиненным персоналом,
указываются права, обязанности и ответственность данного работника. На каждом
рабочем месте имеются перечни инструкции по обслуживанию оборудования, его схем
и другие материалы, которые обязан знать работник, занимающий данную должность.
Для регистрации режимов работы оборудования обслуживающий персонал цехов
электростанции обязан вести по установленным формам суточные ведомости.
Постоянное соблюдение правил охраны труда как администрацией, так и персоналом,
обслуживающим оборудование, сводит к минимуму возможность травм и вредных
воздействий.
14. Мероприятия по охране окружающей среды на проектируемой ТЭС по
очистке дымовых газов от окислов серы
При
сжигании топлив почти вся содержащаяся в них сера находится в дымовых газах в
форме окислов SO
и SO
. Большинство углей адсорбирует за счет окиси кальция,
содержащееся в золе, в среднем 0,1 содержащееся в топливе серы; только угле Канско-
Ачинского бассейна и горючей сланцы поглащают большее количество окислов серы.
Подавляющее количество окислов серы (99%) находится в форме слабореакционного
газа SO
и лишь менее 1% в форме SO
.
Имеющийся
опыт работы мокрых скрубберов для очистки дымовых газов показывает, что вода
поглащает существенную часть SO
, образуя серную кислоту и в очень малой степени SO
. Для
увеличения поглащения SO
необходимо применять более эффективные поглатители -
водные растворы или взвеси веществ, переводящую окислы серы в сульфаты и
сульфиты. При этом все способы улавливания серы следует разделить на способы с
использованием уловленной серы и без использования.
Первые
способы являются более сложными и дорогими, и их применение является
оправданным в случае повышенных концентрации окислов серы.
Очистка
дымовых газов от окислов серы известью или известником является наиболее
разработанным процессом. Этот метод очистки основан на нейтрализации сернистой
кислоты, получающейся в результате растворения двуокиси серы, содержащейся в
дымовых газах, щелочными реагентами: гидратом окиси кальция (известью) или
карбонатом кальция. В результате получается сульфит кальция, частично
окисляющейся в сульфат.
Также
применяют сульфитный способ очистки дымовых газов от окислов серы, он
осуществляется при низкой температуре порядка 40
С по
реакции
Nа
SO
+
SO
+H
O
2NаH SO
Образующийся
раствор сульфит - бисульфит натрия поступает в испаритель - кристаллизатор, где
при нагреве его до 110
С происходит разложения бисульфита на сульфит натрия и
двуокись серы. Выпор, состоящий из смеси двуокиси серы с парами воды, для
конденсации паров воды охлаждается и подается на компремирование в качестве
товарного продукта.
Сульфит
натрия, образовавшийся в виде кристаллов, окисляется до сульфата натрия и
выводится из системы; другая часть в виде раствора направляется снова в
абсорбер. Степень очистки дымовых газов от SO
достигает 90%.
Достаточно
близким к сульфитному методу является аммиачно- циклический метод, при котором
очистке подвергается газ, охлажденный до 30-35
С,
раствором сульфита аммония по реакции
SO
+(NH
)
SO
+
H
O
2 NH
H
SO
Полученный
растров сульфит-бисульфит аммония подаётся в регениратор, где подвергается
нагреванию до кипения, в следствие чего реакция смещается влево с вдавлением SO
и
сульфита аммония. После охлаждения раствор подается повторно для улавливания SO
.
Часть
регенерированного раствора направляется на выпарку под вакуумом. Из раствора
выделяется сульфат аммония, образовавшийся при частичном окислении SO
в SO
.
Выделение
других солей побочных реакций может быть осуществлено в автоклаве. При
нагревании подаваемого в автоклав отрегенерированного раствора до 140
С происходит разложение сульфит-бисульфит солей с
образованием сульфата аммония и серы по реакции
(NH
)
SO
+2
NH
H SO
2(NH
)
SO
+S+
H
O
Получаемая
элементарная сера является дополнительным товарным продуктом этого метода.
Амиачно-циклический
способ очистки газов позволяет получить сжиженный стопроцентный сернистый
ангидрид и сульфат аммония - продукты, которые могут найти широкое применение в
народном хозяйстве. Количество отходов при этом способе невелико.
К
числу недостатков способа следует отнести необходимость предварительного
глубокого очищения дымовых газов перед абсорбцией серы. Глубокое охлаждение
достигается водой, которая вступает в непосредственный контакт с газом и
нагревается при этом до 40-50
С. Такая
вода не может быть сброшена в водоёмы общего пользования, а её рециркуляция в
системе охлаждения требует нейтрализации кислоты известью и охлаждение в
градирне. При нейтрализации образуется соль кальция, которые могут
кристаллизоваться в системе охлаждения. Очищенные охлаждённые газы требуют
значительного количества теплоты для их подогрева перед выбросом в атмосферу.
Выбросы
воздуха из градирен, охлаждающих жидкость, вытекающую из скрубберов, содержат
некоторое количество аммиака, которое может загрезнять атмосферу.
Дополнительный расход топлива, связанный с потреблением пара на регенерацию
раствора, выпарку и сушку сульфата аммония, расход электроэнергии на установку
и топливо на подогрев очищенных газов составляет около 10% топлива,
расходуемого на ТЭС. Аппаратура сероулавливающей установки довольно громоздка и
имеет высокую стоимость.
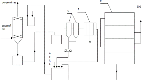
1. Скруббер
2. Напорный бак
. Циркуляционный сборник
. Нейтрализатор
. Гидроциклоны
. Ленточный вакуум-фильтр
. Фильтр-пресс
. Сборник осветленного раствора
. Обжиговая печь
Рисунок 15.1 обессеривающая установка
Магнезитовый метод. Связывание двуокиси серы происходит при
взаимодействии её с магнезитом по реакции
MgO+ SO
=MgSO
Образовавшийся
сульфит магния сново взаимодействует с двуокисью серы и водой, образуя
бисульфит магния
MgSO
+
SO
+ H
O=Mg(HSO
)
Образовавшийся
бисульфит нейтрализуется добавлением магнезита:
Mg(HCO
)
+MgO=2 MgSO
+
H
O
Образовавшийся
сульфит магния в процессе обжига при температуре 800-900
С повергается термическому разложению с образованием
исходных продуктов по реакции
Mg SO
= MgO+ SO
.
Окись
магния возвращается в процесс, концентрированный SO
может
быть переработан в серную кислоту или элементарную серу.
Газ очищается от окислов серы до концентрации 0,03% в
скруббере, а образовавшийся раствор бисульфита натрия с концентрацией 50-70 г/л
поступает в циркуляционный сборник, откуда часть раствора подаётся в напорный
бак и возвращается на орошение скруббера, а другая часть в нейтрализатор для
выделения сульфита магния. Раствор из нейтрализатора выводится в гидроциклон,
затем пульпа направляется на ленточный вакуум-фильтр и затем в обжиговую печь,
где образуется двуокись серы и магнезит, повторно используемый в цикл.
Маточный
раствор и промывочная вода после фильтр-пресса поступает в сборник осветлённого
раствора, куда добавляется магнезит из обжиговой печи. Раствор из сборника
подается в напорный бак, где смешивается с кислым раствором из циркуляционного
сборника и направляется на орошение скруббера степень очистки газов от SO
составляет
90-92%.
Достоинством
магнезитового способа является возможность достижения высокой степени очистки
газов без предварительного их охлаждения. Обжиг сульфита магния может
производиться на химическом предприятии за пределами ТЭС, так как высушенного и
обезвоженного кристаллы могут достаточно удобно транспортироваться.
Основным
недостатком магнезитового способа является наличие многочисленных операций с
твердыми веществами, что связанно с абразивным износом аппаратуры и пылением.
Для сушки кристаллов и удалении гидратной влаги, требуется значительное
количество тепла.
При
сухих методах сероочистки в качестве адсорбента применяются окислы алюминия,
марганца, железа, калия, активированный уголь, полукокс.
В
настоящее время в России и за рубежом накоплен значительный опыт по очистке
дымовых газов от SO
, однако все известные методы являются сложными и
дорогими и необходимо дальнейшее их совершенствование. Выбор типа
сероулавлевающей установки должен производится на основании
технекоэкономического расчета. Сравниваемые варианты должны приводиться к
одинаковой концентрации SO
в атмосфере на уровне дыхания. Если сравниваемые
варианты дают разную степень очистки приведение их к одинаковой концентрации и
вредностей достигается выбором дымовых труб различной высоты. Выбор варианта
сероочистки для той или иной ТЭС зависит от большого количества параметров:
концентрации SO
в дымовых газах, мощности ТЭС, характера нагрузки и
других факторов. Считается что расчетные затраты магнезитового способа
оказываются несколько меньшими, что свидетельствует о его большей экономической
эффективности по сравнению с амиачно - циклическим методом
15. Специальное задание
В последнее время в энергетике наблюдается смещение топливного баланса в
сторону увеличения доли твердого топлива, обусловленное рядом причин, в
частности резким изменением мировой ценовой конъюнктуры на углеводороды. Многие
тепловые (пылеугольные) электростанции после длительного периода работы на газе
будут вынуждены вернуться к использованию угля. Повысились требования,
предъявляемые к ТЭС, вследствие работы на непроектных углях ухудшенного
качества, активного участия блоков 150 - 300 МВт в регулировании частоты и
связанной с этим высокой маневренности оборудования в широком диапазоне
нагрузок.
В условиях рыночной конкуренции вопросы экономичности особенно актуальны.
Широкого внедрения более прогрессивных технологий использования угля, таких как
сжигание в циркулирующем кипящем слое, внутрицикловая газификация, следует
ожидать только в будущем. В настоящее же время основным способом использования
угля на ТЭС является факельное пылеугольное сжигание в топках котлов. От
количества и качества приготовления угольной пыли в значительной степени
зависит эффективность работы электростанции. Среди различных систем
пылеприготовления широкое распространение получила схема с шаровой барабанной мельницей
(ШБМ) и промбункером пыли.
Основные недостатки таких систем подробно оснащены в литературе, что
главной причиной неудовлетворительной работы пылесистем является электризация
угольной пыли при движении ее через элементы пылесистем является электризация
угольной пыли при движении ее через элементы пылесистемы и в процессе размола
угля в барабанной мельницы. Показан упрощенный механизм образования объемного
электрического заряда, носителем которого являются частицы угольной пыли,
заряженные трибоэлектричеством. И хотя все выводы относительно негативного
влияния трибоэлектричества на работу пылесистем справедливы, они отражают лишь
часть общего процесса электризации угольной пыли.
Из физики твердого тела известно, что при разрушении (измельчении) вещества,
имеющего кристаллическую структуру и невысокую электропроводность, вновь
образованные частицы приобретают электрические заряды обеих полярностей.
Суммарный заряд частиц равен нулю, так как исходный материал электрический
нейтрален. Можно утверждать, что весь уголь, поступивший в барабан мельницы
после измельчения распределяется на две равные по массе части, имеющие
одинаковые по величине, но противоположные по знаку электрические заряды.
Заряды частиц, полученные в результате измельчения, никак себя не проявляют,
результирующие электрическое поле любой совокупности частиц отсутствует.
Угольная пыль в этом случае, являясь электрически нейтральной средой,
подчиняется всем законам аэродинамики.
В реальных условиях в пылесистеме при ее работе генерируются трибоэлектрические
заряды отрицательной полярности, что нарушает баланс электрических зарядов и
создает условия для возникновения объемного электрического заряда в
определенных участках пылесистемы. Вследствие наличия контуров возврата топлива
из сепаратора особенно интенсивно отрицательно заряженные частицы угольной пыли
скапливаются у выходной горловины мельницы (сечение III), что существенно увеличивает аэродинамическое
сопротивление. Наличие же поля отрицательной полярности затрудняет выход
одноименных по знаку частиц (т.е.часть кондиционной пыли возвращается в
мельницу) и наоборот способствует выносу положительно заряженных частиц ( по
размеру более крупные, чем кондиционная пыль). Таким образом, происходит
электросепарация - разделение заряженных частиц в зависимости от знака заряда.
В свою очередь положительно заряженные частицы в сечение II сепаратора образуют устойчивый
объемный положительный заряд, который обусловливает второй этап
электросепарации: часть положительно заряженных частиц возвращается в мельницу,
а отрицательно заряженные частицы беспрепятственно с ускорением поступают через
створки во внутренний конус сепаратора.
У выходной горловины сепаратора (сечение I) благодаря отрицательному объемному заряду осуществляется
третий этап электросепарации: возврат части отрицательных частиц в мельницу.
Таким образом, полярность объемных зарядов по ходу потока чередуется.
Устанавливается устойчивый , но, к сожалению , неэкономичный режим («режим
минус»). При этом необходимо отметить, что пыль на выходе из сепаратора имеет
отрицательный результирующий заряд.
В результате происходящих процессов в одних и тех же местах пылесистемы
действуют два процесса сепарации пыли, которые тесно взаимосвязаны. Так, если
под действием внешних сил, например при изменении вентиляции, происходит
перемещение массы угольной пыли, перераспределяются и электрические заряды,
которые, в свою очередь, оказывают влияние на перемещение. Наличие
электросепарации самым отрицательным образом влияет на производительность
пылесистемы и качество приготовления пыли, так как возрастает ее
полидисперстность, увеличивается аэродинамическое сопротивление на участках
сепарации, растет возврат в мельницу кондиционной пыли. Эти факторы
обусловливают повышенный расход энергии на помол топлива и транспорт пыли и
ухудшают экономичность котла. Так как процессы аэродинамической и электрической
сепарации действуют совместно на одних и тех же участках пылесистемы,
необходимым условием эффективной работы всей установки является согласованное
взаимодействие этих процессов.
В производственных условиях размольная способность мельницы (если нет
ограничения по сушке) значительно выше, нежели способность по удалению пыли
(эвакуационная способность), поэтому при стремлении поднять производительность
увеличением подачи угля происходит накопление материала в мельнице. Без
принятия надлежащих мер все заканчивается завалом. На некоторых электростанциях
осуществляется автоматическая загрузка мельницы углем с импульсом (сигналом) по
уровню накопленного в ней материала, существует еще свыше десятка схем
автоматизации с другими сигналами, но суть всех схем сводится к одной основной
функции - нахождению баланса между производимой и удаляемой пылью. Даже при
идеально работающей автоматике производительность пылесистемы не может быть
выше эвакуационной способности мельницы.
Основной причиной низкой «выносной» способности мельницы является высокое
аэродинамическое сопротивлении ее выходной горловины в силу того, что сюда
стекаются потоки возврата топлива из сепаратора и производимая в мельнице пыль.
На этом участке образуется объемный электрический заряд, который обуславливает
электросепарацию и создает дополнительное сопротивление. Таким образом, общее
сопротивление выходной горловины складывается из двух составляющих: сопротивления,
обусловленного расходом пылевоздушного потока, и сопротивления, связанного с
наличием объемного заряда. На первую составляющую без конструктивных изменений
повлиять нельзя, а второй составляющей можно управлять, в том числе и режимными
мероприятиями.
Объемный электрический заряд в сечении III формируется потоками заряженных частиц,
образовавшихся в результате помола топлива, возврата части его из внутреннего и
внешних конусов сепаратора и частиц пыли из линий рециркуляции запыленного
воздуха (если она включена). Для исключения электросепарации в сечение III и тем самым уменьшения
аэродинамического сопротивления необходимо, чтобы результирующее электрическое
поле мельничного продукта, проходящего через данное сечение, равнялось нулю. По
условию сохранения материального баланса в мельнице.
B= b + bK = b + b ( KI + KII )
В - расход мельничного продукта через сечение III, кг/с
B -
производительность пылесистемы по готовой пыли, которая равна количеству
топлива, поступающему в мельницу, кг/с
KI , KII, K - коэффициент циркуляции топлива из внутреннего, наружного и
обоих конусов соответственно.
Уравнение баланса зарядов с учетом их знака в сечение III для описанного режима будет
следующим:
т.е.
+q1,-q -
электрические заряды, полученные каждым килограммом пыли в результате помола 2
кг сырого угля, Кл/кг, -q1, -q2 - трибозаряд, полученный 1 кг топлива за один цикл
циркуляции его по контуру возврата из внутреннего и внешнего конусов сепаратора
соответственно, Кл/кг; -q3 - трибозаряд, полученный 1 кг топлива при
прохождении через барабан мельницы, Кл/кг.
Для
выполнения равенства отношение коэффициентов KI/KII
должно быть меньше единицы. Это означает, что для нейтрализации объемного
заряда в сечение III необходимо, чтобы кратность циркуляции топлива из
наружного конуса сепаратора была больше, нежели из внутреннего. Соотношение
коэффициентов циркуляции можно регулировать изменением вентиляции или загрузки
мельницы углем. При неизменной загрузке уменьшение вентиляции позволяет
понизить коэффициент KI до значения, при котором выполняется равенство
зарядов. Однако такому режиму присущ существенный недостаток: для уменьшения
сопротивления выходной горловины мельницы приходится снижать общую вентиляцию.
Таким образом, в сечение III уменьшается сопротивление выходной горловины
мельницы, но ценой снижения общей вентиляции, в результате чего
производительность пылесистемы становится ниже исходного значения.
Поскольку
первопричиной возникновения электросепарации является трибоэлектричество
отрицательной полярности, нарушающее общий баланс положительных отрицательных
зарядов, нарушается вывод о компенсации трибозарядов путем ввода в мельницу
извне положительных зарядов. Однако такой метод, хотя и осуществим технически,
требует определенных материальных и энергетических ресурсов. Более рационально
искусственно создать такой режим, при котором положительно заряженные частицы
будут находится в пределах пылесистемы более длительное время, нежели
отрицательные, что равносильно дополнительной генерации положительных частиц.
Далее сформулированы условия, при которых подобный режим может быть
осуществлен.
Для
описанного «режима минимум» при неизменной загрузке мельницы углем за счет
уменьшения вентиляции необходимо установить отношение коэффициентов циркуляции KI/KII
меньше значения, при котором наступает нейтрализация объемного заряда в сечении
III. Объемный заряд в сечении II имеет
положительную полярность, и частицы топлива, попадающие в мельницу из внешнего
конуса сепаратора, заряжены преимущественно положительно. Таким образом, с
учетом соотношения коэффициентов циркуляции результирующий заряд частиц топлива
с двух контуров возврата будет положительным. В барабане мельницы происходит
компенсация зарядов, и по прошествии 10-15 мин в сечении II и I.
Для стабилизации полученного «режима плюс» (чтобы не произошла смена полярности
объемных зарядов при дальнейшей загрузке мельницы углем) необходимо
восстановить максимальную вентиляцию.
Уравнение
баланса зарядов с учетом их знака в сечении III для этого
режима будет следующим:
При
максимальной вентиляции коэффициент
превышает
значение, необходимое для выполнения данного равенства. При постепенной
загрузке мельницы углем снижается общая вентиляция и уменьшается коэффициент
циркуляции топлива
из внутреннего конуса сепаратора. При достижении
условия выполнения равенства зарядов производительностью пылесистемы будет
максимальной и существенно выше, чем при «режиме минус». Если нет ограничений
по сушке топлива, дальнейшее повышение производительности пылесистемы
осуществляется ростом подачи угля в мельницу с одновременным увеличением
рециркуляции. Максимальная производительность пылесистемы в таком случае
определяется режимом, когда дальнейший рост подачи угля уменьшает выход готовой
пыли. Это режим предельной размольной способности мельницы. ( Под размольной
способностью мельницы следует понимать площадь вновь образованной поверхности
угольной пыли в результате размола угля. )
При
необходимости промежуточной ( меньше максимальной ) загрузки мельницы следует
уменьшить расход воздуха с тем, чтобы не допустить электросепарации с ее
негативными последствиями уже при положительном заряде в сечении III.физические
смысл увеличения производительности состоит в то, что электросепарация
действует только в двух сечениях, выделяя соответственно положительные и
отрицательные частицы. Особенно важно, что электризация пыли о створки
сепаратора способствует удалению из пыле системы частиц обеих полярностей, что
уменьшает сопротивление выходной горловины сепаратора. Кроме того, учитывая,
что в «режиме плюс» пыль на выходе из сепаратора заряжена положительно,
включение рециркуляции особенно эффективно.
Изложенные
представления о влиянии электризации угольной пыли на производительность
пылесистем подтверждаются экспериментальными данными.
На
блоке 200 МВт были проведены испытания типовой пылесистемы с промбункером,
мельницей ШБМ 400/800 и сепаратором ТКЗ - ВТИ диаметром 4750 мм. Топливо -
смесь донецких углей марок Т и АШ.
Основной
особенностью проводимых исследований являлись непрерывная регистрация тока
электризации и расхода угольной пыли за сепаратором, а также перепада давления
на выходной горловине мельницы. Микроамперметр, измеряющий ток электризации
угольной пыли, и расходом были подключены к измерительному электроду. Электрод
представлял собой стальной стержень диаметром 4 мм, диаметрально установленный
на высоте 1,2 м выходной горловины сепаратора в плоскости, перпендикулярной
направлению потока, и электрически изолированный от трубопровода.
Специально
сконструированный и изготовленный электронный расходомер угольной пыли
позволяет определять образованную в процессе размола топлива поверхность пыли,
а при тарировке его на определенную тонкость пыли ( в опытах Р90=7% )
непрерывно измерять массовый расход пыли. Остальные параметры измеряли штатными
приборами, тонкость помола определяли расевками пыли на стандартных ситах.
Исследования
показали, что при любой загрузке мельницы углем в «режиме плюс» должен
соответствовать свой оптимальный уровень вентиляции пылесистемы. При превышении
оптимального уровня увеличивается электросепарация пыли, при снижении -
происходит периодическая смена знака объемных электрических зарядов и режимов.
Чтобы в силу эксплуатационных колебаний параметров пылесистемы не происходила
смена «режиме плюс», желательно поддерживать уровень вентиляции несколько выше
оптимального. Для этого достаточным критерием является превышение оптимального
значения тока измерительного электрода на 10-15%.
В
эксплуатации персонал при пуске установке, когда поступление топлива невелико,
а вентиляции максимальна, непроизвольно устанавливает «режим минус», а далее
загружают мельницу углем согласно режимной карте. Форсированная, без выдержки
времени, загрузка мельницы топливом при наличии интенсивной электросепарации
ведет к перегрузу сечения III. Возникает необходимость разгрузить мельницу.
Отсутствие расходомера угольной пыли не позволяет более рационально вести
режим, и персонал полагается в основном на собственный опыт и интуицию.
Тем
не менее в условиях ТЭС и при отсутствии расходомера можно установить на
пылесистеме экономичный, близкий к оптимальному, режим, используя в качестве
основного критерия ток измерительного электрода, который характеризует
интенсивность процессов электросепарации во всех трех сечениях. Уменьшение тока
электрода ( в «режиме плюс» ) свидетельствует о снижении интенсивности
процессов электросепарации во всех сечениях. При оптимальном режиме пылесистемы
( полная компенсация заряда в сечения III ) это ток достигает некоторого
минимального значения. Дальнейшее понижение тока свидетельствует о появлении
объемного заряда в сечения III и начале смены знака зарядов, т.е. перехода
пылесистемы из «режима плюс» в «режим минус». Начало этого перехода
характеризуется резким уменьшение тока электрода до нуля. При этом
незначительно увеличивается сопротивление выходной горловины мельницы и сильно
«угрубляются» готовая пыль ( в проводимых опытах с R90=4,8/5,2% до R90=7,4/7,6%).
Превышение током оптимального значения свидетельствует о поведении сечении III
сепарации при положительном объемном заряде. Для определения оптимального
режима пылесистемы при максимальной ее производительности и соответствующего
этому режиму тока измерительного электрода необходимо выполнить следующие
действия: при максимальной вентиляции и загрузке мельницы углем на 50-60% по
направлению тока измерительного электрода определить текущий режим пылесистемы
(«режим плюс» или «режим минус»);
если
пылесистема находится в «режим минус», перевести ее в «режим плюс» по средствам
уменьшения вентиляции, после чего восстановить полную вентиляцию;
постепенно
нагружая мельницу углем, перевести пылесистему в «режим минус», при этом подачу
топлива необходимо выполнять небольшими ступенями с выдержкой 10-15 минут, так
как процесс изменения величины зарядов инерционен;
момент
перехода пылесистемы из одного режима в другой зафиксировать ток измерительного
электрода, положение указателя питателя сырого угля и другие параметры по
усмотрению испытателя;
вернуть
пылесистему в «режим плюс» уменьшением подачи угля;
в
процессе эксплуатации контролировать и поддерживать зафиксированное значение
тока изменением поступления угля в мельницу.
При
необходимости настройки оптимального режима при промежуточной загрузке
пылесистемы выполняют те же действия с той лишь разницей, что поступление угля
в мельницу остается постоянным, а оперируют изменением уровня вентиляции.
Следует отметить, что после окончательной наладки режима, включая поворот
створок сепаратора на необходимую величину, нежелательно, чтобы пылесистема
даже непродолжительное время работала в «режим минус», так как при этом будет
происходить «проскок» довольно грубой пыли.
Вводы
1. Причины возникновения в пылесистеме объемных электрических зарядов
является трибоэлектризация угольной пыли при прохождении через элементы
установки.
2. Обусловленная наличием объемных электрических зарядов
электросепарации пыли отрицательно влияет на производительность пылесистемы,
снижая ее на 25-30%.
. С целью уменьшения влияния электросепарации пыли в пылесистему
следует перенести в режим положительного объемного заряда сечении I изменением соотношения коэффициентов
циркуляции топлива из внешнего и внутреннего конусов сепаратора.
. Любой загрузке мельницы углем в «режиме плюс» дожжен
соответствовать свой оптимальный уровень вентиляции пылесистемы.
. Используя в качестве основного критерия значения тока электризации
пыли, возможно определить и поддерживать параметры, обеспечивающие экономичный
режим процесса пылеприготовления.
. Процесс поддержания экономичного (оптимального) режима пылесистемы
желательно автоматизировать, сопоставляя значения параметров: тока
измерительного электрода, расхода готовой пыли, перепада давления выходной
горловины мельницы - и воздействуя на органы управления вентиляцией или загрузкой
мельницы углем.
. При отсутствии ограничением по сушке топлива с целью повышения
производительности пылесистемы возможно ( только в «режим плюс») использование
рециркуляции запыленного воздуха с напора мельничного вентилятора на вход
мельницы.
1. Топка 2. Золоуловители 3. Золо - шлаковые каналы 4. Аэрожёлоб 5. Золы
6. Доструйный эжектор 7. Выдача сухой золы8. Багерная насосная 9.
Металлоуловители 10. Багерные насосы 11.Дренажный насос 12.Дренажный эжектор
13. Напорные золошлакопроводы 14. Золошлакоотвал 15. Бассейн осветленной воды
16. Насосы осветленной воды 17. Насосы смывной воды 18. На промывку
пульпопроводов 19. На промывку оборудования 20. Подпитка 21. Сточные воды
Рисунок 10.1 схема гидрозолошлкоудаления
. Схема и описание принятой компоновки основного оборудования в главном
корпусе ТЭС
Принятая компоновка на проектируемой ТЭЦ - закрытая - потому что основное
оборудование находится в капитальном помещении ( здании ), а вспомогательное -
на открытом воздухе, сомкнутая - потому что технологические помещения
расположены без интервалов между ними.
Главный корпус включает в себя три отделения: турбинное отделение (
машзал ) с пролетом 45 м, бункерно - деаэраторное - с пролетом 12 м и котельное
отделение с пролетом 39 м.
В машзале турбогенератор располагается поперек машзала на собственном
фундаменте на отметке 9,6 м - которая является отметкой обслуживания под
турбиной располагается вспомогательное оборудование турбинного отделения:
конденсаторы, подогреватели регенеративные и сетевые, насосы, эжекторы,
охладители, маслобак, трубопроводы пара, конденсата и циркводоводы и др.
В бункерно - деаэраторном отделении располагается деаэратор и
оборудование системы пылеприготовления: циклон, сепаратор, транспортеры,
питатели, бункеры, мельницы и другое вспомогательное оборудование. На отметке
обслуживания располагается ГЩУ, под ним подщитовое помещение, распределительное
устройство собственных нужд и кабельный техэтаж.
В котельном отделении - котельный агрегат. В верхней части грузоподъемное
средство - предназначенное для проведения монтажа и ремонта элементов котла. В
нижней элементы системы золо - шлакоудаления.
На открытой площадки за зданием главного корпуса располагается
регенеративный вращающийся воздухоподогреватель, электрофильтры, дутьевые
вентиляторы и дымососы ( и золоуловители и дымососы расположены под навесом ).
Далее мы видим дымовую трубу, которая по результатам расчета
устанавливается одна, на проектируемой ТЭЦ для всех котлов; высота ее по
расчету 150 м, диаметр устья м.
17. Экономическая часть
.1 Полезный отпуск теплоты с коллекторов станции
Полезный отпуск теплоты с коллекторов станций.
т/ч
Годовой
отпуск теплоты с коллекторов ТЭЦ для производственных нужд.
Гдж/ч
Годовой
отпуск теплоты из отопительных отборов турбин.
,
(ГДж/год)
(ГДж/год)
где
- число часов использования максимума отопительного
прибора

суммарный
часовой отпуск теплоты в отопительные отборы всех турбин, ГДж/год.
-
количество установленных турбин (шт).
ГДж/год
ГДж/год
Годовой
отпуск теплоты с коллекторов ТЭЦ
При установке турбин типа ПТ
ГДж/год
17.2 Выработка и отпуск электроэнергии с шин станции
Годовая
выработка электроэнергии
, (МВт/ч) (17.1)
где
- число использования установленной мощности, ч
МВт/ч
Расход
электроэнергии на СН
, (МВт/ч) (17.2)
где
-удельный расход на СН (%)
МВт/ч
Годовой
отпуск электроэнергии СН, отнесённой на отпуск теплоты
, (МВт/ч) (17.3)
где
- удельный расход электроэнергии СН на отпуск единицы
теплоты кВт
ч/ГДж
МВт/ч
Годовой
расход электроэнергии СН отнесенный на отпуск электроэнергии
, (МВт/ч) (17.4)
МВт/ч
Удельный
расход энергии на СН отнесённой на производство
(17.5)
Гдет
- расход электрической энергии на СН, (МВт
ч)
-
годовая выработка электрической энергии (МВт).
Годовой
отпуск электроэнергии с шин станции
, (МВт/ч) (17.6)
МВт/ч
.3 Расход условного топлива
Годовой
расход топлива котлами
,
(тут/год) (17.7)
где
-расход топлива на х.х. основного оборудования, тут/ч
- число
часов работы турбогенератора в году, ч;
ч
-
коэффициенты топливной характеристики
-
поправочный коэффициент на вид сжигаемого топлива
тут/год
Годовой
расход условного топлива на отпуск теплоты без учета расхода электроэнергии на
СН
,
(тут/год) (17.8)
тут/год
Где
29,3 - удельная теплота сгорания условного топлива (ГДж/год)
- КПД
котла 0,92
0,93
-
поправочный коэффициент
- КПД
сетевых подогревателей
Годовой
расход условного топлива на отпуск электроэнергии
,
(тут/год) (17.9)
тут/год
Годовой
расход условного топлива на отпуск теплоты с учётом электроэнергии СН,
отнесённой на отпуск теплоты

,(тут/год)
(17.10)
кгут/кВт
ч
Где
- удельный расход топлива
тут/год
Годовой
расход условного топлива на отпуск электроэнергии с учётом электроэнергии СН
, (ту
т/год) (17.11)

тут/год
.4 Удельные расходы условного топлива и КПД станции
Удельный
расход условного топлива на отпуск электроэнергии
(17.12)
Удельный
расход условного топлива на отпуск теплоты
,
(кгут/ГДж) (17.13)
кгут/ГДж
КПД по
отпуску электроэнергии
Коэффициент
полного действия станции по отпуску теплоты
%
=
Коэффициент
использования топлива
(17.14)
Список
литературы
1. ТЭС И
АЭС. Справочник. Энергоиздат. 1982
2. Ю.М.
Липов и другие. Компоновка и тепловой расчет парового котла. Энергоатомиздат.
1988
. Аэродинамический
расчет котельных установок. Энергия.1977
. Методические
указания к дипломному проектированию ч.1,2,3. Иваново. 1987
. С.Л.Ривкин.
Термодинамические свойства воды и водяного пара. Справочник. Энергоатомиздат.
1981
. М.И.
Резников. Котельные установки электростанций. Энергоатомиздат. 1987
. Нормы
технического проектирования тепловых электростанций. ВНТП - 81. Иваново.1986
. Правила
технической эксплуатации электрических станций и сетей. Введены с 30 июня
2003г. С - Пб 2004
. Правила
техники безопасности при эксплуатации тепломеханического оборудования
электрических станций и тепловых сетей РД 34.03.201 - 97
10. Правила
устройства и безопасной эксплуатации паровых котлов. Постановление
Госгортехнадзора РФ от 11 июня 2003 г. N 88
"Об
утверждении Правил устройства и безопасной эксплуатации паровых и водогрейных
котлов"
11. Мануйлов
П.Н. Автоматизация тепловых процессов. Издание 3-е «Энергия».
1970