Передача и распределение электроэнергии
Содержание
Программа курсовой работы
1. Исходные данные
2. Выбор основного электротехнического оборудования электрической
сети (линий и трансформаторов)
3. Расчёт режима максимальных нагрузок
4. Список использованной литературы
Программа курсовой работы
1. Исходные данные
. Выбор основного силового оборудования:
.1 Оценить приближенно активные мощности в каждой из линий.
.2 Выбрать целесообразный класс напряжения линий Л1, Л2 и
кольца (Л3, Л4, Л5).
2.3 Выбрать сечение каждой линии по экономической плотности тока
.
.4 Проверить допустимость выбранных сечений на перегрузку по току
в случаях аварийных отключений (поочередно) одной цепи каждой линии.
.5 Выбрать тип и число параллельно работающих трансформаторов на
всех подстанциях, исходя из их экономической загрузки при всех работающих
трансформаторах.
. Расчет нормальных режимов (с выбором отпаек трансформаторов на
всех подстанциях для обеспечения необходимых уровней напряжений устройств КРМ)
в отдельных узлах системы.
1.
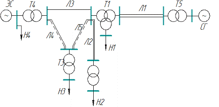
Исходные данные
Схема электрической сети:
электроэнергия напряжение сеть трансформатор
2. Выбор основного электротехнического оборудования электрической
сети (линий и трансформаторов)
2.1 Приближенная оценка потоков активной мощности
через каждую из ЛЭП:
Рассмотрим кольцевую схему, включающую в себя Л3, Л4 и Л5:
По правилу моментов:
2.2 Выбор
экономически целесообразного класса напряжения для Л1 и Л2 и линий кольца (Л3,
Л4, Л5) и числа цепей (1 или 2) для каждой из линий кольца:
Оценим
для Л3, Л4, Л5. Пусть все эти линии
одноцепные. Тогда:
Так как класс напряжения для всех трёх линий должен быть
одинаковым, то выбираем
2.3 Выбор
сечений линий по плотности тока:
Сделаем линии Л4 и Л5 двухцепными, линию Л2 - трехцепной.
Расчёты мощностей, экономически выгодных классов напряжений и
сечений аналогичны вычислениям для исходной схемы. Так как замена не отразиться
на вычислениях для Л1 (так как мощность, передаваемая по этой линии зависит
только от выдаваемой мощности генератора), то класс напряжения и сечение для
нее не изменится. Рассмотрим
только линии Л2, Л3, Л4 и Л5.
Расчет кольца
По правилу моментов:
Экономически целесообразный го класс напряжения:
Так как класс напряжения для всех трёх линий должен быть
одинаковым, то выбираем
Выбор сечений линий по плотности тока:
2.4 Проверка
допустимости выбранных сечений на перегрузку по току в случае отключения одной
цепи каждой линии поочерёдно:
) Отключение одной цепи Л1. По оставшейся цепи будет передаваться
мощность
В этом случае ток в Л1
Ближайшее сечение к
:
Максимально допустимый ток для выбранного сечения:
Так как
, то данное сечение проходит проверку по
максимально допустимому току.
) Отключение одной цепи Л2. По оставшемся двум цепям будет передаваться
мощность
В этом случае ток в Л1
Ближайшее сечение к
:
Максимально допустимый ток для выбранного сечения:
Так как
, то данное сечение проходит проверку по
максимально допустимому току.
Чтобы выбрать наиболее тяжелый режим для линий кольца необходимо
рассмотреть поочерёдное отключение данных линий и выбрать из этих режимов
наиболее тяжелые для каждой линии:
3) Отключение Л3:
4) Отключение одной цепи Л4:
) Отключение одной цепи линии Л5:
Наиболее опасные режимы:
Ближайшее сечение к
:
Максимально допустимый ток для выбранного сечения:
Так как
, то данное сечение проходит проверку по
максимально допустимому току.
Ближайшее сечение к
:
Максимально допустимый ток для выбранного сечения:
Так как
, то данное сечение проходит проверку по
максимально допустимому току.
Ближайшее сечение к
:
Максимально допустимый ток для выбранного сечения:
Так как
, то данное сечение проходит проверку по
максимально допустимому току.
2.5 Проверка
допустимости выбранных значений по короне:

сечение допустимо.

сечение допустимо.

сечение допустимо.

сечение допустимо.

сечение допустимо.
2.6 Выбор
типов и числа трансформаторов:
Условие экономической целесообразности:
Трансформатор №1:
Пусть
Выбираем трансформатор АТДЦТН-125000/220/110
В случае отключения одного из трансформаторов через оставшийся
трансформатор передаётся мощность
. В
этом случае перегрузка составляет:
Так как
(150% -наибольшая возможная перегрузка),
то необходимо
:
Так как нет трансформатора с необходимой мощностью, то возьмем
АТДЦТН-125000/220/110. В этом случае перегрузка при отключении одного из
трансформаторов отсутствует:
Экономически выгодно
Трансформатор №2:
Пусть
Выбираем трансформатор ТРДЦН-80000/110
В случае отключения одного из трансформаторов через оставшийся
трансформатор передаётся мощность
. В
этом случае перегрузка составляет:
Так как
(150% -наибольшая возможная перегрузка),
Перегрузка отсутствует
Трансформатор №3:
Пусть
Выбираем трансформатор ТДН-80000/110
В случае отключения одного из трансформаторов через оставшийся
трансформатор передаётся мощность
. В
этом случае перегрузка составляет:
Так как
(150% -наибольшая возможная перегрузка),
то необходимо
:
.
Возьмем ТРДН-63000/110.
В этом случае перегрузка при отключении одного из трансформаторов
не превышает 150%:
Экономически выгодно
Трансформатор №4:
Пусть
Выбираем трансформатор ТД-40000/110
В случае отключения одного из трансформаторов через оставшийся
трансформатор передаётся мощность
. В
этом случае перегрузка составляет:
Так как
(150% -наибольшая возможная перегрузка)
Перегрузка отсутствует
Трансформатор №5:
Пусть
Выбираем трансформатор ТРДЦН-160000/2200
В случае отключения одного из трансформаторов через оставшийся
трансформатор передаётся мощность
. В
этом случае перегрузка составляет:
Так как
(150% -наибольшая возможная перегрузка)
Перегрузка отсутствует
Параметры выбранных ЛЭП:
|
ЛЭП
|
Класс
напряжения, кВ
|
Сечение, мм
|
Кол-во цепей
|
Ro, Ом
|
Xo, Ом
|
Qзар, МВАр
|
|
Л1
|
220
|
300
|
2
|
9.8
|
42.9
|
14,4
|
|
Л2
|
110
|
185
|
3
|
16,2
|
41,3
|
-
|
|
Л3
|
110
|
70
|
1
|
42,8
|
44,4
|
-
|
|
Л4
|
110
|
150
|
2
|
20,4
|
42
|
-
|
|
Л5
|
110
|
185
|
2
|
16,2
|
41,3
|
-
|
Параметры выбранных трансформаторов:
|
№
|
1
|
2
|
3
|
4
|
5
|
|
Марка
|
АТДЦТН-125000/220/110
|
ТРДЦН-80000/110
|
ТРДН-63000/110
|
ТДЦ-40000/110
|
ТРДЦН-160000/220
|
|
Кол-во
|
3
|
2
|
3
|
2
|
2
|
|
Параметры
|
|
|
|
|
3. Расчёт режима максимальных нагрузок
Схема замещения
Параметры схемы замещения:
Трансформаторы:
Т1:
Т2:
Т3:
Т4:
Т5:
Линии:
Для линий класса напряжения 220 кВ необходимо учитывать их
емкостную проводимость:
Т.к. приведенные в справочнике удельные сопротивления даны на 100
км длины, учтем это, разделив полученные значение на 100.
Л1:
;
;
Л2:
Ом;
Ом;
Л3:
Ом;
Ом;
Л4:
Ом;
Ом;
Л5:
Ом;
Ом;
Режим максимальных нагрузок
Условием расчёта максимальных нагрузок является значение
напряжения на шинах потребителя:
1) Расчет
начнем вести с точки А. Пусть напряжение в этой точке максимально возможное:
кВ.
Максимально допустимое напряжение на линии 220 кВ равно
кВ.
Зададимся напряжением UA=241,5кВ
Таким образом, находим напряжение на генераторе, приведённое к
высокой стороне трансформатора Т5. По формулам расчета цепи по данным начала и
конца с учетом потерь холостого хода в трансформаторе, имеем:
Трансформатор Т5:
, тогда:
Напряжение лежит в допустимых пределах
Потери мощности на трансформаторе Т5:
Мощность, проходящая к линии Л1:
С учетом зарядной мощности, мощность после узла А равна:
Потери мощности на линии 1:
Тогда мощность, подходящая к т. В будет равна:
Напряжение в точке В:
Рассмотрим подстанцию №1, имеющую 3 трансформатора Т1.
Рассчитаем напряжение
(с учетом потерь холостого хода в Т1):
Потери мощности на высокой стороне Т1:
Мощность, подходящая к узлу 0:
По данным начала и конца можно найти напряжение на шинах
потребителя Н1, приведённое к высокой стороне Т1:
необходимо решать квадратное уравнение относительно
Напряжение на шинах нагрузки Н1, приведённое к низкой стороне
трансформатора равно:
Трансформатор Т1 оснащен РПН:
Используя
можно добиться необходимого нам уровня
напряжения на шинах потребителя:
Значение напряжения на шинах нагрузки входит в рамки допускаемого
для режима максимальных нагрузок.
Потери мощности на нагрузке 1:
Мощность, уходящая от Т1 к нагрузке Н1:
Определяем мощность, идущую от 0 на обмотку СН Т1:
Потери мощности на стороне СН трансформатора Т1:
Таким образом, мощность, подходящая к кольцу и линии Л2 равна:
По данным начала находим напряжение в точке С, приведённое к
стороне ВН:
Напряжение, приведённое к стороне СН трансформатора Т1:
Рассчитаем напряжение на нагрузке Н2 по данным начала и конца.
Сопротивление этого участка цепи:
Примем за искомое, напряжение, приведенное к стороне ВН
трансформатора Т2:
Несмотря на то, что трансформатор Т2 имеет РПН
поддержать на шинах потребителя
необходимый уровень напряжения не удаётся. Следовательно, необходимо ставить
КУ.
Для определения компенсируемой мощности решаем квадратное
уравнение, но предварительно зададимся желаемым уровнем напряжения на шинах
потребителя:
Потери мощности в трансформаторе Т2:
Мощность, идущая в трансформатор Т2:
По данным начала и конца найдем напряжение на высокой стороне
трансформатора Т2
Потери мощности на линии Л2:
Мощность, уходящая от узла C в линию 2:
Тогда мощность, идущая к кольцу:
5) В данной
схеме кольцо представлено в виде трёх линий, соединённых треугольником. Это
позволяет сэквивалентировать сопротивления данных линий, представляющих собой
треугольник, в звезду.
Потери мощности на сопротивлении
:
Мощность, подходящая к т. D:
Напряжение в точке D:
Сопротивления линии Y3 и трех
трансформаторов Т3 можно сэквивалентировать и найти напряжение на нагрузки Н3
по данным начала и конца
Суммарное сопротивление на пути от т. D до нагрузки:
Напряжение на нагрузке Н3, приведенное к высокой стороне
трансформатора Т3:
С помощью РПН трансформатора Т3 при количестве отпаек
удается поддерживать напряжение в
допустимых пределах
:
По данным конца определим мощность, уходящую из т. D в нагрузку Н3:
Потери мощности на сопротивлении трансформатора Т3:
Передаваемая через Т3 мощность с учетом потерь х. х.:
По данным начала и конца определим напряжение на высшей стороне
трансформатора Т3
Тогда мощность, уходящая от т. D к нагрузке 3:
Мощность, уходящая из т. D к т. E:
Знак “-” говорит о том, что на самом деле, мощность идет от т. E к т. D
Потери мощности на сопротивлении
:
Мощность, отходящая от т. E:
Напряжение в т. Е найдем по данным конца:
Рассмотрим участок цепи трансформатор Т4 -
система.
Потери мощности в трансформаторе Т4:
Мощность, подходящая к т. F:
Тогда мощность, отдаваемая в систему (Г2):
Напряжение в т. F, приведенное к
ВН по данным конца:
С помощью РПН трансформатора Т4 при количестве отпаек
удается поддерживать напряжение в допустимых
пределах
4.
Список использованной литературы
1. Справочник
по проектированию электроэнергетических систем В.В. Ершевич, А.Н. Зейлигер,
Г.А. Илларионов и др.; под ред. С.С. Рокотяна и И.М. Шапиро. - 3-е изд., перераб.
и доп. - М.: Энергоатомиздат, 1985 - 352 с
2. Конспект
лекций по дисциплине "Передача и распределение электроэнергии". Ю.П.
Горюнов за 2010 год