Передача и распределение электроэнергии
Федеральное
агентство по образованию
Вологодский
государственный технический университет
Кафедра:
Электроснабжения
Дисциплина:
Электрические питательные системы и сети
Курсовой
проект
Передача и
распределение электроэнергии
Вариант 46
Вологда
Введение
В настоящее время в жизни человека большую роль играет электроэнергия.
Проблемы поставки ее потребителю, а также поддержания высокого качества
поставляемой электроэнергии стоят перед разработчиками энергосистем.
Электроэнергия должна удовлетворять большому количеству различных
критериев, как то величина отклонения напряжения, частота и множество других. С
точки зрения производителей электроэнергии электрическая система должна быть
экономичной и выполненной максимально качественно с минимумом затрат на
электрооборудование и потери в линиях - это позволит увеличить передачу
производимой электроэнергии потребителю. Основываясь на этих критериях, следует
подобрать все электрооборудование системы.
Отдельным пунктом идет поддержание напряжения в пределах допустимой нормы
в различных режимах энергосистемы (наибольшей и наименьшей нагрузки, а также
послеаварийном режиме). Для этой цели используются регуляторы напряжения
непосредственно на трансформаторах (РПН и ПБВ), а также конденсаторные батареи,
которые, уменьшая реактивную энергию в энергосистеме, способствуют уменьшению
падения напряжения в линиях.
В данной курсовой работе мы попытаемся решить проблемы поставки
электроэнергии потребителю и сохранения ее высокого качества. Курсовая работа
содержит следующие основные пункты: выбор и обоснование трансформаторов и
воздушных линий энергосистемы, расчет режимов наибольшей и наименьшей нагрузки,
компенсация реактивной мощности системы, расчет послеаварийных режимов и
регулирование напряжения, механический расчет воздушных линий.
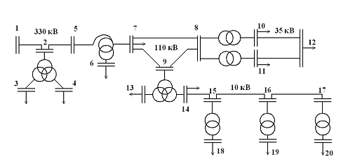
Исходные данные
Рис.1. Схема электрической сети
Таблица №1
Si (МВ.А)
|
S3,4
|
S6
|
S7
|
S10,11
|
S12
|
S13
|
S14
|
S18
|
S19
|
S20
|
|
20
|
25
|
180
|
5
|
12
|
10
|
8
|
0,5
|
0,7
|
0,8
|
Таблица
№2i,j (км)
|
1 2
|
2 5
|
7 8
|
7 9
|
8 9
|
10,12 11,12
|
14 15
|
15 16
|
16 17
|
|
100
|
120
|
40
|
30
|
40
|
18
|
6
|
5
|
4
|
1.
Выбор сечения проводов воздушных линий
1.1 Предварительный расчет потоков
мощностей:
.2 Расчет сечений:
,
Пример
расчета:
Таблица
№3
|
№ узла
|
Fi,j,мм2
|
Uном, кВ
|
|
1,2
|
516,7
|
330
|
|
2,5
|
446,7
|
330
|
|
7,8
|
93,6
|
110
|
|
7,9
|
109,78
|
110
|
|
8,9
|
11,36
|
110
|
|
10,12 11,12
|
76,2
|
35
|
|
14,15
|
82,6
|
10
|
|
15,16
|
62
|
10
|
|
16,17
|
33
|
10
|
.3 Расчет параметров схем замещения проводов ВЛ
;
;
;
;
;
.
|
U кВ
|
330
|
110
|
35
|
10
|
|
Dср
|
10,58
|
4,518
|
4,518
|
1,317
|
Пример расчета:
Линия 1-2
,
,
,
,
Таблица
№4
|
№Узла
|
Тип проводов
|
L км
|
Сопротивление проводов
|
Проводимость
|
|
|
|
r0 Ом/км
|
rл Ом
|
x0 Ом/км
|
xл Ом
|
b0
мкСм/км
|
bл мкСм
|
|
1,2
|
2хАС330
|
100
|
0,053
|
5,3
|
0,316
|
31,6
|
3,557
|
355,7
|
|
2,5
|
2хАС240
|
120
|
0,066
|
7,92
|
0,32
|
38,4
|
3,512
|
421,44
|
|
7,8
|
АС95
|
40
|
0,322
|
13,28
|
0,424
|
16,96
|
2,68
|
107,32
|
|
7,9
|
АС120
|
30
|
0,263
|
7,89
|
0,416
|
12,48
|
2,33
|
81,96
|
|
8,9
|
АС70
|
40
|
0,45
|
18
|
0,435
|
17,4
|
2,615
|
104,6
|
|
10,12 11,12
|
АС95
|
18
|
0,332
|
6
|
0,424
|
7,632
|
2,68
|
48,3
|
|
14,15
|
АС95
|
6
|
0,332
|
1,99
|
0,347
|
2,082
|
3,31
|
19,86
|
|
15,16
|
АС70
|
5
|
0,45
|
2,25
|
0,357
|
1,785
|
3,207
|
16,035
|
|
16,17
|
АС35
|
4
|
0,9
|
3,6
|
0,376
|
1,504
|
3,037
|
12,148
|
2. Выбор типа и мощности трансформаторов
Таблица №5
|
Тип трансформатора
|
Сопротивление обмоток (Ом)
|
|
|
rВС
|
rВН
|
rСН
|
rВ
|
rC
|
rН
|
xВС
|
xВН
|
xСН
|
xВ
|
xС
|
xН
|
bТ, мкСм
|
|
ТРДН-63000/330/10,5/10,5
|
-
|
6,31
|
-
|
-
|
-
|
-
|
-
|
190,14
|
-
|
-
|
-
|
-
|
4,63
|
|
АТДЦТН-200000/330/115/6,6
|
1,525
|
3,58
|
3,58
|
0,762
|
0,762
|
2,824
|
57,17
|
206,91
|
136,12
|
63,979
|
-6,806
|
142,93
|
8,264
|
|
ТДН-16000/115/35
|
-
|
4,39
|
-
|
-
|
-
|
-
|
-
|
86,79
|
-
|
-
|
-
|
-
|
8,469
|
|
ТДТН-25000/115/11/6,6
|
2,96
|
2,96
|
2,96
|
1,481
|
1,481
|
1,481
|
55,55
|
92,57
|
34,385
|
56,867
|
-1,322
|
35,707
|
13,23
|
|
ТМ-1000//10/0,4
|
-
|
1,15
|
-
|
-
|
-
|
-
|
-
|
5,5
|
-
|
-
|
-
|
-
|
50
|
Формулы для расчета трансформаторов
Автотрансформатор: АТДЦТН-200000/330/115/6,6
U=330кВ;UkBC=10,5%;UkBH=38%;UkCH=25%;Sном=200МВ.А;
DPkBC=DPkBH=DPkCH=560кВт;DPx=115 кВт;Ix=0,45%.
;
;
;
;
Трехобмоточный
трансформатор: ТДТН-25000/110/115/11/6,6
U=115 кВ, UkBC=10,75 %, UkBH=17,5 %, UkCH=6,5 %, Ix=0,7 %, Sном=25 МВ.А,
DPx=28,5 кВт, DPk=140кВт.
Двухобмоточные
трансформаторы:
ТРДН-63000/330/10,5/10,5
Uном=115кВ; Ix=0.8 %, Sном=63 МВ.А,
DPx=100 кВт, DPk=230 кВт, Uk=11%
;
;
ТДН
- 16000/115/11
Uном=115кВ; Ix=0.7 %, Sном=16 МВ.А,
DPx=18 кВт, DPk=85 кВт, Uk=10,5%
;
;
Uном=115кВ; Ix=0,5 %, Sном=16 МВ.А,
DPx=1,65 кВт DPk=11,5кВт, Uk=5,5%
;
;
3. Расчет рабочих режимов
.1 Расчет потерь мощности в элементах сети
3.1.1 Потери мощности в трансформаторах и автотрансформаторах
Потери мощности в автотрансформаторе (нб):
;
Потери
мощности в трёхобмоточном трансформаторе
ТДТН
- 25000/115/11/6,6
Потери
мощности в двухобмоточных трансформаторах (max):
ТРДН-63000/330/10,5
ТДН-16000/115/11
ТМ-1000/10/0,4
Таблица№6
|
Тип трансформатора
|
DPmax МВт
|
DQmax МВт
|
|
2хАТДЦТН-200000/330/115
|
0,755
|
7,425
|
|
ТДТН-25000/115/11
|
0,168
|
2,26
|
|
ТРДН-63000/330/10,5
|
0,193
|
3,298
|
|
ТДН-16000/115/11
|
0,06
|
0,984
|
|
ТМ-1000/10/0,4
|
0,009
|
0,04
|
|
ТМ-1000/10/0,4
|
0,007
|
0,03
|
|
ТМ-1000/10/0,4
|
0,0045
|
0,0187
|
3.2 Расчет потоков мощностей при наибольшей нагрузке
Для
четного узла
;
Для
нечётного узла
;

3.3 Расчет напряжений в узлах электрической сети
.3.1 Приведение параметров схемы замещения к напряжению U=110 кВ
Таблица№7
|
Элемент схемы
|
Uном кВ
|
r, Ом
|
r`, ОМ
|
x, Ом
|
x`, Ом
|
|
1,2
|
330
|
5,25
|
0,58
|
31,572
|
3,51
|
|
2,5
|
330
|
7,875
|
0,88
|
37,886
|
4,21
|
|
7,8
|
110
|
13,263
|
13,26
|
16,956
|
16,96
|
|
7,9
|
110
|
7,875
|
7,88
|
12,494
|
12,49
|
|
8,9
|
110
|
18
|
18
|
17,381
|
17,38
|
|
10,12
|
35
|
5,968
|
58,95
|
7,63
|
75,37
|
|
11,12
|
35
|
5,968
|
58,95
|
7,63
|
75,37
|
|
14,15
|
10
|
1,989
|
240,67
|
2,079
|
251,56
|
|
15,16
|
10
|
2,25
|
272,25
|
1,786
|
216,11
|
|
16,17
|
10
|
3,6
|
435,6
|
1,505
|
182,11
|
|
2,21
|
330
|
6,311
|
0,7
|
190,143
|
21,13
|
|
5,22
|
330
|
0,762
|
0,08
|
82,869
|
9,21
|
|
7,22
|
330
|
0,762
|
0,08
|
-25,697
|
-2,86
|
|
6,22
|
330
|
2,824
|
0,31
|
234,477
|
26,05
|
|
8,10
|
110
|
4,391
|
4,39
|
86,789
|
86,79
|
|
8,11
|
110
|
4,391
|
4,39
|
86,789
|
86,79
|
|
9,23
|
110
|
1,481
|
1,48
|
56,867
|
56,87
|
|
13,23
|
110
|
1,481
|
1,48
|
-1,322
|
-1,32
|
|
14,23
|
110
|
1,481
|
1,48
|
35,707
|
35,71
|
|
15,18
|
10
|
1,15
|
139,15
|
5,5
|
665,5
|
|
16,19
|
10
|
1,15
|
139,15
|
5,5
|
665,5
|
|
17,20
|
10
|
1,15
|
139,15
|
5,5
|
665,5
|
;
;
при Uном<110
кВ и
;
при
Uном>110
кВ
Определение
напряжений
Остальной
расчет производится аналогично, расчёт приведён в таблице
Таблица№8
|
Элемент схемы
|
Uрас кВ
|
Uф кВ
|
|
1
|
121
|
363
|
|
2
|
115,7
|
347,1
|
|
21
|
112
|
10,18
|
|
5
|
109,5
|
328,5
|
|
22
|
100,2
|
300,6
|
|
6
|
97,63
|
5,86
|
|
7
|
103,2
|
103,2
|
|
8
|
99,44
|
99,44
|
|
9
|
100,3
|
100,3
|
|
10
|
94,65
|
30,12
|
|
11
|
94,28
|
30
|
|
12
|
89,54
|
28,49
|
|
23
|
94,69
|
94,69
|
|
13
|
94,64
|
5,68
|
|
14
|
93,08
|
8,46
|
|
15
|
86,11
|
7,83
|
|
16
|
80,94
|
7,36
|
|
17
|
77,29
|
7,03
|
|
18
|
84,12
|
0,31
|
|
19
|
77,81
|
0,28
|
|
20
|
74,1
|
0,27
|
3.4 Потери в трансформаторах при наименьших нагрузках
Таблица №9
|
Тип трансформатора
|
DP, МВт
|
DQ, МВар
|
|
2хАТДЦТН-200000/330/115
|
0,55
|
6,291
|
|
ТДТН-25000/115/11
|
0,06
|
0,696
|
|
ТРДН-63000/330/10,5
|
0,123
|
1,202
|
|
ТДН-16000/115/11
|
0,028
|
0,31
|
|
ТМ-1000/10/0,4
|
0,0035
|
0,014
|
|
ТМ-1000/10/0,4
|
0,003
|
0,012
|
|
ТМ-1000/10/0,4
|
0,0024
|
0,008
Таблица №10
|
№ линии
|
Конец линии
|
Начало линии
|
|
Активная мощность, МВт
|
Реактивная мощность, МВар
|
Активная мощность, МВт
|
Реактивная мощность, МВар
|
|
16,17
|
0,363
|
0,19
|
0,37
|
0,192
|
|
15,16
|
0,67
|
0,39
|
0,684
|
0,4
|
|
14,15
|
0,911
|
0,519
|
4,533
|
2,302
|
|
14 э
|
4,533
|
2,302
|
4,533
|
2,302
|
|
9 э
|
8,846
|
4,519
|
8,846
|
4,519
|
|
10,12
|
2,7
|
1,32
|
4,994
|
2,476
|
|
11,12
|
2,7
|
1,32
|
4,869
|
2,701
|
|
10 э
|
4,994
|
2,476
|
4,994
|
2,476
|
|
11 э
|
4,869
|
2,701
|
4,869
|
2,701
|
|
8 э
|
9,919
|
4,516
|
9,919
|
4,516
|
|
7,8
|
8,45
|
4,18
|
8,547
|
4,305
|
|
7,9
|
10,316
|
4,855
|
10,4
|
4,989
|
|
8,9
|
1,47
|
0,336
|
1,473
|
0,339
|
|
7 э
|
95,451
|
55,852
|
95,451
|
55,852
|
|
2,5
|
107,251
|
44,695
|
108,227
|
26,444
|
|
1,2
|
125,851
|
17,978
|
126,63
|
3,296
|
3.6 Определение напряжений
Таблица№11
|
Элемент схемы
|
Uрас кВ
|
Uф кВ
|
|
1
|
115,5
|
346,5
|
|
2
|
114,8
|
344,4
|
|
21
|
112,9
|
10,26
|
|
5
|
113
|
339
|
|
22
|
109,5
|
328,5
|
|
6
|
108,2
|
6,49
|
|
7
|
110,9
|
110,9
|
|
8
|
109,3
|
109,3
|
|
9
|
109,6
|
109,6
|
|
10
|
106,9
|
34,01
|
|
11
|
106,7
|
33,95
|
|
12
|
104,4
|
33,22
|
|
23
|
107,3
|
107,3
|
|
13
|
107,3
|
6,44
|
|
14
|
106,5
|
9,68
|
|
15
|
103,2
|
9,38
|
|
16
|
100,7
|
9,15
|
|
17
|
98,94
|
8,99
|
|
18
|
102,2
|
0,37
|
|
19
|
99,16
|
0,36
|
|
20
|
97,36
|
0,35
|
3.7 Выбор компенсирующих устройств и расчет режимов проектируемой сети с
КУ
; ;
Таблица
№12
|
№узла
|
Тип компенсирующего устройства
|
|
20
|
УКМ-58-0,4-200У1
|
|
19
|
2хУКМ-58-0,4-200У1
|
|
18
|
УКМ-58-0,4-200У1
|
|
14
|
УКЛ-57-10,5-22500УЗ
|
|
6
|
2хУКЛ-57-10,5-3150
|
|
13
|
3хУК-6(10)-1125Л(П)У3
|
|
4
|
УКЛ 57-10,5-2700У3 + + УКЛ
57-10,5-2250У3
|
|
3
|
3хУКЛ 57-10,5-2250УЗ
|
.7.1 Расчет потерь мощности в трансформаторах (к.у.)
Таблица №13
|
Тип трансформатора
|
DP,
МВт
|
DQ,
МВар
|
|
2хАТДЦТН-200000/330/115
|
0,6025
|
7,505
|
|
ТДТН-25000/115/11
|
0,123
|
1,611
|
|
ТРДН-63000/330/10,5
|
0,1744
|
2,75
|
|
ТДН-16000/115/11
|
0,053
|
0,804
|
|
ТМ-1000/10/0,4
|
0,0078
|
0,035
|
|
ТМ-1000/10/0,4
|
0,0059
|
0,02551
|
|
ТМ-1000/10/0,4
|
0,004
|
0,0166
|
.7.2 Расчёт потоков(к.у.)
Таблица №14
|
№ линии
|
Конец линии
|
Начало линии
|
|
Активная мощность, МВА
|
Реактивная мощность, МВА
|
Активная мощность, МВА
|
Реактивная мощность, МВА
|
|
16.17
|
0,728
|
0,186
|
0,748
|
0,195
|
|
15.16
|
1,349
|
0,357
|
1,393
|
0,392
|
|
14.15
|
1,847
|
0,495
|
9,12
|
2,141
|
|
14 э
|
9,12
|
2,141
|
9,12
|
2,141
|
|
9 э
|
17,743
|
4,548
|
17,743
|
4,548
|
|
10.12
|
5,4
|
1,065
|
10,048
|
2,104
|
|
11.12
|
5,4
|
1,065
|
9,798
|
2,104
|
|
10 э
|
10,048
|
2,104
|
10,048
|
2,104
|
|
11 э
|
9,798
|
2,104
|
9,798
|
2,104
|
|
8 э
|
19,951
|
4,534
|
19,951
|
4,534
|
|
7.8
|
17,078
|
4,371
|
17,419
|
4,807
|
|
7.9
|
20,616
|
4,711
|
20,907
|
5,173
|
|
8.9
|
2,873
|
0,163
|
2,886
|
0,175
|
|
7 э
|
191,338
|
41,669
|
191,338
|
41,669
|
|
2.5
|
214,441
|
30,927
|
217,835
|
24,31
|
|
1.2
|
253,009
|
15,389
|
256,107
|
14,649
|
.7.3 Определение напряжений
Таблица №15
|
№ узлов
|
Uр кВ
|
Uф кВ
|
|
1
|
121
|
363
|
|
2
|
119,5
|
358,5
|
|
21
|
117,9
|
10,72
|
|
5
|
117,1
|
351,3
|
|
22
|
115,7
|
347,1
|
|
6
|
114,7
|
6,88
|
|
7
|
116,8
|
116,8
|
|
8
|
113,9
|
113,9
|
|
9
|
114,7
|
114,7
|
|
10
|
111,5
|
35,48
|
|
11
|
111,5
|
35,48
|
|
12
|
107,7
|
34,27
|
|
23
|
112,5
|
112,5
|
|
13
|
112,4
|
6,74
|
|
14
|
111,7
|
10,15
|
|
15
|
106,2
|
9,65
|
|
16
|
102
|
9,27
|
98,76
|
8,98
|
|
18
|
105,1
|
0,38
|
|
19
|
100,4
|
0,37
|
|
20
|
96,8
|
0,35
|
воздушная линия
сеть
4. Расчет послеаварийных режимов
.1 Разрыв линии 7,8
Рис. 2. Схема электрической сети после аварии
4.1.1 Расчет потерь мощности в трансформаторах при отключении линии 7,8
Таблица №16
|
Тип трансформатора
|
DP,
МВт
|
DQ,
МВар
|
|
2хАТДЦТН-200000/330/115
|
0,6025
|
7,505
|
|
ТДТН-25000/115/11
|
0,123
|
1,611
|
|
ТРДН-63000/330/10,5
|
0,1744
|
2,75
|
|
ТДН-16000/115/11
|
0,053
|
0,804
|
|
ТМ-1000/10/0,4
|
0,0078
|
0,035
|
|
ТМ-1000/10/0,4
|
0,0059
|
0,02551
|
|
ТМ-1000/10/0,4
|
0,004
|
0,0166
|
.1.2 Расчет потоков в сети после аварии
Таблица №17
|
№ линии
|
Конец линии
|
Начало линии
|
|
Активная мощность, МВА
|
Реактивная мощность, МВА
|
Активная мощность, МВА
|
Реактивная мощность, МВА
|
|
16.17
|
0,728
|
0,186
|
0,748
|
0,195
|
|
15.16
|
1,349
|
0,357
|
1,393
|
0,392
|
|
14.15
|
1,847
|
0,495
|
9,12
|
2,141
|
|
14 э
|
9,12
|
2,141
|
9,12
|
2,141
|
|
9 э
|
17,743
|
4,548
|
17,743
|
4,548
|
|
10.12
|
5,4
|
1,065
|
10,048
|
2,104
|
|
11.12
|
5,4
|
1,065
|
9,798
|
2,104
|
|
10 э
|
10,048
|
2,104
|
10,048
|
2,104
|
|
11 э
|
9,798
|
2,104
|
9,798
|
2,104
|
|
8 э
|
19,962
|
5,387
|
19,962
|
5,387
|
|
7.9
|
38,34
|
10,549
|
39,369
|
12,182
|
|
8.9
|
19,962
|
5,387
|
20,597
|
6,001
|
|
7 э
|
194,034
|
46,756
|
194,034
|
46,756
|
|
2.5
|
217,776
|
43,964
|
221,345
|
38,189
|
|
1.2
|
256,538
|
29,819
|
259,754
|
29,789
|
.1.3 Определение напряжений при отключении линии 7,8
Таблица №18
|
№ узла
|
Uрас кВ
|
Uф кВ
|
|
1
|
121
|
363
|
|
2
|
119
|
357
|
|
21
|
117,4
|
10,67
|
|
5
|
116
|
348
|
|
22
|
113,6
|
340,8
|
|
6
|
112,6
|
6,76
|
|
7
|
114,8
|
114,8
|
|
8
|
106,9
|
106,9
|
|
9
|
110,9
|
110,9
|
|
10
|
104,4
|
33,22
|
|
11
|
104,4
|
33,22
|
|
12
|
100,6
|
32,01
|
|
23
|
108,7
|
108,7
|
|
13
|
108,6
|
6,52
|
|
14
|
108
|
9,82
|
|
15
|
102,5
|
9,32
|
|
16
|
9,83
|
0,89
|
|
17
|
95,01
|
8,64
|
|
18
|
101,3
|
0,37
|
|
19
|
96,61
|
0,35
|
|
20
|
93,06
|
0,34
|
4.2 Разрыв линии 11,12
Рис. 3. Схема электрической сети после аварии
4.2.1
Расчет потерь мощности в трансформаторах при отключении линии 11,12
Таблица №19
|
Тип трансформатора
|
DP,
МВт
|
DQ,
МВар
|
|
2хАТДЦТН-200000/330/115
|
0,6025
|
7,505
|
|
ТДТН-25000/115/11
|
0,123
|
1,611
|
|
ТРДН-63000/330/10,5
|
0,1744
|
2,75
|
|
ТДН-16000/115/11
|
0,053
|
0,804
|
|
ТМ-1000/10/0,4
|
0,0078
|
0,035
|
|
ТМ-1000/10/0,4
|
0,0059
|
0,02551
|
|
ТМ-1000/10/0,4
|
0,004
|
0,0166
|
4.2.2 Расчет потоков мощности в сети после аварии
Таблица №20
|
№ линии
|
Конец линии
|
Начало линии
|
|
Активная мощность, МВА
|
Реактивная мощность, МВА
|
Активная мощность, МВА
|
Реактивная мощность, МВА
|
|
16.17
|
0,728
|
0,186
|
0,748
|
0,195
|
|
15.16
|
1,349
|
0,357
|
1,393
|
0,392
|
|
14.15
|
1,847
|
0,495
|
9,12
|
2,141
|
|
14 э
|
9,12
|
2,141
|
9,12
|
2,141
|
|
9 э
|
17,743
|
4,548
|
17,743
|
4,548
|
|
11.12
|
10,8
|
2,13
|
11,39
|
2,885
|
|
10 э
|
9,473
|
1,996
|
9,473
|
1,996
|
|
11 э
|
9,945
|
2,292
|
9,945
|
2,292
|
|
8 э
|
19,525
|
4,631
|
19,525
|
4,631
|
|
7.8
|
16,803
|
4,439
|
17,134
|
4,862
|
|
7.9
|
20,465
|
4,74
|
20,752
|
5,196
|
|
8.9
|
2,722
|
0,192
|
2,733
|
0,203
|
|
7 э
|
190,897
|
104,324
|
190,897
|
104,324
|
|
2.5
|
214,562
|
100,602
|
218,623
|
97,192
|
|
1.2
|
253,816
|
88,822
|
257,302
|
90,419
|
4.2.3 Определение напряжений
Таблица №21
|
№ узла
|
Uрас кВ
|
Uф кВ
|
|
1
|
121
|
363
|
|
2
|
117
|
351
|
|
21
|
115,5
|
10,5
|
|
5
|
111,8
|
335,4
|
|
22
|
104,7
|
314,1
|
|
6
|
103,7
|
6,22
|
|
7
|
107,4
|
107,4
|
|
8
|
104,5
|
104,5
|
|
9
|
105,3
|
105,3
|
|
10
|
100,7
|
32,04
|
|
11
|
100,7
|
32,04
|
|
12
|
92,82
|
29,53
|
|
23
|
103,1
|
|
13
|
103
|
6,18
|
|
14
|
102,4
|
9,31
|
|
15
|
96,9
|
8,81
|
|
16
|
92,69
|
8,43
|
|
17
|
89,41
|
8,13
|
|
18
|
95,73
|
0,35
|
|
19
|
91,02
|
0,33
|
|
20
|
87,46
|
0,32
|
5.
Выбор и обоснование средств регулирования напряжений
Т8: ТДН - 16000/110/10
U8 = 111,069 кВ
РПН
±±9 ‘ґ 1.77% в нейтрали ВН (стр.117 [ 2 ] )
Т9: ТДТН 25000/110/35/10 9 = 112,083 кВ, U14 =10,03 кВ,
РПН
±±9 ‘ґ 1.77% в нейтрали ВН (стр.117 [ 2 ] )
ПБВ
±±2 ‘ґ 2.5% на стороне СН (стр.117 [ 2 ])
Т15: ТМ 1000/10/0,4 15 = 9,405 кВ,
ПБВ
±±2 ‘ґ 2.5% (стр.116 [ 2 ] )
Результаты регулирования напряжения сведены в таблицу 22
Таблица №22
|
№ узла
|
Режим наибольших нагрузок
|
Режим наименьших нагрузок
|
Режим с компенсирующими
устройствами
|
|
Ui, кВ
|
1cт.
|
2ст.
|
3ст.
|
Ui, кВ
|
1cт.
|
2ст.
|
3ст.
|
Ui,кВ
|
1cт.
|
2ст.
|
3ст.
|
|
1
|
363
|
363
|
|
|
346,5
|
346,5
|
|
|
363
|
363
|
|
|
|
2
|
347,1
|
347,1
|
|
|
344,4
|
344,4
|
|
|
358,5
|
358,5
|
|
|
|
3
|
10,18
|
10,5
|
|
|
10,26
|
10,26
|
|
|
10,72
|
10,72
|
|
|
|
4
|
10,18
|
10,5
|
|
|
10,26
|
10,26
|
|
|
10,72
|
10,72
|
|
|
|
5
|
328,5
|
367,92
|
|
|
339
|
339
|
|
|
351,3
|
351,3
|
|
|
|
6
|
5,86
|
6,5632
|
|
|
6,49
|
6,49
|
|
|
6,88
|
6,983
|
|
|
|
7
|
103,2
|
115,584
|
|
|
110,9
|
110,9
|
|
|
116,8
|
118,5
|
|
|
|
8
|
99,44
|
111,373
|
|
|
109,3
|
109,3
|
|
|
113,9
|
115,6
|
|
|
|
9
|
100,3
|
112,336
|
|
|
109,6
|
109,6
|
|
|
114,7
|
116,4
|
|
|
|
10
|
30,12
|
33,7344
|
39,1386
|
|
34,01
|
34,01
|
37,0368
|
|
35,48
|
36,01
|
37,9352
|
|
|
11
|
30
|
33,6
|
38,9827
|
|
33,95
|
33,95
|
36,9715
|
|
35,48
|
36,01
|
37,9352
|
|
|
12
|
28,49
|
28,49
|
31,9088
|
|
33,22
|
33,22
|
36,1765
|
|
34,27
|
34,78
|
36,6415
|
|
|
13
|
5,68
|
6,3616
|
7,15425
|
|
6,44
|
6,44
|
7,01316
|
|
6,74
|
6,841
|
7,44995
|
|
|
14
|
8,46
|
9,4752
|
10,6558
|
|
9,68
|
9,68
|
10,5415
|
|
10,15
|
10,30
|
11,2191
|
|
|
15
|
7,83
|
8,7696
|
9,86229
|
|
9,38
|
9,38
|
10,2148
|
|
9,65
|
9,794
|
10,6664
|
|
|
16
|
7,36
|
8,2432
|
9,27030
|
|
9,15
|
9,15
|
9,96435
|
|
9,27
|
9,409
|
10,2464
|
|
|
17
|
7,03
|
7,8736
|
8,85465
|
|
8,99
|
8,99
|
9,79011
|
|
8,98
|
9,114
|
9,92590
|
|
|
18
|
0,31
|
0,3472
|
0,39046
|
0,409
|
0,37
|
0,37
|
0,40293
|
0,42307
|
0,38
|
0,385
|
0,42002
|
|
|
19
|
0,28
|
0,3136
|
0,35267
|
0,370
|
0,36
|
0,36
|
0,39204
|
0,41164
|
0,37
|
0,375
|
0,40897
|
|
|
20
|
0,27
|
0,302
|
0,34
|
0,357
|
0,35
|
0,35
|
0,38115
|
0,40020
|
0,35
|
0,355
|
0,38686
|
0,39653
|
|
№ уз-ла
|
Напряжения при
Sпа7,8 , кВ
|
Напряжения при
Sпа11,12, кВ
|
|
Ui,
|
1ст
|
2ст
|
3ст
|
Ui,
|
1ст
|
2ст
|
3ст
|
|
1
|
363
|
363
|
|
|
363
|
363
|
|
|
|
2
|
357
|
357
|
|
|
351
|
351
|
|
|
|
3
|
10,67
|
10,67
|
|
|
10,5
|
10,5
|
|
|
|
4
|
10,67
|
10,67
|
|
|
10,5
|
10,5
|
|
|
|
5
|
348
|
348
|
|
|
335,4
|
335,4
|
|
|
|
6
|
6,76
|
7,5712
|
|
|
6,22
|
6,3133
|
|
|
|
7
|
114,8
|
128,576
|
|
|
107,4
|
109,011
|
|
|
|
8
|
106,9
|
119,728
|
|
|
104,5
|
106,067
|
|
|
|
9
|
110,9
|
124,208
|
|
|
105,3
|
106,879
|
|
|
|
10
|
33,22
|
37,2064
|
39,1932
|
|
32,04
|
32,5206
|
35,4149
|
|
|
11
|
33,22
|
37,2064
|
39,1932
|
|
32,04
|
32,5206
|
35,4149
|
|
|
12
|
32,01
|
35,8512
|
37,7656
|
|
29,53
|
29,9729
|
32,6405
|
|
|
13
|
6,52
|
7,3024
|
7,56236
|
|
6,18
|
6,2727
|
6,83097
|
|
|
14
|
9,82
|
10,9984
|
11,3899
|
|
9,31
|
9,44965
|
10,2906
|
|
|
15
|
9,32
|
10,4384
|
10,8100
|
|
8,81
|
8,94215
|
9,73800
|
|
|
16
|
8,94
|
10,0128
|
10,3692
|
|
8,43
|
8,55645
|
9,31797
|
|
|
17
|
8,64
|
9,6768
|
10,0212
|
|
8,13
|
8,25195
|
8,98637
|
|
|
18
|
0,37
|
0,4144
|
0,42915
|
|
0,35
|
0,35525
|
0,38686
|
|
19
|
0,35
|
0,392
|
0,40595
|
|
0,33
|
0,33495
|
0,36476
|
0,38299
|
|
20
|
0,34
|
0,3808
|
0,39435
|
0,41407
|
0,32
|
0,3248
|
0,35370
|
0,37139
|
6.
Технико-экономическое обоснование сечений ВЛ, трансформаторов, компенсирующих
устройств
a. Технико-экономическое обоснование сечений ВЛ
EH=0.23,
b=1руб/кВт.ч, K2004=K1985.D.l, D=30,
ИГ =
ΔРτb
Линия
1-2, 330 кВ, 2хАС330/30
Выбираем
железобетонные одноцепные опоры
l=100 км
К2004
= 30 'Ч38,6.100 = 115800 тыс.руб
Tнб=6000 ч
ч
тыс.руб
Возьмем
провод АС400/18
rуд=0.07752
Ом/км
К2004=133320
тыс.руб
тыс.руб
Экономически
более выгодно использовать провод АС330/30
Линия
7-8, 110 кВ, АС95/16
Выбираем
железобетонные одноцепные опоры
l=40 км
К2004
= 30·15,9·40 = 19080 тыс.руб
Tнб=5000 ч
ч
тыс.руб
Возьмем
провод АС120/19
К2004=17280
тыс.руб
тыс.руб
Экономически
более выгодно использовать провод АС120/19
Линия
10-12, 35 кВ, АС95/16
l=18 км
К2004
= 30 'Ч13.7.18 =7398 тыс.руб
Tнб=4000 ч
ч
тыс.руб
Возьмем
провод АС120/19
К2004=7344
тыс.руб
тыс.руб
Экономически
более выгодно использовать провод АС120/19
Линия
15-16, 10 кВ, АС70
l=5 км
К2004
= 30 'Ч11,5.5=1725 тыс.руб
Tнб=3000 ч
ч
тыс.руб
Возьмем
провод АС95
К2004=1710
тыс.руб
тыс.руб
Экономически
более выгодно использовать провод АС70.
b. Технико-экономическое обоснование трансформаторов
K2004=K1985.D
АТДЦТН-200000/330/110
К2004=291.30=8730
тыс.руб
тыс.руб
Возьмем
автотрансформатор АТДЦТН-250000/330/110
К2004=9600
тыс.руб
тыс.руб.
Экономически
выгоднее использовать АТДЦТН-200000/330/110
ТДТН-25000/110
К2004=72,3.30=2169
тыс.руб
тыс.руб
Возьмем
трансформатор ТДТН-40000/110
К2004=2832
тыс.руб
тыс.руб
Экономически
более выгодно использовать ТДТН-25000/110
ТДН-16000/110
К2004=48.30=1440
тыс.руб
тыс.руб
Возьмем
трансформатор ТДН-25000/110
К2004=1860
тыс.руб
тыс.руб
Экономически
более выгодно использовать ТДН-16000/110
ТМ-1000/10
К2004=2,97.30=88,95
тыс.руб
тыс.руб.
Возьмем
трансформатор ТМ-1600/10
К2004=124,5
тыс.руб.
тыс.руб.
Экономически
более выгодно использовать ТМ-1000/10
c. Технико-экономическое обоснование ККУ
УКМ-58-0,4-200У1
К2004=2,09.30=62,7 тыс.руб.
тыс.руб.
года
УКЛ-57-10,5-2250У3
К2004=5,18.30=155,4 тыс.руб.
тыс.руб.
года
7.
Механический расчет проводов воздушной линии 110 кВ
Линию с номинальным напряжением 110 кВ предполагается построить в третьем
районе по гололеду и втором по ветру. Высшая температура в этом районе +400С,
низшая температура -400С, среднегодовая +50С. Линия будет
проложена на одноцепных железобетонных опорах типа ПБ110-5
проводом марки АС-120/19. Длина пролета принята равной 220 м.
Определим наибольшую стрелу провеса провода.
Сначала по справочнику определяем для нормального исполнения
провода сечение алюминиевой части Fal =118 мм2, стального
сердечника - Fст 18,8 мм2, удельная масса
провода G0 = 471 КГ/КМ. Теперь при соотношении Fal/Fст
= 120/19 для провода марки АС определяем:
модуль упругости ;
температурный коэффициент линейного расширения 
предел прочности при растяжении провода и троса в целом  ;
диаметр провода 15,2 мм;
Нормативные допускаемые напряжения проводов и тросов:
при наибольшей нагрузке и при низшей температуре воздуха
при среднеэксплуатационных условиях:

В качестве расчетных величин для второго района по ветру по
справочнику принимаем нормативную скорость ветра 25 м/с, для второго района по
гололеду принимаем нормативную толщину стенки гололеда 15 мм.
Определяем удельные нагрузки:
1) от собственной массы провода
,
где
- ускорение свободного падения;
-
удельная масса провода;
- сечение
алюминиевой и стальной части провода.
2) от массы гололеда

где
- удельная масса льда;
- нормативная толщина стенки гололеда;
- диаметр
провода.
3) от массы провода и массы гололёда

4) от давления ветра на провод без гололеда

где
- коэффициент, зависящий от высоты подвеса проводов;
-
аэродинамический коэффициент;
-
скорость ветра;
-
сечение провода.
5) от давления ветра на провод с гололедом

6) от собственной массы провода и давления ветра без гололеда

7) от собственной массы провода и гололёда и от давления ветра

Критические
пролёты проводов
Первый
критический пролёт характеризуется:
· низшая
температура воздуха ;
· удельная
нагрузка  ;
· допускаемое
напряжение провода  ;
· среднегодовая
расчетная температура ;
· допускаемое
напряжение провода при среднеэксплуатационных
условиях  .
При этом критический пролёт определяется выражением:
Для
определения второго критического пролета принимаем:
· низшая
температура воздуха ;
· удельная
нагрузка  ;
· допускаемое
напряжение провода  ;
· удельная нагрузка  ;
· расчётная
температура при наибольшей нагрузке ;
· допускаемое
напряжение провода при наибольшей нагрузке  .
Третий
критический пролет определяем при следующих условиях:
· среднегодовая
расчетная температура ;
· удельная
нагрузка  ;
· допускаемое
напряжение провода в среднеэксплуатационных условиях
 ;
· удельная нагрузка  ;
· расчётная
температура при наибольшей нагрузке ;
· допускаемое
напряжение провода при наибольшей нагрузке 
Итак,
м; м; м; м,
поэтому
; .
При
этом условии по справочнику выясняем, что в дальнейших расчетах в качестве
исходных данных нужно принять:
· расчётная
температура при наибольшей нагрузке ;
· удельная нагрузка  ;
· допускаемое
напряжение провода при наибольшей нагрузке  .
Вычисляем критическую температуру:
,
,
.
Поэтому наибольшая стрела провеса будет при наибольшей нагрузке.
м.
Расчет
монтажной таблицы
Расчёт
монтажной таблицы делается по следующим формулам:
,
,
где
- нагрузка провода;
-
сечение провода;
-
удельная нагрузка от массы провода;
-
напряжение провода при монтаже.
найдем
решив уравнение:
.
Результаты
расчёта представлены в табл. 23
Таблица
23 - Монтажная таблица
|
 ,  , кН , м
|
|
|
|
|
-40
|
97,2
|
13,3
|
2,1
|
|
-30
|
86,57
|
11,84
|
2,35
|
|
-20
|
77,22
|
10,56
|
2,64
|
|
-10
|
69,17
|
9,46
|
2,95
|
|
0
|
67,39
|
8,53
|
3,27
|
|
10
|
56,725
|
7,76
|
3,6
|
|
20
|
52,01
|
7,11
|
3,92
|
|
30
|
48,07
|
6,57
|
4,24
|
|
40
|
44,77
|
6,125
|
4,5
|
По табл. 23 строятся монтажные кривые
Заключение
В ходе данной работы была разработана схема электроснабжения
потребителей, выбраны трансформаторы и линии электропередач. Рассчитаны потери
во всех элементах схемы в режимах наибольшей и наименьшей нагрузки, а также с
компенсированной реактивной мощностью. Была проведена регулировка напряжения с
целью приведения его к нормам, прописанным в ГОСТе. В процессе работы была
вычислена критическая температура и критический пролет для воздушных линий
электропередач на напряжение 110кВ. В экономической части работы мы рассмотрели
технико-экономическое обоснование выбора элементов схемы и пришли к выводу, что
увеличение сечения провода или мощности трансформаторов приводит к уменьшению
материальных затрат. Также было выполнено несколько чертежей: 1) схема
замещения 2) однолинейная схема замещения 3) график изменения напряжения сети
(без регулирования) в зависимости от режима энергосистемы 4) монтажные кривые
5) Эскиз одноцепной опоры воздушной линии 110 кВ 6) ТЭО трансформаторов, линий
и компенсирующих устройств.
Список использованных источников
1. Неклепаев
Б.Н., Крючков И.П. Электрическая часть электростанций и подстанций: Справочные
материалы для курсового и дипломного проектирования: Уч. пособие для вузов -М.:
Энергоатомиздат, 1989г.
2. Блок
В.М. Электрические сети и системы: Уч. пособие для электроэнергетических
специальностей вузов. - М.: Высшая школа, 1986г.
. Справочник
по электроснабжению промышленных предприятий. -М.: Энергия, 1973г.
. Правила
устройства электроустановок. -М.: Энергия, 1998г.
. Электротехнический
справочник: В 3т. Т.3 В2 кн. Кн.1 Производство и распределение электрической
энергии (Под общ. ред. профессоров МЭИ: И.Н.Орлова (гл. ред.) и др.)7-е изд.
испр. и доп. -М.: Энергоатомиздат, 1988. -880 с.: ил.
Похожие работы на - Передача и распределение электроэнергии
|