Линейные электрические цепи при несинусоидальных периодических токах
Задача 1
Согласно варианту задания составляем
электрическую схему трехфазной цепи (рис. 1)
Рис. 1
1. Мгновенные значения ЭДС
генератора
2. Мгновенные значения линейных
напряжений генератора
3. Комплексы действующих значений
фазных и линейных напряжений генератора
Расчет комплексов фазных и линейных
ЭДС генератора выполнен правильно.
Построим векторную диаграмму фазных
и линейных ЭДС на комплексной плоскости (рис. 2)
Вектора фазных и линейных ЭДС
образуют симметричные трехфазные системы, что подтверждает правильность их
расчета.
Рис. 2
4. Расчет цепи при условии, что
сопротивление нулевого провода Zn=0
. Комплексные значения фазных токов
нагрузки.
Индуктивные сопротивления фаз
нагрузки, Ом
Емкостные сопротивления фаз
нагрузки, Ом
Комплексные сопротивления и
проводимости фаз нагрузки:
Комплексные фазные токи нагрузки:
Действующие значения фазных токов
нагрузки, А
. Комплексный ток в нулевом проводе
Действующее значение тока в нулевом
проводе нагрузки, А
Построим векторную диаграмму токов
на комплексной плоскости (рис. 3)
Рис. 3
Сумма токов в узле равна току в
нулевом проводе, что подтверждает правильность расчетов токов.
. Определение полной S и активной P
мощности нагрузки сопряженный комплекс тока:
Полная мощность нагрузки:
Модуль полной мощности нагрузки:
Активная мощность нагрузки:
5. Расчет цепи при условии, что
система не имеет нулевого провода (ключ S1 разомкнут)
. Определение фазных напряжений на
нагрузке
Напряжение между нулевыми точками
генератора и нагрузки, В:
Комплексы фазных напряжений на
нагрузке:
Действующие значения фазных
напряжений на нагрузке, В:
. Определение токов в фазах нагрузки
Действующие значения токов в фазах
нагрузки, А:
Проверка расчетов по первому закону
Кирхгофа:
Расчет комплексов фазных токов
выполнен правильно.
Построим векторную диаграмму токов
на комплексной плоскости (рис. 4)
Рис. 4
Сумма токов в узле равна нулю, что подтверждает
правильность расчетов токов.
. Ток в нулевом проводе отсутствует так как:
. Для построения
векторно-топографической диаграммы найдем падения напряжений на активных и
реактивных сопротивлениях нагрузки:

Рис. 5
Проверка по второму закону Кирхгофа:
Расчет падений напряжений на
активных и реактивных сопротивлениях нагрузки выполнен правильно.
6. Расчет цепи при условии, что
нулевой провод имеет сопротивление Zn (согласно варианту задания)
. Определение напряжение на нулевом проводе
Индуктивное сопротивление нулевого провода, Ом:
Емкостное сопротивление нулевого
провода, Ом:
Комплексное сопротивление и
проводимость нулевого провода:
Напряжение на нулевом проводе Uo'o,
В:
. Определение фазных напряжений на
нагрузке
Комплексы фазных напряжений на
нагрузке, В:
Действующие значения фазных
напряжений на нагрузке, В:
. Определение фазных токов нагрузки
Действующие значения токов в фазах
нагрузки, А:
. Определение тока в нулевом проводе
по первому закону Кирхгофа:
по закону Ома:
Проверка расчетов по первому закону
Кирхгофа:
Расчет комплексов фазных токов
выполнен правильно.
7. Расчет цепи при условии, что
нулевой провод в трехфазной системе разомкнут, а фазы нагрузки пересоединены со
звезды на треугольник с ветвями Zab, Zbc и Zca (рис. 6)
электрический цепь генератор
напряжение
1. Определение фазных токов нагрузки
Комплексные проводимости и сопротивления ветвей
треугольника:
Рис. 6
Фазные токи нагрузки:
Действующие значения фазных токов
нагрузки, А:
. Определение линейных токов
нагрузки
Действующие значения линейных токов
нагрузки, А:
3. Векторные диаграммы токов и напряжений
Построим векторную диаграмму фазных и линейных
токов на комплексной плоскости (рис. 7)
Рис. 7
Построим векторную диаграмму напряжений на
комплексной плоскости (рис. 8)
Рис. 8
. Определение полной S и активной P
мощности нагрузки сопряженный комплекс тока:
Полная мощность нагрузки:
Модуль полной мощности нагрузки:
Активное сопротивление при
соединении нагрузки треугольником:
Активная мощность нагрузки:
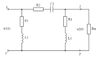
Задача 2
В соответствии заданным графом схемы на рис. 9
приведена расчетная электрическая цепь.
Рис. 9
Круговая частота основной гармонической u1(t),
рад/с:
На рис. 10 приведены графики
заданных гармоник и суммарная кривая u1(wt)
Рис. 10
Определяем комплексный коэффициент передачи в
общем виде.
Находим реактивные и полные
сопротивления схемы для заданных гармоник u1(wt), Ом:
Комплексные коэффициенты передачи,
их модули и аргументы в радианах
На рис. 11 приведены зависимости модуля
и аргумента коэффициентов передачи для заданных гармоник u1(ωt)
Рис. 11
Определяем амплитуды и начальные
фазы заданных гармоник напряжения на выходе u2(wt):
Представим выходное напряжение u2(t)
в виде гармонического ряда
На рис. 12 приведены графики
заданных гармоник и суммарная кривая u2(ωt).
Определим действующее значение
напряжения на нагрузке
Рис. 12