Расчет металлоконструкций пролетного строения
Расчет
металлоконструкций пролетного строения
Содержание:
1.
Общие указания и сведения
.1
Состав проекта
.
Компоновка затвора
.1
Генеральные размеры
.2
Определение действующих на пролетное строение сил
.3
Расстановка ригелей
.4
Определение усилий в ригелях
.
Выбор марки стали для элементов пролетного строения
.
Расчет обшивки и стрингеров
.1
Расчет обшивки и размещение стрингеров
.2
Подбор сечения стрингеров
.
Расчет и конструирование ригеля
.1
Подбор сечения
.2
Проверка прочности и жесткости ригеля
.3
Проверка поясных швов
.4
Аэрация транзитной струи
.
Расчет диафрагмы
.1
Компоновка сечения диафрагм
.2
Проверка прочности узлов диафрагмы
.
Ферма продольных связей
.
Опорно-ходовые части
1. Общие указания и сведения
.1 Состав проекта
В курсовом проекте разрабатывается подвижная
часть плоского двухригельного затвора для поверхностного водосливного
отверстия.
Содержание проекта: компоновка пролетного
строения затвора, расчет его основных элементов и соединений, определение массы
подвижной части, чертеж пролетного строения.
Проект представляется к защите в виде одного
чертежа и пояснительной записки с расчетами и обоснованиями. Расчеты
сопровождаются схемами и эскизами конструктивных элементов и их узлов.
2. Компоновка
затвора
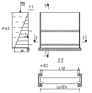
.1 Генеральные размеры
Генеральные размеры затвора определяются
заданными шириной отверстия L=12м
и величиной наивысшего подпорного уровня H=6.5м,
включающего так же ветровой нагон волны (рис. 1).
Рис. 1
.2 Определение
действующих на пролетное строение сил
Сила давления воды на затвор на погонный метр
ширины отверстия со стороны верхнего бьефа определяется горизонтальной
равнодействующей, приложенной на расстоянии H/3
от порога отверстия.
кН/м·
Нагрузка на ригель:
2.3 Расстановка ригелей
Ригели опираются по концам на
стойки, передающие нагрузку на ходовые части затвора (см. рис. 1).
Расположение боковых уплотнений
определяет нагруженный пролет затвора L. Рабочий
пролет ригелей Lр равен расстоянию между осями
рельсовых путей - колеи затвора:
Lр= L + 2 а,
где L - ширина
отверстия; а - расстояние от кромки паза до оси рельса.
,
если принять а=300мм
Задаваясь предварительно длиной
нижней консоли
получаем
межригельное расстояние
, принимаем
;
уточняем
;
длина верхней консоли принимает значение
2.4 Определение усилий в ригелях
Расчетная схема ригеля представляет
собой статически определимую балку на двух опорах.
Максимальный изгибающий момент в
ригеле:
Mmax =
кНм;
Максимальная поперечная сила:
кН
3. Выбор марки стали для элементов
пролетного строения
Марки стали для пролётного строения выбирают в
зависимости от условий эксплуатации затвора и экономических соображений.
Применение более прочных, но более дорогих марок стали должно быть экономически
оправдано.
Температура эксплуатации
Отношение
;
Можно использовать сталь С255, которая
охватывает весь необходимый диапазон толщин проката от 11 до 20 мм с
соответствующими расчетными сопротивлениями
4. Расчет обшивки и
стрингеров
4.1 Расчет
обшивки и размещение стрингеров
Обшивка (рис. 2) непосредственно воспринимает
гидростатическое давление и передает его на ригели 2 через систему
подкрепляющих ее элементов - стрингеров 3. Стрингеры располагаются параллельно
ригелям и опираются на поперечные балки - диафрагмы 4, которые, в свою очередь,
крепятся к ригелям 2.
Таким образом, обшивка непосредственно опирается
на стрингеры и ригели и работает на местный изгиб в пролете между точками
опирания. Расчетную схему обшивки можно представить в виде балки-полоски
единичной ширины, упруго закрепленной на опорах (рис. 2) и нагруженной
усредненной погонной нагрузкой
Рис. 2
Максимальный расчётный изгибающий момент в
обшивке возникает в опоре, принимается равным:
,
где
- размер рассматриваемого участка.
Момент сопротивления сечения
,
- толщина обшивки
Из условия прочности обшивки
, где
- расчетное сопротивление
материала;
-
коэффициент надежности
Находим допустимый пролет обшивки b,
соответствующий принятой толщине
, расчетному сопротивлению материала
и нагрузке
, см,
где
- коэффициент надежности по
назначению, принимаемый для поверхностных основных затворов равным 1,4.
- коэффициент условий работы.
Поскольку обшивку удобнее делать
одинаковой толщины по всему сегменту, то шаг стрингеров по высоте должен
изменяться. Верхний стрингер располагается на 200 мм выше расчетного горизонта
во избежании перелива воды, нижний стрингер располагается на расстоянии 200 мм
от порога для размещения донного уплотнения.
В целом, общее количество стрингеров
зависит от несущей способности обшивки. При малых толщинах обшивки потребуется
большее количество стрингеров. В затворах пролетом более 10 м толщина обшивки
принимается не менее 10 мм; толщина листов менее 6 мм в затворах не
допускается.
Рис. 3
Нижнюю обвязку конструктивно
размещаем на расстоянии
от порога.
Участок обшивки между нижней
обвязкой и близлежащим ригелем имеет размер
,
что меньше предельно - допустимого
по прочности
В межригельном пространстве максимальные пролеты
составляет:
;
;
;
;
;
Вносим корректировку:
Аналогично расставляем стрингеры на
верхней консоли:
;
;
;
;
Принимаем:
Принятая схема разбивки стрингеров
удовлетворяет условию прочности обшивки. Излишний запас прочности в первом
участке объясняется неполной его загрузкой.
.2 Подбор сечения стрингеров
Опорами стрингеров служат поперечные
поддерживающие элементы пролетного строения- диафрагмы, располагающиеся по
длине ригеля с шагом
(рис.4).
Рис. 4
Стрингер - многопролетная балка,
нагруженная равномерно распределенной нагрузкой по длине qc (рис.5).
Рис. 5
Нагрузка qc на стрингер
определяется шириной его участка загружения гидростатическим давлением (рис.
6).
Рис. 6
Из условия прочности на изгиб
определяем требуемый момент сопротивления
прокатного профиля
Для всех стрингеров выбирается один номер
профиля по наиболее загруженному стрингеру.

Наиболее нагруженный стрингер на
третьем уровне:
при шаге диафрагм
имеем
изгибающий момент
кНм
Момент сопротивления:
Принимаем швеллер №16:
,
Принимаем этот профиль для всех
стрингеров.
затвор водосливной
пролетный строение
5. Расчет
и конструирование ригеля
5.1 Подбор
сечения
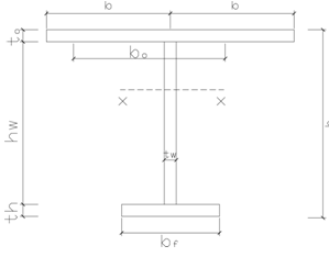
Поскольку обшивка затвора
приваривается непосредственно к стенке ригеля, то некоторая ее часть включается
в работу ригеля на общий изгиб. По нормам в сечение ригеля может быть включена
ширина обшивки с каждой стороны стенки, не превышающая величины
, где
- пролет
ригеля (см. рис. 7).
Однако эти предельно допустимые
величины
не всегда
реально достижимы. Так, в межригельном участке ширина
не может
превосходить
(см. рис.
8), а для нижнего ригеля включаемая часть обшивки со стороны порога
ограничивается длиной консоли
. С учетом этих замечаний
определяется общая ширина
,
используемая в сечении ригеля.
Из условия прочности ригеля на изгиб
находим требуемый момент
сопротивления
Предполагая ширину безнапорного
пояса ригеля в пределах 25 мм находим для листа из стали С 255 расчетное
сопротивление
, тогда
.
Рис. 7
Рис. 8
Оптимальная высота сечения ригеля:
Минимальная высота:
Принимаем округленно h=140 см
Ширина обшивки, включенная в состав
сечения нижнего ригеля:
При высоте ригеля на опоре hґ=0,6·140=84
см толщина стенки по срезу равна
Площадь безнапорного пояса:
Принимаем стандартную полосу
5.2 Проверка прочности и жесткости
ригеля
Сечение ригеля должно удовлетворять
следующим условиям прочности:

Нормальные напряжения зависят от
изгибающего момента
где J- момент
инерции сечения относительно оси х- х, проходящей через его центр тяжести.
Касательные напряжения в стенке
определяются поперечной силой в ригеле Q:
,
где S-
статический момент отсеченной части сечения, выше или ниже рассматриваемой
точки в стенке относительно оси х- х.
Максимальные нормальные напряжения
возникают в сечении посредине пролета в безнапорном поясе (рис. 9). Максимум
касательных напряжений приходится на стенку в уровне центра тяжести сечения на
опоре (рис. 10). Приведенные напряжения проверяются в четверти пролета в нижней
части стенки, т.е. в месте примыкания ее к безнапорному поясу.
Площадь сечения в пролете:
Положение центра тяжести:
Момент инерции относительно главной
оси х - х:
Прочность ригель посередине пролета:
В опорном сечении проверяем максимальные
касательные напряжения:
Площадь сечения на опоре (рис. 14):
Положение центра тяжести:
Момент инерции относительно главной
оси х- х:
Рис. 9
Статический момент части сечения,
лежащей ниже центра тяжести:
прочность ригеля обеспечена.
.3 Проверка поясных швов
Поясными сварными швами крепиться к стенке
ригеля обшивка и безнапорный пояс. Катет К двухсторонних швов рассчитывается по
условиям прочности металла шва
и металла на границе сплавления
, где
коэффициенты глубины проплавления,
зависящие от вида сварки,
коэффициент условий работы шва,
применяемый в зависимости от температуры эксплуатации затвора.
расчетные сопротивления угловых швов
по металлу шва и границе сплавления.
Расчет ведется для сечения вблизи
опоры, где поперечная сила максимальна. Принимается наибольшая величина катета
из двух полученных, округленная до целых значений в мм. Применять толщину швов
менее 4 мм не рекомендуется из-за возможных потерь на коррозию.
При заданной температуре
эксплуатации и автоматической сварке:
,
Для принятой марки стали С255
При приварке обшивки, статический
момент которой (рис. 14)
Принимаем минимально допустимый
катет К = 5 мм, такие же швы используем для проварки пояса.
5.3 Устойчивость
элементов ригеля
Общая устойчивость ригеля
обеспечивается обшивкой. Однако участок обшивки, включенный в состав сечения
ригеля, может потерять местную устойчивость от действия нормальных напряжений
,
Предельно- допустимая ширина
неподкрепленного участка
обшивки по
критерию устойчивости
В принятой схеме размещения
стрингеров (рис. 8) нет участков обшивки
вблизи нижнего расчетного ригеля с
большей свободной шириной.
Максимальные напряжения сжатия в
стене:
Критические напряжения при:
имеют величину
Посередине пролета ригеля
устойчивость стенки обеспечена:
В опорном отсеке
:
см
Критические напряжения определяются
по формуле::
Условие устойчивости соблюдено
В середине второго отсека:
Усредненные касательные напряжения:
устойчивость обеспечена.
5.4 Аэрация транзитной струи
При подъеме затвора образуется сильный вакуум
под нижним ригелем, что затрудняет работу механизмов подъема. Во избежание
подсоса затвора в стенке ригеля делают отверстия. Отверстия необходимы в
случае, когда угол α от флютбета
и касательной от порога до нижней кромки безнапорного пояса составляет менее
30°.
В каждой панели вырезается одно
отверстие, площадь которого должна составлять не менее 20% от площади отсека
. Затем
вычисляется радиус отверстия
При этом рабочее сечение стенки
ослабляется в месте вреза отверстия и должно быть укреплено. Потеря прочности
части сечения компенсируется воротником вокруг отверстия (рис. 11). Толщина
кольца принимается не менее 1,5t, ширина
- не более
12t. Для
удобства наложения сварных швов расстояние между обшивкой и воротником меньше
250 мм. не допускается. Тогда центр окружности может оказаться смещенным с
нейтральной оси ригеля на некоторое расстояние с. Учитывая это смещение, из
условия равнопрочности получаем требуемую площадь сечения кольца
Если высота стенки недостаточна для
размещения круглого отверстия, то его выполняют овальным.
В крайних отсеках переменной высоты
отверстие делают меньше - по площади 15% от площади панели. Усиление воротником
здесь необязательно ввиду незначительных нормальных напряжений.
Угол между касательной к контуру затвора и
флютбетом (рис. 12), для подачи воздуха необходимы отверстия в стенке -
аэрация.
Радиус отверстия:
Толщина воротника:
Площадь воротника:
Рис. 11
Рис. 12
6. Расчет диафрагмы
.1 Компоновка сечения диафрагм
Диафрагма представляет собой поперечную балку,
опирающуюся на ригели и воспринимающие опорные реакции стрингеров (рис. 13).
Расчетную схему диафрагмы можно изобразить в
виде двухконсольной балки на 2-х опорах (рис. 14), нагруженной неравномерным
давлением, определяющимся гидростатическим давлением
, где
d- ширина
площади загружения, т.е. расстояние между диафрагмами.
Высота диафрагмы принимается
конструктивно по высоте ригеля за вычетом толщины обшивки
и высоты
стрингера
(рис. 15).
Толщина стенки принимается такой же, как у стенки ригеля.
Рис. 13
Высота сечения опорно-концевых стоек
принимается равной высоте ригеля
на опоре (рис. 13). Ширина их
безнапорного пояса должна быть не менее 300 мм для удобства крепления опорных
полозьев. Напорным поясом стойки служит обшивка затвора (рис. 13).
6.2 Проверка прочности узлов
диафрагмы
Принятое конструктивно сечение
диафрагмы, как правило, обладает большим запасом прочности и детального
проверочного расчета не требует. Однако в узле примыкания верхней консоли к
ригелю действуют большие изгибающий момент и поперечная сила, поэтому прочность
угловых швов крепления стенки диафрагмы к ригелю следует проверять. Поскольку
данное соединение выполняется на монтаже, то расчётные характеристики этих швов
принимаются как для ручной сварки.
Рис. 14
Принятое конструктивно сечение
диафрагмы, как правило, обладает большим запасом. Однако в узле примыкания
верхней консоли к ригелю действуют большие изгибающий момент
и поперечная сила
,
что влечет за собой необходимость
проверки на прочность монтажных сварных швов крепления стенки диафрагмы к стенке
ригеля.
Стенкой диафрагмы воспринимается вся
поперечная сила и часть момента:
,
где
момент инерции стенки относительно
оси, через центр тяжести сечения диафрагмы;
момент инерции всего сечения
диафрагмы.
Монтажная сварка обычно предполагается ручная,
катет швов k в затворах
принимают толщиной не менее 5 мм.
Условие прочности швов имеет вид:
.
Компонуем сечение диафрагмы (рис.
15):
высота сечения:
,
Принимаем
Рис. 15

;
Момент, воспринимаемый монтажными
швами:
Расчетные параметры швов при ручной сварке и
катете к= 6 мм.
Монтажные швы испытывают напряжения:
Прочность швов удовлетворена.
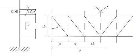
7. ФЕРМА ПРОДОЛЬНЫХ
СВЯЗЕЙ
В плоскости безнапорных поясов ригелей и
диафрагм устанавливаются раскосы, что образует продольную вертикальную ферму.
При подъёме затвора ферма воспринимает около 40% веса затвора G
и передает эту нагрузку на опорно-концевые стойки. Кроме того, связевая ферма
вместе с ригелями и обшивкой создает пространственное ядро жёсткости - центроплан,
снижающее изгибно-крутильные деформации затвора.
Рис. 16
Расчётная погонная нагрузка, воспринимаемая
фермой, имеет величину:
, где
коэффициент надёжности по нагрузке;
- вес затвора, где
Q -
равнодействующая гидростатической нагрузки на затвор,
L - ширина
отверстия в свету,м.
Опорная реакция фермы
вызывает наибольшее растяжение в
приопорном раскосе
Безнапорные пояса ригелей, являясь
поясами связевой фермы одновременно, испытывают усилия
,
где
изгибающий момент, действующий в
сечении фермы посередине пролёта;
В результате, в поясе нижнего ригеля
возникает дополнительное растягивающее нормальное напряжение:
Следовательно, прочность
безнапорного пояса должна проверяться на действие суммарных нормальных
напряжений
Ферма продольных связей несет
нагрузку:
Опорная реакция фермы:
Усилие в опорном раскосе:
Требуемое сечение раскоса:
Принимаем уголок 63 Ч 6;
Усилие в безнапорном поясе нижнего
ригеля от собственного веса равно:
Суммарные напряжение в поясе имеет
значение:

8. Опорно-ходовые
части
Концевая стойка передает давление ригелей через
ходовые части на рельс. Опорно-ходовые части располагаются у узла примыкания
ригелей.
Простейший по конструкции тип ходовых частей -
скользящие в виде полоза. Корпус полоза, прикрепляемый к безнапорному поясу
опорно-концевой стойки, имеет вкладыш из древесно-слоистого пластика,
уменьшающего силы трения в зоне контакта с рельсом при перемещении затвора.
Длину полоза
определяют
по допускаемому давлению
в зоне
контакта от опорной реакции ригеля Q:
Минимальная длина ограничивается 600
мм.
Кроме полозов на опорно-концевой
стойке располагаются направляющие колёса - боковые и обратные- предотвращающие
перекосы и вибрацию затвора при его движении.
При величине опорной реакции ригеля Q = 1450кН.
получаем требуемую длину полоза:
Принимаем минимально допустимую
длину 600 мм.
Рис. 17