Синтез регулятора для системы управления по заданным показателям установившегося и переходного режимов
Содержание
Введение
.
Теоретическая часть
.1
Типовые структурные схемы системы управления
.2
Эквивалентное преобразование структурных схем
.3
Характеристики элементов систем управления
.4
Устойчивость систем управления
.5
Оценка качества в переходных процессах систем управления
.6
Временные характеристики
.7
Частотные характеристики
.
Исходные данные
.
Получение эквивалентной передаточной функции
.
Построение области устойчивости на плоскости параметров регулятора
.
Построение годографа Михайлова для сочетания параметров регулятора
.1
Годограф Михайлова для сочетания параметров регулятора из области устойчивости
.2
Годограф Михайлова для сочетания параметров регулятора из области
неустойчивости
.3
Годограф Михайлова для сочетания параметров регулятора на границе устойчивости
.
Выбор параметров регулятора по заданным показателям установившегося режима и
переходного процесса
.1
Характеристики установившегося режима
.2
Характеристики переходного процесса
.
Построение для выбранных параметров регулятора частотных характеристик
.1
Частотные характеристики разомкнутой системы
.2
Частотные характеристики замкнутой системы
.
Построение для выбранных параметров регулятора временных характеристик
замкнутой системы
.
Заключение
.
Список литературных источников
Введение
Цель данного курсового проекта - произвести
синтез системы управления по заданным показателям качества. Одной из основных
задач теории автоматического регулирования является изучение динамических
процессов, происходящих в автоматических системах. Автоматические системы при
нормальной эксплуатации должны поддерживать определенный режим работы объекта
регулирования при действии на него многих факторов. Такое поведение может быть
достигнуто лишь в системах автоматического регулирования, обладающих устойчивостью
по отношению к этим воздействиям. Устойчивость системы означает, что малое
изменение входного сигнала или какого-нибудь возмущения, начальных условий или
параметров не приведут к значительным отклонениям выходного сигнала. Это
определение раскрывает физический смысл понятия устойчивости.
Подавляющее большинство расчетов, так или иначе
связанных с поставленной задачей сегодня производятся с помощью того или иного
математического пакета (Matchcad, Matlab итд). В данном курсовом проекте была
выбрана программа Matchcad, т.к. она позволяет не только с большим удобством
производить математические расчеты (в том числе и обратное преобразование
Лапласа), но и обладает высокой степенью интеграции с популярным текстовым
редактором Word, что позволяет с минимальными усилиями представить результаты
расчетов в наглядной и удобочитаемой форме.
1. Теоретическая часть
.1 Типовые структурные схемы системы
управления
Среди структурных схем можно выделить типовые
структуры, для которых получение передаточных функций является простым.
Последовательное соединение элементов с
передаточными функциями
,
.
Выход предыдущей функции подставляется к входу
последующей.
,
.
Следовательно, эквивалентная передаточная
функция
.
Таким образом, при последовательном соединении
элементов эквивалентная передаточная функция равна произведению передаточных
функций элементов. Для любого количества последовательно соединенных элементов.
. Параллельное соединение.
- алгебраическая
сумма передаточных функций элементов.
. Соединение с обратной связью - передача
сигнала с выхода системы на ее вход.
В обоих случаях есть передаточные функции
и
.
Запишем уравнение:
Когда знак плюс, то обратная связь называется
положительной, когда минус - отрицательной. Чтобы получить эквивалентную
передаточную функцию надо исключить промежуточные функции
и
.
Отрицательная обратная связь
.
Положительная обратная связь - со знаком минус.
1.2 Эквивалентное преобразование
структурных схем
Для получения эквивалентных передаточных функций
между входом и выходом необходимо структурную схему привести к
последовательности стандартных структурных схем, а именно последовательному,
параллельному соединению и соединению элементов с обратной связью. Если в
структурной схеме имеются пересекающиеся контуры обратной связи, то невозможно
непосредственно использовать стандартные структуры. Для приведения к
стандартной схеме такой структуры надо осуществить в ней эквивалентные
структурные преобразования, которые осуществляются по определенным правилам.
Правила преобразования структурных схем
Перестановка элементов сравнения:
После эквивалентного преобразования схемы сигнал
должен остаться такой же. Пересекающиеся контуры исчезли, а сигнал остался
прежним
.
Перегруппировка элементов сравнения.
Перенос точки разветвления через элемент
сравнения.
Перенос точки разветвления с выхода элемента на
его вход.
Перенос точки разветвления с входа элемента на
выход.
Перенос элемента сравнения с выхода
динамического элемента на вход.
; 
1.3 Характеристики элементов систем
управления
Основная характеристика - передаточная функция.
.
В этом случае передаточная функция задается
двумя массивами коэффициентов
;
.
Возможно другое представление передаточной
функции: с помощью корней числителя и знаменателя.
- полином
числителя,
- корни уравнения
.
.
Аналогично,
,
,
,
.
, где
.
При таком описании для задания передаточной
функции надо задать коэффициент с, корни числителя
которые
называются «нулями» передаточной функции, корни знаменателя
,
которые называются «полюсами» передаточной функции. Другие виды характеристик
элементов системы управления получаются на основании передаточной функции. К
ним относиться два типа характеристик: временные характеристики и частотные
характеристики.
1.4 Устойчивость систем управления
Устойчивость системы управления - это
способность системы возвращаться в состояние равновесия (стационарный режим)
после прекращения действия причин, вызвавших отклонение от этого состояния.
Пусть сигнал на выходе
или
.
Тогда, если
, то система будет
устойчивой по определению. Такое условие будет выполняться, если все
вещественные части корней характеристического уравнения отрицательны. Таким
образом, для линейной системы управления необходимое и достаточное условие
устойчивости - это отрицательность вещественных частей всех корней
характеристического уравнения или, что то же самое, расположение этих корней на
комплексной плоскости левее мнимой оси.
Критерий Гурвица
Рассмотрим систему с характеристическим
полиномом
-ого порядка:
Для устойчивости такой системы необходимо:
Положительность всех диагональных миноров
определителя Гурвица.
.
Построение определителя Гурвица
Определитель Гурвица представляет собой матрицу
,
где n - порядок характеристического полинома.
Алгоритм построения определителя Гурвица
следующий:
в 1-й строке определителя Гурвица записываются
коэффициенты характеристического полинома с нечетными индексами в порядке
возрастания. Оставшиеся свободные места заполняются нулями;
во 2-й строке записываются коэффициенты с
четными индексами (и нули). Оставшиеся места заполняются нулями;
-я строка получается из 1-й строки сдвигом на 1
место вправо, причем образовавшиеся места заполняются нулями;
и так далее, пока не заполнятся все строки.
Критерий Гурвица для систем различного порядка
Система первого порядка:
,
-
необходимые и достаточные условия совпадают.
Система второго порядка
.
Система третьего порядка:
:
:
.
,
,
.
,
,
,
Если
,
то
.

Четвертого порядка:
.
Достаточное условие:
.
Система на границе устойчивости
,
.
Если выполняются условия и один из определителей Гурвица равен нулю, то система
находится на границе устойчивости, при этом два корня будут на мнимой оси.
Построение областей устойчивости
Такая задача возникает, если передаточная
функция системы между входом и выходом зависит от параметров. В практических
задачах привлекаются дополнительные ограничения на параметры, вытекающие из
сущности задачи (физический смысл). Если число параметров больше двух, то можно
строить сечения.
1.5 Оценка качества в переходных
процессах систем управления
Классификация методов оценки качества:
Прямые оценки.
Корневые оценки.
Частотные оценки.
Интегральные оценки.
Прямые оценки качества
Эти оценки осуществляются непосредственно по
переходной характеристике h(t).
Качественная характеристика разделяет все
переходные процессы на монотонные (кривая 1) и колебательные (кривая 2). В
качестве количественных оценок используются следующие:
Перерегулирование.
, где
- максимальное
значение переходной характеристики.
- установившееся
значение переходной характеристики.
Для монотонных процессов перерегулирование
равняется 0, так как
.
Время регулирования (
).
В окрестности
выделяется
полоса шириной e. Время регулирования определяется,
как время, за которое кривая переходной характеристики попадает в полосу e
и остается в ней (e выбирается в % от
,
e=(2%,5%,10%)
)
1.6 Временные характеристики
Эти характеристики получаются на выходе элемента
при задании определенного сигнала на входе. Таких характеристик две.
Импульсная характеристика
Получается на выходе при подаче на вход функции
Дирака
.
Например:
,
тогда
.
Используя импульсную характеристику и интеграл
свертки, можно получить сигнал на выходе элемента при любом входном сигнале, а
именно по формуле:

Получается на выходе элемента при подаче на ее
вход единичной функции 1(t).
, тогда
Например:
,
]
Между импульсной и переходной характеристикой
существует связь:
или
.
1.7 Частотные характеристики
Они получаются в установленном режиме при
задании на входе гармонического сигнала:
- обобщенный
гармонический сигнал (
- по Эйлеру).
Выражение для передаточной функции, где вместо
стоит
-
есть частотная передаточная функция.
На основе частотной передаточной функции
строятся все остальные характеристики, к которым относятся:
Амплитудно-фазовая частотная характеристика.
Амплитудная частотная характеристика.
Фазовая частотная характеристика.
Логарифмическая амплитудная частотная
характеристика.
Логарифмическая фазовая частотная
характеристика.
АФЧХ - это годограф частной передаточной
функции, построенный на комплексной плоскости при изменении частоты от 0 до
.
- частотная
передаточная функция.
- вещественная
частотная характеристика
- мнимая частотная
характеристика.
выступает в роли
параметра и на
строится кривая.
АЧХ - это зависимость модуля частотной
передаточной функции от частоты.
.
- АЧХ при
изменении частоты от 0 до
.
ФЧХ - это изменение аргумента (фазы) частотной
передаточной функции при изменении частоты в заданных пределах (
):
,
.
Построение ЛАХ
и
ЛЧХ производится в логарифмическом масштабе по оси абсцисс.
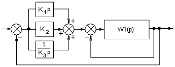
2. Исходные данные
Рисунок 2.1 Структурная схема системы
управления.
Характеристики установившегося режима:
Характеристики переходного процесса:
3. Получение эквивалентной
передаточной функции
Выполним эквивалентное преобразование исходной
структурной схемы системы управления.
Рис. 3.1. - Исходная структурная схема системы
управления.
Для получения эквивалентной передаточной функции
исходную схему необходимо привести к следующему виду:
Рис.3.2. - Упрощенная структурная схема системы
управления.
Для этого будем пошагово выделять и преобразовывать
соединения отдельных элементов.
Шаг 1. Найдем передаточную функцию пассивной
электрической цепи:
Структурная схема системы управления примет вид:
Шаг 2. Преобразуем схему, рассчитав передаточную
функцию для элемента W1 с учетом обратной связи:
Структурная схема системы управления примет вид:
Шаг 3. Преобразуем схему, расчитав передаточную
функцию трех элементов с парметрами Ki:
Структурная схема системы управления примет вид:
Шаг 4. Найдем общую передаточную функцию двух
элементов с функциями W3(p) и W2(p):
Структурная схема системы управления примет вид:
Шаг 5. Найдем конечную эквивалентную
передаточную функцию We(p) всей системы:
4.
Построение области устойчивости на плоскости параметров регулятора
Построим область устойчивости на плоскости
параметров k1, k3 выбранного регулятора.
В эквивалентной передаточной функции системы
выделим знаменатель, который представляет собой характеристический полином:
Для удобства дальнейших вычислений подставим
значения известных коэффициентов и упростим выражение:
Найдем соотношение между коэффициентами
полинома, используя критерий Гурвица с учетом необходимого и достаточного
условия:
Необходимое условие утверждает, что система
будет устойчива, если все коэффициенты характеристического полинома
положительны:
Условие достаточности (произведение средних
коэффициентов должно быть больше произведения крайних для системы третьего
порядка):
Объединяя необходимое и достаточное условия,
получаем систему неравенств, задающую область устойчивости на плоскости
параметров k1, k3:
Данной системе неравенств, задающей область
устойчивости на плоскости параметров k1, k3, соответствует заштрихованная
область на следующем рисунке.
Рисунок 4.1 Область устойчивости на плоскости
параметров регулятора.
Сделаем проверку.
. Возьмем точку из предполагаемой области
устойчивости.
k1 = 2, k3 = 2:
Т.к. все ai>0 и определитель Гурвица
положителен - система устойчива.
. Возьмем точку из предполагаемой области
неустойчивости.
= -18, k3 = -2:
т.к. a1 = -44, то в данной точке система
неустойчива.
. Возьмем точку на предполагаемой границе
устойчивости:
= 0, k3 = 5/88.
Т.к. определитель Гурвица в данной точке равен
0, то система находится на грани устойчивости.
5.
Построение годографа Михайлова для сочетания параметров регулятора
Годограф - это параметрическая кривая, описанная
на плоскости или в пространстве, либо кривая, описанная концом вектора, при
изменении какого-либо параметра. В нашем случае - это w. Таким образом,
заменяем
.
5.1
Годограф Михайлова для параметров регулятора из области устойчивости
Рисунок 5.1 График зависимости X(w) (область
устойчивости).
Рисунок 5.2 График зависимости Y(w) (область
устойчивости).
Рисунок 5.3 Годограф Михайлова для области
устойчивости.
5.2
Годограф для параметров регулятора из области неустойчивости
Рисунок 5.4 График зависимости X(w) (область
неустойчивости).
Рисунок 5.5 График зависимости Y(w) (область
неустойчивости).
Рисунок 5.6 Годограф Михайлова для области
неустойчивости.
5.3 Годограф для параметров
регулятора на границе устойчивости
Рисунок 5.7 График зависимости X(w) (область на
границе устойчивости).
Рисунок 5.8 График зависимости Y(w) (область на
границе устойчивости).
Рисунок 5.9 Годограф Михайлова для области на
границе устойчивости.
6.
Выбор параметров регулятора по заданным показателям установившегося режима и
переходного процесса
.1 Характеристики установившегося
режима
В п.3 мы получили следующий результат:
упрощённая структурная схема системы управления имеет вид:
Рисунок 6.1 Упрощенная структурная схема системы
управления
Тогда передаточная функция системы управления по
ошибке:
Коэффициент ошибки
.
Полученное значение коэффициента согласуется с заданным в условии.
6.2 Характеристики переходного
процесса

Рисунок 6.2 Упрощенная структурная схема системы
управления
Для выполнения условия tp -> min составим
таблицу значений перерегулирования и времени регулирования в зависимости от
коэффициентов k1 и k3:
|
k1
|
k3
|
σ
|
tp
|
|
40
|
0,1
|
9,75%
|
7,77
|
|
40
|
0,15
|
1%
|
8
|
|
40
|
0,12
|
2%
|
7,92
|
Таким образом, условию tp -> min
соответствуют значения коэффициентов k1=40 и k3 = 0,1.
График переходной характеристики:
Рисунок 6.3 График переходной характеристики.
Из графика переходной характеристики видно, что
tрег = 7,77c: h(t) = 1,0499
σ = (hmax-hy)/hmax =
(1,0975-1)/1• 100 % = 9,75 % , что согласуется с заданным условием.
7.
Построение для выбранных параметров регулятора частотных характеристик
.1 Частотные характеристики
разомкнутой системы
Все характеристики строим для найденных параметров
k1 = 40 и k3 = 0.1.
Частотные характеристики в установившемся режиме
получаются на базе частотной передаточной функции
при
подаче на вход элемента гармонического сигнала (то есть сочетания гармонических
функций
,
а также обобщенного гармонического сигнала
).
Выделяя действительную часть из полученного для
выражения,
находим вещественную частотную характеристику.
Строим график зависимости вещественной частотной
характеристики от времени:
Рисунок 7.1 Вещественная частотная
характеристика.
Выделяя мнимую часть из полученного для
выражения,
находим мнимую частотную характеристику.
График зависимости мнимой частотной
характеристики от времени:
Рисунок 7.2 Мнимая частотная характеристика.
Далее строим амплитудно-фазовую частотную
характеристику. АФЧХ - это годограф частной передаточной функции, построенный
на комплексной плоскости при изменении частоты от 0 до
.
Рисунок 7.3 Амплитудно-фазовая частотная
характеристика.
Амплитудная частотная характеристика задаётся
функцией
при
изменении частоты от 0 до
. Как видно, АЧХ
выражает зависимость модуля частотной передаточной функции от частоты.
Рисунок 7.4 Амплитудная частотная
характеристика.
wc = 1.8 (найдено по следу функции)
Фазовая частотная характеристика - это функция
вида
при
,
то есть ФЧХ показывает изменение аргумента (фазы) частотной передаточной
функции при изменении частоты в заданных пределах:
.
Рисунок 7.5 Фазовая частотная характеристика.
Логарифмическая амплитудная частотная
характеристика - это график функции, которая задается следующим уравнением:
.
Здесь
-
амплитудная частотная характеристика.
Рисунок 7.6 Логарифмическая амплитудная
характеристика.
7.2 Частотные характеристики
замкнутой системы
Проделывая аналогичные действия, найдем
частотные характеристики замкнутой системы:
Рисунок 7.7 Вещественная частотная
характеристика.
эквивалентный передаточный годограф
михайлов регулятор
Рисунок 7.8 Мнимая частотная характеристика.
Рисунок 7.9 Амплитудно-фазовая частотная
характеристика.
Рисунок 7.10 Амплитудная частотная
характеристика.
= 0.5 (найдено по следу функции)

Рисунок 7.12 Логарифмическая амплитудная
характеристика.
8.
Построение для выбранных параметров регулятора временных характеристик
замкнутой системы
Все характеристики будут построены для значения
параметров k1=40, k3=0.1
Существует две временных характеристики:
импульсная и переходная.
Импульсная временная характеристика получается
при задании на входе функции Дирака
и
задается следующей формулой:
.
Знание импульсной характеристики позволяет
вычислить сигнал на выходе элемента при любом входном сигнале. По правилу
преобразования Лапласа получаем свертку
,
которая и дает значение выходного сигнала.
В нашем случае передаточная функция замкнутой
системы имеет вид:
Таким образом, импульсная характеристика имеет
вид:
Построим график импульсной характеристики:
Рисунок 8.1 Импульсная характеристика замкнутой
системы.
Вторая временная характеристика называется
переходной, когда на вход подается сигнал
.
Переходная характеристика
может
быть найдена по следующей формуле:
, где
.
Рисунок 8.2 Переходная характеристика замкнутой
системы.
Между импульсной и переходной характеристикой
существует связь:
, или
,
Таким образом, импульсная временная
характеристика есть производная по времени от переходной, и наоборот -
переходная временная характеристика является интегралом от импульсной.
9. Заключение
В ходе курсового проектирования были выполнены
следующие задачи.
. Исходная структурная схема системы управления
была преобразована и получена эквивалентная передаточная функция системы.
. Была построена область устойчивости на
плоскости параметров регулятора, была произведена проверка найденной области
устойчивости по критерию Гурвица.
. Произведено построение годографа Михайлова для
сочетания параметров регулятора из области устойчивости, области неустойчивости
и на границе устойчивости. Были на практике проверены теоретические сведения о
виде годографа для сочетания параметров из этих областей.
. Осуществлен выбор параметров регулятора по
заданным показателям установившегося режима:
. Для найденных параметров регулятора были
построены частотные характеристики разомкнутой и замкнутой системы, временные
характеристики замкнутой системы.
10. Список литературных источников
1. Основы автоматического регулирования и
управления. Под ред. В.М. Пономарева и А.П. Литвинова, М.: Высшая школа, 1974.
2. Теория автоматического управления. Под
ред. А.В. Нетушило, М.: Высшая школа, 1976.
. Топчеев Ю. И., Цыпляков А. П. Задачник
по теории автоматического регулирования.
. Воронов А.А., Титов В.К., Новогранов
Б.Н. Основы теории автоматического регулирования и управления.
. Дьяконов В. Mathcad 8/2000:специальный
справочник, Спб: Питер, 2001. - 592 с.