Оптимальный вариант насоса для подачи орошения колонны из емкости

  • Вид работы:
    Реферат
  • Предмет:
    Другое
  • Язык:
    Русский
    ,
    Формат файла:
    MS Word
    47,29 kb
  • Опубликовано:
    2012-03-18
Вы можете узнать стоимость помощи в написании студенческой работы.
Помощь в написании работы, которую точно примут!

Оптимальный вариант насоса для подачи орошения колонны из емкости

Содержание

 

Введение

Исходные данные

Расчетная схема насосной установки

Расчет потребного напора насоса

Расчет и построение "рабочей точки"

Описание конструкции и принципа действия насоса

Выводы

Список использованной литературы

Введение


Целью данной работы является подбор оптимального варианта насоса для подачи орошения колонны К-1 из емкости Е-1 по заданной схеме.

Для выбора насоса необходимо произвести следующие расчеты:

Определить теплофизические параметры перекачиваемой жидкости;

Определить потребный напор насоса;

Определить марку насоса пользуясь общим графиком полей Q-Н насосов;

Рассчитать и построить "рабочую точку" насоса.

В химической промышленности важное значение имеет транспортирование жидких или газообразных продуктов по трубопроводам как внутри предприятия между отдельными аппаратами и установками, так и вне его.

Движение жидкостей по трубопроводам и через аппараты связано с затратами энергии. В некоторых случаях, например при движении с более высокого уровня на более низкий, жидкость перемещается самотеком, т.е. без затрат внешней энергии, вследствие преобразования части собственной потенциальной энергии в кинетическую. При перемещении жидкости по горизонтальным трубопроводам и с низшего уровня на высший применяют насосы. Кроме того, в промышленности используют устройства для транспортирования жидкостей с помощью пара, воды и сжатого газа (воздуха) - струйные насосы, газлифты и монтежю.

Насос представляет собой энергетическую машину, в которой механическая энергия привода преобразуется в гидравлическую энергию жидкости. Чаще всего насосы используют для подъема и перемещения жидкости.

Насосы, в которых преобразование энергии основано на силовом взаимодействии лопастной системы и перекачиваемой жидкости, называются лопастными. В зависимости от характера силового взаимодействия и направления потока лопастные насосы разделяют на центробежные и осевые. В центробежных насосах поток жидкости имеет в области лопастного колеса радиальное направление и перемещается главным образом в поле действия центробежных сил. В осевых насосах поток жидкости параллелен оси вращения и перемещается в поле действия гидродинамических сил, возникающих при взаимодействии потока и решетки лопастного колеса. Как центробежный, так и осевой насосы состоят из корпуса и вращающегося в нем лопастного колеса. При вращении колеса в потоке жидкости возникает разность давлений по обе стороны каждой лопасти и, следовательно, силовое взаимодействие потока с лопастным колесом. Приращение энергии потока жидкости в лопастном колесе зависит от скорости потока, частоты вращения колеса, его размеров и формы лопасти.

Приращение гидравлической энергии жидкости происходит во вращающемся рабочем колесе. В отводящих каналах корпуса кинетическая энергия жидкости преобразуется в энергию давления.

Запас энергии, полученный жидкостью в насосе, расходуется на преодоление сопротивлений и противодавления в системе. Комплекс - насос, приводной двигатель и коммуникация, представляет собой насосную установку.

Область применения лопастных насосов обширна: для бытового и промышленного водоснабжения, в циркуляционных, питательных, сетевых и других установках электростанций, в мелиорации, теплофикации, в водоотливах, в бумажной, горнодобывающей, металлургической, химической промышленности и т.д. Для каждой области применения с учетом перспективы ее развития проектно-конструкторские организации определяют поле насосов и рассчитывают номинальное число типоразмеров насосного оборудования. Согласованное и утвержденное поле насосов является нормативным документом для конструирования и изготовления насосов. Поля насосов помещены в каталогах, выпускаемых ЦИНТИХИМНЕФТЕМАШем. Совместно с областью применения они дают возможность учесть при конструировании все специфические требования, предъявляемые к данной группе насосов, разработать типаж конструкций и предусмотреть проведение в широком масштабе научно-технических исследований в различных направлениях, определяемых разработкой насосного оборудования новых типов.

Основными параметрами, характеризующими работу насоса, являются напор, подача, мощность, к. п. д., частота вращения, вакуумметрическая высота всасывания. Объемная подача Q представляет собой объем жидкости, подаваемой насосом в единицу времени.

Массовая подача QM равна массе жидкости, подаваемой в единицу времени.

Полезной удельной работой называется приращение гидравлической энергии, получаемое единицей массы жидкости, проходящей через насос, т.е. разность удельных энергий жидкости между выходным и входным патрубками насоса, и выражается в метрах столба перекачиваемой жидкости.

Полезной мощностью (квт) насоса является приращение энергии, получаемой жидкостью, проходящей через насос в единицу времени.

Отношение полезной мощности к мощности насосного агрегата зазывается коэффициентом полезного действия насоса.

Обычно к. п. д. выражается в процентах и характеризует суммарные потери энергии в насосе. Отдельные виды потерь характеризуются гидравлическим к. п. д. - отношением полезной мощности насоса к сумме полезной мощности и мощности, затраченной на преодоление гидравлических сопротивлений; объемным к. п. д. - отношением полезной мощности насоса к сумме полезной мощности и мощности, теряемой с утечками; механическим к. п. д. выражающим долю механических потерь в насосе. Геометрическая высота всасывания, которая представляет собой разность высот центра тяжести входного сечения насоса и уровня жидкости в емкости.

Исходные данные


1. Наименование перекачиваемой жидкости: керосин

. Расход перекачиваемой жидкости: 115 м3

. Давление избыточное в емкости: 0,23 МПа

. Давление избыточное в колонне: 0,7 МПа

. Температура перекачиваемой жидкости: 40оС

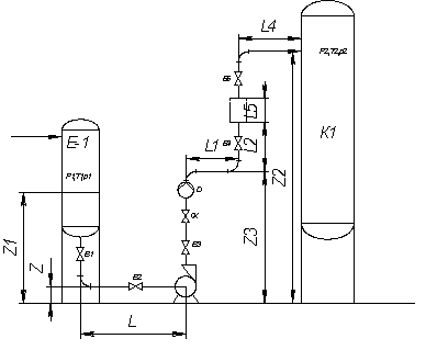
6. Геометрические размеры линейных участков

Обозначение

Z

Z1

Z2

Z3

L

L1

L2

L3

L4

L5

Размер, м

0.5

1

24

4

10

4

8

8

20

4


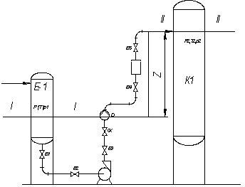
Расчетная схема насосной установки



Определение физических параметров жидкости

Определим физические параметры керосина при 40 оС (313К)

.        Плотность керосина при рабочей температуре определяем по справочнику [3].

 

r40 = 808 кг/м3

 

2. Определяем вязкость керосина при 40 оС (313К):

 

v= 0,018*10-4 м2

 

Расчет потребного напора насоса


1. Определим геометрическую высоту подъема жидкости

= 24-1 = 23 м

2. Определим потери напора на преодоление разности давлений в напорном и приемном резервуарах


. Задаемся рекомендуемыми скоростями движения жидкости

Для керосина допустимая скорость движения в нагнетательном трубопроводе - 1-3 м/с принимаем Wн = 2 м/с, во всасывающем трубопроводе 0,8-1,2 м/с принимаем Wвс = 1 м/с.

. Определим диаметры трубопроводов во всасывающем и нагнетательном тракте

Диаметр трубы во всасывающем тракте

 (200 мм)

 

насос орошение колонна конструкция

По сортаменту труб ГОСТ 8732-78 "Трубы стальные бесшовные горячедеформированные. Сортамент" выбираем стандартную трубу с внутренним диаметром ближайшим к расчетному:

Труба

Диаметр трубы в нагнетательном тракте

 (140 мм)

 

выбираем стандартную трубу с внутренним диаметром ближайшим к расчетному:

Труба

. Уточняем скорости течения жидкости по истинному внутреннему диаметру трубопровода


где  - наружный диаметр трубы, м

 - толщина стенки трубы, м


. Определим режим течения жидкости (критерий Рейнольдса) во всасывающем и нагнетательном трубопроводах

На линии всасывания:


Режим течения турбулентный т.к. Re > 100000 рассчитываем коэффициент сопротивления трению  по формуле Конакова


На линии нагнетания:


Согласно режиму течения жидкости рассчитываем коэффициент сопротивления трению


. Определим коэффициенты местного сопротивления  для всасывающего и нагнетательного трубопроводов. На линии всасывания (L = 10 м) установлено 2 нормальных вентиля и 1 отвод под углом 90о. Сумма коэффициентов местных сопротивлений для всасывающей линии [1,4]:

. Вход в трубу (принимаем с острыми краями) ξ1 = 0,5

. Вентили ξ2 = 4,7*2 = 9,4 (для dВН = 201 мм)

. Отводы , для А=1, (R = 6d) В = 0,09,  0,09*3 = 0,27.

Сумма коэффициентов местных сопротивлений на всасывающей линии:


Потерянный напор на всасывающей линии находим по формуле:


На линии нагнетания (L = 52 м) установлено 2 нормальных вентиля, 1 обратный клапан, 3 отвода под углом 90о, 4 колена под углом 90о. Сумма коэффициентов местных сопротивлений для нагнетательной линии:

. Вентили ξ1 = 4,4*2 = 8,8 (для d = 150мм)

. Отводы , для А=1, (R = 4d) В = 0,11,  0,11*3 = 0,33

3. Колено 90оС ξ3 = 1*4 = 4

. Обратный клапан ξ4 = 5,5. Выход из трубы ξ5 = 1.

Сумма коэффициентов местных сопротивлений на нагнетательной линии:


Потерянный напор на нагнетательной линии находим по формуле:

,

. Определим потребный напор насоса путем сложения расчетных составляющих плюс пятипроцентная поправка на неучтенные потери.


. Определяем марку насоса пользуясь общим графиком полей Q-Н насосов путем откладывания значения подачи и напора и нахождения точки их пересечения.

Нпотр = 93,7 м, Q = 115м3/ч. Подобный напор при заданной производительности обеспечивается центробежными насосами. Учитывая, что центробежные насосы широко распространены в промышленности ввиду достаточно высокого к. п. д., компактности и удобства комбинирования выбираем центробежный нефтяной насос по ГОСТ 28158-89 марки НК 200/120, n = 2950 об/мин (49,2с-1). По каталогу имеем Δhдоп = 5,0 м.

Полезную мощность насоса определяем по формуле


. Проверим величину противокавитационного запаса:

Кавитация возникает при высоких скоростях вращения рабочих колес центробежных насосов и при перекачивании горячих жидкостей в условиях, когда происходит интенсивное парообразование в жидкости, находящейся в насосе. Пузырьки пара попадают вместе с жидкостью в область более высоких давлений, где мгновенно конденсируются.

Жидкость стремительно заполняет полости, в которых находился сконденсировавшийся пар, что сопровождается гидравлическими ударами, шумом и сотрясением насоса. Кавитация приводит к быстрому разрушению насоса за счет гидравлических ударов и усиления коррозии в период парообразования. При кавитации производительность и напор насоса резко снижаются.

,

где ΔНвс - потери напора во всасывающем трубопроводе,

ΔРпар - давление паров при рабочей температуре.

По справочнику [2] имеем ΔРпар = 0,112*105Па

Решая уравнение получим:


Следовательно, запас выдержан.

Расчет и построение "рабочей точки"



На основании закона сохранении энергии имеем для сечения I-I и II-II

I-I Z1 = 0; Р1 = 0,23*106Па; W1 = 0.II Z2 = 25; Р2 = 0,7*106Па; W2 = 0,

Где W1 и W2 - скорости изменения уровней жидкости в приемном и напорном трубопроводах.


где lвс и lн - длина всасывающего и нагнетательного трубопроводов; dвс, dн - диаметр всасывающего и нагнетательного трубопроводов; Р1 и Р2 - давления во всасывающем и нагнетательном трубопроводах; Н - удельная энергия сообщаемая насосом;  - удельная энергия сечения I-I;  - удельная энергия сечения II-II.

Выразим скорости течения жидкости во всасывающем и нагнетательном трубопроводах через расход Q:


 - полученное уравнение, изображенное графически в координатах Q - Н является графическим изображением характеристики сети.

Подставим значения Q в полученное уравнение, чтобы построить графическое изображение характеристики сети:

Q

60

100

120

160

180

H

85,9

88,8

90,8

95,7

98,8


Центробежный нефтяной насос марки НК 200/120, n = 2950 об/мин (49,2с-1) имеет следующие характеристики:

Q60100120160180






H

100

98,2

97

90

85


Для нахождения рабочей точки совмещаем характеристику насоса с характеристикой сети.


Из графика видно, что при работе насоса на данный трубопровод он не может обеспечить подачу большую Q1 = 142 м3/ч и напор более Н1 = 94 м, хотя по характеристике насоса такие подача и напор возможны. В общем случае рабочая точка не совпадает с оптимальной. При подборе насоса для данной системы необходимо, чтобы рабочая точка находилась в рабочей части характеристики насоса. Изменение характеристики системы или характеристики насоса для обеспечения требуемой подачи называют регулированием насосной установки.

Регулирование воздействием на систему. Наиболее распространенным и простым способом регулирования является дроссельное регулирование. Дросселирование осуществляется задвижкой, устанавливаемой обычно в непосредственной близости от насоса на напорном трубопроводе. Дросселирование на всасывающем трубопроводе не рекомендуется из-за опасности возникновения кавитации. Каждому положению задвижки соответствует своя характеристика системы, рабочая точка перемещается соответственно от исходной Q к требуемой подаче.

Регулирование воздействием на насос. Регулирование работы насоса изменением частоты вращения позволяет свести к минимуму потери, не требует изменения характеристики системы, но предполагает использование привода с регулируемой частотой вращения, либо специальных устройств (гидродинамических или электромагнитных муфт). Применение привода того пли иного типа диктуется условиями эксплуатации, стоимостью и другими факторами.

 

Описание конструкции и принципа действия насоса


Консольные насосы (тип К).

Базовой деталью насоса является опорный кронштейн, в котором на двух шарикоподшипниках устанавливают вал. К кронштейну шпильками крепят спиральный корпус, напорный патрубок которого в нормальном исполнении направлен вертикально вверх. При необходимости патрубок можно повернуть на угол 90, 180 и 270° от нормального положения. В корпусе выполняют отверстия для выпуска воздуха, слива воды и подсоединения манометров.

На консольном конце вала крепят рабочее колесо. Со стороны входной воронки колеса корпус закрывают крышкой с входным патрубком, обеспечивающим осевой подвод жидкости к рабочему колесу.

Концевое уплотнение насоса сальникового типа, которое при необходимости можно заменить торцовым. Незначительные осевые усилия воспринимаются шарикоподшипниками, которые смазываются консистентной смазкой. Плавающий подшипник со стороны насоса воспринимает только радиальную нагрузку, а зафиксированный со стороны муфты шарикоподшипник - радиальную и осевую нагрузки. Для уравновешивания осевого усилия в насосах мощностью больше 10 кВт выполняют разгрузочные отверстия в рабочем колесе. Насос с электродвигателем устанавливают на общей фундаментной плите и соединяют упругой муфтой.

Принцип действия насоса. В центробежных насосах всасывание и нагнетание жидкости происходит равномерно и непрерывно под действием центробежной силы, возникающей при вращении рабочего колеса с лопатками, заключенного в спиралеобразном корпусе.

В одноступенчатом центробежном насосе жидкость из всасывающего трубопровода поступает вдоль оси рабочего колеса в корпус насоса и, попадая на лопатки, приобретает вращательное движение. Центробежная сила отбрасывает жидкость в канал переменного сечения между корпусом и рабочим колесом, в котором скорость жидкости уменьшается до значения, равного скорости в нагнетательном трубопроводе. При этом, как следует из уравнения Бернулли, происходит преобразование кинетической энергии потока жидкости в статический напор, что обеспечивает повышение давления жидкости. На входе в колесо создается пониженное давление, и жидкость из приемной емкости непрерывно поступает в насос.

Давление, развиваемое центробежным насосом, зависит от скорости вращения рабочего колеса. Вследствие значительных зазоров между колесом и корпусом насоса разрежение, возникающее при вращении колеса, недостаточно для подъема жидкости по всасывающему трубопроводу, если он и корпус насоса не залиты жидкостью. Поэтому перед пуском центробежный насос заливают перекачиваемой жидкостью. Чтобы жидкость не выливалась из насоса и всасывающего трубопровода при заливке насоса или при кратковременных остановках его, на конце всасывающей трубы, погруженном в жидкость, устанавливают обратный клапан, снабженный сеткой.

Выводы


В результате расчетов делаем вывод, что для перекачивания 115 м3/ч керосина подходит центробежный консольный нефтяной насос. В соответствии с характеристикой трубопровода и по характеристике Q - Н установили марку насоса, обеспечивающего необходимую подачу и напор:

Насос нефтяной центробежный типа НК 200/120-1вС.

Список использованной литературы


1.       Основные процессы и аппараты химической технологии: Пособ. По проектированию/Сост.Г.С. Борисов, В.П. Брыков, Ю.И. Дытнерский и др.; Под ред. Ю.И. Дытнерского. М.: Химия, 1991, 493 с.

2.       Касаткин В.Г. Основные процессы и аппараты химической технологии. М.: Химия, 1973.750 с.

.        Варгафтик Н.Б. Справочник по теплофизическим свойствам и жидкостей. М.: Наука, 1972.720 с.

.        Павлов К.Ф., Романков П.Г., Носков А.А. Примеры и задачи по курсу процессов и аппаратов химической технологии. Л.: Химия, 1987.575 с.

.        Нефтяные центробежные насосы. Каталог. М.: ВНИИНЕФТЕМАШ, 1980.52с.

.        Михайлов А.К., Малюшенко В.В. Лопастные насосы. Теория, расчет, конструирование. М.: "Машиностроение" 1977.288 с.


Не нашли материал для своей работы?
Поможем написать уникальную работу
Без плагиата!
Без нейросетей!