Производство детали 'волновод', сборка и технологические требования.

  • Вид работы:
    Отчет по практике
  • Предмет:
    Другое
  • Язык:
    Русский
    ,
    Формат файла:
    MS Word
    1,51 Mb
  • Опубликовано:
    2011-12-22
Вы можете узнать стоимость помощи в написании студенческой работы.
Помощь в написании работы, которую точно примут!

Производство детали 'волновод', сборка и технологические требования.

МОСКОВСКИЙ ГОСУДАРСТВЕННЫЙ ТЕХНИЧЕСКИЙ УНИВЕРСИТЕТ имени Н.Э.Баумана

Факультет МАШИНОСТРОИТЕЛЬНЫЕ ТЕХНОЛОГИИ.

Кафедра МТ-3.

ОТЧЕТ

по производственной технологической практике

Студент Кагадий К.А.

Группа МТ3-72.

Руководитель (Волчкевич И.Л.)

История завода

Научно-производственное объединение «Лианозовский электромеханический завод» (НПО "ЛЭМЗ") - предприятие, специализирующееся в области разработки и производства радиолокационных комплексов и систем управления различного назначения.

Завод основан в 1935 году и первоначально занимался ремонтом и изготовлением пассажирских вагонов. В 1951 году он был перепрофилирован под производство сложной радиоэлектронной аппаратуры. И уже в следующем году освоил выпуск радиолиний и радиолокационных станций.

ЛЭМЗ участвовал в осуществлении ряда важнейших национальных программ, например, в оснащении радиолокационными средствами автоматизированных систем управления воздушным движением "Стрела" в России (Ростовская зона), на Украине (Киевская зона) и в Белоруссии (Минская зона), в создании посадочного комплекса советского космического корабля многоразового использования "Буран", в создании низковысотного обнаружителя для зенитно-ракетного комплекса С-300ПМУ.

Основным разработчиком выпускаемой заводом продукции является конструкторское бюро объединения (ранее известное как КБ "Лира"), которое за 57 лет своего существования провело более 300 научно-исследовательских и опытно-конструкторских работ и практически все из них были переданы в серийное производство на ЛЭМЗ.

В 2002 году ЛЭМЗ преобразован из федерального государственного унитарного предприятия в открытое акционерное общество и был включен в состав Концерна ПВО «Алмаз-Антей», а в апреле 2006 года ОАО «ЛЭМЗ» преобразовано в ОАО «Научно-производственное объединение «ЛЭМЗ», в которое в качестве структурного подразделения вошло и КБ "Лира".

Имея почти 60-летний опыт разработки и производства радиоэлектронного оборудования, НПО "ЛЭМЗ" стало одним из ведущих поставщиков радиолокационной техники.

Располагаясь на севере Москвы в районе Лианозово (откуда и пошло его название), НПО "ЛЭМЗ" имеет все виды производств, необходимых для изготовления электронных, электротехнических и механических компонентов сложных систем: литейное и кузнечно-прессовое производство, металлообрабатывающие цеха, гальванический цех, производство печатных плат, цех изготовления большеразмерных антенн, монтажно-сборочные цеха, современное контрольно-испытательное оборудование.

Предприятие обладает хорошими транспортными коммуникациями, в том числе собственной железнодорожной веткой. Управление и контроль за производственными процессами осуществляется из единого центра АСУ ТП.

Цеха завода оснащены современным оборудованием с числовым программным управлением, которое позволило повысить качество продукции и освоить современные технологии производства сложной наукоемкой продукции.

Уделяя большое внимание контролю качества выпускаемой продукции, предприятие располагает всем необходимым оборудованием для проверки и испытаний аппаратуры, в том числе в экстремальных условиях работы. Система управления качеством предприятия сертифицирована на соответствие международным стандартам ISO 9001-2000.

НПО "ЛЭМЗ" имеет большой опыт международного сотрудничества. Наша продукция как специального, так и гражданского назначения широко известна не только в России и странах СНГ, где эксплуатируются более двух тысяч РЛС нашего производства, но и в пятидесяти странах Европы, Азии, Африки и Латинской Америки.

Сегодня основными видами продукции объединения являются: радиолокационные комплексы и системы, оборудование для систем управления различного назначения, трассовые и аэродромные РЛК для управления воздушным движением, системы сбора и обработки информации о воздушной обстановке, оборудование для командных пунктов и автоматизированных систем управления воздушным движением, ветродизельные энергетические установки.

Учитывая требования заказчиков по выполнению поставок и услуг "под ключ", начиная с проектно-изыскательских работ и заканчивая вводом в эксплуатацию, в НПО "ЛЭМЗ" создано системное проектно-конструкторское бюро (СПКБ), основными функциями которого являются выполнение комплексных проектов по оснащению аэродромов, объектов ЕС ОрВД и ФСР и КВП.

НПО "ЛЭМЗ" имеет необходимые государственные лицензии и сертификаты на разработку, производство, модернизацию, гарантийное обслуживание и ремонт выпускаемой техники. Активно взаимодействуя с потребителями на всех этапах жизненного цикла продукции, объединение осуществляет гарантийное и послегарантийное обслуживание, ремонт и модернизацию ранее поставленной техники, поставляет запасные части и оказывает помощь в эксплуатации поставленного оборудования и обучении обслуживающего персонала.

НПО "ЛЭМЗ" имеет устойчивое финансовое положение и демонстрирует стабильный рост объёмов производства, являясь прибыльным предприятием.

Выпускаемая продукция

Сегодня основными видами продукции объединения являются: радиолокационные комплексы и системы, оборудование для систем управления различного назначения, трассовые и аэродромные РЛК для управления воздушным движением, системы сбора и обработки информации о воздушной обстановке, оборудование для командных пунктов и автоматизированных систем управления воздушным движением,

Первым таким комплексом, освоенном в серийном производстве в 1968г., стал радиолокационный комплекс дальнего действия L-диапазона “Утес-М”, который положил начало целому семейству гражданских радаров. Учитывая все новые требования, предъявляемые к РЛС УВД, а также моральное и физическое старение эксплуатируемого оборудования, НПО "ЛЭМЗ" постоянно проводит разработки и внедрение в серийное производство новых моделей трассовых и аэродромных РЛК. Вслед за «Утесом-М» были освоены в производстве модели трассовых РЛК: ТРЛК-10, ТРЛК-11, «Лира-1» (1Л118) и, наконец, самая современная модель - «Утес-Т».

Выпускает объединение и аэродромные (терминальные) комплексы: «Утес-А» и «Лира-А10», вторичные радиолокаторы «Лира-В» и «Лира-ВА», комплексы средств автоматизации управления воздушным движением «Топаз», комплексы средств автоматизации наблюдения и контроля аэродромного движения (КСА НКАД) "Вега". Все средства УВД, выпускаемые объединением, имеют сертификаты типа, выданные Межгосударственным авиационным комитетом.

Трехкоординатная РЛС 1Л117

Радиолокаторы 1Л117 разработаны путем коренной модернизации выпускавшейся ранее РЛС П-37

Возможность измерения третьей координаты является еще одним важным достоинством РЛС 1Л117. Благодаря использованию для получения координаты высоты метода V-луча вместе с современными вычислительными средствами, удалось создать относительно дешевую трехкоординатную РЛС с высокой точностью измерения высоты.

На предприятии так же выпускается ветродизельные энергетические установки.

Автономная ветроэнергетическая установка (АВЭУ) мощностью 30 кВт предназначена для объектов, не имеющих централизованного энергоснабжения и может эффективно применяться при скорости ветра выше 5 м/с. АВЭУ имеет хорошо зарекомендовавшую себя конструкцию, выпускаемую совместно со шведской компанией Pitch Wind.

Первая автономная ветроэнергетическая установка была поставлена на территории нашего предприятия в 2003 году и успешно эксплуатируется до настоящего времени.

На основе АВЭУ-30 можно создавать автономные ветроэнергетические комплексы мощностью 60,90,120 и 150 кВт с единой автоматической системой управления.

Одним из основных достоинств автономной ветроэнергетической установки является конструкция, объединяющая в себе патентованную саморегулирующуюся ветротурбину и гибридную систему управления.

Сборка изделия. Назначение сборочной единицы, принцип работы

Назначение сборочного узла «Волновод» (вращающихся сочленений, ЯБ5.061.518СБ) состоит в обеспечении невозмущенной передачи электромагнитной энергии (без модуляции за счет вращения) при непрерывном круговом вращении одной части фидерного тракта относительно другой.

Анализ технических требований на изготовление


В результате изучения требований чертежа можно сформулировать основные технологические требования, предъявляемые к сборочному узлу «Волновод» (ЯБ5.061.518СБ).

Торцевое биение относительно баз Б, В не более 0.06 (Б, В-оси отверстий фланцев)

Данное требование необходимо для правильного расположения вращающихся сочленений волноводов в субблок.

Радиальное биение относительно баз Б,В не более 0.06 (Б,В-оси отверстий фланцев)

 допуск на расположение осей волноводов относительно друг друга.

Данное требование необходимо для правильного функционирования субблока.

 допуск расположения фланцев относительно друг друга

Допуск соосности отверстия первого фланца относительно базы В (ось отверстия второго фланца)

Данное требование обеспечивает правильное расположение фланцев. Несоблюдение может привести к перекосу всей конструкции ( вращающейся сочленения волноводов).

Допуск соосности отверстия второго фланца относительно базы Г (общая ось волноводов)

Данное требование обеспечивает правильное расположение волноводов в субблоке. Несоблюдение может привести к неправильному функционированию.

Качество паяных швов по ОСТ4 ГО.054.035

Данное требование определяет надежность соединения волновода с фланцами. Несоблюдение может привести к быстрому выходу из строя.

Несоосность калиброванных участков в каждом волноводе поз 1..6 не более 0,1

Данное требование необходимо для правильного функционирования. Несоблюдение может привести к несовпадению осей волновода на вращающемся субблоке и неподвижного волновода на блоке ФП543(переход волны).

Технологический анализ конструкции

Конструкция заданной сборочной единицы «волновод» (ЯБ5.061.518СБ) состоит из минимального необходимого числа деталей.

Выполнение принципа совмещения сборочных баз с установочными и измерительными базами соблюдено.

Соблюдение этого принципа обеспечивает достижение требуемой точности взаимного положения элементов собираемого изделия. Базовой деталью при сборке (пайка) является фланец.

В процессе сборки необходимо предусмотреть механическую обработку

После пайки проводят дополнительную механическая обработку. Подрезают торец фланца в размер  под Ra 1.6 не зарезая , выдерживая торцевое биение 0,06 относительно  за 4 прохода. Подрезают торец фланца под Ra6.3, вы-в р-р  за 2 прохода. Подрезают торец 2-го фланца, выдерживая р-р  с Ra6.3 за 2 прохода. Подрезают торец 2-го фланца , выдерживая торцевое биение 0,06 не зарезая  за 4 прохода. Обтачивают поверхность 2-х фланцев с  до  под Ra1.6 на проход, выдерживая радиальное биение 0,06 за 2 прохода. Обтачивают 6 сухарей на 6-ти волноводах до  радиальное биение 0,06.

Обеспечен удобный доступ к местам контроля и регулировки.

На основании изложенного считаем, что конструкция сборочной единицы «волновод» (ЯБ5.061.518СБ) является технологичной.

Методы обеспечения заданной точности конструкции

Выполнение принципов взаимозаменяемости и отсутствия пригоночных работ соблюдено.

Заданную точность обеспечивают точностью составляющих деталей.

Метод полной взаимозаменяемости - при данном методе требуемая точность сборки достигается путем соединения деталей без их выбора, подбора или изменения размеров. Применение метода полной взаимозаменяемости целесообразно при сборке соединений, состоящих из небольшого количества деталей, так как увеличение числа деталей требует обработки сопряженных поверхностей с меньшими допусками, что не всегда технически достижимо и экономически целесообразно.

Технологическая схема узловой сборки

 

Виды сборочных соединений

Пайка в печах с защитно-восстановительной атмосферой позволяет уменьшить деформацию спаиваемых деталей и паять сразу несколько швов. Процесс ведется в такой последовательности. Отожженные и тщательно обезжиренные детали волноводной сборочной единицы собираются на оправках, их взаимно фиксируют приспособлениями из нержавеющей стали Х18Н9Т, чтобы избежать припаивания приспособлений к деталям волноводной сборочной единицы. Припой накладывается на места пайки в виде проволоки диаметром 0,3-1,2 мм или фольги толщиной 0,05-0,1 мм, после чего сборка помещается в печь, нагретую до температуры 280° С, которую затем поднимают до рабочей. Недостатками способа являются высокая стоимость оборудования и относительно низкая производительность.

Контроль качества сборки

Значение радиального и торцевого биения определяют по показаниям индикаторов (И4-0-2-0,01).


Организационная форма сборки, описание сборочного участка, применяемого оборудования и оснастки

Технологическим оборудованием и оснасткой при сборке является универсальный инструмент: пассатижи ГОСТ17438-72, кисточка ГОСТ10597-80, гаечный ключ. Для пайки применяют электропечь и специальное приспособление №0859-5411.

Чертеж сборочной единицы

Чертеж ЯБ5.061.517СБ со всеми техническими требованиями представлен в приложении.

 

Назначение сборочной единицы, принцип работы


Сборочный узел «Волновод в сборе» ЯБ5.061.517СБ в состав сборочного узла «Волновод» (вращающихся сочленений, ЯБ5.061.518СБ). Он является главной составляющей ЯБ5.061.517СБ. По нему идет передача электромагнитной волны.

Анализ технических требований на изготовление

деталь волновод электромагнитный сечение

В результате изучения требований чертежа можно сформулировать основные технологические требования, предъявляемые к сборочному узлу Волновод (ЯБ5.061.517СБ).

1.Допуск перпендикулярности оси отверстия Е к торцевой поверхности накладки(база Б).

Данное требование служит для правильного расположения винта. Несоблюдение может привести к сбою либо неправильному функционированию волновода. Обеспечение требования достигается благодаря кондуктору №7303-6859.

2..

Данное требование обеспечивает правильное положение накладки на волноводе. Несоблюдение может привести к неправильному функционированию волновода.

3..

Данное требование обеспечивает правильное положение накладки на волноводе. Несоблюдение может привести к неправильному функционированию волновода.

4..

Данное требование обеспечивает правильное положение накладки на волноводе. Несоблюдение может привести к неправильному функционированию волновода.

5. .

Данное требование необходимо для правильной установки штыря. Несоблюдение может привести к сбою либо неправильному функционированию волновода. Требование выполняется благодаря кондуктору №7303-6859.

6. .

Данное требование необходимо для правильной установки штыря. Несоблюдение может привести к сбою либо неправильному функционированию волновода. Требование выполняется благодаря кондуктору №7303-6859.

7. .

Данное требование необходимо для правильной установки штыря. Несоблюдение может привести к сбою либо неправильному функционированию волновода. Требование выполняется благодаря кондуктору №7303-6859.

8. .

Данное требование необходимо для правильной установки штыря. Несоблюдение может привести к сбою либо неправильному функционированию волновода. Требование выполняется благодаря кондуктору №7303-6859.

9..

Данное требование необходимо для правильной установки штыря. Несоблюдение может привести к сбою либо неправильному функционированию волновода. Требование выполняется благодаря кондуктору №7303-6859.

10. .

Допуск симметричности отверстий 0,05 относительно плоскости симметрии волновода (база В)

Данное требование обеспечивает правильное расположение штырей в отверстиях волновода. Несоблюдение может привести к сбою либо неправильному функционированию волновода. Требование выполняется благодаря кондуктору №7303-6859.

Качество паяных швов по ОСТ4 ГО.054.035

Данное требование необходимо для обеспечения надежности соединения накладок с волноводом. Некачественный шов может привести к потерям э/м энергии.

Технологический анализ конструкции

Конструкция заданной сборочной единицы «волновод в сборе» состоит из минимального необходимого числа деталей.

Выполнение принципа совмещения сборочных баз с установочными и измерительными базами соблюдено.

Соблюдение этого принципа обеспечивает достижение требуемой точности взаимного положения элементов собираемого изделия. Базовой деталью при сборке (пайка) является тело волновода.

В процессе сборки необходимо предусмотреть механическую обработку.

После установки накладок требуется дополнительная механическая обработка волновода. Рихтовать волновод по ребру и плоскости после пайки выдержав размеры () и ().

Обеспечен удобный доступ к местам контроля и регулировки.

Вывод: На основании изложенного считаем, что конструкция сборочной единицы «волновод в сборе» является технологичной.

Методы обеспечения заданной точности конструкции

Выполнение принципов взаимозаменяемости и отсутствия пригоночных работ соблюдено.

Заданную точность обеспечивают точностью составляющих деталей.

Метод полной взаимозаменяемости - при данном методе требуемая точность сборки достигается путем соединения деталей без их выбора, подбора или изменения размеров. Применение метода полной взаимозаменяемости целесообразно при сборке соединений, состоящих из небольшого количества деталей, так как увеличение числа деталей требует обработки сопряженных поверхностей с меньшими допусками, что не всегда технически достижимо и экономически целесообразно.

Технологическая схема узловой сборки

Виды сборочных соединений

Пайка горелкой ведет к короблению волноводной сборочной единицы и может быть рекомендована только для мелкосерийного производства. Она требует дополнительной рихтовки, припиловки и зачистки, имеет низкую производительность и невысокое качество шва.

При пайке горелкой волноводная сборочная единица собирается на фиксирующем приспособлении, скрепляется в отдельных точках сваркой, затем снимается с приспособления и пропаивается.

Контроль качества сборки

Контроль после сборки осуществляется для проверки точности позиционирования деталей и взаимодействия с другими узлами(контрольно-измерительная оснастка: штангенциркуль ГОСТ166-80,пробка ГОСТ1790-80, пробка ГОСТ17758-72).

После сборки узла проверяется его герметичность при давление 0,5 атм в течении 15 мин( оборудование: ванна с водой; приспособление: специальные заглушки №7871-5381;контрольно-измерительная оснастка: манометр ГОСТ6521-72; эл. Часы ГОСТ22527-71). Наличие пузырьков свидетельствует о нарушении герметичности.

Организационная форма сборки, описание сборочного участка, применяемого оборудования и оснастки

Технологическим оборудованием и оснасткой при сборке является универсальный инструмент: пассатижи ГОСТ17438-72,тиски ГОСТ1490-80, кисточка ГОСТ10597-80, горелка ГОСТ1077-69 для пайки.

Назначение детали и описание её конструкции


Волновод, представляет собой металлическую трубку круглого или прямоугольного сечения, внутри которой распространяется электромагнитная волна. Стенки волновода играют роль экрана, не дающего электромагнитным волнам распространяться в разные стороны и заставляющего их перемещаться только вдоль волновода.

По сравнению с коаксиальной линией потери энергии в волноводе меньше, так как отсутствует внутренний провод и нет никаких изоляторов. Однако волноводы имеют свой недостаток, который ограничивает их применение. В коаксиальной или симметричной линии могут распространяться волны любой частоты, а в волноводе возможно распространение только волн, у которых частота выше некоторой определенной величины, называемой критической частотой. Иначе говоря, в волноводе могут распространяться только волны, у которых длина короче некоторой критической длины волны. Критическая длина волны приблизительно вдвое больше поперечного размера волновода


Опыт и теория показывают, что в волноводах могут распространяться электромагнитные волны различных типов. Все они делятся на две группы: 1) электрические волны, обозначаемые Е, имеют электрическое поле, расположенное и в поперечном и в продольном направлениях, а магнитное поле только в поперечной плоскости; 2) магнитные волны, обозначаемые H, имеют магнитное поле, расположенное поперек и вдоль волновода, а электрическое поле только в поперечной плоскости.

Волну в волноводе можно рассматривать как сумму поперечных волн, распространяющихся зигзагообразно путем многократного отражения от стенок, как показано. При этом более длинные волны распространяются с большим числом отражений и зигзагов.

Устройства, связывающие волноводы с другими цепями, служат для возбуждения волн в волноводе или для отбора энергии из волновода. Электрическая связь осуществляется с помощью металлического проводника, называемого штырьком (или зондом), и установленного внутри волновода вдоль электрических силовых линий в том месте, где электрическое поле наиболее сильное. Обычно такой штырек является продолжением внутреннего провода коаксиальной линии, подводящей энергию к волноводу. Так как размеры штырька соизмеримы с длиной волны, то он работает как хорошая антенна.


Магнитная связь осуществляется с помощью витка (петли) связи, который располагается в месте, где магнитное поле наиболее сильно, причем ее плоскость перпендикулярна магнитным силовым линиям. Так как размеры витка соизмеримы с длиной волны, то он дает эффективное излучение электромагнитных волн и его можно уподобить одновитковой рамочной антенне большого размера


Конструктивное выполнение волноводов весьма разнообразно. Для уменьшения потерь в волноводе его внутреннюю поверхность делают возможно более гладкой и нередко покрывают ее серебром. Весьма тщательно соединяют отдельные части волновода друг с другом. Важно свести к минимуму частичные отражения волн от различных неоднородностей, имеющихся в волноводе. К таким неоднородностям относятся, например, повороты и ответвления, а также вращающиеся сочленения двух волноводов. Любые нарушения однородности внутреннего устройства волновода приводят к отражению волн.

 

Анализ технических требований на изготовление детали


В результате изучения требований чертежа можно сформулировать основные технологические требования, предъявляемые к детали «волновод», которые необходимо учитывать при выборе способов обработки детали:

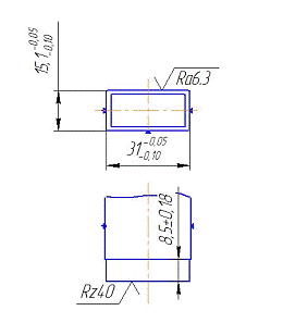
Допуск перпендикулярности 0.1 вертикальной поверхности относительно плоскостей симметрии Г и В (главной оси волновода)

Требование перпендикулярности служит для обеспечения правильной установки волновода во фланец. Несоблюдение может привести к взаимному перекосу волновода и фланца.

Допуск шероховатости внутренней поверхности Ra1.6

Улучшение качества поверхности требуется для снижения электрических потерь. При высокой частоте передаваемого сигнала токи, текущие по внутренней поверхности волновода будут огибать профиль микронеровностей.

От поперечного сечения зависят параметры волны(частота, длина).Обеспечение требования достигается рихтованием(молоток ГОСТ2310-77, прокладка текстолита)

Допуск симметричности 0,1 поверхностей на концах волновода (обнижение) относительно плоскости симметрии канала волновода

Обеспечивает правильное расположение канала волновода в сборочном узле (волновод с фланцем).

Канал волновода с размерам Е() и Д()калибровать на длине от 8 до 13мм (с шероховатостью поверхности Ra0.8) от торца с плавным переходом к основному сечению волновода.

Данное требование служит для обеспечения правильной формы поперечного сечения от которого зависит частота волны. Улучшение качества поверхности требуется для снижения электрических потерь.

Обеспечение требования достигается напильником ГОСТ1465-80 и шлифовальной шкуркой 15А12

Точность поперечного сечения волновода на расстояние  от торца и .

Данное требование служит для обеспечения установки волновода во фланец.На механическую прочность паяного соединения влияет зазор между паяемыми деталями(волновод-фланец), величина которого определяет толщину слоя припоя в шве. Зазор должен легко заполняться припоем и удерживать его благодаря капиллярному натяжению. Обеспечение требования достигается обработкой на универсальном фрезерном станке 676 концевой фрезой  ГОСТ 18362-73.

Остальные поверхности выполняются по H14, h14, ±IT12/2, с шероховатостью Rz40.

Материал: сплав 36НХ.

В целом требования к изготовляемой детали невысоки и их легко можно обеспечить оборудованием, находящимся в распоряжении завода.

 

Технологический анализ конструкции


.        Конструктивные формы детали не представляют особой сложности.

.        Количество обрабатываемых поверхностей небольшое при их небольшой протяженности.

.        Деталь симметрична.

.        Самую высокую точность имеют поверхности  и .

.        Все поверхности обрабатываются максимум за 2 прохода и имеют удобный подвод для инструмента.

Вывод: деталь технологична

Эскизы наиболее характерных операций.

0,05. Горизонтально-фрезерная. Резать трубу на детали в р-р 150 мм

0,1.Вертикально-фрезерная. Фрезеровать торец трубы за два прохода(t=7.5, B=15.6, L=31.5)

0,15.Вертикально-фрезерная. Фрезеровать обнижения на двух концах волновода в р-р  и  выделить размер  Инструмент концевая фреза  ГОСТ17025-71

Контроль

Контроль детали включает в себя проверку ее линейных размеров с помощью штангенциркуля ГОСТ166-80, скобы ГОСТ18362-73. Шероховатость проверяется с помощью образцов ГОСТ9378-75.

Предусмотрена возможность параллельной обработки.

Конструкция детали предусматривает возможность одновременной обработки. Примером может служить одновременная обработка двух обнижений.

Назначение


Фланец входит в состав сборочной единицы «Волновод» ЯБ5.061.518СБ. Служит для скрепления 6 волноводов(ЯБ5.061.517СБ, ЯБ5.061.518СБ-1) в барабан и расположении их внутри субблока.

Анализ технических требований на изготовление детали


В результате изучения требований чертежа можно сформулировать основные технологические требования, предъявляемые к детали «фланец», которые необходимо учитывать при выборе способов обработки детали:

Смещение осей окон от номинального расположения не более 0.03. База- отверстие А.

Данное требование обеспечивает правильное расположение волноводов во фланцах, вращающихся сочленений. Несоблюдение может привести к неправильному функционированию. Требование достигается протяжкой на протяжном станке(приспособление: протяжка №2401-5195)

Точность размеров окон  

Данное требование служит для обеспечения установки волновода во фланец. На механическую прочность паяного соединения влияет зазор между паяемыми деталями(волновод-фланец), величина которого определяет толщину слоя припоя в шве. Зазор должен легко заполняться припоем и удерживать его благодаря капиллярному натяжению. Несоблюдение может привести к неправильному функционированию. Требование достигается протяжкой на протяжном станке(приспособление: протяжка №2401-5195)

Допуск радиального биения 0,2 цилиндрической поверхности фланца относительно базы Б(ось отверстия А фланца).

Данное требование необходимо для дальнейшей обработке сборочного узла «волновод» ЯБ5.061.518СБ

Допуск торцевого биения фланца 0.04 .

Данное требование необходимо для дальнейшей обработке сборочного узла «волновод» ЯБ5.061.518СБ

Точность диаметрального размера  фланца.

Данное требование необходимо для дальнейшей обработке сборочного узла «волновод» ЯБ5.061.518СБ

Точность расположения отверстия

Данное обеспечивает дальнейшее фиксирование фланца штифтом на валу субблока.

В целом требования к изготовляемой детали невысоки и их легко можно обеспечить оборудованием, находящимся в распоряжении завода.

Технологический анализ конструкции


.        Конструктивные формы детали не представляют особой сложности.

.        Количество обрабатываемых поверхностей небольшое при их небольшой протяженности.

.        Деталь симметрична.

.        Самую высокую точность имеют поверхности  и

.        Все поверхности обрабатываются максимум за проход и имеют удобный подвод для инструмента.

Вывод: деталь технологична

Эскизы наиболее характерных операций.

0.05. Сверлильная.

Сверлить отверстие диаметром . Сверло ГОСТ 10902-77

0.10. Протяжная. Протяжка окна. Протяжка №2401-5195.

0.15. Сверлильная.

Развернуть отверстие . Развертка  ГОСТ1672-72.

Контроль

Контроль детали включает в себя проверку ее линейных и диаметральных размеров с помощью мер длины концевых ГОСТ9038-73,пробки ГОСТ 14810-69, пробки ГОСТ 14810-69, калибра на смещение осей №8344-5606. Шероховатость проверяется с помощью образцов ГОСТ9378-75.

Похожие работы на - Производство детали 'волновод', сборка и технологические требования.

 

Не нашли материал для своей работы?
Поможем написать уникальную работу
Без плагиата!
Без нейросетей!