Разработка подогревателя высокого давления для турбинной установки

  • Вид работы:
    Дипломная (ВКР)
  • Предмет:
    Другое
  • Язык:
    Русский
    ,
    Формат файла:
    MS Word
    148,63 kb
  • Опубликовано:
    2011-06-28
Вы можете узнать стоимость помощи в написании студенческой работы.
Помощь в написании работы, которую точно примут!

Разработка подогревателя высокого давления для турбинной установки

Содержание

1.       Краткая характеристика турбоустановки

.        Схема движения теплообменивающихся сред, график изменения температур в теплоносителе

.        Определение количества теплоты

.        Определение поверхностей нагрева

Вывод и заключение

Литература

1. Краткая характеристика турбоустановки

Паровая конденсационная турбина К-800-240-4 производственного объединения турбостроения «Ленинградский металлический завод» (ПОТ ЛМЗ) номинальной мощностью 800 МВт с начальным абсолютным давлением пара 23,5 МПа предназначена для непосредственного привода генератора переменного тока ТВВ-800-2, для работы в блоке с прямоточным котлом.

Номинальная мощность 800 МВт

Максимальная мощность 850 МВт

Давление свежего пара 23,54 МПа

Температура свежего пара 540 ⁰С

Давление пара после промежуточного перегревателя 3,24 МПа

Температура пара после промежуточного перегревателя 540 ⁰С

Число регенеративных отборов пара 8

Максимальный расход пара 2650 т/ч

Число цилиндров 5

Число ступеней 26

Температура питательной воды 274

Рис. 1 Схема одной из двух одинаковых групп ПВД К-800-240-4

2. Схема движения теплообменивающихся сред, график изменения температур в теплообменнике

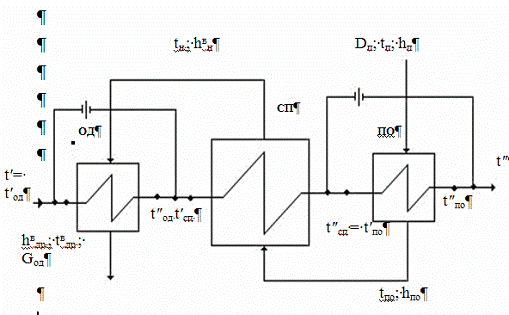
Одним из элементов, комплектующих любую турбоустановку, являются подогреватели высокого давления (ПВД). Каждый из подогревателей рассчитан на тепловые потоки и параметры, определяемые тепловым балансом соответствующей паровой турбины.

По принципу использования тепла греющей среды при подогреве питательной воды поверхность теплообмена ПВД делится на следующие зоны:

конвективного теплообмена при охлаждении перегретого пара, т. е. с температурой стенки выше его температуры насыщения (зона охлаждения пара - ОП) при давлении в данной зоне;

конвективного теплообмена при охлаждении конденсата греющего пара (зона охлаждения конденсата - ОК);

конденсации греющего пара (зона конденсации пара - КП(СП)).

Все три зоны, практически всегда, расположены в одном корпусе ПВД. К аппарату подводятся и отводятся потоки нагреваемой питательной воды, подаваемой питательным насосом из деаэратора или предыдущего ПВД, греющего пара из отборов турбины и конденсата этого пара. В группе последовательно включенных ПВД между соседними аппаратами осуществляется перед отводом в деаэратор каскадный слив конденсата греющего пара.

График изменения температур в теплообменнике

Рис. 3

. Определение количества теплоты

Параметры греющего пара:

§  давление pп =3,77 МПа;

§  температура tп =289°С;

§  энтальпия iп =2938 кДж/кг;

§  давление пара в собственно подогревателе p`п =3,69 МПа;

§  температура насыщения tнс.п. =245,6 °С;

§  энтальпия конденсата пара за собственно подогревателем iнс.п .=1064,2 кДж/кг;

§  энтальпия пара, поступающего в собственно подогреватель i′п =2853 кДж/кг;

§  температура пара t′п =260°С.

Параметры питательной воды:

§  давление pп.в.=32 МПа;

§  температура на входе в охладитель конденсата tв =196,8 °С;

§  энтальпия воды на входе в охладитель конденсата iв =852,2 кДж/кг;

§  температура конденсата на выходе из охладителя tдр =206 °С;

§  энтальпия iдр=879,4 кДж/кг;

В охладитель конденсата поступает часть питательной воды с расходом 48,9 кг/с (14,3%∙Gп.в). Через собственно подогреватель проходит 342 кг/с воды. Расход воды через пароохладитель принять равным 70 % расхода пара (42,4 кг/с), поступающего в подогреватель.

Энтальпия воды на выходе из собственно подогревателя определяется при pп.в=32 МПа и температуре tс.п. = tнс.п.- υ = 245,6-4,5 = 241,1 °С; тогда iс.п. = 1048,2 кДж/кг.

Используя расход пара, определяют температуру на выходе из охладителя конденсата, на входе в собственно подогреватель и на выходе из охладителя пара. Из уравнения теплового баланса для охладителя конденсата (дренажа)

i"од = iв+(Dп(iнсп-iдр) + Dп8(iдр8-iдр)∙ηп)/Gод

i"од = 1047,7 кДжод = 241 °С.

Энтальпия воды на входе в собственно подогреватель:

i'сп = iв+Gод (iод-iв)/Gпв

i'сп = 882,2 кДж

температура воды на входе в собственно подогреватель t′од = 203,7°С.

Энтальпия воды на выходе из пароохладителя

(при расходе Gпо = 0,7D = 0,760,55=42,4 кг/с):

i"по = i"сп+Dп(iп-i'п)∙η/Gпо

i"по = 1134 кДж

температура tпо=260,1 °С.

По балансу теплоты определяем тепловую нагрузку для:

охладителя конденсата:

Qок = Dп(iнсп-iдр)η = 9818 кВт

собственно подогревателя:

Qсп = Dп(i'п- iнсп)η = 81488кВт

охладителя пара:

Qпо=Dп(iп-i'п)η = 5795кВт

i′п - удельная энтальпия пара, поступающего в собственно подогореватель;

iнс.п. - удельная энтальпия конденсата пара за собственно подогревателем;

i др - удельная энтальпия дренажа;

Dп - расход пара в подогреватель;

. Определение поверхностей нагрева

Расчет собственно подогревателя (СП)

Средний температурный напор для поверхностей нагрева отдельных элементов и подогревателя в целом определяется как среднелогарифмическая разность температур, т.е.


Здесь большие и меньшие температуры разности определяются в соответствии с графиком рисунка 3:

∆tб=tнс.п. - t′од = 245,6-203,7 = 41,9 °С;

∆tм=tнс.п - tсп = 245,6-241,1 = 4,5 °С.

Следовательно

Δtср=(41,9-4,5)/ln(41,9/4,5)=16,8ºС

Для определения коэффициента теплоотдачи от стенок труб к воде необходимо установить режим движения ее. Скорость воды в трубах подогревателя принимается в пределах 1,3-1,8 м/с. Для скорости 1,5 м/с и соответствующих средней температуре воды:

Δtт=(tсп+t'сп)/2=(241,1-203,7)/2=222,4ºС

ν=0,147∙10-6 м2/с; λ=0,673 Вт/(м∙К); Pr=0,835

число Рейнольдса равно:

Re = w∙d/ν= 1,5∙0,032/0,147∙10-6=324324

Коэффициент теплоотдачи для этих условий определяется:

α2=0,023(λ/d) Re0,8Pr0,4= 0,023 (0,673/0,032) (324324)0,4 (0,835)0,4= 11570Вт/(м2∙К)

Термическое сопротивление стенки труб :

Rстстст=5,36∙10-5

Значение коэффициента b в формуле  при

Δtсрст=(tнсп+ Δtт)/2 = (245,6+222,4)/2 = 234⁰С

b=8073, т. е. α1=8073Δt-0,25 Вт/(м2∙К)

В соответствии с полученными значениями имеем:

Δt= Δt1 + Δt2 + Δt3 = (q/b)4/3 + (δстст)∙q + q/α2=(q/8073)4/3 + 5,36∙10-6 + q/11570

принимая различные значения q, находим  и строим зависимость

q=10 Вт/м2 ∆t = 2,73°С;

q=20 Вт/м2 ∆t = 6,15°С;

q=30 Вт/м2 ∆t = 9,96°С;

q=40 Вт/м2 ∆t = 14,05°С;

q=50 Вт/м2 ∆t = 18,38°С;

Графоаналитическое определение плотности теплового потока в зависимости от температурного напора

Из нее следует что при = 16,8  : q = 46400 Вт/м2

Коэффициент теплопередачи в собственно подогревателе в этих условиях:

k=q/Δt=46400/16,8=2762 Вт/(м2∙К)

Поверхность нагрева собственно подогревателя:

F=Q/(kΔtср) =81488∙103/(2762∙16,8) = 1851м2

Практически поверхность нагрева должна быть несколько выше за счет возможности загрязнения поверхности, коррозии и т.д. Принимаем:

Fсп = 1863 м2

При принятой скорости воды в трубах число спиралей собственно

подогревателя:

N= Gпвυ/(0,785w∙d2вн) = 342∙0,0016/(0,785∙1,5∙0,0242 = 817 шт.

Практически число спиралей принимается кратным произведению числа секций и числа рядов в каждой секции, т.е. 68=48. Тогда N=792 шт.

Длина каждой спирали в этом случае:

L= F/(π dвнn) = 1863/(3,14∙0,024∙792=31 м

Расчет охладителя пара (ОП)

Тепловая нагрузка охладителя пара Qоп = 5795 кВт;

расход пара Dп =60,55 кг/с;

расход питательной воды Gпв = 42,4 кг/с.

Если размеры спиралей охладителей пара такие же, как и собственно

подогревателя, тогда сечение для прохода пара:

F=L∙0,004∙β = 31∙0,004∙0,98 = 0,122 м2

β=0,98 учитывает часть длины труб, участвующей в теплообмене, а

,004-расстояние между трубами.

При двух потоках скорость пара в охладителе:

w=Dпυ/2F = 60,55∙0,06/(2∙0,122) = 14,9 м/с

где υ- средний удельный объем пара при его средней температуре:

tср= (tп+t"п)/2 = (289+260)/2 = 274,5⁰С

Эквивалентный диаметр:

dэ= 4F/p = 4∙0,122/2 = 0,244 м

Число Рейнольдса:

Re= wndэn =14,9∙0,244/1,13∙10-6=3,22∙106.

Значение коэффициента теплоотдачи от пара к стенке труб:

α1= 0,027(λ/ dэ)( Re)0,84(Pr)0,4 = (0,027∙0,049∙(3,22∙106)0,84∙(1,16)0,4)/0,244 = 1685 Вт/(м2∙К)

Скорость воды в трубах при двух поточной схеме принимаем равной 1,5м/с, диаметр трубок 324 мм.

Физические параметры воды:


ν = 1,37∙10-7 м2/с;

λ = 0,65 Вт/м∙К;

Pr= 0,798

Re = (1,5∙0,024)/ 1,37∙10-7 = 262774

α2=0,023(λ/d)Re0,8Pr0,4=(0,023∙0,65∙2627740,8∙0,7980,4)/0,024=12328 Вт/(м2∙К)

Коэффициент теплопередачи:

k=1/(1/1685+8,3∙10-5∙32/24+1∙32/(12328∙24)=1230 Вт/(м2∙К)

где  - учитывает вид теплопередающей стенки - стенка

цилиндрическая.

Средний температурный напор в охладителе пара:

 tп - tпо = 289-260,1=28,9°С;

 t′сп - tсп =260-241,1=18,9°С.

Δtср = (28,9-18,9)/ln(28,9/18,9) = 23,54

Поверхность нагрева охладителя пара:

Fоп = Q/(k Δtср) = 5795000/(1230∙23,54)=84,6 м2

Число змеевиков охладителя пара :

N = F/(βLπdн) =84,6/(0,98∙31∙3,14∙0,032) = 28 шт

Расчет охладителя конденсата(ОК)

Тепловая нагрузка охладителя конденсата: Qок=9818 кВт

Средняя температура конденсата в межтрубном пространстве:

tсрк= 228,2 ⁰С

Сечение для прохода конденсата в охладителе принимаем таким же, как и в охладителе пара, т.е. 0,122 м2. Тогда скорость конденсата в межтрубном пространстве:

wк= Dk∙υk/F = 60,55∙0,0012/0,122 = 0,6 м/с

Значение числа Рейнольдса при найденной скорости равно:

Re = wк∙dэ/ν = 0,6∙0,244/0,142∙10-6=1,02∙106

коэффициент теплоотдачи по формуле:

α1= 0,023(λ/ d)( Re)0,8(Pr)0,4 = (0,023∙0,644∙(1,02∙106)0,4)/0,032= 4415 Вт/(м2∙К)

Средняя температура воды в трубах охладителя:

tсрод = (tв+ tод)/2 = (196,8+203,7)/2 = 200,3⁰С

Значение коэффициента теплопередачи от стенки к воде определяем при скорости w=2 м/с и физ. параметрах, соответствующих tсрод= 200,3⁰С

Re = (2∙0,024)/(0,16∙106) = 3,45∙105

α2=0,023∙0,688∙(3,45∙105)0,8∙(0,893)0,4=16970 Вт/(м2∙К)

Расчетное значение:

α=1,132∙ α2=16970∙1,132=19210 Вт/(м2∙К)

Коэффициент теплопередачи в охладителе конденсата:

k= 1/(1/4415+8,14∙105∙32/24+32/(19210∙24)) = 2473 Вт/(м2∙К)

Средний температурный напор в охладителе:

Δtср= (Δtб- Δtм)/ln Δtб/Δtм=(41,9-9,2)/ln(41,9∙9,2)= 21,6⁰С

Поверхность теплообмена охладителя конденсата:

Fок= Q/(k Δtср)= 9818000/(19210∙21,6)= 184,1 м2

Таким образом, в результате расчета получено:

Fоп = 84,6 м2; Fсп = 1851 м2; Fок = 184,1 м2

Заключение

подогреватель давление теплота турбоустановка

В ходе проведения данной курсовой работы был рассчитан подогреватель высокого давления №7 (ПВ-2100-380-40) для турбинной установки К-800-240-4. ПВД-7 работает при параметрах пара перед входом в подогреватель: давлении 3,77 МПа, температуре 289 °С и расходом пара 60,55 кг/с. Параметры питательной воды при этом: давление 32МПа и температура 196,8 °С .

В результате расчета были определены следующие площади составляющих частей подогревателя:

площадь СП Fсп = 1851 м2

площадь ОП: Fоп = 84,6 м2

площадь ОК : Fок = 184,1 м2

Полученные в результате расчёта значения площадей немного отличаются от реальных табличных значений данного подогревателя ПВ-2100-380-40 (Fсп = 1863 м2; Fоп = 847 м2; Fок = 185 м2) на допустимую величину. В результате можно сделать вывод, что расчет произведен верно.

Литература

1.       Рыжкин В. Я. «Тепловые электрические станции», Москва, 1987 г.

.        Григорьев В. А., Зорин В. М. «Тепловые и атомные электрические станции», Москва, «Энергоатомиздат», 1989 г.

.        Соловьёв Ю. П. «Вспомогательное оборудование паротурбинных электростанций», Москва, «Энергоатомиздат», 1983 г.

.        Рихтер Л. А. и др. «Вспомогательное оборудование тепловых электростанций», Москва, 1987 г.

Похожие работы на - Разработка подогревателя высокого давления для турбинной установки

 

Не нашли материал для своей работы?
Поможем написать уникальную работу
Без плагиата!
Без нейросетей!