Математические и программные средства моделирования систем управления
ЗАДАНИЕ
НА КУРСОВУЮ РАБОТУ
ПО
ДИСЦИПЛИНЕ “МАТЕМАТИЧЕСКИЕ И ПРОГРАМНЫЕ СРЕДСТВА МОДЕЛИРОВАНИЯ СИСТЕМ
УПРАВЛЕНИЯ”
Составить математическую модель и выполнить моделирование САУ, заданной в
виде структурной схемы.
Исходные данные модели:
1. Структурная схема САУ.
1. Численные значения коэффициентов
передаточных функций блоков системы.
|
К0
|
К1
|
Т1
|
К2
|
Т2
|
К3
|
Т3
|
К4
|
K5
|
T5
|
|
4,8
|
2,5
|
0,1
|
0,5
|
0,2
|
0,6
|
0,1
|
1,5
|
1,5
|
0,2
|
Перечень работ:
1. Получить передаточную функцию системы
по задающему воздействию.
2. Получить передаточную функцию системы
по возмущающему воздействию.
3. Получить математическую модель
системы в векторно-матричной форме записи. (Получить систему дифференциальных
уравнений в пространстве состояний системы, использовать только передаточную
функцию по задающему воздействию).
4. Выполнить моделирование и получить
переходную характеристику системы, используя пакет программ
MatLab.(использовать только передаточную функцию по задающему воздействию).
5. Выполнить моделирование и получить
переходную характеристику системы, используя пакет программ Simulink.
6. По результатам моделирования
выполнить оценку устойчивости системы, дать рекомендацию по применению системы,
устойчивому состоянию, если она не устойчива, то добавить корректирующее звено.
АНОТАЦИЯ
В данной курсовой работе произведено математическое и программное
моделирование системы автоматического управления с помощью программного
обеспечения MatLab и Simulink. Приведены результаты как ручного, так и
автоматизированного расчета схемы. Также дана рекомендация по применению
системы и устойчивому состоянию.
ВВЕДЕНИЕ
Социально-экономическое развитие нашей страны возможно лишь при широком
внедрении последних достижений науки и техники, на основании которых возможно
возрастание производительности общественного производства. Научно-техническая
революция стала причиной морального старения приборов и систем, в связи с чем
сроки их проектирования и производства стают соизмеримыми со сроками
эксплуатации. Поэтому вполне возможно, что система управления морально устареет
еще до начала её производства.
Усложнение функций систем и устройств управления приводит к увеличению
времени на их проектирование при использовании традиционных ручных методов.
Некоторое ускорение процесса проектирования возможно за счет увеличения
количества проектировщиков, но этот путь не может дать существенных
результатов.
Ускорить и удешевить процесс проектирования возможно лишь путем
разработки и внедрения прогрессивных методов при широком использовании электронных
вычислительных машин. Автоматизация проектирования есть по сути третьим этапом
научно-технической революции, первые два из них - автоматизация производства и
управления - фактически уже завершены.
Автоматизация моделирования работ требует использования вычислительной
техники. Но существует много задач, решение которых лежит вне возможностей ЭВМ.
Приспосабливание таких задач к возможностям техники осуществляется путем
разделения процесса моделирования на ряд процедур, а также за счет сохранения
за оператором тех функций, которые не могут быть формализированы.
Решение задач анализа на ЭВМ разрешает отказаться от физического
макетирования, что есть обязательным при ручном проектировании и требует много
времени и денег. Математическое моделирование разрешает использовать модели
практически любой точности и получить достаточно точные результаты. При этом
возможно задавать такие режимы работы, которые при физическом моделировании
задать нельзя.
Анализ математических моделей включает в себе и параметрическую оптимизацию,
позволяющую изменять внутренние параметры элементов таким образом, чтобы
получить наилучшие результаты. Методы анализа и его результаты не говорят о
том, какая структура должна быть, то есть не решают задач синтеза. И все же
значение анализа очень большое, так как позволяет перебрать несколько вариантов
структуры и сравнить их между собой.
Теория автоматического управления в настоящее время играет значительную
роль в современной науке и технике. Современные системы автоматического
управления характеризуются высокой сложностью, повышенными требованиями к
показателям точности, быстродействия, устойчивости. Для проектирования таких
систем в настоящее время применяются программные комплексы. Эти комплексы
позволяют проводить моделирование, анализ и систем управления.
Одним из программных комплексов, предназначенный для моделирования систем
управления, является комплекс MATLAB/SIMULINK, производимый фирмой Math Works,
Inc. Этот программный комплекс широко применяется при разработке систем
управления
АНАЛИЗ ЗАДАНИЯ, ОБЗОР МЕТОДОВ СОСТАВЛЕНИЯ
МАТЕМАТИЧЕСКИХ МОДЕЛЕЙ СИСТЕМ АВТОМАТИЧЕСКОГО УПРАВЛЕНИЯ, ВЫБОР МЕТОДА РЕШЕНИЯ
ЗАДАЧ.
Как известно, любая линейная система автоматического управления (или
электромеханическая система), поведение которой может быть описано обычным
дифференциальным уравнением порядка п, всегда может быть
представлена математической моделью в виде системы п линейных
дифференциальных уравнений первого порядка:
(1)
Если ввести к рассмотрению матрицы коэффициентов
(2)
а также векторы
(3)
то математическую модель (1) можно записать в краткой векторно-матричной
форме
(4)
где Х(t)- п- вектор состояния системы; U(t)- т-
вектор внешних влияний (управлений); А - матрица динамики
системы размером n´m (квадратная); В-
матрица управления (входа) размером п х т (прямоугольная).
Модель системы в пространстве состояния характеризуется также уравнением
выхода:
(5)
где
Y(t) - r - вектор выхода системы; С -
(r х п) - матрица отображения динамических сменных Х(t)
на выход системы; D - (rхт)- матрица компенсации системы
(компенсируется погрешность в исходном сигнале системы).
Запишем
уравнения (4) в операторной форме. При не нулевых начальных условиях пользуемся
формулой Мелина:
(6)
где
L [*] - операция преобразования Лапласа; Х(0) - п- вектор
начальных условий.
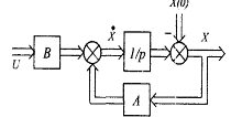
Согласно
с выражением (6) можно построить структурную схему модели в пространстве
состояния, которая изображенная на рис. 1.
|
Рис.1.Структурная
схема системы в пространстве состояния
|
Рис.2.Модифицированная
структурная схема системы
|
Значительное количество реальных систем характеризуются одним (скалярным)
управляющим влиянием (например, напряжение, которое подается в двигатель
U(t)) и одним возмущающим влиянием (статический момент Мc(t)),
а также нулевыми начальными условиями: Х(0) = 0. При этом матрицу
входа В целесообразно поделить на два п- вектора: Bu
и ВM. При таких условиях выражение (6) можно записать в
виде
(7)
Тогда структура модели будет иметь вид, приведенный на рис. 2.
Математические модели систем в векторно-матричной форме имеют очень
важное практическое значение. Они широко используются в современной теории
автоматического управления при аналитическом конструировании регуляторов,
разработке оптимальных систем управления, и тому подобное. Векторно-матричной
описание позволяет формализировать процедуры решения многих сложных задач, что
очень важно при их решении с помощью ЭВМ.
Традиционно объекты управления или системы описывают с помощью
передаточных функций и поэтому, возникает задача перехода к математической
модели в форме векторно-матричных дифференциальных уравнений. Такой переход от
передаточных функций к пространству состояния неоднозначный, в зависимости от вектора
фазовых координат. Приведем некоторые с методов такого перехода.
СОСТАВЛЕНИЕ МАТАМАТИЧЕСКОЙ МОДЕЛИ СИСТЕМЫ АВТОМАТИЧЕСКОГО
УПРАВЛЕНИЯ.
Для этого выполним преобразование структурной схемы.
Упростив
выражение. и подставив данные получим:
.Найдем
передаточную функцию системы по возмущающему воздействию.
Для
этого выполним преобразование структурной схемы.
Упростив
выражение. и подставив данные получим:
МАТЕМАТИЧЕСКИЕ МОДЕЛИ СИСТЕМЫ В ВЕКТОРНО-МАТРИЧНОЙ ФОРМЕ ЗАПИСИ.
.Метод перенесения производных с входа на выход.
Если
передаточная функция объекта содержит операторы Лапласа в числителе, тогда ее
удобно предоставить двумя блоками.
Заданный
объект в форме передаточной функции:
Изобразим
его двумя блоками
Для
упрощения берем а5 = 1.
Записываем
дифференциальные уравнения для обоих блоков:

где
Вводим
обозначения:
Тогда
можем записать дифференциальные уравнения в нормальной форме Коши:
К
последнему уравнению подставим предыдущее и сводим подобные члены. Вследствие
этого получаем:
Окончательно,
в векторно-матричной форме уравнения объекта имеют вид
где
X- вектор состояния; Y- вектор исходной величины
(вектор измерения); U - вектор управления,
2.Метод последовательного интегрирования (аналогового
моделирования)
Этот
метод целесообразно использовать при наличии операторов Лапласа в числителе передаточной
функции. Процедуру определения фазовых координат пространству состояния
рассмотрим на примере аналогового моделирования.
Объект
задан передаточною функцией
Для
упрощения берем a4 = 1 и записываем операторное
уравнение:

Из
этого выражения получаем:
Последнее
уравнение приводим к машинной форме, то есть:
Согласно
полученного уравнения, строим структурную схему аналоговой модели, для которой
необходимо использовать три интегратора, четыре сумматоры и несколько
усилителей.
Структура
аналоговой модели
За
фазовые координаты пространству состояния берем исходные координаты
интеграторов. Тогда, соответственно структурной схеме составляем
дифференциальные уравнения первого порядка:
Учитывая,
что y = х1 , получаем:
Это
уравнения в векторно-матричной и форме имеет вид:
3.Метод декомпозиции структурной схемы объекта до уровня
интеграторов.
Рассмотренный
класс математических моделей имеет определенные недостатки. Прежде всего, это
трудности физической интерпретации результатов расчетов и исследований. Поэтому
во время проведения анализа и синтеза (при проектировании системы)
векторно-матричная форма математического описания объединяется с математической
моделью в пространстве «вход-выход» (в форме передаточных функций и структурных
схем). Это осуществляется путем декомпозиции структуры к уровню интеграторов (к
так званой декомпозированной структурной схеме (ДСС), что и есть графической
интерпретацией векторно-матричного описания). Таким образом, переход от ДСС к
векторно-матричному описанию и, наоборот, построении ДСС за известным
векторно-матричным описанием, как правило, не вызывает трудности..
В
общем виде:
МОДЕЛИРОВАНИЕ И ПОЛУЧЕНИЕ ПЕРЕХОДНОЙ ХАРАКТЕРИСТИКИ СИСТЕМЫ В
ПАКЕТЕ ПРОГРАММЫ SIMULINK.
Смоделируем
систему в векторно-матричной форме, и подадим на вход единичный импульс:
в
результате получим следующую переходную характеристику системы:
математическая модель интегрирование импульс
Смоделируем
систему по переходной характеристике, и подадим на вход единичный импульс:

переходная
характеристика похожа как в векторно-матричном методе.
Смоделируем
систему по структурной схеме:
переходная
характеристика:
ОЦЕНКА УСТОЙЧИВОСТИ СИСТЕМЫ. РЕКОМЕНДАЦИИ ПО ПРИМЕНЕНИЮ СИСТЕМЫ.
Определение
устойчивости системы и ее стабилизации являются первой проблемой, решаемой при
создании автоматических систем. Второй, не менее важной проблемой, является
обеспечение заданного качества процесса управления.
По
характеру затухания переходной процесс является колебательным.
Быстродействие
системы определяется временем переходного процесса.
Учитывая,
что переходной процесс заканчивается в тот момент времени, начиная с которого
отклонение управляемой переменной отличается от нового установившегося значения
не более чем на 5%, на пятой секунде кривая переходного процесса достигает
времени первого согласования.
Колебания,
возникающие в системе, приводят к износу механизмов и часто оказываются
нежелательными по техническим соображениям.
В
связи с этим понятие о степени колебательности, которая характеризуется числом
колебаний, возникающих в системе за время переходного процесса, можно сказать
что оно не очень велико, соответствует пяти колебаниям.