Гидравлический расчет трубопровода с насосной подачей жидкости
Гидравлический расчет трубопровода с
насосной подачей жидкости
Таблица
вариантов
Вариант выбирается по последней цифре шифра, а перекачиваемая жидкость -
по предпоследней цифре шифра)
|
№ вар.
|
жидкость
|
t
|
H1
|
H2
|
рм
|
R
|
d1
|
d2
|
D
|
l2
|
l1
|
|
|
°с
|
м
|
м
|
Мпа
|
кН
|
мм
|
мм
|
м
|
м
|
м
|
|
1
|
вода
|
10
|
1,7
|
10
|
0,01
|
4
|
105
|
100
|
0,6
|
200
|
20
|
|
2
|
Нефть
|
36
|
1,6
|
20
|
-0,01
|
5
|
120
|
200
|
0,4
|
250
|
30
|
|
3
|
Бензин
|
8
|
2,5
|
15
|
-0,02
|
2
|
115
|
150
|
0,8
|
360
|
20
|
|
4
|
Керосин
|
15
|
3,0
|
25
|
0,015
|
3
|
140
|
100
|
0,6
|
220
|
10
|
|
5
|
Дизтопливо
|
30
|
4,5
|
30
|
-0,01
|
4
|
125
|
125
|
0,4
|
300
|
12
|
|
6
|
Вода
|
40
|
3,2
|
10
|
-0,02
|
3
|
110
|
100
|
0,6
|
180
|
15
|
|
7
|
Нефть
|
30
|
4,3
|
15
|
0,005
|
3
|
135
|
150
|
0,5
|
50
|
18
|
|
8
|
бензин
|
5
|
2,0
|
20
|
-0,01
|
2
|
110
|
120
|
0,6
|
130
|
19
|
|
9
|
Керосин
|
10
|
3,5
|
25
|
0,01
|
4
|
125
|
220
|
0,7
|
300
|
20
|
|
10
|
Нефть
|
25
|
4,8
|
30
|
-0,02
|
3
|
130
|
150
|
0,9
|
450
|
25
|
Для всех вариантов
Указания:
1. Используется насос Д-320 при n=2950 об/мин.
. Физические свойства жидкости определяются по справочной литературе.
. Трубопровод изготовлен из стальных труб, подверженных коррозии.
. В начальном положении кран открыт.
. Если во всасывающей линии насоса кавитация, то необходимо найти
минимальный диаметр всасывающей линии (dmin) из условия отсутствия
кавитации, увеличить его до ближайшего большего по ГОСТу и уточнить положение
рабочей точки.
6. Знак “-“ у рм показывает, что это вакуумметрическое
давление воздуха в приемном резервуаре.
. Регулирование: Четные варианты - уменьшить подачу насоса на 10%, а
нечетные - на 20% двумя способами.
· Закрыть кран
· Уменьшить обороты вала насоса
СОдержание
ВВЕДЕНИЕ
. Постановка
задачи
2.
ТЕОРЕТИЧЕСКИЕ ОСНОВЫ РАСЧЕТА
.1 Некоторые
сведения о насосах
.2
Гидравлическая сеть
.3
Определение потерь энергии на преодоление гидравлических сопротивлений
.4
Кавитационные расчеты всасывающей линии насоса
.РАСЧЕТНАЯ
ЧАСТЬ
.1
Определение рабочей точки центробежного насоса и мощности приводного двигателя
3.2
Определение минимального диаметра всасывающего трубопровода из условия
бескавитационной работы
3.3
Определение рабочей точки насоса из условия бескавитационной работы
.4
Регулирование подачи насоса в гидравлическую сеть
.4.1 Расчет
коэффициента сопротивления регулировочного крана
.2.2
Регулирование подачи путем изменения частоты вращения вала насоса
.2.3
Сравнение способов регулирования
ВЫВОДЫ
Библиографический
список
ВВЕДЕНИЕ
Насосы представляют собой гидравлические машины, предназначенные для
преобразования механической энергии приводного двигателя в гидравлическую
энергию потока жидкости. Насосы передают жидкости энергию. Жидкость, получившая
энергию от насоса, поднимается на определенную высоту, перемещается на
необходимое расстояние в горизонтальной плоскости, или циркулирует в какой либо
замкнутой системе.
Первоначально насосы предназначались исключительно для подъёма воды. В
настоящее время область их применения широка и многообразна.
В нефтегазовом деле насосы применяются, например, для транспорта нефти и
нефтепродуктов, в системе промывки и цементирования скважин при бурении, в
системах сбора и подготовки нефти к транспорту, в системах обустройства
нефтегазопромыслов.
Важнейшие параметры работы насоса - напор H и подача Q.
Напор насоса H- энергия, приходящаяся на единицу веса, которую получает
жидкость, проходящая через насос.
Подача насоса Q - объемное количество жидкости, которое за единицу
времени проходит через насос. Подача насоса равна расходу жидкости в
трубопроводе, присоединенном к насосу.
Величины H и Q для каждого насоса между собой взаимосвязаны. Зависимость
H= f(Q) называется напорной характеристикой насоса.
Один и тот же насос может быть включен в различную гидравлическую сеть.
Гидравлическая сеть - система трубопроводов, резервуаров, регулирующих
устройств и других элементов, по которым перемещается жидкость.
Дополнительная энергия, которая передается жидкости в насосе, расходуется
в гидравлической сети на совершение работы по подъему жидкости, на преодоление
гидравлических сопротивлении при движении жидкости и на другие цели. Величина
энергии, необходимой для перемещения жидкости, зависит от вида и характеристик
гидравлической сети. Зависимость потребной удельной энергии Hпотр.
от расхода Q жидкости в системе называется характеристикой гидравлической сети:
потр.= j(Q)
Таким образом, в каждом конкретном случае необходимо совмещать параметры
работы насоса и гидравлической сети, то есть решать систему уравнений:
= f(Q); Hпотр.= j(Q)
Решение этой системы уравнений представляет собой параметры рабочей точки
К насоса (Qk, Hk) в заданной гидравлической сети.
К основным задачам расчета трубопроводов с насосной подачей жидкости
относятся: определение параметров рабочей точки насоса, подбор двигателя для
насоса, регулирование подачи насоса в сеть, расчет всасывающей линии насоса.
Эти задачи и решаются в данной курсовой работе.
1. Постановка задачи
Насос 1 пеpекачивает жидкость из закpытого pезеpвуаpа 2 в гидроцилиндр,
имеющий диаметp D. Hа поршень гидроцилиндра действует внешняя нагрузка R.
Жидкость поступает в трубопровод через приёмную коробку 4 с обратным клапаном и
сеткой. На напорном трубопроводе имеется вентиль 5. Схема установки изобpажена
на pис.1.
Основные величины, необходимые для pасчета, пpиведены в таблице 1.
Таблица 1
|
№ вар.
|
жидкость
|
t
|
H1
|
H2
|
рм
|
R
|
d1
|
d2
|
D
|
l2
|
l1
|
|
|
°с
|
м
|
м
|
МПа
|
кН
|
мм
|
мм
|
м
|
м
|
м
|
|
нефть
|
30
|
1,7
|
15
|
0,01
|
3
|
140
|
180
|
0,6
|
200
|
30
|
Рис.1. Схема установки
Задание:
. Опpеделить pабочие паpаметpы (Qp-Hp) cистемы насосная
станция-трубопpовод
. Произвести кавитационный расчет всасывающей линии насосной установки
. Провести мероприятия, позволяющие уменьшить производительность насоса
на 20%
·
определить
коэффициент сопротивления крана xкр;
·
найти число
оборотов вала насоса n2.
Определить мощность электродвигателя, приводящего в действие центробежный
насос при двух способах регулирования.
Указания:
1. Используется насос Д-320 при n=2950 об/мин.
. Физические свойства жидкости определяются по справочной литературе.
. Трубопровод изготовлен из стальных труб, подверженных коррозии.
. В начальном положении кран открыт.
. Если во всасывающей линии насоса кавитация, то необходимо найти
минимальный диаметр всасывающей линии (dmin) из условия отсутствия
кавитации, увеличить его до ближайшего большего по ГОСТу и уточнить положение
рабочей точки.
Характеристика насоса
Рис.2. Характеристика центробежного насоса Д-320 при n=2950 об/мин, DQ - область номинальных подач при
работе насоса, где к.п.д. близок к максимальному.
2. Теоретические основы расчета
.1 Некоторые сведения о насосах
По принципу действия насосы подразделяют на гидродинамические и объемные.
Центробежные насосы. Из гидродинамических насосов на практике чаще всего
используется центробежный насос, схема которого представлена на рис. 3.
Рис. 3. Схема центробежного насоса
- подвод, 2 - рабочее колесо, a - задний (ведущий) диск рабочего колеса,
б - передний (ведомый) диск рабочего колеса, в - лопатки рабочего колеса, 3 -
спиральная камера (отвод), 4 - диффузор.
Проточная часть насоса состоит из трех основных элементов - подвода 1,
рабочего колеса 2 и спиральной камеры 3. По подводу жидкость подается в насос
из подводящего (всасывающего) трубопровода.
Рабочее колесо 2 состоит из заднего а и переднего б дисков, между
которыми находятся криволинейные лопатки в, изогнутые, как правило, в сторону,
противоположную направлению вращения колеса. Ведущим задним диском рабочее
колесо крепится на валу. Жидкость движется через колесо из центральной его
части к периферии и, далее, по отводу 3 отводится к напорному патрубку.
При вращении рабочего колеса появляется центробежная сила, которая
отбрасывает жидкость от центра к периферии, освобождая при этом объём на входе
в насос. Увеличение объёма приводит к понижению давления в жидкости (вспомним:
давление - напряжение сжатия, сжатие жидкости уменьшается - давление падает).
Создается разность давлений между уровнем жидкости в приемном резервуаре и
входом в насос и непрерывное движение жидкости через насос.
Назначение рабочего колеса 2 - передача жидкости энергии от приводного
двигателя.
Механическая энергия, подводимая к валу насоса от приводного двигателя,
преодолевает момент реактивных сил со стороны жидкости и приводит колесо во
вращение. Лопатки рабочего колеса насоса при своем вращении оказывают силовое воздействие
на жидкость, в результате чего растет давление в ней и происходит движение
жидкости с расходом Q. При этом, согласно закону сохранения энергии,
механическая энергия приводного двигателя превращается в гидравлическую энергию
потока жидкости.
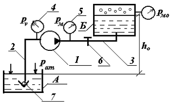
Рис. 4 Трубопровод с насосной подачей жидкости
- насос, 2 - всасывающий трубопровод, 3 - нагнетательный трубопровод, 4 -
вакуумметр, 5 - манометр, 6 - регулировочный вентиль (кран), 7 - обратный
клапан, А - приёмный резервуар, Б - напорный резервуар.
Насос является источником энергии, необходимой для перемещения жидкости в
гидравлической сети. На рис.4 изображена система, в которой жидкость поступает
в насос через обратный клапан 7 из открытого приёмного резервуара А, расположенного
ниже оси установки насоса. При этом давление на входе в насос меньше
атмосферного. Разность атмосферного давления и абсолютного давления (величину рv
) фиксирует вакуумметр 4. При движении через насос давление жидкости
увеличивается и на выходе из насоса становится больше атмосферного. Разность
абсолютного давления на выходе из насоса и атмосферного давления (величину рм)
фиксирует манометр 5.
При прохождении через насос гидравлическая энергия жидкости
увеличивается, и за счет этого жидкость поднимается на высоту ho,
преодолевая противодавление рмо в напорном резервуаре Б и
гидравлические сопротивления в системе.
Центробежные насосы не обладают свойством самовсасывания, поэтому перед
пуском насос и весь подводящий трубопровод заполняют жидкостью. Обратный клапан
7 при этом должен быть закрыт. При остановке насоса обратный клапан также
закрывается, и система остаётся заполненной жидкостью.
Основные параметры работы насоса. Напор насоса H равен разности удельных
энергий на выходе и на входе в насос (рис. 5).
Рис. 5. Иллюстрация к определению напора насоса
Согласно уравнению Бернулли, записанному для сечений 1-1 и 2-2, напор
насоса равен:
.(1)
В частном случае, когда z2= z1, J2= J1 (если d2=
d1), вместо (1) получаем:
(2)
Абсолютное давление на выходе из насоса р2 и на входе р1
выразим через показания приборов:
р2 = рат + рм ;
р1 = рат - рv .
Тогда напор насоса определится через показания приборов следующим
образом:
.(3)
Часто манометрическое давление по крайней мере на порядок (в 10 раз)
больше вакуумметрического давления (давление pv не может быть больше
одной атмосферы или 0,1 МПа). В тех случаях, когда pм >> pv,
напор насоса можно определять так:
, (4)
Гидравлическая мощность потока жидкости на выходе из насоса (полезная
мощность):
пол =r·g·H× Q×t/t==r·g·H× Q,(5)
где t - время, r·g·Q
×t =G- вес жидкости, прошедшей через
насос,×H - энергия, G×H/t - мощность.
Чтобы подобрать двигатель для привода насоса, необходимо знать мощность
на его валу:
Nв =Nпол./hн ,(6)
где hн - коэффициент полезного действия
насоса.
С другой стороны, коэффициент полезного действия насоса равен:
h=hо× hг× hмех.(7)
hо - объемный
к.п.д. насоса, учитывает утечки жидкости через неплотности и сальники, а также
перетоки из напорной магистрали во всасывающую через зазоры в уплотнениях.
hо =Q/Qт,
где Q - действительная подача насоса, а Qт - теоретическая
подача (без учета утечек).
hг -
гидравлический к.п.д. , учитывает потери напора на преодоление сил трения при
движении жидкости в проточной части насоса;
hмех -
механический к.п.д., учитывает потери напора на преодоление сил трения в
подшипниках и уплотнениях вала при его вращении.
Напорная характеристика насоса. Зависимость давления на выходе из насоса
от подачи при постоянной частоте вращения вала называется напорной
характеристикой насоса.
H = f(Q)
Подачу центробежного насоса можно определить как произведение радиальной
составляющей скорости движения жидкости в межлопаточном канале на площадь
сечения потока, перпендикулярную к ней:
Q = JR×p×D×b,
где p×D×b - боковая поверхность цилиндра, D-
наружный диаметр рабочего колеса, b - ширина колеса. Здесь не учитывается
уменьшение сечения за счет толщины лопаток и утечки.
При увеличении степени закрытия крана 6 на напорном трубопроводе (рис.4)
сопротивление движению жидкости возрастает. Это приводит к увеличению давления
на выходе из насоса и, следовательно, его напора. Поскольку выход из насоса и
вход в него постоянно соединены между собой через межлопаточные каналы (рис.3),
поток жидкости на входе "почувствует" увеличение давления на выходе и
отреагирует изменением угла входа потока в межлопаточный канал, при этом
радиальная составляющая скорости и, следовательно, подача насоса уменьшается.
Ввиду сложности гидродинамических процессов, происходящих при работе
центробежного насоса, получить аналитическую зависимость напора насоса от его
подачи не представляется возможным. На практике напорную характеристику насоса
получают непосредственно в заводских условиях и приводят её в паспортных данных
насоса в виде графика или таблицы. Там же приводится и зависимость к. п. д.
насоса от подачи.
Характеристика центробежного насоса Д-320 при n=2950 об/мин приведенена
на рис.2.
Пересчет напорной характеристики насоса. На практике нередко встречается
ситуация, когда имеется характеристика насоса при частоте вращения n1,
а двигатель насоса работает при частоте вращения n2, отличной от n1
. В этом случае необходимо пересчитать характеристику насоса на новую частоту
вращения по следующим формулам пересчета:
(8) (9)
Задавшись на напорной характеристике при частоте вращения n1
точкой с координатами (Q1, H1) и, подставив эти значения
в уравнения (8-9), получим координаты (Q2, H2) точки на
кривой напоров, соответствующей новой частоте вращения n2.
Определение числа оборотов вала насоса,
соответствующих новому значению подачи
Обратная задача возникает при регулировании подачи насоса в заданной
гидравлической сети (Рис.6).
Рис. 6. Иллюстрация к определению числа оборотов вала насоса:
1 - характеристика насоса Д-320 при n = 2950 об/мин; 2 - кривая подобных
режимов; 3 - кривая к.п.д. при n= 2950 об/мин., соответствующих новому значению
подачи.
Пусть линия 1 - характеристика насоса при числе оборотов n1=
2950 об/мин. Необходимо определить обороты n2, при которых
характеристика насоса пройдет через точку K0 (Q0=60×10-3 м3 /с, H0
=40м.) Найдем в координатах Q-H геометрическое место точек режимов, подобных
режиму, который определяется точкой K0. Для этого, подставив в
уравнения (8) и (9) координаты точки K0, определим зависимость между
напором и подачей при различных значениях отношения частот вращения n/n0:
(10)
Уравнение (10) представляет собой параболу. Эта парабола изображена на
Рис.5 (линия 2). Она называется кривой подобных режимов. Для всех точек,
лежащих на этой линии, отношение подач пропорционально отношению частот
вращения.
Определяем по графику подачу точки К - точки пересечения параболы 2 и
напорной характеристики насоса 1 при n1 =2950 об/мин :
k
=70×10-3 м3/с.
Составляем пропорцию:
n2/2950 = 60×10-3 /70×10-3,
откуда:
n2=2950×60/70 = 2529об/мин.
Отметим, что для подобных режимов коэффициенты полезного действия насоса
~ одинаковы, следовательно :
hk0 @ hk = 0,73.
Центробежные насосы могут обеспечивать высокие значения подачи при
сравнительно невысоких напорах.
Параллельное и последовательное соединение насосов
На насосных станциях часто имеет место совместная работа двух или
нескольких насосов на одну общую сеть, при этом насосы могут включаться как
параллельно, так и последовательно.
Рис. 7. Построение суммарной характеристики двух насосов
Параллельное соединение применяется для увеличения общей подачи насосной
установки, а последовательное - для увеличения общего напора. Для анализа
совместной работы насосов строят их суммарную характеристику.
При параллельном соединении (Рис.7”а”) проводят прямые, параллельные оси
расходов (прямые H=const) и складывают расходы при постоянном напоре. При
последовательном соединении (Рис.7”б”) проводят прямые, параллельные оси
напоров (Q=const) и складывают напоры при постоянном расходе.
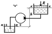
.2 Гидравлическая сеть
Один и тот же насос может работать с различными гидравлическими сетями,
как показано на рис.8.
На схеме “а” насос поднимает жидкость на высоту h; на схеме “б”
перемещает жидкость по горизонтальному трубопроводу; на схеме “в” поднимает
жидкость в цилиндр, на поршень которого действует сила R; на схеме “г”
перемещает жидкость в закрытый резервуар, расположенный ниже оси насоса с
избыточным давлением на свободной поверхности.
Очевидно, что в разных схемах для перемещения жидкости требуется
различная энергия (напор), в то же время зависимость напора насоса от подачи
определяется его напорной характеристикой. Как же “совместить” интересы насоса
и гидравлической сети? Для этого нужно определить рабочую точку насоса.
Рабочая точка насоса - это точка пересечения характеристики насоса с
характеристикой гидравлической сети.
Характеристика гидравлической сети - зависимость удельной энергии
(напора), необходимой для перемещения жидкости в данной системе, от расхода
жидкости в ней.
Уравнение гидравлической сети выражает закон сохранения энергии для
начального и конечного сечений гидравлической системы. Энергия, которую
необходимо передать жидкости, записывается при этом в левую часть уравнения в
виде потребного напора Hпотр.
Характеристику гидравлической сети часто называют кривой потребного
напора.
Рис.8. Иллюстрация включения насоса в различные гидравлические сети
Для любой насосной трубопроводной системы закон сохранения энергии имеет
вид:
н + Hпотр = eк + hн-к
,(11)
где eн - удельная (на единицу веса) энергия жидкости в
начальном сечении н-н , eк - удельная (на единицу веса) энергия
жидкости в конечном сечении к-к , Hпотр- потребный напор насоса, а hн-к
- потери удельной энергии на преодоление гидравлических сопротивлений.
Чтобы получить уравнение гидравлической сети, необходимо:
). Выбрать сечения для составления уравнения сети и горизонтальную
плоскость О - О отсчета величин z, которую удобно совместить с начальным
сечением;
).Записать закон сохранения энергии (11), раскрывая содержание энергий eн
и eк по уравнению Бернулли:
;(12)
). Из уравнения (12) определить потребный напор насоса
;(13)
). Раскрыть содержание слагаемых уравнения (13) для данной гидравлической
системы. Здесь:н, pн, Jн-
соответственно вертикальная отметка относительно плоскости 0-0, абсолютное
давление и средняя скорость в начальном сечении потока, а zк, pк,
Jк -то же в конечном сечении. Если сечение расположено
ниже плоскости 0-0, отметка z берется со знаком минус.
Потери энергии hн-к представляют собой сумму потерь энергии на
трение по длине и местных гидравлических сопротивлений:
(14)
где J- скорость
движения жидкости в трубопроводе, коэффициенты местных сопротивлений xi определяются по справочным данным, а коэффициент
гидравлического трения l по
следующим формулам:
|
l=64/Re
|
- ламинарный режим
|
(15)
|
- турбулентный режим
|
(16)
|
). Выразить скорости движения и число Re через расход жидкости:
Jн=Q/wн , Jк=Q/wк , J=Q/wтр, Re=4Q/pdn,(17)
где wн , wк, wтр - площади
соответствующих сечений потока, d- диаметр трубопровода, а n- кинематический коэффициент вязкости
жидкости.
Результат выполнения пунктов 4 и 5, например, для схемы рис.8”а” имеет
вид:
.(18)
). Анализируем уравнение (18). Поскольку площади начального и конечного
сечений много больше площади сечения трубопровода, первыми двумя слагаемыми в
скобках уравнения (18) можно пренебречь. Тогда:
.(19)
). Изображаем уравнение сети (19) на том же графике, что и напорная
характеристика насоса и находим точку их пересечения.
Для построения характеристики сети задаемся значениями расхода Q в
диапазоне подач насоса, начиная от нуля, подставляем эти значения в уравнение
(19) и определяем H. При решении задачи в общем виде (без численных значений),
характеристику сети проводим качественно, по виду функции (19).
В нашем случае при Q=0, H=h (допустим 40м, рис.9). Далее, при увеличении
расхода Q до Qкр имеет место ламинарный режим движения в трубе,
коэффициент трения l
обратно пропорционален расходу (определяется по формуле (15)). При этом в
уравнении (19) первое слагаемое справа (h)- постоянно, второе слагаемое (потери
по длине) пропорционально Q в первой степени, в третье слагаемое (местные
потери) пропорционально Q2. В итоге характеристика сети имеет вид
параболы.
Рис. 9. Определение рабочей точки насоса
На пересечении характеристик насоса и сети определяется точка, в которой
напор насоса равен потребному. Это и есть рабочая точка насоса в данной
гидравлической сети. Её координаты - Hн и Qн.
При подаче Qн на кривой к.п.д. определяется коэффициент
полезного действия насоса, и далее, мощность на валу насоса, по которой
подбирается приводной двигатель.
На рис.10 показаны характеристики гидравлических сетей, изображенных на
Рис.8. Уравнения сетей имеют вид:
|
Сеть
|
Уравнение
|
Величина сi
|
|
а
|
.h
|
|
|
б
|
.0
|
|
|
в
|

|
|
|
г
|

|
|
Рис. 10
Анализ показывает, что при ламинарном режиме движения жидкости в
трубопроводе и при отсутствии местных гидравлических сопротивлений (сеть”б”,
рис.8), характеристика сети представляет собой прямую линию (линия “б”,
Рис.10).
Точка пересечения характеристики сети с осью абсцисс (точка С, линия г)
определяет расход при движении жидкости самотеком, то есть за счет разности
геометрических высот h (сеть “г”, рис.8).
.3 Определение потерь энергии на преодоление гидравлических сопротивлений
При движении жидкости в потоке появляются силы трения, направленные
против движения, и на работу по их преодолению затрачивается часть энергии.
Если энергия потока меньше, чем работа сил трения, то поток не сможет
преодолеть работу этих сил и остановится. Без учета сил трения невозможно
рассчитать точные количественные характеристики потока.
Гидравлические потери энергии подразделяются на две группы.
. Потери энергии по длине потока. Они наблюдаются в трубах и каналах
постоянного сечения и увеличиваются пропорционально длине потока, так как при
этом увеличивается поверхность трения.
. Потери энергии в местных гидравлических сопротивлениях, возникающие при
деформации потока.
Как правило, деформация потока обусловлена установкой трубопроводной
арматуры (краны, вентили, задвижки и др.), а также внезапными сужениями,
расширениями и поворотами потока.
Местные потери напора hм определяются по формуле Вейсбаха:
hм = x×J2/2g,(20)
где x - безразмерный
коэффициент, зависит от вида и конструктивного выполнения местного
сопротивления, приводится в справочной литературе (Приложение 9);
J- скорость движения жидкости в трубопроводе, где установлено местное
сопротивление.
Потери энергии на единицу веса (потери напора) по длине потока
определяются по формуле Дарси-Вейсбаха:
,(21)
где l- длина потока, J- средняя скорость в сечении потока, dг - гидравлический
диаметр, для круглых труб он равен диаметру трубы.
В формуле (26) величина l называется коэффициентом гидравлического трения. Этот коэффициент
зависит от режима движения жидкости (числа Re) и состояния поверхности
трубопровода.
Существует два режима движения жидкостей - ламинарный и турбулентный.
Граница между ламинарным и турбулентным режимом движения определяется по
величине критического значения числа Reкр. Это число зависит от
формы сечения канала и от рода жидкости.
Reкр=2300 - для канала
круглого сечения
Если расчетное значение числа Re меньше критического (Re < Reкр)
-имеет место ламинарный режим движения, в противном случае - турбулентный.
При ламинарном режиме коэффициент гидравлического трения определяется
следующим образом:
l = 64 / Re - для канала круглого
сечения (22)
Здесь Re - критерий Рейнольдса.
Re = J×dг×r /h, (23)
где J - средняя
скорость движения в сечении потока, dг - гидравлический диаметр, r - плотность жидкости, h - динамический коэффициент вязкости
жидкости.
Величины r и h характеризуют физические свойства
жидкости. Они зависят от рода жидкости и температуры и приводятся в справочной
литературе. Часто в справочниках вместо динамического коэффициента вязкости h приводится кинематический
коэффициент вязкости n = h / r.
В этом случае число Re можно определять так:
Re = J×d /n. (24)
При турбулентном режиме (Re > Reкр) различают три зоны
сопротивления:
1. Зона гидравлически гладких труб (Re
кр<Re £ 10d/Dэ). Здесь коэффициент гидравлического
трения зависит только от числа Re и определяется по формуле Блазиуса:
l = 0,316 / Re0,25
. Зона шероховатых труб (10d/D <Re £ 500d/Dэ). Здесь
коэффициент гидравлического трения зависит от числа Re и от относительной
шероховатости и определяется по формуле Альтшуля:
l = 0,11(68/ Re +Dэ/d) 0,25(25)
. Зона абсолютно шероховатых труб или квадратичная зона
(Re >500d/Dэ). Здесь
коэффициент гидравлического трения зависит только от относительной
шероховатости и определяется по формуле Шифринсона:
l = 0,11(Dэ/d) 0,25.
С незначительной погрешностью формула Альтшуля (25) может использоваться
как универсальная для всей турбулентной области течения.
Во всех формулах для турбулентного режима Dэ - абсолютная эквивалентная шероховатость, то есть
такая высота равномерно-зернистой шероховатости, при которой в квадратичной
зоне сопротивления потери напора равны потерям напора для данной естественной
шероховатости трубы.
Значение Dэ зависит от
материала поверхности трубопровода и от способа его изготовления, приводится в
справочниках.
.4 Расчет всасывающей линии насосной установки
В большинстве практических случаев жидкость поступает в насос из
резервуара, расположенного ниже оси установки насоса.
Рис. 11. К расчету всасывающей линии
Запишем уравнение Бернулли для сечений 1-1 и 2-2 относительно плоскости
сравнения 0-0, преобразуем его в соответствии с данной задачей и определим
давление на входе в насос:
1 =0; p1 =pат ; J1 »0; J2 =Q/wтр ; z2
=hвс; wтр=pd2/4;
(26)
Анализ уравнения показывает, что абсолютное давление на входе в насос
меньше атмосферного, и при некоторых значениях параметров Q, hвс и d
его величина может стать равной нулю и даже принимает отрицательное значение.
Возможны ли такие ситуации в реальной жизни? Нет!
Минимально возможное давление в жидкости равно давлению насыщенного пара,
то есть тому давлению, при котором жидкость начинает кипеть. Давление
насыщенного пара зависит от рода жидкости и температуры (рис.12, приложение 3).
Рис. 12. Зависимость давления насыщенного пара воды от температуры
Явление кипения жидкости при давлениях меньших атмосферного и нормальных
температурах (10°,
20°, 30°), сопровождающееся схлопыванием пузырьков пара в
областях повышенного давления, называется кавитацией.
Пузырьки пара, выделяющиеся при кавитации, разрывают межмолекулярные
связи, поток жидкости при этом теряет сплошность, столб жидкости во всасывающем
трубопроводе отрывается от насоса и процесс всасывания прекращается. Кроме
того, пузырьки пара, попадая вместе с жидкостью внутрь насоса, где давление
больше давления насыщенного пара, лопаются. При схлопывании пузырька на твердой
поверхности жидкость, устремившаяся в освободившееся пространство,
останавливается. При этом ее кинетическая энергия превращается в потенциальную
и происходят местные гидравлические удары. Это явление сопровождается
существенным ростом давления и температуры и приводит к разрушению материала
поверхности.
В инженерной практике существует правило: Не допускать кавитации!
Для этого необходимо, чтобы в сечениях потока, где давление меньше
атмосферного, было выдержано условие:
Давление в жидкости больше давления насыщенного пара (р > pн.п).
Это условие отсутствия кавитации.
Кавитационные расчеты всасывающей линии насосной установки заключаются в
следующем:
1. Проверка условия р2 > pн.п. - давление на
входе в насос р2 определяется из уравнения (26) при известных
параметрах Q, d, hвс.
2. Определение предельных значений параметров Q, d, hвс из
уравнения (26) при р2 = pн.п..
гидравлический безкавитационный трубопровод насос
3. Расчетная часть
3.1 Определение рабочей точки центробежного насоса
Для решения задачи необходимо :
1. Составить уравнение гидравлической сети.
2. Построить графическое изображение этого уравнения в координатах Q- H.
3. Нанести на этот график характеристику насоса и определить координаты
точки пересечения напорной характеристики насоса и характеристики сети
(координаты рабочей точки).
Последовательность решения задачи.
1). Выбираем два сечения - н-н и к-к, перпендикулярные направлению
движения жидкости и ограничивающие поток жидкости (Рис. 1).
Сечение н-н проходит по свободной поверхности жидкости в резервуаре 2, а
сечение к-к - под поршнем в цилиндре 3.
2). Применяем в общем виде закон сохранения энергии для сечений н-н и к-к
с учетом того, что жидкости добавляется энергия в насосе, равная потребному в
данной сети напору Hпотр:
(26)
3). Раскрываем содержание слагаемых уравнения (26) для нашей задачи.
Для определения величин zн и zк выбираем горизонтальную
плоскость сравнения 0-0. Для удобства ее обычно проводят через центр тяжести
одного из сечений. В нашем случае плоскость 0-0 совпадает с сечением н-н.
zн и zк- вертикальные отметки центров тяжести
сечений. Если сечение расположено выше плоскости 0-0, отметка берется со знаком
плюс, если ниже - со знаком минус.
zн=0; zk=H1+H2.
рн, рк - абсолютные давления в центрах тяжести
сечений.
Давление на поверхности открытых резервуаров равно атмосферному, а в
закрытых резервуарах или в трубе - сумме атмосферного давления и показания
прибора (манометрическое давление берется со знаком плюс, вакуумметрическое -
со знаком минус). Вакуумметрическое давление - это отрицательное
манометрическое.
рн = рат+ рм ;
Если на жидкость в сечении действует сила, передаваемая через поршень, то
давление определяется из условия равновесия поршня и равно:
рк = R/S + рат ., где S=p×D2/4 - площадь сечения
поршня.
Jн , Jк - средние скорости движения жидкости
в сечениях.
Согласно закону сохранения количества вещества через любое сечение потока
проходит один и тот же расход жидкости:
Qн = Q1 = Q2 = Qк. (27)
Здесь Q1 и Q2 - расходы в сечениях всасывающего и
напорного трубопроводов. Учитывая, что Q = J×w, вместо (27) получим:
Jн×wн =J1×w1
= J2×w2=.......= Jк×wк,
(28)
где wн, w1,
w2, wк - площади
соответствующих сечений.
Поскольку площади сечений резервуаров значительно больше площадей сечений
труб, скорость Jн очень мала
по сравнению со скоростями в трубах J1
и J2 и величиной aнJн2/2g можно пренебречь. Скорость
Jк= Q/wк.
aн и aк - коэффициенты Кориолиса; a= 2 при ламинарном режиме движения, a =1 при турбулентном режиме.
Принимаем:
Jн » 0; Jк = Q/wк = Q/(p×D2/4).
Потери напора hн-к при движении жидкости от сечения н-н к
сечению к-к складываются из потерь во всасывающем и нагнетательном
трубопроводах, причем в каждом трубопроводе потери разделяются на потери по
длине и местные:
hн-к = h1 + h2= hдл.1 + hф
+ hпов.1 +hдл.2 + hкр. +2hпов.+
hвых. (29)
- потери
по длине на всасывающем трубопроводе
- потери
в приемной коробке (фильтре).
xф зависит от диаметра всасывающего трубопровода (при
d=140мм xф = 6,2,
приложение <ПРИЛОЖЕНИЯ.doc> 5).
-
потери на поворот во всасывающем трубопроводе,
xпов. - коэффициент сопротивления при резком повороте на
угол 90° (xпов =1,32 - приложение <ПРИЛОЖЕНИЯ.doc> 5).
- потери
по длине на нагнетательном трубопроводе.
, xкр. =0 -
задается по условию.
- потери
на поворот в нагнетательном трубопроводе, xпов. - коэффициент сопротивления при резком повороте на
угол 90°(xпов =1,32 - приложение <ПРИЛОЖЕНИЯ.doc> 5).
- потери
при выходе из трубы в резервуар, (xвых =1 - приложение <ПРИЛОЖЕНИЯ.doc> 5).
Для
определения коэффициентов местных сопротивлений переходим по гиперссылке в
справочный файл Приложение.doc (делаем щелчок мышью по слову приложение).
С
учетом вышеприведенных зависимостей, вместо (29) можно записать:
(30)
4). Подставляем в уравнение (26) определенные выше значения слагаемых:
; (31)
В этом уравнении атмосферное давление сокращается,
рм, R, hвс, hн, dвс, dн,
lвс, lн известны по условию;
åxвс = xвх+xпов.=6,2+1,32=7,54;
åxнагн. = xкр+2xпов+xвых..=0+2×1,32+1=3,64.
5). Выражаем в уравнении (31) скорости J1 и J2 через
расход жидкости:
J1 = Q / w1=4Q/p×d12; J2 = Q / w2=4Q/p×d22;
6). Упрощаем уравнение (31) и определяем потребный напор Hпотр.:
(32)
Зависимость (32) и представляет собой уравнение (характеристику)
гидравлической сети. Это уравнение показывает, что в данной сети напор насоса
расходуется на подъем жидкости на высоту (H1 +H2), на
преодоление противодавления R/S - рм и на преодоление гидравлических
сопротивлений.
7. Строим характеристику насоса Д-320 и наносим на нее графическое
изображение характеристики сети (32).
Для построения характеристики сети задаемся несколькими значениями
расхода жидкости из рабочего диапазона насоса Д-320 и вычисляем по уравнению
(32) значение потребного напора Hпотр. Перед вычислением определяем
при температуре t = 30°С
плотность и вязкость жидкости по справочным данным.
Плотность жидкости при другой температуре можно определить по формуле:
rt = r0 / (1+a×Dt),
где rt - плотность жидкости при температуре
t=t0 +Dt;
Dt - изменение температуры;
t0 - температура, при которой плотность жидкости равна r0;
a - коэффициент температурного расширения (в среднем для минеральных
масел и нефти можно принять a=0,0007 1/° C, для воды, бензина, керосина
a=0,0003 1/° C)
.
2. Вязкость при любой температуре определяется по формуле:
nt = n20×eb×(t-20); b = 1/(t2 - t1)× ln (nt2/nt1). - приложение <ПРИЛОЖЕНИЯ.doc> 3
Для
нашей задачи (нефть легкая):
0=20°, t=30°, Dt=30-20=10, r0=884, a=0,0007 1/° C, n20=0,25см2/c, t1=20°, 2=40°, nt1=0,25см2/c, nt2=0,15см2/c.
Все
вычисления будут производиться в Excel.
Анализ
формулы (32) показывает, что при задании расхода Q все величины в правой части
уравнения известны, кроме коэффициента трения l.
Последовательность
вычисления l:
Re < 2300
l=64 / Re
Re > 2300
l = 0,11×(68/Re + Dэ/d)0,25
Принимаем величину абсолютной шероховатости трубопровода
Dэ = 0,5 мм (трубы стальные, сварные, бывшие в
употреблении, приложение <ПРИЛОЖЕНИЯ.doc> 4).Вычисления и построение
графиков выполняем на ЭВМ с помощью электронных таблиц (Microsoft Excel).
Для
перехода в Excel выделите таблицу и график на следующей странице и сделайте
двойной щелчок мышью. Перед Вами появится лист документа Excel. Выполняйте
указания, которые там приведены. Не забудьте изменить сумму коэффициентов
местных сопротивлений на всасывающей и нагнетательной линии!
Исходные
данные приведены в таблице (раздел 1. Постановка задачи).
Согласно рис.13, рабочая точка насоса имеет следующие параметры:
Q = 76× 10-3м3/с,
H = 59м, h =0,68
8.
Определяем <..\..\WINDOWS\CALC.EXE> мощность приводного двигателя:
дв.=r×g×H×Q/h=878×9,8×59×76×10-3/0,68=56,7
кВт.
.2
Определение минимального диаметра всасывающего трубопровода
Определим
минимальный диаметр всасывающего трубопровода из условия отсутствия кавитации
Рис. 13. Определение рабочей точки насоса
Дано:
Подача
насоса Q=76×10-3м3/с ; длина трубопровода
l=30м; высота всасывания =1,7 м; коэффициент сопротивления фильтра xф= 6,2;
коэффициент сопротивления поворота xпов = 1,32; давление насыщенного пара
<ПРИЛОЖЕНИЯ.doc> нефти при температуре 30°С - рн.п.
= 10680 Па; абсолютная шероховатость поверхности трубопровода Dэ = 0,5
мм; атмосферное давление равно 105Па, манометрическое давление на
поверхности жидкости во всасывающем резервуаре равно 0,01 МПа.
Последовательность решения задачи
Рис. 14. К определению минимального диаметра трубопровода
Минимальный диаметр определяем из условия, что даавление в сечении 2-2
равно давлению насыщенного пара. Тогда уравнение Бернулли для сечений 1-1 и 2-2
имеет вид:
(33)
Преобразуем уравнение Бернулли следующим образом: в левой части
сгруппируем слагаемые, не зависящие от диаметра, а в правой части - зависящие
от диаметра.
(34)
Задача заключается в определении диаметра из уравнения (34). Поскольку
при разных значениях диаметра может быть различный режим движения в
трубопроводе (Re=J×d×/n), и коэффициент гидравлического трения l зависит от диаметра сложным образом:
l=64/Re при ламинарном режиме и l =0,11×(68/Re+ Dэ /d)0,25 при турбулентном режиме, уравнение
(34) в общем случае является трансцендентным. Трансцендентным называется
уравнение, которое не решается алгебраическими методами. Такие уравнения
решаются графическим способом или численными методами с помощью ЭВМ.
Графический метод решения уравнения (34).
Обозначим:
Задается несколькими значениями диаметра d, вычисляем значение функции f
(d) и строим график этой функции. Далее определяем диаметр в точке пересечения
графика функции с осью х.
На пересечении графика функции f(d) с осью диаметров получаем точку,
абсцисса которой равна 160 мм. Это и есть искомое минимальное значение диаметра
трубопровода из условия отсутствия кавитации: dmin = 160 мм.
Поскольку заданное значение диаметра равно 140мм, в насосе имеет место
кавитация.
Увеличиваем
диаметр всасывающего трубопровода до ближайшего большего по Госту. Принимаем
d=180мм (Приложение <ПРИЛОЖЕНИЯ.doc> 7).
.3
Определение положения рабочей точки насоса при условии отсутствия кавитации
Изменяем
диаметр всасывающей линии и находим положение новой рабочей точки.
Рис.
16. Координаты уточненной рабочей точки: Q=0,084м3/с, H=52м, h=0,61
Поскольку расход жидкости увеличился, необходимо уточнить минимальное
значение диаметра всасывающего трубопровода при новом расходе.
Рис. 17. Минимальное значение диаметра меньше диаметра всасывающего
трубопровода (180 мм). Кавитации нет
3.4 Регулирование подачи центробежного насоса в гидравлическую сеть
Изменить подачу насоса можно двумя способами: изменяя характеристику сети
при неизменной характеристике насоса или изменяя характеристику насоса при
неизменной характеристике сети.
На практике чаще всего уменьшают подачу насоса, закрывая кран на напорной
магистрали. При открытии крана подача насоса увеличивается (характеристика сети
становится более пологой).
3.4.1 Расчет коэффициента сопротивления регулировочного крана
Определим коэффициент сопротивления крана, при котором расход жидкости в
системе уменьшается на 20%.
Расход жидкости должен быть равен: 84×10-3×0,8 =67,2×10-3м3/с.
Решение задачи заключается в вычислении коэффициента сопротивления крана.
Затем из приложения 5 можно определить степень его открытия.
Последовательность решения задачи.
1). Определяем необходимый расход жидкости в системе и отмечаем на
характеристике насоса новую рабочую точку при расходе = 67,2×10-3 м3/с .
Рис. 18. Определение потерь напора в кране.
2. Определяем по графику величину дополнительных потерь напора в кране
при его закрытии: hкр= 23м при Q = 67,2×10-3.
3). Определяем коэффициент сопротивления крана при его закрытии из
формулы Вейсбаха:
Откуда:
xкр.=hкр.×w22×2g/Q2=23×2×9,8×(3,142×0,184/16)/(67,2×10-3)2=26
5) Используя приложение 5, определяем степень открытия n крана, при
которой в данной сети будет проходить расход Q2 . Для этого строим
график зависимости xкр =f(n). Из
Рис.19 следует, что при xкр =26
степень открытия n =0,23
Рис.19 Определение степени открытия крана
3.4.2 Регулирование подачи путем изменения частоты вращения вала насоса
Изменение частоты вращения вала насоса вызывает изменение его
характеристики и, следовательно, изменение рабочего режима. Для осуществления
регулирования изменением частоты вращения для привода насоса необходимо
использовать двигатели с переменным числом оборотов. Такими двигателями
являются двигатели внутреннего сгорания, паровые и газовые турбины и
электродвигатели постоянного тока. Наиболее распространенные в технике
электродвигатели с коротко замкнутым ротором практически не допускают изменения
частоты вращения.
Регулирование работы насоса изменением частоты вращения более экономично,
чем регулирование с помощью задвижки (крана). Даже применение сопротивления в
цепи ротора асинхронного двигателя, связанное с дополнительной потерей мощности,
экономичнее, чем регулирование с помощью крана.
Постановка задачи
Исходная рабочая точка насоса (рис.16) характеризуется следующими
параметрами:
Q = 84× 10-3м3/с,
H = 52м, h =0,61
Определить:
Обороты вала насоса, при которых его подача уменьшится на 20%.
Последовательность решения задачи
1) Определяем необходимую подачу насоса:
Q= Q2 =84×10-3× 0,8 =67,2×10-3 м3/с.
Поскольку характеристика сети не меняется, получаем на характеристике
сети новую рабочую точку насоса. Через эту точку должна пройти характеристика
насоса. Координаты новой рабочей точки: Q2 =67,2×10-3 м3/с, H2
=40м, h2=0,72 (напор и к.п.д. можно определить по рис. 16).
2). Строим кривую подобных режимов по уравнению:
H = H2 × Q2 /Q 22=40× Q2 / (67,2×10-3)2
3. Определяем по графику абсциссу точки пересечения параболы подобных
режимов и старой характеристики насоса : Q1 = 79×10-3 м3/с.
4. Определяем расчётное число оборотов вала насоса:
n2 = n1×Q2/Q1= 2950×67/79=2501 об/мин.
3.4.3 Сравнение способов регулирования
1. При регулировании степенью открытия крана (рабочая точка располагается
на исходной характеристике насоса):
Q =67×10-3
м3/с, H=65м, h=0,72
1. При регулировании оборотами (рабочая
точка располагается на исходной характеристике сети):
Q =67×10-3
м3/с, H=40м, h=0,72
.
Рис.19. Определение числа оборотов при уменьшении подачи
Определяем мощность приводного двигателя.
· При регулировании степенью открытия крана:
= 884×9,8×65×67×10-3/0,72 = 48кВт
· При регулировании оборотами:
= 884×9,8×40×72×10-3/0,72 = 32кВт
При регулировании оборотами снижение мощности составляет:
DN/N =(48 - 32)/ 48=0,26 = 33%.
ВЫВОДЫ
1. Определена рабочая точка насоса D-320
при его работе в заданную гидравлическую сеть. Её параметры: Q=76×10-3 м3/с,
H=59м, h = 0,68.
2. Определен минимальный диаметр
всасывающего трубопровода из условия бескавитационной работы. Он равен 160×10-3 м. Поскольку этот
диаметр больше заданного (140мм), диаметр всасывающего трубопровода увеличен до
180мм (ближайший больший по ГОСТу).
3. Определена рабочая точка насоса при
условии отсутствия кавитации. Её параметры: Q = 84×10-3 м3/с,
H=52м, h = 0,61.
4. Определена степень открытия крана,
равная 0,23, при которой расход в системе будет равен 0,8Q.
5. Определены обороты двигателя, равные
2501 об/мин., при которых расход в системе будет равен 0,8Q .
6. Сравнение показало, что при
регулировании оборотами выигрыш в мощности составляет 33 %.
БИБЛИОГРАФИЧЕСКИЙ СПИСОК
. Рабинович
Е.З., Евгеньев А.Е. Гидравлика.- M.: Недра, 1987.-234с.
. Раинкина
Л.Н. Гидромеханические расчеты трубопроводных систем с насосной подачей
жидкости.- Ухта: УИИ, 1997.- 79с.
ПРИЛОЖЕНИЕ 1
Зависимость плотности воды от температуры
|
t,°
C
|
0
|
10
|
20
|
30
|
40
|
50
|
60
|
70
|
80
|
90
|
100
|
|
r, кг/м3
|
1000
|
1000
|
998
|
996
|
992
|
988
|
963
|
978
|
972
|
965
|
956
|
ПРИЛОЖЕНИЕ 2
Зависимость динамического коэффициента вязкости воды от температуры
|
t,°
C
|
0
|
10
|
20
|
30
|
40
|
50
|
|
h, 10-3 Па×с
|
1,79
|
1,30
|
1,01
|
0,80
|
0,65
|
0,55
|
ПРИЛОЖЕНИЕ 3
Зависимость плотности r и кинематического коэффициента вязкости n некоторых жидкостей от температуры
|
r, кг/м3 при t° C
|
n, 10-4 м2/с при t° C
|
|
Жидкость
|
20
|
50
|
20
|
40
|
60
|
80
|
|
Вода
|
998
|
-
|
0,010
|
0,0065
|
0,0047
|
0,0036
|
|
Нефть легкая
|
884
|
-
|
0,25
|
0,15
|
-
|
-
|
|
Нефть тяжелая
|
924
|
-
|
1,4
|
1,2
|
-
|
-
|
|
Бензин
|
745
|
-
|
0,0073
|
0,0059
|
0,0049
|
-
|
|
Керосин Т-1
|
808
|
-
|
0,025
|
0,018
|
0,012
|
0,010
|
|
Дизтопливо
|
846
|
0,38
|
0,12
|
-
|
-
|
|
Глицерин
|
1245
|
-
|
9,7
|
8,3
|
0,88
|
0,25
|
|
Ртуть
|
13550
|
-
|
0,0016
|
0,0014
|
0,0010
|
-
|
|
Масла:
|
|
касторовое
|
960
|
-
|
1,5
|
3,5
|
0,88
|
0,25
|
|
трансформаторное
|
884
|
880
|
0,28
|
0,13
|
0,078
|
0,048
|
|
АМГ-10
|
-
|
850
|
0,17
|
0,11
|
0,085
|
0,65
|
|
веретенное АУ
|
-
|
892
|
0,48
|
0,19
|
0,098
|
0,059
|
|
индустриальное 12
|
-
|
883
|
0,48
|
0,19
|
0,098
|
0,059
|
|
индустриальное 20
|
-
|
891
|
0,85
|
0,33
|
0,14
|
0,08
|
|
индустриальное 30
|
-
|
901
|
1,8
|
0,56
|
0,21
|
0,11
|
|
индустриальное 50
|
-
|
910
|
5,3
|
1,1
|
0,38
|
0,16
|
|
турбинное
|
-
|
900
|
0,97
|
0,38
|
0,16
|
0,088
|
|
Указания: 1. Плотность жидкости при другой температуре
можно определить по формуле: rt = r0 / (1+a×Dt), где rt - плотность жидкости при
температуре t=t0 +Dt; Dt - изменение
температуры; t0 - температура, при которой плотность жидкости равна
r0; a - коэффициент температурного расширения (в среднем
для минеральных масел и нефти можно принять a=0,0007 1/°C, для воды. бензина. керосина a=0,0003 1/°C) . 2. Вязкость при любой
температуре определяется по формуле: nt = n20×eb×(t-20); b = 1/(t2
- t1)× ln (nt2/nt1).
|
ПРИЛОЖЕНИЕ 4
Значения эквивалентной шероховатости Dэ,
мм для различных труб
|
Вид трубы
|
Состояние трубы
|
Dэ, мм
|
|
Тянутая из стекла и цветных металлов
|
новая, технически гладкая
|
0,001¸0,01
|
|
Бесшовная стальная
|
новая
|
0,02¸0,05
|
|
Стальная сварная
|
новая
|
0,03¸0,1
|
|
Стальная сварная
|
с незначительной коррозией
|
0,1¸0,2
|
|
Стальная сварная
|
умеренно заржавленная
|
0,3¸0,7
|
|
Стальная сварная
|
сильно заржавленная
|
0,8¸1,5
|
|
Стальная сварная
|
с большими отложениями
|
2,0¸4,0
|
|
Стальная оцинкованная
|
новая
|
0,1¸0,2
|
|
Стальная оцинкованная
|
после неск. лет эксплуатации
|
0,4¸0,7
|
|
Чугунная
|
новая
|
0,2¸0,5
|
|
бывшая в употреблении
|
0,5¸1,5
|
ПРИЛОЖЕНИЕ 5
Значения усредненных коэффициентов местных сопротивлений x (квадратичная зона)
|
Сопротивление
|
Конструктивные параметры
|
x
|
|
Вход в трубу
|
с острыми кромками выступающий внутрь резервуара
|
0,5 1,0
|
|
Резкое расширение
|
d D
|
(1-d2/D2)2
|
|
Выход из трубы
|
|
1,0
|
|
Угольник с углом поворота
|
45°
90°
|
0,44 1,32
|
|
Колено плавное
|
90°
|
0,23
|
|
Шаровой клапан
|
|
45,0
|
|
Вентиль обычный
|
|
4,0
|
|
Приемная коробка трубы с клапаном и сеткой, при dтр
, мм
|
40 70 100 150 200 300
|
12 8,5 7,0 6,0 5,2 3,7
|
|
|
|
|
Задвижка при nзадв=a/d
1
,75
,5
,4
,3
,20,15
,2
,0
,6
,0
|
35,0
|
|
|
|
Кран пробковый
|
|
0,4
|
|
Фильтры для нефтепродуктов
|
светлый темный
|
1,7 2,2
|
|
Диафрагма с острыми кромками при n=wотв/wтр
|
0,4 0,5 0,6 0,7
|
7 4 2 0,97
|
ПРИЛОЖЕНИЕ 6
Зависимость давления насыщенных паров рн.п. (Па) некоторых
жидкостей от температуры
|
Жидкость
|
Температура, t,° C
|
|
0
|
10
|
20
|
30
|
40
|
50
|
60
|
70
|
80
|
|
Вода
|
633
|
1225
|
2332
|
4214
|
7350
|
12348
|
19694
|
32164
|
47334
|
|
Легкая нефть
|
3430
|
-
|
7640
|
-
|
13720
|
-
|
37240
|
-
|
85280
|
|
Бензин
|
5488
|
7936
|
10682
|
16562
|
22536
|
31946
|
-
|
-
|
-
|
|
Керосин Т1
|
-
|
-
|
3500
|
-
|
5800
|
-
|
7500
|
-
|
12000
|
ПРИЛОЖЕНИЕ 7
Сортамент труб
|
Трубы стальные, бесшовные, общего назначения
|
|
Наружный диаметр, dн, мм
|
Внутренний диаметр, dвн, мм
|
Толщина стенки d, мм
|
|
14
|
10
|
2,0
|
|
22
|
18
|
2,0
|
|
32
|
27
|
2,5
|
|
54
|
49
|
2,5
|
|
60
|
54
|
3,0
|
|
70
|
64
|
3,0
|
|
95
|
88
|
3,5
|
|
108
|
100
|
4,0
|
|
Трубы нефтепроводные и газопроводные
|
|
114
|
106
|
4,0
|
|
146
|
136
|
5,0
|
|
168
|
156
|
6,0
|
|
194
|
180
|
7,0
|
|
245
|
227
|
9,0
|
|
273
|
253
|
10,0
|
|
299
|
279
|
10,0
|
|
426
|
402
|
12,0
|