Расчет и проектирование загрузочного устройства
Курсовая работа
Расчет
и проектирование загрузочного устройства
Содержание
Раздел 1.
1.1 Описание устройства
1.2 Техническая характеристика
.3 Расчет усилий действующих на
гидроцилиндры
Раздел 2.
2.1 Разработка гидравлической схемы
.2 Описание работы гидросистемы
2.3 Расчет гидроцилиндра подъема лотка
2.3.1 Расчет гидроцилиндра
.3.2 Определение расхода жидкости в гидроцилиндре
.4 Расчет гидроцилиндра отсекателя
2.4.1 Расчет гидроцилиндра
.4.2 Определение расхода жидкости в гидроцилиндре
2.5 Определение проходных сечений трубопроводов
2.6 Проверка трубопровода на гидроудар
2.7 Выбор гидроаппаратуры управления системой
2.8 Определение гидравлических потерь в системе
.8.1 Гидролиния всасывания
2.8.2 Гидролиния нагнетания
2.8.3 Гидролиния слива
.9 Выбор типа насоса
.10 Расчет емкости гидробака
.11 Расчет проушины гидроцилиндра подъема лотка
.12 Расчет цапфы
.13 Определение толщины днища цилиндра
Раздел 3.
3.1 Разработка электрогидросхемы
.2 Описание работы электрогидросхемы
Раздел 4.
4.1 Рабочие жидкости для гидравлической системы
Библиографический список
Раздел
1.
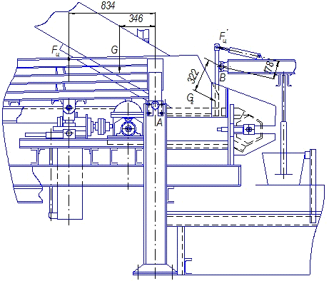
.1 Описание устройства
Устройство предназначено для дозированной загрузки подвесок
подвесного толкающего конвейера мелкими и средними поковками или отливками.
Лоток, загруженный поковками (отливками), гидроцилиндром
наклоняется на определенный угол до момента начала сползания деталей на
движущийся траковый питатель, который, подавая попавшие на него детали,
дозирует загрузку ими подвески толкающего конвейера. Лоток, гидроцилиндр и траковый
питатель монтируются на металлоконструкции.
Конструкция загрузочного устройства рассчитана на
эксплуатацию в кузнечных и литейных цехах.
1.2 Техническая
характеристика
Производительность установки, кг/мин270-400
Ширина тракового питателя, мм500
Скорость движения тракового полотна, м/мин3,44
Вес загрузочного устройства, кг2800
1.3 Расчет усилий,
действующих на гидроцилиндры
Рис. 1.1 Расчетная схема нагрузок на гидроцилиндры
где G - вес лотка и груза;
Fц - усилие гидроцилиндра подъема лотка;
Gг - вес груза, действующий на отсекатель;
Fц’ - усилие гидроцилиндра привода отсекателя;
G = 7900 Н;
Gг = 600 Н;
Составим уравнение моментов относительно точки В:
Fц’ ∙ 0,178 - Gг ∙ 0,322=0,
Тогда усилие гидроцилиндра привода отсекателя:
Fц’ =
;
Fц’ =
=1078 Н.
Составим уравнение моментов относительно точки А:
Fц ∙ 0,834 -G ∙ 0,346=0,
Тогда усилие гидроцилиндра подъема лотка:
Fц =
;
Fц =
=3277 Н.
Раздел
2.
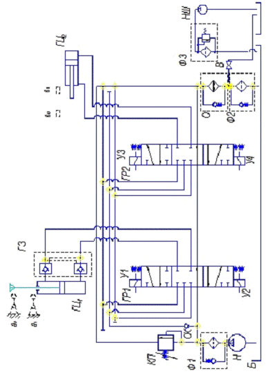
2.1 Разработка
гидравлической схемы
Рис. 2.1 Гидравлическая схема
2.2 Описание работы
гидросистемы
Рабочая жидкость из бака Б засасывается насосом Н, очищается
в фильтре Ф1 и подается к гидрораспределителям подъема лотка ГЦ1 и отсекателя
ГЦ2. При нейтральном положении секций распределителей рабочая жидкость проходит
через них не совершая полезной работы, охлаждается в охладителе О, очищается в
фильтре Ф2 и сливается в бак.
При включении одного из потребителей жидкость через обратный
клапан ОК проходит через включенный распределитель - совершает полезную работу
В гидравлической системе предусмотрен предохранительный
клапан КП, который при превышении расчетного рабочего давления открывается и
пропускает жидкость в обход потребителей.
2.3 Расчет гидроцилиндра
подъема лотка
2.3.1 Расчет
гидроцилиндра
Внутренний диаметр D1 гильзы гидроцилиндра вычисляется по найденному
значению расчетной нагрузки на гидроцилиндр F и давлению без учета
потерь:
D1 =
,
где F =3277 H - расчетная нагрузка на гидроцилиндр;
= 0.4 МПа - давление в системе;
D1=
= 102.2 мм;
Найденное значение D1 округляется
до ближайшего нормального:
D1 =105 мм;
Диаметр штока D2 выбирается из соотношения:
D2 / D1 =0,4….0,5;
D2= (0,4…..0,5) ∙ D1 = (0,4….0,5) ∙105=42…..52.5
мм;
Найденное значение D2 округляется до ближайшего нормального:
D2 =50 мм;
гидроцилиндр гидравлический устройство трубопровод
В качестве уплотнений поршня и штока рекомендуется
использовать эластомерные материалы, резинотканевые шевронные манжеты.
Количество манжет назначается в зависимости от уплотняемого
диаметра и давления.
При давлении 0.4 МПа количество манжет n принимается равным:
для 55<D≤280 мм;
n1=4 шт.
На шток: D2 =50мм.; для 55 ≤ D2;
n2 =3 шт.;
Среднею высоту h одной манжеты можно принять равной 6 мм, в уплотнении с
четырьмя манжетами:
h1=6 мм
И h= 4 мм - в уплотнениях с тремя манжетами:
h2=4 мм.
Сила трения Т для резинотканевых уплотнителей из шевронных
манжет определяется по формуле:
Т =Т∙D∙h∙n∙
,
где D - уплотняемый диаметр, мм;
h - высота манжеты, мм.;
n - число манжет;
- напряжение силы трения (удельное трение);
≈0,2МПа;
Сила трения Т1 в уплотнении поршня:
Т1 =
∙ D1 ∙ h1∙ n1∙
= 3,14∙105 ∙ 6 ∙ 4 ∙ 0,2 = 1583H;
Сила трения Т2 в уплотнений штока:
Т2 =
∙ D2 ∙ h2 ∙ n2 ∙
= 3,14 ∙ 50 ∙ 4 ∙ 3 ∙ 0,2 = 377H;
Давление жидкости в полостях гидроцилиндра (р1 - в поршневой
и р2 - в штоковой ) с учетом сил трения в уплотнительных узлах поршня и штока
при установившемся движении определяется согласно уравнению:
р1 ∙ S1 - р2 (S1 - S2) - F -T1 - T2 =0;
где р1- давление в поршневой полости гидроцилиндра;
р2 = 0,2 МПа, - давление в штоковой полости гидроцилиндра
(р2= потеря давления в линии слива и ≈ 0,2 МПа;
S1 и S2 - рабочие площади соответственно поршня и штока;
Определим S1:
S1 =
=
= 8655 мм2;
Определим S2:
S2 =
=
= 1963 мм2;
Тогда давление в полости гидроцилиндра р1 определяется по
формуле:
р1 =
;
р1 =
=0.76 МПа;
Толщина
стенки гильзы определяется по величине
давления р1 и допускаемому напряжению[
р]:
=
+ а1, мм;
где а1 - допуск на обработку;
а1 =0,8мм.;
- допускаемое напряжение растяжения;
Для стального литья
≈ (80-100) МПа;
=90 МПа;
=
+ 0,8 =0.44мм;
=1мм.;
Выбор способа крепления гидроцилиндра и определение минимального
диаметра штока из условий прочности при расчете на устойчивость.
Рис. 2.2 К расчету гидроцилиндра.
Зная расчетное усилие F = 3277H, определяем критическое
усилие Fкр.по
формуле:
F= F кр /m;
где m = 2-3- коэффициент запаса прочности;
m=2;
F кр= F ∙ m= 3277 ∙ 2=6594H;
Зная критическую силу можно определить момент инерции i :
F кр =
;
где iш - момент инерции штока,мм4;
Е= 2,1•105 МПа - модуль упругости;
ℓпр. - длина продольного изгиба, определяемая при полностью
выдвинутом штоке гидроцилиндра с учетом размеров креплений гидроцилиндра и его
штока.
Определим ℓпр :
ℓпр=0,5( ℓ1+2∙ℓхода+ℓ2);
где
ℓ1 = 200мм - конструкционные размеры;
ℓхода =300 мм - длина рабочего хода;
ℓ2 =200мм - конструкционные размеры;
ℓпр=0.5(200 + 2 ∙ 300 + 200)=500мм;
Из формулы выразим i штока:
iш =
=
= 3359 мм4;
Для определения i штока
используют и такую формулу:
i штока=
тогда
D2min =
/
=
=16.6мм;
То есть минимальный диаметр штока D2min = 16.6мм;
Так как принятый ранее D2 = 50мм
> D2min , то D2 =50мм, удовлетворяет условию прочности.
2.3.2 Определение расхода
жидкости в гидроцилиндре
Расчетный расход жидкости, подаваемой в поршневую полость
гидроцилиндра с учетом утечек жидкости в гидроцилиндре:
Q = (V∙S1)/
;
.- объемный КПД гидроцилиндра, значение которого при использовании
манжетных уплотнений
=0,99;
V - скорость движения штока гидроцилиндра
Принимаем V=0.25 м/с.
Q = (0,25 ∙ 0.008655)/0,99=0,0021856м3/с=0,1311 м3/мин.;
Расчетный расход гидролинии слива (подача жидкости в штоковую
полость гидроцилиндра) с учетом утечек жидкости в гидроцилиндре:
Qсл=[V(S1 - S2)]/
;
Qсл=[0,25(0,008655 - 0,001963)]/ 0,99= 0.0017 м3/с= 0,102 м3/мин;
2.4 Расчет гидроцилиндра
отсекателя
2.4.1 Расчет
гидроцилиндра
Внутренний диаметр D1 гильзы гидроцилиндра вычисляется по найденному
значению расчетной нагрузки на гидроцилиндр F и давлению без учета
потерь:
D1 =
,
где F =1078 H - расчетная нагрузка на гидроцилиндр;
= 0.4 МПа - давление в системе;
D1=
= 58.6 мм;
Найденное значение D1 округляется
до ближайшего нормального:
D1 =65 мм;
Диаметр штока D2 выбирается из соотношения:
D2 / D1 =0,4….0,5;
D2= (0,4…..0,5) ∙ D1
D2 = 0,45 ∙ 65 =29,6 мм;
Найденное значение D2 округляется до ближайшего нормального:
D2 =32 мм;
В качестве уплотнений поршня и штока рекомендуется
использовать эластомерные материалы, резинотканевые шевронные манжеты.
Количество манжет назначается в зависимости от уплотняемого
диаметра и давления.
При давлении 0.4 МПа количество манжет n принимается равным:
На поршень: D1=65 мм.;
для 55<D≤280 мм;
n1=4 шт.
На шток: D2 =32 мм; для 55 ≤ D2;
n2 =3 шт.;
Среднею высоту h одной манжеты можно принять равной 6 мм, в уплотнении с
четырьмя манжетами:
h1=6 мм
И h= 4 мм - в уплотнениях с тремя манжетами:
h2=4 мм.
Сила трения Т для резинотканевых уплотнителей из шевронных
манжет определяется по формуле:
Т =Т ∙ D ∙ h ∙n ∙
,
где D - уплотняемый диаметр, мм;
h - высота манжеты, мм.;
n - число манжет;
- напряжение силы трения (удельное трение);
≈0,2МПа;
Сила трения Т1 в уплотнении поршня:
Т1 =
∙ D1∙h1∙n1∙
= 3,14 ∙ 65 ∙ 6 ∙ 4 ∙ 0,2 = 980 H;
Сила трения Т2 в уплотнений штока:
Т2 =
∙ D2∙h2∙ n2∙
= 3,14 ∙ 32 ∙ 4 ∙ 3 ∙ 0,2 = 241 H;
Давление жидкости в полостях гидроцилиндра (р1 - в поршневой
и р2 - в штоковой ) с учетом сил трения в уплотнительных узлах поршня и штока
при установившемся движении определяется согласно уравнению:
р1∙S1- р2 (S1-S2)-F-T1-T2 =0;
где р1- давление в поршневой полости гидроцилиндра;
р2 = 0,2 МПа, - давление в штоковой полости гидроцилиндра (р2=
потеря давления в линии слива и ≈ 0,2 МПа;
S1 и S2 - рабочие площади соответственно поршня и штока;
Определим S1:
S1 =
=
= 3318 мм2;
Определим S2:
S2 =
=
= 804 мм2;
Тогда давление в полости гидроцилиндра р1 определяется по
формуле:
р1 =
;
р1 =
=0,83 МПа;
Толщина
стенки гильзы определяется по величине
давления р1 и допускаемому напряжению[
р]:
=
+ а1, мм;
где а1 - допуск на обработку;
а1 =0,8мм.;
- допускаемое напряжение растяжения;
Для стального литья
≈ (80 -100) МПа;
=90 МПа;
=
+ 0,8 =0,29мм;
=1 мм.;
Выбор способа крепления гидроцилиндра и определение минимального
диаметра штока из условий прочности при расчете на устойчивость.
Рис. 2.3 К расчету гидроцилиндра.
Зная расчетное усилие F = 1078 H, определяем критическое усилие Fкр.по формуле:
F= F кр /m;
где m = 2-3- коэффициент запаса прочности;
F кр= F ∙ m= 1078 ∙
2=2156 H;
Зная критическую силу можно определить момент инерции i :
F кр =
;
где iш - момент инерции штока,мм4;
Е= 2,1•105 МПа - модуль упругости;
ℓпр. - длина продольного изгиба, определяемая при полностью
выдвинутом штоке гидроцилиндра с учетом размеров креплений гидроцилиндра и его
штока.
Определим ℓпр :
ℓпр= ℓ1+2 ∙ ℓхода+ℓ2;
где
ℓ1 = 200мм - конструкционные размеры;
ℓхода =400 мм - длина рабочего хода;
ℓ2 =200мм - конструкционные размеры;
ℓпр=200 + 2 ∙ 400 + 200=1200 мм;
Из формулы выразим i штока:
iш =
=
= 1497 мм4;
Для определения i штока
используют и такую формулу:
i штока=
тогда
D2min =
=
=13,2 мм;
То есть минимальный диаметр штока D2min = 13,2 мм;
Так как принятый ранее D2 = 32
мм > D2min , то D2 = 32 мм, удовлетворяет условию прочности.
2.4.2 Определение расхода
жидкости в гидроцилиндре
Расчетный расход жидкости, подаваемой в поршневую полость
гидроцилиндра с учетом утечек жидкости в гидроцилиндре:
Q = (V ∙ S1)/
;
где
S1 =3318 мм2=0,003318 м2;
.- объемный КПД гидроцилиндра, значение которого при использовании
манжетных уплотнений
=0,99;
V - скорость движения штока гидроцилиндра
Принимаем V=0,25 м/с.
Q = (0,25 ∙ 0,003318)/0,99=0,00084 м3/с=0,051 м3/мин.;
Расчетный расход гидролинии слива (подача жидкости в штоковую
полость гидроцилиндра) с учетом утечек жидкости в гидроцилиндре:
Qсл=[V
∙ (S1 - S2)]/
;
=804 мм2;сл=[0,25(0,003318 - 0,000804)]/ 0,99=
0.00063 м3/с= 0,038 м3/мин;
2.5 Определение проходных
сечений трубопроводов
Площадь проходных сечений трубопроводов определяется по
величине расчетного расхода и допустимой скорости движения рабочей жидкости в
трубопроводе.
На линии нагнетания диаметр трубопровода dH определяется по расходу Q (для гидроцилиндра
подъема лотка) и допустимой скорости движения рабочей жидкости VH.
Определим площадь сечения трубопровода с учетом объемного КПД
гидроцилиндра:
SH = Q ∙
/ VH;
где VH = 3м/с - допустимая скорость движения
рабочей жидкости в линии нагнетания;
Q = 0,1311 м3/мин = 0,0021856 м3/с;
SH =
= 0,00072м2;
Тогда диаметр линии нагнетания dH:
dH =
dH =
= 0,030м;
Вычисленное значения диаметра округляют до нормального значения,
выбираемого из ряда.
Условный проход 32 мм, толщина стенки 2 мм.
На линии слива диаметр трубопровода dc определяется по расходу
Qсл =0,102 м3/мин = 0,0017м3/с и допустимой скорости движения
рабочей жидкости в линии слива Vс.
Определим площадь сечения трубопровода с учетом объемного КПД
гидроцилиндра.
Sс = Qсл ∙
/ Vс;
где Vс = 2,5 м/с;
Sc =
= 0,00067 м2;
Диаметр линии слива dc :
dc =
=
=0,029м.;
Округляем до нормального значения и определяем толщину стенки:
Принимаем dc = 32 мм,
толщина стенки равна 2 мм.
На линии всасывания диаметр dв принимают равным dc:
dв = dc =32мм.
2.6 Проверка трубопровода
на гидроудар
Труба гидролинии нагнетания проверяется на повышенное
давление при гидравлическом ударе, возникающий в момент переключения золотника.
Расчет ударного давления по формуле Жуковского Н.Е.:
ΔРгу = V ∙
С∙
, Па;
где V = 3м/с - скорость движения жидкости в
трубопроводе (до момента перекрытия сечения).
С - скорость распространения ударной волны, м/с. (для масла С=
1320м/с).
- плотность рабочей жидкости, кг/м3;
В качестве рабочей жидкости используется масло АМГ-10,
плотность которого составляет
= 850 кг/м3; кинематическая вязкость
=10мм2/с;
ΔРгу =3 ∙ 1320 ∙ 850 = 3366000
Па=3,36 МПа;
=
≤ [
] = 90 МПа;
Определим Руд:
Руд = Р1 + ΔРгу ;
где Р1=0.83 - наибольшее давление в поршневой полости
гидроцилиндра;
Руд = 0.83+3.36= 4,19 МПа;
Тогда:
=
= 33 МПа ≤ [
]= 90 МПа.
2.7 Выбор гидроаппаратуры
управления системой
Выбор типоразмера аппарата осуществляется по расчетным
параметрам потока рабочей жидкости (расходу, давлению), пропускаемого через
гидроаппаратуру.
Тип: Ф-10-30-60/6.3;
Пропускная способность 140 л/мин.; потери давления: 0,2 МПа;
. Клапан обратный Г51-3:
Dу =32мм; пропускаемая способность 250л/мин. Потери давления
0,09МПа;
. Гидрораспределитель тип:3-х позиционный 5-ти
линейный с электромагнитным управлением Тип ВЕ20. Расход 150л/мин
Условный проход: 32мм.
потери давления: 0,4 МПа;
. Гидрозамок
Dу =32мм; пропускаемая способность 250л/мин. Потери давления
0,09МПа;
.Охладитель жидкости:
Тип: 3-х ходовый; марка КМ3-СК-5;
Охлаждающая площадь: 72м2;
Пропускная способность: 120л/мин.; потери давления: 0,4 МПа;
.Выбираю сливной фильтр ФС 100-25/6.3;
Расход 120 л/мин.; потери давления: 0,1 МПа; Dу =32мм.
. Гидроцилиндры
2.8 Определение
гидравлических потерь в системе
В течение каждого цикла расходы рабочей жидкости на различных
участках гидросистемы изменяются, следовательно, будут изменяться и
гидравлические потери (потери давления).
За расчетную часть цикла при расчете гидравлических потерь
принимается операция рабочего хода исполнительного привода, в течение которой
жидкость проходит через регулирующий аппарат, (считаем для подъема, так как
гидроцилиндр преодолевает наибольшие усилия).
2.8.1 Гидролиния
всасывания
Гидравлические потери (в единицах давления) ΔРвс в гидролинии всасывания:
ΔРвс = ΔР
+ ΔР
+ ΔР
, Па;
где ΔР
- потери давления по длине гидролинии
всасывания, МПа;
ΔР
- потери давления в местных сопротивлениях на линии всасывания,
МПа;
ΔР
- потери давления в гидроаппаратах;
Определим ΔР
по формуле Вейсбаха-Дарси:
ΔР
=
∙
, Па;
где
- гидравлический коэффициент трения;
300мм - длина линии (всасывания);
d =dв =32мм - диаметр трубопровода
(всасывания);
V=3м/с - скорость потока в трубопроводе (всасывания);
= 850 кгс/см3;
Определим
:
Число Рейнольда Re по которому
можно судить о режиме течения жидкости:
Re = V ∙ dt /
;
где V= 3 м/с - средняя скорость потока;
dt- гидравлический диаметр (при круглом сечении он соответствует
внутреннему диаметру трубы, м: dt = 0,032м);
- кинематическая вязкость, м2/с;
= 10 мм2/с = 0,000010 м2/с;
Re =
= 9600> 2300 → турбулентное
движение;
Для турбулентного течения коэффициент гидравлического трения
:
=
;
=
= 0.031;
ΔР
=0,031 ∙
∙
= 1112Па;
ΔР
=
∙ b
∙
;
где
- коэффициент местного сопротивления
=2;
b - поправочный коэффициент, который учитывает зависимость потерь
от числа Re
При Re >2300; b =1;
ΔР
= 2 ∙ 1 ∙
∙850 = 7650Па;
ΔР
= 0, так как между баком и насосом гидравлическая аппаратура
(согласно схеме) отсутствует.
ΔРвс= ΔР
+ΔР
+ ΔР
= 1112+7650 = 8762Па=0,009МПа;
2.8.2 Гидролиния
нагнетания
Гидравлические потери ∆РH в гидролинии нагнетания:
ΔРH = ΔР
+ΔР
+
ΔР
;
где ΔР
,
ΔР
,
ΔР
; - потери давления по длине, местные
сопротивления и гидравлическую аппаратуру соответственно, Па.
Определим ΔР
:
Re =
= 9690>2300
движение турбулентное;
= 0,031.
ΔР
= 0,031 ∙
∙
= 3705 Па;
Определим ΔР
:
Потери в местных сопротивлениях определяются как 25-30% от потерь
давлений по длине гидролинии.
ΔР
= 0,3 ∙ ΔР
=0,3 ∙ 3705 = 1125 Па
Определим ΔР
:
ΔР
= ΔР
+ ΔР
+ ΔР
, МПа;
Определим ΔР
- потери давления в обратном клапане и
потери в гидрозамке
ΔР
= ΔРо
2;
где ΔРо -
потери давления в гидроаппарате при пропускании номинального расхода Qо (паспортные данные);
Q- расчетный расход жидкости, пропускаемый через аппарат.
ΔРо = ΔР
= 0,09МПа;
Qо = 250л/мин;
Q= 0,1311 м3/мин = 131.1 л/мин
ΔР
=0,09
=0,024 МПа;
Т.к. гидрозамок имеет такую же техническую характеристику, то
учтем:
Определим ΔР
:
ΔР
= 0,2
= 0,20 МПа=200000 Па;
ΔР
= 0,4
=0,3 МПа=300000 Па;
∆РH = ΔР
+
ΔР
+
ΔР
=3705 +1125+(48000+200000+300000)=552830
Па=0,56 МПа;
2.8.3 Гидролиния слива
ΔР
= ΔР
+ΔР
+ ΔР
,
где ΔР
,
ΔР
и ΔР
-потери давления по длине, на местные сопротивления и
гидравлическую аппаратуру соответственно, Па.
Определим ΔР
:
Re =
= 8320>2300
движение турбулентное;
=
=
= 0,033;
ΔР
=0,033
∙
= 3287Па;
Определим ΔР
:
ΔР
=0,3 ∙ ΔР
=0,3 ∙ 3287= 986 Па;
Определим ΔР
:
ΔР
= ΔР
+ ΔР
+ ΔР
+
ΔР
;
где ΔР
- потери давления на охладителе жидкости,
Па;
ΔР
- потери давления на магистральном фильтре, Па;
Определим ΔР
:
ΔР
= 0,4
= 0,28МПа= 280000 Па;
Определим ΔР
:
ΔР
= 0,1
= 0,07МПа=70000Па;
Определим ΔР
:
ΔР
= 0.4
=0,18 МПа=180000 Па;
Определим ΔР
:
ΔР
=0,09
=0,015 МПа=15000 Па
ΔР
= 0,28+0.07+0.18 + 0,41+0.015 = 0,885 МПа=885000 Па;
ΔР
= ΔР
+ΔР
+ ΔР
= 3287+986+885000= 889273 Па=0,89 МПа;
2.9 Выбор типа насоса
Для выбора насоса определяются расчетные значения его рабочих
параметров: производительность (подача) QH , давление РH и мощность NH.
Определим производительность насоса. Производительность
насоса должна превышать расчетный расход в системе на величину утечек ΔQ:
QH = Q
+
ΔQ;
Определим ΔQ:
ΔQ = Ку∙ Р; (величина ΔQ зависит от степени герметичности элементов системы
вязкости и давления рабочей жидкости).
где Ку = 0,005
- среднее значение расчетного коэффициента утечек;
Р = 0,76 МПа - расчетное давление;
ΔQ = 0,005 ∙ 0,76= 0,0038
= 0,0000038 л/с =0,000228 л/мин.;
QH = 131,1+0,000228 = 131,100228 л/мин.;
Определим рабочее давление насоса РH:
РH = Рман.+ Рвак, МПа;
где Рман. - манометрическое давление в линии нагнетания и
слива;
Рвак - вакуум в линии всасывания.
Определим Рман.:
Рман. = Р1+ ΔРH + ΔРсл,
Рман. = 0.76+0,56 +0.89 = 2.21 МПа;
Определим Рвак.:
Вакуум во всасывающей линии насоса определяется по формуле:
Рвак.=
∙ g∙Zвс+ ΔРвс,
где Zвс - геометрическая высота всасывания.
Zвс = 300мм= 0,3м;
ΔРвс= 8762 Па;
Рвак.=850 ∙ 9,81 ∙ 0,3+8762 = 11173,55 Па = 0,011 МПа;
РH= Рман+Рвак= 2,21+0,011 = 2,221 МПа =
2221000 Па;
Эффективная мощность насоса:
NH=РH ∙ QH, Вт;
РH = 2221000 Па; QH = 131.100228 л/мин = 0,002185м3/с.
NH = 2221000 ∙ 0,002185= 4852 Вт.
На основании QH = 131,100228 л/мин, РH= 2,221 МПа и NH = 4,852кВт, выберем:
Насос пластинчатый типа Г12-35АМ, с подачей 140 л/мин,
мощностью 5 кВт , давлением на выходе 2,5 МПа
Объемный КПД насоса 0,93, Механический КПД насоса 0,85.
Определим мощность приводного двигателя к насосу:
Ng =
;
где
- полный КПД насоса.
Определим
:
=
∙
;
где
= 0,96 - объемный КПД выбранного насоса;
= 0,85 - механический КПД выбранного насоса;
Ng =
= 5,95 кВт;
Принимаем Ng = 6 кВт.
2.10 Расчет емкости
гидробака
Объем гидробака определяется по его 3÷5 минутной производительности.
С учетом запаса по высоте объем бака определяется по формуле:
W= 1,2(3÷5)QH;
W= 1,2 ∙ 3 ∙ 131,100228 = 472 л;
Проушина рассчитывается по формуле Ляме:
;
- внутренний радиус лобовины;
- наружный радиус лобовины;
=170 МПа -допускаемое напряжение смятия
Р- давление на внутреннюю поверхность лобовины, МПа;
Рис. 2.5 Проушина.
Определим Р:
где F -усилие, действующее на одну проушину;
d =64мм -диаметр отверстия под палец;
В = 20мм -ширина проушины;
Тогда
2.12 Расчет цапфы
Расчет цапф производится по зависимости:
где L -рабочая длина цапфы, мм;
L= 10мм;
Рис. 2.6 Цапфа.
2.13 Определение толщины
днища цилиндра
Толщину
дна цилиндра, можно определить по
зависимости для расчета круглых пластин, нагруженных равномерно распределенным
давлением:
где dd - внутренний диаметр днища цилиндра;
Рис. 2.7 Днище.
У цилиндра диаметр dd составляет
110мм: dd =75мм;
Рр =4.12МПа ;
= 90МПа - допускаемое напряжение на растяжение для материала днища
цилиндра(стальное литье).
Принимаем
по ряду нормальных линейных размеров:
=8мм.
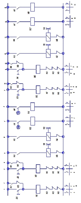
Раздел
3.
3.1 Разработка
электрогидросхемы
Рис.3.1 Электрическая схема.
3.2
Описание работы электрогидросхемы
Подъем штока гидроцилиндра лотка начинается после нажатия
кнопки S1.
Срабатывает реле К1, замыкается ключ К1 в линии 2, 5 и в линии 5 приводится в
действие электромагнит У1 гидрораспределителя, при этом происходит отключение
всех остальных кнопок S2, S3, S4 в линиях 3, 9, 11 соответственно.
Подъем штока гидроцилиндра лотка прекращается после
достижения штока верхнего крайнего положения, при этом включается датчик
ограничителя подъема а0. Датчик ограничителя подъема а0 активизирует реле К3,
которое выключает кнопку S1 и электромагнит У1 гидрораспределителя.
Опускание штока гидроцилиндра лотка начинается после нажатия
кнопки S2.
Дальнейшая работа происходит таким же образом, как и для подъема.
Опускание штока гидроцилиндра лотка прекращается после
достижения штока нижнего крайнего положения, при этом включается датчик
ограничителя нижнего положения а1. Датчик ограничителя подъема а1 активизирует
реле К4, которое выключает кнопку S2 и электромагнит У2 гидрораспределителя.
Работа отсекателя происходит аналогичным образом, как и
работа подъема (опускания) штока гидроцилиндра лотка. Управление происходит
посредством кнопок S3, и S4.
Раздел 4.
4.1 Рабочие жидкости для
гидравлической системы
Рабочая жидкость предназначена для передачи энергии, смазки
трущихся поверхностей и отвода избыточного тепла.
От свойств и состояния рабочей жидкости в значительной
степени зависит долговечность гидроаппаратуры. Вязкость является одним из
важнейших качеств рабочей жидкости. Высокая вязкость приводит к повышенным
потерям на трение и быстрому нагреванию системы, а также ухудшает условия
всасывания насоса; возникает высокое разрежение во всасывающем канале,
приводящее к разрыву струи рабочей жидкости. Это приводит к возникновению
кавитации, сопровождающейся повышенным шумом и быстрым разрушением насоса. При
низкой вязкости рабочая жидкость теряет смазывающие свойства, в результате
увеличиваются утечки. Таким образом, снижение вязкости ведет к повышенному изнашиванию
трущихся пар и снижению рабочих скоростей.
Вязкость жидкостей в значительной степени зависит от
температуры, поэтому важно своевременно проводить сезонную смену рабочей
жидкости. Зимой должна применяться менее вязкая жидкость, а летом - более
вязкая.
Важным свойством рабочей жидкости является малая зависимость
вязкости от температуры. Температура застывания рабочей жидкости должна быть
ниже наименьшей температуры окружающей среды не менее чем на 10-17ºС.
Под действием высоких давлений и скоростей может происходить
разрушение (деструкция) молекулы масла, что ведет к снижению вязкости. Рабочие
жидкости должны обладать высокой устойчивостью к деструкции.
Масла, применяемые в качестве рабочих жидкостей, должны
обладать хорошими противоизносными свойствами.
В процессе работы экскаватора рабочая жидкость нагревается.
Допустимая температура нагрева составляет 75ºС. Разогретое масло при
контакте с различными металлами и кислородом воздуха подвергается интенсивному
окислению. Окисление масла влечет за собой изменение его внешнего вида и
физико-химических свойств: увеличиваются вязкость и кислотное число, в масле
появляются вещества, выпадающие в виде осадков, которые могут быть твердыми или
мазеобразными. В результате накопления продуктов окисления возможно быстрое
изнашивание деталей гидропривода. В связи с этим термоокислительная
стабильность рабочей жидкости играет важную роль. Во избежание выхода из строя
гидроаппаратуры необходимо менять рабочую жидкость строго в установленные
сроки.
Устойчивость масла против вспенивания должна быть чрезвычайно
высокой. Возникновение пены в баке приводит к снижению мощности насоса и может
вызвать кавитацию. На пенообразование масел влияют их физические и химические
свойства, а также наличие растворенного воздуха и воды. Вода является весьма
вредной примесью, наличие в масле даже 1% воды недопустимо. Вода вызывает
усиленное выделение осадков и снижение антикоррозионных свойств масел. Коррозия
металлов в гидроагрегатах может также вызываться накоплением в масле
органических кислот и других продуктов окисления. Кородирующее действие кислот
резко повышается в присутствии воды. Ни в коем случае не следует заправлять в
систему масло с примесью воды.
Наличие воды легко определяется по внешнему виду, так как
масло при этом становится мутным. Вода может попадать в масло также вследствие
конденсации ее из воздуха.
Применяемые в качестве рабочих жидкостей масла не должны
вызывать усадки и набухания резиновых деталей, так как это сказывается на
изменении их физико-механических свойств: прочности, эластичности, тепло- и
морозостойкости. Считается нормальным, если масло вызывает набухание резины
1-6%.
Рабочие жидкости должны обладать малой сжимаемостью и быть
огнестойкими.
Из сказанного ясно, что в качестве рабочих жидкостей следует
применять только специально рекомендуемые масла.
Библиографический
список
1. Точилкин В.В., Филатов А.М. Гидропривод:
Методические указания к курсовой работе для студ. спец.1709. Магнитогорск:
МГТУ,1999.22с.
. Точилкин В.В. , Филатов А.М. Гидропривод
кузнечно-прессовых и технологических машин: Учебн. пособие. Магнитогорск:
МГТУ,1999.92с.
. Свешников В.К. , Усов А.А. Станочные
гидроприводы: Справочник.
. Гаврилов Н.И., Литвак А.Е., Игошин Ю.Н. и др.
Гидравлический экскаватор ЭО-4121.-М.: Машиностроение,1980-232с.
. Крутиков И.П. Экскаваторы, Издательство,
«Машиностроение»., Москва,1964.
. Гоберман Л.А. Основы теории, расчета и
проектирования строительных и дорожных машин., Москва., «Машиностроение».1988.
7. Точилкин В.В. Пневматические и гидравлические
двигатели манипуляторов. Магнитогорск 2001.