Электронные пускорегулирующие аппараты для разрядных ламп высокого давления
СОДЕРЖАНИЕ
1. КЛАССИФИКАЦИЯ
СХЕМ ПРА
. СТАРТЕРНЫЕ
ПУСКОРЕГУЛИРУЮЩИЕ АППАРАТЫ ДЛЯ ЛЮМИНЕСЦЕНТНЫХ ЛАМП
.1 ОДНОЛАМПОВЫЕ
СТАРТЕРНЫЕ ПРА
.2 ДВУХЛАМПОВЫЕ
СТАРТЕРНЫЕ ПРА С РАСЩЕПЛЕННОЙ ФАЗОЙ
.3 ТРЕБОВАНИЯ
К СТАРТЕРНЫМ ПРА
. БЕССТАРТЕРНЫЕ
ПУСКОРЕГУЛИРУЮЩИЕ АППАРАТЫ ДЛЯ ЛЮМИНЕСЦЕНТНЫХ ЛАМП
.1 КЛАССИФИКАЦИЯ
БЕССТАРТЕРНЫХ ПРА
.2 ОСНОВНЫЕ
СХЕМЫ БЕССТАРТЕРНЫХ ПРА
. ПУСКОРЕГУЛИРУЮЩИЕ
АППАРАТЫ ДЛЯ ЛАМП ТИПОВ ДРЛ, ДРИ И ДНаТ
. ЭЛЕКТРОННЫЙ
ПУСКОРЕГУЛИРУЮЩИЙ АППАРАТ
. ЗАЖИГАЮЩИЕ
УСТРОЙСТВА ДЛЯ ЛАМП ВЫСОКОГО ДАВЛЕНИЯ
1. КЛАССИФИКАЦИЯ СХЕМ ПРА
Пускорегулирующий аппарат-светотехническое
изделие, с помощью которого осуществляется питание разрядной лампы от
электрической сети, обеспечивающее необходимые режимы зажигания, разгорания и
работы лампы и конструктивно оформленное в виде единого аппарата или нескольких
отдельных блоков.
Пускорегулирующий аппарат обеспечивает:
) зажигание разрядной лампы, т. е. пробой
межэлектродного промежутка и формирование в нем требуемого вида разряда.
Указанная функция обычно выполняется зажигающим устройством, которое часто
является составным элементом ПРА. Для надежного зажигания лампы ПРА должен
иметь определенные выходные параметры в режиме холостого хода, т. е. в режиме
работы схемы включения при не горящей лампе. К ним относятся форма, значение
напряжения, подаваемого на электроды лампы в период ее пуска, а при
необходимости значение тока предварительного подогрева электродов и др.;
) разгорание разрядной лампы, т. е. процесс
установления рабочих параметров лампы после ее зажигания. Продолжительность
разгорания лампы, а также характер изменения тока в ней в течение этого
процесса зависят не только от газового наполнения лампы и соотношения
температур ее колбы в холодном и рабочем состоянии, но и от типа и параметров
ПРА [1.1];
) устойчивость режима работы разрядной лампы в
контуре, заключающуюся в способности контура автоматически восстанавливать
исходное значение тока при его флюктуационных изменениях. Наличие данной
функции у ПРА, которая выполняется с помощью токоограничивающих элементов (стабилизаторов
тока), связано со спецификой статических вольт-амперных характеристик ламп
(ВАХ). Обеспечить устойчивый режим работы от источника напряжения без
токоограничивающих элементов-балластов принципиально невозможно для разрядных
ламп, имеющих падающие ВАХ.
Для ламп с возрастающими ВАХ устойчивая работа
от сети возможна и без балласта. Однако при малом наклоне характеристики это не
всегда экономически целесообразно из-за низкой стабильности комплекта лампа -
ПРА.
Рисунок 1. Обобщённая структурная схема
однолампового ПРА: ВИП- вторичный источник питания; СТ - стабилизатор; ЗУ -
зажигающее устройство.
Помимо элементов ПРА, выполняющих функции, в
схему аппарата может, входит и вторичный источник питания. Обобщенная структурная
схема однолампового ПРА показана на рис. 1.
Кроме основных функций ПРА может подавлять радио
- помехи, создаваемые лампой, снижать пульсации её светового потока,
обеспечивать высокий коэффициент мощности схемы др. С учетом общеинженерных и
экономически соображений к ПРА предъявляется также ряд дополнительных
требований. Они заключаются в том, что аппарат должен обладать минимальными
собственными потерями, массой и габаритными размерами, иметь невысокую
стоимость, быть надежным, долговечным, обеспечивать минимальные
эксплуатационные расходы, не создавать заметного акустического шума и т.д.
Совокупность этих требований является противоречивой и поэтому имеется много
схем ПРА, в которых наилучшим образом выполняются лишь некоторые из них.
Классификация схем ПРА может быть проведена по
различным признакам: по типу токоограничивающего элемента, по условиям
зажигания и работы лампы [1.1], по типу источника питания, по количеству ламп и
т. д. Для целей анализа цепей ПРА наиболее удобна классификация по типу
токоограничивающего элемента, поскольку это во многом определяет метод анализа.
В соответствии с такой классификацией (рис. 2) все ПРА можно разделить на три
основные группы: электромагнитные, полупроводниковые, комбинированные. К
отдельной, четвертой, группе целесообразно отнести ПРА без токоограничивающего
элемента для специальных так называемых без балластных ламп.
В первую группу (электромагнитные ПРА) входят
аппараты с реактивными и активными токоограничивающими элементами (балластами)
и их комбинациями, причем в основном силовом контуре этих ПРА находятся только
токоограничивающие элементы. Источником питания является сеть промышленной или
повышенной частоты. В эту группу входят такие традиционные аппараты, как
индуктивный и индуктивно-емкостный ПРА, аппараты с трансформатором и
автотрансформатором с большим внутренним сопротивлением.
Рисунок 2. Классификация ПРА для разрядных ламп
по типу токоограничивающего элемента.
Такие ПРА могут быть со стартёрным или бесстартёрным
зажиганием, иметь цепи для предварительного подогрева электродов люминесцентных
ламп или цепи мгновенного перезажигания ламп высокого давления типов ДРЛ, ДРИ и
т. д. (см., например, рис. 3).
Аппараты с резистивными балластами применяются
при подключении разрядных ламп к сети постоянного тока или промышленной
частоты. В резистивных аппаратах может быть использован балластный резистор или
нелинейный резистор (вольфрамовая спираль лампы накаливания). Резистивные
Рисунок 3. Обобщенная структурная схема
стартерного ПРА и бесстартерного ПРА с накальным трансформатором.
аппараты не получили широкого распространения
из-за низкого КПД. Однако в последнее время для компактных люминесцентных ламп
бытового назначения в ряде стран находят применение емкостно-резистивные
балласты, в которых указанный выше основной недостаток ПРА резистивного типа в
известной степени нивелирован.
В полупроводниковых ПРА (вторая группа)
стабилизация тока лампы осуществляется с помощью полупроводниковых приборов,
обычно транзисторов. На рис. 4 приведена схема полупроводникового ПРА, в
котором транзистор используется в качестве нелинейного сопротивления. Схема
удовлетворительно работает на постоянном токе при незначительных колебаниях
напряжения источника питания. На переменном токе схемы нелинейных
полупроводниковых ПРА обладают большими собственными потерями.
Рисунок 4. Схема нелинейного
Рисунок 5. Схема импульсного полупроводникового
ПРА. полупроводникового ПРА.
На рис. 5 дана схема импульсного
полупроводникового ПРА. Приведенная схема носит название динамического
балласта. В динамическом балласте транзистор работает в режиме ключа, и
стабилизация тока лампы осуществляется с использованием инерционных свойств
плазмы газового разряда. На рис. 6, а показана форма напряжения на разрядной
лампе. При открытом транзисторе (0≤t≤Tи)
напряжение на лампе приблизительно равно напряжению источника питания (Uл≈Uп).
При закрытом транзисторе (Tи<t<Tп)
напряжение на лампе равно нулю. На рис. 6,б показана форма тока лампы. За время
импульса напряжения ток лампы возрастает от Iо
до Iмах.
За время паузы происходит частичная деионизация плазмы, возрастает ее
сопротивление, и следующий импульс тока опять начинается с Iо.
Рисунок 6. Осциллограммы напряжения на лампе (а)
и тока лампы (б) в схеме импульсного полупроводникового ПРА.
В третьей группе (комбинированные ПРА)
стабилизация тока лампы осуществляется с помощью, как реактивных элементов, так
и полупроводниковых приборов. В ПРА этой группы в качестве балластов
используются дроссели, конденсаторы, транзисторы, тиристоры и другие
полупроводниковые приборы. В группе существует большое количество разнообразных
схем. Целесообразно рассмотреть следующие из них: с высокочастотным (ВЧ)
генератором, емкостно-полупроводниковые, индуктивно-полупроводниковые и схемы с
преобразованием частоты.
Все схемы с ВЧ генератором построены практически
по единой схеме (рис. 7). Питание лампы осуществляется от двух источников
питания: силового через Балласт 1 и повышенной частоты через Балласт 2. На рис.
8 приведен вариант схемы при использовании дросселя Др в качестве
низкочастотного балласта и конденсатора С в качестве высокочастотного. Такая
схема нашла применение в светорегуляторах, при работе ламп в условиях
пониженного напряжения питания, а также для снижения пульсации светового потока
ламп.
Рисунок 7. Обобщенная структурная схема
комбинированного ПРА с ВЧ генератором.
На рис. 9 показана схема комбинированного
импульсного ПРА с двумя источниками питания. Для поддержания разряда в лампе
через Балласт 2 поступают ионизирующие импульсы тока.
Рисунок 8. Схема комбинированного ПРА с ВЧ
генератором и индуктивным балластом.
На рис. 10, а и б показаны формы напряжения и
тока лампы. Во время импульса (0≤t≤Tи)
ток лампы поддерживается постоянным (iл
≈
i2=conts),
и за счет ионизации положительного столба разряда сопротивление лампы и
напряжение на ней уменьшаются. В интервале Ти<t<Тп,
ток ионизирующего генератора i2
= 0, и ток лампы определяется только током i1.
Рисунок 9. Схема комбинированного ПРА с двумя
источниками питания.
Рисунок 10. Осциллограммы напряжения на лампе
(а) и тока лампы (б) в комбинированном импульсном ПРА.
В силу того что напряжение питания меньше
напряжения горения разряда, происходит деионизация плазмы столба разряда, и ток
постепенно уменьшается до Imin.
Затем подается импульс тока i2,
и все процессы повторяются.
На рис. 11 и 12 приведены схемы комбинированных
емкостно-полупроводникового и индуктивно-полупроводникового ПРА. В схеме рис.
11 основное падение напряжения происходит на балластном конденсаторе С, что
снижает напряжение на стабилизирующем транзисторе VT
и тем самым повышает КПД схемы. В схеме рис. 12 симметричный тиристор VS
шунтирует вспомогательный дроссель Др2, что обеспечивает повышение
стабильности работы лампы и КПД схемы.
Рисунок 11. Схема комбинированного
емкостно-полупроводникового ПРА.
Рисунок 12. Схема комбинированного
индуктивно-полупроводникового ПРА (СУ-схема управления)
На рис. 13 показана широко распространенная
схема комбинированного резонансного ПРА с преобразователем частоты. Схемы с
преобразователем обеспечивают питание лампы током повышенной частоты (20
50
кГц), при этом повышается световая отдача ламп, снижаются размеры балластных
дросселей и конденсаторов.
Рисунок 13. Схема комбинированного
резонансного ПРА с преобразователем частоты. (ПЧ-преобразователь частоты)
2. СТАРТЕРНЫЕ ПУСКОРЕГУЛИРУЮЩИЕ
АППАРАТЫ ДЛЯ ЛЮМИНЕСЦЕНТНЫХ ЛАМП
2.1 ОДНОЛАМПОВЫЕ СТАРТЕРНЫЕ ПРА
Стартерным ПРА называют аппарат, в котором
зажигание ЛЛ с предварительно нагретыми электродами осуществляется с помощью
стартера с размыкающимися контактами. Собственно стартерный ПРА состоит из
балластного сопротивления (индуктивного или индуктивно-емкостного) и иногда
компенсирующего конденсатора и других элементов. Схема стартерного ПРА с
индуктивным балластом приведена на рис. 14, а, а с индуктивно-емкостным - на
рис. 14,б. Процесс зажигания ламп в обеих схемах одинаков. Пусковой ток лампы
определяется полным сопротивлением балласта и электродов, а рабочий ток -
полным сопротивлением балласта и сопротивлением самой лампы. Значение пускового
тока определяется из условия обеспечения требуемой надежности зажигания лампы и
исключения, по возможности, режима ее зажигания, с холодными или недостаточно
нагретыми электродами. Поэтому он должен быть больше некоторого минимального
значения.
Рисунок 14. Одноламповые стартерные ПРА: а- с
индуктивным балластом; б- с индуктивно-емкостным балластом, в- ВАХ пускового
режима индуктивного и индуктивно-емкостного балластов; г-зависимость ёмкости
компенсирующего конденсатора от коэффициента мощности.
Вместе с тем слишком большой пусковой ток также
может приводить к снижению срока службы лампы и вызывать недопустимое
превышение температуры обмоток дросселя в режиме с залипшим стартером. Это
требование определяется для стартерных ПРА как допустимая кратность пускового
тока. В настоящее время кратность пускового тока Кп=0,9÷2
номинального тока лампы.
В индуктивно-емкостных балластах дроссель
включен последовательно с балластным конденсатором. На рис. 14,в приведена ВАХ
дросселя 1 и последовательно соединенных дросселя и балластного конденсатора 2.
Из рис. 14,в видно, что при индуктивно-емкостном балласте ВАХ отклоняется
влево. Это означает, что в пусковом режиме ток лампы, включенной с индуктивным
балластом, больше, чем с индуктивно-емкостным, и надежность зажигания и срок
службы лампы в схеме с индуктивно-емкостным балластом ниже, чем с индуктивным.
Использование в индуктивных и
индуктивно-емкостных схемах единого унифицированного балласта (без пусковой
обмотки) связано с выбором емкости балластного конденсатора и полем его
допуска. При этом путем использования конденсаторов с малыми отклонениями
емкости можно добиться увеличения пускового тока индуктивно-емкостной ветви до
значения пускового тока индуктивной ветви. В частности, при применении
конденсаторов с допуском ±4 % возможно использование дросселя без пусковой
обмотки. Однако при этом существенно повышаются требования к точности настройки
дросселей.
Значение пускового тока может быть в некоторых
пределах изменено путем настройки дросселя, о чем будет сказано ниже.
Применение в светильниках одноламповых
стартерных ПРА с низким коэффициентом мощности вызывает увеличение реактивного
тока, потребляемого из сети, перегрузку сети и дополнительные потери мощности в
ней. Так, снижение значения cosф
с 1 до 0,5 увеличивает потребляемый из сети ток в 2 раза, а потери мощности в 4
раза.
Как было отмечено, коэффициент мощности лампы с
дросселем всегда меньше единицы. Компенсировать индуктивный ток можно с помощью
конденсатора, включенного параллельно напряжению сети. Такой конденсатор
называют компенсирующим. На рис. 14, г показана зависимость емкости
компенсирующего конденсатора Ск от соsфк,
который мы хотим получить при значениях cosфo
для некомпенсированной ПРА, равных 0,3 (кривая 1) и 0,5 (кривая 2). Например,
для повышения cosф с 0,3 до
0,85 необходимо включение компенсирующего конденсатора емкостью Cк1.
В этом случае cosф носит
индуктивный характер, т. е. потребляемый из сети ток отстает по фазе от
напряжения сети. Если емкость конденсатора будет увеличена до СК2,
то при cosф = 0,85 он
будет иметь емкостный характер. На практике схемы с емкостным током не
используют из-за необходимости увеличения емкости конденсаторов.
Компенсация реактивного тока включением на вход
схемы питания лампы компенсирующего-конденсатора целесообразна для одноламповых
светильников или светильников с последовательным включением ламп. В
двухламповых светильниках применяют параллельное включение ламп с индуктивным и
индуктивно-емкостным балластом.
.2 ДВУХЛАМПОВЫЕ СТАРТЕРНЫЕ ПРА С
РАСЩЕПЛЕННОЙ ФАЗОЙ
На рис. 15, а и б приведена
распространенная схема стартерного двухлампового ПРА с расщепленной фазой и
показана векторная диаграмма пускового режима. Емкость балластного конденсатора
Сб в таких схемах обычно несколько ниже (на 5-15 %) емкости
компенсирующего конденсатора в одноламповой индуктивной схеме к лампе той же
мощности. Применяя вместо двух схем с индуктивными балластами и компенсирующими
конденсаторами одну схему с расщепленной фазой, можно сократить ёмкость
балластного конденсатора не менее чем в 2 раза. Однако в этом случае балластный
конденсатор, как это видно из рис. 15,б, должен иметь напряжение, превышающее
напряжение сети.
Преимуществом схем с расщепленной фазой является
также снижение пульсации светового потока в светильнике Оптимальным является
случай, когда коэффициент мощности каждой из цепей включения ламп равен 0,7. В
этом случае угол сдвига между кривыми световых потоков ламп составляет 90°, а
коэффициент пульсации снижается в 2-4 раза по сравнению с пульсацией светового
потока одной лампы. Большинство стартерных схем при работе с ЛЛ имеет cosф=0,5
как для индуктивной, так и для емкостной цепи. В этом случае угол сдвига между
кривыми световых потоков ламп в индуктивной схеме ф1 и
Рисунок 15. Двухламповая схема включения ЛЛ с
расщепленной фазой: а- схема ПРА; б- векторная диаграмма рабочего режима; в-
диаграмма пульсации светового потока.
емкостной ф2 возрастает до 120° (рис. 15, в) и
коэффициент пульсации несколько больше. Для ламп, рассчитанных на работу от
напряжения 127 В и имеющих cosф≈0,3,
при их включении в сеть напряжением 220 В применение двухламповых схем с
расщепленной фазой не дает ощутимого эффекта по снижению пульсации светового
потока. Поэтому такие лампы включают в сеть по схеме последовательного
включения, обеспечивая снижение пульсации светового потока только для
четырехламповых светильников.
Применение двухламповых схем последовательного
включения в основном преследует две цели: создать наилучшие условия для ЛЛ,
которые при включении в сеть с повышенным напряжением могут зажигаться в режиме
с холодными или недогретыми электродами; повысить экономичность ПРА, т. е.
снизить его массу, габаритные размеры, стоимость и потери мощности. Кроме того,
применяя схемы последовательного включения, можно унифицировать некоторые ПРА,
что будет показано ниже.
На рис. 16 приведена наиболее простая схема
включения двух ЛЛ с двумя стартерами. Каждый из стартеров выбирается на то
напряжение, для которого предназначена лампа.
Рисунок 16. Схема последовательного включения
двух ЛЛ с двумя стартерами.
Преимуществом такой схемы помимо её простоты
является возможность использовать один и тот же дроссель для включения одной
лампы или двух ламп той же суммарной мощностью. Например, дроссель к лампе
мощностью 40 Вт можно применять для включения двух ламп мощностью по 20 Вт.
Надежность зажигания ламп в последовательных схемах повышается при шунтировании
одной из ламп конденсатором небольшой емкости (0,05 мкФ), что обеспечивает
пробой сначала незашунтированной лампы, а затем шунтированной. Схемы
последовательного включения с индуктивно-емкостным балластом выполняют как
сочетание дросселя и последовательно включенного с ним балластного
конденсатора, а также с дросселем с дополнительной обмоткой, которая включается
в цепь незашунтированного стартера. Этим достигается увеличение тока подогрева
лампы и повышение, как надежности зажигания, так и срока службы ламп.
Рассмотренная схема, как и все схемы
последовательного включения, обладает тем недостатком, что включение и работа
ламп взаимосвязаны. При не зажигании одной лампы не зажигается и вторая, при
выходе из строя одной лампы погаснет вторая. Поэтому разработаны многочисленные
схемы последовательного включения ламп, лишенные в той или иной степени этого
недостатка.
.3 ТРЕБОВАНИЯ К СТАРТЕРНЫМ ПРА
Перечислим основные требования к параметрам
стартерных ПРА для ЛЛ:
. Пусковой ток должен находиться в определенных
пределах при допустимых значениях-сети (обычно ±10 % номинального напряжения
сети) и изменениях параметров ПРА. Для большинства ЛЛ пусковой ток должен
находиться в пределах от 0,9 до номинальных токов лампы.
. Рабочий ток лампы должен находиться в
определенных пределах. В ГОСТ 16809-78 нормируется значение рабочего тока не
непосредственно, а как отношение тока номинальной лампы, включенной с
данным стартерным ПРА и с образцовым-измерительным дросселем (ДОИ). Значение рабочего
тока номинальной лампы, включенной с данными ПРА, при номинальном напряжении
сети не должно превышать 1,15 тока этой же лампы, включенной с ДОИ на
номинальное для него напряжение. Люминесцентные лампы при их включении со
стартерными ПРА имеют разброс рабочих токов в пределах 20
30
% номинального значения.
. Мощность лампы нормируется не непосредственно,
а как отношение мощности номинальной лампы, включенной с данным ПРА, к
мощности этой же лампы, включенной с ДОИ. Стартерный ПРА должен обеспечить
мощность номинальной лампы в определенных пределах при напряжении питания,
равном 0,9 и 1,1 номинального напряжения сети. При напряжении 0,9 номинального
стартерный ПРА должен обеспечивать относительную мощность лампы не ниже 0,85, а
при напряжении 1,1 номинального - не выше 1,15 мощности номинальной лампы,
включенной с ДОИ на такое же напряжение.
. Коэффициент амплитуды тока лампы, работающей
со стартерным ПРА, не должен превышать 1,7.
Нормирование перечисленных выше параметров
обусловлено требованием обеспечить нормальную работу и срок службы ЛЛ в
стартёрных схемах. Параметры стартеров для таких схем также должны обеспечивать
максимальный срок службы ламп и надежность их зажигания. Кроме того, ПРА должны
отвечать ряду дополнительных требований, связанных с работой, сроком службы
самого ПРА и экономичностью применения ЛЛ. Прежде всего, это требование к
ограничению потерь мощности в ПРА.
Потери мощности в ПРА формируют как отношение
активной мощности, рассеиваемой в ПРА, к мощности лампы при номинальном
напряжении сети. Значение потерь мощности ПРА определяется конструкцией,
уровнем шума, массой магнитопровода, параметрами обмотки. Потери в дросселях
обратно пропорциональны габаритным размерам, чем меньше размеры дросселя, тем выше
потери в них. Так, ПРА к лампам мощностью 30 Вт имеет потери в пределах 23
31,
мощностью 40 Вт
18
28,
мощностью 65 Вт - 20
26 %, причем
минимальные значения потерь относятся к индуктивным ПРА, а максимальные - к
индуктивно-емкостным. Наличие, потерь в ПРА снижает общую световую отдачу ламп
плюс комплекта ПРА, т. е. чем больше потери мощности в ПРА тем больше тратится электроэнергии
на создание того же светового потока.
Элементы ПРА должны удовлетворять требованиям по
электрической прочности и сопротивлению изоляции. Эти требования часто называют
параметрами элсктробезопасности, так как они обеспечивают безопасность людей от
поражения электрическим током и гарантируют отсутствие коротких замыканий в
ПРА, т. е. обеспечивают также пожаробезопасности ПРА.
Важным требованием является требование к
тепловому режиму. Тепловой режим ПРА определяется потерями мощности в обмотке и
магнитопроводе, габаритными размерами и условиями охлаждения. Нормирование
тепловых параметров связано с необходимостью обеспечить длительный срок службы
ПРА (около 10 лет) без изменения ее электрических параметров. Тепловой режим
ПРА нормируется двумя значениями - температурой нагрева обмотки и превышением
температуры нагрева корпусов ПРА и конденсаторов.
Допустимую температуру нагрева обмотки tw
устанавливают
в зависимости от термостойкости изоляции обмоточного провода, но не менее чем
на два класса ниже по температурной шкале. Значения tw
выбирают из того же ряда температур, что и температуру классов термостойкости,
т. е. 105, 120, 130°С и т. д. Таким образом, для проводов с допустимой
температурой изоляции 130°С значение tw
не должно превышать 105 °С. Конструкция ПРА должна обеспечивать превышение
температуры обмотки в номинальном рабочем режиме не выше чем 55°С для
встраиваемых аппаратов и 45°С для аппаратов независимого исполнения. Значения
превышения температуры в аномальном, т. е. длительном, пусковом режиме не
должны превышать значений, приведенных ниже.
Превышение температуры обмоток ПРА в рабочем
режиме проверяется при номинальном напряжении сети, в аномальном - при 1,1
номинального напряжения сети.
Требование по ограничению содержания высших
гармоник в токе лампы связано с возможностью перегрузки нулевого провода
трехфазной питающей сети токами высших гармоник, кратных трем, которые
появляются в токе лампы.
Пускорегулирующий аппарат при своей работе
является источником акустических шумов. Основной причиной шума является
вибрация пластин магнитопровода под действием электромагнитных сил, возникающих
в магнитном поле, и магнитострикция, или изменение размеров ферромагнитного
материала при наличии магнитного поля. Уровень шума ПРА нормируют по значению
звуковой мощности, создаваемой при их включении на напряжение сети, равное 1,1
номинального, в определенных частотных полосах от 125 до 8000 Гц, что
соответствует полосе частот, воспринимаемых ухом человека. Уровень шума
измеряют в специальной реверберациониой камере, менее точные измерения в
процессе производства ПРА производят в звукомерной камере при условии
обеспечения определенного уровня внешних акустических помех.
3. БЕССТАРТЕРНЫЕ
ПУСКОРЕГУЛИРУЮЩИЕ АППАРАТЫ ДЛЯ ЛЮМИНЕСЦЕНТНЫХ ЛАМП
.1 КЛАССИФИКАЦИЯ БЕССТАРТЕРНЫХ ПРА
пускорегулирующий разрядная
электрическая лампа
Наряду со стартерным ПРА для зажигания ЛЛ
применение находят схемы, в которых зажигание ламп обеспечивается за счет
синусоидального напряжения без использования стартеров. Такие схемы принято
выделять в самостоятельную группу бесстартерных ПРА.
Бесстартерные ПРА по конструкции значительно
сложнее стартерных, имеют большие потери мощности и большие габаритные размеры,
но в основном обеспечивают повышенную надежность зажигания и высокий срок
службы ламп. Поэтому расходы на эксплуатацию осветительных установок с
бссстартерной ПРА в определенных условиях могут оказаться существенно ниже, чем
со стартерными.
Различие состоит в том, что в бесетартерных схемах
зажигание осуществляется синусоидальным, питающим напряжением. В процессе
зажигания ламп в бесетартерных схемах определяющую роль играет распространение
плазменного фронта по длине трубки от зажигающего электрода к заземленному и
возникновение тлеющего разряда. Скорость распространения фронта ионизации
составляет около 103 м/с и определяется скоростью нарастания
напряжения, подаваемого на лампу, распределенной емкостью стенок лампы и
проводимостью плазменного столба, образующегося за фронтом ионизации.
В связи с тем, что зажигание ЛЛ в бесстартёрных
схемах осуществляется синусоидальным напряжением определенной амплитуды, для
надежного зажигания ламп большое значение имеют факторы, облегчающие зажигание
и стабилизирующие напряжение зажигания на определенном уровне при изменении
условий окружающей среды. Кроме предварительного нагрева электродов,
существенную роль играет наличие на колбе лампы токопроводящей полосы. Особенно
эффективно сказывается на снижении напряжения зажигания соединение полосы с
одним из электродов лампы, с землей, а также подача на полосу определенного
электрического потенциала. Использование в бесстартерных схемах обычных ЛЛ,
предназначенных для работы в стартерных схемах, снижает надежность зажигания
ламп и в значительной степени лишает смысла применение бесетартерных ПРА.
Бесстартерные ПРА принято делить на две группы:
ПРА быстрого зажигания, в которых осуществляются предварительный нагрев
электродов ЛЛ и затем зажигание ее под действием синусоидального напряжения
источника питания (значение напряжения зажигания определяется конструкцией и
условиями работы ламп), и ПРА мгновенного зажигания, в которых ЛЛ с холодными
электродами зажигается при подаче на нее повышенного напряжения.
Зажигание ламп в схемах мгновенного зажигания
происходит под действием электростатической эмиссии, что отрицательно
сказывается на сроке службы электродов. Поэтому для таких схем включения
выпускаются специальные лампы с усиленными электродами. Применение обычных
стартерных ЛЛ в схемах мгновенного зажигания снижает срок их службы на 50
70
%, и поэтому в нашей стране схемы мгновенного зажигания, как правило, не
используют. В дальнейшем мы рассмотрим схемы первой группы и будем относить к
ним название «бесстартерные схемы».
Независимо от электрической схемы бесстартерные
ПРА должны обеспечивать:
) предварительный нагрев электродов лампы в
пусковом режиме до температуры, интенсивной термоэлектронной эмиссии с катода и
снижения напряжения зажигания;
) подачу на лампу зажигающего напряжения,
которое применительно к ПРА называют напряжением холостого хода. За
напряжение холостого хода Uхх
бесстартерных
ПРА принимают напряжение, которое создаёт аппарат на зажимах не горящей
лампы.
) компенсацию при необходимости напряжения
предварительного нагрева электродов, т.е. снижение напряжения нагрева
электродов в рабочем режиме по сравнению с пусковым. Это требование обусловлено
стремлением обеспечить максимальный срок службы ламп. В последнее время
наметилась тенденция выпуска ЛЛ с триспиральными электродами с низким
сопротивлением. Такие электроды требуют для своего нагрева напряжения около 3,6
4,4
В, которое при значительном запасе на катоде оксидного слоя обеспечивает
длительный срок службы ламп даже в схемах без компенсации напряжения
предварительного нагрева электродов;
) стабилизацию рабочего режима ламп в
определенных пределах, так же как и стартерные ПРА.
Бесстартерные ПРА, обеспечивающие
зажигание ЛЛ с предварительным нагревом электродов, можно разделить на
следующие три основные группы:
)резонансные, в которых предварительный нагрев
электродов осуществляется током резонансного контура, состоящего из балластных
и пусковых индуктивных и емкостных элементов, а требуемое напряжение холостого
хода обеспечивается на одном из реактивных резонансных элементов, параллельно
которому включена ЛЛ;
) с накальным трансформатором для
предварительного нагрева электродов. Увеличение напряжения холостого хода может
быть достигнуто путем, как усложнения накального трансформатора, так и
применения специальных пусковых конденсаторов;
) с автотрансформаторами с рассеянием. В таких
схемах повышенное напряжение холостого хода, требуемое для зажигания лампы,
обеспечивается выбором числа витков вторичной обмотки. Конструкция магнитной
системы обеспечивает стабилизацию тока лампы в рабочем режиме.
3.2 ОСНОВНЫЕ СХЕМЫ БЕССТАРТЕРНЫХ ПРА
Известно множество схем бесетартерных ПРА.
Рассмотрим только простейшие, характеризующие сущность физических процессов. На
рис. 16, а приведена простейшая схема резонансного ПРА с балластным
дросселем и пусковым конденсатором. При напряжении сети лампа с холодными
электродами не зажигается, так как напряжение ее холодного зажигания выше, чем
напряжение сети и напряжение, возникающее на пусковом конденсаторе Сп
резонансной цепи. По цепи дроссель - первый электрод - пусковой конденсатор
- второй электрод начинает протекать пусковой ток IП,
который нагревает электроды лампы
Рисунок16. Схема резонансных ПРА и автотрансформатора
с рассеянием: а- простейшая, б- с дополнительной обмоткой; в- с двумя
дросселями; г- с автотрансформатором.
Простейшая резонансная схема ПРА на промышленной
частоте не приценяется, так как значение емкости пускового конденсатора
получается большим, что искажает форму кривой тока лампы и вызывает появление
пауз в токе и увеличение коэффициента амплитуды до 2
2,5
вместо нормируемого 1,7.
Отключением пусковой цепочки после зажигания
лампы с помощью различных автоматических устройств типа разрядников либо
усложнением схемы путем использования дополнительных элементов можно избежать
указанных недостатков. Для ПРА, применяемых в светильниках общего и местного
освещения, преимущественно используют схему с дополнительной обмоткой на
дросселе. Одна из схем приведена на рис. 16,б. В пусковую цепь включена
дополнительная обмотка балластного дросселя
н.
При настройке цепи в режим, близкий к резонансному, можно получить увеличение
значения пускового тока. В пусковом режиме ток проходит по основной и
добавочной обмоткам дросселя, включенным согласно, в результате чего
индуктивность схемы снижается, и напряжение холостого хода определяется
повышенным напряжением на пусковом конденсаторе. После зажигания лампы токи,
протекающие по балластной и добавочной обмоткам, становятся различными по
значениям и фазе, резонанс нарушается, и ток лампы стабилизируется балластной
обмоткой.
Более распространенной модификацией резонансной
схемы является схема, приведенная на рис. 16,в. Схема содержит два
дросселя Др1 и Др2, один из которых имеет обмотки
н
для
нагрева электродов. В пусковом режим ток протекает через дроссель Др1
и конденсатор, что при настройке этой цепи на резонанс обеспечивает увеличенное
напряжение на конденсаторе и лампе.
Рисунок 17. Бесстартерные ПРА с нахальным
трансформатором: а- включенным параллельно лампе и векторная диаграмма
пускового режима; б- с дополнительной обмоткой; в- с пусковым конденсатором и
векторная диаграмма пускового режима;
После зажигания лампы конденсатор Сп
служит для увеличения коэффициента мощности схемы. Применением одного дросселя
с отводом можно достигнуть дополнительного увеличения напряжения во второй
обмотке.
На рис. 16,г показана схема с автотрансформатором
с магнитным рассеянием с обмотками
н
для
предварительного нагрева электродов. При применении дополнительных обмоток (на
рисунке не показаны) можно получить глубокую компенсацию напряжения
предварительного нагрева и тем самым снизить потери в ПРА. Схемы с
автотрансформатором находят применение в случаях, когда для осветительных,
установок используется напряжение сети 100-110 В.
На рис. 17 приведены простые схемы
бесстартерного ПРА с накальным трансформатором, используемым для
предварительного нагрева электродов. Первичная обмотка трансформатора
включена
параллельно лампе, что обеспечивает после зажигания лампы компенсацию
напряжения предварительного нагрева за счет снижения напряжения на первичной
обмотке, начиная со значения напряжения холостого хода до напряжения на горящей
лампе. На рис. 17, а дана векторная диаграмма пускового режима.
Напряжение холостого хода Uхх является
векторной суммой напряжений на первичной и вторичных обмотках трансформатора.
Напряжение на первичной обмотке Uдр,п
ниже напряжения сети Uc за счет
падения напряжения в обмотке дросселя. Полное сопротивление дросселя в таких
схемах ниже на порядок, чем у трансформатора, в результате чего напряжение на
первичной обмотке трансформатора в пусковом режиме составляет 0,9-0,95
сетевого. В результате напряжение холостого хода таких схем находится на уровне
напряжения сети, а в схемах для ламп с низкоомными электродами при напряжении
предварительного нагрева электродов 3,6-4,4 В - несколько ниже сетевого.
Поэтому они могут применяться только для ламп, напряжение которых ниже
напряжения сети.
Увеличение напряжения холостого хода
достигается применением дополнительной обмотки
на накальном трансформаторе (рис.
17,б) либо по схеме с дополнительным пусковым конденсатором Сп
(рис. 17, в). Емкость пускового конденсатора Сп составляет
для ПРА к лампам мощностью 40-80 Вт около 1 мкФ. Пусковой ток в данной схеме
имеет емкостный характер. На рис. 17,в приведена векторная диаграмма
пускового режима. Выбором параметров элементов пусковая цепь может быть
настроена в режим резонанса или близкий к нему при определенном значении
напряжения сети. Однако резонансные схемы чувствительны к колебаниям этого напряжения,
поэтому на практике параметры указанных схем выбирают исходя из режима со слабо
выраженным резонансом.
По схеме рис. 17, в выпускают
ПРА для ламп мощностью 80 Вт.
4. ПУСКОРЕГУЛИРУЮЩИЕ АППАРАТЫ
ДЛЯ ЛАМП ТИПОВ ДРЛ, ДРИ И ДНаТ
Пускорегулирующие аппараты для ламп типа ДРЛ
делятся на три группы:
) балластные дроссели для четырехэлектродных
ламп, которые зажигаются от сети промышленной частоты при включении*на фазное
или линейное напряжение;
) аппараты импульсного зажигания, состоящие из
балластного дросселя и специального зажигающего устройства. Такие аппараты
предназначены для работы с двух-электродными лампами, а также лампами типов ДРИ
и ДНаТ;
) аппараты мгновенного зажигания, выполненные по
схемам автотрансформатора с рассеянием, в которых зажигание ламп происходит под
действием повышенного синусоидального напряжения промышленной частоты. Такие
аппараты применяют для зажигания ламп в условиях отрицательных температур
вместо ПРА первой группы.
Основным элементом схем первых двух групп
является балластный дроссель, аналогичный дросселям стартерных ПРА. Требования
к его параметрам такие же, как к дросселям стартерных ПРА, за исключением
требования к току предварительного нагрева электродов (пусковой ток), так как
лампы высокого давления зажигаются с холодными электродами. Расшифровка
условного обозначения типа ПРА для ламп высокого давления и стартерных ПРА
аналогична, но после цифры, указывающей мощность лампы, приводится обозначение
типа лампы ДРЛ, ДНаТ или ДРИ. Дроссели, предназначенные для включения ламп типа
ДРЛ, нельзя применять для включения ламп типа ДНаТ, так как последние имеют
напряжение горения на 30
40 В, ниже чем
напряжение горения ламп ДРЛ.
Лампы типа ДРИ мощностью 400 Вт включаются с
дросселем от ламп типа ДРЛ и универсальным зажигающим устройством типа УИЗУ.
Для включения газоразрядных ламп могут быть
использованы также резонансные схемы, аналогичные схемам для ЛЛ. Зажигание ламп
высокого давления с холодными электродами, т. е. по схеме мгновенного зажигания,
существенно облегчает возможность согласования пускового н рабочего режимов
резонансного ПРА, в результате чего можно получить достаточно высокие значения
напряжения холостого хода, в 2,5
3 раза превышающие
напряжение питающей сети.
5. ЭЛЕКТРОННЫЙ
ПУСКОРЕГУЛИРУЮЩИЙ АППАРАТ
Электронный пускорегулирующий
аппарат (ЭПРА) обеспечивает работу трубчатых люминесцентных ламп со щадящими
режимами пуска. ЭПРА с полумостовым инвертором <#"527214.files/image027.gif">
Рисунок18 Блок схема устройства
После подачи сетевого напряжения люминесцентная
лампа сначала подогревается. Это называется мягким пуском и обеспечивает
надежную и долговечную работу лампы. Величина тока подогрева регулируется
микросхемой UBA2021. Этот ток, проходящий через нити накала лампы, разогревает
электроды лампы до температуры, обеспечивающей достаточную эмиссию электронов.
Достаточный подогрев позволяет уменьшить напряжение зажигания лампы, что
снижает ударные электрические нагрузки на элементы схемы. Автоматическое
управление в значительной степени стабилизирует излучаемый лампой световой
поток в широком диапазоне вариаций напряжения сети.
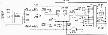
Рисунок 19 Полная электрическая схема устройства
После включения выпрямленное напряжение сети
поступает на буферный конденсатор С4 через резистор R1 (рис.19), ограничивающий
бросок тока. Конденсатор сглаживает пульсации напряжения с удвоенной частотой
сети. Полученное высоковольтное напряжение UHV постоянного тока
является питающим для полумостового инвертора, в состав силовых компонентов
которого входят транзисторы VT1, VT2, катушка L1, конденсаторы С5, С6, С7 и
лампа, подключаемая к разъемам Р2 и РЗ.
На этапе пуска ток от высоковольтного
конденсатора С4 проходит через резистор R2, нить накала лампы, резистор R4,
выводы 13 и 5 микросхемы UBA2021, соединенные между собой в период пуска
внутренним ключом, и заряжает конденсаторы низковольтного питания С9, СЮ и С13.
Как только напряжение питания Vs на С13 достигнет величины 5,5 В, происходит
переключение UBA2021, в результате которого транзистор VT2 открывается, а
транзистор VT1 запирается. Это позволяет зарядиться пусковому конденсатору С12
через внутреннюю цепь микросхемы. Напряжение питания Vs продолжает
увеличиваться, и при Vs > 12 В схема начинает генерировать. Величина тока
потребления ИМС внутренне фиксируется на уровне порядка 14 мА. Далее происходит
переход к этапу подогрева.
При отсутствии лампы пуск автоматически
блокируется, т.к. в этом случае оказывается разорванной цепь зарядки пускового
конденсатора.
На этапе подогрева МОП-транзисторы VT1 и VT2
поочередно переводятся в проводящее состояние. Это генерирует переменное
напряжение прямоугольной формы относительно средней точки полумоста с
амплитудой VHV. Стартовая частота колебаний составляет 98 кГц. В этих условиях
цепь, состоящая из С8, VD5, VD6, С9 и СЮ, оказывается способной выполнить
функцию источника низковольтного питания, которая во время пуска обеспечивалась
током через вывод 13 ИМС.
В течение интервала времени, примерно равного
1,8 с (время подогрева tPRE), продолжительность которого
определяется номиналами С17 и R7, система находится в режиме подогрева, когда
через нити накала лампы проходит ток контролируемой величины. Это позволяет
оптимальным образом разогреть оба электрода лампы. Нагретые электроды
эмиттируют в лампу большое число электронов, и в этом состоянии для ее
зажигания требуются значительно меньшие напряжения, что минимизирует ударные
электрические нагрузки на элементы схемы и лампу в момент зажигания. Подогрев
электродов весьма важен для обеспечения большого срока службы лампы.
После возникновения генерации небольшой
переменный ток начинает протекать от средней точки полумоста через нити накала
лампы, L1 и С7. Частота колебаний постепенно снижается, что приводит к
соответствующему росту величины тока. Скорость снижения частоты определяется
емкостью конденсатора С14 и внутренним источником тока ИМС. Частота прекращает
падать, как только будет достигнуто определенное значение напряжения
переменного тока на резисторах R5 и R6, являющихся датчиками тока подогрева. Это
происходит примерно через 3 мс после включения. UBA2021 стабилизирует ток через
нити накала, отслеживая величину падения напряжения на R5 и R6.
В течение всего этапа подогрева частота работы
полумостового инвертора остается выше резонансной частоты цепочки L1, С7 (55,6
кГц), и в силу этого напряжение на С7 еще мало для зажигания лампы. Весьма
важно удержать это напряжение достаточно малым: ведь преждевременное, так
называемое холодное, зажигание приводит к потемнению концов лампы.
Величина индуктивности балластной катушки L1
определяется необходимым током через лампу, емкостью конденсатора поджига С7 и
рабочей частотой в режиме горения. Минимальная величина емкости С7 определяется
индуктивностью L1, величиной не приводящего к зажиганию напряжения на лампе при
данном токе подогрева и минимальным напряжением сети. В результате оптимальным
для подогрева оказывается значение емкости С7, равное 8,2 нФ.
После окончания этапа подогрева UBA2021
возобновляет дальнейшее снижение частоты переключений полумоста вплоть до
низшей частоты fн (39 кГц). Однако теперь понижение частоты
осуществляется гораздо медленнее, чем это происходило в стадии подогрева.
Частота переключений смещается к резонансной частоте последовательной цепочки,
состоящей из индуктивности L1 и суммарной емкости конденсатора С7 и электродов
лампы (55,6 кГц), причем сопротивления блокирующих постоянный ток конденсаторов
С5 и С6 достаточно малы.
Максимальная величина напряжения зажигания в
наихудшем случае (когда и светильник, и схема ЭПРА подключены к защитному
заземлению сети) для лампы TLD58W при низких температурах составляет примерно
600 В.
Сочетание балластной катушки индуктивности L1 и
конденсатора поджига С7 подобрано таким образом, чтобы напряжение на лампе
могло превысить эти необходимые для надежного зажигания 600 В. Величина
напряжения зажигания определяет максимальное значение емкости С7 при заданной
индуктивности L1, выбранной исходя из нижней частоты fн UBA2021.
Нижняя частота fн задается величинами R7, С15 и С16. Максимально
возможная продолжительность этапа зажигания TIGN равна 1,7 с
(15/16-ых от TPRE), она устанавливается подбором С17 и R7.
В предположении, что лампа зажглась в ходе
понижения частоты, частота уменьшается до минимального значения fн.
UBA2021 может осуществить переход к этапу горения двумя путями: 1 - при
снижении частоты до fн, и 2 - если частота fн не
достигнута, но переход происходит по истечении максимально возможной
продолжительности этапа зажигания TIGN.
На этапе горения частота колебаний в схеме
обычно снижается до fн (39 кГц), которая может использоваться в
качестве номинальной рабочей частоты. Однако, в силу применения в ЭПРА
автоматического управления, частота колебаний зависит от величины тока,
протекающего через вывод 13 (вывод RHV) ИМС UBA2021. Автоматическое управление
начинает функционировать после достижения fн.
Во время этапа пуска конденсаторы низковольтного
питания С9, С10 и С13 заряжаются током, протекающим от высоковольтного
конденсатора С4 через R2, нить накала лампы, R4 и внутренне соединенные выводы
13 и 5 UBA2021. На этапе горения происходит перекоммутация. Вместо вывода 5 к
выводу 13 оказывается подключенным вывод 8. Теперь ток, протекающий через
резисторы R2 и R4, используется в качестве информационного параметра в системе
автоматического управления частотой переключений силового инвертора, так как
сила этого тока пропорциональна уровню выпрямленного напряжения сети. Пульсации
с удвоенной частотой сети (100... 120 Гц) фильтруются конденсатором С17. В
результате излучаемый лампой световой поток остается почти постоянным при
изменении напряжения сети в пределах от 200 до 260 В.
Таблица 1
|
Напряжение
питания, В
|
200
|
210
|
220
|
230
|
240
|
250
|
260
|
|
Энергия,
потребляемая от сети, Вт
|
52
|
53,5
|
54,4
|
55
|
55,4
|
55,6
|
55,8
|
|
Энергия,
потребляемая лампой, Вт
|
47,6
|
48,9
|
49,6
|
50
|
50,2
|
50,3
|
50,3
|
|
Коэффициент
полезного действия, %
|
92
|
91
|
91
|
91
|
91
|
91
|
90
|
На частотах выше 10 кГц лампа может
рассматриваться как резистивная нагрузка. Светоотдача возбуждаемых на частотах
выше 10 кГц трубчатых ламп существенно лучше, чем при их питании с частотой
50...60 Гц. Это означает, что лампа TLD58W при высокочастотном питании с
мощностью 50 Вт излучает такой же световой поток, как и TLD58W при мощности
питания 58 Вт на частоте 50...60 Гц. Рабочая точка установившегося состояния
для подключенной к ЭПРА TLD58W характеризуется напряжением на лампе 110 В и
током через нее 455 мА, что соответствует мощности питания 50 Вт.
Величина индуктивности балластной катушки L1
определяется рабочей точкой лампы, емкостью конденсатора поджига С7 и рабочей
частотой, которая примерно равна 45 кГц при номинальном напряжении сети 230 В.
Желаемая мощность возбуждения лампы может быть
достигнута при различных сочетаниях величин индуктивности L1 и емкости С7.
Выбор конкретного сочетания зависит от таких факторов как режим подогрева,
минимально необходимое напряжение зажигания и допуски на параметры компонентов
схемы. В большинстве случаев оптимальным является сочетание дроссельной катушки
L1 с индуктивностью 1 мГн и конденсатора поджига С7 с емкостью 8,2 нФ.
Для предохранения элементов силовой цепи от
значительных перегрузок, в микросхему встроена функция защиты от емкостного
режима работы, которая активна на этапах зажигания и горения. UBA2021 проверяет
величину падения напряжения на R5 и R6 во время включения транзистора VT2 в
каждом цикле работы инвертора. Если это напряжение оказывается меньше 20 мВ,
это означает, что схема работает в емкостном режиме, и UBA2021 начинает
повышать частоту переключений с гораздо большей скоростью, чем она ее снижала
на этапах подогрева и зажигания. В итоге частота переключений превысит
резонансную частоту. При исчезновении признаков емкостного режима частота
переключений вновь уменьшается до необходимой.
Защита при удалении лампы обеспечена способом
получения низковольтного напряжения питания для UBA2021. При удалении лампы
становится нулевым напряжение переменного тока на конденсаторе С6, что приводит
к исчезновению низковольтного питания ИМС. После замены лампы без отключения
ЭПРА работа схемы возобновится с этапа пуска. И, наконец, пуск ЭПРА невозможен
при отсутствии лампы - ведь в этом случае пусковой резистор R4 оказывается
отключенным от высоковольтного напряжения.
В ЭПРА установлен электролитический конденсатор
С4 типа ASH-ELB 043. Эти, специально разработанные для применения в электронных
схемах питания люминесцентных ламп, конденсаторы характеризуются большим сроком
службы (15000 часов) при температурах до 85°С и выдерживают значительные
пульсации тока.
Силовыми ключами в инверторе являются полевые
МОП-транзисторы типа PHX3N50E (индекс "Е" свидетельствует о
повышенной надежности прибора). Благодаря использованию принципа переключения
при нулевом напряжении, потери на переключение МОП-транзисторов минимизированы.
Нагрев каждого из транзисторов вызывается только потерями в проводящем состоянии,
и степень повышения температуры зависит от сопротивления открыто го канала
сток-исток (Rds on) и теплового сопротивления корпуса (Rth)-Продолжительности
этапов подогрева и зажигания достаточно малы, в силу чего выбор типа
МОП-транзистора был обусловлен величиной тока, протекающего через балластную
катушку индуктивности в режиме горения лампы. PHX3N50E характеризуются
максимальным постоянным напряжением сток-исток 500 В и сопротивлением открытого
канала менее 3 Ом, что делает эти приборы весьма привлекательными для
применения данного ЭПРА.
Конструкция выдерживающей пиковые токи зажигания
до 2,5 А балластной катушки L1 с индуктивностью 1 мГн позволяет применять ее в
схемах без защитного заземления.
Поджигающим в ЭПРА является конденсатор С7 с
емкостью 8,2 нФ типа КР/ММКР376. Этот тип конденсаторов разработан для
применения в цепях с высокими скоростями нарастания напряжения и большой
частотой повторения. Установленный конденсатор способен выдержать размах
напряжения до 1700 В (600 В действующего значения синусоидального напряжения).
"Сердцем" ЭПРА является UBA2021. Эта
специализированная ИМС предназначена для управления компактными и трубчатыми
люминесцентными лампами. В состав UBA2021 входит высоковольтный драйвер со
схемой запуска, генератор и таймер, обеспечивающие управление на стадиях пуска,
подогрева, зажигания и горения лампы, а также защиту от емкостного режима. ИМС
выдерживает напряжения до 390 В и кратковременные всплески напряжений (t <
0,5 с) до 570 В. Низковольтное напряжение питания внутренне фиксируется, что
устраняет необходимость установки внешнего стабилитрона. Фиксация
осуществляется при токах до 14 мА с кратковременными (t < 0,5 с) всплесками
до 35 мА.
6. ЗАЖИГАЮЩИЕ УСТРОЙСТВА ДЛЯ
ЛАМП ВЫСОКОГО ДАВЛЕНИЯ
Как уже указывалось, лампы высокого давления
зажигаются без предварительного нагрева электродов. Лампы требуют для своего
зажигания значительных импульсов напряжения, исключение составляют
четырехэлектродные лампы типа ДРЛ, которые зажигаются от синусоидального
напряжения сети. Зажигающие устройства для ламп высокого давления обычно
содержат импульсные генераторы, которые автоматически отключаются после пробоя
лампы. По способу подключения импульсного генератора по отношению к лампе
различают схемы параллельного и последовательного поджига. Кроме того,
импульсные зажигающие устройства можно разделить на четыре группы, по способу
генерации импульсного напряжения: 1) прерыватели, которые обеспечивают
генерацию на лампе импульсного напряжения за счет энергии, запасенной в
индуктивности дросселя в момент прерывания пускового тока. Работа этих
устройств принципиально не отличается от работы стартеров тлеющего разряда;
) резонансные, в которых импульсное напряжение
возникает за счет разряда в резонансном контуре, образованном балластным
дросселем и дополнительным конденсатором;
) конденсаторные, в которых энергия, необходимая
для формирования импульса, накапливается в специальном накопительном конденсаторе, а затем конденсатор
разряжается на первичную обмотку импульсного трансформатора, создавая на вторичной
обмотке импульс, амплитуда которого определяется коэффициентом трансформации
этого трансформатора;

) комбинированные, в которых одновременно
используется несколько способов генерации.
Основным коммутирующим элементом всех устройств
являются полупроводниковые приборы, управляемые обычно напряжением, создаваемым
на элементах схемы.
Для включения ламп высокого давления типов ДРИ и
ДНаТ выпускаются импульсные зажигающие устройства (ИЗУ), выполненные по схемам
параллельного или последовательного, поджнга.
На рис. 20, а приведена принципиальная схема
параллельного поджига, состоящая из импульсного трансформатора с первичной W1
и вторичной W2 обмотками,
основного накопительного конденсатора С1 тиристора VS
и стабилитрона VD.
При подаче на схему напряжения питания начинается заряд конденсатора С1
через конденсатор С2, резистор R
и вторичную обмотку трансформатора W2.
При заряде конденсатора С1 до напряжения стабилизации стабилитрона VD
в цепи управляющего электрода тиристора VS
появляется ток, тиристор открывается и конденсатор С1 разряжается на
обмотку с меньшим числом витков W1
импульсного трансформатора. Во вторичной обмотке индуцируются импульсы высокого
напряжения. Амплитуда импульсов может изменяться в зависимости от коэффициента
трансформации импульсного трансформатора. Длительность и число импульсов в
серии можно регулировать параметрами конденсатора С2 и резистора R.
По аналогичной схеме выпускаются универсальные импульсные зажигающие устройства
(УИЗУ) и ИЗУ, применяемые для зажигания ламп типов ДРИ и ДНаТ. Основные
параметры ИЗУ и УИЗУ приведены в табл. 2. Недостатком схем параллельного
поджига является шунтирующее действие индуктивности дросселя, что снижает
амплитуду импульса.
Таблица №2. Параметры ИЗУ и УИЗУ.
В схемах последовательного поджига обмотка
импульсного трансформатора включается последовательно с лампой, поэтому она
должна быть рассчитана на полный ток лампы. Кроме того, включение в токовую
цепь лампы дополнительного сопротивления вызывает необходимость изменения
параметров балластного дросселя, что препятствует использованию одних и тех же
дросселей, например для ламп типов ДРЛ и ДРИ. Принципиальная схема включения
лампы с ИЗУ последовательного типа приведена на рис. 20,б. Импульсные
зажигающие устройства используют с натриевыми лампами высокого давления, для
которых унификация параметров дросселей менее важна, так как эти лампы из-за
меньших значений рабочего напряжения требуют применения специальных дросселей.
СПИСОК ЛИТЕРАТУРЫ
1. Афанасьева
Е. И., Скобелев В. М. Источники света и пускорегулирующая аппаратура: Учебник
для техникумов. - 2-е изд., перераб. - М.: Энергоатомиздат, 1986. - 272 с: ил.
. Краснопольский
А. Е. и др. Пускорегулирующие аппараты для разрядных ламп/ А. Е.
Краснопольский, В. Б. Соколов, А. М. Троицкий; Под общ. ред. А. Е.
Краснопольского.- М.: Энергоатомиздат, 1988.- 208 с: ил.
. Березин
М.Ю., Троицкий А.М. Электронные пускорегулирующие аппараты для разрядных ламп
высокого давления. Новости светотехники. Выпуск 8. Обзор зарубежной литературы
под. ред. Ю.Б. Айзенберга. М.: Дом Света, 1998. С.3-16.