Разработка мероприятий по экономии электроэнергии в осветительных установках УЛК-6 главного корпуса ОмГТУ
Содержание
Введение
1. Энергетическое
обследование
1.1 Виды энергетического
обследования
.2 Этапы энергетического
обследования
.3 Светотехнический
энергоаудит
. Обследование системы
освещения УЛК-6 и главного корпуса ОмГТУ
.1 Характеристика
объектов
.2 Определение мощности
осветительной установки
.3 Определение уровня
освещенности в помещениях корпусов
.4 Анализ мощности
осветительных установок, времени использования и качества светильников
.5 Определение расхода
электроэнергии на освещение
. Мероприятия по
экономии электроэнергии в осветительных установках УЛК-6 и главного корпуса
ОмГТУ
.1 Организационные
мероприятия
.2. Модернизация
осветительной установки путем замены ламп накаливания на компактные
люминесцентные лампы
.3 Модернизация
осветительной установки путем замены светильников с люминесцентными лампами Т8
на светильники с люминесцентными лампами Т5
.4 Модернизация
осветительной установки путем замены электромагнитных пускорегулирующих
аппаратов на электронные
.5 Пример модернизации
осветительной установки в программном комплексе DiaLux 4.9 для коридора и
лекционной аудитории
.6. Определение
потенциала сбережения электроэнергии в осветительных установках главного
корпуса и УЛК-6 ОмГТУ
. Безопасность
жизнедеятельности
.1 Принцип действия и
назначение защитного заземления
.2 Оказание первой
доврачебной помощи пострадавшим
. Экономическая часть
. Энергосбережение
Заключение
Библиографический список
Приложение А. Методика
расчета экономии электроэнергии в действующих осветительных установках при
проведении энергетического аудита
Приложение Б. Сведения
об осветительном оборудовании и результаты измерения освещенности в главном
корпусе ОмГТУ
Приложение В. Сведения
об осветительном оборудовании и результаты измерения освещенности в УЛК-6 ОмГТУ
Введение
В настоящее время в стране на
освещение расходуется около 13% всей вырабатываемой электроэнергии, что
составляет порядка 108 млрд. кВт·ч в год. Более 65% потребляют осветительные
установки (ОУ) промышленных предприятий и общественных зданий [1]. Почти вся эта
электроэнергия расходуется недостаточно эффективно - используются устаревшие
неэкономичные источники света и светильники, не уделяется должного внимания
выбору систем освещения, размещению светильников, вопросам регулирования и
эксплуатации освещения.
На большинстве объектов отсутствует
полная информация об осветительной установке: числе светильников, их типе,
мощности ламп, особенностях электрического питания, в том числе о наличии
расфазировки, числе часов использования в год, сроках и методах очистки и т.д.
Во многих случаях это является следствием недооценки значимости освещения. А за
этим следует увеличение расходов на освещение. По этой причине становится
очевидной необходимость энергосбережения в осветительных установках.
Кроме того, необходимо законодательное
закрепление энергосберегающих требований к светотехническим изделиям и
установкам в стандартах, нормах и правилах. Вновь создаваемые и
реконструируемые ОУ должны соответствовать требованиям энергосберегающих норм.
Выполнение энергосберегающих норм
позволит снизить затраты электроэнергии в ОУ зданий на 20 - 60 %.
1. Энергетическое обследование
Назначение и порядок проведения
энергетического обследования.
. Энергетическое обследование может
проводиться в отношении продукции, технологического процесса, а также
юридического лица, индивидуального предпринимателя [9].
. Основными целями энергетического
обследования являются:
) получение объективных данных об
объеме используемых энергетических ресурсов;
) определение показателей
энергетической эффективности;
) определение потенциала
энергосбережения и повышения энергетической эффективности;
) разработка перечня типовых,
общедоступных мероприятий по энергосбережению и повышению энергетической
эффективности и проведение их стоимостной оценки.
Определение из закона «Об
энергосбережении…»:
Энергетическое
обследование - сбор и обработка
информации об использовании энергетических ресурсов в целях получения
достоверной информации об объеме используемых энергетических ресурсов, о
показателях энергетической эффективности, выявления возможностей
энергосбережения и повышения энергетической эффективности с отражением
полученных результатов в энергетическом паспорте.
Проведение энергетического
обследования является обязательным для следующих лиц:
) органы государственной власти,
органы местного самоуправления, наделенные правами юридических лиц;
) организации с участием государства
или муниципального образования;
) организации, осуществляющие
регулируемые виды деятельности;
) организации, осуществляющие
производство и (или) транспортировку воды, природного газа, тепловой энергии,
электрической энергии, добычу природного газа, нефти, угля, производство
нефтепродуктов, переработку природного газа, нефти, транспортировку нефти,
нефтепродуктов;
) организации, совокупные затраты
которых на потребление природного газа, дизельного и иного топлива, мазута,
тепловой энергии, угля, электрической энергии превышают десять миллионов рублей
за календарный год;
) организации, проводящие
мероприятия в области энергосбережения и повышения энергетической
эффективности, финансируемые полностью или частично за счет средств
федерального бюджета, бюджетов субъектов Российской Федерации, местных
бюджетов.
Общей целью энергетического
обследования является оценка эффективности использования ЭР (энергоресурсов)
(твердого топлива, нефти, природного и попутного газа, продуктов их
переработки, электрической и тепловой энергии), а также снижение затрат
потребителей и реализация энергоэффективных решений.
Энергетические обследования
направлены на решение следующих основных задач:
· оценка фактического
состояния энергоиспользования в организации;
· выявление причин
возникновения и определение значений потерь ЭР;
· разработка плана
мероприятий, направленных на снижение потерь ЭР;
· анализ договоров с
энергоснабжающими организациями и субабонентами;
· анализ
чувствительности производства к режимам энергоснабжения и качеству получаемых
энергоресурсов;
· выявление и оценка
резервов экономии топлива и энергии;
· определение
рациональных размеров энергопотребления;
· анализ деятельности
предприятия по энергосбережению;
· выработка
требований к организации по совершенствованию учета и контроля расхода
энергоносителей;
· получение исходной
информации для решения вопросов совершенствования систем энергоснабжения с целью
снижения энергетических затрат, оптимизации структуры энергетического баланса
путем выбора оптимальных направлений, способов и размеров использования
подведенных и вторичных ЭР.
Периодичность проведения
обязательных энергетических обследований потребителей ЭР - один раз в пять лет.
Деятельность по проведению
энергетического обследования вправе осуществлять только лица, являющиеся
членами саморегулируемых организаций в области энергетического обследования.
1.1 Виды энергетических обследований
. По срокам проведения
энергетические обследования потребителей ТЭР подразделяются на:
а) первичные.
Проводятся в отношении потребителей
ТЭР, ранее не подвергавшихся энергетическим обследованиям (энергоаудиту) или
перерыв в обследованиях которых составляет более 5 лет;
б) очередные.
Проводятся не реже одного раза в
пять лет, и не чаще, чем один раз в два года в плановом порядке - для сравнения
текущих показателей энергоэффективности с показателями, определенными
предыдущим обследованием, сертификации потребителя ТЭР в системе добровольной
сертификации РИЭР, внесения изменений в энергетический паспорт и т.д.;
в) внеочередные.
Проводятся при выявлении у
потребителя ТЭР роста объемов потребления ТЭР, снижения эффективности
использования ТЭР, роста себестоимости продукции и топливной составляющей в
ней, выбросов в атмосферу и т.д., а также в случае обращения потребителя ТЭР в
органы государственной власти за предоставлением льгот, связанных с
использованием ТЭР; при проверке обоснованности заявленных технологических потерь
ТЭР и тарифов при утверждении, а также оценки их составляющих; при изменении
вида используемого топлива - независимо от количества потребляемых ТЭР; при
увеличении потребности в ТЭР более чем на 25% от установленной в результате
плановых проверок;
г) предэксплуатационные.
Проводятся перед началом или в
начале эксплуатации оборудования потребителем ТЭР для определения первичных
характеристик энергоэффективности и их соответствия паспортным, проектным и
нормативным показателям - для основного энергопотребляющего оборудования (более
5% от потребляемого вида ТЭР), генерирующего оборудования и оборудования в
составе систем энергоснабжения - при его замене, капитальном ремонте, изменении
условий и режимов эксплуатации.
. По объемам проводимых работ
энергетические обследования (энергоаудит) потребителей ТЭР подразделяются на:
а) экспресс - обследования
(экспресс-аудит).
Проводится по сокращенной программе,
как правило, с минимальным использованием или без использования приборного
оборудования и носит ограниченный по объему и времени проведения характер. При
этом может производиться оценка эффективности использования всех или одного из
видов ТЭР (электрическая и тепловая энергии; твердое, жидкое или газообразное
топливо), вторичных энергоресурсов, функционирования отдельной группы
оборудования (отдельного агрегата), либо отдельных показателей
энергоэффективности и т.д.;
б) полные инструментальные
обследования.
Проводятся по всем видам ТЭР с
инструментальными замерами, необходимый объем которых определяется энергоаудитором
в соответствии с согласованной программой данного энергетического обследования;
в) комплексные обследования.
Обследования, совмещающие в себе
различные цели проведения данных работ и совмещающие различные виды аудита
(энергетический и экологический, энергетический и сертификация по системе
добровольной сертификации РИЭР, экологический и сертификация по системе
добровольной сертификации РИЭР и пр.);
г) локальные обследования
(обследования технологических процессов).
В зависимости от целей проводимых работ
допускаются любые комбинации видов энергетических обследований и энергоаудитов.
При определении целесообразности
проведения энергоаудита предприятия или какого-либо его подразделения, можно
руководствоваться следующими соображениями:
при составлении доли энергозатрат в
себестоимости 5-10%, проведения обследования нецелесообразно, поскольку
возможная величина экономии энергоресурсов потребует больших сроков окупаемости
внедряемых мероприятий и незначительно отразится на снижении себестоимости
продукции.
при составлении доли энергозатрат
более 10%, проведение обследования экономически целесообразно, причем чем выше
данная составляющая, тем короче сроки окупаемости внедренных мероприятий по
экономии энергоресурсов и значительное снижение себестоимости выпускаемой
продукции.
При первичном обследовании
производится оценка эффективности использования ТЭР (проверяется эффективность
работы оборудования, использующего ТЭР, состояние учёта используемых ТЭР,
отчётность по их использованию, анализ затрат на топливо - и энергообеспечение
и т.д.).
Эффективность использования ТЭР
определяется только по результатам полного инструментального обследования.
Оценка эффективности использования
ТЭР производится за предшествующий году обследования период (базовый период).
Результаты обследования заносятся в
энергетический паспорт потребителя ТЭР установленного образца.
По результатам обследования выдаётся
предписание (рекомендации) об устранении нарушений в использовании ТЭР и
повышении эффективности их использования.
При периодическом (повторном)
обследовании проверяется выполнение ранее выданных предписаний (рекомендаций),
оценивается динамика потребления ТЭР и их удельных затрат на выпуск продукции
(энергоёмкость, стоимость ТЭР в общих материальных затратах производства).
По результатам обследования вносятся
изменения в энергетический паспорт потребителя ТЭР и выдаётся предписание
(рекомендации).
1.2 Этапы энергетического обследования
Энергетическое обследование содержит
следующие этапы:
.Сбор документации.
. Обследование объекта
(инструментальное, по имеющимся стационарным измерительным приборам, расчетные
методы).
. Анализ информации.
. Разработка рекомендаций по
энергосбережению.
. Составление энергетического
паспорта организации.
Сбор документации. Этот этап состоит из двух частей:
. Встречи и обсуждения с
руководителем предприятия, организации, учреждения.
. Сбор технической информации и
основных сведений об объекте.
Для начала работы по обследованию
предприятия аудиторы должны получить общее представление о предприятии, разобраться
в его структуре, ознакомиться с технологическими процессами и получить перечень
основного оборудования, попытаться выявить наиболее вероятные места потерь
энергоресурсов, оценить заинтересованность руководства объекта в проведении
энергоаудита.
Во второй части энергоаудита
необходимо собрать имеющуюся на предприятии информацию о потреблении всех
ресурсов и выпуске продукции в натуральном и денежном выражении на протяжении
не менее 12 последних месяцев.
Источниками информации являются:
· отчетная
документация по коммерческому и техническому учету энергоресурсов;
· схемы
энергоснабжения и учета энергоресурсов;
· счета от
поставщиков энергоресурсов;
· техническая
документация на используемое оборудование;
· отчетная
документация по ремонтным и энергосберегающим мероприятиям.
Как правило, полнота и качество этих
данных характеризуют объем работы по предстоящему обследованию предприятия.
Исходя из этой информации аудитор
составляет программу, уточняет стоимость и сроки работы.
Инструментальное
обследование.
Инструментальное обследование
применяется для восполнения отсутствующей информации, которая необходима для
оценки эффективности энергоиспользования, но не может быть получена из
документов, или в том случае если, имеющаяся информация вызывает сомнение.
При проведении измерений следует
максимально использовать уже существующие узлы учета энергоресурсов.
При инструментальном обследовании
объект делится на отдельные системы и объекты, которые подлежат комплексному
обследованию.
Измерения при инструментальном
обследовании подразделяются на следующие виды:
Однократные измерения - наиболее
простой вид измерений, при котором исследуется энергоэффективность отдельного
объекта при работе в определенном режиме.
Примером может служить измерение КПД
котла, обследование насосов, вентиляторов, компрессоров и т.д. Для однократных
измерений достаточен минимальный набор измерительных приборов, оснащение
которых записывающими устройствами не обязательно.
Балансовые измерения применяются при
составлении баланса распределения какого-либо энергоресурса отдельными
потребителями, участками, подразделениями или предприятиями. Перед проведением
балансовых измерений необходимо иметь точную схему распределения
энергоносителя, по которой должен быть составлен план замеров, необходимых для
сведения баланса. Для проведения балансовых измерений желательно иметь
несколько измерительных приборов для одновременных замеров в различных точках.
Рекомендуется использовать стационарные приборы, имеющиеся на предприятии,
например системы коммерческого и технического учета энергоресурсов. При
отсутствии достаточного количества приборов обеспечивается установившийся режим
работы всего оборудования, подключенного к распределительной сети, и включается
возможность изменения баланса вручную. На основе результатов балансовых
измерений часто происходит уточнение схем энергоснабжения.
Регистрация параметров - определение
зависимости какого-либо параметра во времени. Примером таких измерений может
служить снятие суточного графика нагрузки, определение температурной
зависимости потребления тепла и т.д. Для этого вида измерений необходимо
использовать приборы с внутренними или внешними устройствами записи и хранения
данных и возможностью передачи их на компьютер. В ряде случаев допускается
применение стационарных счетчиков без записывающих устройств при условии снятия
их показаний через равные промежутки времени.
Анализ информации.
Целью данного этапа является
критический анализ отобранной на предыдущих этапах информации для того, чтобы
предложить пути снижения затрат на энергоресурсы. Существуют три основных
способа снижению энергопотребления:
· исключить
нерациональное использование;
· устранить потери;
· повысить
эффективность преобразования.
Вся информация, полученная из
документов или путем инструментального обследования, является исходным
материалом для аналитических расчетов и анализа эффективности
энергоиспользования.
Методы анализа подразделяются на
физические и финансово-экономические.
Физический анализ оперирует с
физическими (натуральными) величинами и имеет целью определение характеристик
эффективности энергоиспользования.
Финансово-экономический анализ
проводится параллельно с физическим и имеет целью придать экономическое
обоснование выводам, полученным на основании физического анализа. На этом этапе
вычисляется распределение затрат на энергоресурсы по всем объектам
энергопотребления и видам энергоресурсов. Оцениваются прямые потери в денежном
выражении.
Разработка рекомендаций
по энергосбережению.
Энергосберегающие рекомендации
разрабатываются путем применения типовых методов энергосбережения к выявленным
на этапе анализа объектам с наиболее расточительным или неэффективным
использованием энергоресурсов.
При разработке рекомендаций
необходимо:
· определить
техническую суть предлагаемого усовершенствования и принцип получения экономии;
· рассчитать
потенциальную годовую экономию в физическом и денежном выражении;
· определить состав
оборудования, необходимого для реализации рекомендаций, его примерную
стоимость, стоимость доставки, установки и ввода в эксплуатацию;
· рассмотреть все
возможности снижения затрат, например изготовление и монтаж оборудования силами
самого предприятия, организации, учреждения;
· определить
возможные побочные эффекты от внедрения рекомендаций, влияющие на реальную
экономическую эффективность;
· оценить общий
экономический эффект предлагаемой рекомендации с учетом всего
вышеперечисленного.
Для взаимозависимых рекомендаций
рассчитываются, как минимум, два показателя экономической эффективности:
. Эффект при условии выполнения только
данной рекомендации.
. Эффект при условии выполнения всех
предлагаемых рекомендаций.
После оценки экономической
эффективности все рекомендации классифицируются по трем категориям:
) беззатратные и
низкозатратные - осуществляемые в порядке текущей деятельности предприятия;
) среднезатратные -
осуществляемые, как правило, за счет собственных средств предприятия,
организации, учреждения;
) высокозатратные -
требующие дополнительных инвестиций, осуществляемые, как правило, с
привлечением заемных средств.
В заключение все энергосберегающие
рекомендации сводятся в одну таблицу, в которой они располагаются по трем
категориям, перечисленным выше. В каждой из категорий рекомендации
располагаются в порядке понижения их экономической эффективности.
Такой порядок рекомендаций
соответствует наиболее оптимальной очередности их выполнения.
Оформление результатов
энергетического обследования.
По завершении энергетического
обследования оформляется следующая документация:
· отчет о проведенном
энергетическом обследовании;
· энергетический
паспорт организации;
· рекомендации (по
согласованию с руководством обследованной организации - программу) по повышению
эффективности использования ТЭР и снижению затрат на энергообеспечение.
Косвенная оценка параметров
эффективности использования топливно-энергетических ресурсов не допускается.
В результате энергетического
обследования необходимо дать оценку эффективности использования ТЭР в
организации, раскрыть причины выявленных нарушений в их использовании, выявить
имеющиеся резервы экономии.
Отчет о проведенном энергетическом
обследовании подписывается всеми участниками обследования, после чего в него
запрещается вносить изменения и дополнения. При наличии разногласий по
содержанию отчета окончательное решение принимает руководитель обследования.
Участники обследования, а также
представители обследуемой организации, не согласные с указанным решением,
вправе изложить свое собственное мнение, которое прилагается к отчету.
Отчет доводится до сведения
руководителя обследуемой организации, который им подписывается. В случае отказа
руководителя подписать отчет энергетического обследования руководителем
обследования делается соответствующая запись.
Оборудование для
проведения энергоаудита.
При проведении энергоаудита, как
правило, необходимо выполнять те или иные измерения для подтверждения имеющейся
информации о параметрах энергоустановок, для получения отсутствующих данных об
их характеристиках, для составления энергетических балансов.
Измерительное оборудование, использующееся при выполнении энергоаудита, должно
отвечать следующим общим основным требованиям, накладываемым условиями и
спецификой проводимой работы:
· компактность,
переносное исполнение;
· универсальность,
т.е. возможность решения как можно большего
количества задач с помощью одного
прибора;
· надежность в
работе;
· удобство монтажа и
простота при выполнении измерений;
· защищенность от
внешних воздействий, устойчивость к повреждениям;
· автономное питание
в течение значительного времени;
· минимальные
требования к обслуживанию в процессе эксплуатации.
Инструментальное
обследование системы освещения.
Целью инструментального обследования
в системах освещения является определение основных параметров системы, влияющих
на энергопотребление.
Таковыми параметрами являются:
средняя освещенность рабочей поверхности: коэффициент естественной
освещенности, значение напряжения питающей среды, коэффициенты отражения
поверхностей помещения, время использования искусственного освещения.
При проведении инструментального
обследования вначале производится анализ осветительной установки на
соответствие проекту. Особое внимание уделяется укомплектованности светильников
защитными стеклами, экранирующими решетками и сетками (если эти приспособления
предусмотрены проектом), на соответствие мощности ламп, указанной в проекте, и
на правильность расположения светильников.
При обследовании фиксируется также
рациональность примененных типов светильников и их техническое состояние, в
особенности степень запыленности, укомплектованность. Основная часть инструментального
обследования сводится к измерению освещенности от искусственных и естественных
источников света на нормируемой поверхности.
Содержание отчета.
Отчет должен быть кратким и
конкретным, все работы и материалы обследования следует выносить в приложения.
Основные числовые данные (состав энергоресурсов, ассортимент выпускаемой
продукции, структуру энергопотребления, структуру затрат на энергоносители и
ряд других) надо представлять в виде таблиц и круговых диаграмм. Суточные,
недельные и годовые графики потребления различных видов энергоресурсов следует
представлять в виде линейных или столбчатых графиков.
Отчет о проведении энергетического
обследования должен содержать следующие разделы:
. Основные итоги.
. Перечень энергосберегающих
мероприятий.
. Результаты обследования
конструкций здания.
. Результаты обследований систем
отопления и горячего водоснабжения.
. Результаты обследования систем
вентиляции (кондиционирования).
. Результаты обследования
электроустановок здания.
. Результаты обследования систем
водоснабжения.
. Энергобалансы здания.
. Организация учета энергоресурсов.
. Паспорт здания.
. Обследование объема потребления
топливно-энергетических ресурсов (лимитов в натуральном и стоимостном
выражении).
Основные итоги (раздел 1). В данном
разделе должна быть информация, позволяющая понять в целом состояние
энергопотребления, наметить основные направления работ в области
энергосбережения и оценить финансовые затраты.
К такой информации можно отнести:
объем потребляемых энергоресурсов;
общие затраты на энергоресурсы;
потенциал энергосбережения;
затраты на энергосберегающие
мероприятия;
наиболее эффективные
энергосберегающие мероприятия;
состояние систем энергоснабжения;
Перечень энергосберегающих
мероприятий. Следует выделить малозатратные, среднезатратные и высокозатратные
мероприятия, а также по каждому мероприятию указать стоимость и срок
окупаемости.
1.3 Светотехнический энергоаудит
Итак, важной составляющей системы
энергетического менеджмента является энергоаудит - отправная точка развития программы
повышения энергоэффективности любого предприятия. Он позволяет проанализировать
использование энергетических ресурсов предприятий, их стоимость, выявить места
нерационального использования ресурсов, разработать программу энергосберегающих
мероприятий. Частью энергоаудита является светотехнический энергоаудит.
Светотехнический энергоаудит - это
обследование осветительной установки предприятия с целью определения
рациональности энергоиспользования, оценки потенциала энергосбережения и
разработки наиболее эффективных способов его реализации. Для проведения
светотехнического энергоаудита необходимы руководящие материалы [10] -
специальные указания, согласно которым методология светотехнического
энергоаудита делится на четыре основные этапа:
1-ый этап. Ознакомление с осветительной установкой предприятия, сбор и
анализ всей информации по источникам света, светильникам, пускорегулирующим
аппаратам, системам и способам освещения, значениям освещенности, организации
эксплуатации и способам обслуживания.
2-ой этап. Оценка эффективности осветительной установки по удельным
энергетическим показателям.
3-ий этап. Разработка рекомендаций по повышению энергоэффективности
осветительной установки.
4-ый этап. Экспертиза разработанных предложений.
Проведению энергоаудита должен
предшествовать выход приказа за подписью директора предприятия с указанием
сроков его проведения и состава бригады по проведению энергоаудита.
В результате проведения
светотехнического энергоаудита должны быть определены рекомендуемые мероприятия
по энергосбережению в ОУ. Методика расчета экономии электроэнергии в
действующих ОУ помещений при проведении энергетического аудита приведена в
приложении А.
2. Обследование системы освещения УЛК-6 и главного корпуса ОмГТУ
При обследовании системы освещения
анализировались следующие данные:
· тип, количество и
мощность используемых ламп;
· тип и количество
существующих светильников;
· количество
неработающих ламп в светильниках;
· расположение
светильников в коридорах и помещениях;
· режим работы
системы искусственного освещения;
· система управления
освещением;
· фактический и
нормированный уровень освещенности;
· оценка отделочных
материалов стен на отражающие свойства;
· степень загрязнения
окон и плафонов светильников.
Полученные данные систематизировались
и сводились в таблицы, на основании которых производился дальнейший анализ
осветительных установок, и предлагались энергосберегающие мероприятия.
2.1 Характеристика объектов
Главный корпус. Четырехэтажное здание. В основном применена коридорная планировка
с двухсторонним расположением помещений, поэтому большинство коридоров не имеют
естественного свода, что частично восполняется наличием световых карманов.
В корпусе располагаются управление
ВУЗа, бухгалтерия, учебный и научный фонд библиотеки, читальный зал, актовый
зал, зал заседания ученого совета, два спортивных зала, различные кафедры и
другие подразделения ВУЗа. Большинство помещений являются административными.
Естественное освещение рабочих
помещений выполнено ленточными окнами и соответствует требованиям современных
СНиП 23-05-95 [12].
В качестве источников света
используются лампы накаливания, компактные люминесцентные лампы, люминесцентные
лампы серии Т8, металлогалогенные лампы. Основу осветительных приборов для
люминесцентных ламп составляют двухламповые светильники с плафонами. Они давно
отработали свой ресурс и имеют низкий коэффициент полезного действия. Во многих
помещениях (например, в холле, бухгалтерии, актовом зале) применены системы
подвесных потолков. В связи с этим, применяются современные встраиваемые
светильники. По внешнему виду, качеству освещения и энергосбережению они
намного превосходят параметры остальных ОУ.
УЛК-6. Четырехэтажное здание. В основном применена коридорная планировка
с двухсторонним расположением помещений, поэтому большинство коридоров не имеют
естественного свода, что частично восполняется наличием световых карманов.
В корпусе располагаются читальный
зал, различные кафедры и другие подразделения ВУЗа.
Естественное освещение рабочих
помещений выполнено ленточными окнами и соответствует требованиям современных
СНиП 23-05-95 [12].
В качестве источников света
используются лампы накаливания, компактные люминесцентные лампы, люминесцентные
лампы серии Т8. Основу осветительных приборов для люминесцентных ламп составляют
двухламповые светильники с плафонами. Они давно отработали свой ресурс и имеют
низкий коэффициент полезного действия. В некоторых помещениях (например,
читальном зале, на всем четвертом этаже) применены системы подвесных потолков.
В связи с этим, применяются современные встраиваемые светильники. По внешнему
виду, качеству освещения и энергосбережению они намного превосходят параметры
остальных ОУ.
2.2 Определение мощности осветительной установки
Для определения мощности ОУ по
каждому корпусу проводилось обследование всех помещений. Фиксировалась
информация о типе, количестве и мощности используемых ламп, количестве
установленных светильников, количестве неработающих ламп в светильниках.
Сведения об осветительном оборудовании главного корпуса и УЛК-6 приведены в
таблицах Б.1, Б.2 и В.1, В.2 соответственно.
Таким образом, было определено, что
установленная мощность ОУ главного корпуса составляет 21,12 кВт в коридорах и
156,39 кВт в аудиториях различного назначения. В УЛК-6 установленная мощность
ОУ составляет 21,35 кВт в коридорах и 142,49 кВт в аудиториях различного
назначения.
2.3 Определение уровня освещенности в помещениях корпусов
Важным фактором, влияющим на выбор
энергосберегающих мероприятий, является фактический уровень освещенности
помещений. В ходе обследования измерения проводились аттестованным портативным
люксметром Testo 545.
С помощью люксметра проводились
измерения освещенности в точках предполагаемого минимума и максимума
освещенности на рабочих местах (в аудиториях и рабочих кабинетах), на полу (в
коридорах, холлах, спортзалах) и на учебных досках (в центре доски) [16].
Методы определения освещенности изложены в ГОСТ 24940-96 [4].
Кроме того, в ходе измерений
фиксировались следующие характеристики:
· светлота отделки
пола, потолка и стен;
· количество
выключателей в помещении;
· степень
загрязненности поверхностей помещения, светильников и окон.
Результаты всех измерений приведены
в таблицах Б.3 и Б.4 для главного корпуса и в таблицах В.3 и В.4 для УЛК-6.
Полученные результаты сравнивались с
нормируемыми показателями освещения помещений по СанПиН 2.2.1/2.1.1.1278-03
[11].
На основе этих данных был определен
процент помещений, в которых освещенность не соответствует нормируемой. Так, в
главном корпусе 9% помещений не удовлетворяют требованиям [12], а в УЛК-6 - 12%
.
Рисунок 2.1 - Уровень освещенности
помещений главного корпуса
Рисунок 2.2 - Уровень освещенности
помещений УЛК-6
2.4 Анализ мощности осветительных установок, времени использования
и качества светильников
На основании данных подраздела 2.2
осуществлялся анализ мощности осветительных установок.
Как было сказано в характеристике
объектов, в главном корпусе используются лампы накаливания, компактные
люминесцентные лампы, люминесцентные лампы серии Т8, металлогалогенные лампы. В
УЛК-6 - лампы накаливания, компактные люминесцентные лампы, люминесцентные
лампы серии Т8. Ниже представлены структура установленной мощности и расхода
электроэнергии данными типами ламп в каждом корпусе, а также структура
установленной мощности и расхода электроэнергии источниками света в зависимости
от назначения помещений, в которых они установлены.

Рисунок 2.3 - Структура
установленной мощности источников света в главном корпусе

Рисунок 2.4 - Структура расхода
электроэнергии источниками света в главном корпусе

Рисунок 2.5 - Структура
установленной мощности источников света в УЛК-6

Рисунок 2.6 - Структура расхода
электроэнергии источниками света в УЛК-6

Рисунок 2.7 - Структура
установленной мощности источников света в главном корпусе в зависимости от
назначения помещений

Рисунок 2.8 - Структура расхода
электроэнергии источниками света в главном корпусе в зависимости от назначения
помещений

Рисунок 2.9 - Структура
установленной мощности источников света в УЛК-6 в зависимости от назначения
помещений

Рисунок 2.10 - Структура расхода
электроэнергии источниками света в УЛК-6 в зависимости от назначения помещений
При расчете расхода электроэнергии
ОУ одним из важных параметров является годовое число часов использования
светильников. При его определении использовались справочные данные [13],
фрагмент которых приведен в таблице 2.1.
Так как г. Омск располагается на
широте 56 градусов, годовое число часов использования осветительной нагрузки
принималось равным 600 ч при односменном режиме работы, и 2250 ч при
двухсменном режиме.
Таблица 2.1 - Годовое число часов
использования осветительной нагрузки
|
Вид осветительной установки
|
TГ,
ч
|
|
Внутреннее освещение: при односменной работе на широте, град: 46
56 64 при двухсменной работе, независимо от широты при трехсменной работе
|
550
600 700 2250 4150
|
|
Наружное освещение: включенное всю ночь выключаемое в час ночи
|
3500 2400
|
В итоге, для каждого помещения было
определено годовое число часов использования осветительной нагрузки. Результаты
приведены в таблицах Б.1 и Б.2 для главного корпуса, и в таблицах В.1 и В.2 для
УЛК-6.
Что касается качества светильников,
то, как было сказано в характеристике объектов, большая часть их давно
отработала свой ресурс и имеет низкий КПД. Установленные двухламповые
светильники для ЛЛ морально устарели. Многие плафоны со временем потемнели,
что, безусловно, сказывается на уровне освещенности, создаваемом осветительным
прибором.
Но с каждым годом количество
современных светильников, имеющих значительно лучшие технико-экономические
показатели, увеличивается.
2.5 Определение расхода электроэнергии на освещение
На основании таблиц Б.1, Б.2, В.1,
В.2 был определен расход электроэнергии на освещение в каждом из исследуемых
корпусов. В главном корпусе он составил 205139 кВт∙ч, а в УЛК-6 - 132705
кВт∙ч. Доля расхода электроэнергии на освещение по корпусам приведена на
рисунках 2.11 и 2.12.

Рисунок 2.11 - Доля расхода
электроэнергии на освещение в главном корпусе

Рисунок 2.12 - Доля расхода
электроэнергии на освещение в УЛК-6
Полученные в данной главе результаты
в дальнейшем служили основой для определения мероприятий по экономии
электроэнергии, их экономической оценки.
3. Мероприятия по экономии электроэнергии в осветительных
установках главного корпуса и УЛК-6
Бережное, с наибольшим экономическим
эффектом расходование электроэнергии на нужды освещения является важной
задачей. Экономия электроэнергии на освещение не должна достигаться за счет
снижения норм освещенности, отключения части осветительных приборов или отказа
от использования искусственного освещения при недостаточном уровне
естественного света, поскольку уменьшение освещенности приводит к снижению
зрительной работоспособности, ухудшению психофизиологического состояния людей,
повышению травматизма, снижению производительности труда и качества продукции.
Потери от ухудшения условий освещения значительно превосходят стоимость
сэкономленной электроэнергии. Ниже приводятся некоторые рекомендации по
экономному и рациональному использованию электроэнергии в ОУ [15].
. Сокращение областей применения ЛН
(в соответствии с рекомендациями по выбору ИС) и расширение применения РЛ,
преимущественно тех из них, которые обладают наибольшими световой отдачей и
продолжительностью горения.
. В новых и реконструируемых ОУ
использовать энергоэкономичные ИС, в первую очередь люминесцентные лампы нового
поколения типа Т5.
. Применение вместо ЛН ламп КЛЛ,
имеющих в 8-10 раз большую продолжительность горения и в 5 раз большую световую
отдачу.
. Применение системы освещения,
наиболее рациональной для данных условий работы. В помещениях, где выполняются
зрительные работы II-IV
разрядов, экономия электроэнергии от
15 до 50% может быть получена за счет использования системы комбинированного
освещения взамен общего.
. Выбор ОП с наиболее целесообразным
светораспределением и размещение ОП наивыгоднейшим образом.
В помещениях с совмещенным
освещением рекомендуется производить включение и выключение отдельных групп ОП
в зависимости от уровня освещенности, создаваемого естественным светом в
различных зонах помещения. Эта мера дает экономию электроэнергии порядка
10-20%.
В отдельных зонах или помещениях
общественных зданий, на лестницах и в холлах практикуется использование
выключателей с датчиками движения, инфракрасными датчиками, реагирующими на
появление человека, что автоматизирует включение/отключение освещения и
способствует экономии ЭЭ.
6. Применение ПК при проектировании
ОУ на Клип светотехнических расчетов, что позволяет за счет нахождения более
экономичных, чем при ручном
Не вариантов решений снижать
установленную мощность в ОУ с ЛЛ на 15-25%.
. Чистка остеклений окон и световых
фонарей в производственных и общественных зданиях не реже двух раз в год, что
позволит сократить время включения искусственного освещения и даст экономию
электроэнергии в среднем 10-20%.
. Повышение коэффициента использования
естественного и искусственного освещения, для чего окрашивают помещения
производственных и общественных зданий в светлые тона.
. Реконструкция старых ОУ, не
отвечающих современным требованиям.
Нормирование максимально допустимых
значений удельных мощностей ОУ общественных зданий для различных освещенностей
и показателей помещений приведено в МГСН [8].
Далее рассмотрены конкретные
мероприятия, позволяющие снизить расход электроэнергии на освещение в
исследуемых корпусах.
3.1 Организационные мероприятия
) Назначение ответственного за
организацию и проведение мероприятий по энергосбережению, доведение до
назначенного лица единого плана действий по организации энергосбережения;
) Периодическая организация
энергетических обследований с созданием и внесением изменений в энергетический
паспорт, а также корректировкой плана по энергосбережению;
) Повышение качества обслуживания и
эксплуатации энергоустановок;
) Оптимизация работы системы
освещения, исключение нерационального использования, регулярное проведение
очистки светильников;
) регулярно проводить замену
перегоревших ламп.
) Проведение агитационной работы
среди персонала, возможно введение системы поощрений за высокие результаты в
энергосбережении;
) Повышение общего уровня
технической культуры, нацеленной на энергосбережение.
Регулярное проведение очистки
светильников имеет большое значение. Согласно федеральному закону «Об
энергосбережении…» № 261-ФЗ, данное мероприятие позволяет снизить затраты на
освещение 30-40%. Кроме того, покраска стен помещений светлой краской позволяет
снизить затраты на освещение на 10 %. Рекомендуемые
интервалы между осмотрами ОУ для выявления и замены перегоревших ламп приведены
в таблице 3.1.
энергетический обследование
модернизация осветительный
Таблица 3.1 - Интервалы между осмотрами
ОУ для выявления и замены перегоревших ламп
|
Источник света
|
Мощность, Вт
|
Интервалы между заменами ИС, ч, не более*
|
|
ЛЛ
|
любая
|
400
|
|
ЛН
|
любая
|
100
|
* интервалы между заменами
определяются в часах использования ИС.
3.2 Модернизация осветительной установки путем замены ламп
накаливания на компактные люминесцентные лампы
В новых и реконструируемых ОУ
целесообразно использовать энергоэкономичные ИС, которые за последнее
десятилетие получили широкое распространение.
Появление и бурное развитие в
последние годы компактных люминесцентных ламп (КЛЛ), имеющих в 8-10 раз большую
продолжительность горения и в 5 раз большую световую отдачу по сравнению с ЛН,
показывают необходимость значительного расширения применения этих ламп в
наиболее важных сферах - в жилом секторе, а также в коммерческих и
общественно-административных зданиях. КЛЛ малых размеров, имеющие встроенные в
лампу малогабаритные пускорегулирующие аппараты и стандартный резьбовой цоколь
(Е27, Е14, В22), могут заменять напрямую в существующих светильниках ЛН
мощностью от 25 до 100 Вт. Применение таких КЛЛ может быть наиболее эффективным
именно в тех видах ОУ, где сегодня наиболее массовым источником света является
ЛН. Согласно [13], экономия электроэнергии при переходе от ЛН к КЛЛ может
достигать 80%. Сравнительные характеристики КЛЛ и ЛН приведены в таблице 3.2.
Таблица 3.2 - Сравнительные
характеристики КЛЛ и ЛН
|
ЛН
|
КЛЛ
|
Отношение световой отдачи КЛЛ к световой отдаче ЛН, отн. ед.
|
|
мощность, Вт
|
световой поток, лм
|
мощность, Вт
|
световой поток, лм
|
|
|
25
|
200
|
5
|
200
|
4,3
|
|
40
|
420
|
7
|
400
|
5,3
|
|
60
|
710
|
11
|
600
|
4,5
|
|
75
|
940
|
15
|
4,7
|
|
100
|
1360
|
20
|
1200
|
4,3
|
|
2 х 60
|
1460
|
23
|
1500
|
5,4
|
По имеющимся сведениям об
осветительном оборудовании был произведен расчет стоимости модернизации ОУ
путем замены ЛН на КЛЛ, и была произведена экономическая оценка данного
мероприятия (смотри таблицы 3.3 и 3.4).
Таблица 3.3 - Экономическая оценка
замены ЛЛ на КЛЛ в главном корпусе
|
Источник света
|
ЛН1 (установленные)
|
КЛЛ2
|
|
1. Осветительная установка (ОУ):
|
|
|
|
Количество светильников, шт.
|
182
|
-
|
|
Стоимость светильников, руб.
|
установлены
|
0
|
|
Количество ламп, шт.
|
292
|
292
|
|
Стоимость ламп, руб.
|
3212
|
35485
|
|
Стоимость системы управления, руб.
|
-
|
0
|
|
Стоимость монтажа (руб./светильник), руб.
|
-
|
0
|
|
ОБЩАЯ СТОИМОСТЬ УСТАНОВКИ, руб.
|
3212
|
35485
|
|
2. Обслуживание ОУ:
|
|
|
|
Количество ламп, замененных за 8000 часов работы, шт.
|
2336
|
0
|
|
Стоимость замены ламп, руб.
|
0
|
0
|
|
Расходы на замену ламп (вышедших из строя), руб.
|
25696
|
0
|
|
Стоимость утилизации ламп, руб.
|
0
|
0
|
|
ОБЩАЯ СТОИМОСТЬ ОБСЛУЖИВАНИЯ, руб.
|
25696
|
0
|
|
3. Электропотребление ОУ:
|
|
|
|
Мощность, потребляемая ОУ, кВт
|
19,88
|
3,691
|
|
Электроэнергия, потребляемая ОУ, кВт∙ч
|
159040
|
29528
|
|
ОБЩИЕ РАСХОДЫ НА ЭЛЕКТРОЭНЕРГИЮ3, руб.
|
487935
|
90592
|
|
4. Общая стоимость использования ОУ:
|
516843
|
126077
|
|
Экономия, %
|
0
|
76
|
|
Годовые эксплуатационные расходы4,
руб.
|
80255
|
14155
|
|
Годовая экономия, руб./год
|
-
|
65072
|
|
Окупаемость, лет
|
-
|
0,55
|
|
Рентабельность инвестиций, %
|
-
|
183
|
|
5. Результаты модернизации ОУ:
|
|
|
|
Годовое потребление электроэнергии
|
24850
|
4614
|
|
Годовое снижение потребления электроэнергии
|
-
|
20236
|
1. Светильник установленный (или
патрон) с ЛН Космос СТАНД ПР Е27 150, 100, 60 W.
. Светильник установленный (или
патрон) с КЛЛ Philips Tornado T3 1PH/6 20, 15, 12 W.
. Текущий тариф на электроэнергию
3,068 руб./кВт∙ч
. При эксплуатации 1250 часов в
году.
Таблица 3.4 - Экономическая оценка
замены ЛЛ на КЛЛ в УЛК-6
|
Источник света
|
ЛН1 (установленные)
|
КЛЛ2
|
|
1. Осветительная установка (ОУ):
|
|
|
|
Количество светильников, шт.
|
43
|
-
|
|
Стоимость светильников, руб.
|
установлены
|
0
|
|
Количество ламп, шт.
|
70
|
70
|
|
Стоимость ламп, руб.
|
770
|
9020
|
|
Стоимость системы управления, руб.
|
-
|
0
|
|
Стоимость монтажа (руб./светильник), руб.
|
-
|
0
|
|
ОБЩАЯ СТОИМОСТЬ УСТАНОВКИ, руб.
|
770
|
9020
|
|
2. Обслуживание ОУ:
|
|
|
|
Количество ламп, замененных за 8000 часов работы, шт.
|
560
|
0
|
|
Стоимость замены ламп, руб.
|
0
|
0
|
|
Расходы на замену ламп (вышедших из строя), руб.
|
6160
|
0
|
|
Стоимость утилизации ламп, руб.
|
0
|
0
|
|
ОБЩАЯ СТОИМОСТЬ ОБСЛУЖИВАНИЯ, руб.
|
6160
|
0
|
|
3. Электропотребление ОУ:
|
|
|
|
Мощность, потребляемая ОУ, кВт
|
7,06
|
1,072
|
|
Электроэнергия, потребляемая ОУ, кВт∙ч
|
56480
|
8576
|
|
ОБЩИЕ РАСХОДЫ НА ЭЛЕКТРОЭНЕРГИЮ3, руб.
|
173281
|
26311
|
|
4. Общая стоимость использования ОУ:
|
180211
|
35331
|
|
Экономия, %
|
0
|
80
|
|
Годовые эксплуатационные расходы4,
руб.
|
28038
|
4111
|
|
Годовая экономия, руб./год
|
-
|
23600
|
|
Окупаемость, лет
|
-
|
0,38
|
|
Рентабельность инвестиций, %
|
-
|
262
|
|
5. Результаты модернизации ОУ:
|
|
|
|
Годовое потребление электроэнергии
|
8825
|
1340
|
|
Годовое снижение потребления электроэнергии
|
-
|
7485
|
1. Светильник установленный (или
патрон) с ЛН Космос СТАНД ПР Е27 150, 100, 60 W.
. Светильник установленный (или
патрон) с КЛЛ Philips Tornado T3 1PH/6 20, 15, 12 W.
. Текущий тариф на электроэнергию
3,068 руб./кВт∙ч
. При эксплуатации 1250 часов в
году.
Таким образом, годовое снижение
потребления электроэнергии в главном корпусе составит 20236 кВт - это
76-процентная экономия. Данное мероприятие окупится за 6 месяцев. Годовое
снижение потребления электроэнергии в УЛК-6 составит 7485 кВт - это
80-процентная экономия. Данное мероприятие окупится за 5 месяцев.
3.3 Модернизация осветительной установки путем замены светильников
с люминесцентными лампами Т8 на светильники с люминесцентными лампами Т5
Сравним характеристики
люминесцентных ламп Т8 и Т5.
Лампы Т8. Диаметр колбы ЛЛ 26мм. Обычно в растровых светильниках используются
лампы мощностью 18 и 36 Вт.
Световая отдача ЛЛ колеблется в
зависимости от цветности, качества цветопередачи, мощности и находится в
пределах от 40-59 (тепло-белая), 60-69 (холодно-белая) до 70-79
(универсально-белая, дневная) лм/Вт. Цветовая температура ламп Т8 может
изменяться в очень широких пределах от 2800 до 6000К. Цветопередающие свойства
обычных ламп достаточны для освещения большинства помещений. Индекс
цветопередачи Ra=55-80.
Лампы Т8 устойчивы к изменению
питающего напряжения, однако снижение питающего напряжения более чем на 10%
может привести к отказу в зажигании. Кроме того, ЛЛ довольно чувствительны к
изменению температуры окружающего воздуха. Оптимальной для ламп Т8 является
температура 25°С. Отклонение температуры от этого оптимума ведет к снижению
светового потока лампы, а при значительных отклонениях, особенно в меньшую
сторону, к ухудшению зажигания лампы.
Лампы Т8 имеют, в зависимости о
производителя, продолжительность горения от 9000 до 13000 ч. Однако спад
светового потока происходит достаточно быстро. К концу срока службы лампы
теряют до 30% светового потока, сохраняя работоспособность, однако их
дальнейшая эксплуатация экономически нецелесообразна из-за снижения
освещенности и ухудшения зажигания.
Лампы Т5. Диаметра колбы ЛЛ 16мм.
Важным этапом совершенствования ЛЛ
явилась разработка нового класса люминофоров. Создание трехполосных люминофоров
привело к разработке новых трубчатых ламп серии Т5.
По сравнению со стандартными
люминесцентными лампами они короче приблизительно на 50 мм (на 40% меньше ламп
Т8). Конструкция ламп включает на 38% меньше стекла и люминофора, чем
эквивалентная стандартная лампа T8.
Лампы Т5 отличаются очень высокой
светоотдачей: 96 лм/Вт для ламп 14Вт до 104 лм/Вт для ламп 35Вт с цветовой
температурой от 2700 К до 6000 К и исключительно малым спадом светового потока
(5% после 10 тыс. часов горения). Высокая стабильность светового потока
достигнута за счет использования между стеклом и люминофором прозрачной
защитной пленки, предотвращающей вредные реакции между ртутью, стеклом и
люминофором, приводившие к поглощению ртути, почернению стекла и люминофора. На
высокую световую отдачу влияет уменьшение затеняющего эффекта за счет меньшего
диаметра ламп Т5 по сравнению с лампами Т8. Только за счет этого лампа Т5 эффективней
на 4% лампы Т8.
Количество ртути в лампах Т5 снижено
до 3-5 мг, что делает их более экологичными по сравнению с лампами Т8 (15-25
мг).
Поскольку в лампах Т5 используются
трехкомпонентные узкополосные люминофоры (УПЛ), они обладают высоким качеством
цветопередачи. Общий индекс цветопередачи - Ra=80-90. Лампы изготавливаются с
различной цветностью излучения от тепло-белого цвета с цветовой температурой от
2700 К до холодного дневного с цветовой температурой 6500 К.
Световой поток люминесцентной лампы
зависит от температуры окружающей среды. В лампе Т5 максимум светового потока
приходится на температуру 35°С. В каталогах ламп приводятся данные светового
потока, измеренного при этой температуре.
Изменение светового потока лампы в
зависимости от величины питающего напряжения следует рассматривать совместно с
пускорегулирующей аппаратурой.
Продолжительность горения ламп Т5 -
20000 ч.
Таблица 3.5 - Сравнительные
характеристики ламп Т8 и Т5
|
Характеристики (Тцв=4000 К)
|
Т8
|
Т5
|
|
Мощность, Вт
|
18
|
36
|
14
|
35
|
|
Световой поток, лм
|
1150
|
2850
|
1350
|
3650
|
|
Световая отдача, лм/Вт
|
64
|
79
|
96
|
104
|
|
Коэффициент цветопередачи
|
60-69
|
80-90
|
|
Рабочая температура, °С
|
25
|
35
|
|
Продолжительность горения, ч
|
9000-13000
|
20000
|
|
Снижение светового потока за 40% среднего срока службы
|
20%
|
5%
|
По характеристикам видно, что лампы
Т5 при меньшей мощности имеют больший световой поток на 22-28% и световую
отдачу на 32-50%, а также большую продолжительность горения на 54-122%.
На основе имеющихся сведений об
осветительном оборудовании был произведен расчет стоимости модернизации ОУ
путем замены ЛЛ Т8 на ЛЛ Т5 в исследуемых корпусах, и была произведена
экономическая оценка данного мероприятия (смотри таблицы 3.6 и 3.7).
Таблица 3.6 - Экономическая оценка
замены ламп Т8 на лампы Т5 в главном корпусе
|
Источник света
|
ЛЛ Т8 (установленные)
|
ЛЛ Т51 с ЭПРА
|
|
1. Осветительная установка (ОУ):
|
|
|
|
Количество светильников, шт.
|
956
|
956
|
|
Стоимость светильников, руб.
|
установлены
|
573600
|
|
Количество ламп, шт.
|
1912
|
956
|
|
Стоимость ламп, руб.
|
325040
|
133840
|
|
Стоимость системы управления, руб.
|
-
|
0
|
|
Стоимость монтажа (руб./светильник), руб.
|
-
|
0
|
|
ОБЩАЯ СТОИМОСТЬ УСТАНОВКИ, руб.
|
325040
|
707440
|
|
2. Обслуживание ОУ:
|
|
|
|
Количество ламп, замененных за 20000 часов работы, шт.
|
1912
|
0
|
|
Стоимость замены ламп, руб.
|
0
|
0
|
|
Расходы на замену ламп (вышедших из строя), руб.
|
325040
|
0
|
|
Стоимость утилизации ламп, руб.
|
32504
|
0
|
|
ОБЩАЯ СТОИМОСТЬ ОБСЛУЖИВАНИЯ, руб.
|
357544
|
0
|
|
3. Электропотребление ОУ:
|
|
|
|
Мощность, потребляемая ОУ, кВт
|
68,8
|
33,5
|
|
Электроэнергия, потребляемая ОУ, кВт∙ч
|
1376640
|
669200
|
|
ОБЩИЕ РАСХОДЫ НА ЭЛЕКТРОЭНЕРГИЮ2, руб.
|
4223532
|
2053106
|
|
4. Общая стоимость использования ОУ:
|
4906116
|
2760546
|
|
Экономия, %
|
0
|
44
|
|
Годовые эксплуатационные расходы3, руб.
|
286317
|
128319
|
|
Годовая экономия, руб./год
|
-
|
156445
|
|
Окупаемость, лет
|
-
|
4,52
|
|
Рентабельность инвестиций, %
|
-
|
22
|
|
5. Результаты модернизации ОУ:
|
|
|
|
Годовое потребление электроэнергии
|
86040
|
41825
|
|
Годовое снижение потребления электроэнергии
|
-
|
44215
|
Таблица 3.7 - Экономическая оценка
замены ламп Т8 на лампы Т5 в УЛК-6
|
Источник света
|
ЛЛ Т8 (установленные)
|
ЛЛ Т51 с ЭПРА
|
|
1. Осветительная установка (ОУ):
|
|
|
|
Количество светильников, шт.
|
1389
|
1389
|
|
Стоимость светильников, руб.
|
установлены
|
833400
|
|
Количество ламп, шт.
|
2778
|
1389
|
|
Стоимость ламп, руб.
|
472260
|
194460
|
|
Стоимость системы управления, руб.
|
-
|
0
|
|
Стоимость монтажа (руб./светильник), руб.
|
-
|
0
|
|
ОБЩАЯ СТОИМОСТЬ УСТАНОВКИ, руб.
|
1027860
|
|
2. Обслуживание ОУ:
|
|
|
|
Количество ламп, замененных за 20000 часов работы, шт.
|
2778
|
0
|
|
Стоимость замены ламп, руб.
|
0
|
0
|
|
Расходы на замену ламп (вышедших из строя), руб.
|
472260
|
0
|
|
Стоимость утилизации ламп, руб.
|
47226
|
0
|
|
ОБЩАЯ СТОИМОСТЬ ОБСЛУЖИВАНИЯ, руб.
|
519486
|
0
|
|
3. Электропотребление ОУ:
|
|
|
|
Мощность, потребляемая ОУ, кВт
|
100,0
|
48,6
|
|
Электроэнергия, потребляемая ОУ, кВт∙ч
|
2000160
|
972300
|
|
ОБЩИЕ РАСХОДЫ НА ЭЛЕКТРОЭНЕРГИЮ2, руб.
|
6136491
|
2983016
|
|
4. Общая стоимость использования ОУ:
|
7128237
|
4010876
|
|
Экономия, %
|
0
|
44
|
|
Годовые эксплуатационные расходы3, руб.
|
415999
|
186439
|
|
Годовая экономия, руб./год
|
-
|
227303
|
|
Окупаемость, лет
|
-
|
4,52
|
|
Рентабельность инвестиций, %
|
-
|
22
|
|
5. Результаты модернизации ОУ:
|
|
|
|
Годовое потребление электроэнергии
|
125010
|
60769
|
|
Годовое снижение потребления электроэнергии
|
-
|
64241
|
1. Светильник с люминесцентной
лампой FH 35 W / 827 HE G5 d16x1449 3300 lm.
. Текущий тариф на электроэнергию
3,068 руб./кВт∙ч
. При эксплуатации 1250 часов в
году.
Таким образом, годовое снижение
потребления электроэнергии в главном корпусе составит 44215 кВт. Годовое
снижение потребления электроэнергии в УЛК-6 составит 64241 кВт. Данное
мероприятие окупится в каждом корпусе за четыре с половиной года.
3.4 Модернизация осветительной установки путем замены
электромагнитных пускорегулирующих аппаратов на электронные
Все газоразрядные лампы имеют
падающую вольтамперную характеристику и напряжение зажигания этих ламп, как
правило, выше напряжения сети. Поэтому для включения всех газоразрядных ламп
(кроме «интегрированных» компактных люминесцентных ламп) требуется специальная
аппаратура, обеспечивающая зажигание и стабилизацию тока через лампу. Такая
аппаратура получила название пускорегулирующей.
Сейчас выпускается довольно широкий
ассортимент компактных люминесцентных ламп, в которых аппаратура включения
объединена с лампой в общую конструкцию, поэтому применение отдельных аппаратов
не требуется. Во всех остальных случаях нужны отдельные балластные
сопротивления, стабилизирующие ток разряда, и устройства для зажигания разряда.
ПРА в общем случае содержит три
компонента: зажигающее устройство, устройство стабилизации тока лампы и
устройство, обеспечивающее электромагнитную совместимость источника света и
электрической сети.
Стабилизация тока разрядных ламп
всех типов обеспечивается за счет включения последовательно с лампой
токоограничивающих элементов. В токоограничивающих элементах неизбежно теряется
некоторая мощность, не производя полезного действия. Поэтому такие элементы
являются пустой, ненужной нагрузкой - балластом. В принципе в качестве балласта
могут использоваться любые активные, индуктивные или емкостные сопротивления.
Но на практике применяются только индуктивные и лишь в специальных
ртутно-вольфрамовых лампах - активные в виде нити накала. В качестве
индуктивных сопротивлений всегда используются специальные электромагнитные
аппараты, называемые дросселями или электромагнитными балластами.
В последние годы получили очень
широкое распространение электронные аппараты включения люминесцентных и
маломощных металлогалогенных и натриевых ламп. В таких аппаратах совмещены все
три функции - зажигания, стабилизации тока и электромагнитной совместимости.
Для обеспечения электромагнитной
совместимости ламп с электрической сетью в большинстве случаев используются
конденсаторы, включаемые, в основном, прямо на сетевое напряжение параллельно
со светильником.
Электромагнитные
пускорегулирующие аппараты.
Балластом в ПРА для люминесцентных
ламп - дроссели или совокупность дросселей и конденсаторов.
Дроссели - это катушки, намотанные медным изолированным проводом на
сердечнике, собранном из лакированных пластин или ленты из специальных сортов
электротехнической стали. Индуктивность дросселей рассчитывается так, чтобы
сумма напряжений на дросселе и лампе (с учетом разности фаз) равнялась
напряжению питающей сети.
В лучших дросселях для ламп
мощностью 36 (40) Вт теряется около 6 ватт (примерно 15 % мощности
лампы); у маломощных ламп (4-11 Вт) потери мощности в дросселях могут быть
равны мощности самих ламп. Поэтому световая отдача ламп в реальных светильниках
всегда ниже той, которая указывается в документации для «голых» ламп. В таблице
3.8 приведены данные о потерях мощности в дросселях.
Таблица 3.8 - Потери мощности в
дросселях
|
Класс Дросселя
|
Потери мощности, Вт
|
|
С лампой 18 Вт
|
С лампой 36 Вт
|
С лампой 58 Вт
|
|
D
|
12
|
10
|
14
|
|
С
|
10
|
9
|
12
|
|
В2
|
8
|
7
|
9
|
|
В1
|
6
|
6
|
8
|
Крупнейшими производителями
дросселей в Европе являются фирмы Vossloh Schwabe (Германия), Helvar (Финляндия), TridonicAtco (Австрия).
Дроссели создают еще один неприятный
момент - сдвиг фаз между током и напряжением. Напряжение в
электросетях имеет синусоидальную форму. Если в лампах накаливания ток всегда
совпадает по фазе с напряжением и точно повторяет его форму, то в любом
дросселе ток отстает от напряжения на какую-то долю периода, которая измеряется
в градусах. Если полный период равен 360°, то «чистый» дроссель вызывает
отставание тока от напряжения ровно на четверть периода или на 90°. В
совокупности с лампой этот «сдвиг по фазе» всегда меньше 90° и зависит от
качества самого дросселя. На этикетках дросселей во всех странах указывается не
угол, на который ток отстает от напряжения при включении дросселя с лампой соответствующей
мощности, а косинус этого угла - cosц, называемый также коэффициентом мощности.
Еще одно неприятное явление,
связанное с дросселями, - все дроссели при работе на частоте 50 Гц создают
гудящий звук той или иной интенсивности. По уровню производимого шума дроссели
делятся на четыре класса: с нормальным, пониженным, очень низким и особо низким
уровнем шума.
Многие недостатки люминесцентных
ламп и дросселей устраняются при использовании электронных высокочастотных
аппаратов включения (ЭПРА).
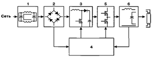
На рисунке 3.1 показана структурная
схема ЭПРА, содержащая все основные узлы: входной фильтр подавления
высокочастотных помех 1, выпрямитель 2, корректор формы потребляемого от сети
тока 3, управляющий каскад 4, усилитель мощности 5, выходной каскад 6.
Рисунок 3.1 - Структурная схема
электронного аппарата включения
Для подавления высокочастотных
помех, создаваемых ЭПРА в электрической сети, используются П-образные или
двойные П-образные фильтры из индуктивностей в несколько мГн и емкостей
до 1000 нф. Как правило, дополнительно для этой же цели включается
емкость порядка единиц нф между одним из питающих проводников (обычно
нейтралью) и заземляющим проводом.
В качестве выпрямителя может быть
использован любой стандартный мостик, рассчитанный на соответствующие токи и
напряжения.
Коррекция формы потребляемого тока
осуществляется с помощью достаточно мощных транзисторов (чаще полевых),
управляемых специальными устройствами. Для этого разработаны и серийно
выпускаются интегральные микросхемы, отслеживающие форму тока.
Реально в электронных аппаратах
включения частота напряжения на выходе усилителя мощности 5 близка к
резонансной частоте цепочки из дросселя и конденсатора (но никогда не равна
ей!). Поэтому при включении аппарата через электроды лампы протекает ток,
достаточный для их разогрева до необходимой температуры, а на конденсаторе
создается напряжение, необходимое для возникновения разряда в лампе с
подогретыми электродами. После зажигания лампы напряжение на ней падает до напряжения
горения, а частота напряжения преобразователя автоматически изменяется так,
чтобы через лампу протекал ток заданной величины.
В большинстве современных аппаратов блок
управления 4 выполняет еще две функции: стабилизацию тока лампы при
колебаниях сетевого напряжения и коррекцию коэффициента мощности. У
лучших современных аппаратов коэффициент мощности близок к 1 (0,95 - 0,99).
Функции исправления формы
потребляемого тока («подавление высших гармоник») обычно выполняет входной
фильтр 1. Подавление высших гармоник и коррекция формы потребляемого тока
обеспечивают электромагнитную совместимость аппарата с питающей сетью.
В некоторых аппаратах блок
управления 4 выполняет еще одну функцию - обеспечивает регулирование светового
потока ламп, чаще всего за счет изменения частоты напряжения
преобразователя.
Принципиальное отличие электронных
схем включения люминесцентных ламп от стартерно-дроссельных заключается в том,
что лампы в таких схемах питаются током высокой частоты, обычно 20-40 кГц, вместо
50 Гц. Высокочастотное питание ламп дает следующие
положительные результаты:
) Из-за особенностей
высокочастотного разряда увеличивается световая отдача ламп. Это увеличение тем
больше, чем короче лампа: у ламп мощностью 36 Вт световая отдача возрастает
примерно на 10 %, у ламп мощностью 18 Вт - на 15 %.
) Глубина пульсаций
светового потока с частотой 100 Гц уменьшается примерно до 5 %.
) Исключаются звуковые
помехи, создаваемые дросселями.
) Исключается мигание ламп
при включении.
) Исключается необходимость
компенсации реактивной мощности (коррекции cosц).
) За счет исключения миганий
при включении и точного прогрева электродов повышается срок службы ламп (до
полутора раз).
) Появилась возможность
регулирования светового потока ламп.
) Электронные аппараты
значительно легче, чем дроссели
и компенсирующие конденсаторы.
Таким образом, ЭПРА устраняют
большинство недостатков ЛЛ со стартерно-дроссельными схемами включения. Но эти
аппараты имеют и свой недостаток, препятствующий их повсеместному внедрению: цена
электронных аппаратов выше, чем дросселей, стартеров и
компенсирующих конденсаторов, вместе взятых. Но, тем не менее, в странах
Европейского Союза доля светильников с электронными аппаратами приближается к
50 % всех светильников с ЛЛ.
Необходимо отметить, что люминесцентные
лампы нового поколения в колбах диаметром 16 мм принципиально могут
работать только с электронными аппаратами. Это обстоятельство дает
дополнительные преимущества светильникам с такими лампами.
Крупнейшими производителями
электронных аппаратов в Европе являются Philips, Osram, TridonicAtco, Vossloh Schwabe, Helvar. Особо следует выделить аппараты Quiktronic-Multiwatt фирмы Osram и PC PRO T5 LP фирмы TridonicAtco, способные работать с
лампами не одного, а нескольких номиналов мощности. Кроме обеспечения наиболее
комфортного освещения, ЭПРА позволяют создавать и системы автоматического
управления освещенностью, дающие экономию электроэнергии до 75 %.
Таблица 3.9 - Изменение световой
отдачи комплекта лампа + ПРА с различными типами ПРА
|
Мощность лампы Рл, Вт
|
стандартные электромагнитные ПРА
|
электронные ПРА (ЭПРА)
|
|
Суммарная мощность комплекта РУ, Вт
|
Световой поток Ф, лм
|
световая отдача з комплекта
|
Суммарная мощность комплекта РУ, Вт
|
Световой поток Ф, лм
|
световая отдача з комплекта
|
|
|
|
лм/Вт
|
%
|
|
|
лм/Вт
|
%
|
|
18
|
29
|
1450
|
50,0
|
100
|
19
|
1350
|
71,0
|
142
|
|
2x18
|
23
|
1450
|
63,0
|
100
|
18
|
1400
|
77,7
|
123
|
|
36
|
46
|
3450
|
75,0
|
100
|
36
|
3350
|
93,0
|
124
|
|
58
|
71
|
5400
|
76,0
|
100
|
55
|
5200
|
94,5
|
124
|
Таблица 3.10 - Характеристики
комплектов ламп Т8+ПРА и Т5+ЭПРА
|
Характеристики
|
Т8+ПРА
|
Т5+ЭПРА
|
|
Светотехнические
|
|
Светоотдача, лм/Вт
|
40-79
|
96-104
|
|
Индекс цветопередачи
|
55-79
|
80-90
|
|
Средняя продолжительность горения
|
9000-13000
|
20000
|
|
Энергосберегающие
|
|
Коэффициент мощности, cosц
|
> 0,9
|
> 0,96
|
|
Потребляемая мощность при 4 лампах 18 и14 Вт;
|
90
|
66
|
|
При этом световой поток ламп, лм
|
4600
|
5400
|
|
Потери мощности в ПРА
|
18
|
10
|
|
Стабилизация при изменении напряжения сети
|
нет, >10% лампа гаснет
|
есть, улучшается долговечность
|
|
Специальные режимы включения и работы лампы
|
нет
|
регулирование светового потока, быстрое включение
|
|
Энергосбережение при применении СУО
|
нет
|
до 80%
|
|
Комфортность освещения
|
|
Отражатель
|
Алюминий анодированный
|
Алюминий MIRO
|
|
Увеличение эффективности светильника
|
|
15%
|
|
ЭПРА
|
требуется уменьшения пульсаций
|
уменьшение ослепленности отсутствие пульсаций,
стробоскопического эффекта
|
На основе имеющихся сведений об
осветительном оборудовании был произведен расчет стоимости модернизации ОУ
путем замены электромагнитных ПРА на электронные в исследуемых корпусах, и была
произведена экономическая оценка данного мероприятия (смотри таблицы 3.11 и
3.12).
Таблица 3.11 - Экономическая оценка
замены электромагнитных ПРА на электронные в главном корпусе
|
|
Светильники с ЛЛ
|
|
1-ламповые
|
2-ламповые
|
4-ламповые
|
|
Количество, шт.
|
9
|
956
|
218
|
|
Мощность, кВт
|
36
|
72
|
144
|
|
Коэффициент потерь в ЭМПРА
|
1,25
|
|
Расход электроэнергии в светильниках с ЭМПРА, кВт∙ч/год
|
920
|
103291
|
20346
|
|
Коэффициент потерь в ЭПРА
|
1,05
|
|
Расход электроэнергии в светильниках с ЭПРА, кВт∙ч/год
|
773
|
86765
|
17091
|
|
Снижение потребления электроэнергии светильниками с ЛЛ, кВт∙ч/год
|
147
|
16527
|
3255
|
|
Годовая экономия электроэнергии, кВт∙ч
|
19929
|
|
Стоимость экономии электроэнергии1, руб.
|
61143
|
|
Стоимость ЭПРА2, руб.
|
177,5
|
320
|
354
|
|
Затраты на закупку ЭПРА, руб.
|
384690
|
|
Стоимость замены ЭПРА, руб.
|
0
|
|
Срок окупаемости, год
|
6,3
|
|
Итого затраты на мероприятие в целом, руб.
|
384690
|
1. Тариф на электроэнергию - 3,068
руб./кВт∙ч.
. ЭПРА EBFL 1х36 COMTECH, 177,5
руб.;
ЭПРА EBFL 2х36 COMTECH, 320 руб.;
ЭПРА EBFL 2х18 COMTECH, 219,8 руб.;
ЭПРА EBFL 4х18 COMTECH, 354 руб.
Таблица 3.12 - Экономическая оценка
замены электромагнитных ПРА на электронные в УЛК-6
|
|
Светильники с ЛЛ
|
|
1-ламповые
|
2-ламповые
|
4-ламповые
|
|
Количество, шт.
|
36
|
1389
|
198
|
|
Мощность, кВт
|
36
|
72
|
72
|
|
Коэффициент потерь в ЭМПРА
|
1,25
|
|
Расход электроэнергии в светильниках с ЭМПРА, кВт∙ч/год
|
1040
|
86170
|
13849
|
|
Коэффициент потерь в ЭПРА
|
1,05
|
|
Расход электроэнергии в светильниках с ЭПРА, кВт∙ч/год
|
873
|
72383
|
11633
|
|
Снижение потребления электроэнергии светильниками с ЛЛ, кВт∙ч/год
|
166
|
13787
|
2216
|
|
Годовая экономия электроэнергии, кВт∙ч
|
16169
|
|
Стоимость экономии электроэнергии, руб.
|
49608
|
|
Стоимость ЭПРА2, руб.
|
177,5
|
320
|
354
|
|
Затраты на закупку ЭПРА
|
520962
|
|
Стоимость замены ЭПРА
|
0
|
|
Срок окупаемости, год
|
10,5
|
|
Итого затраты на мероприятие в целом, руб.
|
520962
|
1. Тариф на электроэнергию - 3,068
руб./кВт∙ч.
. ЭПРА EBFL 1х36 COMTECH, 177,5 руб.
ЭПРА EBFL 2х36 COMTECH, 320 руб.
ЭПРА EBFL 2х18 COMTECH, 219,8 руб.
ЭПРА EBFL 4х18 COMTECH, 354 руб.
Таким образом, годовое снижение
потребления электроэнергии в главном корпусе составит 19929 кВт. Мероприятие
окупится через 6,3 года.
Годовое снижение потребления
электроэнергии в УЛК-6 составит 16169 кВт. Мероприятие окупится за десять с
половиной лет.
3.5 Пример модернизации осветительной установки в программном
комплексе DiaLux 4.9 для коридора и лекционной аудитории
Значительное сокращение времени,
затрачиваемого на проектирование ОУ, и повышение качества принимаемых
технических решений достигается при автоматизированном проектировании ОУ с
использованием ПК. Основными инструментами, заменившими ручной труд
проектировщиков, являются программы графического черчения, текстовые и
табличные редакторы. Разработан и эксплуатируется ряд программ, позволяющих
получать наиболее целесообразные экономичные светотехнические и
электротехнические проектные решения для заданных исходных условий, одним из
которых является программный комплекс DiaLux.
Данная программа позволяет
рассчитывать внутреннее и наружное освещение при заданном типе и количестве
светильников и их расположении. При расчете учитывается геометрия помещений,
цвет и текстура поверхностей, а также расставленная в помещении мебель. Самыми
востребованными результатами расчета являются графическое изображение
распределения освещенности по рабочей поверхности и общий трехмерный вид
освещенного помещения. Кроме того, можно получить изолинии постоянной
освещенности, таблицу и график освещенностей, ведомость светильников и их
паспортные данные. В качестве первого примера был взят коридор около деканата
Энергетического института ОмГТУ. Помещение 62,4Ч2,3 метра с высотой потолков
3,1 метра.
Рисунок 3.2 - Общий вид коридора
Всего установлено 13 недорогих
светильников с плафонами и электромагнитными ПРА. Они отработали свой ресурс и
имеют низкий КПД. На рисунке 3.2 видно, что светильники установлены
перпендикулярно коридору.
Рисунок 3.3 - Распределение
освещенности в коридоре
Программа производит расчет
освещенности элементов помещения (смотри таблицу 3.13).
Таблица 3.13 - Освещенность основных
элементов помещения
|
Поверхность
|
r [%]
|
Ecp [лк]
|
Emin [лк]
|
Emax [лк]
|
Emin / Ecp
|
|
Рабочая плоскость
|
/
|
145
|
57
|
285
|
0,391
|
|
Полы
|
54
|
146
|
58
|
292
|
0,394
|
11
|
121
|
32
|
1265
|
/
|
Таблица 3.14 - Ведомость
установленных светильников
|
№
|
Шт.
|
Обозначение (Поправочный коэффициент)
|
F [лм]
|
P [Вт]
|
|
1
|
13
|
LIGHTINGTECHNOLOGIES - AOT.PRS 236 (1.000)
|
6700
|
72
|
|
|
Всего:
|
87100
|
936,0
|
Удельная подсоединенная мощность:
6,52 Вт/мІ = 4,50 Вт/мІ/100 лк (площадь помещения: 143,52 мІ). Средняя
освещенность Eср=145 Лк, мощность системы Р=936 Вт. Как видно из рисунка 3.3,
освещенность распределена не эффективно, т.к. значительная часть приходится на
стены. Но, не смотря на это, средняя освещенность превышает нормируемую (75 лк)
[11] практически в 2 раза. Из-за использования электромагнитных балластов,
мощность системы повышается на 20-40%. Отсутствует естественное освещение.
Была произведена модернизация ОУ
(смотри рисунки 3.4 и 3.5). Установлены современные светильники с ЭПРА и
лампами Т5 (ведомость светильников представлена в таблице 3.16), кроме того,
изменено расположение светильников, что обеспечивает более эффективное
распределение освещенности.
Рисунок 3.4 - Общий вид
модернизированного коридора
Рисунок 3.5 - Распределение
освещенности в модернизированном коридоре
Таблица 3.15 - Освещенность основных
элементов
|
Поверхность
|
r [%]
|
Ecp [лк]
|
Emin [лк]
|
Emax [лк]
|
Emin / Ecp
|
|
Рабочая плоскость
|
/
|
81
|
39
|
285
|
0,480
|
|
Полы
|
54
|
80
|
47
|
298
|
0,583
|
|
Стенки
|
11
|
67
|
14
|
1250
|
/
|
Таблица 3.16 - Ведомость
установленных светильников
|
№
|
Шт.
|
Обозначение (Поправочный коэффициент)
|
F [лм]
|
P [Вт]
|
|
1
|
17
|
LIGHTINGTECHNOLOGIES - FLEX 135 (1.000)
|
3300
|
35
|
|
|
Всего:
|
56100
|
595
|
Удельная подсоединенная мощность:
4,15 Вт/мІ = 5,11 Вт/мІ/100 лк.
В результате модернизации ОУ:
· параметр средней
освещенности был приведен к норме (Ecp=81 лк);
· использованы
осветительные установки с люминесцентной лампой T5. Светильники имеют более
высокий КПД;
· удалось снизить
энергопотребление в 1,9 раза;
· продолжительность
горения ламп Т5 составляет 20000 часов, что в два раза больше, чем у
стандартной люминесцентной лампы с колбой Т8.
В ходе исследования системы
освещения было определено, что на коридоры приходится: в главном корпусе 19%
(39332 кВт∙ч) от всего расхода электроэнергии на освещение, а в УЛК-6 -
21% (28268 кВт∙ч). Таким образом, если провести описанную выше модернизацию,
предположим, в половине коридоров (т.к. в некоторых установлены современные
светильники), это даст снижение расхода ЭЭ на освещение в размере 10351 кВт∙ч
в главном корпусе и 7439 кВт∙ч в УЛК-6.
В качестве второго примера была
взята лекционная аудитория 6-311. Помещение 16Ч14 метра с высотой потолков 6
метров. Общий вид помещения представлен на рисунке 3.6. В аудитории установлено
90 недорогих светильников с плафонами и электромагнитными ПРА. Они отработали
свой ресурс и имеют низкий КПД.
Рисунок 3.6 - Общий вид лекционной
аудитории 6-311
Рисунок 3.7 - Распределение
освещенности в лекционной аудитории 6-311
Таблица 3.17 - Освещенность основных
элементов
|
Поверхность
|
r [%]
|
Ecp [лк]
|
Emin [лк]
|
Emax [лк]
|
Emin / Ecp
|
|
Рабочая плоскость
|
/
|
618
|
145
|
1174
|
0,235
|
|
Полы
|
32
|
353
|
62
|
957
|
/
|
|
Потолок
|
66
|
463
|
153
|
1157
|
0,330
|
|
Стенки
|
29
|
597
|
281
|
1073
|
/
|
Таблица 3.18 - Ведомость
установленных светильников
|
№
|
Шт.
|
Обозначение (Поправочный коэффициент)
|
F [лм]
|
P [Вт]
|
|
1
|
90
|
LIGHTINGTECHNOLOGIES - AOT.PRS 236 (1.000)
|
6700
|
72
|
|
|
Всего:
|
603000
|
6480
|
Анализ существующей ОУ показывает,
что средняя освещенность Ecp=618 лк превышает норму (400 Лк) в 1,5 раза [11],
удельная установленная мощность завышена, используются электромагнитные
балласты, что приводит к повышению мощности системы на 20-40%.
Была произведена модернизация ОУ
(смотри рисунки 3.8 и 3.9). Установлены современные светильники с ЭПРА и
лампами Т5 (ведомость светильников представлена в таблице 3.20), кроме того,
сокращено количество светильников и изменено их расположение, что обеспечивает
более эффективное распределение освещенности.
Рисунок 3.8 - Общий вид
модернизированной аудитории 6-311
Рисунок 3.9 - Распределение
освещенности в модернизированной аудитории 6-311
Таблица 3.19 - Освещенность основных
элементов
|
Поверхность
|
r [%]
|
Ecp [лк]
|
Emin [лк]
|
Emax [лк]
|
Emin / Ecp
|
|
Рабочая плоскость
|
/
|
410
|
72
|
685
|
0,207
|
|
Полы
|
32
|
223
|
34
|
531
|
/
|
|
Потолок
|
66
|
111
|
73
|
141
|
0,659
|
|
Стенки
|
29
|
262
|
66
|
454
|
/
|
Таблица 3.20 - Ведомость
установленных светильников
|
№
|
Шт.
|
Обозначение (Поправочный коэффициент)
|
F [лм]
|
P [Вт]
|
|
1
|
42
|
LIGHTINGTECHNOLOGIES - LNB+RZ 235 (1.000)
|
6600
|
70
|
|
|
Всего: 277200
|
2940
|
|
|
|
|
|
|
Рисунок 3.10 - План расположения
светильников в аудитории 6-311 с изображением изолиний после модернизации
В результате модернизации ОУ:
• Привели параметр средней
освещенности к норме (Ecp=410 лк).
• Использованы осветительные
установки с люминесцентной лампой T5. Светильники имеют более высокий КПД.
• Удалось снизить
энергопотребление в 2,5 раза.
• Дополнительно: срок службы
ламп Т5 составляет 20000 часов, что в два раза больше стандартной
люминесцентной лампы с колбой Т8.
В ходе исследования системы
освещения было определено, что в главном корпусе есть 4 лекционных аудиторий,
подобная модернизация которых может принести такую же экономию. Суммарное
потребление ЭЭ этими аудиториями составляет 20385 кВт∙ч. Таким образом,
если провести в них описанную выше модернизацию, это даст снижение расхода ЭЭ
на освещение по корпусу в размере 8154 кВт∙ч.
В УЛК-6 - 9 лекционных аудиторий,
модернизация которых может принести такую же экономию. Суммарное потребление ЭЭ
этими аудиториями составляет 27441 кВт∙ч. Таким образом, если провести в
них описанную выше модернизацию, это даст снижение расхода ЭЭ на освещение по
корпусу в размере 9147 кВт∙ч.
В качестве дополнительного
мероприятия для больших лекционных аудиторий может быть предусмотрена установка
автоматических жалюзи.
Автоматизированные занавеси и жалюзи
становятся все более популярными по ряду причин. Во-первых, в помещениях с
большими окнами или с большим их количеством, поднимать и опускать жалюзи
ежедневно будет не очень удобно и требовать значительных физических усилий.
Автоматизация в этом случае является единственным разумным решением. Вторая
причина увеличения популярности элетронно-управляемых занавесей и жалюзи - это
наличие в помещении мультимедийного оборудования.
Уровень автоматизации. Сегодня предлагается целый ряд различных автоматизированных
занавесей и жалюзи. Самые простые системы состоят из самих занавесей, привода и
переключателя. Следующий уровень автоматизации предполагает программирование
открывания и закрывания занавесей в автоматическом режиме. Есть возможность
организовать открывание и закрывание жалюзи в зависимости от уровня
естественной освещенности, либо сделать это в зависимости от времени суток.
Чтобы избежать необходимости подхода к окну, можно выбрать систему с пультом
дистанционного управления.
В случае если необходимо, чтобы
часть окон была зашторена, а часть открыта, или часть жалюзи открыта, а часть
закрыта на рынке существуют системы с комбинациями реле и датчиков, которые
позволяют открывать несколько жалюзи в одной части помещения, и в то же время,
закрывать другие. То есть, каждое окно снабжено индивидуальным переключателем.
Схемы подключения
жалюзи.
Рисунок 3.11 - Схема индивидуального
подключения жалюзи
Таблица 3.21 - Оборудование для
схемы индивидуального подключения жалюзи
|
Наименование
|
Количество, шт.
|
Цена, руб.
|
Стоимость, руб.
|
|
Приёмное устройство (внешний монтаж)
|
1
|
7 350
|
7 350
|
|
Пульт дистанционного управления
|
1
|
2 200
|
2 200
|
|
Блок питания 220 В/24 В
|
1
|
1 950
|
1 950
|
|
Электропривод 24 В
|
1
|
7 500
|
7 500
|
Рисунок 3.12 - Схема группового
подключения жалюзи
Таблица 3.22 - Оборудование для
схемы группового подключения жалюзи
|
Наименование
|
Количество, шт.
|
Цена, руб.
|
Стоимость, руб.
|
|
Приёмное устройство (внешний монтаж)
|
n
|
7 350
|
7 350n
|
|
Пульт дистанционного управления
|
1
|
2 200
|
2 200
|
|
Блок питания 220 В/24 В
|
1
|
1 950
|
1 950
|
|
Электропривод 24 В
|
n
|
7 500
|
7 500n
|
3.6 Определение потенциала сбережения электроэнергии в
осветительных установках главного корпуса и УЛК-6 ОмГТУ
В результате предложенных в этой
главе мероприятий по экономии электроэнергии в осветительных установках,
потенциал сбережения электроэнергии составит:
) по главному корпусу - 102886 кВт∙ч
(315654 руб.), т.е. расход электроэнергии на освещение снизится на 50%.
) по УЛК-6 - 104481 кВт∙ч
(320548 руб.), т.е. расход электроэнергии на освещение снизится на 78%.
4. Безопасность жизнедеятельности
.1 Принцип действия и назначение защитного заземления.
Защитное заземление - преднамеренное
электрическое соединение с землей или ее эквивалентом металлических
нетоковедущих частей, которые могут оказаться под напряжением вследствие
замыкания на корпус и по другим причинам (индуктивное влияние соседних токоведущих
частей, вынос потенциала, разряд молнии и т. п.).
Назначение защитного заземления -
устранение опасности поражения током в случае прикосновения к корпусу
электроустановки и другим нетоковедущим металлическим частям, оказавшимся под
напряжением вследствие замыкания на корпус и по другим причинам.
Защитное заземление следует отличать
от других видов заземления, например, рабочего заземления и заземления
молниезащиты.
Рабочее заземление - преднамеренное
соединение с землей отдельных точек электрической цепи, например нейтральных
точек обмоток генераторов, силовых и измерительных трансформаторов, дугогасящих
аппаратов, реакторов поперечной компенсации в дальних линиях электропередачи, а
также фазы при использовании земли в качестве фазного или обратного провода.
Рабочее заземление предназначено для обеспечения надлежащей работы
электроустановки в нормальных или аварийных условиях и осуществляется
непосредственно (т. е. путем соединения проводником заземляемых частей с
заземлителем) или через специальные аппараты - пробивные предохранители,
разрядники, резисторы и т. п.
Заземление молниезащиты -
преднамеренное соединение с землей молниеприемников и разрядников в целях
отвода от них токов молнии в землю.
Принцип действия защитного
заземления - снижение до безопасных значений напряжений прикосновения и шага,
обусловленных замыканием на корпус и другими причинами. Это достигается путем
уменьшения потенциала заземленного оборудования (уменьшением сопротивления
заземлителя), а также путем выравнивания потенциалов основания, на котором
стоит человек, и заземленного оборудования (подъемом потенциала основания, на
котором стоит человек, до значения, близкого к значению потенциала заземленного
оборудования).
Рассмотрим два случая. Корпус
электроустановки не заземлен. В этом случае прикосновение к корпусу
электроустановки также опасно, как и прикосновение к фазному проводу сети.
Корпус электроустановки заземлен. В
этом случае напряжение корпуса электроустановки относительно земли уменьшится и
станет равным:
Напряжение прикосновения и ток через
тело человека в этом случае будут определяться по формулам:

;
где 
- коэффициент напряжение
прикосновения.
Уменьшая значение
сопротивления заземлителя растеканию тока Rз, можно уменьшить напряжение
корпуса электроустановки относительно земли, в результате чего уменьшаются
напряжение прикосновения и ток через тело человека.
Заземление будет
эффективным лишь в том случае, если ток замыкания на землю Iз практически не
увеличивается с уменьшением сопротивления заземлителя. Такое условие
выполняется в сетях с изолированной нейтралью (типа IT) напряжением до 1 кВ,
так как в них ток замыкания на землю в основном определяется сопротивлением
изоляции проводов относительно земли, которое значительно больше сопротивления
заземлителя.
Рисунок 4.1 - Схема сети
с изолированной нейтралью (типа IT) и защитным заземлением электроустановки
В сетях переменного тока
с заземленной нейтралью напряжением до 1 кВ защитное заземление в качестве
основной защиты от поражения электрическим током при косвенном прикосновении не
применяется, т.к. оно не эффективно.
Рисунок 4.2 - Схема сети
с заземленной нейтралью и защитным заземлением приемника электроэнергии
Область применения
защитного заземления:
· электроустановки
напряжением до 1 кВ в трехфазных трехпроводных сетях переменного тока с
изолированной нейтралью (система IT);
· электроустановки
напряжением до 1 кВ в однофазных двухпроводных сетях переменного тока
изолированных от земли;
· электроустановки
напряжением до 1 кВ в двухпроводных сетях постоянного тока с изолированной
средней точкой обмоток источника тока (система IT);
· электроустановки в
сетях напряжением выше 1 кВ переменного и постоянного тока с любым режимом
нейтрали или средней точки обмоток источников тока.
4.2 Оказание первой доврачебной помощи пострадавшим
Вывих - это смещение суставных концов костей, частично или полностью
нарушающее их взаимное соприкосновение.
Признаки: появление интенсивной боли в области пораженного сустава;
нарушение функции конечности,
проявляющееся в невозможности производить активные движения; вынужденное
положение конечности и деформация формы сустава; смещение суставной головки с
запустеванием суставной капсулы и пружинящая фиксация конечности при ее
ненормальном положении.
Травматические вывихи суставов
требуют немедленного оказания первой помощи. Своевременно вправленный вывих,
при правильном последующем лечении, приведет к полному восстановлению
нарушенной функции конечности.
Первая помощь должна состоять, как правило, в фиксации поврежденной конечности,
даче обезболивающего препарата и направлении пострадавшего в лечебное
учреждение. Фиксация конечности осуществляется повязкой или подвешиванием ее на
косынке. При вывихах суставов нижней конечности пострадавший должен быть
доставлен в лечебное учреждение в лежачем положении (на носилках), с
подкладыванием под конечность подушек, ее фиксацией и даче пострадавшему
обезболивающего средства. При оказании первой помощи в неясных случаях, когда
не представилось возможным отличить вывих от перелома, с пострадавшим следует
поступать так, будто у него явный перелом костей.
Кровотечением называют излияние крови из поврежденных кровеносных сосудов. Оно
является одним из частых и опасных последствий ранений, травм и ожогов. В зависимости
от вида поврежденного сосуда различают: артериальное, капиллярное и венозное
кровотечения.
Артериальное
кровотечение возникает при
повреждении артерий и является наиболее опасным.
Признаки: из раны сильной пульсирующей струей бьет кровь алого цвета.
Первая помощь направлена на остановку кровотечения, которая может быть
осуществлена путем придания кровоточащей области приподнятого положения,
наложения давящей повязки, максимального сгибания конечности в суставе и
сдавливания при этом проходящих в данной области сосудов, пальцевое прижатие,
наложение жгута. Прижатие сосуда осуществляется выше раны, в определенных
анатомических точках, там, где менее выражена мышечная масса, сосуд проходит
поверхностно и может быть прижат к подлежащей кости. Прижимать лучше не одним,
а несколькими пальцами одной или обеих рук.
При кровотечении в области виска
прижатие артерии производится впереди мочки уха, у скуловой кости.
При кровотечении в области плеча
подключичную артерию прижимают под ключицей к ребру; подмышечная артерия
прижимается в подмышечной впадине к головке плечевой кости.
При кровотечении в области
предплечья и локтевого сгиба прижимают плечевую артерию у внутреннего края
двуглавой мышцы плеча (бицепса) к плечевой кости.
При кровотечении в паховой области
прижимается брюшная аорта кулаком ниже и слева от пупка к позвоночнику.
При кровотечении в области бедра
прижатие осуществляется к горизонтальной ветви лобковой кости в точке,
расположенной ниже паховой связки.
Пальцевое прижатие для временной
остановки кровотечения применяют редко, только в порядке оказания экстренной
помощи. Самым надежным способом временной остановки сильного артериального
кровотечения на верхних и нижних конечностях является наложение
кровоостанавливающего жгута или закрутки, т.е. круговое перетягивание
конечности. При отсутствии жгута может быть использован любой подручный
материал (брючный ремень, платок, веревка).
Порядок наложения
кровоостанавливающего жгута:
Жгут накладывают при повреждении
крупных артерий конечностей выше раны, чтобы он полностью пережимал артерию.
Жгут накладывают при приподнятой
конечности, подложив под него мягкую ткань (бинт, одежду и др.), делают
несколько витков до полной остановки кровотечения. Витки должны ложиться
вплотную один к другому, чтобы между ними не попадали складки одежды. Концы
жгута надежно фиксируют (завязывают или скрепляют с помощью цепочки и крючка).
Правильно затянутый жгут должен привести к остановке кровотечения и
исчезновению периферического пульса.
К жгуту обязательно прикрепляется
записка с указанием времени наложения жгута.
Жгут накладывается не более чем на
1,5-2 часа, а в холодное время года продолжительность пребывания жгута
сокращается до 1 часа.
При крайней необходимости более
продолжительного пребывания жгута на конечности его ослабляют на 5-10 минут (до
восстановления кровоснабжения конечности), производя на это время пальцевое
прижатие поврежденного сосуда. Жгут должен лежать так, чтобы он был виден.
Пострадавший с наложенным жгутом немедленно направляется в лечебное учреждение
для окончательной остановки кровотечения.
Венозное кровотечение возникает при повреждении стенок вен.
Признаки: из раны медленной непрерывной струей вытекает темная кровь.
Первая помощь заключается в остановке кровотечения, для чего достаточно придать
приподнятое положение конечности, максимально согнуть ее в суставе или наложить
давящую повязку. Такое положение придается конечности лишь после наложения
давящей повязки. При сильном венозном кровотечении прибегают к прижатию сосуда.
Поврежденный сосуд прижимают к кости ниже раны. Этот способ удобен тем, что
может быть выполнен немедленно и не требует никаких приспособлений.
Капиллярное кровотечение является следствием повреждения мельчайших кровеносных сосудов
(капилляров).
Признаки: кровоточит вся раневая поверхность.
Первая помощь заключается в наложении давящей повязки. На кровоточащий участок
накладывают бинт (марлю), можно использовать чистый носовой платок или
отбеленную ткань.
Обморок - внезапная кратковременная потеря сознания, сопровождающаяся
ослаблением деятельности сердца и дыхания. Возникает при быстро развивающемся
малокровии головного мозга и продолжается от нескольких секунд до 5-10 минут и
более.
Признаки. Обморок выражается во внезапно наступающей дурноте,
головокружении, слабости и потере сознания.
Обморок сопровождается побледнением
и похолоданием кожных покровов. Дыхание замедленное, поверхностное, слабый и
редкий пульс (до 40-50 ударов в минуту).
Первая помощь. Прежде всего, необходимо пострадавшего уложить на спину так,
чтобы голова была несколько опущена, а ноги приподняты. Для облегчения дыхания
освободить шею и грудь от стесняющей одежды. Тепло укройте пострадавшего,
положите грелку к его ногам. Натрите нашатырным спиртом виски больного и
поднесите к носу ватку, смоченную нашатырем, а лицо обрызгайте холодной водой.
При затянувшемся обмороке показано искусственное дыхание. После прихода в
сознание дайте ему горячий кофе.
Перелом - это нарушение целости кости, вызванное насилием или
патологическим процессом. Открытые переломы характеризуются наличием в области
перелома раны, а закрытые характеризуются отсутствием нарушения целости
покровов (кожи или слизистой оболочки). Следует помнить, что перелом может
сопровождаться осложнениями: повреждением острыми концами отломков кости
крупных кровеносных сосудов, что приводит к наружному кровотечению (при наличии
открытой раны) или внутритканевому кровоизлиянию (при закрытом переломе);
повреждением нервных стволов, вызывающим шок или паралич; инфицированием раны и
развитием флегмоны, возникновением остеомиелита или общей гнойной инфекции;
повреждением внутренних органов (мозга, легких, печени, почек, селезенки и
др.).
Признаки: сильные боли, деформация и нарушение двигательной функции
конечности, укорочение конечности, своеобразный костный хруст.
При переломах черепа будут
наблюдаться тошнота, рвота, нарушение сознания, замедление пульса - признаки
сотрясения (ушиба) головного мозга, кровотечение из носа и ушей.
Переломы таза всегда сопровождаются
значительной кровопотерей и в 30% случаях развитием травматического шока. Такое
состояние возникает в связи с тем, что в тазовой области повреждаются крупные
кровеносные сосуды и нервные стволы.
Переломы позвоночника - одна из
самых серьезных травм, нередко заканчивающаяся смертельным исходом.
Анатомически позвоночный столб состоит из прилегающих друг к другу позвонков,
которые соединены между собой межпозвонковыми дисками, суставными отростками и
связками. В специальном канале расположен спинной мозг, который может также
пострадать при травме. Весьма опасны травмы шейного отдела позвоночника,
приводящие к серьезным нарушениям сердечно-сосудистой и дыхательной систем. При
повреждении спинного мозга и его корешков нарушается его проводимость.
Первая помощь заключается в обеспечении неподвижности отломков кости (транспортной
иммобилизации) поврежденной конечности шинами или имеющимися под рукой палками,
дощечками и т.п. Если под рукой нет никаких предметов для иммобилизации, то
следует прибинтовать поврежденную руку к туловищу, поврежденную ногу - к
здоровой. При переломе позвоночника пострадавший транспортируется на щите. При
открытом переломе, сопровождающимся обильным кровотечением, накладывается
давящая асептическая повязка и, по показаниям, кровоостанавливающий жгут. При
этом следует учитывать, что наложение жгута ограничивается минимально возможным
сроком. Пораженному даются обезболивающие препараты: баралгин, седелгин,
анальгин, амидопирин, димедрол, дозировка в зависимости от возраста
пострадавшего.
Одним из наиболее частых поводов для
оказания первой помощи являются ранения (раны). Раной называется
механическое повреждение покровов тела, нередко сопровождающиеся нарушением
целости мышц, нервов, крупных сосудов, костей, внутренних органов, полостей и
суставов. В зависимости от характера повреждения и вида ранящего предмета
различают раны резаные, колотые, рубленые, ушибленные, размозженные,
огнестрельные, рваные и укушенные. Раны могут быть поверхностными, глубокими и
проникающими в полость тела.
Причинами ранения могут явиться
различные физические или механические воздействия. В зависимости от их силы,
характера, особенностей и мест приложения они могут вести к разнообразным
дефектам кожи и слизистых, травмам кровеносных сосудов, повреждениям внутренних
органов, костей, нервных стволов и вызывать острую боль.
Резаные раны. Резаная рана обычно зияет, имеет ровные края и обильно
кровоточит. При такой ране окружающие ткани повреждаются незначительно и менее
склонны к инфицированию.
Колотые раны являются следствием проникновения в тело колющих предметов.
Колотые раны нередко являются проникающими в полости (грудную, брюшную и
суставную). Форма входного отверстия и раневого канала зависит от вида ранящего
оружия и глубины его проникновения. Колотые раны характеризуются глубоким
каналом и нередко значительными повреждениями внутренних органов. Нередки при
этом внутренние кровотечения в полости тела. Ввиду того, что раневой канал
вследствие смещения тканей обычно извилист, могут образовываться затеки между
тканями и развитие инфекций.
Рубленые раны. Для таких ран характерны глубокое повреждение тканей, широкое
зияние, ушиб и сотрясение окружающих тканей.
Ушибленные и рваные раны характеризуются большим количеством размятых, ушибленных,
пропитанных кровью тканей. Ушибленные кровеносные сосуды тромбированы.
Первая помощь. На любую рану должна быть наложена повязка, по возможности
асептическая (стерильная). Средством наложения асептической повязки в
большинстве случаев служит пакет перевязочный медицинский, а при его отсутствии
- стерильный бинт, вата, лигнин и, в крайнем случае, чистая ткань.
Если ранение сопровождается
значительным кровотечением, необходимо остановить его любым подходящим
способом. При обширных ранениях мягких тканей, при переломах костей и ранениях
крупных кровеносных сосудов и нервных стволов необходима иммобилизация
конечности табельными или подручными средствами. Пострадавшему необходимо
ввести обезболивающий препарат и дать антибиотики. Пострадавшего необходимо как
можно быстрее доставить в лечебное учреждение.
Искусственное дыхание - неотложная мера первой помощи при утоплении, удушении,
поражении электрическим током, тепловом и солнечном ударах. Осуществляется до
тех пор, пока у пострадавшего полностью не восстановится дыхание.
Механизм искусственного дыхания
следующий:
) пострадавшего положить на
горизонтальную поверхность;
) очистить рот и глотку
пострадавшего от слюны, слизи, земли и других посторонних предметов, если
челюсти плотно сжаты - раздвинуть их;
) запрокинуть голову
пострадавшего назад, положив одну руку на лоб, а другую на затылок;
) сделать глубокий вдох,
нагнувшись к пострадавшему, герметизировать своими губами область его рта и
сделать выдох. Выдох должен длиться около 1 секунды и способствовать подъему
грудной клетки пострадавшего. При этом ноздри пострадавшего должны быть
закрыты, а рот накрыт марлей или носовым платком, из соображений гигиены;
) частота искусственного
дыхания - 16-18 раз в минуту;
) периодически освобождать
желудок пострадавшего от воздуха, надавливая на подложечную область.
Массаж сердца - механическое воздействие на сердце после его остановки с целью
восстановления деятельности и поддержания непрерывного кровотока, до
возобновления работы сердца.
Признаки внезапной остановки сердца
- потеря сознания, резкая бледность, исчезновение пульса, прекращение дыхания
или появление редких судорожных вдохов, расширение зрачков.
Механизм наружного массажа сердца
заключается в следующем: при резком толчкообразном надавливании на грудную
клетку происходит смещение ее на 3-5 см, этому способствует расслабление мышц у
пострадавшего, находящегося в состоянии агонии. Указанное движение приводит к
сдавливанию сердца и оно может начать выполнять свою насосную функцию -
выталкивает кровь в аорту и легочную артерию при сдавливании, а при
расправлении всасывает венозную кровь. При проведении наружного массажа сердца
пострадавшего укладывают на спину, на ровную и твердую поверхность (пол, стол,
землю и т.п.), расстегивают ремень и ворот одежды.
Оказывающий помощь, стоя с левой
стороны, накладывает ладонь кисти на нижнюю треть грудины, вторую ладонь кладет
крестообразно сверху и производит сильное дозированное давление по направлению
к позвоночнику. Надавливания производят в виде толчков, не менее 60 в 1 мин.
При проведении массажа у взрослого необходимо значительное усилие не только
рук, но и всего корпуса тела. У детей массаж производят одной рукой, а у
грудных и новорожденных - кончиками указательного и среднего пальцев, с
частотой 100-110 толчков в минуту. Смещение грудины у детей должно
производиться в пределах 1,5-2 см.
Эффективность непрямого массажа
сердца обеспечивается только в сочетании с искусственным дыханием. Их удобнее
проводить двум лицам. При этом первый делает одно вдувание воздуха в легкие,
затем второй производит пять надавливаний на грудную клетку. Если у
пострадавшего сердечная деятельность восстановилась, определяется пульс, лицо
порозовело, то массаж сердца прекращают, а искусственное дыхание продолжают в
том же ритме до восстановления самостоятельного дыхания. Вопрос о прекращении
мероприятий по оказанию помощи пострадавшему решает врач, вызванный к месту
происшествия.
Электротравма возникает при непосредственном или косвенном контакте человека с
источником электроэнергии. Под влиянием тепла (джоулево тепло), образующегося
при прохождении электрического тока по тканям тела, возникают ожоги.
Электрический ток обычно вызывает глубокие ожоги. Все патологические нарушения,
вызванные электротравмой, можно объяснить непосредственным воздействием
электрического тока при прохождении его через ткани организма; побочными
явлениями, вызываемыми при прохождении тока в окружающей среде вне организма.
Признаки. В результате непосредственного воздействия тока на организм
возникают общие явления (расстройство деятельности центральной нервной,
сердечно-сосудистой, дыхательной систем и др.).
Побочные явления в окружающей среде
(тепло, свет, звук) могут вызвать изменения в организме (ослепление и ожоги
вольтовой дугой, повреждение органов слуха и.д.).
При оказании первой помощи
пораженным необходимо быстро освободить пораженного от действия электрического
тока, используя подручные средства (сухую палку, веревку, доску и др. или умело
перерубив (перерезав) подходящий к нему провод лопатой или топором, отключив
сеть и др. Оказывающий помощь в целях самозащиты должен обмотать руки
прорезиненной материей, сухой тканью, надеть резиновые перчатки, встать на
сухую доску, деревянный щит и т.п.
Пораженного следует брать за те
части одежды, которые не прилегают непосредственно к телу (подол платья, полы
пиджака, плаща, пальто).
Реанимационные пособия заключаются
в:
· проведении
искусственного дыхания изо рта в рот или изо рта в нос;
· осуществлении
закрытого массажа сердца.
Для снятия (уменьшения) боли
пострадавшему вводят (дают) обезболивающий препарат.
На область электрических ожогов
накладывают асептическую повязку.
5. Экономическая часть
Расчет экономической
эффективности замены ламп накаливания на энергосберегающие лампы.
. План квартиры с указанием
источников света.
Рисунок 1 - План квартиры с
указанием источников света
. Сравнительные
характеристики источников света.
Таблица 5.1 - Характеристики
источников света
|
Рном, Вт
|
|
Стоимость, руб.
|
|
ЛН
|
200
|
1000
|
20
|
|
60
|
1000
|
12
|
42
|
8000
|
200
|
|
13
|
8000
|
90
|
. Расчет годового потребления
электроэнергии источниками света.

,

,
где 
, 
- время работы
светильника i-ой комнаты зимой и летом соответственно;

- номинальная мощность
источника света i-ой комнаты;

- количество ламп в
светильнике.
. Затраты на покупку
источников света в течение пяти лет
ЛН:
КЛЛ:
где 
- затраты на покупку
ламп накаливания в течение пяти лет;

- затраты на покупку
компактных люминесцентных ламп в течение пяти лет;

- количество
перегоревших ламп i-ой комнаты за пять лет;

- стоимость источника
света i-ой комнаты;

- количество источников
света.
. Определение затрат по
использованию источников света.
. Экономическая эффективность замены
ЛН энергосберегающими лампами.
Экономия за 5 лет составит:
Экономия в год составит:
6. Энергосбережение
Приборный учет
потребления электрической энергии. Классификация. Особенности установки
использования
Нормативно-правовая база по учету энергоносителей:
· Паспорт на средство
измерения.
· Правила учета
электрической энергии (Зарегистрировано в Минюсте РФ 24 октября 1996 г. N
1182).
· Правила учета
тепловой энергии и энергоносителя (Зарегистрировано в Минюсте РФ 25 сентября
1995 г. N 954).
· Постановление
Правительства РФ от 31 августа 2006 г. N 530 «Об утверждении правил
функционирования розничных рынков электрической энергии в переходный период
реформирования электроэнергетики».
· Федеральный закон
Российской Федерации от 26 июня 2008 года N 102-ФЗ «Об обеспечении единства
измерений».
· Федеральный закон
РФ от 23 ноября 2009 г. № 261-ФЗ «Об энергосбережении и о повышении
энергетической эффективности и о внесении изменений в отдельные законодательные
акты Российской Федерации».
ФЗ №261, статья 13.
Обеспечение учета используемых энергетических ресурсов и применения приборов
учета используемых энергетических ресурсов при осуществлении расчетов за
энергетические ресурсы
Производимые, передаваемые,
потребляемые энергетические ресурсы подлежат обязательному учету с применением
приборов учета…
До 1 января 2011 года органы
государственной власти, органы местного самоуправления обеспечивают завершение
проведения мероприятий по оснащению зданий, строений, сооружений, используемых
для размещения указанных органов, находящихся в государственной или
муниципальной собственности и введенных в эксплуатацию на день вступления в
силу Федерального закона «Об энергосбережении…», приборами учета используемых
воды, природного газа, тепловой энергии, электрической энергии, а также ввод
установленных приборов учета в эксплуатацию.
Основной целью учета энергоносителя
является получение достоверной информации о его производстве, передаче,
распределении и потреблении с целью решения актуальных задач:
· осуществление взаимных
финансовых расчетов между энергоснабжающими организациями и потребителями
энергии;
· контроль за
рациональным использованием энергоносителя (расхода активной энергии, как по
отдельным цехам, так и по предприятию в целом);
· определение
количества реактивной энергии, получаемой от электроснабжающей организации и
передаваемой ей;
· контроль режима
работы компенсирующих устройств;
· контроля за
тепловыми и гидравлическими режимами работы систем теплоснабжения и
теплопотребления;
· определение потерь
электрической энергии по предприятию и по отдельным его подразделениям с целью
разработки мероприятий по их снижению;
· составление
электрического баланса по предприятию и по его цехам, группам
электроприемников;
· расчет с
субабонентами, получающими электрическую энергию через подстанции предприятия.
При учете необходимо использовать
средства измерений, которые утверждены Госстандартом России и внесены в
Государственный реестр средств измерений.
Основные понятия,
термины и определения:
счетчик электрической
энергии - интегрирующий по времени прибор,
измеряющий активную и (или) реактивную энергию (далее - счетчик);
класс точности счетчика - число, равное пределу допускаемой погрешности, выраженной в
процентах, для тока в диапазоне от минимального до максимального значения,
коэффициенте мощности, равном единице, при нормальных условиях, определенных
стандартами или техническими условиями на счетчик;
самоход счетчика - движение диска или мигание индикаторов счетчика под действием
приложенного напряжения и при отсутствии тока в последовательных цепях;
порог чувствительности
счетчика - наименьшее нормируемое значение
тока, которое вызывает изменение показаний счетного механизма;
поверка средств
измерений - совокупность операций,
выполняемых органами государственной метрологической службы с целью определения
и подтверждения соответствия средств измерения установленным требованиям и
установления их пригодности к применению;
расчетным (коммерческим)
учетом электроэнергии называется учет
выработанной, а также отпущенной потребителям электроэнергии для денежного
расчета за неё;
техническим
(контрольным) учетом называется контроль
расхода электроэнергии по отдельным цехам, технологическим линиям, а также
наиболее крупным электроприемникам.
Требования к счетчикам
электроэнергии:
Расчетные счетчики устанавливаются
на границе балансовой принадлежности. Количество расчетных счетчиков для
каждого предприятия должно быть минимальным и обосновывается схемой питающих
сетей и тарифами на электроэнергию для данного предприятия. Расчетные счетчики
находятся на балансе и в эксплуатации электроснабжающей организации.
Каждый установленный расчетный
счетчик должен иметь две пломбы.
Класс точности счетчиков реактивной
электроэнергии должен выбираться на одну ступень ниже соответствующего класса
точности счетчиков активной электроэнергии.
Классы точности счетчиков
технического учета реактивной электроэнергии допускается выбирать на одну
ступень ниже соответствующего класса точности счетчиков коммерческого учета
активной электроэнергии.
На предприятиях следует
предусматривать техническую возможность установки стационарных или применения
переносных счетчиков для контроля за соблюдением лимитов расхода электроэнергии
цехами, технологическими линиями или отдельными энергоемкими агрегатами.
Допускается установка технического
учета на вводе предприятия, если расчетный учет с этим предприятием ведется по
счетчикам, установленным на подстанциях энергосистемы.
На установку и снятие счетчиков
технического учета на предприятиях разрешения энергоснабжающей организации не
требуется.
Приборы технического учета должны
находиться в ведении самих потребителей, но обязательным является наличие
пломбы госповерителя.
Классификация счетчиков
электроэнергии
Анализ современного парка
электросчетчиков различных изготовителей, позволяет ввести следующую
терминологию и общую классификацию счетчиков (рисунок 1). Все счетчики можно
разделить на группы по следующим признакам:
· по роду тока -
переменного или постоянного (основной род тока, на котором работают
электроустановки промышленных предприятий стран СНГ, - переменный трехфазный
частотой 50 Гц; вместе с тем на отдельных предприятиях используется как
постоянный ток, так и переменный ток повышенной частоты; во многих зарубежных
странах переменный ток имеет частоту 60 Гц);
· количеству фаз -
однофазные или трехфазные (однофазные счетчики 2-проводного включения
применяются в сетях напряжением до 230 В, а трехфазные - в сетях напряжением
380 В и выше);
· виду сети -
однофазные 2-проводного и трехфазные 3- и 4-проводного включения;
· по классу точности
- обычные, или рабочие счетчики с диапазоном классов 3,0, .... 0,2 и образцовые
с диапазоном классов 0,2. .... 0,03 (вторые используются для поверки рабочих
счетчиков);
· по элементной базе
- электромеханические, или индукционные, гибридные, электронные;
· по интерфейсу
дистанционного съема информации - с импульсным выходом, который может
использоваться как поверочный и/или телеметрический для передачи данных в
АСКУЭ; с цифровым интерфейсом, включая, встроенный модем; с оптическим портом
для управления счетчиком и съема данных на подключаемый к порту переносный
компьютер или пульт управления.
Рисунок 6.1 - Общая классификация
счетчиков
Дополнительно к рассмотренной общей
классификации счетчиков на рисунке 2 приведена более детальная классификация
трехфазных счетчиков по пяти группам признаков:
· по виду энергии и
направлению учета - счетчики активной и реактивной энергии прямого и обратного
потоков. Счетчики, измеряющие энергию только в одном направлении, называют
однонаправленными, а в двух - двунаправленными, или реверсивными;
· по измеряемым
параметрам - счетчики количества энергии (для измерения только энергии или
энергии и мощности) и/или качества энергии (для измерения пофазных значений
напряжения и тока, частоты сети, коэффициентов мощности и гармоник и ряда
других показателей качества электроэнергии);
· по номиналу фазного
(линейного) напряжения (в пределах стран СНГ используются только номиналы:
3Ч57,7 (3Ч100) - для электросчетчиков, устанавливаемых на стороне высокого
напряжения (более 1000 В) и 3Ч220 (3Ч380) - для электросчетчиков,
устанавливаемых на стороне низкого напряжения (менее 1000 В);
· по типу включения и
значению тока - счетчики непосредственного, или прямого включения (без измерительных
трансформаторов тока и напряжения) на стороне низкого напряжения для
максимального тока до 100 А и трансформаторного включения на стороне низкого
и/или высокого напряжения для номинального тока ном IНОМ =1 или 5 А.
Измерительные трансформаторы тока и напряжения служат для пропорционального и
согласованного по фазе преобразования измеряемых переменных токов и напряжения
до уровней, которые могут быть измерены стандартными слаботочными приборами.
Трансформаторное включение счетчиков расширяет диапазон измерения, что в целом
делает процесс измерения экономичным и безопасным;
· по количеству
тарифов - однотарифные счетчики для измерения электроэнергии нарастающим итогом
от момента включения счетчика до переполнения его счетного механизма; 2-, 3- и
4-тарифные и многотарифные счетчики для измерения электроэнергии нарастающим
итогом по непересекающимся, часовым зонам суток (максимальное количество зон в
сутках не превышает 48 получасовых интервалов).
Рисунок 6.2 - Классификация
трехфазных счетчиков
Приведенная классификация не
претендует на завершенность и всеобъемлемость, однако позволяет упорядочить
рассмотрение и анализ множества счетчиков, предлагаемых сегодня на мировом
рынке.
Преимущества электронных счетчиков:
· высокий класс
точности (0,2S, 0,5S);
· сохранение высокого
класса точности в условиях низких и быстропеременных нагрузок;
· многотарифность;
· возможность учета
разных видов энергии одним прибором;
· возможность
измерений показателей количества и качества энергии и мощности;
· возможность
длительного хранения данных учета и доступа к ним;
· возможность
фиксации несанкционированного доступа и случаев хищения электроэнергии;
· возможность
дистанционного съема показателей по различным цифровым интерфейсам;
· возможность
создания АСКУЭ;
· возможность учета
одним прибором разных видов энергии в двух направлениях.
Недостатки электронных счетчиков:
· практически
беззащитны от коммутационных и грозовых перепадов напряжения;
· высокая цена.
Назначение и цель
создания автоматизированной системы учета:
Автоматизированную систему
коммерческого учета электроэнергии (АСКУЭ) создают из следующих соображений:
. Экономический эффект для
предприятия, организации.
Внедрение АСКУЭ позволит:
· повысить точность
учета электроэнергии;
· следить за
потребляемой мощностью в режиме реального времени;
· перейти на расчет
за электроэнергию по дифференцированным тарифам;
· выйти на оптовый
рынок электроэнергии;
· контролировать
качество электроэнергии и т.д.
. Автоматизация сбора данных.
. Внедрение современных технологий.
Классификация систем
учета
Для ориентации во множестве
существующих отечественных и зарубежных систем энергоучета и их характеристиках
целесообразно провести классификацию по основным показателям: типу среды и
количеству каналов учета, виду назначения и типу измерительных входов,
локальному и дистанционному доступу к данным энергоучета.
Классификация систем возможна и по
ряду дополнительных признаков: по назначению - коммерческий, технический учет;
по внешней и внутренней конструкциям - монолитные, модульные и т. п.
Итак, все системы учета можно
классифицировать по ряду признаков:
· по количеству
каналов учета - подразделяются на малоканальные (до 32 каналов) и
многоканальные (свыше 32 каналов). Для системы учета энергоносителей - на
одно-, двух- и многопоточные (одна труба - одна точка учета);
· по назначению
измерительного канала - фиксируемые и программируемые. При фиксированном
назначении конкретный вход системы может быть подключен только к измерительному
преобразователю определенного вида (например, только к датчику избыточного
давления с токовым выходом 0-5 мА), а при программируемом - к измерительному
преобразователю для измерения разных параметров энергоносителя и с разными
выходными сигналами. В последнем случае при подключении к системе того или
иного датчика информация об этом заносится в систему, которая программируется и
настраивается на конкретный датчик;
· по типу
измерительных каналов (входов) - все системы энергоучета подразделяются на
системы с аналоговыми, дискретными (импульсными) или смешанными каналами,
последние содержат каналы как первого, так и второго типа. В аналоговых каналах
используются, как правило, унифицированные сигналы постоянного тока, а в
дискретных каналах - числоимпульсные сигналы;
· по локальному
доступу к данным энергоучета - системы подразделяются на системы без доступа,
имеющие ограниченную светодиодную индикацию работоспособности, и системы с
доступом через дисплей и клавиатуру. Для децентрализованных АСКУЭ применимы
только системы с дисплеем и клавиатурой, позволяющие энергетику оперативно на
месте просмотреть все необходимые текущие и накопленные данные по энергоучету;
· по дистанционному
доступу к данным энергоучета - может осуществляться с помощью стандартных
компьютерных интерфейсов или переносного внешнего носителя (в последнем случае
не обеспечивается требуемая оперативность доступа к системе с ПЭВМ верхнего
уровня АИИСКУЭ).
Рисунок 6.3 - Классификация систем
АИИСКУЭ
Рисунок 6.4 - Возможные варианты
построения систем учета
Основные этапы
построения автоматизированных систем учета электроэнергии
Внедрение автоматизированной системы
учета электроэнергии - это процесс, который состоит из нескольких этапов:
. Обследование предприятия.
. Разработка и согласование
технико-коммерческого предложения.
. Выбор поставщика и подписание
договора.
. Разработка, согласование и
утверждение технических условий, технического задания на проект и проекта.
. Производство и поставка
оборудования.
. Выполнение монтажных, наладочных и
пуско-наладочных работ.
. Обучение.
. Сдача системы в
опытно-промышленную эксплуатацию, поверка системы и ее перевод в промышленную
эксплуатацию.
. Гарантийное и послегарантийное
обслуживание.
. Техническая и консультационная
поддержка во все время существования системы.
Основные принципы
построения современных систем АСКУЭ:
· измерения на базе
цифровых методов обработки процессов;
· цифровые интерфейсы
передачи измеренных параметров;
· глубокое
архивирование основных измерений в счетчике;
· контроль
достоверности и полноты данных на всех уровнях системы;
· диагностика
работоспособности системы;
· резервирование
каналов связи;
· иерархическое
построение системы;
· защита информации
на всех системных уровнях.
Выбор, внедрение,
метрологическое обеспечение приборов учета
Существующий Государственный реестр
средств измерений включает в себя широкий перечень приборов учета.
При организации внедрения приборов
должны быть приняты во внимание следующие критерии:
. Высокая надежность в эксплуатации.
. Отличные технические
характеристики.
. Возможность автоматизированного
сбора информации.
. Наличие метрологического
обеспечения и ремонтной базы.
. Стоимость.
Заключение
В результате светотехнического
энергоаудита главного корпуса и УЛК-6 ОмГТУ было выявлено, что расход
электроэнергии на освещение составляет 19,5% для главного корпуса и 38% для
УЛК-6; во многих помещениях осветительные установки (люминесцентные светильники
ЛПО-2х36) находятся в плохом состоянии, обладают при этом низким КПД. Для
повышения энергоэффективности ОУ было предложено заменить старые светильники на
современные с более высоким КПД, заменить электромагнитные ПРА на электронные,
заменить лампы накаливания на КЛЛ, а ЛЛ Т8 на лампы Т5. Также предложена
модернизация ОУ коридоров и лекционных аудиторий. В результате суммарное
снижение расхода ЭЭ должно составить 50% в главном корпусе и 78% в УЛК-6. С
учетом того, что тариф на электроэнергию составляет 3,068 руб. за 1 кВт∙ч
потенциальная экономия находится на уровне 315654 руб. в год для главного
корпуса и 320548 руб. в год для УЛК-6.
Указанные мероприятия имеет смысл
проводить в рамках планового ремонта помещений.
Библиографический список
1) Айзенберг, Ю.Б.
Энергосбережение в светотехнических установках / Ю.Б. Айзенберг, Н.В. Рожкова /
Под общей ред. Ю.Б. Айзенберга. - М.: Дом света, 1999. - 23 с.
) Баев, В.И.
Практикум по электрическому освещению и облучению / В.И. Баев. - М.: КолосС,
2008. - 191 с.: ил.
) Вязигин, В.Л.
Электрическое освещение. Методические рекомендации к практическим занятиям и
самостоятельной работе студентов / В.Л. Вязигин. - Омск, 2007. - 123 с.
) ГОСТ 24940-96.
Здания и сооружения. Методы измерения освещенности. - М.: Изд-во стандартов,
1996.
) Кнорринг, Г.М.
Светотехнические расчеты в установках искусственного освещения / Г М. Кнорринг.
- Л.: Энергия, 1973. - 200 с.
) Козловская, В
Б. Электрическое освещение: справочник / В. Б. Козловская, В.Н. Радкевич, В.Н.
Сацукевич. - Минск : Техноперспектива, 2007. - 255 с.
) Кунгс, Я.А.
Автоматизация управления электрическим освещением / Я.А. Кунгс. - М.:
Энергоатомиздат, 1989. - 112 с.: ил.
) МГСН 2.01-99.
Энергосбережение в зданиях. Нормативы по теплозащите и
тепловодоэнергоснабжению. Москва. 1999.
) Методические
материалы для энергоаудита / Под ред. А.Г. Вакулко, О.Л. Данилова. - М.:
Амипресс, 1999. - 144 с.
) Рожкова, Н.В.
Методические указания по проведению энергоаудита осветительных установок / Н.
В. Рожкова, Г. В. Федюкина / Под общей ред. Ю.Б. Айзенберга. - М.: Дом света,
2004. - 30 с.
) СанПин
2.2.1/2.1.1.1278-03. Гигиенические требования к естественному, искусственному и
совмещенному освещению жилых и общественных зданий. - М.: Министерство
здравоохранения Российской Федерации, 2003.
) СНиП 23-05-95.
Естественное и искусственное освещение. Нормы проектирования. - М.: Стройиздат,
1995, 48 с.
) Справочная
книга по светотехнике / Под ред. Ю.Б. Айзенберга. 3-е изд. перераб. и доп. М.:
Знак, 2006. - 972 с.: ил.
) Труды
Российской светотехнической интернет-конференции «Свет без границ!». - 2009.
) Энергосбережение
в освещении / Под общей ред. Ю.Б. Айзенберга. - М.: Знак, 1999 г. - 264 с.: ил.
) Энергосбережение
в системе образования: Сборник научно-практических и методических материалов /
Под общей ред. Г.А. Балыхина. - М.: Амипресс, 2000. - 143 с.
Приложение А
Методика расчета
экономии электроэнергии в действующих осветительных установках помещений при
проведении энергетического аудита
В последнее время, в связи с ростом
цен на энергоносители, актуальной становится их экономия. Первым этапом
процесса экономии энергии является проведение комплексного энергетического
обследования объекта (энергоаудит) и разработка на его основе экономически
целесообразных мероприятий по экономии энергии. Данные мероприятия разрабатываются
для каждого отдельного типа потребителя энергии: отопление, технология,
освещение, вентиляция и т.п. Сначала производится анализ состояния систем
энергопотребления, а затем - расчет экономии энергии по определенным методикам.
Система освещения является весомым
потребителем электроэнергии, особенно в административных зданиях (до 80%).
Поэтому применение предлагаемой методики приобретает большое значение при
энергоаудите.
Для анализа состояния системы
освещения обследуемого объекта необходимо собрать следующую информацию:
тип и количество существующих
светильников;
тип, количество и мощность
используемых ламп;
режим работы системы искусственного
освещения;
характеристики поверхностей
помещений (коэффициенты отражения);
год установки светильников;
периодичность чистки светильников;
фактический и нормированный уровень
освещенности;
значения напряжения электросети
освещения в начале и в конце измерений освещенности;
размеры помещения;
средний фактический срок службы
ламп;
фактическое и нормированное значение
коэффициента естественной освещенности.
Затем, производится расчет
показателей энергопотребления на основании вышеперечисленных данных полученных
в результате инструментального обследования объекта.
Установленная мощность:
(А.1)
где Pi - мощность
осветительной установки i-го помещения в обследуемом объекте;
Pл - мощность лампы;
Kпра - коэффициент потерь в пускорегулирующей аппаратуре
осветительных приборов;
N - количество однотипных ламп в осветительной установке i-го
помещения.
Годовое и удельное
энергопотребление:
(А.2)
где WГ - суммарное
годовое потребление электроэнергии, кВт∙ч;
WГi - годовое потребление ОУ i-го помещения;
TГi - годовое число часов работы системы i-го помещения;
kИi - коэффициент использования установленной электрической
мощности в ОУ i-го помещения (kИi=1).
(А.3)
где WГуд - годовое
удельное потребление электроэнергии, кВт∙ч/м2;
Si - площадь i-го помещения в исследуемом объекте.
Удельные показатели
энергопотребления или установленной мощности позволяют на основе норм
приближенно (±20%) оценить общий потенциал экономии энергии.
Для более точной оценки по каждому
мероприятию необходимо выполнить расчет экономии электроэнергии по
нижеприведенной методике.
Сначала необходимо определить
фактическое среднее значение освещенности с учетом отклонения напряжения в сети
от номинального по формуле:
(А.4)
где E'ф - измеренная
фактическая освещенность, лк;
Uн - номинальное напряжение сети, В;
k - коэффициент учитывающий изменения светового потока лампы при
отклонении напряжения питающей сети (k=4 для ламп накаливания, k=2>
для газоразрядных ламп);
Uср - среднее фактическое значение напряжения Uср= (U1-U2)/2,
U1 и U2 - значения напряжения сети в начале и конце
измерения.
Для учета отклонения фактической
освещенности от нормативных значений определяем коэффициент приведения:
=Eфi/Eнi , (А.5)
где kni - коэффициент
приведения освещенности i-го помещения;
Eфi - нормируемое значение освещенности в i-ом
помещении;
Eнi - фактическое значение освещенности в в i-ом
помещении.
Потенциал годовой экономии
электроэнергии в ОУ обследуемого помещения рассчитывается по формуле:
(А.6)
где ∆Wik -
потенциал экономии электроэнергии в кВт∙ч/год для i-го помещения и
k-го мероприятия.
К основным мероприятиям относятся:
1. Переход на другой тип источника
света с более высокой светоотдачей (лм/Вт). Экономия электроэнергии в
результате данного мероприятия определяется по формуле:
∆Wi = WГi (1 - kисi
kзпi), (А.7)
где kисi - коэффициент
эффективности замены типа источника света;
kзпi - коэффициент запаса учитывающий снижение светового потока
лампы в течение срока службы (при замене ламп с близким по значению kзп
но с разной эффективностью kзп исключается или корректируется, кроме
случая когда обследование проводилось после групповой замены источников света).
kисi = h / hN (А.8)
где h - светоотдача существующего
источника света, лм/Вт;- светоотдача предлагаемого к установке источника света,
лм/Вт.
2. Повышение КПД существующих
осветительных приборов вследствие их чистки. Экономия электроэнергии в
результате данного мероприятия определяется по формуле:
∆Wi = WГi kчi ,
(А.9)
где kчi - коэффициент
эффективности чистки светильников.
kЧi = 1 - (gс + bс e-(t/tc)), (А.10)
где gс , bс , tс -
постоянные для заданных условий эксплуатации светильников;
t - продолжительность эксплуатации светильников между двумя
ближайшими чистками.
. Повышение эффективности
использования отражённого света. Увеличение коэффициентов отражения
поверхностей помещений на 20% и более (покраска в более светлые тона, побелка,
мойка) позволяет экономить 5-15% электроэнергии. Эффективность данного
мероприятия зависит от большого числа факторов: размеры помещения, коэффициенты
отражения поверхностей помещения, расположение светопроемов, коэффициент
естественной освещенности (КЕО), режим работы людей в помещении,
светораспределение и расположение светильников. Поэтому более точное значение
экономии электроэнергии можно получить на основании светотехнического расчета
методом коэффициента использования [13].
4. Повышение эффективности
использования электроэнергии при автоматизации управления освещением.
Эффективность данного мероприятия
является многофакторной, методика расчета экономии электроэнергии,
представленная в [7], сложна для использования при энергообследовании, но может
быть рекомендована при необходимости точной оценки
На основании опыта внедрения систем
автоматизации, экономию от данного мероприятия можно определить по следующей
формуле:
∆Wi = WГi ( kэаi
- 1), (А.11)
где kэаi - коэффициент
эффективности автоматизации управления освещением, который зависит от уровня
сложности системы управления.
Таблица А.1 - Значения kэаi
для предприятий и организаций с обычным режимом работы (1 смена)
|
Уровень сложности системы автоматического управления освещением
|
kэаi
|
|
Контроль уровня освещенности и автоматическое включение и
отключение системы освещения при критическом значении Е
|
1,1 - 1,15
|
|
Зонное управление освещением (включение и отключение освещения
дискретно, в зависимости от зонного распределения естественной освещенности)
|
1,2 - 1,25
|
|
Плавное управление мощностью и световым потоком светильников в
зависимости от распределения естественной освещенности
|
1,3 - 1,4
|
. Установка энергоэффективной
пускорегулирующей аппаратуры.
∆Wi = WГi (1 - KNПРАi
/ KПРАi ), (А.12)
где КПРАi -
коэффициент потерь в ПРА существующих светильников системы освещения i-го
помещения;
КNПРАi - коэффициент потерь в устанавливаемых ПРА.
. Замена светильников является
наиболее эффективным комплексным мероприятием, так как включает в себя замену
ламп, повышение КПД светильника, оптимизацию светораспределения светильника и
его расположения.
По расчетному значению установленной
мощности (из светотехнического расчета) экономия электроэнергии определяется по
формуле:
∆Wi = WГi - PiN TГi , (А.13)
где РiN -
установленная мощность после замены светильников;
ТГi - годовое число часов работы системы искусственного
освещения i-го помещения.
При упрощенной оценке (при замене
светильников на аналогичные по светораспределению и расположению) расчет
производится по следующей формуле:
∆Wi = WГi (1 - kисi
kзпi kчi kсвi KNПРАi / KПРАi ) , (А.14)
где kсвi - коэффициент
учитывающий повышение КПД светильника, кВт∙ч/год.
kсвi = qi /qiN , (А.15)
где qi - паспортный
КПД существующих светильников;
qiN - паспортный КПД предполагаемых к установке светильников.
Расчет экономии электроэнергии при
замене светильников учитывает мероприятия № 1, 2, 5, поэтому их следует
исключать при расчете общей экономии электроэнергии в i-ом помещении.
В случае большого числа однотипных
помещений в обследуемом здании со схожими по параметрам, состоянию, и мероприятиям
ОУ расчет производится с помощью удельных показателей экономии электроэнергии.
∆Wуд j = DWi j / Si
j , (А.16)
где ∆Wуд j - удельная
экономия электроэнергии для j-го типа помещения;
∆Wi j -
расчетная экономия электроэнергии для i-го помещения;
Si j - площадь i-го помещения.
Общая экономия электроэнергии в
системах освещения составит:
(А.17)
где S j - общая
площадь помещений j-го типа;
N - количество типов помещений.