Термогазодинамический расчет газогенератора приводного ГТД
СОДЕРЖАНИЕ
ВВЕДЕНИЕ
.
РАСЧЕТНО-ТЕОРЕТИЧЕСКАЯЧАСТЬ
.1 Выбор
параметров и термогазодинамический расчет двигателя
.1.1 Выбор и обоснование
параметров двигателя
.1.2 Термогазодинамический расчет
двигателя
1.2
Формирование «облика» проточной части турбокомпрессора,
согласование параметров компрессоров и турбин
1.3
Газодинамический расчёт узлов и профилирование лопатки РК
.3.1
Газодинамический расчет осевого компрессора
.3.2
Газодинамический расчет турбины
1.3.3 Профилирование рабочей лопатки первой ступени компрессора
.3.3 Профилирование рабочей лопатки первой ступени турбины
.4 Выводы
.
КОНСТРУКТОРСКАЯ ЧАСТЬ
2.1 Краткое техническое описание узлов
ГТД
2.2 Расчет на прочность наиболее
нагруженных деталей узла (диск, лопатка РК ТВД)
2.2.1
Расчет на прочность лопатки
первой ступени турбины
.2.2 Расчет
на прочность диска рабочего колеса турбины
Выводы
.
ТЕХНОЛОГИЧЕСКАЯ ЧАСТЬ
.1 Анализ
детали, оценка ее технологичности, выбор и обоснование вида заготовки и метода
ее получения
.1.1 Анализ
рабочего детали
.1.2 Оценка технологичности
детали
.2 Расчет
потребного числа ступеней обработки, обоснование этапов обработки
3.3 Разработка плана технологического процесса изготовления вала
3.4 Расчет
припусков и операционных размеров
.4.1 Расчет
припусков и операционных размеров поверхностей вращения
.4.2 Расчет
припусков и операционных размеров на торцевые поверхности
.4.3 Расчет
технологических размерных цепей
ЗАКЛЮЧЕНИЕ
СПИСОК
ИСПОЛЬЗОВАННОЙ ЛИТЕРАТУРЫ
ВВЕДЕНИЕ
Применение ГТУ в теплоэнергетике создает реальные возможности значительного
улучшения технико-экономических и экологических показателей вырабатываемой
электрической и тепловой энергии, в первую очередь при их использовании для
покрытия пиковых нагрузок и в качестве составного элемента комбинированных
парогазовых и энергетических установок. Отмеченные положительные качества ГТУ,
подтвержденные опытом их эксплуатации, обусловили значительный и
всевозрастающий интерес к ним. Быстрое развитие и совершенствование методов
расчета и конструирования основных элементов газотурбинных установок с
использованием современной вычислительной техники и САПР, а так же масштабы
внедрения ГТУ в энергетику, газовую, химическую и металлургическую и другие
отрасли народного хозяйства позволяют создавать высокоэффективные и
рентабельные силовые установки.
В результате конверсии всё больше и больше авиационных газотурбинных
двигателей находят свое применение на земле. Это - применение их в составе
газоперекачивающих агрегатов и в качестве приводов энергоустановок различной
мощности.
Широкое использование в ГТУ высокопрочных, труднообрабатываемых
материалов, усложнение их конструкции, высокая точность и трудоемкость
изготовления их деталей диктуют повышенные требования к технологии их
производства.
Разрабатываемые технологические процессы должны обеспечить повышение
производительности труда и качества изделий при одновременном снижении
материальных и трудовых затрат на их изготовление. Решение этих задач в
значительной степени зависит от рационального выбора припусков на механическую
обработку. Ввиду высокой стоимости материалов уменьшение припусков обычно
окупает затраты на изготовление точных заготовок, однако необоснованно
заниженные припуски не обеспечивают удаление дефектной части поверхностного
слоя и достижения заданной точности, понижения вероятности брака.
Этап определения припусков предваряет этапы выбора оптимальных режимов
обработки и технического нормирования операций. Этот этап оказывает
существенное влияние на снижение металлоемкости продукции и эффективности
использования оборудования.
В данной выпускной работе бакалавра необходимо спроектировать
газогенератор приводного ГТД для передвижной энергоустановки. Прототипом для
привода послужил двигатель ТВ3-117. В качестве топлива используется природный
газ. Данный ГТД выполнен с одновальным газогенератором и свободной (силовой)
турбиной. Для достижения цели проектирования необходимо провести:
- многовариантный
термогазодинамический расчёт для выбора основных параметров цикла двигателя
(Тг*,
). Термогазодинамический расчет выбранного варианта
сочетания основных параметров цикла Тг* и
.
согласование
параметров компрессора и турбин. Данный этап позволяет обеспечить оптимальные
геометрические и газодинамические соотношения в определяющих облик двигателя
расчётных сечениях, обеспечить нормальную загрузку ступеней турбины и
допустимые напряжения в лопатках турбины;
газодинамический
расчёт компрессора;
газодинамический
расчёт турбины;
расчёт
решёток профилей первой ступени
компрессора;
расчёт
решёток профилей первой ступени турбины;
расчет
на прочность наиболее нагруженных деталей узла: диск, лопатка РК компрессора;
- разработку плана обработки поверхностей детали - вала-шестерни и
подготовку комплекта технологической документации.
. РАСЧЕТНО-ТЕОРЕТИЧЕСКАЯ ЧАСТЬ
.1 Выбор параметров и термогазодинамический расчет двигателя
Выбор основных параметров двигателя оказывает сильное влияние на
эффективность его работы как силовой установки. Расчёт выполняется для Gв=1кг/с. В расчёте вычисляются параметры в характерных
сечениях двигателя. Эти данные в дальнейшем используются для согласования
параметров компрессора и турбины, формирования облика двигателя. Основными
требованиями к данному двигателю являются: высокая экономичность (малые
значения удельного расхода топлива) и высокая удельная мощность.
.1.1 Выбор и обоснование параметров двигателя
Выбор и обоснование параметров производится с учетом рекомендаций пособия
[1].
Перед выбором основных параметров двигателя необходимо определить
расчетный режим.
В зависимости от назначения и условий, при которых рассчитывается
двигатель, выбираются параметры цикла (p*к и Т*г), а также узлов (sвх, hк,
sкс, h*т, sрн, сс) и соответствующий им расчетный режим работы. В основу
оптимизации параметров закладываются разные критерии (целевые функции): минимум
удельного расхода топлива, максимум мощности, обеспечение надежности на
чрезвычайных режимах работы и т.п.
Основными параметрами рабочего процесса двигателя, существенно влияющими
на его удельные параметры, является температура газа Т*г и степень
повышения давления в компрессоре p*к.
Температура газа перед турбиной
Увеличение температуры газов перед турбиной позволяет
значительно увеличить удельную мощность двигателя и, следовательно, уменьшить
габаритные размеры и массу двигателя. Повышение температуры газа перед турбиной
улучшает также экономичность двигателя. Для обеспечения надежности работы
турбины при высоких значениях температуры газа (Тг*>1250К) необходимо
применять охлаждаемые лопатки. Потребное количество охлаждающего воздуха
зависит от температуры газа и способа охлаждения турбины, что приводит к
снижению удельной мощности и росту удельного расхода топлива. Для получения
нескольких вариантов расчета выбираю
Тг*=1150, 1200, 1250,1300,1350 К
Степень повышения давления в компрессоре
Стремление
получить двигатель с высокими удельными параметрами требует увеличения значения
степени повышения давления (p*к) в компрессоре. Но
большое значение степени повышения давления ограничивается усложнением
конструкции и, следовательно, увеличением массы и габаритов двигателя. Выбор
высоких значений
* при проектировании приводит к получению малых высот
лопаток последней ступени компрессора и первых ступеней турбины. Это в свою
очередь приводит к росту потерь энергии из-за увеличения относительных
радиальных зазоров и понижения относительной точности изготовления лопаток. При
Тг*=1150 … 1350К оптимальные значения
* в
компрессоре, соответствующие максимуму удельной мощности, составляют 6...15.
При этом экономические значения, соответствующие минимуму удельного расхода
топлива, находятся в интервале 21...26. Для расчета выбираю
* =6; 11; 16; 21; 26.
КПД компрессора и турбины
Величина изоэнтропического КПД многоступенчатого
компрессора по параметрам заторможенного потока зависит от степени повышения
давления в компрессоре и КПД его ступеней:
,
где
- среднее значение КПД ступеней компрессора.
КПД
компрессора может быть представлен как произведение:
=
*
,
где
- КПД компрессора по параметрам заторможенного
потока,
-
механический КПД компрессора, учитывающий потери в его опорах, обычно
составляющий
=0,985…0,995,
принимаю
=0,985.
На
расчетном режиме среднее значение КПД ступеней в многоступенчатых осевых
компрессорах современных газотурбинных двигателей лежит в пределах
=0,89...0,9. Принимаем
= 0,895.
Значения
для различных
представлены
в табл.1.1.
Таблица 1.1
|
Величина
|
Значение
|
|
611162126
|
|
|
|
|
|
|
0,8730,8660,860,8510,845
|
|
|
|
|
|
Значения
КПД неохлаждаемых турбин по параметрам заторможенного потока обычно лежат в
пределах 
=0,9…0,92.
Для определения КПД охлаждаемой турбины в термогазодинамическом расчете
используют следующее соотношение:
КПД
неохлаждаемой турбины принимаем
=0,9.
Значения
для различных Тг* представлены в табл.1.2.
Таблица 1.2
|
Величина
|
Значение
|
|
Тг*
|
1150
|
1200
|
1250
|
1300
|
1350
|
|
0,9150,9070,90,8910,885
|
|
|
|
|
|
Потери в
элементах проточной части
Входные
устройства рассматриваемых двигателей являются дозвуковыми прямолинейными
каналами. Коэффициент восстановления полного давления для такого устройства
принимаем
= 0,97.
Потери
полного давления в камере сгорания вызываются гидравлическим и тепловым
сопротивлением. Гидравлическое сопротивление определяется в основном потерями в
диффузоре, фронтовом устройстве, при смещении струй, при повороте потока (
=0,93...0,97). Принимаем
= 0,97.
Тепловое
сопротивление возникает вследствие подвода тепла к движущемуся газу. Для
основных камер сгорания обычно
=0,97…0,98.
Принимаем
=0,98.
Суммарные
потери полного давления в камере сгорания подсчитываются по формуле:
=
*
= 0,97 *
0,98 = 0.96.
Потери
тепла в камере сгорания главным образом связаны с неполным сгоранием топлива и
оценивается коэффициентом полноты сгорания
.
Этот
коэффициент на расчетном режиме достигает значений
=0,97...0,99. Принимаем
=0,99.
Коэффициент
восстановления полного давления в выходном устройстве составляет:
=0,98.
С
помощью механического КПД учитывают потери мощности в опорах двигателя, отбор
мощности на привод вспомогательных агрегатов. Обычно
=0,98...0,99. Принимаем
=0,985.
Скорость истечения газа из выходного устройства
Скорость истечения газа Сс из ГТУ характеризует потерянную кинетическую
энергию на выходе из двигателя, поэтому её целесообразно было бы уменьшать. С
другой стороны, при очень малых значениях Сс чрезвычайно сильно
растут габариты двигателя из-за большой площади среза выпускного канала.
Учитывая эти противоречивые требования, скорость истечения выбираем Сс=60
м/с.
.1.2 Термогазодинамический расчёт двигателя
Целью термогазодинамического расчета двигателя
является определение основных удельных параметров (Nеуд - удельной мощности, Се - удельного расхода топлива, ηе-эффективного КПД).
Расчет
выполняется с помощью ЭВМ. Это позволяет провести расчет нескольких вариантов с
выявлением влияния различного сочетания
и Тг* на
удельные параметры двигателя и дает возможность выбрать оптимальный вариант
расчетных параметров. В данном случае задаем по пять значений
и Тг*. Программа для расчета: GTD.ехе [1]. Алгоритм
расчета изложен в пособии для расчета на ЭВМ. Исходные данные и результаты
расчета представлены в табл. 1.3.
По
данным расчета строим графики зависимости
Nеуд = f (
,Тг*), Се = f (
,Тг*) и hе =f (
,Тг*) (рис. 1.1 - 1.3).
Таблица 1.3
Рис 1.1 Зависимость удельного расхода от параметров
рабочего процесса
Рис 1.2 Зависимость удельной мощности от параметров
рабочего процесса
Рис 1.3 Зависимость КПД от параметров рабочего
процесса
Анализируя
графики зависимостей основных параметров от параметров рабочего процесса можно
определиться с выбором
и Тг*.
Основным
критерием для выбора Тг* является использование конструкционных материалов
двигателя - прототипа. Исходя из этого выбираем Тг*=1250К. При этой температуре
достигается высокое значение удельной мощности, низкий удельный расход топлива
и хороший уровень КПД.
Из
рис. 1.1 видно, что для Тг*=1250 К оптимальное
,
соответствующее максимуму удельной мощности, приблизительно равно
=8, а экономическое, соответствующее max
и минимуму удельного расхода
, равно
=24.
Выберем
=9,6. Это даст нам значительное снижение удельного
расхода топлива по сравнению с
.
Дальнейшее увеличение
в сторону экономического значения приведет к
существенному снижению удельной мощности при незначительном снижении удельного
расхода, усложнению конструкции, увеличению массы и габаритов двигателя, а
также к получению малых высот лопаток последних ступеней компрессора, и, как
следствие,к росту потерь энергии из-за увеличения относительных радиальных
зазоров.
Для выбранных параметров проводим расчет на ЭВМ, результаты представлены
в табл.1.4.
Таблица 1.4
В результате проведенного термогазодинамического расчёта были получены
основные удельные параметры двигателя Nеуд=222кВтс/кг и Сеуд=0,2381кг/кВтч; определили температуру и давление в
характерных сечениях, а также параметры основных узлов. Значения удельных
параметров соответствуют современному уровню.
Полученные данные являются исходными для согласования параметров
турбокомпрессора, расчёта компрессора и турбины.
.2 Формирование «облика» проточной части турбокомпрессора, согласование
параметров компрессора и турбины
Увязка параметров турбокомпрессора двигателя является одним из важнейших
этапов проектирования двигателя. Качественное выполнение этого этапа позволяет
обеспечить оптимальные геометрические и газодинамические соотношения в
определяющих облик двигателя расчётных сечениях, обеспечить нормальную загрузку
ступеней турбины и допустимые напряжения в лопатках турбины.
Для
расчёта используем геометрические соотношения двигателя - прототипа. Но при
этом нужно помнить некоторые ограничения:
-
относительный втулочный диаметр на выходе из осевого компрессора, который не
должен превышать значения 0,92. Дальнейшее увеличение
связано с ограничениями минимального размера лопаток
последних ступеней. Уменьшение размера лопаток приводит к значительным трудностям
в получении приемлемых значений КПД компрессора вследствие возрастания влияния
радиальных зазоров, а также уменьшение числа Рейнольдса и роста потерь при
обтекании лопаток малого размера.
Расчет
проводится с учётом рекомендаций [2]. Согласование проводится на ЭВМ с помощью
программы SLGTD1. Для этого используются данные, полученные при
термогазодинамическом расчёте двигателя.
Результаты согласования параметров приведены в табл. 1.5.
Таблица 1.5
Рис 1.4 Схема проточной части двигателя
По
результатам проведенного согласования параметров компрессора и турбины были
получены в первом приближении геометрические размеры и основные
газодинамические параметры по сечениям. Определили нагрузки и КПД компрессоров
и турбин: осевой компрессор имеет 12, ступеней ОК-средненагружен,
=0,2325,
=0,86;турбина
компрессора: 2 ступени; средненагружены- mz=3,156,
=0,9;турбина силовая: 4 ступени,
mz=6,
=0,91.Относительный втулочный диаметр на выходе из
осевого компрессора должен быть 
0,92.При
проектировании получили
= 0,91.
Величина
(h/Dcp) на входе в турбину должна быть больше 0,065 и меньше
0.33 на последних ступенях (полученные нами значения: (h/Dcp)г = 0,1102; (h/Dcp)т = 0,1979). В результате
вышеперечисленных расчетов получена частота вращения ротора ТК
=20327 об/мин, и частота вращения свободной турбины
= 6930 об/мин. Значения параметров лежат в допустимых
пределах.
1.3 Газодинамические расчёты компрессора и турбины
Профилирование решеток рабочих колес первой ступени осевого компрессора и
первой ступени турбины компрессора
.3.1 Газодинамический расчет осевого компрессора
В современных газотурбинных двигателях для осуществления процесса сжатия
используются в основном многоступенчатые осевые компрессоры. Это обусловлено их
высокими коэффициентами полезного действия и возможностью изменения
производительности и напорности этих компрессоров в очень широких пределах за
счет изменения числа ступеней и их диаметральных размеров.
Газодинамический расчет осевого компрессора обычно представляет собой
последовательный расчет всех его ступеней на среднем радиусе.
Для расчета используются данные, полученные при термогазодинамическом
расчёте двигателя и согласовании параметров компрессора и турбины.
Исходные данные:к = 1 - число каскадов компрессора;
Кф = 1 - идентификатор формы проточной части для Dср = const;к = 12 -
число ступеней в компрессоре;
Кr = 1- идентификатор типа задания формы проточной части рассчитываемого
компрессора (при Кr=1 меридиональное сечение компрессора определяется заданными
значениями идентификаторов формы проточной части Кф);
Тв* = 288,15; Рв* = 96259 - температура и давление заторможенного потока
на входе в компрессор, К, Па;
К = 1,39; R=287,0 - физические константы
рабочего тела, R в Дж/(кг.К);в = 9,73- расход рабочего тела через входное
сечение компрессора, кг/с;
Пik* = 9,6 - общая степень
повышения полного давления в компрессоре= 330 - окружная скорость на наружном
диаметре рабочего колеса первой ступени компрессора, м/с;= 127 скорость потока
на выходе из компрессора, м/с;вт1/Dk1=0,551- относительный диаметр втулки на
входе в рабочее колесо первой ступени компрессора;вна = 0,985 - коэффициент
восстановления полного давления во входном направляющем аппарате компрессора;на
= 0,98 - коэффициент восстановления полного давления в направляющем аппарате
ступени;
С1аi=160,157,154,150,146,140,138,136,134,132,129,127
расходная скорость на входе в
рабочее колесо i-ой ступени, м/с;
=34,51;
38,52; 40,48; 40,26; 38,07
затраченный
напор (работа) i-ой ступени, кДж/кг;
i=0,55;
0,55;0,55; 0,55; 0,55; 0,55; 0,55; 0,55; 0,55; 0,55; 0,55; 0,55;
кинематическая
степень реактивности ступеней.
Результаты расчёта многоступенчатого осевого компрессора приведёны в
табл. 1.6. Треугольники скоростей на среднем радиусе для всех ступеней
изображены на рис.1.5.-1.6. Схема проточной части компрессора - рис.1.7.
Изменение параметров по ступеням - рис.1.8.-1.9.
Распределение
по ступеням произведено таким образом, чтобы
Z
первых и последних ступеней каскадов компрессора было меньше средних значений.
Такое распределение выбрано из-за низкого КПД первых ступеней, обусловленного
большой неравномерностью потока и высоких углов натекания потока на первых
ступенях, а также из-за высокого уровня потерь на последних ступенях, вызванных
увеличением относительного радиального зазора из-за малой высоты лопаток и
высокими углами отставания потока.
Распределение
hст по
ступеням проводится со снижением на первых и последних ступенях. Первые две
ступени обычно разгружают для повышения запаса устойчивой работы на нерасчётных
режимах.
Расчёт
проводится с учётом рекомендаций [3].
Газодинамический
расчет проводится на ЭВМ по программе GDROK.EXE.
Исходные
данные и результат расчёта многоступенчатого осевого компрессора приведён в
табл. 1.6.
Таблица 1.6
В
результате расчёта компрессора были определены значения кинематических и
термодинамических параметров потока в ступенях, выполнено согласование ступеней
по КПД, распределены работы между ступенями. Анализируя результаты расчета
необходимо обратить внимание на такие параметры: угол b1 должен быть b1>25о,
,Мw1£0.85,
Рис 1.5 Треугольники скоростей компрессора на среднем радиусе
Рис 1.6 Треугольники скоростей компрессора на среднем радиусе
Рис 1.7 Треугольники скоростей компрессора на среднем радиусе
Рис 1.8 Треугольники скоростей компрессора на среднем радиусе
Рис.1.9 Схема проточной части осевого компрессора
Рис.1.10 Изменение параметров по ступеням
Рис.1.11. Изменение параметров по ступеням
.3.2 Газодинамический расчет турбины
Широкое применение осевых газовых турбин в газотурбинных двигателях
обусловлено прежде всего их высокой энергоемкостью и экономичностью. Именно эти
преимущества газовых турбин наряду со сравнительной простотой и надежностью и
определили доминирующее положение газотурбинных двигателей.
Современное состояние теории и практики проектирования осевых газовых
турбин обеспечивает возможность надёжного определения параметров турбины на
расчётном режиме с достоверным учётом всех видов потерь механической энергии в
её проточной части. При этом газодинамический расчёт весьма сложен, поэтому его
реализация возможна при использовании ЭВМ [4].
Одним из основных средств повышения мощности турбовального двигателя
является повышение температуры газа перед турбиной Т*Г,
но повышение Т*Г значительно влияет на ресурс и
надежность турбины. Поэтому исходя из соображений ресурса, при высоких Т*Г
необходимо применение новых более жаропрочных материалов, а также
прогрессивных способов охлаждения лопаток и дисков турбины.
Программа газодинамического расчёта турбины предназначена для выполнения
газодинамического расчёта на среднем радиусе многоступенчатой газовой турбины.
Для расчёта турбины проектируемого двигателя необходимы следующие
исходные данные [4]:
- расход
воздуха;
ΔGотб)
Gг=9,15-расход продуктов сгорания,кг/с
-
температура газа перед турбиной;
-
давление газа перед турбиной;
-
количество ступеней турбины компрессора;
-
количество ступеней свободной турбины;
-
давление газа за турбиной.
Распределяем мощность по ступеням турбины компрессора:
;
.
1=1600кВт,
2=1401кВт
Распределяем
мощность свободной турбины
по
ступеням с учётом загрузки: mтк1=1,6,mтк2=1,4, mтс1=1,6, mтс2=1,55, mтс3=1,534. mтс4=1,49.
Получаем
следующие значения мощностей:

Таблица 1.7
|
Величина
|
|
|
|
Ступени
|
|
|
|
1
|
2
|
3
|
4
|
5
|
6
|
|
N, кВт
|
1600
|
1401
|
556
|
541
|
536
|
531
|
|
n, об/мин
|
18900
|
18900
|
6930
|
6930
|
6930
|
6930
|
|
rт
|
28
|
34
|
32
|
30
|
32
|
34
|
|
D1ср, м
|
0.3334
|
0.3334
|
0.5366
|
0.5379
|
0.5366
|
0.5416
|
|
D2ср, м
|
0.3334
|
0.3334
|
0.5366
|
0.5379
|
0.5366
|
0.5416
|
|
h1ср, м
|
0.0304
|
0.0425
|
0.0565
|
0.0605
|
0.066
|
0.073
|
|
h2ср, м
|
0.0331
|
0.047
|
0.0555
|
0.0602
|
0.0602
|
0.066
|
|
0.150.120.120.120.120.12
|
|
|
|
|
|
|
|
0.160.140.140.140.130.13
|
|
|
|
|
|
|
Более детальная прорисовка проточной части турбины, выполненная с учетом
особенностей двигателя - прототипа, дала возможность получить размеры проточной
части проектируемой турбины. Эти и остальные поступенчатые данные сведены в
табл.1.7.
Основные результаты расчёта турбины на ЭВМ приведены в таблице. 1.8.
Изменение параметров по ступеням представлено на рис.1.12-1.13. Схема
проточной части турбины - рис.1.14. Треугольники скоростей на среднем диаметре
приведены на рис.1.15-1.16.
Таблица 1.8
В результате газодинамического расчёта турбины получены следующие
значения нагрузок: mтк1=1,6,mтк2=1,4, mтс1=1,6, mтс2=1,55, mтс3=1,534. mтс4=1,49.
Степень реактивности у втулки во всех ступенях положительна.Углы выхода
потока из СА в абсолютном движении превышают 16град., а угол выхода потока из РК (a2) последней ступени в абсолютном движении близок к
90град.
Рис.1.12 Изменение параметров по ступеням
Рис.1.13 Изменение параметров по ступеням
Рис.1.14 Схема проточной части турбины
Рис
1.15 Треугольники скоростей по ступеням турбины
Рис
1.16 Треугольники скоростей по ступеням турбины
1.3.3
Профилирование рабочей лопатки первой ступени компрессора
Этапом проектирования осевого компрессора, следующим за расчётом на
среднем радиусе, является расчёт и построение решёток профилей компрессора по
радиусу. При правильном выполнении этих двух этапов обеспечивается требуемые
параметры компрессора.
Для достижения высоких КПД ступени необходимо установить взаимосвязь
кинематических параметров потока в элементах ступени, расположенных на
различных радиусах, т.е. рассчитать поток в решетках по радиусу.
Принимаем закон крутки ρк=const и Ht=const.
Расчеты выполняются на ЭВМ с учетом рекомендаций пособия [7]. Исходные
данные берутся из расчета компрессора на среднем радиусе табл. 1.10.
Результаты расчета решетки профилей представлены в табл. 1.9. Треугольники скоростей
представлены на рис.1.17.Решётки профилей рабочего
колеса компрессора - рис.1.18. Изображение профилей лопатки в пяти
сечениях по высоте приведены на рис. 1.19.
Таблица 1.9
Рис.1.17 Треугольники скоростей первой ступени компрессора
Рис.1.18 Треугольники скоростей первой ступени компрессора
Рис.1.19 Треугольники скоростей первой ступени компрессора
Рис.1.20 Треугольники скоростей первой ступени компрессора
Рис.1.21 Решётки профилей рабочего
колеса компресора
Рис.1.22 Профили лопатки в пяти сечениях по высоте
1.3.4
Профилирование рабочей лопатки первой ступени турбины
Проектирование элементов проточной части турбины для получения высоких
КПД должно выполняться с учётом изменений параметров газа по высоте лопатки.
При этом допустимо принимать полные давления и температуры газа перед ступенью
турбины постоянными в радиальном и окружном направлениях. Рассчитывая ступень
турбины вполне достаточно определить параметры потока и треугольники скоростей
в пяти сечениях.
Применение
закона
и
значительно
упрощает технологию изготовления лопаток соплового аппарата и рабочих колёс,
позволяет создавать хорошую рабочую базу для их монтажа в статоре и роторе. При
лопатки соплового аппарата первой ступени турбины
являются не кручеными и имеют почти постоянный профиль по высоте, что
способствует организации внутреннего охлаждения.
Профилирование
проводится с использованием ЭВМ [6]. Исходные данные берутся из расчёта турбины
на ЭВМ.
Хорду
профиля лопатки b принимаем постоянной по высоте лопатки.
Геометрический (конструктивный) угол решётки
на входе
выбираем в зависимости от углов потока
и
. Геометрический угол решетки
на выходе принимаем равным эффективному углу 
=
-
=
.
Поскольку
в первых ступенях современных турбин
(
)
, то
=0.
При
закрутке
=const угол
принимают
неизменным (const).
Углы
и
в пяти
сечениях по радиусу заносим в таблицу.
Радиус
скругления входной кромки находим по формуле:
R
=0.2…0.3 C
, где C
= C
*В (В- хорда лопатки в данном сечении).
Радиус
скругления выходной кромки принимаем постоянным по высоте лопатки: R
=0.29=const.
Профилирование
рабочей лопатки турбины производим на ЭВМ с помощью программы осt.exe.
Исходные
данные и результаты расчёта приведены в табл.1.12. Треугольники скоростей
представлены на рис. 1.20. Решётки профилей рабочего колеса турбины - на рис.
1.21-1.22. Изображение профилей лопатки в пяти сечениях по высоте приведены на
рис. 1.23.
Таблица 12
Для
профилирования ступени турбины применили закон крутки потока:
,
. Из результатов расчета решетки профилей турбины по
радиусу видно, что параметры параметры во втулочном сечении удовлетворяют
условиям: с2а< с1а, a2>55o, Db<120o, степень реактивности на
втулке положительна. Это говорит о том, что лопаточный венец обеспечивает
заданный энергообмен и не превышает допустимого уровня потерь.
Рис.1.23 Треугольники скоростей первой ступени турбины
Рис.1.24 Решётки профилей рабочего колеса турбины
Рис.1.25 Решётки профилей рабочего колеса турбины
Рис.1.26 Профили лопатки в пяти сечениях по высоте
Выводы
Результатом выполнения расчетно-теоретической части данной работы
является выбор параметров и термогазодинамический расчёт двигателя,
согласование параметров компрессора и турбины, газодинамический расчёт
компрессора и турбины, расчёт решетки профилей рабочего колеса первой ступени
компрессора и турбины.
В результате проведенного термогазодинамического расчёта были получены
основные удельные параметры двигателя Nеуд=222кВтс/кг и Сеуд=0,2382кг/кВтч; определили температуру и давление в
характерных сечениях, а также параметры основных узлов.
По
результатам проведенного согласования параметров компрессора и турбины были
получены в первом приближении геометрические размеры и основные
газодинамические параметры по сечениям. Определили нагрузки и КПД компрессоров
и турбин: осевой компрессор имеет 12 ступеней ОК-средненагружен
=0,2325,
=0,86;турбина
компрессора:2 ступени-средненагружены mz=3,156,
=0,9;турбина
силовая 4 ступени mz=6,0,
=0,91.Относительный втулочный диаметр на выходе из
осевого компрессора должен быть 
0,92.При
проектировании получили
=0,9105.
Величина
(h/Dcp) на входе в турбину должна быть больше 0,065 и меньше
0.33 на последних ступенях (полученные нами значения: (h/Dcp)г=0,1102; (h/Dcp)т=0,1979). В результате вышеперечисленных
расчетов получена частота вращения ТК
=20327об/мин,
и частота вращения свободной турбины
=6930
об/мин.Значения параметров лежат в допустимых пределах.
В
результате расчёта компрессора были определены значения кинематических и
термодинамических параметров потока в ступенях, выполнено согласование ступеней
по КПД, распределены работы между ступенями.Анализируя результаты расчета
необходимо обратить внимание на такие параметры:угол b1 должен быть b1>25град,
,Мw1£0.85.
В
результате газодинамического расчёта турбины получены следующие значения
нагрузок: mтк1=1,6,mтк2=1,4, mтс1=1,6, mтс2=1,55, mтс3=1,534,
mтс4=1,49.
Для
профилирования ступени турбины применили закон крутки потока:
,
.Из результатов расчета решетки профилей турбины по
радиусу видно, что параметры параметры во втулочном сечении удовлетворяют
условиям: с2а<с1а,a2>55град,Db<120град,степень
реактивности на втулке положительна. Это говорит о том, что лопаточный венец
обеспечивает заданный энергообмен и не превышает допустимого уровня потерь.
. КОНСТРУКТОРСКАЯ ЧАСТЬ
.1 Краткое техническое описание узлов ГТД
Проектируемый двигатель состоит из
следующих основных составных частей: осевого компрессора, камеры сгорания,
турбины компрессора и свободной турбины. Осевой компрессор приводится во
вращение турбиной компрессора. Принцип работы двигателя заключается в
следующем: воздух через входное устройство засасывается осевым компрессором,
сжимается в нем. Из компрессора воздух поступает в камеру сгорания. В камере
сгорания к воздуху подводится тепло путем сжигания газа, подаваемого через
форсунку. Часть воздуха участвует в сжигании газа, часть охлаждает трубу камеры
сгорания и, смешиваясь с продуктами сгорания, образует газ требуемой
температуры. Энергия полученной смеси используется в турбине двигателя. Из
камеры сгорания газ поступает в осевую турбину. В ней происходит преобразование
тепловой энергии горячих газов в механическую работу. В свободной турбине
мощность используется для привода электрогенератора.
Осевой
компрессор
Осевой компрессор двенадцатиступенчатый, предназначен для сжатия
атмосферного воздуха и подачи его в турбину.
Осевой компрессор состоит из входного устройства, корпуса и ротора,
установленного на передней и задней опорах. Входное устройство предназначено
для плавного, равномерного подвода атмосферного воздуха в компрессор. Передний
корпус компрессора предназначен для размещения входного направляющего аппарата,
служащего для подачи воздуха по определенному закону крутки в первую ступень
рабочего колеса ротора компрессора. Входной направляющий аппарат и четыре первых
направляющих аппарата выполнены регулируемыми. Ротор компрессора барабанного
типа изготовлен из двенадцати дисков, соедененных между собой
электронно-лучевой сваркой, кроме диска рабочего колеса первой ступени, который
крепится болтами к проставке,приваренной к диску рабочего колеса второй
ступени. Передняя цапфа ротора изготовлена как одно целое с диском второй
ступени. Задняя цапфа крепится призонными болтами к диску рабочего колеса
девятой ступени. С передней и задней сторон ротор имееются лабиринтные
уплотнения. Внутри барабана установлен кожух, отделяющий масляную полость от
внутренней полости барабана. Уплотнение кожуха по посадочным поверхностям
выполнено резиновыми кольцами. Для предотвращения попадания масла во внутреннюю
полость ротора устанавливается экран, который крепится болтами совместно с
задней цапфой к диску рабочегого колеса девятой ступени. Лопатки рабочих колес
(РК) первой, второй и третьей ступеней установлены в пазы типа "ласточкин
хвост".
Камера
сгорания
Камера сгорания служит для преобразования химической энергии топлива в
тепловую путем организации эффективного сгорания топлива в потоке воздуха,
поступающего из компрессора.
Камера сгорания двигателя, кольцевая с завихрителем воздуха вокруг
рабочих форсунок, состоит из следующих основных узлов: наружного корпуса
диффузора, внутреннего корпуса диффузора, жаровой трубы и коллектора с
двенадцатью форсунками.
Наружный корпус диффузора состоит из переднего наружного фланца, секций и
заднего наружного фланца. Передним фланцем диффузор крепится к корпусу
спрямляющего аппарата компрессора, а задним - к сопловому аппарату турбины.
Турбина
газогенератора
Турбина - осевая, двухступенчатая,с неохлаждаемыми лопатками. Каждая
ступень образуется рядом рабочих лопаток и сопловых аппаратов. Вал и диски
первой и второй ступеней сцентрированы, сцеплены друг с другом торцевыми
шлицами и стянуты стяжными болтами. Через торцевые шлицы передается крутящий
момент от дисков к валу ротора. Крутящий момент от турбины к компрессору
передается через эвольвентные шлицы, выполненные на конце вала турбины.
Ротор турбины является составной частью ротора
турбокомпрессора. Соединение дисков осуществляется при помощи торцевых шлицов и
болтов.
Задняя опора ротора турбины является шариковый подшипник.
Свободная
турбина
Осевая четырехступенчатая служит для преобразования энергии газового
потока в механическую работу привода электрогенератора. Свободная турбина
состоит из ротора, сопловых аппаратов, корпуса турбины и корпусов подшипников.
.2 Расчет на прочность наиболее нагруженных деталей узла (диск, лопатка
РК)
.2.1 Расчет на прочность лопатки первой ступени компрессора
При работе газотурбинного двигателя на рабочие лопатки действуют
статические, динамические и температурные нагрузки, вызывая сложную картину
напряжений.
В данном задании представлен расчет на прочность пера лопатки только от
действия статических нагрузок.
При расчете лопатки на прочность принимают следующие допущения:
- лопатку рассматривают как консольную балку, жестко заделанную в ободе
диска;
- напряжения определяют по каждому виду деформации относительно;
температуру в рассматриваемом сечении пера лопатки считают
одинаковой, т.е. температурные напряжения отсутствуют;
лопатку считают жесткой, а деформацией лопатки(отклонением оси
лопатки) под действием сил и моментов пренебрегают;
предполагают, что деформации лопатки протекают в упругой зоне,
т.е. напряжения в пере лопатки не превышают предел пропорциональности;
Цель расчета на прочность лопатки - определение напряжений и запасов
прочности в различных сечениях по длине пера лопатки.
Исходные данные:
радиус корневого сечения Rk=0.09175м;
радиус концевого (периферийного) сечения Rk=0.16685м;
длина лопатки L=0.0751м;
давление воздуха перед и за лопаткой
p1=79570
Па; р2=93980 Па;
плотность воздуха перед и за лопаткой
;
;
осевые
составляющие скорости воздуха перед лопаткой и за ней
;
число
лопаток на рабочем колесе
частота
вращения ротора
хорда
профиля: в корневом сечении
м;
в
среднем сечении
м;
на
периферии
м;
максимальная
толщина профиля:
в
корневом сечении
м;
в
среднем сечении
м;
на
периферии
м;
максимальная
стрела прогиба средней линии профиля:
в
корневом сечении
м;
в
среднем сечении
м;
на
периферии
м;
угол
установки профиля:
в
корневом сечении
в
среднем сечении
на
периферии
Материал
лопаток - ВТ-3. Его плотность
, предел
длительной прочности
.
Предел
длительной прочности
Газовые
силы, действующие на единицу длины рабочей лопатки (интенсивность нагрузки),
находим по формулам:
в
плоскости вращения на среднем радиусе:
в
осевой плоскости в корневом сечении:
-
в осевой плоскости в периферийном сечении:
Найденные
значения интенсивности нагрузки газовых сил необходимы непосредственно при
вводе исходных данных для расчета. Расчет на растяжение и изгиб от центробежных
сил производится непосредственно ПЭВМ. При отсутствии ввода отклонений оси
лопатки от радиального направления изгибающие моменты от центробежных сил не
рассчитываются (они отсутствуют). После расчета лопатки на прочность с помощью
ПЭВМ были получены значения действующих напряжений и запасов статической
прочности в трех точках (A, B и C). Результаты счета представлены в Табл. 2.1.
Таблица 2.1
Ниже представлены графики распределения суммарных напряжений и
коэффициентов запасов прочности по высоте лопатки в расчетных точках.
Рис. 2.1 Изменение суммарных напряжений по сечениям
Рис.2.2 Изменение запасов прочности по сечениям
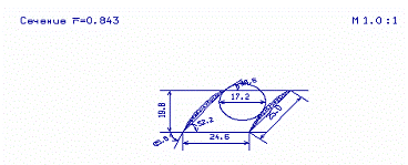
Рассчитанная лопатка удовлетворяет нормам прочности, поскольку запас прочности в самом напряженном
месте соответствует требованиям (для рабочих лопаток компрессора К не менее 1,5) К=3,235.
.2.2 Расчет на прочность диска рабочего колеса первой ступени компрессора
Диски -
это наиболее ответственные элементы конструкции газотурбинных двигателей. От совершенства конструкций дисков
зависит надежность, легкость
конструкций газотурбинных двигателей в
целом.
Диски
находятся под воздействием инерционных центробежных сил, возникающих при вращении
от массы рабочих лопаток и собственной массы дисков. Эти силы вызывают в дисках растягивающие напряжения.
Кроме
напряжений растяжения и сжатия, в дисках могут возникать напряжения кручения и изгиба.
Из перечисленных напряжений
наиболее существенными являются напряжения от центробежных сил собственной массы диска и лопаточного венца, а так же температурные (в случае
неравномерного нагрева диска).
Напряжения кручения обычно не
велики и в расчетах (в большинстве случаев) не учитываются. Напряжения изгиба зависят от
толщины диска и способа соединения дисков между
собой и с валом
и могут быть
значительными лишь в тонких дисках.
При
расчете на прочность принимаются следующие
допущения:
диск
считается симметричным относительно срединной плоскости, перпендикулярной к оси
вращения;
- диск находится
в плосконапряженном
состоянии;
напряжения на
любом радиусе не меняются по толщине;
наличие отверстий и
бобышек в полотне диска, отдельных выступов и проточек на
его частях не принимаются во внимание.
Цель расчета - определение напряжений и запасов прочности в различных сечениях по радиусу диска.
Исходные данные:
Таблица 2.2
Таблица исходных данных на соответствующих радиусах:
|
Номер сечения
|
R, м
|
b, м
|
|
1
|
0,0563
|
0,0250
|
|
2
|
0,0588
|
0,0250
|
|
3
|
0,0611
|
0,0250
|
|
4
|
0,0611
|
0,0121
|
|
5
|
0,0642
|
0,0121
|
|
6
|
0,0679
|
0,0121
|
|
7
|
0,0711
|
0,0121
|
|
8
|
0,0756
|
0,0121
|
|
9
|
0,0756
|
0,0167
|
|
10
|
0,0766
|
0,0202
|
|
11
|
0,0807
|
0,0202
|
Напряжение σRл от центробежных сил лопаток и замковой части обода
может быть определено для случая, когда лопатки и диск изготовлены из материала
с одинаковой плотностью, по формуле:
где
z - число лопаток на ободе диска;
σрк -
напряжение в корневом сечении лопатки от растяжения центробежными силами;
FК - площадь корневого сечения лопатки;
ρ - плотность материла диска и лопатки;- площадь радиального сечения
разрезной части обода диска;
Rf -
радиус центра тяжести площади f;
RK -
наружный радиус неразрезного обода диска;
bК - ширина обода диска на радиусе RK;
w - угловая скорость
вращения диска.
=
=
38,685МПа.
Ниже
приведены результаты расчета диска на ЭВМ (см. табл.2.3) и изменение
радиального и окружного напряжения (рис.2.3) и запасов прочности по сечениям
диска (рис.2.4).
Таблица 2.3
Рис.2.3 Изменение напряжений по сечениям
Рис.2.4 Изменение запасов прочности по сечениям
Из графиков
видно, что значения
запасов прочности
по сечениям диска удовлетворяют нормам прочности, по
которым запас прочности должен быть не менее 1,3….1,5. В нашем случае минимальный запас прочности 5,3, а максимальный -12,3, что обеспечивает безопасную работу диска компрессора и двигателя в целом.
Выводы
Результатом выполнения конструкторской части данной работы является
составление краткого технического описания узлов ГТД и расчет на прочность наиболее нагруженных деталей узла.
Из результатов расчета на прочность лопатки рабочего колеса турбины
видно, что запас прочности лопатки в самом напряженном месте соответствует
требованиям (для рабочих лопаток компрессора К не менее 1,5) К=3,263.
Из результатов расчета на
прочность диска турбины видно, что значения запасов прочности по сечениям диска
удовлетворяют
нормам прочности, по которым запас прочности должен быть не менее 1,3….1,5. В нашем случае минимальный запас
прочности 3,1, а максимальный 4,8, что обеспечивает надежную работу диска, компрессора и двигателя в целом.
3. ТЕХНОЛОГИЧЕСКАЯ ЧАСТЬ
.1 Анализ детали, оценка ее технологичности, выбор и обоснование вида
заготовки и метода ее получения
.1.1 Анализ рабочей детали
Между рабочей деталью, условиями ее эксплуатации и технологическим процессом ее
изготовления существуют тесные связи.
1. Материал, общие размеры и конфигурация детали дают возможность
установить способ получения заготовки детали, оценить примерный объем и
трудоемкость обработки, наметить типы потребного оборудования. Присутствие
сложных поверхностей предопределяет необходимость использования специального
оборудования.
2. Требуемая точность поверхностей в детали определяет необходимые методы обработки.
. Взаимная координация поверхностей в детали определяет базы, способы установки,
последовательность операций технологического процесса.
. Заданная в детали термическая
и химико-термическая обработка дает преставление о месте этой обработки в
технологическом процессе и о разделении процесса на этапы.
Условия работы детали: диапазон рабочих температур и давлений, условия
нагружения и виды нагрузок, установленный ресурс, наличие электрических и
магнитных полей, использование рабочих жидкостей и смазочных материалов,
контактирование с химически активными веществами - все эти факторы определяют
физико-механические свойства материала детали, которые необходимо обеспечить в
процессе ее изготовления.
Материал детали
Материал детали - углеродистая сталь 20Х. Для этой стали предусмотрены
такие заменители: стали: стали: 15Х, 20ХН, 12ХН2, 18ХГТ.
Вид поставки - сортовой прокат, в том числе фасонный: ГОСТ 4543-71, ГОСТ
2590-71, ГОСТ 2591-71, ГОСТ 2879-69, ГОСТ 10702-78. Калиброванный пруток ГОСТ
7414-75, ГОСТ 8559-75, ГОСТ 8560-78, ГОСТ 1051-73. Шлифованный пруток и
серебрянка ГОСТ 14955-77. Лист толстый ГОСТ 1577-81, ГОСТ 19903-74. Полоса ГОСТ
82-70, ГОСТ 103-76. Поковки и кованые заготовки ГОСТ 8479-70, ГОСТ 1131-71.
Трубы ГОСТ 8732-78, ГОСТ 8733-87, ГОСТ 8734-75, ГОСТ 13663-68.
Назначение: втулки, шестерни, обоймы, гильзы, диски, плунжеры, рычаги и
другие цементируемые детали, к которым предъявляется требование высокой
поверхностной твердости при невысокой прочности сердцевины, детали, работающие
в условиях износа при трении.
Химический состав приведен в таблице 1.1.1.
Таблица 1.1.1
Химический состав стали 20Х
|
Химический элемент
|
%
|
|
Кремний (Si)
|
0.17-0.37
|
|
Марганец (Mn)
|
0.50-0.80
|
|
Медь (Cu), не более
|
0.30
|
|
Никель (Ni), не более
|
0.30
|
|
Сера (S), не более
|
0.035
|
|
Углерод (C)
|
0.17-0.23
|
|
Фосфор (P), не более
|
0.035
|
|
Хром (Cr)
|
0.70-1.00
|
Механические свойства представлены в таблице 1.1.2.
Таблица 1.1.2
Механические свойства поковок из стали 20Х
|
Термообработка, состояние поставки
|
Сечение, мм
|
0,2, МПа
|
B, МПа
|
5, %
|
, %
|
KCU, Дж/м2
|
HB
|
|
Нормализация
|
|
КП 195
|
<100
|
195
|
390
|
26
|
55
|
59
|
111-156
|
|
КП 195
|
100-300
|
195
|
390
|
23
|
50
|
54
|
111-156
|
|
КП 195
|
300-500
|
195
|
390
|
20
|
45
|
49
|
111-156
|
|
КП 215
|
<100
|
215
|
430
|
24
|
53
|
54
|
123-167
|
|
КП 215
|
100-300
|
215
|
430
|
20
|
48
|
49
|
123-167
|
|
КП 245
|
<100
|
245
|
470
|
22
|
48
|
49
|
143-179
|
|
Закалка. Отпуск.
|
|
КП 245
|
100-300
|
245
|
470
|
19
|
42
|
39
|
143-179
|
|
КП 275
|
<100
|
275
|
530
|
20
|
40
|
44
|
156-197
|
|
КП 275
|
100-300
|
275
|
530
|
17
|
38
|
34
|
156-197
|
|
КП 315
|
100-300
|
315
|
570
|
14
|
35
|
34
|
167-207
|
|
КП 345
|
100-300
|
345
|
590
|
17
|
40
|
54
|
174-217
|
Температуры критических точек занесены в таблицу 1.1.3.
Таблица 1.1.3
Механические свойства стали 20Х
|
Критическая точка
|
Ac1
|
Ac3
|
Ar3
|
Ar1
|
|
°С
|
750
|
825
|
775
|
665
|
Технологические свойства сведены в таблицу 1.1.4.
Таблица 1.1.4
Технологические свойства стали 20Х
|
Температура ковки
|
|
Начала 1260, конца 760. Заготовки сечением до 200 мм
охлаждаются на воздухе, 201-700 мм подвергаются низкотемпературному отжигу.
|
|
Свариваемость
|
|
сваривается без ограничений (кроме химико-термически
обработанных деталей). Способы сварки: РДС, КТС без ограничений.
|
|
Обрабатываемость резанием
|
|
В горячекатаном состоянии при НВ 131 и B = 460 МПа
K тв.спл. = 1.7, K б.ст. = 1.3 [81].
|
|
Склонность к отпускной способности
|
|
не склонна
|
|
Флокеночувствительность
|
|
малочувствительна
|
.1.2 Оценка технологичности детали
Технологичность детали - это совокупность свойств детали, обеспечивающих
ее высокие эксплуатационные характеристики при наименьшей трудоемкости и
стоимости изготовления.
К анализу технологичности детали приступают после установления типа
производства, так как каждому из них свойственны свои способы получения
заготовок и методы их обработки. Производят его (анализ), как правило, по
качественным и количественным параметрам.
Качественная оценка технологичности
Качественную оценку технологичности детали проводят по материалу детали,
по геометрической форме и качеству поверхностей, по простановке размеров и
возможным способам получения заготовки.
Технологичность детали по материалу (стоимость и дефицитность материала,
возможность применения других материалов или повышение физико-механических
свойств имеющегося, обрабатываемость).
Материал - сталь 20Х ГОСТ 4543-71
Материал не является дефицитным или дорогостоящим, физико-механические
свойства (предел прочности и твердость) позволяют вести обработку как
лезвийным, так и абразивным инструментом (коэффициенты обрабатываемости для
твердосплавного инструмента и инструмента из быстрорежущей стали значительно
превышают единицу). Т.о. по материалу деталь можно считать технологичной.
Технологичность по геометрической форме и качеству поверхностей
(применение специального режущего инструмента, станочного оборудования,
производительность методов обработки для достижения необходимого качества
поверхностей). При анализе детали проверяют возможность упрощения детали;
создание детали наиболее рациональной формы с легко доступными для обработки
поверхностями и достаточной жесткости с целью уменьшения металлоемкости и
трудоемкости (достаточная жесткость детали позволяют применять станки с
наиболее производительными режимами резания); возможность уменьшения количества
и протяженности обрабатываемых поверхностей; наличие на детали удобных
базирующих поверхностей или возможность создания вспомогательных
технологических баз в виде бобышек, поясков.
Геометрические форма и размеры вала позволяют обрабатывать поверхности
проходными резцами; фланцев и буртов больших диаметров нет; глухих отверстий,
расположенных под тупыми и острыми углами нет; жесткость детали (отношение
длины к диаметру) позволяет получить необходимую высокую точность обработки
(точность некоторых поверхностей на уровне 5-го, 6-го квалитета); оба торца
детали перпендикулярны оси детали, внутренние цилиндрические поверхности детали
удобны для использования их как установочные базы. Наличие шести осевых
отверстий предусматривает применение делительного диска. С точки зрения
удобства подхода режущего инструмента к обрабатываемым поверхностям детали
можно сказать, что большинство поверхностей являются открытыми.
Оценка технологичности по простановке размеров (определение размерных
связей между конструкторскими, технологическими и измерительными базами и
возможности их совмещения).
Наиболее существенное влияние на последовательность обработки
поверхностей детали оказывает характер размерной связи. Анализируя форму детали
и проставленные размеры, можно установить, что основными технологическими
базами могут служить:
1. Торцы детали - в качестве опорных баз, лишающих заготовку одной степени
свободы.
2. Наружные поверхности в качестве направляющих баз, лишающих
заготовку четырех степеней свободы.
. Внутренние поверхности, лишающих заготовки четырех степеней
свободы.
При обработке желательно свести к минимуму погрешность установки, чтобы обеспечить
требования по точности и шероховатости поверхностей. Этого можно добиться,
предварительно подготовив базы - торец и наружную поверхность заготовки. Такого
порядка включения поверхностей в обработку желательно придерживаться на
начальном этапе.
Для обеспечения наибольшей точности получаемых линейных
размеров целесообразнее всего в качестве установочных баз использовать торцевые
поверхности детали, поскольку с ними связано наибольшее количество размеров.
Также при их использовании выполняются условие наименьшей погрешности от
несовмещения баз и принцип постоянства установочной базы.
На детали в качестве конструкторской базы для диаметральных
размеров принята ось детали, однако, исходя из невозможности использования
геометрической прямой в качестве технологической базы, в качестве установочных
используем внутренние и внешние цилиндрические поверхности.
В целом совокупность геометрических размеров детали, представленных на
рабочей детали, достаточно точно и однозначно определяют деталь.
Однако, конструкция по простановке размеров не достаточно технологична, т.к.
некоторые конструкторские базы не совпадают с технологическими (УБ и ИБ), могут
появляться погрешности и отклонения при обработке детали.
Технологичность с точки зрения получения заготовки (возможность получения
наиболее рациональным способом с максимально возможным приближением ее форм и
размеров к форме и размерам готовой детали).
Поскольку в данной работе рассматривается процесс изготовления детали в
условиях серийного производства, то к методу формообразования заготовки
предъявляются следующие требования:
- дешевизна процесса изготовления заготовки (исходя из расчета стоимости на
одну заготовку);
- высокий коэффициент использования материала;
- высокая производительность метода.
Получение заготовки штамповкой удовлетворяет всем
вышеизложенным требованиям, поэтому в качестве заготовительной операции в
технологическом процессе выбираем операцию штамповки в открытых штампах на
ковочном молоте.
Количественная оценка технологичности
Количественную оценку производят по абсолютным и относительным
показателям, основными из которых являются характеристики обработки:
коэффициент точности обработки и коэффициент шероховатости поверхностей и
характеристика расхода материала - коэффициент использования материал.
Уровень технологичности детали по точности обработки определяют по
формуле:
;
;
где Тср - средний квалитет точности обработки изделия;
ni -
число размеров соответствующего квалитета точности,
Т - квалитет точности конструкции.
Таким образом средняя точность детали находится на уровне 10
квалитета, однако имеются поверхности с более высоким уровнем точности.
Уровень технологичности конструкции по шероховатости поверхности
определяют по формуле:
;
;
где
Шср - средняя шероховатость поверхности изделия,
niш - число
поверхностей соответствующей шероховатости,
Ш
- шероховатость конструкции (по Rа).
Коэффициенты
точности и шероховатости лежат в диапазонах, соответствующих технологичным
деталям. Среднее качество поверхности детали - Rа=3,6 мкм, но качество
некоторых поверхностей более высокое: шероховатость рабочих поверхностей зубьев
- Ra=1,25 мкм и Ra=0,63 мкм, посадочные места для сопрягаемых деталей -
наружная цилиндрическая поверхность обрабатывается до Rа=0,16 мкм, внутренние -
до Ra=0,16 мкм и 0,32 мкм.
Исходя из вышеизложенного, можно сказать, что для условий серийного
производства деталь будет технологичной, поскольку применение специального
инструмента и оснастки позволяет снизить себестоимость детали, несмотря на
высокую стоимость их изготовления. Если рассматривать технологичность детали с
точки зрения ее точностных характеристик, то средняя точность на уровне 10
квалитета и средняя шероховатость Ra = 3,6 мкм не представляются сложными для
изготовления. А максимальные значения точности - 5 квалитет и шероховатости Rа
= 0,16 мкм выполнены на легкодоступных поверхностях, которые несложно
обработать при наличии современного оборудования.
Таким образом, анализ показателей технологичности рассматриваемой детали
показывает, что в условиях серийного производства при ее производстве на
агрегатном либо авиационном заводе, где отлажена технология получения точных
поверхностей с малой шероховатостью, деталь будет технологичной.
Выбор метода получения заготовки
Выбор метода получения и оформление технологического процесса
изготовления поковки определяются требованиями, предъявляемыми к изготовляемой
из нее детали: характер нагрузки, наиболее ответственные сечения, требуемое
расположение волокон, желаемое распределение наружных и внутренних слоев
металла исходной заготовки и т.д.
Кроме того, следует учесть размер партии и вероятность его повторения.
Так, при единичном и мелкосерийном производстве, т.к. разовые заказы могут не
повторятся, наиболее рациональна ковка или штамповка на ковочном оборудовании с
применением подкладных и других простейших штампов. При серийном производстве,
когда за каждой единицей кузнечного оборудования закрепляется изготовление
поковок 2-5 наименований, применяется штамповка кованых заготовок в
одноручьевых штампах или многоручьевая штамповка на штамповочном оборудовании.
Крупносерийное и массовое производство, предусматривающее полную загрузку
оборудования одним наименованием поковок до замены или модернизации,
обуславливает применение многоручьевую штамповку с выделением
специализированного оборудования.
Для серийного и мелкосерийного производства целесообразно проводить
формообразование поковок, используя методы объемной штамповки. При объемной
штамповке поковку требуемой формы и размеров изготовляют с помощью специальных
инструментов - штампов, каждый из которых состоит не менее чем из двух частей.
Обрабатываемая заготовка закладывается в ручей, когда штамп разомкнут. Затем
под давлением рабочих частей машины-орудия, на которой установлен штамп,
последний смыкается. При этом металл заготовки, деформируюсь, заполняет ручей
и, таким образом, заготовка принимает требуемую форму, а затем ее извлекают из
ручья (штампа) при следующем размыкании штампа. Штамповку осуществляют на
штамповочном оборудовании - штамповочных и ковочных молотах, прессах и других
машинах.
В зависимости от температуры штампуемого материала различают горячую и
холодную штамповку. Горячая объемная штамповка находит более широкое
применение, чем горячая. Распространению холодной объемной штамповки
препятствуют необходимость в машинах очень большой мощности, низкая стойкость
штампов и недостаточная пластичность многих сталей и сплавов в холодном
состоянии.
Для объемной штамповки имеется два основных вида ручьев - открытый и
закрытый. У открытый зазор между верхней и нижней частями штампа является
переменным и уменьшающимся в процессе деформирования материала. Такая штамповка
обеспечивает лучшее заполнение штампа металлом. У закрытых ручьев небольшой
зазор между частями штампа, обеспечивающий их взаимную подвижность, в процессе
деформирования остается постоянным. Штампы закрытой конструкции не
предусматривают образование заусенца и позволяют проводить т.н. безотходную
штамповку. Но возможна перегрузка оборудования или заклинивание штампа.
В качестве метода получения заготовки примем горячую объемную штамповку в
открытых штампах на ковочном молоте. Следует отменить особенность такого
оборудования: относительно большие сдвиги бойков при ударах исключают
возможность установки на них обычных штампов вместо бойков. Поэтому на них штампуют
только в подкладных штампах. В нижнюю часть штампов, закрепляемую на шаботе или
чаще просто устанавливаемую на плоский боек, обычно запрессовывают два
направляющих штыря, в верхней части делают два соответствующих отверстия под
эти штыри. Заготовку закладывают в нижнюю часть штампа. Затем верхнюю часть
штампа отверстиями накладывают на штыри нижней части и ударами по ней верхним
плоским бойком молота осуществляют штамповку. При этом направляющие штыри и
отверстия под них обеспечивают совпадение фигур ручья в верхней и нижней частях
штампа.
.2 Расчет
потребного числа ступеней обработки, обоснование этапов плана обработки
Определение числа переходов по точности и
шероховатости
Число переходов, необходимое для обработки каждой из поверхностей детали,
их состав по применяемым методам обработки определяются на основании расчетов
по аналитическим зависимостям (соотношениям характеристик точности размеров,
формы и шероховатости одноименных поверхностей исходной заготовки и готовой
детали).
Количество ступеней обработки отдельной поверхности для достижения
заданной точности размеров и шероховатости поверхности определяем по следующим
зависимостям:
условие обеспечения заданной точности размеров:
;
где
Тзаг, Тдет - допуск на заготовку и деталь;
условие
обеспечения заданной шероховатости
;
где
Rzзаг, Rzдет - шероховатость заготовки и детали соответственно.
Однако вычисленные по вышеуказанным формулам значения количества
формообразующих операций являются ориентировочными, поскольку они могут быть,
как уменьшены, так и увеличены в зависимости от применяемого оборудования,
инструмента, оснастки. Кроме того, отдельных операций требуют нарезание зубьев,
фрезерование шлицев, сверление, зенкерование отверстий.
Расчет потребного количества операций и переходов представлен в таблице
4.1., на которой представлены также изменения точности и шероховатости
рассматриваемых поверхностей по операциям. Схема нумерации поверхностей
представлена на рис. 4.1.
После определения количества формообразующих операций технологический
процесс изготовления детали насыщается необходимыми вспомогательными
операциями, такими как слесарные, промывочные, контрольные и т.д. Также
отдельно выделяются операции термической и химико-термической обработки,
которые вносятся в технологический процесс на соответствующих этапах
изготовления детали.
Рис.
3.1 Схема нумерации поверхностей вала
|
Таблица 3.1.
|
|
Расчет потребного количества операций и переходов ТП
изготовления вала
|
|
№
|
Размерымм
|
Поля допусков, квалитеты, мм
|
Шерохо-ватости, Rz,мкм
|
Количество ступеней обработки
|
Квалитеты точности, допуски, мкм
|
Шероховатости обработанных поверхностей после операции Rz,
мкм.
|
Технологический маршрут обработки
|
|
пов-ти
|
|
|
|
|
|
|
|
|
Д
|
З
|
Д
|
З
|
Д
|
З
|
nт
|
nш
|
nб
|
nпр
|
1
|
2
|
3
|
4
|
5
|
6
|
1
|
2
|
3
|
4
|
5
|
6
|
№ оп.
|
Наименование операции
|
|
1
|
2
|
3
|
4
|
5
|
6
|
7
|
8
|
9
|
10
|
11
|
12
|
13
|
14
|
15
|
16
|
17
|
18
|
19
|
20
|
21
|
22
|
23
|
24
|
25
|
|
1
|
349
|
|
 20136032,262 80Токарная черновая
|
|
|
|
|
|
|
|
|
|
|
|
|
|
|
|
|
|
|
|
|
|
|
|
|
|
|
|
|
|
|
|
|
|
20Токарная получистовая
|
|
|
|
|
|
|
|
|
|
|
|
|
|
3
|
8
|
|
 201601,32,262 80Сверление
|
|
|
|
|
|
|
|
|
|
|
|
|
|
|
|
|
|
|
|
|
|
|
|
|
|
|
|
|
|
|
|
|
|
20Зенкерование
|
|
|
|
|
|
|
|
|
|
|
|
|
|
5
|
165
|
|
 201601,32,262 80Токарная черновая
|
|
|
|
|
|
|
|
|
|
|
|
|
|
|
|
|
|
|
|
|
|
|
|
|
|
|
|
|
|
|
|
|
|
20Токарная получистовая
|
|
|
|
|
|
|
|
|
|
|
|
|
|
6
|
8
|
|
 201601,32,262 80Токарная черновая
|
|
|
|
|
|
|
|
|
|
|
|
|
|
|
|
|
|
|
|
|
|
|
|
|
|
|
|
|
|
|
|
|
|
20Токарная получистовая
|
|
|
|
|
|
|
|
|
|
|
|
|
|
9
|
80,9
|
|
 201601,32,262 80Токарная черновая
|
|
|
|
|
|
|
|
|
|
|
|
|
|
|
|
|
|
|
|
|
|
|
|
|
|
|
|
|
|
|
|
|
|
20Токарная получистовая
|
|
|
|
|
|
|
|
|
|
|
|
|
|
1
|
2
|
3
|
4
|
5
|
6
|
7
|
8
|
9
|
10
|
11
|
12
|
13
|
14
|
15
|
16
|
17
|
18
|
19
|
20
|
21
|
22
|
23
|
24
|
25
|
|
10
|
230
|
|
 201601,752,262 80Токарная черновая
|
|
|
|
|
|
|
|
|
|
|
|
|
|
|
|
|
|
|
|
|
|
|
|
|
|
|
|
|
|
|
|
|
|
20Токарная получистовая
|
|
|
|
|
|
|
|
|
|
|
|
|
|
11
|
Ш228
|
|
 201601,32,262 80Токарная черновая
|
|
|
|
|
|
|
|
|
|
|
|
|
|
|
|
|
|
|
|
|
|
|
|
|
|
|
|
|
|
|
|
|
|
20Токарная получистовая
|
|
|
|
|
|
|
|
|
|
|
|
|
|
12
|
Ш206
|
|
 201601,32,262 80Токарная черновая
|
|
|
|
|
|
|
|
|
|
|
|
|
|
|
|
|
|
|
|
|
|
|
|
|
|
|
|
|
|
|
|
|
|
20Токарная получистовая
|
|
|
|
|
|
|
|
|
|
|
|
|
|
14
|
Ш175
|
|
 0,631603,965 80Токарная черновая
|
|
|
|
|
|
|
|
|
|
|
|
|
|
|
|
|
|
|
|
|
|
|
|
|
|
|
|
|
|
|
|
|
|
20Токарная получистовая
|
|
|
|
|
|
|
|
|
|
|
|
|
|
|
|
|
|
|
|
|
|
|
|
|
|
5Токарная чистовая
|
|
|
|
|
|
|
|
|
|
|
|
|
|
|
|
|
|
|
|
|
|
|
|
|
|
1,25Шлифование предваритель.
|
|
|
|
|
|
|
|
|
|
|
|
|
|
|
|
|
|
|
|
|
|
|
|
|
|
0,63Шлифование окончательное
|
|
|
|
|
|
|
|
|
|
|
15
|
156,1
|
|
 201601,32,262 80Токарная черновая
|
|
|
|
|
|
|
|
|
|
|
|
|
|
|
|
|
|
|
|
|
|
|
1
|
2
|
3
|
4
|
5
|
6
|
7
|
8
|
9
|
10
|
11
|
12
|
13
|
14
|
15
|
16
|
17
|
18
|
19
|
20
|
21
|
22
|
23
|
24
|
25
|
|
|
|
|
|
|
|
|
|
|
|
|
20Токарная получистовая
|
|
|
|
|
|
|
|
|
|
|
|
|
|
16
|
14
|
|
 201601,32,262 80Токарная черновая
|
|
|
|
|
|
|
|
|
|
|
|
|
|
|
|
|
|
|
|
|
|
|
|
|
|
|
|
|
|
|
|
|
|
20Токарная получистовая
|
|
|
|
|
|
|
|
|
|
|
|
|
|
18
|
218
|
|
 2016032,263 80Токарная черновая
|
|
|
|
|
|
|
|
|
|
|
|
|
|
|
|
|
|
|
|
|
|
|
|
|
|
|
|
|
|
|
|
|
|
20Токарная получистовая
|
|
|
|
|
|
|
|
|
|
|
|
|
|
|
|
|
|
|
|
|
|
|
|
|
|
10Токарная чистовая
|
|
|
|
|
|
|
|
|
|
|
|
|
23
|
109
|
|
 1,251603,55,35 80Токарная черновая
|
|
|
|
|
|
|
|
|
|
|
|
|
|
|
|
|
|
|
|
|
|
|
|
|
|
|
|
|
|
|
|
|
|
20Токарная получистовая
|
|
|
|
|
|
|
|
|
|
|
|
|
|
|
|
|
|
|
|
|
|
|
|
|
|
10Токарная чистовая
|
|
|
|
|
|
|
|
|
|
|
|
|
|
|
|
|
|
|
|
|
|
|
|
|
|
5Шлифование предваритель.
|
|
|
|
|
|
|
|
|
|
|
|
|
|
|
|
|
|
|
|
|
|
|
|
|
|
1,25Шлифование окончательное
|
|
|
|
|
|
|
|
|
|
|
1
|
2
|
3
|
4
|
5
|
6
|
7
|
8
|
9
|
10
|
11
|
12
|
13
|
14
|
15
|
16
|
17
|
18
|
19
|
20
|
21
|
22
|
23
|
24
|
25
|
|
24
|
123,4
|
|
 201601,32,262 80Токарная черновая
|
|
|
|
|
|
|
|
|
|
|
|
|
|
|
|
|
|
|
|
|
|
|
|
|
|
|
|
|
|
|
|
|
|
20Токарная получистовая
|
|
|
|
|
|
|
|
|
|
|
|
|
|
27
|
153
|
|
 20401,32,262 80Токарная черновая
|
|
|
|
|
|
|
|
|
|
|
|
|
|
|
|
|
|
|
|
|
|
|
|
|
|
|
|
|
|
|
|
|
|
20Токарная получистовая
|
|
|
|
|
|
|
|
|
|
|
|
|
|
28
|
Ш165
|
|
 0,631604,265 80Токарная черновая
|
|
|
|
|
|
|
|
|
|
|
|
|
|
|
|
|
|
|
|
|
|
|
|
|
|
|
|
|
|
|
|
|
|
20Токарная получистовая
|
|
|
|
|
|
|
|
|
|
|
|
|
|
|
|
|
|
|
|
|
|
|
|
|
|
5Токарная чистовая
|
|
|
|
|
|
|
|
|
|
|
|
|
|
|
|
|
|
|
|
|
|
|
|
|
|
1,25Шлифование предварительное
|
|
|
|
|
|
|
|
|
|
|
|
|
|
|
|
|
|
|
|
|
|
|
|
|
|
0,63Шлифование окончательное
|
|
|
|
|
|
|
|
|
|
|
|
|
|
|
|
|
|
|
|
|
|
|
|
|
|
|
|
|
|
|
|
|
|
|
|
|
|
газогенератор газотурбинный двигатель энергоустановка
3.3 Разработка плана технологического процесса изготовления вала
После анализа детали, выбора метода формообразования заготовки и
определения потребного количества операций и переходов обработки основных
поверхностей детали приступают к разработке предварительного плана
технологического процесса ее изготовления. Им устанавливаются границы между
операциями и их последовательность в процессе, степень концентрации операций,
установочные и исходные базы, схемы закрепления заготовок, обрабатываемые
поверхности выделяются особо соответствующими операционными размерами с
указанием шероховатости.
Для формирования плана технологического процесса необходимо:
- определить наиболее ответственные поверхности, требующие многократной
обработки, выделяя из них те, которые обрабатывают совместно с другими и
поверхности, требующие отдельных операций;
- определить поверхности, допускающие обработку сразу
окончательно, также разделяя на обрабатываемые в комплексе с другими и
отдельно;
оценить однородность формообразующих операций для поверхностей,
обрабатываемых совместно и наметить предварительную последовательность
операций, начиная с самых грубых и переходя к окончательным;
зафиксировать операции эскизами, которые выполняются в
соответствии с закономерностями теории базирования, требованиями ЕСТД. На
эскизах установки и обработки отображаются необходимые данные, условия, параметры
обрабатываемой детали, устанавливается шероховатость поверхностей, операционные
размеры и технические условия, указываются условные обозначения опор и зажимов;
внести в первоначальный план операции для поверхностей,
обрабатываемых отдельно;
включить вспомогательные операции: слесарные, гальванические,
промывочные, контрольные.
Выбор и обоснование технологических баз
Анализируя форму детали можно установить, что основными технологическими
базами могут служить:
1. Торцы детали - в качестве опорных баз, лишающих заготовку одной
степени свободы.
2. Наружные поверхности в качестве направляющих баз, лишающих
заготовку четырех степеней свободы.
. Внутренние поверхности, лишающих заготовки четырех степеней
свободы.
При обработке желательно свести к минимуму погрешность установки, чтобы
обеспечить требования по точности и шероховатости поверхностей. Этого можно
добиться, предварительно подготовив базы - торец и наружную поверхность
заготовки.
Анализируя деталь, можно сказать,
что для обеспечения наибольшей точности получаемых линейных размеров
целесообразнее всего в качестве установочных баз использовать торцевые
поверхности, поскольку с ними связано наибольшее количество размеров. Также при
их использовании выполняются условие наименьшей погрешности от несовмещения баз
и принцип постоянства установочной базы. На детали в качестве конструкторской
базы для диаметральных размеров принята ось детали, однако, исходя из
невозможности использования геометрической прямой в качестве технологической
базы, в качестве установочных используем внутренние и внешние цилиндрические
поверхности детали.
.4 Расчет припусков и операционных размеров
.4.1 Расчет припусков и операционных размеров поверхностей вращения
Первый этап технологического процесса предполагает получение заготовки
детали. Деталь штампуется на ковочном молоте. Точность получаемых размеров
наружных поверхностей находится в пределах IT 15, а шероховатость Rz = 160 мкм. Для снятия внутренних напряжений в заготовке ее
подвергают термической обработке - проводят высокий отпуск.
После данных операций заготовительного этапа заготовка поступает в
механический цех. Первой операцией механообработки является токарная операция,
предназначение которой состоит в подготовке установочных баз для последующей
механообработки. Для черновой обработки точных поверхностей и окончательного
формирования поверхностей, точность которых не превышает IT12, предусматриваем
токарные операции на станках с ЧПУ. Причем для повышения точности обработки все
переходы каждой из операций выполняем с одного установа.
Получистовую обработку точных поверхностей детали производим на
универсальных станках: токарных, сверлильных, зубообрабатывающих, фрезерных.
Производится получистовая токарная обработка торцевых и цилиндрических
поверхностей вращения, нарезка зубчатых венцов, сверление радиальных отверстий,
фрезерование пазов. На этой стадии технологического процесса последовательность
операций выстраиваем таким образом, чтобы более точные поверхности
обрабатывались после обработки поверхностей, которые служат для них базами.
Здесь же производим промежуточный контроль формы и свойств детали.
Чистовая обработка детали производится для обеспечения максимальной
точности и требуемой шероховатости поверхностей. Поводятся операции
зубошлифования, шлифования наружных и внутренних поверхностей, а также
хонингования.
В конце технологического процесса производятся операции окончательного
контроля, предназначенные для контроля всех геометрических параметров детали, и
консервации детали - для предохранения от вредных внешних воздействий.
3.4.2 Расчет припусков и операционных размеров на торцевые поверхности
Сущность нормативного метода состоит в назначении (установлении и
оптимизации) общего припуска на формообразующие операции в зависимости от
применяемых методов обработки, требуемой точности, шероховатости и размеров
поверхности на основе опытно-статистических данных. Метод базируется на опытных
данных, которые не могут учитывать конкретные условия построения
технологического процесса. Поэтому нормативные припуски почти всегда получаются
завышенными.
Расчет
припусков данным методом показан на примере наружной цилиндрической поверхности
вала № 28 (размер окончательно обработанной поверхности Ш165 n5
(
)). Результаты расчета заносятся в таблицу 6.1.1 в
следующей последовательности:
.
Устанавливается маршрут обработки поверхности на основании ранее разработанного
технологического процесса. Формообразование производится за четыре перехода в
следующем порядке: токарная черновая, токарная получистовая, токарная чистовая,
шлифование и хонингование.
Точность
поверхности изменяется следующим образом: IT15 - h13 -
h12 - h9 - h7 - n5; шероховатость: Rz160 - Rz40
- Rz20 - Rz10 - Rz1,25 - Rz0,63.
Достигаемая
точность определяет величину допуска на размер. Значение уточняется по
справочнику для каждого вида обработки: черновое точение (-0,630 мм),
получистовое (-0,400 мм), чистовое (-0,100 мм), шлифование (-0,040 мм) и
хонингование (
мм).
.
Рекомендуемый припуск
по ступеням обработки при диаметре от 120 мм до 180 мм
и длине обрабатываемой поверхности до 120 мм назначается по табличным данным:
для
чернового точения
= 2,500
мм;
для
получистового точения
= 1,500
мм;
для
получистового точения
= 1,000
мм;
для
предварительного шлифования
= 0,800
мм;
для
окончательного шлифования
= 0,500
мм.
.
На последней ступени обработки расчетный размер равен размеру готовой детали:
= 165,000 мм.
Расчетные
размеры на предшествующих ступенях обработки определяются как сумму принятого
(округленного) размера на данной операции и соответствующего ему рекомендуемого
припуска
на данной ступени обработки:
.
Тогда:
для
шлифования
=165,500
(мм);
165,500 мм;
для
чистого точения
=166,300
(мм);
166,400 мм;
для
получистого точения
=167,400
(мм);
167,5 мм;
для
чернового точения
=169,000
(мм);
169,000 мм;
для
заготовительной
= 171,500
(мм);
172,000 мм.
.
Принятый припуск на обработку равен разности принятых размеров на предыдущем и
данном переходах:
для
хонингования
=0,500
(мм);
для
шлифования
=0,900
(мм);
для
чистового точения
= 1,100
(мм);
для
получистового точения
= 1,500
(мм);
для
чернового точения
= 3,000
(мм).
.
Минимальное значение припуска на данном переходе определяется по следующей
формуле:
.
для
хонингования
= 0,415
(мм),
при
расчете этого минимального припуска следует учесть, что на текущей операции
допуск на размер проставляется не «в тело», а составляет
для
шлифования
= 0,800
(мм);
для
чистового точения
= 0,700
(мм);
для
получистового точения
= 0,870
(мм);
- для чернового точения
= 2,000
(мм),
в
данном случае учитывается отрицательная составляющая припуска.
Полученное значение минимального припуска необходимо сравнить с
допустимым минимальным значением припуска на каждую операцию.
6.
Технологический операционный размер на каждой ступени обработки записывается
как максимальный размер и допуск “в тело”: для хонингования Ш165 n5
мм; для шлифования Ш165,5 h7-0,040
мм; для чистового точения Ш166,4 h9-0,100 мм,
для получиствоого точения Ш167,5 h12-0,400 мм, для чернового точения Ш169 h13-0,630
мм.
Для
заготовительной операции
мм.
Таблица 3.4.1
Расчет припусков и операционных размеров поверхностей вращения вала
нормативным методом
|
№оп
|
Маршрут обработки элементарных поверхностей
|
Размеры
|
Откл.
|
Припуски
|
Характеристика операции
|
|
|
|
|
|
|
|
|
расчетный
|
принятый
|
|
реком.
|
принятый
|
миним.
|
Технологич. размер, мм
|
по точности
|
по шерохов.
|
|
1
|
2
|
3
|
4
|
5
|
6
|
7
|
8
|
9
|
10
|
11
|
|
ПОВЕРХНОСТЬ №5 (Ш165 h12-0,400) - наружная цилиндрическая
|
|
25
|
Токарная
|
165,000
|
165,000
|
-0,400
|
2,500
|
3,000
|
2,000
|
165,000-0,400
|
h12
|
Rz20
|
Штамповочная
|
168,500
|
169,000
|
+0,600 -1,000
|
-
|
-
|
-
|
169,000+0,600 -1,000
|
IT15
|
Rz160
|
|
ПОВЕРХНОСТЬ №10 (Ш230 h100,185) - наружная цилиндрическая
|
|
35
|
Токарная получистовая
|
230,000
|
230,000
|
-0,185
|
1,000
|
1,500
|
1,040
|
230,000-0,290
|
h10
|
Rz10
|
|
20
|
Токарная черновая
|
231,000
|
231,500
|
-0,460
|
2,500
|
2,500
|
1,500
|
231,500-0,460
|
h12
|
Rz20
|
|
05
|
Штамповочная
|
234,000
|
234,000
|
+0,850 -1,000
|
-
|
-
|
-
|
234,000+0,850 -1,000
|
IT15
|
Rz160
|
|
ПОВЕРХНОСТЬ №11 (Ш228 h120,460) - наружная цилиндрическая
|
|
20
|
Токарная черновая
|
228,000
|
228,000
|
-0,460
|
2,500
|
2,000
|
1,000
|
228,000-0,460
|
h12
|
Rz20
|
|
05
|
Штамповочная
|
230,500
|
230,000
|
+0,850 -1,000
|
-
|
-
|
-
|
230,000+0,850 -1,000
|
IT15
|
Rz160
|
|
ПОВЕРХНОСТЬ №12 (Ш206 H12+0,460) - внутренняя
цилиндрическая
|
|
20
|
Токарная черновая
|
206,000
|
206,000
|
+0,460
|
2,500
|
3,000
|
2,000
|
206,000+0,400
|
H12
|
Rz20
|
|
05
|
Штамповочная
|
203,500
|
204,000
|
+1,000 -0,850
|
-
|
-
|
-
|
204,000+1,000 -0,850
|
IT15
|
Rz160
|
|
ПОВЕРХНОСТЬ №14 (Ш175 H6+0,025) - внутренняя цилиндрическая
|
|
140
|
Хонингование
|
175,000
|
175,000
|
+0,025
|
0,200
|
0,200
|
0,160
|
175,000+0,025
|
H6
|
Rz0,63
|
|
125
|
Шлифование
|
174,800
|
174,800
|
+0,040
|
0,300
|
0,400
|
0,337
|
174,800+0,040
|
H7
|
Rz1,25
|
|
45
|
Токарная чистовая
|
174,500
|
174,400
|
+0,063
|
0,600
|
0,600
|
0,440
|
174,600+0,063
|
H8
|
Rz5
|
|
35
|
Токарная получистовая
|
173,800
|
173,800
|
+0,160
|
1,500
|
1,500
|
1,100
|
174,000+0,160
|
H10
|
Rz10
|
|
20
|
Токарная черновая
|
172,300
|
172,300
|
+0,400
|
2,000
|
2,300
|
1,300
|
172,500+0,400
|
H12
|
Rz20
|
|
05
|
Штамповочная
|
170,300
|
170,000
|
+1,000 -0,600
|
-
|
-
|
-
|
170,000+1,000 -0,600
|
IT15
|
Rz160
|
|
ПОВЕРХНОСТЬ №15 (Ш156,1 H12+0,400) - внутренняя
цилиндрическая
|
|
25
|
Токарная черновая
|
156,100
|
156,100
|
+0,400
|
2,000
|
2,100
|
1,100
|
156,100+0,400
|
H12
|
Rz20
|
|
05
|
Штамповочная
|
154,100
|
154,000
|
+1,000 -0,600
|
-
|
-
|
-
|
154,000+1,000 -0,600
|
IT15
|
Rz160
|
|
ПОВЕРХНОСТЬ №23 (Ш109 H7+0,035) - внутренняя цилиндрическая
|
|
120
|
Шлифование
|
94,000
|
94,000
|
+0,035
|
0,500
|
0,500
|
0,413
|
94,000+0,035
|
H7
|
Rz1,25
|
|
40
|
Токарная чистовая
|
93,500
|
93,500
|
+0,087
|
1,000
|
1,000
|
0,650
|
93,500+0,087
|
H9
|
Rz10
|
|
25
|
Токарная получистовая
|
92,500
|
92,500
|
+0,350
|
1,500
|
1,500
|
0,960
|
92,500+0,350
|
H12
|
Rz20
|
|
15
|
Токарная черновая
|
91,000
|
91,000
|
+0,540
|
2,000
|
2,000
|
1,200
|
91,000+0,540
|
H13
|
Rz40
|
|
05
|
Штамповочная
|
89,000
|
89,000
|
+0,800 -0,600
|
-
|
-
|
-
|
89,000+0,800 -0,600
|
IT15
|
Rz160
|
|
ПОВЕРХНОСТЬ №24 (Ш123,4 H12+0,400) - внутренняя
цилиндрическая
|
|
25
|
Токарная черновая
|
123,400
|
123,400
|
+0,400
|
2,000
|
2,400
|
1,400
|
123,400+0,400
|
H12
|
Rz20
|
|
05
|
Штамповочная
|
121,400
|
121,000
|
+1,000 -0,600
|
-
|
-
|
-
|
121,000+1,000 -0,600
|
IT15
|
Rz160
|
|
ПОВЕРХНОСТЬ №27 (Ш153 h12-0,400) - наружная цилиндрическая
|
|
25
|
Токарная черновая
|
153,000
|
153,000
|
-0,400
|
2,500
|
2,000
|
1,000
|
153,000-0,400
|
h12
|
Rz20
|
|
05
|
Штамповочная
|
155,500
|
155,000
|
+0,600 -1,000
|
-
|
-
|
-
|
155,000+0,600 -1,000
|
IT15
|
Rz160
|
|
ПОВЕРХНОСТЬ №28 (Ш165 n5 ) - наружная цилиндрическая
|
|
145
|
Хонингование
|
165,000
|
165,000
|
0,5000,5000,415165,000 n5Rz0,63
|
|
|
|
|
|
|
|
115
|
Шлифование
|
165,500
|
165,500
|
-0,040
|
0,800
|
0,900
|
0,800
|
165,500-0,040
|
h7
|
Rz1,25
|
|
40
|
Токарная чистовая
|
166,300
|
166,400
|
-0,100
|
1,000
|
1,100
|
0,700
|
166,400-0,100
|
h9
|
Rz10
|
|
25
|
Токарная получистовая
|
167,400
|
167,500
|
-0,400
|
1,500
|
1,500
|
0,870
|
167,500-0,400
|
h12
|
Rz20
|
|
15
|
Токарная черновая
|
169,000
|
169,000
|
-0,630
|
2,500
|
3,000
|
2,000
|
169,000-0,630
|
h13
|
Rz40
|
|
05
|
Штамповочная
|
171,500
|
172,000
|
+0,600 -1,000
|
-
|
-
|
-
|
172,000+0,600 -1,000
|
IT15
|
Rz160
|
.4.1 Расчетно-аналитический метод
Расчетно-аналитический метод расчета припусков состоит в установлении
факторов, влияющих на величину операционных (промежуточных) припусков и установления
расчетным путем значение каждой из составляющих припуска, компенсирующих
влияние этих факторов. Этот метод учитывает конкретное сочетание условий
обработки и является наиболее оптимальным и точным.
Минимальный припуск при обработке поверхностей вращения рассчитывается по
формуле:
,
где
- высота неровностей поверхности, оставшихся при
выполнении предшествующей операции (перехода), мкм;
- глубина
дефектного слоя, оставшегося при выполнении предшествующей операции (перехода),
мкм;
-
пространственные отклонения, возникшие при выполнении предшествующей операции
(перехода), мкм;
Пространственные отклонения исходной заготовки определяют по формуле:
,
где
- погрешность коробления, мкм;
-
погрешность смещения, мкм.
Порядок
расчета припусков и операционных размеров поверхностей вращения проследим на
примере наружной цилиндрической поверхности № 28 вала. Исходные данные для
расчета: размер окончательно обработанной поверхности - Ш165
шероховатость Rz0,63.
Значения
составляющих припуска определяем с учетом принятых методов обработки
поверхности, способов базирования и закрепления заготовки, точности
оборудования и оснастки. Результаты вычислений заносим в таблицу 6.2.1 в
следующем порядке.
.
Маршрут обработки поверхности, номера операций и достигаемая при этом
шероховатость известны на основании разработанного плана техпроцесса. После
штамповки поверхность подвергается пяти переходам механической обработки -
токарная черновая, токарная получистовая, токарная чистовая, шлифование и
хонингование (операции 15, 25, 40, 115 и 145)
Предусматривается
термическая обработка - операция 95.
Точность
поверхности изменяется следующим образом: IT15 - h13 -
h12 - h9 - h7 - n5; шероховатость: Rz160 - Rz40
- Rz20 - Rz10 - Rz1,25 - Rz0,63.
.
Величины
и
,
характеризующие состояние поверхности заготовки после обработки различными
методами, определяем по таблицам точности и качества обработки.
После штамповки на
прессе для массы поковки от 0,25 кг до 4 кг принимаем
=160 мкм и
=200 мкм.
Черновое
точение позволяет уменьшить шероховатость и глубину дефектного слоя соответственно
до
=40 мкм и
=50 мкм.
Получистовым
точением обеспечиваем
=20 мкм и
=10 мкм,
чистовым -
=10 мкм и
=5 мкм.
Шлифованием
достигаем -
=1,25 мкм, хонингованием -
=0,63 мкм. В обоих случая считаем
=0 мкм, т.к. глубина дефектного слоя незначительна.
.
Пространственные отклонения
выражаются
короблением заготовки
и смещением одних ее элементов относительно других
вследствие несовпадения частей штампа
:
.
Для
определения пространственных отклонений штампованной заготовки воспользуемся
справочными нормативами. После заготовительного этапа
= 400 мкм,
= 300 мкм
(для штамповки на прессах нормальной точности при массе поковки от 0,63 кг до
1,0 кг).
Тогда
получаем
=500
(мкм).
Величины
остаточных пространственных отклонений коробления и смещения на всех
последующих ступенях обработки находим по формуле:
,
где
- коэффициент уточнения, принимается на основании
опытных данных.
Т.о.,
пространственное отклонение и смещение на операции 10 чернового точения
составят соответственно (
):
=
= 18 (мкм),
= 24
(мкм),
= 30
(мкм).
Пространственные
отклонение и смещение на операции 25 получистового точения составят
соответственно (
):
=
= 15 (мкм),
= 20
(мкм),
= 25
(мкм).
Пространственные
отклонение и смещение на операции 40 чистового точения составят соответственно
(
):
=
= 12 (мкм),
= 16
(мкм),
= 20
(мкм).
Для
определения пространственных отклонений на операции 115 шлифования кроме
коробления исходной заготовки следует учитывать коробление, вызванное
предшествующей термической обработкой (операция 95). После закалки в печи кривизну
поверхности детали можно найти по формуле:
,
где
- коэффициент, зависящий от вида термической
обработки, при объемной закалке принимаем
=1;
- диаметр
заготовки, мм.
Тогда
0,51
(мкм/мм),
что в расчете на длину
поверхности (40 мм) составит
=
20 мкм.
Для
точения с учетом коробления детали после термической обработки получаем:
= 23
(мкм),
=
= 9 (мкм),
=25
(мкм).
Пространственные
отклонение и смещение на операции 145 хонингования составят соответственно (
):
= 16
(мкм),
=
= 6
(мкм),
= 20
(мкм).
4. Погрешность установки
заготовки представляет собой отклонение достигнутого положения заготовки при ее
базировании и закреплении от требуемого. Это отклонение компенсируется
дополнительной составляющей припуска
,
где
и
-
соответственно погрешности базирования и закрепления.
Значение
выбираем из справочных данных:
для
чернового точения, при котором в качестве установочной базы применяется
необработанная поверхность торца,
=100 мкм;
при
получистовом точении детали выверка производится по обработанной поверхности
=50 мкм;
-
для шлифования, при котором выверка производится с помощью индикатора по чисто
обработанной поверхности
=20 мкм;
.
Имея значения составляющих элементов припуска, определяем расчетное значение
минимального припуска на диаметр для всех ступеней обработки, начиная с
последней:
для
хонингования
=
53 (мкм);
для
шлифования
=87
(мкм);
для
чистового точения
= 124
(мкм);
для
получистового точения
= 300
(мкм);
- для чернового точения
= 1740
(мкм).
.
Допуск на размер определяем на основании данных о точности на каждой ступени
обработки. Устанавливаем квалитет точности и значение допуска для каждой ступени
механической обработки: черновое точение (-0,630 мм), получистовое (-0,400 мм),
получистовое (-0,100 мм), шлифование (-0,040 мм) и хонингование (
мм).
.
Расчетный припуск
определяется как сумма минимального припуска
и отклонения размера на
предшествующей операции:
,
для хонингования
=
0,093 (мм);
для шлифования
=
0,187 (мм);
для чистового точения
= 0,524
(мм);
- для получистового точения
= 0,630
(мм);
для чернового точения
=1,740+1,000=2,740
(мм).
.
Расчетный размер на последней ступени обработки равен размеру готовой детали.
Для операции окончательного шлифования
= 165,045
мм. Значение, которое будет принимать наименьший предельный размер на данной
операции:
= 165,027 мм.
Размеры
на предшествующих ступенях обработки определяем как сумму расчетного размера
и соответствующего ему расчетного припуска
на данной ступени обработки.
Для
шлифования:
,
= 165,138
(мм).
Принимаем
165,200
мм.
165,160 (мм).
Для чистового точения:
= 165,387
(мм).
Принимаем
165,500
мм.
165,400 (мм).
Для получистового точения:
= 166,024
(мм).
Принимаем
166,200
мм.
165,800 (мм).
Для операции чернового точения расчеты выполняем аналогичным способом:
=
166,200+0,930= 167,130 (мм).
Принимаем
=167,200
мм,
мм.
Расчетный
размер заготовки
=169,940 (мм)
Принимаем
=170,600 мм, а ее минимальный предельный размер
169,000 мм.
9. Имея значения
и
, находим
значения максимального
и
минимального
припусков по следующим зависимостям:
,
,
где
и
-
соответственно максимальный и минимальный предельные размеры на предшествующей
ступени обработки,
и
-
соответственно максимальный и минимальный предельные размеры на рассматриваемой
ступени обработки.
Определяем
и
по
ступеням обработки:
для
хонингования
Zmax = 0,173 мм;
Zmin = 0,115 мм;
для
шлифования
Zmax = 0,340 мм;
Zmin = 0,200 мм;
для
чистового точения
Zmax = 0,800 мм;
Zmin = 0,300 мм;
для
получистового точения
Zmax = 1,400 мм;
Zmin = 0,370 мм;
для
чернового точения
Zmax = 4,030 мм;
Zmin = 2,200 мм.
10. Технологический операционный
размер на каждой ступени обработки записываем как максимальный размер с
допуском “в тело”: для хонингования 165
; для
шлифования 165,2
; для чистового точения 165,5
; для получистового точения 166,2
; для чернового точения 167,2
.
Технологический
размер заготовки записывается как номинальный размер заготовки с
соответствующим допуском:
мм.
Аналогично
ведем расчет для остальных поверхностей вращения.
Результаты
расчета заносим в таблицу 3.4.2
Таблица 3.4.2
Расчет припусков и операционных размеров поверхностей вращения вала
расчетно-аналитическим методом
|
№ оп.
|
Маршрут обработки элементарных поверхностей
|
Элементы припуска, мкм
|
Расч. припуск 2Zminр, мкм
|
Допуск размера мм
|
Расч. припуск 2Zномр, мм
|
Расч. размер Dр, мм
|
Принятые размеры, мм
|
Принятые припуски, мм
|
Параметры обраб. поверхности
|
|
|
Rz
|
h
|
∆см
|
∆кор
|
∆
|
ε
|
|
|
|
|
|
|
|
|
|
|
|
|
|
|
|
|
|
|
|
Dmax
|
Dmin
|
2Zmax
|
2Zmin
|
Технологич. размер, мм
|
Шерох пов.
|
|
|
|
|
|
|
|
|
|
|
|
|
|
|
|
|
|
|
|
ПОВЕРХНОСТЬ №28 (Ш165 ) - наружная цилиндрическая
|
|
05
|
Штамповка
|
160
|
200
|
300
|
400
|
500
|
-
|
-
|
+0,600 -1,000
|
-
|
169,940
|
170,600
|
169,000
|
-
|
-
|
170,000+0,600 -1,000
|
Rz160
|
|
15
|
Токарная
|
40
|
50
|
18
|
24
|
30
|
100
|
1740
|
-0,630
|
2,740
|
167,130
|
167,200
|
166,570
|
4,030
|
2,200
|
167,200-0,630
|
Rz40
|
|
25
|
Токарная
|
20
|
10
|
15
|
20
|
25
|
50
|
300
|
-0,400
|
0,930
|
166,024
|
166,200
|
165,800
|
1,400
|
0,370
|
166,200-0,400
|
Rz20
|
|
40
|
Токарная
|
10
|
5
|
12
|
16
|
20
|
20
|
124
|
-0,100
|
0,524
|
165,387
|
165,500
|
165,400
|
0,800
|
0,300
|
165,500-0,100
|
Rz10
|
|
95
|
Терм. обработка
|
кривизна ∆кор после т.о. в печи составляет 0,51 мкм
на 1 мм длины, на длину 40 мм погрешность составит ∆т.о.=0,51Ч40=20
мкм;
|
|
115
|
Шлифование
|
1,25
|
-
|
9
|
23
|
25
|
20
|
87
|
-0,040
|
0,187
|
165,138
|
165,200
|
165,160
|
0,340
|
0,200
|
165,200-0,040
|
Rz1,25
|
|
145
|
Хонинговальная
|
0,63
|
-
|
6
|
16
|
17
|
-
|
53
|
0,093165,045165,045165,0270,1730,115165,000 Rz0,63
|
|
|
|
|
|
|
|
|
|
ПОВЕРХНОСТЬ №14 (Ш175 H6+0,025) - внутренняя цилиндрическая
|
|
05
|
Штамповка
|
160
|
200
|
300
|
400
|
500
|
-
|
-
|
+1,000 -0,600
|
-
|
170,260
|
171,000
|
169,400
|
-
|
-
|
170,000+1,000 -0,600
|
Rz160
|
|
20
|
Токарная
|
20
|
40
|
18
|
24
|
30
|
100
|
1740
|
+0,400
|
2,740
|
173,363
|
173,400
|
173,000
|
4,000
|
2,000
|
173,000+0,400
|
Rz20
|
|
35
|
Токарная
|
10
|
10
|
15
|
20
|
25
|
50
|
237
|
+0,160
|
0,637
|
174,236
|
174,160
|
174,000
|
1,160
|
0,600
|
174,000+0,160
|
Rz10
|
|
45
|
Токарная
|
5
|
5
|
12
|
16
|
20
|
20
|
104
|
+0,063
|
0,264
|
174,660
|
174,563
|
174,500
|
0,563
|
0,360
|
174,500+0,063
|
Rz5
|
|
95
|
Термич. Обработка
|
кривизна ∆кор после т.о. в печи составляет 0,5 мкм на
1 мм длины, на длину 70 мм погрешность составит ∆т.о.=0,5Ч70=35 мкм;
|
|
125
|
Шлифовальная
|
1,25
|
3
|
9
|
37
|
38
|
20
|
77
|
+0,040
|
0,140
|
174,875
|
174,840
|
174,800
|
0,340
|
0,237
|
174,800+0,040
|
Rz1,25
|
|
140
|
Хонинговальная
|
0,63
|
-
|
6
|
25
|
26
|
-
|
+0,025
|
0,125
|
175,000
|
175,022
|
175,000
|
0,222
|
0,160
|
175,000+0,025
|
Rz0,63
|
3.4.2 Разработка размерной схемы формообразования размеров-координат
торцевых поверхностей вала
Главная задача размерного анализа - правильное и обоснованное определение
промежуточных и окончательных размеров и допусков на них для обрабатываемой
детали. Особенно в этом нуждаются линейные размеры, связывающие неоднократно
обрабатываемые противоположные поверхности. Определение припусков на такие
поверхности расчетно-аналитическим или нормативным методами затрудняет
определение промежуточных технологических размеров и их отклонений. В этом
случае обращаются к прикладной теории размерных цепей. Последовательный размерный
анализ технологического процесса состоит из ряда этапов: разработка размерной
схемы технологического процесса; выявление технологических размерных цепей;
расчет технологических размерных цепей.
Размерную схему строим, располагая планами эскизов установки и обработки
детали. С учетом количества обработок торцевых поверхностей на эскизе условно
показываем операционные припуски, а также размеры готовой детали и заготовки.
Для этого вычерчиваем контур готовой детали и указываем в направлении торцов слои
межоперационных припусков на обработку. Все исходные, промежуточные и
окончательные торцевые поверхности нумеруем по порядку слева на право от 1 до n (14). Через нумерованные поверхности
проводим вертикальные линии, затем в зонах номеров соответствующей операции,
между вертикальными линиями начиная с последней операции с учетом эскизов
установки и обработки плана технологического процесса, указываем
технологические размеры, получаемые при выполнении каждой операции
соответствующими буквами. Операционные размеры представляем в виде стрелок с
точкой. Точка совмещается с установочной базой, а стрелка с поверхностью,
обработанной в данной операции.
Указываем расстояние между торцевыми поверхностями размерами Адет,
Бдет, Вдет, Гдет, Ддет, Едет
в соответствии с координацией размеров на детали; с учетом количества обработок торцевых поверхностей
условно показываем операционные припуски Zi-j (где i, j - номера припусков); обозначаем
размеры заготовки Азаг, Бзаг.
Справа от размерной схемы для каждой операции выявляем и строим схемы
технологических размерных цепей. На основании составленных схем размерных цепей
определяем типы составляющих звеньев и составляем исходные уравнения, а затем
их рассчитываем. В этих цепях в квадратных скобках указываются конструкторские
размеры и размеры припусков, которые являются замыкающими звеньями в
рассматриваемых цепях. Выявление размерных цепей по размерной схеме начинаем с
последней операции. Построение выполняем таким образом, чтобы в каждой новой
цепи было неизвестно только одно звено. В такой же последовательности ведут
расчет размерных цепей.
Размерная схема представлена на рис. 3.4.2
Рис.3.4.2
Размерная схема формообразования размеров-координат торцевых поверхностей вала
Выявление размерных цепей по размерной схеме начинаем с последней
операции, то есть сверху вниз. В такой же последовательности ведут расчет
размерных цепей. При этом необходимо, чтобы в каждой новой цепи был неизвестен
только один размер (количество неизвестных должно быть равно количеству
расчетных цепей).
В примере на последней операции 125 выполнен размер Б125,
который совпадает с конструкторским размером Бдет, поэтому для его
определения составляем двухзвенную размерную цепь. Аналогично определятся
размеры А25 и Г20. Размер Б45
вместе с размером Б125 и припуском Z6-7 образуют замкнутый контур и, кроме того, функционально
полноценную размерную цепь - конструкторско-технологическую. В результате
расчета этой цепи определяется размер, допуск и предельное отклонение размера.
Аналогично выполняем размерные цепи на остальных операциях и составляем
схемы для определения остальных формообразующих размеров (рисунок 3.4.3).
Рис. 3.4.3 Технологические размерные цепи
Расчет припусков на обработку и операционных размеров-координат торцевых
поверхностей вала.
Нормативный метод.
Расчет
припусков на обработку и операционных размеров-координат плоских торцевых
поверхностей нормативным методом аналогичен расчету припусков и операционных
размеров-диаметров. Рассмотрим расчет припуска и операционных размеров для
торцов 1 и 9, связанных размером-координатой Адет=349
.
Из
плана технологического процесса определяем маршрут обработки поверхностей,
точность обработки и шероховатость после каждой операции и заносим данные в
таблицу 8.1.
Устанавливаем
рекомендуемый припуск по ступеням обработки, учитывая длину и диаметр
обрабатываемой поверхности. Заполнение всех последующих граф табл. 8.1 начинаем
с последней ступени обработки, для которой расчетный размер равен размеру
готовой детали. Для токарной операции 25 Ар = 349 мм. Это же
значение будет принимать и принимаемый размер на данном переходе: Априн
= 349 мм.
Расчетные
размеры на предшествующих ступенях обработки определяются как сумма
принимаемого размера (равного округленному значению расчетного размера) и соответствующего
ему рекомендуемого припуска на данной ступени обработки:
Аpi
= Априн.i-1 + zрекi-1.
При этом следует учитывать, что размер А формируется торцами 1 и 9, поэтому для получения операционных размеров к ним следует прибавлять припуски, снимаемые
и с торца 1 и с торца 9.
На операции 25
обрабатывается торец 1 (точение) Априн25 = 349 мм.
На
операции 20 обрабатывается торец 9, (точение)
Ар20=Априн.25+zрек25=349,000+1,500=350,500 (мм). Априн20.=350,500
мм, zприн25=1,500мм.
На операции 15 обрабатывается торец 1
(точение)
Ар15 = 350,500 +3,500 = 354,000 (мм), Априн15 =
353,500 мм, zприн15=3,000мм.
На заготовительной операции
Ар10=353,500+3,500=357,000 (мм), Априн05.=357,000
мм, zприн10=3,500мм.
Минимальные предельные размеры заготовки на всех ступенях ее обработки
определяются как разность максимальных предельных размеров и соответствующих
допусков:
Аmin i = Аmax - Ti.
Аmax25 = 349,044 мм, Аmin25= 349,044 - 0,088 = 348,956 (мм);
Аmax20 = 350,500 мм, Аmin20= 350,500 - 0,230 = 350,270 (мм);
Аmax15 = 353,500 мм, Аmin15 =353,500 - 0,570 = 352,930 (мм);
Аmax10 = 357,800 мм, Аmin10= 357,800 - 2,300 = 355,500 (мм).
Имея значения Аmax и Аmin, можно
определить значения минимального припуска для всех ступеней обработки по
зависимости:
zmin = Аmin i-1 - Аmax i
zmin25 = 350,270 - 349,044 = 1,226 (мм);min15 = 352,930 - 350,500 = 2,430 (мм);
zmin10 = 355,500 - 353,500 = 2,000 (мм).
Технологический операционный размер на каждой ступени обработки
записывается как номинальный размер и отклонение. Параметры шероховатости и
точности обработки устанавливаются по соответствующим операциям в техпроцессе.
Результаты расчетов представлены в таблице
Таблица 3.4.3
Расчет припусков и операционных размеров на торцевые поверхности
нормативным методом
|
№ операций
|
Обрабатываемый торец
|
Установка по торцу
|
Наименования операций
|
Размеры
|
Отклонения
|
Припуски
|
Характеристики операций
|
|
|
|
|
расчетный
|
принятый
|
|
рекомендуемый
|
принятый
|
минимальный
|
Шероховатость обработки Rz, мкм
|
Точность обработки
|
|
1
|
2
|
3
|
4
|
5
|
6
|
7
|
8
|
9
|
10
|
11
|
12
|
|
Размер-координата А = 260,3 (торцы 1 и 9)
|
|
25
|
1
|
9
|
Токарная получистовая
|
349,000
|
349,000
|
1,51,51,22620
|
|
|
|
|
|
|
20
|
9
|
1
|
Токарная черновая
|
350,500
|
350,500
|
-0,230
|
3,5
|
3,0
|
2,430
|
20
|
h10
|
|
15
|
1
|
9
|
Токарная черновая
|
354,000
|
353,500
|
-0,570
|
3,5
|
3,5
|
2,000
|
40
|
h12
|
|
10
|
-
|
-
|
Штамповочная
|
357,000
|
357,000
|
+0,800 -1,500
|
--
|
--
|
--
|
160
|
IT15
|
|
Размер-координата Б = 218 Н8+0,072 (торцы 1 и 18)
|
|
125
|
18
|
1
|
Шлифование
|
218,000
|
218,000
|
+0,072
|
0,5
|
0,5
|
0,428
|
1,25
|
Н8
|
|
45
|
18
|
1
|
Токарная чистовая
|
218,500
|
218,500
|
+0,115
|
1,1
|
1,0
|
0,885
|
5
|
Н9
|
|
35
|
18
|
1
|
Токарная получистовая
|
219,600
|
219,500
|
+0,195
|
1,3
|
1,3
|
1,105
|
10
|
Н10
|
|
25
|
1
|
9
|
Токарная получистовая
|
220,800
|
220,800
|
+0,460
|
1,3
|
1,5
|
1,040
|
20
|
Н12
|
|
20
|
18
|
1
|
Токарная черновая
|
222,100
|
222,300
|
+0,460
|
3,5
|
3,2
|
2,760
|
20
|
Н12
|
|
15
|
1
|
9
|
Токарная черновая
|
225,800
|
225,500
|
+0,720
|
3,5
|
3,5
|
1,930
|
40
|
Н13
|
|
10
|
-
|
-
|
Штамповочная
|
229,000
|
229,000
|
+1,000 -0,850
|
--
|
--
|
--
|
160
|
IT15
|
Расчет технологических размерных цепей
Выявление и расчет технологических размерных цепей начинают с двухзвенный
цепей. А затем в такой последовательности, чтобы в каждой цепи имелось только
одно неизвестное звено. Остальные звенья уже определены расчетом предыдущих
размерных цепей. Для выполнения этого условия необходимо начинать выявление и
расчет цепей в последовательности, обратной выполнению операций в
технологическом процессе изготовления вала.
Таблица 3.4.4
Расчетные уравнения для графа размерных цепей
|
№
|
Уравнение размерной цепи
|
Искомый размер
|
|
1
|
-Бдет+Б125 = 0
|
Б125
|
|
2
|
-Z6-7-Б125+Б45 = 0
|
Б45
|
|
3
|
-Z7-8-Б45+Б35 = 0
|
Б35
|
|
4
|
-Ддет+Д25 = 0
|
Д25
|
|
5
|
-Адет+А25 = 0
|
А25
|
|
6
|
-Гдет+Г20 = 0
|
Г20
|
|
7
|
- Вдет +В20= 0
|
В20
|
|
8
|
-Едет +Е20 = 0
|
Е20
|
|
9
|
-Z2-3+А20 -А25= 0
|
А20
|
|
10
|
-Z8-9-Б35+А25-А20+Б20 = 0
|
Б20
|
|
11
|
-Z4-5-Д25-А20+А25+Д15 = 0
|
Д15
|
|
12
|
-Z13-14+А15 -А20= 0
|
А15
|
|
13
|
-Z1-2+Азаг-А15= 0
|
Азаг
|
|
14
|
-Z9-10-Б20+А15-Азаг+Бзаг = 0
|
Бзаг
|
Любой замкнутый контур на размерной схеме, включающий в себя только один
конструкторский размер или один припуск, образует технологическую размерную
цепь.
Значения минимальных припусков Zi-jmin на формообразующие операции принимаем из расчета операционных
размеров-координат нормативным методом и заносим в табл. 8.2.2. Определив Zi-jmin составляем исходные уравнения
размерных цепей относительно Zi-jmin:
где
Хr min -
наименьший предельный размер увеличивающего звена размерной цепи;
Хq
max - наибольший предельный размер уменьшающего звена
размерной цепи;
nr -
число увеличивающих звеньев;
nq -
число уменьшающих звеньев.
Обозначим
определяемый операционный размер ХХ, тогда если искомый размер
является уменьшающим звеном, получаем:
А
если искомый размер является увеличивающим звеном, то:
Определив
величины XX max, XX min на размеры ХХ,
устанавливаем допуск на операционный размер δХ.
Полученные
расчетные уравнения и значения операционных размеров заносим в таблицу. Далее
по заранее составленным уравнениям рассчитываем номинальные размеры и
предельные отклонения операционных припусков. Вычисленные значения вносим в
табл. 3.4.5
Таблица 3.4.5
Решение расчетных уравнений для графа размерных цепей
|
Замыкающий размер
|
Исходное уравнение
|
Расчетный размер, мм
|
T, мм
|
Принятый размер, мм
|
Предельное значение припуска, мм
|
|
1
|
2
|
3
|
4
|
5
|
6
|
|
Бдет = 218+0,072
|
-Бдет+Б125 = 0
|
Б125 = Бдет = 218
|
0,072
|
Б125 =218+0,072
|
|
|
Z6-7min = 0,428
|
-Z6-7-Б125+Б45 = 0
|
Б45min= Б125max+ Z6-7min=218+0,428=218,428 Б45max=
Б45min+T=218,428+0,115=218,543
|
0,115
|
Б45 =218,6+0,115
|
Z6-7=-218+0,072+218,6+0,115 =0,6
|
|
Z7-8min = 0,885
|
-Z7-8-Б45+Б35 = 0
|
Б35min= Б45max+ Z6-7min=218,6+0,885=219,485 Б35max=
Б35min+T=219,485+0,195=219,680
|
0,195
|
Б35 =219,7+0,195
|
Z7-8=-218,6+0,115+219,7+0,195=1,1
|
|
Ддет = 140+0,400
|
-Ддет+Д25 = 0
|
Д25 = Ддет = 140
|
0,400
|
Д25 = 140+0,400
|
|
|
Адет = 349±0,044
|
-Адет+А25 = 0
|
А25 = Адет = 349
|
0,088
|
А25 = 349±0,044
|
|
|
Гдет = 40-0,250
|
-Гдет+Г20 = 0
|
Г20 = Гдет = 40
|
0,250
|
Г20 = 40-0,250
|
|
|
Вдет = 14+0,180
|
- Вдет +В20= 0
|
В20 = Вдет = 14
|
0,180
|
В20 = 14+0,180
|
|
|
Едет = 40-0,250
|
-Едет +Е20 = 0
|
Е20 = Едет = 40
|
0,250
|
Е20 = 40-0,250
|
|
|
Z2-3min = 1,040
|
-Z2-3+А20 -А25= 0
|
А20min= А25max+ Z2-3min=349,044+ +1,040=350,084 А20max=
А20min+T=350,084+0,230=350,314
|
0,230
|
А20 = 350,5-0,230
|
-Z2-3=350,5-0,230 -349±0,044=1,5
|
|
Z8-9min = 1,105
|
-Z8-9-Б35+А25-А20+Б20 = 0
|
Б20 min = Б35 max - А 25 min + А20 max +Z8-9min=
=219,895-348,846+350,5+1,105=222,654 Б20max= Б20min+T=222,654+0,460=223,114
|
0,460
|
Б20 = 222,8+0,460
|
-Z8-9=-219,7+0,195+349±0,044- -350,5-0,230+222,8+0,460 =1,6
|
|
Z4-5min = 2,000
|
-Z4-5-Д25-А20+А25+Д15 = 0
|
Д15min = Д25max - А 25 min + А20 max +Z4-5min=
=140,4-348,846+350,5+2,000=144,054 Д15max= Д15min+T=144,054+0,630=144,684
|
0,630
|
Д15 = 144,2+0,630
|
Z4-5=-140+0,400-350,5-0,230+ +349±0,044+144,2+0,630 =2,7
|
|
Z13-14min = 2,430
|
-Z13-14+А15 -А20= 0
|
А15min= А20max+ Z13-14min= =350,5+2,430=352,930 А15max=
А15min+T=352,930+0,570=353,500
|
0,570
|
А15 = 353,5-0,570
|
-Z13-14=353,5-0,570 -350,5-0,230= 3
|
|
Z1-2min = 1,930
|
Азаг min= А15max+ Z1-2min= =353,5+1,930=355,430 Азаг max=
Азаг min+T=355,430+2,300=357,730
|
2,300
|
Азаг = 357 -Z1-2=357 -353,5-0,570= 3,5
|
|
Z9-10min
= 2,760 -Z9-10-Б20+А15-Азаг+Бзаг =0 Бзаг min = Б20max - А 15min + Азаг max
+Z9-10min= =223,260-352,930+357,8+2,760=230,890 Бзаг max= Бзаг
min+T=230,890+1,600=232,490 1,600 Бзаг = 232
Z9-10=-222,8+0,460+353,5-0,570-
+232
=
|
= 5,700
|
|
Проектирование заготовительной операции и разработка
Метод выполнения заготовки для деталей машин определяется назначением и
конструктивными особенностями детали, материалом, технологическими требованиями.
Выбор заготовки определяет метод ее получения и припуски на ее изготовление.
Припуск представляет собой слой металла, подлежащий в процессе обработки
удалению, чем обеспечиваются необходимые размеры, класс точности и величины
шероховатости поверхности. Установление оптимальных припусков является
важнейшим технологическим показателем.
Для разработки детали и операции
штамповки используются следующие исходные данные:
1. Материал детали: сталь 20Х;
2. Точность изготовления поковки: поскольку производство серийное,
то возникает необходимость удешевления стоимости изготовления, уменьшения
времени на выполнение операции и увеличения стойкости инструмента, поэтому
принимаем II класс точности заготовки;
. Группа стали - М1, поскольку поковка изготавливается из
низколегированной стали с содержанием легирующих элементов менее 2% [12, с. 4].;
. Конфигурация поверхности разъема штампа - плоская (П);
. Степень сложности - С2 [12, с. 5].
Степень сложности определяем по отношению объема поковки GП к объему геометрической фигуры, в которую вписывается
поковка.
Заготовку получаем штамповкой на ковочном молоте. Допуски на размеры и
штамповочные уклоны приняты по ГОСТу 7505-55.
Оформление конечного варианта плана технологического процесса
изготовления вала
Наиболее существенное влияние на последовательность обработки
поверхностей детали оказывает характер размерной связи. Анализируя форму детали
можно установить, что основными технологическими базами могут служить:
1. Торцы детали - в качестве опорной базы, лишающей заготовку одной
степени свободы.
2. Наружные поверхности в качестве направляющих баз.
. Внутренние поверхности, лишающие заготовку четырех степеней
свободы.
При обработке желательно свести к минимуму погрешность установки, чтобы
обеспечить требования к точности и шероховатости поверхностей. Этого можно
добиться, предварительно подготовив базы - торец и отверстие заготовки.
На детали в качестве конструкторской базы для диаметральных размеров
принята ось детали, однако, исходя из невозможности использования оси в
качестве технологической базы, в качестве установочных используем внешние
цилиндрические поверхности 10, 28, внутреннюю - 23.
Анализируя деталь, можно сказать,
что для обеспечения наибольшей точности получаемых линейных размеров
целесообразнее всего в качестве установочных баз использовать торцы 1, 9,
поскольку с ними связано наибольшее количество размеров.
Первый этап технологического процесса - заготовительный - предполагает
получение заготовки детали. Для данного способа (штамповка на ковочном молоте)
точность получаемых размеров на уровне 15 квалитета, а шероховатость RZ = 160мкм.
На втором этапе проводим черновую обработку детали, которая включает в
себя черновую обработку основных технологических баз, снятие корки,
образовавшейся в процессе штамповки. Точность получаемых размеров на уровне 12
квалитета, шероховатость RZ = 40 мкм.
Следующим этапом технологического процесса является получистовая
обработка поверхностей. На этом этапе выполняются формообразующие операции
такие как: точение наружных и внутренних цилиндрических поверхностей вращения,
сверление радиальных отверстий, точение фасок и галтелей, фрезерование пазов.
Оба - наружный и внутренний - зубчатые венцы получаем на зубодолбежном станке.
Точность обработки находится в пределах 10…8 квалитета, шероховатость RZ = 10…6,3 мкм.
Материал детали -сталь 20Х. Для создания благоприятного распределения
внутренних напряжений и формирования необходимой структуры материала, а также
физико-механических свойств проводится химико-термическая обработка - цементация
с последующей закалкой и отпускм.
Чистовая обработка детали производится на шлифовальных операциях для
придания поверхностям вращения вала заданной точности и шероховатости.
В конце технологического процесса проводятся операции окончательного
контроля и консервации детали, предназначенные для контроля всех геометрических
параметров детали и предохранения ее от внешних воздействий.
ЗАКЛЮЧЕНИЕ
В данной работе спроектирован каскад высокого давления газогенератора ГТД
мощностью N=10.5МВт для привода нагнетателя.
В результате анализа зависимостей Nеуд=f(Тг*,
pк*) и Се=f(Тг*, pк*) выбраны основные параметры цикла двигателя: Т*г
=1420 К и p*к
=19. При этих расчетных Тг* и pк* получены удельная мощность Neуд=272,4 кВтс/кг, удельной расход топлива Се
=0,2051 кг/кВтч, соответствующие современному уровню.
По данному прототипа:T*г=1253,К;П*к=9,95;Сeуд=0,31 кг/м*ч; Neyд=1660 кВт
По
результатам согласования параметров компрессора и турбины были получены в
первом приближении геометрические размеры и основные газодинамические параметры
по сечениям. Определены нагрузки компрессора и турбин: КНД имеет 7 ступеней,
средненагружен (Hz = 0,2171), КВД - 7 ступеней, высоконагружен (Hz =
0,2688), ТВД - 1 ступень, высоконагружена (mz=1.688), ТНД - 1 ступень, средненагружена (mz=1.48),
свободная турбина - 3 ступени, слабонагружены (mср=1,2). Относительный втулочный диаметр на выходе из
компрессора должен быть dок
0,92. При
проектировании получена величина dок=0,9103. Как видно все параметры лежат в
пределах допустимых.
В
результате газодинамического расчёта компрессора были определены параметры
потока в ступенях, выполнено согласование каскадов по КПД: h*кнд=0,884; h*квд=0,8703;
h*к=0,8451, распределены работы между ступенями и их
геометрия. Средние значения работ ступени каскадов: Hzкндср
= 26640Дж/кг; Hzквдср = 36790Дж/кг. Значения параметров не
превышают допустимых: b <25о,
, Мw1£0.83…0.85
В
результате газодинамического расчёта турбины получены следующие значения
нагрузок: mст1=1,6, mст2= 1,4, mтс1=1,6, mтс2=1,55, mтс3=1,534,μтс3=1,49. Степень реактивности у втулки во всех
ступенях положительна, а значит работа во всех точках положительна. Углы выхода
потока из СА в абсолютном движении превышают 16о, а угол выхода
потока из РК (a2)
последней ступени в абсолютном движении близок к 90о.
Ступень
компрессора спрофилирована по комбинированному закону крутки: 
. При
этом в сечении перед рабочим колесом имеет место закон
, а теоретический напор в ступени постоянен по радиусу.
Этот закон обеспечил достаточно высокие значения КПД. Анализ результатов
расчета профилей рабочего колеса первой ступени компрессора показал, что
решетка профилей обеспечивает заданный энергообмен ступени и не превышает
допустимого уровня потерь.
Для
профилирования ступени турбины применили закон крутки потока:
,
. Из результатов расчета решетки профилей турбины по
радиусу видно, что параметры параметры во втулочном сечении удовлетворяют
условиям: с2а< с1а, a2>55o, Db<120o, степень реактивности на
втулке положительна. Это говорит о том, что лопаточный венец обеспечивает
заданный энергообмен и не превышает допустимого уровня потерь.
При
разработке каскада высокого давления газогенератора приводного ГТД реализованы
следующие конструктивные решения: компрессор высокого давления (КВД) −
осевой, семиступенчатый, состоит из входного направляющего аппарата (ВНА),
ротора, статора, клапанов перепуска воздуха с кожухами и подшипникового узла
передней опоры ротора ВД. Ротор КВД − семиступенчатый, барабанно-дисковой
конструкции. Каждое рабочее колесо ротора состоит из диска и рабочих лопаток,
установленных в ободе диска с помощью замков типа «ласточкин хвост». От осевого
перемещения лопатки зафиксированы пластинчатыми замками. Диски РК соединены
электронно-лучевой сваркой. Шариковый подшипник передней опоры ротора
установлен в упругом стакане типа «беличье колесо» для демпфирования колебаний
ротора. Смазка шарикоподшипника осуществляется тремя форсунками, установленными
на корпусе центрального привода. Турбина высокого давления (ТВД) −
осевая, реактивная, одноступенчатая. Статор − сопловой аппарат (СА) ТВД,
включает наружный корпус, внутренний корпус и сектора сопловых лопаток между
ними. Ротор ТВД включает рабочее колесо (РК) и задний вал. РК состоит из диска
имеющего на ободе ёлочные пазы, в каждом из которых крепятся левая и правая
рабочие лопатки, образующие лопаточный венец и зафиксированные контровками, а
также гребешков лабиринтных уплотнений. Правая и левая лопатки охлаждаются
воздухом, подводимым из-за КВД. Каждая охлаждаемая рабочая лопатка имеет
бандажную полку с гребешком лабиринтного уплотнения, полку хвостовика и
хвостовик ″ёлочного типа″. Опорой ротора ТВД служит
роликоподшипник, который охлаждается и смазывается маслом под давлением.
При прочностном расчете пера лопатки и диска первой ступени турбины,
обеспечены минимальные запасы прочности, удовлетворяющие предъявляемым к ним
требованиям (Клоп=1,572>1,5, Кдис=1,4>1,3…1,5).
В технологической части, анализируя конструктивные особенности детали
вала-шестерни, можно сделать выводы о возможности ее изготовления в условиях
типичных для газотурбостроительного производства. При выборе вида исходной
заготовки ориентировались на такой способ ее изготовления, который обеспечит
максимальное приближение к форме готовой детали с целью экономии дорогостоящей
стали 20ХНР. Поэтому в качестве метода получения заготовки для детали такой
конфигурации целесообразно применять штамповку на ГКМ. Из условий обеспечения
заданной точности размеров и обеспечения заданной шероховатости поверхности
определено количество ступеней обработки отдельных поверхностей. С учетом всех
требований построен план обработки заготовки. После расчета припусков и
операционных размеров поверхностей вращения, с учетом припусков на обработку
торцов и линейных операционных размеров построена размерная схема и определены
линейные и операционные размеры, позволяющие в дальнейшем вести обработку
заготовки согласно плану.
СПИСОК ИСПОЛЬЗОВАННОЙ ЛИТЕРАТУРЫ
1.
Герасименко В.П., Павленко Г.В. «Выбор параметров и термогазодинамический
расчёт ТВД, ТВВД и ТВаД»: Учеб. пособие, Харьков, 1984 -60с.
2. Буслик
Л.Н., Коваль В.А. «Согласование параметров и определение основных размеров
турбин и компрессоров ГТУ»: Учеб. пособие, Харьков, 1994-36с.
. Павленко
Г.В. «Газодинамический расчёт осевого компрессора на ЭВМ»: Учеб. пособие,
Харьков, 1985-72с.
. Павленко
Г.В., Коваль В.А. «Газодинамический расчёт авиационной турбины на ЭВМ»: Учеб.
пособие, Харьков, 1985-80с.
. Коваль В.А.
«Газодинамический расчёт ступени центробежного компрессора на ЭВМ»: Учеб.
пособие, Харьков, 1988-53с.
. Коваль В.А.
«Профилирование лопаток авиационных турбин». Учеб. пособие, Харьков, 1986-49с.
7.Незым В.Ю.
“Расчет и проектирование решеток профилей дозвукового осевого Компрессора”
Учеб. пособие, Харьков,“ХАИ” 1988г.-44с.
8. Шошин
Ю.С., Епифанов С.В. «Расчет на прочность рабочей лопатки компрессора или
турбины». Учеб. пособие. Харьков: ХАИ 1993г.
9. Шошин
Ю.С., Епифанов С.В. «Расчет на прочность диска компрессора и турбины». Харьков:
ХАИ 1998г.
. Никитин
Ю.М. «Конструирование элементов деталей и узлов авиадвигателей». Москва:
Машиностроение.1968г.
11. В.Ю.
Гранин, А.Ч. Долматов «Определение припусков на механическую обработку и расчет
операционных размеров» Учебное пособие, ХАИ. 1989-42с.
12. В.Д.
Сотников, А.И. Долматов «Разработка маршрутных процессов изготовления деталей
авиадвигателей», Учебное пособие, ХАИ. 1989-40с.
. «Справочник
технолога-машиностроителя», т.1. Под редакцией А.Г. Косиловой, Москва,
«Машиностроение», 1985г.
. А.Г.
Косилова, Р.К. Мещерякова. "Справочник технолога машиностроителя." в
двух томах, том1, 2. Москва "Машиностроение" 1986.15. Д.К. Маргулис,
"Протяжки для обработки отверстий", Москва,
"Машиностроение",1986.
. «Марочник
сталей и сплавов», под редакцией. В.Г. Сорокина. - Москва машиностроение,
1989-640с.