Приводной газотурбинный двигатель для энергоустановки
МІНІСТЕРСТВО ОСВІТИ І НАУКИ УКРАЇНИ
Національний аерокосмічний університет ім. М.Є. Жуковського
«Харківський
авіаційний інститут»
Кафедра теорії авіаційних двигунів
ПРИВІДНИЙ ГАЗОТУРБІННИЙ ДВИГУН ДЛЯ ЕНЕРГОУСТАНОВКИ
Пояснювальна записка до курсового проекту
з дисципліни «ГТУ і КС»
ХАІ.201.241.11В.090522.07002015
Виконавець студент
гр. 241
Овсянникова
О.О.
Керівник ст.
викладач
Карпенко
О.Л.
Нормоконтролер ст.
викладач
Карпенко
О.Л.
2011
ЗАДАНИЕ НА КУРСОВОЙ ПРОЕКТ
Спроектировать приводной газотурбинный двигатель мощностью
=17,3 МВт для привода электрогенератора
мощностью 16 МВт.
Расчетный режим: Н=0км. Мп=0;
В качестве прототипа будем использовать
двигатель ДБ-90 номинальной мощностью 16,9 МВт, разработанный ГП НПКГ “Заря
-Машпроект”.
Основные параметры прототипа:
Gв = 71 кг/с;
π*к=16,9;
Т*г=1357 К;
nст=3000 об/мин.
СОДЕРЖАНИЕ
Задание
на курсовой проект
Содержание
Введение
.
Выбор и обоснование мощности и частоты вращения газотурбинного привода
.
Термогазодинамический расчет двигателя
.1.
Выбор и обоснование параметров
2.1.1
Температура газов перед турбиной
.1.2
Степень повышения полного давления в компрессоре
.1.3
КПД турбины и компрессора
2.1.4
Потери в элементах проточной части
2.2.
Термогазодинамический расчет на ЭВМ
3. Согласование параметров компрессора и турбины
3.1
Выбор и обоснование исходных данных для согласования
3.2
Результаты расчёта и формирование облика двигателя
4. Газодинамический расчет компрессора
4.1.
Газодинамический расчет компрессора на ЭВМ
.
Газодинамический расчет турбины
.1.
Газодинамический расчет турбины на ЭВМ
6.
Расчет и профилирование решеток профилей рабочего колеса первой ступени турбины
высокого давления
.1
Выбор закона закрутки
.2
Расчет треугольников
скоростей ступени турбины на ПЭВМ
.3
Профилирование решеток профилей рабочего колеса турбины
на
ПЭВМ
7.
Исследование эксплуатационных характеристик двигателя
7.1 Выбор исходных данных
7.2 Исследование дроссельной характеристики двигателя
7.3
Исследование климатической характеристики двигателя
8.
Проектирование входного устройства
8.1
Расчет входного устройства
.2
Проведение расчета
.
Расчет осерадиального выходного устройства с радиальным поджатием потока
9.1 Исходные данные
9.2
Расчет осерадиального диффузора
Выводы
Перечень ссылок
газотурбинный
привод двигатель компрессор
ВВЕДЕНИЕ
Основными требованиями, предъявляемыми к газотурбинным
установкам, являются: высокая топливная экономичность при небольших капитальных
затратах, длительный срок службы, надежность, большая единичная мощность,
высокая степень автоматизации и маневренность.
Данные свойства устанавливают сферу использования ГТД:
авиационные двигатели, стационарные энергетические установки, двигатели для
наземного транспорта, судовые двигатели, привод для мощных компрессорных
станций и др. Газотурбинные двигатели со свободной турбиной и двухвальным
газогенератором отличаются от остальных схем высоким запасом газодинамической
устойчивости и возможностью поддержания постоянных оборотов выводного вала в
условиях переменной нагрузки. Основной областью применения таких двигателей
являются вертолетные ГТД, приводы электрогенераторов, газоперекачивающие
агрегаты, двигатели тяжелого наземного транспорта.
Широкое применение ГТД получили в газотранспортной
отрасли в качестве привода для нагнетателей природного газа на магистральных
трубопроводах и на технологических станциях. Газотурбинные двигатели имеют
комплекс свойств, обеспечивающих их применение в народном хозяйстве: приемлемая
стоимость серийного двигателя, а тем более отработавшего ресурс авиационного
ГТД, малая удельная масса и габариты, широкий диапазон климатических условий
использования, автоматизация работы двигателя, работа на различных типах
топлива при минимальных конструктивных переделках.
Для применения в народном хозяйстве могут использоваться как
специально разрабатываемые газотурбинные установки (ГТУ), так и авиационные
двигатели (АД), отработавшие свой летный ресурс. Комплексное использование
авиационных ГТД вначале на воздушном транспорте, а затем и в наземных
установках особенно эффективно, так как в целях обеспечения высокого уровня
безопасности полетов летный ресурс АД меньше их располагаемого технического
ресурса при рабочих режимах эксплуатации в наземных установках.
Для выбора рациональной схемы и параметров силовой установки
необходим комплексный анализ её как тепловой машины и как механической
конструкции (облика газогенератора, геометрическое и кинематическое
согласование компрессоров и турбин,), как источника вредного воздействия на
окружающую среду и др. Этот анализ должен учитывать конкретное назначение и
условие применения двигателя.
Проведение подобного анализа в достаточном объеме невозможно
без широкого использования ЭВМ, без разработки математических моделей
двигателей и их элементов, без перехода в дальнейшем к методам оптимального
автоматизированного проектирования на всех этапах разработки и создания
двигателей.
1. ВЫБОР И ОБОСНОВАНИЕ МОЩНОСТИ И ЧАСТОТЫ ВРАЩЕНИЯ
ГАЗОТУРБИННОГО ПРИВОДА
Данная газотурбинная установка предназначена для привода
синхронных трехфазных турбогенераторов, которые вырабатывают электрическую
энергию переменного тока. Трехфазные турбогенераторы входят в состав
газотурбинных электростанций, предназначенных для производства и обеспечения
электроэнергией промышленных и бытовых потребителей.
Основные параметры и характеристики ГТЭС представлены в
таблице 1.1.
Таблица 1.1 - Основные параметры и характеристики ГТЭС
|
Генератор
|
|
Тип
турбогенератора
|
Т-16-2РУХЛЗ
|
|
Номинальная
мощность (электрическая мощность на клеммах генератора), МВт
|
16,0
|
|
Номинальное
напряжение, кВ
|
10,5
|
|
Частота
вращения вала генератора, об/мин
|
3000
|
|
КПД,%,не менее
|
97%
|
|
Газотурбинная
установка
|
|
Эффективный
электрический КПД на выходном валу,%,не менее
|
37%
|
|
Показатели
надежности
|
|
- назначенный
ресурс, ч, не менее
|
120000, по
техническому состоянию - до 150000
|
|
- назначенный
ресурс до капитального ремонта, ч, не менее
|
25000, по
техническому состоянию - до 35000
|
Чтобы обеспечить номинальную мощность генератора, равную
16МВт, необходимо предусмотреть потери снимаемой мощности с выходного вала
газотурбинной установки. Примем запас, равный 8% от номинального значения
мощности. Тогда мощность, которую необходимо обеспечить в результате
проектирования двигателя будет равна Nе =17300. Частота вращения вала силовой турбины
равна частоте вращения вала генератора - nnc=3000 об/мин.
2. ТЕРМОГАЗОДИНАМИЧЕСКИЙ РАСЧЕТ ДВИГАТЕЛЯ
Целью термогазодинамического расчета
двигателя является определение основных удельных параметров (Nеуд, Се) и расхода
воздуха Gв, обеспечивающего требуемую мощность Nе. В результате расчета
определяется так же температура Т* и давление Р* заторможенного потока в
характерных сечениях проточной части двигателя и основные параметры,
характеризующие работу его узлов.
Некоторые из параметров выбираются на
основании статистических данных.
Параметры цикла двигателя pк* и Тг*
задаются на основании технико-экономических требований, предъявляемых к
двигателю [1].
2.1 Выбор и обоснование параметров
При проектировании двигателя, расчет ведется на определенном
режиме, при котором все размеры и проходные сечения элементов и частоты
вращения роторов предполагаются зафиксированными.
Выбору основных параметров двигателя предшествует определение
расчетного режима, т.е. режима, при котором необходимо рассчитывать двигатель.
В зависимости от назначения и условий эксплуатации двигателя
выбираются параметры цикла (pк* и Тг*,), а также узлов (σВХ, ηК, σКС, ηГ, ηТ*, σРН, Сс) и
соответствующие им режимы работы на характеристиках..
Степень повышения давления pк* в интервале 13…25 в
значительной степени влияет в основном на удельный расход топлива Се,
т.е. при повышении pк* Се снижается, а удельная мощность Ne мало меняется.
Правильный выбор параметров расчетного режима предполагает
обеспечение наиболее приемлемого протекания характеристик двигателя во всем
диапазоне его эксплуатационных режимов, т.е. выбор параметров расчетного режима
двигателя существенно зависит от типа и назначения двигателя. В основу
оптимизации параметров закладываются разные критерии (целевые функции): минимум
удельного расхода топлива, максимум мощности, обеспечение надежности на
чрезвычайных режимах и т.д.
При выборе параметров использовались рекомендации,
приведенные в методическом пособии [1].
2.1.1 Температура газов перед
турбиной
Современные достижения материаловедения и технологии, а также
совершенствование систем охлаждения лопаток турбин позволили существенно
повысить допустимые значения Тг*. Тенденция к большему
повышению Тг* в газотурбинных установках объясняется,
прежде всего, тем, что это позволяет существенно повысить удельную мощность, и,
следовательно, уменьшить массу и габаритные размеры двигателя. При этом
существенно снижается и удельный расход топлива, что наглядно представлено на
рисунках 1.1 и 1.2.
С учетом использования конструкционных материалов двигателя -
прототипа выбираем несколько значений Тг1* = 1250 К, Тг2*
= 1300 К, Тг3* = 1357 К, Тг4* =
1400 К, Тг5* = 1450 К.
2.1.2 Степень повышения полного
давления в компрессоре
Рассмотрим рисунок 1.1, на котором изображена зависимость удельной
мощности двигателя от температуры и pк*. При Тг* = 1357 К,
оптимальное значение степени повышения давления в компрессоре pк*ОПТ,
которое соответствует максимуму удельной мощности, составляет
. При этом экономическое значение pк*ЭК,
соответствующее минимуму расхода топлива, составляет
, что видно из рисунка 1.2. Более высоким
значениям температуры Тг* соответствуют большие значения pк*ЭК и pк*ОПТ.

Рисунок 2.1- Зависимость Рисунок 2.2- Зависимость расхода
топлива
мощности от параметров рабочего от параметров рабочего процесса
Н=0; М=0, Н =11; М=0,7 Н=0; М=0, Н =11; М=0,7
Несмотря на благоприятное влияние повышения pк* на удельные параметры
двигателя, применение больших значений pк* ограничиваются
усложнением конструкции, увеличением массы и габаритов двигателя. Выбор высоких
значений pк* при проектировании двигателей малой мощности приводит к
получению малых высот лопаток последних ступеней компрессора и первых ступеней
турбины. Это приводит в свою очередь к росту потерь энергии из-за роста
относительных радиальных зазоров, уменьшения значения числа Рейнольдса и
понижения относительной точности изготовления пера лопаток.
2.1.3 КПД турбины и компрессора
КПД компрессора может быть представлен как произведение:
,
где η*к - изоэнтропический КПД компрессора по параметрам заторможенного
потока;
- механический КПД компрессора, учитывающий потери в его опорах.
Обычно
=0,985…0,995. Принимаем
= 0,995.
Величина изоэнтропического КПД определяется по формуле:
где η*ст - среднее значение КПД ступеней компрессора, принимаем η*ст=0,89.
Для вычисления КПД охлаждаемых турбин
рекомендуется использовать следующую формулу:
где h *т неохл
- КПД неохлаждаемой турбины.
Неохлаждаемые турбины необходимо применять
при температуре Т*г ≤1250 К. КПД неохлаждаемой
турбины принимаем h* т неохл = 0,92.
Результаты расчета
и
представлены в таблицах 1.1 и 1.2.
Таблица 1.1 - Результаты расчета КПД компрессора по режимам
|
pк*
|
8
|
11
|
15
|
19,6
|
23
|
|
КПД
|
0,850
|
0,844
|
0,839
|
0,834
|
0,831
|
Таблица 1.2 - Результаты расчета КПД турбины по режимам
|
Тг*12501300135714001450
|
|
|
|
|
|
|
КПД
|
0,920
|
0,914
|
0,907
|
0,901
|
0,895
|
2.1.4 Потери в элементах проточной
части
Входное устройство двигателя является дозвуковым с
криволинейным каналом. Коэффициент восстановления полного давления для таких
устройств составляет σВХ = 0,97…0,99. При наличии
на входе в двигатель пылезащитных устройств, потери полного давления
существенно возрастают: σВХ = 0,92…0,96.
Так как проектированный приводной ГТД для энергоустановки
(ЭУ), то его эксплуатация ведется в наземных условиях, что требует установки
системы сложных каналов подвода воздуха (рабочего тела) к двигателю и установки
средств пылеулавливаня. В связи с такими условиями работы принимаем σВХ = 0,970.
Потери полного давления в камерах сгорания вызываются
гидравлическим и тепловым сопротивлением:
.
Гидравлическое сопротивление определяется, в основном, потерями в
дифузоре, фронтовом устройстве, при смешении струй, при повороте потока (σгидр =0,93…0,97). Принимаем sгидр= 0,97.
Тепловое сопротивление возникает вследствие подвода тепла к
движущемуся газу. Для основных камер сгорания (КС) обычно lвх = 0.1…0.15 и sтепл³0.97…0.98.
На рисунке 1.3 приведена зависимость коэффициента теплового сопротивления sтепл от степени подогрева газа q при различных значениях приведенной скорости lвх на входе в КС:
. Предварительно находим температуру воздуха на выходе из
компрессора по заторможенным параметрам:
,
где
Принимаем lвх=0,15,
Тогда величина коэффициента теплового
сопротивления σтепл= 0,98.
Определяем величину коэффициента потерь полного давления в
камере сгорания: σкс = 0,97·0,98 = 0,951.
Потери тепла в процессе горения связаны с неполным сгоранием.
Они оцениваются коэффициентом полноты сгорания hг. На расчетном режиме
основных камер этот коэффициент достигает значений hг=0.97…0.99. Принимаем для
КС hг=0,99.
Наличие переходного патрубка между турбиной компрессора и
силовой турбиной, оценивают коэффициентом восстановления полного давления и
выбирают в зависимости от формы канала (sпт =0,98…1,0).
Принимаем sпт = 0,990.
Рисунок 2.3 - Зависимость теплового сопротивления камеры
сгорания от степени подогрева и приведенной скорости
Выходное устройство ГТУ, как правило, выполняют диффузорным.
Коэффициент восстановления полного давления обычно составляет sрн =0,97…0,99. Принимаем sрн = 0,980.
Выбор скорости истечения из выходного устройства стационарной
ГТУ характеризует потерянную кинетическую энергию на выходе из двигателя.
Следовательно, ее целесообразно уменьшать. С другой стороны, уменьшение
скорости на выходе Сс приводит к увеличению габаритных размеров
двигателях из-за большой площади среза выпускного канала. Выходная скорость
лежит в интервале Сс =80…120 м/с. Принимаем Сс = 80 м/с.
Потери мощности в опорах ротора и отбор мощности на привод
вспомогательных агрегатов учитывают hm=0,98…0,9. Принимаем hm=0,985.
Современные двигатели имеют сложную систему охлаждения горячих
частей (первые ступени турбины). Необходимо также производить подогрев
элементов входного устройства, поскольку попадание в проточную часть двигателя
льда может привести к повреждению лопаток. Для всех этих нужд требуется воздух,
отбираемый из-за компрессора или какой-либо его ступени. Отбор сжатого воздуха
оценивается относительной величиной
Для расчёта принимаем
=0,08.
2.2Термогазодинамический расчет на ЭВМ
Расчет двигателя проводится на ЭВМ с помощью программы GTD.EXE
Проектируемая ГТУ предназначена для работы на природном газе. В в расчете
используем значение теплотворной способности топлива для природного газа Ни=50500кДж/кг
и Lо=17,2 кгв /кгт.
Был произведен расчет 25 рабочих режимов, включая режим
работы двигателя прототипа, и по результатам расчета построены изменения
удельных параметров. Результаты расчета и графики представлены в таблицах 2.3 и
2.4 и на рисунках 2.4 и 2.5 соответственно
.
Таблица 2.3 - Исходные данные для расчета 25 режимов на ЭВМ
01 11
5 5 1
.000 .000 .000 80.000 .915 1.000 1.000 0.080
.970 .951 .990 0.990 .980 .985 1.000 1.000
.0 1300.0 1357.0 1400.0 1450.0
.920 .914 .907 .901 .895
.000 11.000 15.000 19.600 23.000
.850 .844 .839 .834 .831
.000 .000 .000 .000 .000
.000 1.000 1.000 1.000 1.000
.000 1.000 1.000 1.000 1.000
.5050E+08 17.2
Таблица 2.4 - Результаты термогазодинамического расчета 25
режимов
ТГДР ГТД-Р NT= 1 5 5 1 ДАТА 13. 1.11= 1250. 1300. 1357. 1400.
1450. ANTK= .920 .914 .907 .901 .895= 8.00 11.00 15.00 19.60 23.00 ANK = .850
.844 .839 .834 .831
ТЕРМОГАЗОДИНАМИЧЕСКИЙ РАСЧЕТ ГТД
ИСХОДНЫЕ ДАННЫЕ: G= 1.00 DGO= .080 HU= .5050E+08 LO= 17.20
H= .00 MH= .000 CC= 80.0 NTB= .915 ПBB=1.000 TBB=1.000
NB=1.000= .970 SK= .951 NГ= .990 SPT= .990 SPH= .980 NM= .985 NPД=1.000=288.15 THO=288.15
TBO=288.15 PH=101325. PHO=101325. PBO= 98285. VH= .0
ТГ ПК NEY CE NK NTK
КПД
1250. 8.000 218.8 .2484 .8500 .9200 .2870
. 11.00 217.0 .2314 .8440 .9200 .3080
. 15.00 204.8 .2239 .8390 .9200 .3185
. 19.60 185.1 .2256 .8340 .9200 .3160
. 23.00 169.3 .2313 .8310 .9200 .3082
. 8.000 239.4 .2452 .8500 .9140 .2907
. 11.00 240.3 .2271 .8440 .9140 .3140
. 15.00 230.5 .2177 .8390 .9140 .3275
. 19.60 212.8 .2164 .8340 .9140 .3294
. 23.00 198.1 .2193 .8310 .9140 .3251
. 8.000 262.9 .2420 .8500 .9070 .2946
. 11.00 266.8 .2228 .8440 .9070 .3200
. 15.00 259.7 .2118 .8390 .9070 .3366
. 19.60 244.3 .2083 .8340 .9070 .3422
. 23.00 230.9 .2090 .8310 .9070 .3411
. 8.000 280.5 .2405 .8500 .9010 .2965
. 11.00 286.6 .2208 .8440 .9010 .3229
. 15.00 281.6 .2089 .8390 .9010 .3413
. 19.60 267.9 .2042 .8340 .9010 .3491
. 23.00 255.5 .2038 .8310 .9010 .3498
. 8.000 301.2 .2390 .8500 .8950 .2983
. 11.00 310.0 .2186 .8440 .8950 .3261
. 15.00 307.5 .2060 .8390 .8950 .3461
. 19.60 295.7 .2000 .8340 .8950 .3564
. 23.00 284.5 .1987 .8310 .8950 .358
NeУД, кВт c/кг
π*к
Рисунок 2.4 - Зависимость мощности от параметров рабочего
процесса
Се, кг/кВт ч
π*к
Рисунок 2.5 - Зависимость расхода топлива от параметров
рабочего процесса
Проанализировав, как ведут себя основные удельные параметры
двигателя при Тг* = 1357К, можно сделать вывод, что до pк* = 19,5 при незначительном
падении удельной мощности существенно снижается удельный расход топлива.
Выберем pкр* = 19,6, тем самым существенно снизим расход топлива при
незначительном снижении удельной мощности. С учетом использования
конструкционных материалов двигателя прототипа и увеличением интенсивности
охлаждения турбины принимаем Тг* = 1357 К.
Произведем термогазодинамического расчет для выбранных
значений Тг* и pк*. Полученные данные и
результаты термогазодинамического расчета на ЭВМ представлены в таблицах 2.5 и
2.6 соответственно.
Таблица 2.5 - Исходные данные для расчета на ЭВМ
|
25 01 10 1 1 1
1 1.000 .000 .000 80.000 .915 1.000 1.000 0.080 .970 .951 .990 .990 .980 .985
1.000 1.000 1357.0 1357.0 1357.0 1357.0 1357.0 .907 .907 .907 .907 .907
19.600 19.600 19.600 19.600 19.600 .834 .834 .834 .834 .834 .000 .000 .000
.000 .000 1.000 1.000 1.000 1.000 1.000 1.000 1.000 1.000 1.000 1.000
.5050E+08 17.2
|
Таблица 2.6 - Результаты термогазодинамического расчета на
ЭВМ
|
ТГДР ГТД-Р NT=
1 1 1 1 ДАТА 25. 1.10 TG= 1357. 1357. 1357. 1357. 1357. ANTK= .907 .907 .907
.907 .907 PIK= 19.60 19.60 19.60 19.60 19.60 ANK = .834 .834 .834 .834 .834
ТЕРМОГАЗОДИНАМИЧЕСКИЙ РАСЧЕТ ГТД ИСХОДНЫЕ ДАННЫЕ: G= 1.00 DGO= .080 HU=
.5050E+08 LO= 17.20 H= .00 MH= .000 CC= 80.0 NTB= .915 ПBB=1.000 TBB=1.000 NB=1.000 SB= .970 SK=
.951 NГ= .990 SPT= .990 SPH= .980
NM= .985 NPД=1.000 TH=288.15 THO=288.15
TBO=288.15 PH=101325. PHO=101325. PBO= 98285. VH= .0 СХЕМА ПЕЧАТИ: NEY NE CE QT AKC GT FC LC
TK TTK TT PK PГ PTK PT PC NK NTK LK LTK LTB ПTK ПTB
ПТ КПД
LCB NP CPГ КГ
RГ CPB KB RB ТГ=1357.0 ПК=19.600 SR= .000 SR1=1.000 SR2=1.000 TCO= 734.4 244.3 244.3
.2083 .1536E-01 3.784 50.89 .2594E-01 .1633 725.3 939.4 734.4 .1926E+07
.1832E+07 .3250E+06 .1050E+06 .1029E+06 .8340 .9070 .4580E+06 .4978E+06
.2443E+06 5.581 3.096 17.45 .3422 .2742E+06 .9025 1192. 1.318 287.3 1037. 1.382 287.0
|
В результате термогазодинамического расчета двигателя
получили следующие параметры: удельная мощность Nеуд= 244.3 кВт·с/кг,
удельный расход топлива Се= 0.208 кг/кВт·ч. Определили давление и
температуру заторможенного потока в характерных сечениях.. Полученные значения
основных удельных параметров проектируемого двигателя на ЭВМ соответствуют
уровню значений параметров современных двигателей.
3. СОГЛАСОВАНИЕ ПАРАМЕТРОВ КОМПРЕССОРА И ТУРБИНЫ
3.1 Выбор и обоснование исходных
данных для согласования. Проведение расчета
Формирование облика (проточной части) ГТД и ГТУ является одним из наиболее важных начальних этапов проектирования двигателя, непосредственно следующим за выполнением теплового расчета и предшествующим
газодинамическим расчетам элементов проточной части, частоты вращения роторов и
числу ступеней каскадов лопаточных машин.
Целью согласования является распределение работы между
каскадами и ступенями компрессора, ступенями турбины, определение основных
размеров двигателя. Увязка параметров турбокомпрессора позволяет обеспечить
оптимальные геометрические и газодинамические соотношения, определяющие облик
двигателя в расчётных сечениях, обеспечить нормальную загрузку ступеней турбины
и допустимые напряжения в лопатках турбины.
Проектируемый двигатель состоит из двухвального
газогенератора и свободной турбины. Исходными данными для расчета являются:
полезная мощность на валу двигателя, геометрические соотношения
двигателя-прототипа, значения осевых скоростей в основных сечениях двигателя и
окружные скорости на периферии рабочих колес первых ступеней каскадов
компрессора, количество ступеней каскадов компрессора и турбин,
термогазодинамический расчет двигателя на выбранном режиме. Эффективная
мощность двигателя Nе = 17300 кВт.
В ходе выполнения расчёта необходимо соблюдать основные
ограничения, обеспечивающие надёжную и экономичную работу. Среди них:
относительная высота лопаток первых ступеней турбины, относительный втулочный
диаметр на выходе из компрессора, нагрузка на ступени турбины. Относительный
втулочный диаметр
на выходе из компрессора высокого
давления не должен превысить значения 0.92 по той причине, что дальнейшее
увеличение
связано с ограничениями минимального
размера лопаток последних ступеней. Уменьшение размера лопаток приводит к
значительным трудностям в получении приемлемых значений КПД компрессора
вследствие возрастания влияния радиальных зазоров, а также уменьшение числа
Рейнольдса и роста потерь при обтекании лопаток малого размера. Поэтому высоту
лопатки, на выходе из компрессора высокого давления, ограничивают величинами
12...20 мм.
Методика увязки параметров компрессоров и турбин основана на
подробном анализе геометрических соотношений и параметров двигателя-прототипа,
применении уравнений связи компрессора и турбин (балансы расходов, мощностей,
частот вращения), оценке свойств проточных частей проектируемых турбин и
компрессоров. При согласовании основных узлов двигателя, в первую очередь
учитываются факторы, обеспечивающие максимально возможный уровень КПД узлов и
достаточные запасы устойчивой работы компрессоров во всем диапазоне их работы.
Кроме этого, придаётся большое значение вопросам получения приемлемого числа
ступеней компрессоров и турбин, повышенного ресурса и минимальной массы узлов.
Согласование параметров компрессора и турбины проводится на ЭВМ с
помощью программы Slgt2.exe, и согласно инструкциям, изложенным в методическом
пособии [2]. Для возможности просмотра графического изображения получаемой
проточной части ГТД в комплект введена и программа графического сопровождения
fogt.exe.
Некоторые исходные данные, необходимые для расчёта, были получены
при выполнении термогазодинамического расчёта.
В проектируемом двигателе: проточная часть КНД - с постоянным
наружным диаметром; проточная часть КВД - с постоянным втулочным диаметром; ТВД
и ТНД - с постоянным средним диаметром; свободная турбина - с постоянным
втулочным диаметром.
При выборе формы проточной части компрессора низкого давления с Dн=соnst, следует
учитывать рост Dср вдоль проточной части, растет
напорность компрессора. При этом повышаются технологические характеристики и
эксплуатационные преимущества такой формы проточной части компрессора. Следовательно, выбираем форму проточной части компрессора низкого
давления с Dн=соnst.
При выборе формы проточной части компрессора высокого давления с
постоянным втулочным диаметром Dвт=const следует учитывать её относительно
невысокий энергообмен в ступенях и возможность реализации низкого значения
относительного втулочного диаметра на выходе из КВД. Следовательно, выбираем
форму проточной части компрессора высокого давления с Dвт=const.
Форма проточной части турбины выбирается из конструктивных
соображений. Значение среднего коэффициента нагрузки в турбине не должно
превышать величины
=1,8.
Также для счёта требуются некоторые геометрические соотношения
двигателя-прототипа:
Dср твд/Dк квд = 1,160- отношение среднего
диаметра ТВД на выходе к наружному диаметру КВД на входе;
Dср тнд/Dк кнд = 1,100 - отношение среднего
диаметра ТНД на выходе к наружному диаметру КНД на входе;
Dср тс/ Dк кнд= 1,694 - отношение среднего
диаметра свободной турбины на выходе к наружному диаметру КНД на входе.
3.2 Результаты расчёта и формирование
облика двигателя
Результаты согласования параметров приведены в таблице 3.1. Облик
проточной части двигателя изображён на рисунке 3.1.
Таблица 3.1 - Результаты согласования компрессоров и турбин
Формирование облика ГГ и ТC ГТД-2-1 ( КВД - ОК или ОЦК )
Исходные данные:уд= 244.3 Сe = .2083 КПДк= .8340 КПДтк=
.9070к = 458030. Lтк*= 497790. Lтс*= 244300. КПДтс= .9150г =1191.9 Kг =1.3176
Cpв =1037.4 Kв =1.3825= 17300. Gв = 70.81в = .477 Dсртн/Dк =1.100 Dсртc/Dк
=1.694во= .915 D1цс/Dкко=1.000 D2цc/Dко =1.000цс/D2цс=1.000
Dсpтв/Dко=1.160кн/Lк = .380 КПДкн* = .876 Sркнв = .995ок/Lкв=1.000 КПДок* =
.864 Sркоц =1.000тс =5.600 Sртвн =1.000 Sртнс = .990к = 330.0 Uквд = 375.0
Результаты pасчета:
* КНД * Кф = 1 Zк = 9.к*= 172311. Пiк*= 4.382 КПД*= .8760 Uк
= 330.0к = .8109 dob = .4770 dok = .8398 Hzc= .1758нд = 7772.
* ОК ВД * Кф = 3 Zк =10.к*= 281139. Пiк*= 4.496 КПД*= .8644
Uк = 375.0к = .7497 dob = .8250 dok = .9149 Hzc= .2211вд = 9553.
* ТВД * Кф = 2 Zт = 1.т*= 308630. Пiт*= 2.664 КПД*= .9070
(h/D)г= .0673ср= 435.0 Mz = 1.631 Dcр = .8696 (h/D)т= .0833р = 157.6 Tw*
=1177.4
* ТHД * Кф = 2 Zт = 1.т*= 189160. Пiт*= 2.095 КПД*= .8853
(h/D)г= .0792ср= 363.0 Mz = 1.436 Dcр = .8920 (h/D)т= .1303р = 171.7 Tw* =
994.6
* ТC * Кф = 3 Zт = 4.т*= 244300. Пiт*= 3.096 КПД*= .9150
(h/D)г= .0701ср= 208.9 Mz = 5.600 Dcр =1.3733 (h/D)т= .1292р = 56.4 Tw* = 752.7
nтс = 3000.
Сечение\Паpаметp: T* : P* : C : C/акp : F
: K : Па : м/с : --- : кв.м
в - в 288. 98285. 170.0 .5487 .3990
к кнд - к кнд 454. 430649. 150.0 .3856 .1522
в квд - в квд 454. 428496. 165.0 .4242 .1410
к - к 725. 1926400. 135.0 .2747 .0585
г - г 1357. 1832000. 95.0 .1427 .1600
т твд - т твд 1098. 687616. 170.0 .2838 .1979
г тнд - г тнд 1098. 687616. 170.0 .2838 .1979
т тнд - т тнд 939. 324970. 190.0 .3430 .3258
г тс - г тс 939. 321720. 170.0 .3069 .3641
т - т 734. 104980. 200.0 .4083 .7654
н1 Dcp1 Dвт1 Dн2 Dcp2 Dвт2 ZстНД .8109 .6353 .3868 .8109
.7488 .6810 9.
ОK ВД .7497 .6872 .6185 .6760 .6479 .6185 10.Д .9282 .8696
.8111 .9421 .8696 .7972 1.НД .9627 .8920 .8214 1.0083 .8920 .7758 1.1.3761
1.2860 1.1959 1.5507 1.3733 1.1959 4
Рисунок 3.1 - Схема проточной части двигателя
В результате расчета сформирован облик двигателя. Выбрана
конструктивно сложная схема ГТД с двухвальным газогенератором и свободной
(силовой) турбиной. Такая схема обеспечивает приемлемые значения параметров на
нерасчетных режимах, требует меньшей мощности запуска. КНД имеет форму
проточной части с постоянным наружным диаметром, с 9 ступенями; КВД - с
постоянным втулочным диаметром, с 10 ступенями.
Компрессор низкого давления состоит из девяти ступеней,
малонагруженный (
zc =0,1758),
имеет значение
=0,8760.
Компрессор высокого давления состоит из десяти ступеней,
средненагруженный (
zc =0,2211),
имеет значение
=0,8644.
Относительный диаметр втулки на выходе из последней ступени КВД
к = 0,9149, что не превышает допустимого
к доп =0,92.
Турбина высокого давления, одноступенчатая, высоконагруженная
(Mz=1,631), имеет значение
=0,9070, обеспечивается условие (h/D)г=0,0673>0,065.
Турбина низкого давления, одноступенчатая, средненагруженная
(Mz=1,436), имеет значение
=0,8853.
Силовая турбина, четырехступенчатая, средненагруженная (Mz=1,4),
имеет значение
=0,9150, обеспечивается условие
(h/D)т=0,1292<0,25.
Рассчитаны значения: Т*, Р*, С в основных
сечениях двигателя, а также площади этих сечений.
Данные, полученные при согласовании, станут основой для проектирования
основных узлов двигателя. Результаты согласования не являются окончательными, а
будут изменяться на дальнейших этапах расчёта при проектировании и доводке
компрессора, турбин.
4. ГАЗОДИНАМИЧЕСКИЙ РАСЧЕТ КОМПРЕССОРА
В современных ГТД для осуществления процесса сжатия
используются в основном многоступенчатые компрессоры. Это обусловлено их
высокими КПД, возможностью изменения производительности, напорности этих
компрессоров в очень широких пределах за счет изменения числа ступеней и их
диаметральных размеров.
Предварительный газодинамический расчет осевого компрессора
обычно представляет собой последовательный расчет всех его ступеней на среднем
радиусе. При этом предполагается, что параметры потока на среднем радиусе
ступени соответствуют осредненным по высоте лопатки параметрам ступени. Для
улучшения этого соответствия в качестве среднего радиуса принимают
среднегеометрический радиус ступени. Проектируемый компрессор 19-ти
ступенчатый.
Основной целью газодинамического расчета
осевого компрессора является окончательное получение геометрических размеров и
количества ступеней при сохранении π*к. Необходимо эффективно
распределить π*к, работу и КПД между
ступенями компрессора.
Изменение коэффициента затраченного напора
по ступеням принимаем таким, чтобы
наиболее загруженные были средние ступени, а ко входу и выходу из компрессора
значение
уменьшалось. Первые ступени имеют большое
значение удлинения лопаток h/b, работают в ухудшенных условиях (возможная неравномерность
поля скоростей, температур и давлений) на входе в компрессор. На последних
ступенях в значительной степени на КПД ступени влияет величина относительных
радиальных зазоров. При малой высоте лопаток ступени существенно снижение КПД
из-за перетекания рабочего тела через радиальный зазор.
Распределение остальных параметров выполнено в соответствии с
рекомендациями, изложенными в [3].
Расходная составляющая скорости уменьшается от входа к выходу для
уменьшения концевых потерь в последних ступенях и для того, чтобы иметь
умеренные скорости на входе в камеру сгорания. Во избежание падения КПД
снижение Са в пределах ступени не должно превышать 10…15м/с [3].
При выборе характера изменения rк вдоль
проточной части компрессора необходимо учитывать, что рост температуры потока
(а следовательно, и увеличение скорости звука) позволяет выполнить ступени с
более высокими степенями реактивности.
Газодинамический расчет компрессора выполнен при помощи
программы gdrok.exe. Программа gdrok предназначена для газодинамического расчета
многоступенчатого осевого компрессора на среднем радиусе. Исходные данные
расчета заносятся в файл gdrok.dat, а результаты, получаемые с помощью исполняемого
файла gdrok.exe - в файл gdrok.rez . Программа gdrok имеет и программу
графического сопровождения gfk.exe, файл исходных данных которой gfk.dat
формируется при работе файла gdrok.exe. Использование файла gfk.exe при
выполнении расчетов обеспечивает возможность наглядного графического контроля
как исходного распределения параметров по ступеням так и получаемых результатов
расчета (формы проточной части компрессора, изменения параметров потока по
ступеням и треугольников скоростей ступеней на среднегеометрическом радиусе).
4.1 Газодинамический расчет
компрессора на ЭВМ
Исходные данные и результаты расчета приведены в
соответствующих таблицах 4.1 и 4.2.
Таблица 4.1 - Исходные данные для расчета компрессора на ЭВМ
|
11 01 11 2 1 3
9 19 1 288.15 98285.0 1.380 287.00 70.81 19.600 4.382 330.00 375.00 135.00
.4770 0.8900 .9900 .9850 0.9950 1.0200 0.0000 170.00 168.00 166.00 164.00
162.00 160.00 158.00 156.00 154.00 165.00 162.00 159.00 156.00 153.00 150.00
147.00 144.00 141.00 139.00 000.00 16.97 18.70 19.85 20.43 20.68 20.43 19.59
18.53 17.13 26.69 27.93 28.99 29.54 29.65 29.54 29.15 28.26 26.75 24.64 00.00
.8680 .8750 .8800 .8850 .8900 .8900 .8850 .8800 .8660 .8600 .8650 .8800 .8850
.8900 .8900 .8900 .8850 .8850 .8751 .0000 .5500 .5500 .5500 .5500 .5500 .5500
.5500 .5500 .5500 .5500 .5500 .5500 .5500 .5500 .5500 .5500 .5500 .5500 .5500
.0000 .0000 .0000 .0000 .0000 .0000 .0000 .0000 .0000 .0000 .0000 .0000 .0000
.0000 .0000 .0000 .0000 .0000 .0000 .0000 .0000 1.0000 1.0000 1.0000 1.0000
1.0000 1.0000 1.0000 1.0000 1.0000 1.0000 1.0000 1.0000 1.0000 1.0000 1.0000
1.0000 1.0000 1.0000 1.0000 1.0000
|
Таблица 4.2 - Результаты расчета компрессора на ЭВМ
ГДР МОК Дата 11. 1.11к= 2 Kф1= 1 Kф2= 3 z1= 9 zк= 19 Kr= 1
Пк=19.600 Пк1= 4.382 G= 70.81 n1= 7534.4 n2= 9542.3 k= 1.38
R= 287.00в=288.15 Pв= 98285.0 P1о= 97302.1 Sва= .990 Sна= .985 Sнв= .995 m=
.00т Dк Dсp Dвт Doт КПД Mw1 Mc2
.8365 .6553 .3990 .4770 .8814 .7456 .6718
.8365 .6797 .4736 .5661 .8879 .7367 .6619
.8365 .6998 .5288 .6322 .8929 .7236 .6489
.8365 .7171 .5733 .6854 .8983 .7075 .6337
.8365 .7316 .6090 .7280 .9038 .6904 .6179
.8365 .7437 .6377 .7623 .9047 .6721 .6013
.8365 .7536 .6604 .7895 .9011 .6527 .5839
.8365 .7615 .6782 .8108 .8977 .6339 .5671
.8365 .7677 .6922 .8275 .8859 .6148 .5533
.7505 .6833 .6086 .8109 .8637 .6847 .6103
.7372 .6760 .6086 .8256 .8687 .6616 .5896
.7252 .6694 .6086 .8393 .8838 .6395 .5698
.7143 .6636 .6086 .8521 .8889 .6174 .5499
.7048 .6585 .6086 .8636 .8941 .5958 .5305
.6966 .6541 .6086 .8738 .8943 .5752 .5120
.6895 .6503 .6086 .8827 .8946 .5556 .4942
.6836 .6472 .6086 .8904 .8899 .5362 .4766
.6786 .6446 .6086 .8969 .8904 .5166 .4595
.6742 .6422 .6086 .9028 .8811 .4981 .4412ст C1а С2а С1u C2u
C1 C2 Uк
1 170.0 169.0 83.12 146.8 189.2 223.9 330.0
168.0 167.0 84.93 154.1 188.2 227.2 330.0
166.0 165.0 87.05 159.7 187.4 229.6 330.0
164.0 163.0 89.45 163.7 186.8 231.0 330.0
162.0 161.0 91.83 166.7 186.2 231.7 330.0
160.0 159.0 94.56 168.5 185.9 231.7 330.0
158.0 157.0 97.85 168.9 185.8 230.6 330.0
156.0 155.0 101.1 168.6 185.9 229.0 330.0
154.0 155.4 104.9 166.8 186.3 227.9 330.0
165.0 163.5 110.2 198.1 198.4 256.9 375.0
162.0 160.5 106.1 198.9 193.6 255.6 368.3
159.0 157.5 102.4 199.6 189.1 254.2 362.3
156.0 154.5 99.71 199.5 185.1 252.3 356.9
153.0 151.5 97.99 198.8 181.7 249.9 352.1
150.0 148.5 96.86 197.9 178.6 247.4 348.0
147.0 145.5 96.39 196.5 175.8 244.5 344.5
144.0 142.5 96.97 194.5 173.6 241.1 341.5
141.0 140.0 98.79 191.4 172.2 237.2 339.1
139.0 137.0 101.7 187.1 172.3 231.9 336.8ст Hz Rк al1 al2 be1 be1л be2
.1697E+05 .5500 63.94 49.02 44.10 44.10 55.42
.1870E+05 .5500 63.18 47.30 42.52 42.52 54.76
.1985E+05 .5500 62.33 45.94 41.26 41.26 54.02
.2043E+05 .5500 61.39 44.89 40.27 40.27 53.16
.2068E+05 .5500 60.45 44.01 39.45 39.45 52.32
.2043E+05 .5500 59.42 43.34 38.81 38.81 51.41
.1959E+05 .5500 58.23 42.91 38.38 38.38 50.38
.1853E+05 .5500 57.06 42.59 38.04 38.04 49.37
.1713E+05 .5500 55.74 42.97 37.87 37.87 48.43
.2669E+05 .5500 56.26 39.53 35.51 35.51 49.14
.2793E+05 .5500 56.79 38.90 34.96 34.96 49.47
.2899E+05 .5500 57.22 38.28 34.41 34.41 49.72
.2965E+05 .5500 57.36 37.31 33.52 33.52 49.56
.2954E+05 .5500 57.15 36.89 33.11 33.11 49.23
.2915E+05 .5500 56.74 36.51 32.75 32.75 48.75
.2826E+05 .5500 56.04 36.23 32.46 32.46 48.01
.2675E+05 .5500 54.98 36.18 32.27 32.27 47.11
.2464E+05 .5500 53.80 36.22 32.39 32.39 45.67ст Пст Hтк Cак Kg Kн U1 U2
1.193 .1577 .5152 1.020 .9880 258.5 263.3
1.204 .1759 .5091 1.022 .9760 268.1 272.1
1.205 .1891 .5030 1.024 .9640 276.1 279.5
1.200 .1971 .4970 1.026 .9520 282.9 285.8
1.193 .2020 .4909 1.028 .9400 288.6 291.0
1.180 .2022 .4848 1.031 .9280 293.4 295.4
1.162 .1964 .4788 1.033 .9160 297.3 298.9
1.145 .1882 .4727 1.035 .9040 300.4 301.6
1.126 .1748 .4667 1.037 .9000 302.9 304.6
1.189 .2109 .4400 1.039 .9000 341.4 339.6
1.188 .2288 .4398 1.041 .9000 337.7 336.1
1.188 .2454 .4388 1.043 .9000 334.5 333.0
1.182 .2577 .4371 1.046 .9000 331.6 330.3
1.174 .2656 .4345 1.048 .9000 329.0 327.9
1.165 .2709 .4310 1.050 .9000 326.8 325.9
1.155 .2728 .4266 1.052 .9000 325.0 324.2
1.143 .2691 .4216 1.054 .9000 323.4 322.7
1.129 .2585 .4158 1.057 .9000 322.1 321.5
1.112 .2413 .4127 1.059 .9000 320.9 320.9ст T2o T1 T2 P2o
P3o P1 P2
304.4 271.0 280.4 .1190E+06 .1173E+06 .7784E+05
.8830E+05
322.4 287.4 297.6 .1433E+06 .1411E+06 .9517E+05
.1072E+06
341.4 305.5 316.1 .1727E+06 .1701E+06 .1161E+06
.1306E+06
361.0 324.7 335.4 .2073E+06 .2042E+06 .1417E+06
.1587E+06
380.9 344.4 355.1 .2472E+06 .2435E+06 .1720E+06
.1917E+06
400.5 364.3 374.7 .2916E+06 .2872E+06 .2071E+06
.2291E+06
419.3 383.9 393.7 .3389E+06 .3338E+06 .2464E+06
.2698E+06
437.0 402.7 411.9 .3882E+06 .3824E+06 .2884E+06
.3130E+06
453.5 420.4 428.5 .4372E+06 .4307E+06 .3320E+06
.3561E+06
479.1 434.6 447.4 .5172E+06 .5094E+06 .3672E+06
.4035E+06
505.9 461.1 474.5 .6144E+06 .6051E+06 .4433E+06
.4870E+06
533.7 488.7 502.7 .7298E+06 .7189E+06 .5339E+06
.5873E+06
562.0 517.2 531.5 .8629E+06 .8499E+06 .6416E+06
.7044E+06
590.5 546.2 560.5 .1013E+07 .9980E+06 .7661E+06
.8386E+06
618.8 575.2 589.5 .1180E+07 .1163E+07 .9073E+06
.9893E+06
646.8 604.0 618.1 .1363E+07 .1342E+07 .1065E+07
.1156E+07
673.9 632.3 646.0 .1558E+07 .1534E+07 .1237E+07
.1336E+07
699.6 659.7 672.6 .1758E+07 .1732E+07 .1420E+07
.1524E+07
723.2 685.3 697.4 .1956E+07 .1926E+07 .1607E+07
.1714E+07кк Dск Dвк Dок Tк Pк Cк
.8365 .7765 .7114 .8505 441.7 .3914E+06 156.8
.6701 .6401 .6086 .9082 714.5 .1843E+07 135.0
Пк = 19.600 КПД = .8405 Lк =453450.
Пк1= 4.382 КПД1= .8751 Lк1=172310.
Пк2= 4.495 КПД2= .8619 Lк2=281140.
Ниже представлены графики распределения
и
(рисунок 4.1);
и
(рисунок 4.2); С, Т, Т*, Р, Р*
(рисунок 4.3), построенные по значениям из таблицы 4.2.
Рисунок 4.1 - График изменения Са и Hz по ступеням компрессора
Рисунок 4.2 - График распределение КПД и степени реактивности
по ступеням компрессора
Рисунок 4.3 - График изменение параметров Т,Т*,Р,Р*,С по тракту
компресора
Анализируя полученные графики распределения затраченного
напора, по ступеням видим, что напор распределен рационально. При распределении работ
по ступеням компрессора учтены особенности условий работы первых и последних
ступеней компрессора.
Рисунок 4.4 - Схема проточной части компрессора
На рисунках 4.5-4.23 представлены планы скоростей компрессора для 19-ти ступеней.
Рисунок 4.5 - Планы скоростей компрессора для ступени №1
Рисунок 4.6 - Планы скоростей компрессора для ступени №2
Рисунок 4.7 - Планы скоростей компрессора для ступени №3
Рисунок 4.8 - Планы скоростей компрессора для ступени №4
Рисунок 4.9 - Планы скоростей компрессора для ступени №5
Рисунок 4.10 - Планы скоростей компрессора для ступени №6
Рисунок 4.11 - Планы скоростей компрессора для ступени №7
Рисунок 4.12 - Планы скоростей компрессора для ступени №8
Рисунок 4.13 - Планы скоростей компрессора для ступени №9
Рисунок 4.14 - Планы скоростей компрессора для ступени №10
Рисунок 4.15 - Планы скоростей компрессора для ступени №11
Рисунок 4.16 - Планы скоростей компрессора для ступени №12
Рисунок 4.17 - Планы скоростей компрессора для ступени №13
Рисунок 4.18 - Планы скоростей компрессора для ступени №14
Рисунок 4.19 - Планы скоростей компрессора для ступени №15
Рисунок 4.20 - Планы скоростей компрессора для ступени №16
Рисунок 4.21 - Планы скоростей компрессора для ступени №17
Рисунок 4.22 - Планы скоростей компрессора для ступени №18
Рисунок 4.23 - Планы скоростей компрессора для ступени №19
В результате расчёта компрессора на ЭВМ были получены
геометрические параметры лопаточных венцов проточной части компрессора,
значения Р, Р*, Т, Т* на среднем радиусе каждой ступени,
а также работа и степень повышения давления каждой ступени. Определились
окончательные размеры проточной части. Из анализа результатов расчета видно,
что обеспечены следующие условия: β1>25 град. (уменьшение угла нежелательно, т. к. это приводит к
снижению КПД ступени);
= Са/UK >0.4, иначе увеличиваются потери в решётках ступени; числа Маха
(M1 w
0,7456), не превышают 0,82 , что исключает появление волновых
потерь.
Компрессор отвечает всем требованиям, предъявленным к
современным компрессорам газотурбинных двигателей.
5. ГАЗОДИНАМИЧЕСКИЙ
РАСЧЕТ ТУРБИНЫ
Современное состояние теории и практики проектирования осевых
газовых турбин обеспечивает возможность надежного определения параметров
турбины на расчетном режиме с достоверным учетом всех видов потерь механической
энергии в ее проточной части. При этом газодинамический расчет турбины
усложняется, что приводит к значительному увеличению объема вычислений. В
учебном проектировании сложные расчетные соотношения могут быть реализованы
только при использовании ЭВМ.
Проектировочный газодинамический расчет осевой турбины
выполняется по учебному пособию [4] с целью определения основных размеров ее
проточной части, параметров потока и КПД. Вычисление определенных параметров
производится в характерных сечениях.
Мощность силовой турбины, необходимая для привода
энергоустановки, определяется мощностью данной энергоустановки, а мощность ТВД
и ТНД определяется мощностью осевого компрессора.
Мощность распределяют по ступеням так, чтобы коэффициент
нагрузки последней ступени не превышал 1,5 для обеспечения выхода потока из
ступени, близкого к осевому.
5.1 Газодинамический расчет турбины
на ЭВМ
Полный газодинамический расчет турбины проводим на ПЭВМ с
помощью программы GDRGT, разработанной в аэрокосмическом университете им. Н. Е.
Жуковского «ХАИ» на кафедре 201. Эта программа позволяет выполнить
газодинамический расчет осевых газовых турбин, работающих на продуктах сгорания
керосина, природного газа, а также других рабочих телах, и имеющих число
ступеней не более восьми. В процессе расчета получаем расчет основных
газодинамических параметров по ступеням, графическое построение распределения
скоростей и построение проточной части турбины.
Расчет и графическое представление результатов расчета
проводятся на ЭВМ с помощью подпрограмм GDRGT и GFT.
В качестве исходных данных для расчета используются значения
параметров, полученные в тепловом расчете и при формировании облика двигателя.
Остальные параметры выбираются.
Относительная величина радиального зазора над лопатками РК
,
где
- радиальный зазор в горячем состоянии.
для рабочих венцов с бандажными полками;
h2 - высота
рабочей лопатки.
,
- отношение скорости охлаждающего воздуха
на выходе из отверстий к средней скорости газа в этом сечении и средней
скорости газа в этом сечении к скорости газа за решеткой.
;
.
Относительная высота щели выпуска охлаждающего воздуха:
,
где
- высота щели;
- высота перемычки.
Относительный коэффициент, определяющий кромочные потери на
выходе из неохлаждаемых турбинных лопаток:
,
где
- диаметр выходной кромки лопатки,
- “горло” межлопаточного канала.
.
Геометрические параметры (средние диаметры лопаток и их
высоты) определяем по данным раздела 2.
- относительная толщина профиля лопатки СА на
среднем диаметре.
- относительная толщина профиля лопатки РК на
среднем диаметре.
Для неохлаждаемых лопаточных венцов:
;
.
Для охлаждаемых лопаточных венцов эти величины выбирают
большими в зависимости от способа охлаждения и количества охлаждающего воздуха
:
;
.
В процессе расчета на ЭВМ мощность тнд перераспределяем по
ступеням так, чтобы получить значения угла потока в абсолютном движении на
выходе из последней ступени
.
Частоты вращения каскадов турбины:
1) 
;
) 
;
)
.
Термодинамическая степень реактивности для первой ступени
многоступенчатой турбины обычно
. На последних ступенях
можно принимать большей для обеспечения ее положительного
значения у втулки
.
Относительный расход охлаждающего воздуха через отверстия в
области входной части профиля лопатки СА, через щели в области выходной кромки
лопатки СА и РК задаются в зависимости от температур лопаток СА и РК.
Расчет массового расхода газа через турбину:
.
Расчет мощностей ступеней турбин:
кВт;
кВт;
кВт.
Так как силовая турбина имеет четыре ступени:
= 4340,0 кВт;
= 4410,0 кВт;
=4353,8 кВт;
=4196,2 кВт.
Исходные данные и результаты расчета представлены в таблицах 5.1 и
5.2. Графики изменения геометрических и газодинамических параметров по ступеням
турбины представлены на рисунках 5.1 и 5.2.
Таблица 5.1- Файл исходных данных к газодинамическому расчету
турбины
|
20 01 11 6 4
104980.0 65.78 1357.0 1832000.0 745.0 .002 .400 .750 .500 .052 .110 20210.7
12324.5 4340.0 4410.0 4353.8 4196.2 0000.0 0000.0 9542.3 7534.4 3000.0 3000.0
3000.0 3000.0 0000.0 0000.0 .4000 .3200 .3000 .3100 .3150 .3200 .0000 .0000
.8700 .8800 1.2700 1.2900 1.3100 1.3400 .0000 .0000 Dcp1 .8700 .8800 1.2800
1.3000 1.3200 1.3500 .0000 .0000 Dcp2 .0505 .0958 .1000 .1180 .1380 .1650
.0000 .0000 h1 .0710 .1125 .1060 .1260 .1480 .1750 .0000 .0000 h2 .1500 .1000
.1000 .1000 .1000 .1000 .0000 .0000 .2000 .1000 .1000 .1000 .1000 .1000 .0000
.0000 .0150 .0000 .0000 .0000 .0000 .0000 .0000 .0000 .0000 .0000 .0000 .0000
.0000 .0000 .0000 .0000 .0150 .0000 .0000 .0000 .0000 .0000 .0000 .0000
1.0000 1.0000 1.0000 1.0000
|
Таблица 5.2 - Результаты газодинамического расчета турбины
ГДР ГТ Дата 20. 1.11
Исходные данные:
4 104980.
.78 1357. .1832E+07 745.0 .2000E-02 .4000 .7500
.5000 .5200E-01 .1100
Кг=1.317 Rг= 290.0 Сpг=1205.0
Схема печати:
D1c D2c h1 h2 Cmc Cmр nт Lс* Пi* Пi КПД Rc R1c T1w*C1
C1a C1u alf1 be1 L1 Lw1C2 C2a C2u alf2 be2 L2 Lw2T1* P1 P1* T2 T2* P2 P2*G2 sca
bca alfu tca fi ZcaPa sрк bрк beu tрк psi Zрк
Тлса Тлрк Sсумт= 1
.870 .870 .505E-01 .710E-01 .150 .200 .954E+04
.202E+05 .303E+06 2.74 2.91 .858 .400 .339
.121E+04
. 627. 168. 604. 15.5 44.7 .940 .378
. 196. 174. -91.4 62.2 18.3 .326 .879
.119E+04 .135E+04 .993E+06 .170E+07 .108E+04
.110E+04 .629E+06 .669E+06
.8 67.8 .523E-01 .860E-01 37.4 .701E-01 .934 39
.465E+05 .144E+05 .362E-01 .427E-01 58.1 .329E-01
.937 83
.100E+04 .101E+04 141.т= 2
.880 .880 .958E-01 .112 .100 .100 .753E+04
.123E+05 .182E+06 1.97 2.10 .917 .320 .180
.100E+04
. 520. 178. 489. 20.0 51.5 .866 .396
. 188. 185. -33.7 79.7 25.8 .336 .735
. .110E+04 .409E+06 .641E+06 931. 945. .318E+06
.340E+06
.8 67.8 .522E-01 .713E-01 47.0 .522E-01 .959 53
.354E+05 .887E+04 .367E-01 .429E-01 58.7 .401E-01
.970 69
.110E+04 954. 169.т= 3
.27 1.28 .100 .106 .100 .100 .300E+04
.434E+04 .640E+05 1.31 1.38 .894 .300 .215 914.
. 332. 163. 290. 29.4 61.1 .595 .340
. 168. 165. -30.4 79.6 35.5 .310 .518
. 945. .271E+06 .334E+06 881. 892. .246E+06
.259E+06
.8 67.8 .759E-01 .111 43.0 .973E-01 .959 41
.217E+05 .345E+04 .533E-01 .624E-01 58.8 .566E-01
.965 71
. 864. 41.1т= 4
.29 1.30 .118 .126 .100 .100 .300E+04
.441E+04 .651E+05 1.33 1.42 .903 .310 .213 861.
. 334. 170. 288. 30.6 63.4 .617 .358
. 176. 173. -31.2 79.8 36.3 .334 .548
. 892. .204E+06 .255E+06 826. 839. .182E+06
.194E+06
.8 67.8 .769E-01 .112 43.6 .942E-01 .962 43
.216E+05 .354E+04 .542E-01 .642E-01 57.5 .575E-01
.967 71
. 811. 49.2т= 5
.31 1.32 .138 .148 .100 .100 .300E+04
.435E+04 .642E+05 1.36 1.47 .901 .315 .207 808.
. 337. 182. 283. 32.8 67.0 .641 .384
. 188. 186. -28.2 81.4 38.3 .370 .582
. 839. .150E+06 .191E+06 771. 786. .133E+06
.144E+06
.8 67.8 .778E-01 .111 44.5 .915E-01 .965 45
.211E+05 .362E+04 .550E-01 .662E-01 56.2 .601E-01
.969 69
839. 758. 58.4т= 6
.34 1.35 .165 .175 .100 .100 .300E+04
.420E+04 .619E+05 1.37 1.50 .900 .320 .197 756.
. 336. 192. 276. 34.7 71.1 .660 .406
. 200. 199. -17.7 84.9 40.9 .406 .609
. 786. .109E+06 .141E+06 718. 735. .954E+05
.105E+06
.8 67.8 .792E-01 .113 44.7 .935E-01 .967 45
.199E+05 .449E+04 .563E-01 .686E-01 55.1 .633E-01
.969 67
. 706. 71.4
Тг*=1357.0 Рг*= .1832E+07 Сг=102.9 Тг=1352.6 Рг= .1807E+07
D1с= .870 h1= .0505
Рисунок 5.1 - Распределение
,
,
,
и
по ступеням турбины
Рисунок 5.2 - Распределение
,
,
,
,
и
по ступеням турбины
Схема проточной части турбины, планы скоростей ТНД и ТВД, а также
силовой турбины представлены на рисунках 5.3-5.5.
Рисунок 5.3 - Схема проточной части турбины
Рисунок 5.4 - Планы скоростей ТНД и ТВД
Рисунок 5.5 - Планы скоростей силовой турбины
В результате газодинамического расчёта турбины определены
параметры потока вдоль проточной части на среднем радиусе. Анализ результатов
показал, что:
было обеспечено необходимое охлаждение лопаток СА и РК первой
ступени турбины;
на входе в РК ТВД был получен угол α1=15,5 град, отвечающий требованию - α1>14…16 град.;
- угол выхода потока газа из силовой
турбины равен a2= 84,9 град., т.е. направление потока близко к осевому;
на всех ступенях ступенях турбины были
получены приемлемые КПД
= 0,858,
= 0,917,
= 0, 894,
= 0,903,
= 0, 901,
коэффициенты загрузки ступеней находятся на допустимом уровне.
характерное изменение основных параметров (
, Т* и Т, Р* и Р) вдоль проточной части
соответствует типовому характеру для газовых осевых турбин;
частота вращения вала силовой турбины равна частоте вращения
нагрузки( генератора) - nтс = 3000 об/мин .
Для получения приемлемых результатов расчета геометрические
размеры, полученные в процессе согласования компрессора и турбины, были
уточнены с учетом формы проточной части двигателя-прототипа.
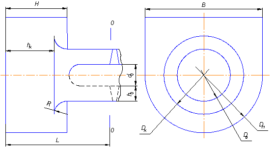
6. РАСЧЕТ И ПРОФИЛИРОВАНИЕ РЕШЕТОК ПРОФИЛЕЙ РАБОЧЕГО КОЛЕСА
ПЕРВОЙ СТУПЕНИ ТУРБИНЫ ВЫСОКОГО ДАВЛЕНИЯ
Реальное течение воздуха в турбины является пространственным,
периодически неустановившимся течением вязкого сжимаемого газа, математическое
исследование которого в строгой постановке задачи в настоящее время практически
невозможно. Для получения инженерных результатов реальное течение обычно
рассматривается как установившееся, осесимметричное, при постоянстве
гидравлических потерь по радиусу.
Этапом проектирования турбины, следующим за расчетом на
среднем (геометрическом) радиусе, является расчет и построение решеток профилей
турбины по радиусу. При правильном выполнении этих двух этапов обеспечиваются
требуемые параметры турбины.
Исходными данными для профилирования решетки рабочего колеса
турбины являются газодинамические и кинематические параметры профилируемой
ступени на среднем радиусе, получаемые в результате газодинамического расчета
турбины.
При учебном проектировании расчет решеток профилей рабочего
колеса проводят на пяти характерных радиусах.
При выборе параметров и профилирование ступени турбины
проводится согласно инструкциям, изложенным в методическом пособии [5].
6.1 Выбор закона закрутки
Для расчета треугольников скоростей в межвенцовых зазорах у
корня и у периферии лопаток необходимо выбрать закон изменения параметров
потока по радиусу. Этот закон выражается условием радиального равновесия,
полученным в предположении, что поток в межвенцовых зазорах осесимметричен и
линии тока располагаются по коаксиальным цилиндрическим поверхностям.
Примем закон закрутки
и
. В нашем случае, у этого закона есть ряд
преимуществ:
1. Угол поворота потока во втулочных сечениях при прочих
равных условиях на среднем радиусе меньше.
. Высокий КПД
. Применение этого закона значительно упрощает технологию
изготовления лопаток СА и РК, позволяет создать хорошую конструктивную базу для
их монтажа.
4. При
, лопатки СА и РК первой ступени турбины
являются некручеными и имеют почти постоянный профиль по высоте, что
способствует организации внутреннего охлаждения.
Геометрический(конструктивный) угол решетки на входе
выбираем в зависимости от углов потока
и
по графической зависимости, приведенной в методическом пособии
[5], (рисунок 6.1).
Рисунок 6.1 - Обобщенные зависимости для выбора геометрического
угла решетки на входе
6.2 Расчет
треугольников скоростей ступени турбины на ПЭВМ
Исходные данные и результаты расчета треугольников скоростей
ступени турбины на ПЭВМ представлены в таблицах 6.1 и 6.2.
Таблица 6.1 - Исходные данные
01 11 1 2 1.317 290. Дата, nr, kz, kг, Rг
.870 .870 .051 .071 D1c,D2c,h1,h2
.934 .937 .940 .400 fi,psi,Л1,Roтc
.00 174.00 604.00 -91.40 C1ac,C2ac,C1uc,C2uc
.50 44.70 18.30 66.80 67.80 alf1c,be1c,be2c,G1,G2
.00 90.00 90.00 90.00 90.00 alf0i
.0 1100. n,T2*
Лопатка СА - nr=0, лопатка РК - nr=1.
Закон кpутки: 0 -
C1u*r=const, C2u*r=const;
( kz ) 1 - alf1(r)=const, L(r)=const;
- alf1(r)=const, be2(r)=const.
Таблица 6.2 - Результаты расчета
Дата 4. 1.11 NR= 1 KZ= 2 Кг = 1.317 Rг = 290.0ср= .8700 D2ср=
.8700 h1 = .0510 h2 = .0710aср=168.00 C2aср=174.00 C1uср=604.00 C2uср= -91.40с=
15.50 be1ср= 44.70 be2ср= 18.30= 90.00 90.00 90.00 90.00 90.00
Л1 = .940 Фи = .934 Пси = .937 Rтс = .400= 9540.0 T2* =
1100.0
Изменение параметров потока по радиусу
Паpаметp | Сечение по высоте лопатки
| 1(пеp) 2 3(сp) 4 5(вт)
r .4655 .4502 .4350 .4198 .40451.000 .9672 .9345
.9017 .8690465.0 449.8 434.6 419.3 404.1u 571.7 587.4 604.0 621.7 640.6a 159.1
163.4 168.0 172.9 178.115.50 15.50 15.50 15.50 15.50593.5 609.7 626.9 645.3
664.956.15 49.91 44.76 40.51 36.98u -78.21 -84.53 -91.40 -98.89 -107.1u 543.3
534.3 526.0 518.2 511.2a 179.7 176.8 174.0 171.4 169.118.30 18.30 18.30 18.30
18.30
Л1 .8898 .9141 .9400 .9676 .9970т .4624 .4326 .4000 .3643 .3250w 1220.
1216. 1211. 1207. 1204.
Л2w .9023 .8891 .8767 .8652 .8547
Л1w .3020 .3374 .3776 .4219 .4700
Л2 .3255 .3254 .3264 .3286 .3324
dbe 105.5 111.8 116.9 121.2 124.766.48 64.44 62.29 60.02
57.66
.3 Профилирование решеток профилей рабочего колеса турбины на ПЭВМ
Результаты профилирования решеток профилей рабочего колеса
турбины
на ПЭВМ и решетки профилей на пяти радиусах представлены в таблице 6.3
и на рисунках 6.2-6.6.
.
Таблица 6.3 - Результаты расчета
Профилирование лопатки РК по радиусу
Паpаметp | Сечение по высоте лопатки
| 1(пеp) 2 3(сp) 4 5(вт)
ro 1.000 .9672 .9345 .9017 .869042.69 42.69 42.69
42.69 42.6935.24 34.08 32.93 31.78 30.62/b .8255 .7984 .7714 .7443 .71735.848
8.093 9.242 9.491 9.016.4724E-01 .5948E-01 .7194E-01 .8424E-01 .9598E-01.1800
.1900 .2000 .2100 .2200.2718 .2700 .2680 .2662 .2643l 62.00 58.00 54.00 50.00
46.00l 18.26 18.25 18.23 18.22 18.2146.16 48.46 51.02 53.85 56.951 1.536 1.622 1.708 1.792
1.878.5670 .5670 .5670 .5670 .5670
Число pабочих лопаток - 83. шт.
Рисунок 6.2 Решетка профилей на r=1
Рисунок 6.3 - Решетка профилей на r=0.967
Рисунок 6.4 - Решетка профилей на r=0.935
Рисунок 6.5 - Решетка профилей на r=0.902
Рисунок 6.6 - Решетка профилей на r=0.869
В процессе профилирования лопатки рабочего колеса ступени
турбины, были получены значения основных кинематических параметров потока и
геометрических параметров решётки профилей в пяти сечениях. По полученным
данным построены профиля лопаток по сечениям. Полученные профиля имеют
достаточную толщину и диаметр выходной кромки.
7. ИССЛЕДОВАНИЕ ЭКСПЛУАТАЦИОННЫХ ХАРАКТЕРИСТИК ДВИГАТЕЛЯ
Для исследования используем математическую модель ТВаД с
двухвальным газогенератором и свободной турбиной. Здесь число независимых
переменных определяется по формуле:
n=3zв+2,
где zв - число валов газогенератора моделируемого
двигателя.
Независимые переменные:
.
Система уравнений невязок для данного двигателя представлена ниже:
Здесь первые четыре уравнения - балансы расходов через
компрессоры, турбины компрессоров и свободную турбину, следующие два - балансы
мощностей на роторах высокого и низкого давления, седьмое - условие
неизменности геометрии сопла, восьмое - условие закона (программы)
регулирования.
В системе уравнений невязок приняты следующие обозначения:
- расход воздуха через компрессор высокого и низкого давления,
кг/с;
,
,
- расход газа через турбину высокого давления, турбину низкого
давления и свободную турбину, кг/с;
- перепуск воздуха за КВД или КНД;
- отбор воздуха на нужды установки;
- отбор воздуха на охлаждение турбин;
- работа компрессора высокого и низкого давления, Дж/кг;
- работа турбины высокого давления, турбины низкого давления и
турбины силовой, Дж/кг;
Отметим, что положение рабочей точки на характеристике
компрессора, все параметры газогенератора и основные данные одновального
двигателя со свободной турбиной при неизменных внешних условиях практически
однозначно определяются одной независимой переменной. Закономерности совместной
работы узлов и обобщённые характеристики этого двигателя аналогичны
закономерностям совместной работы узлов и характеристикам двигателя с одним
управляющим фактором. Режим работы газогенератора определяется одним параметром
и поддерживается одним регулятором.
Например, если в качестве параметра принята частота вращения
ротора газогенератора, то осуществляется, как правило, её замкнутое
регулирование: Gт→ nгг. Если же в качестве параметра режима
принять Тг*, то во многих случаях осуществляется её
косвенное регулирование путём изменения расхода топлива. Закон изменения
температуры газа Тг* и, соответственно, Gт выбирается из условия обеспечения потребной мощности. В данном
случае потребителем является генератор переменного тока, который регламентирует
величину потребной мощности нашего двигателя.
7.1 Выбор исходных
данных
Исходные данные для расчета:
в р= 70,81- массовый расход воздуха на входе в
двигатель в кг/с,
Нр= 0 - расчетная высота полета в км,
Мн р=0 - расчетная скорость полета в числах Маха,
πк*=19,6 - степень повышения полного
давления в компрессоре,
ηк*=0,8405 - расчетное
значение КПД компрессора,
ηкнд*=0,8751 - расчетное
значение КПД КНД,
Тг р*=1357 - расчетное значение
полной температуры перед турбиной в К,
сс=80 - скорость истечения на срезе выходного
насадка в м/с,
= 0,38 - распределение общей работы компрессора между каскадами,
ηтвд*=0,907 - КПД ТВД,
ηтнд*=0,8853 - КПД ТНД
ηтс*=0,915 - КПД турбины свободной,
λu твд р= 0,6504 - расчетное значение приведенной окружной скорости
на среднем диаметре ТВД,
λu тнд р= 0,5427 - расчетное значение приведенной окружной скорости
на среднем диаметре ТНД,
λu тс р= 0,3123 - расчетное значение приведенной окружной скорости
на среднем диаметре ТС,
Zтк=1 - число ступеней ТВД,тк=1 - число
ступеней ТНД,тс=4 - число ступеней ТС,
σвх=0,97 - коэффициент восстановления полного давления во
входном устройстве,
σкс=0,951 - коэффициент восстановления полного давления в
камере сгорания,
σрн=0,98 - коэффициент восстановления полного давления
реактивном насадке,
σпт=0,99- коэффициент восстановления полного давления в
переходном канале между КНД и КВД,
ηг=0,99 - коэффициент полноты сгорания,
ηmвд=0,985 , ηmнд=0,99- механические КПД роторов ВД иНД,
=1,00 - коэффициент
полноты расширения в реактивном насадке,
nвд=9542,3
- частота вращения ротора ВД в об/мин.,
nнд=7534,4
- частота вращения ротора НД в об/мин.,
nтс=3000 -
частота вращения ротора свободной турбины в об/мин.,
Предусмотрен отбор воздуха для охлаждения турбины компрессора и
составляет
Значение приведенной окружной скорости в ТВД, ТНД и свободной
турбине вычисляем по формуле:
,
и
, соответственно.
7.2 Исследование
дроссельной характеристики двигателя
Дроссельной характеристикой называют зависимость основных
данных и параметров двигателя от частоты вращения ротора при заданных условиях
на входе в двигатель и принятой программе регулирования.
Исследуем режимы, осуществляя дросселирование двигателя по
программе:
Расчёт проводим на восьми режимах, где относительная частота вращения
n изменяется вследствие уменьшения подачи
топлива в основную камеру сгорания.
Дроссельную характеристику мы будем
получать с помощью учебных математических моделей (УММ). Данный пакет программ
позволяет проводить моделирование характеристик для ГТД с двухвальным
газогенератором и силовой турбиной. После работы с файлом mgtu.dat (это файл исходных
данных для расчета характеристики) мы получаем файл mgtu.rez (результирующий файл
после расчета характеристики); для визуального представления данной характеристики
используем программу Grafxdl.exe.
Исходные данные для расчета дроссельной
характеристики и результаты расчета представлены в таблицах 7.1 и 7.2.
30 09 10 mgtu2.dat
1 1 8 8 2 1 0 1
1 10 7 7
230 230 230 230 230 230 230 230 230
230 230 230 230 230
.81 .0000 .0000 19.60 .8405 .8751
. 1263.00 80.0 .380 1.000 1.000
.9070 .6504 1.0000 .8853 .5427 1.0000 .9150 .3123
4.0000
.9700 1.0000 .9510 .9900 .9900 .9850 1.0000
1.0000 1.0000 .9800
.0000 0.995
.0477 .0000 .0300 .0000 .0000 .0000 .0000
.3 7534.4 3000.
.0000 .0000 .0000 .0000 .0000 .0000 .0000 .0000
.0000 .0000
.0000 .0000 .0000 .0000 .0000 .0000
.0000 .0000 .0000 .0000 .0000 .0000 .0000 .0000
.0000 .0000
.0000 .0000 .0000 .0000 .0000 .0000
.00 0.00 0.00 0.00 0.00 0.00 0.00 0.00 0.00 0.00
.00 0.00 0.00 0.00 0.00 0.00
.0000 .9800 .9600 .9400 .9200 .9000 .8800 .8600
1.0000 .9800
.9600 .9400 .9200 .9000 .8800 .8600
.0000 1.0000 1.0000 1.0000 1.0000 1.0000 1.0000
1.0000 1.0000 1.0000
.0000 1.0000 1.0000 1.0000 1.0000 1.0000
.0000 1.0000 1.0000 1.0000 1.0000 1.0000 1.0000
1.0000 1.0000 1.0000
.0000 1.0000 1.0000 1.0000 1.0000 1.0000
.0000 1.0000 1.0000 1.0000 1.0000 1.0000 1.0000
1.0000 1.0000 1.0000
.0000 1.0000 1.0000 1.0000 1.0000 1.0000
.0477 .0477 .0477 .0477 .0477 .0477 .0477 .0477
.0477 .0477
.0477 .0477 .0477 .0477 .0477 .0477
.0000 .0000 .0000 .0000 .0000 .0000 .0000 .0000
.0000 .0000
.0000 .0000 .0100 .0150 .0170 .0200
.0300 .0300 .0300 .0300 .0300 .0300 .0300 .0300
.0300 .0300
.0300 .0300 .0300 .0300 .0300 .0300
.0000 .0000 .0000 .0000 .0000 .0000 .0000 .0000
.0000 .0000
.0000 .0000 .0000 .0000 .0000 .0000
.0000 .0000 .0000 .0000 .0000 .0000 .0000 .0000
.0000 .0000
.0000 .0000 .0000 .0000 .0000 .0000
.0000 .9500 .9000 .8500 .8000 0.7500 0.7000 .6500
.6000 .8000
.0000 .9850 .9700 .9550 .9400 0.9250 0.9100 .9300
.9200 .9100
.7633 0.6312 .8175 .9156 3.223 2.540
.100 3.650 3.650 11.2e04 20.3e01
.20 .505E08 36.18 23.13 40.00
. .0900 6.000 .4000 0.000
.0620 1.8000 .0500 .0246 .0025 .1450 .0730 .9000
.2000 .6000
.0250 .0200 .0100
10 1 9 8
.4900 6.4000 6.2100 5.7900 5.5000 5.2000 4.9000
4.6500 4.4500 4.2500
.0700 6.0000 5.8600 5.6400 5.3100 5.1000 4.8000
4.5200 4.2000 3.9000
.6551 5.6328 5.5722 5.4653 5.2923 5.0832 4.7000
4.2300 3.9000 3.6000
.0903 5.0719 5.0208 4.9191 4.7958 4.6459 4.4677
4.2001 3.8000 3.3000
.5703 4.5492 4.4983 4.4264 4.3316 4.1964 4.0405
3.8275 3.5000 3.0000
.4004 4.3765 4.3311 4.2500 4.1407 4.0019 3.8300
3.6266 3.2100 2.8000
.9500 3.9376 3.9046 3.8443 3.7553 3.6354 3.4706
3.2525 2.8317 2.5000
.3336 3.3213 3.2940 3.2500 3.1906 3.1072 2.9855
2.8235 2.5405 2.3000
.8810 2.8641 2.8376 2.8070 2.7642 2.7042 2.6332
2.5380 2.4140 2.1700
.3971 2.3789 2.3568 2.3241 2.2842 2.2413 2.1859
2.1143 2.0303 1.8985
.0300 1.0400 1.0500 1.0600 1.0610 1.0615 1.0620
1.0620 1.0620 1.0620
.9600 .9700 .9800 .9900 1.0000 1.0030 1.0040
1.0060 1.0060 1.0060
.9000 .9100 .9200 .9300 .9400 .9500 .9600 .9650
.9650 .9650
.8400 .8500 .8600 .8700 .8800 .8900 .9000 .9100
.9130 .9150
.7800 .7900 .8000 .8100 .8200 .8300 .8400 .8500
.8530 .8550
.7400 .7500 .7600 .7700 .7800 .7900 .8000 .8100
.8200 .8220
.6700 .6800 .6900 .7000 .7100 .7200 .7300 .7400
.7500 .7550
.5800 .5900 .6000 .6100 .6200 .6300 .6400 .6500
.6600 .6650
.5100 .5200 .5300 .5400 .5500 .5600 .5700 .5800
.5900 .6000
.4300 .4400 .4500 .4600 .4700 .4800 .4900 .5000
.5100 .5200
.8575 .8656 .8676 .8636 .8600 .8540 .8470 .8393
.8320 .8230
.8615 .8686 .8737 .8777 .8777 .8780 .8760 .8747
.8680 .8600
.8570 .8625 .8691 .8749 .8804 .8838 .8840 .8799
.8700 .8610
.8679 .8720 .8766 .8811 .8845 .8856 .8835 .8767
.8590 .8240
.8689 .8754 .8805 .8834 .8844 .8813 .8742 .8597
.8280 .7650
.8667 .8723 .8764 .8794 .8794 .8779 .8701 .8556
.8022 .7070
.8689 .8741 .8786 .8821 .8840 .8822 .8746 .8573
.7911 .7000
.8681 .8747 .8802 .8842 .8858 .8846 .8781 .8634
.8142 .7400
.8687 .8785 .8852 .8891 .8910 .8904 .8862 .8768
.8586 .7918
.8730 .8812 .8876 .8941 .8955 .8933 .8882 .8776
.8576 .8242
.4677 .9000 .8835
.0833 1.0537 1.0296 1.0000 .9667 .9444 .9074
.8574 .8167 .7630
10 1 5 8
.4611 5.3167 5.1500 5.0300 4.8000 4.5083 4.4000
4.1250 3.9000 3.6000
.9295 4.8919 4.8184 4.6809 4.4636 4.2574 4.0063
3.8000 3.6000 3.3500
.2884 4.2736 4.1943 4.1112 3.9867 3.8128 3.6473
3.4967 3.3000 3.0500
.7500 3.7410 3.6821 3.5539 3.4528 3.3592 3.2461
3.1000 2.9250 2.7000
.4939 3.4528 3.3760 3.3274 3.2625 3.1961 3.1064
3.0000 2.8250 2.6000
.0000 .0000 .0000 .0000 .0000 .0000 .0000 .0000
.0000 .0000
.0000 .0000 .0000 .0000 .0000 .0000 .0000 .0000
.0000 .0000
.0000 .0000 .0000 .0000 .0000 .0000 .0000 .0000
.0000 .0000
.0000 .0000 .0000 .0000 .0000 .0000 .0000 .0000
.0000 .0000
.0000 .0000 .0000 .0000 .0000 .0000 .0000 .0000
.0000 .0000
.2800 .2825 .2840 .2850 .2868 .2875 .2878 .2880
.2880 .2880
.2500 .2550 .2575 .2600 .2625 .2650 .2675 .2680
.2687 .2690
.2250 .2300 .2350 .2375 .2400 .2425 .2450 .2475
.2488 .2495
.2060 .2100 .2150 .2200 .2225 .2250 .2275 .2300
.2320 .2330
.1950 .2000 .2050 .2075 .2100 .2125 .2150 .2170
.2200 .2220
.0000 .0000 .0000 .0000 .0000 .0000 .0000 .0000
.0000 .0000
.0000 .0000 .0000 .0000 .0000 .0000 .0000 .0000
.0000 .0000
.0000 .0000 .0000 .0000 .0000 .0000 .0000 .0000
.0000 .0000
.0000 .0000 .0000 .0000 .0000 .0000 .0000 .0000
.0000 .0000
.0000 .0000 .0000 .0000 .0000 .0000 .0000 .0000
.0000 .0000
.8350 .8420 .8450 .8460 .8440 .8400 .8340 .8220
.8080 .7880
.8390 .8510 .8560 .8600 .8630 .8590 .8495 .8350
.8220 .8020
.8430 .8550 .8645 .8665 .8690 .8670 .8610 .8510
.8360 .8100
.8440 .8490 .8600 .8660 .8660 .8640 .8575 .8400
.8160 .7720
.8460 .8515 .8570 .8595 .8610 .8620 .8585 .8500
.8240 .7600
.0000 .0000 .0000 .0000 .0000 .0000 .0000 .0000
.0000 .0000
.0000 .0000 .0000 .0000 .0000 .0000 .0000 .0000
.0000 .0000
.0000 .0000 .0000 .0000 .0000 .0000 .0000 .0000
.0000 .0000
.0000 .0000 .0000 .0000 .0000 .0000 .0000 .0000
.0000 .0000
.0000 .0000 .0000 .0000 .0000 .0000 .0000 .0000
.0000 .0000
.0063 .2675 .8495
.0517 1.0000 .9498 .9069 .8715 .0000 .0000 .0000
.0000 .0000
Таблица 7.2 - Результаты расчета дроссельной характеристики
ММ ГТД-2-1 Дата 30. 9.10= 1 1
NR= 1 8 8 2 NK= 1 0 NQ= 0 NMK= 1 IDT= 1 NL= 10= 70.8 .00 .00 19.60 .840 .875
1357. 1263. 80.0 .380 1.000 1.000= .907 .650 1.000 .885 .543 1.000 .915 .312
4.000= .970 1.000 .951 .990 .990 .985 1.000 1.000 1.000 .980 1.000 .995= .048
.000 .030 .000 .000 .000 WP= 9542.3 7534.4 3000.0=17.200 HU= .5050E+08 DTAY=
.400 SM= .000 GDBY= .000= 36.18 IRB= 23.13 IRC= 40.00 TGM=1460.0 DKUM= .090
AKSM= 6.00NP R1 R2 R3 RWC RGOT RGPR RGO1 RGO2 RGO3 DDT
230 1.000 1.000 1.000 1.000 .048 .000 .030 .000
.000 .0
230 .980 1.000 1.000 1.000 .048 .000 .030 .000
.000 .0
230 .960 1.000 1.000 1.000 .048 .000 .030 .000
.000 .0
230 .940 1.000 1.000 1.000 .048 .000 .030 .000
.000 .0
230 .920 1.000 1.000 1.000 .048 .000 .030 .000
.000 .0
230 .900 1.000 1.000 1.000 .048 .000 .030 .000
.000 .0
230 .880 1.000 1.000 1.000 .048 .000 .030 .000
.000 .0
230 .860 1.000 1.000 1.000 .048 .000 .030 .000
.000 .0= .0 .0 .0 .0 .0 .0 .0 .0= .000 .000 .000 .000 .000 .000 .000 .000
* * *
СХЕМА ПЕЧАТИ: NE NEY CE TK
ТГ ТГП TT
ПВ ППB GПB PIB NKB MKB DKYB
ПН ППН GПН PIH NKH MKH
DKYHNKS GB PITB NTB PITH NTHAKC AKS PITC NТC MKC TTK
КПД GT1 LC FC ПТС PE CYE
H= .0 MH= .000 TB=288.15 PB= 98285.3 NP.230
.1730E+05 244.3 .2101 722.2 1357. 941.1 717.4
.000 .9999 70.80 4.488 .8590 .2018E+05 .2170
.000 1.000 70.83 4.392 .8750 .1575E+05 .2302
.61 .8405 70.83 2.617 .9061 2.038 .8843
. 3.762 3.762 3.272 .9132 .5507E+05 941.1
.3393 3635. .1666 1.714 1.000 .2651E+06 .1371E-01
H= .0 MH= .000 TB=288.15 PB= 98285.3 NP.230
.1499E+05 222.8 .2156 704.0 1304. 902.2 696.0
.9800 .9878 69.89 4.373 .8626 .1839E+05 .2272
.9705 .9705 67.29 4.191 .8804 .1430E+05 .2048
.24 .8463 67.29 2.619 .9060 2.038 .8821
. 4.019 4.019 3.045 .9191 .4773E+05 902.2
.3307 .0000 .1568 1.701 1.000 .2298E+06 .1407E-01
H= .0 MH= .000 TB=288.15 PB= 98285.3 NP.230
.1274E+05 200.9 .2230 685.2 1250. 863.7 676.0
.9600 .9764 68.96 4.259 .8656 .1660E+05 .2367
.9400 .9400 63.41 3.968 .8842 .1281E+05 .1791
.82 .8507 63.41 2.621 .9060 2.031 .8803
. 4.309 4.309 2.823 .9224 .4055E+05 863.7
.3196 .0000 .1398 1.770 1.000 .1951E+06 .1456E-01
H= .0 MH= .000 TB=288.15 PB= 98285.3 NP.230
.1059E+05 178.9 .2335 665.7 1198. 826.9 658.1
.9400 .9658 68.07 4.153 .8678 .1483E+05 .2451
.9081 .9081 59.21 3.716 .8862 .1125E+05 .1554
.35 .8537 59.21 2.623 .9060 2.011 .8790
. 4.621 4.621 2.606 .9226 .3372E+05 826.9
.3053 .0000 .1308 1.741 1.000 .1624E+06 .1523E-01
H= .0 MH= .000 TB=288.15 PB= 98285.3 NP.230
. 157.5 .2468 645.6 1146. 791.7 641.8
.9200 .9559 67.20 4.053 .8696 .1312E+05 .2504
.8754 .8754 54.84 3.447 .8862 9718. .1347
.90 .8553 54.84 2.625 .9060 1.978 .8785
. 4.965 4.965 2.401 .9197 .2750E+05 791.7
.2888 .0000 .1176 1.769 1.000 .1325E+06 .1610E-01
H= .0 MH= .000 TB=288.15 PB= 98285.3 NP.230
. 136.5 .2648 625.5 1095. 757.8 626.8
.9000 .9464 66.35 3.955 .8709 .1153E+05 .2524
.8433 .8433 50.48 3.176 .8843 8272. .1177
.50 .8557 50.48 2.627 .9060 1.935 .8789
. 5.341 5.341 2.207 .9125 .2193E+05 757.8
.2692 .0000 .1095 1.727 1.000 .1058E+06 .1725E-01
H= .0 MH= .000 TB=288.15 PB= 98285.3 NP.230
. 116.1 .2888 605.4 1045. 725.2 612.8
.8800 .9369 65.49 3.859 .8718 .1008E+05 .2546
.8124 .8124 46.28 2.913 .8810 6956. .1049
.19 .8552 46.28 2.629 .9061 1.884 .8803
. 5.759 5.759 2.030 .8989 .1710E+05 725.2
.2468 .0000 .1018 1.682 1.000 .8262E+05 .1878E-01
H= .0 MH= .000 TB=288.15 PB= 98285.3 NP.230
4108. 96.91 .3215 586.0 999.0 695.6 601.1
.8600 .9270 64.55 3.762 .8725 8797. .2556
.7839 .7839 42.39 2.674 .8768 5816. .9598E-01
.01 .8543 42.39 2.626 .9062 1.827 .8826
. 6.196 6.196 1.870 .8765 .1308E+05 695.6
.2217 .0000 .1198 1.294 1.000 .6380E+05 .2070E-01
Результаты расчета дроссельной характеристики в виде
графических зависимостей основных параметров двигателя от частоты вращения
ротора приведены на рисунках 7.1-7.6 соответственно.
Рисунок 7.1 - Характеристика КНД
Рисунок 7.2 - Характеристика КВД
Рисунок 7.3 - Зависимость мощности и удельного расхода
топлива от приведенных оборотов вращения ротора ВД
Рисунок 7.4 - Зависимость hе и ηкs от приведенных оборотов вращения ротора ВД
Рисунок 7.5 - Зависимость Т*г и aкс
от приведенных оборотов вращения ротора ВД
Рисунок 7.6 - Зависимость
и
от приведенных оборотов вращения ротора ВД
Газогенератор ТВаД со свободной турбиной
имеет один регулирующий фактор Gт, следовательно, перейти с максимального режима
на пониженные режимы можно за счет уменьшения расхода топлива.
На рисунке 7.3 представлены зависимости
удельного расхода и мощности от приведенных оборотов вращения ротора ВД.
Анализируя графики, делаем следующие выводы, что с уменьшением приведенных
оборотов эффективный КПД падает. Следовательно, удельный расход топлива Се
растет.
Уменьшение расхода
топлива
приводит к снижению температуры газа (рисунок 7.5). Уменьшение работы турбины
при снижении приведенных оборотов будет идти только вследствие уменьшения
температуры газа, так как степень понижения давления в турбине постоянна (при Fpc=const).
На рисунке 7.6 видно, что запасы КВД при
дросселировании резко возрастают. Рабочая точка на характеристике КВД уходит от
ГУР. Запасы устойчивой работы КНД при дросселировании снижаются и ЛРР подходит
к ГУР.
7.3 Исследование климатической
характеристики двигателя
Известно, что окружающие условия (температура Тн и
давление рн) оказывают существенное влияние на параметры рабочего
процесса, режим работы и основные показатели газотурбинного двигателя. На
практике чтобы учесть влияние этих факторов снимают для двигателя так
называемые климатические характеристики.
Климатическими характеристиками называют зависимости мощности
Ne и удельного расхода топлива Се от температуры
атмосферного воздуха Тн (или tн) на заданном режиме при
принятой программе регулирования при работе двигателя на постоянном режиме и
при Н=const, Vп=const [5, 6].
Исследование климатической характеристики будем проводить в
диапазоне температур окружающей среды от -50оС до +50оС.
Данный диапазон температур охватывает все возможные области эксплуатации нашего
двигателя. Составляем три блока изменения поля температур: в первом блоке
температура возрастает в интервале [15о÷50о] С, а во втором и третьем снижается от 15оС до -50оС.
Закон регулирования двигателем выбираем Тг*=const [7]. Данный закон
регулирования позволяет развивать максимальную мощность. Была предпринята
попытка, реализовать закон регулирования Ne=const, что в первую очередь
было обусловлено требованиями потребителя, а именно необходимостью поддержания
постоянной мощности генератора переменного тока. Физически на двигателе это
реализуется путём изменения угла установки ручки управления двигателем (РУД),
то есть регулируется количество топлива подаваемого в камеру сгорания.
Исходные данные и результаты расчета климатической
характеристики приведены в таблицах 7.3, 7.4.
Таблица7.3 - Исходные данные для расчета климатической
характеристики
0 1 10 7 7
130 130 130 130 130 630 630 630 630
130 630 630 630 230
.81 .0000 .0000 19.60 .8405 .8751
. 1263.00 80.0 .380 1.000 1.000
.9070 .6504 1.0000 .8853 .5427 1.0000 .9150 .3123
4.0000
.9700 1.0000 .9510 .9900 .9900 .9850 1.0000
1.0000 1.0000 .9800
.0000 0.995
.0477 .0000 .0300 .0000 .0000 .0000 .0000
.3 7534.4 3000.
.0000 .0000 .0000 .0000 .0000 .0000 .0000 .0000
.0000 .0000
.0000 .0000 .0000 .0000 .0000 .0000
.0000 .0000 .0000 .0000 .0000 .0000 .0000 .0000
.0000 .0000
.0000 .0000 .0000 .0000 .0000 .0000
.00 8.00 16.00 24.00 35.00 0.00 -15.00 -30.00
-47.00 -65.00
.00 -15.00 -30.00 -47.00 -65.00 0.00
.0000 1.0000 1.0000 1.0000 1.0000 1.0000 1.0000
1.0000 1.0000 1.0000
.0000 1.0000 1.0000 1.0000 1.0000 1.0000
.0000 1.0000 1.0000 1.0000 1.0000 1.0000 1.0000 1.0000
1.0000 1.0000
.0000 1.0000 1.0000 1.0000 1.0000 1.0000
.0000 1.0000 1.0000 1.0000 1.0000 1.0000 1.0000
1.0000 1.0000 1.0000
.0000 1.0000 1.0000 1.0000 1.0000 1.0000
.0000 1.0000 1.0000 1.0000 1.0000 1.0000 1.0000
1.0000 1.0000 1.0000
.0000 1.0000 1.0000 1.0000 1.0000 1.0000
.0477 .0477 .0477 .0477 .0477 .0477 .0477 .0477
.0477 .0477
.0477 .0477 .0477 .0477 .0477 .0477
.0000 .0000 .0000 .0000 .0000 .0000 .0000 .0000
.0000 .0000
.0000 .0000 .0000 .0000 .0000 .0000
.0300 .0300 .0300 .0300 .0300 .0300 .0300 .0300
.0300 .0300
.0300 .0300 .0300 .0300 .0300 .0300
.0000 .0000 .0000 .0000 .0000 .0000 .0000 .0000
.0000 .0000
.0000 .0000 .0000 .0000 .0000 .0000
.0000 .0000 .0000 .0000 .0000 .0000 .0000 .0000
.0000 .0000
.0000 .0000 .0000 .0000 .0000 .0000
.0800 1.0500 1.0200 .9900 .9600 .9400 .9200 .7500
.7000 .6500
.0300 1.0200 1.0100 1.0000 .9900 .9800 .9700
.9600 .9500 .9400
.7633 0.6312 .8175 .9156 3.223 2.540
.100 3.650 3.650 11.2e04 20.3e01
.20 .505E08 36.18 23.13 40.00
. .0900 6.000 .4000 0.000
.0620 1.8000 .0500 .0246 .0025 .1450 .0730 .9000
.2000 .6000
.0250 .0200 .0100
10 1 9 8
.4900 6.4000 6.2100 5.7900 5.5000 5.2000 4.9000
4.6500 4.4500 4.2500
.0700 6.0000 5.8600 5.6400 5.3100 5.1000 4.8000
4.5200 4.2000 3.9000
.6551 5.6328 5.5722 5.4653 5.2923 5.0832 4.7000
4.2300 3.9000 3.6000
.0903 5.0719 5.0208 4.9191 4.7958 4.6459 4.4677
4.2001 3.8000 3.3000
.5703 4.5492 4.4983 4.4264 4.3316 4.1964 4.0405
3.8275 3.5000 3.0000
.4004 4.3765 4.3311 4.2500 4.1407 4.0019 3.8300
3.6266 3.2100 2.8000
.9500 3.9376 3.9046 3.8443 3.7553 3.6354 3.4706
3.2525 2.8317 2.5000
.3336 3.3213 3.2940 3.2500 3.1906 3.1072 2.9855
2.8235 2.5405 2.3000
.8810 2.8641 2.8376 2.8070 2.7642 2.7042 2.6332
2.5380 2.4140 2.1700
.3971 2.3789 2.3568 2.3241 2.2842 2.2413 2.1859
2.1143 2.0303 1.8985
.0300 1.0400 1.0500 1.0600 1.0610 1.0615 1.0620
1.0620 1.0620 1.0620
.9600 .9700 .9800 .9900 1.0000 1.0030 1.0040
1.0060 1.0060 1.0060
.9000 .9100 .9200 .9300 .9400 .9500 .9600 .9650
.9650 .9650
.8400 .8500 .8600 .8700 .8800 .8900 .9000 .9100
.9130 .9150
.7800 .7900 .8000 .8100 .8200 .8300 .8400 .8500
.8530 .8550
.7400 .7500 .7600 .7700 .7800 .7900 .8000 .8100
.8200 .8220
.6700 .6800 .6900 .7000 .7100 .7200 .7300 .7400
.7500 .7550
.5800 .5900 .6000 .6100 .6200 .6300 .6400 .6500
.6600 .6650
.5100 .5200 .5300 .5400 .5500 .5600 .5700 .5800
.5900 .6000
.4300 .4400 .4500 .4600 .4700 .4800 .4900 .5000
.5100 .5200
.8575 .8656 .8676 .8636 .8600 .8540 .8470 .8393
.8320 .8230
.8615 .8686 .8737 .8777 .8777 .8780 .8760 .8747
.8680 .8600
.8570 .8625 .8691 .8749 .8804 .8838 .8840 .8799
.8700 .8610
.8679 .8720 .8766 .8811 .8845 .8856 .8835 .8767
.8590 .8240
.8689 .8754 .8805 .8834 .8844 .8813 .8742 .8597
.8280 .7650
.8667 .8723 .8764 .8794 .8794 .8779 .8701 .8556
.8022 .7070
.8689 .8741 .8786 .8821 .8840 .8822 .8746 .8573
.7911 .7000
.8681 .8747 .8802 .8842 .8858 .8846 .8781 .8634
.8142 .7400
.8687 .8785 .8852 .8891 .8910 .8904 .8862 .8768
.8586 .7918
.8730 .8812 .8876 .8941 .8955 .8933 .8882 .8776
.8576 .8242
.4677 .9000 .8835
.0833 1.0537 1.0296 1.0000 .9667 .9444 .9074
.8574 .8167 .7630
10 1 5 8
.4611 5.3167 5.1500 5.0300 4.8000 4.5083 4.4000
4.1250 3.9000 3.6000
.9295 4.8919 4.8184 4.6809 4.4636 4.2574 4.0063
3.8000 3.6000 3.3500
.2884 4.2736 4.1943 4.1112 3.9867 3.8128 3.6473
3.4967 3.3000 3.0500
.7500 3.7410 3.6821 3.5539 3.4528 3.3592 3.2461
3.1000 2.9250 2.7000
.4939 3.4528 3.3760 3.3274 3.2625 3.1961 3.1064
3.0000 2.8250 2.6000
.0000 .0000 .0000 .0000 .0000 .0000 .0000 .0000
.0000 .0000
.0000 .0000 .0000 .0000 .0000 .0000 .0000 .0000
.0000 .0000
.0000 .0000 .0000 .0000 .0000 .0000 .0000 .0000
.0000 .0000
.0000 .0000 .0000 .0000 .0000 .0000 .0000 .0000
.0000 .0000
.0000 .0000 .0000 .0000 .0000 .0000 .0000 .0000
.0000 .0000
.2800 .2825 .2840 .2850 .2868 .2875 .2878 .2880 .2880
.2880
.2500 .2550 .2575 .2600 .2625 .2650 .2675 .2680
.2687 .2690
.2250 .2300 .2350 .2375 .2400 .2425 .2450 .2475
.2488 .2495
.2060 .2100 .2150 .2200 .2225 .2250 .2275 .2300
.2320 .2330
.1950 .2000 .2050 .2075 .2100 .2125 .2150 .2170
.2200 .2220
.0000 .0000 .0000 .0000 .0000 .0000 .0000 .0000
.0000 .0000
.0000 .0000 .0000 .0000 .0000 .0000 .0000 .0000
.0000 .0000
.0000 .0000 .0000 .0000 .0000 .0000 .0000 .0000
.0000 .0000
.0000 .0000 .0000 .0000 .0000 .0000 .0000 .0000
.0000 .0000
.0000 .0000 .0000 .0000 .0000 .0000 .0000 .0000
.0000 .0000
.8350 .8420 .8450 .8460 .8440 .8400 .8340 .8220
.8080 .7880
.8390 .8510 .8560 .8600 .8630 .8590 .8495 .8350
.8220 .8020
.8430 .8550 .8645 .8665 .8690 .8670 .8610 .8510
.8360 .8100
.8440 .8490 .8600 .8660 .8660 .8640 .8575 .8400
.8160 .7720
.8460 .8515 .8570 .8595 .8610 .8620 .8585 .8500
.8240 .7600
.0000 .0000 .0000 .0000 .0000 .0000 .0000 .0000
.0000 .0000
.0000 .0000 .0000 .0000 .0000 .0000 .0000 .0000
.0000 .0000
.0000 .0000 .0000 .0000 .0000 .0000 .0000 .0000
.0000 .0000
.0000 .0000 .0000 .0000 .0000 .0000 .0000 .0000
.0000 .0000
.0000 .0000 .0000 .0000 .0000 .0000 .0000 .0000
.0000 .0000
.0063 .2675 .8495
.0517 1.0000 .9498 .9069 .8715 .0000 .0000 .0000
.0000 .0000
Таблица 7.4 - Результаты расчета климатической характеристики
ММ ГТД-2-1 Дата 30. 9.10= 1 1
NR= 3 5 15 2 NK= 1 0 NQ= 0 NMK= 1 IDT= 1 NL= 10= 70.8 .00 .00 19.60 .840 .875
1357. 1263. 80.0 .380 1.000 1.000= .907 .650 1.000 .885 .543 1.000 .915 .312
4.000= .970 1.000 .951 .990 .990 .985 1.000 1.000 1.000 .980 1.000 .995= .048
.000 .030 .000 .000 .000 WP= 9942.3 7534.4 3000.0=17.200 HU= .5050E+08 DTAY=
.400 SM= .000 GDBY= .000= 36.18 IRB= 23.13 IRC= 40.00 TGM=1460.0 DKUM= .090
AKSM= 6.00NP R1 R2 R3 RWC RGOT RGPR RGO1 RGO2 RGO3 DDT
130 1.000 1.000 1.000 1.000 .048 .000 .030 .000
.000 .0
130 1.000 1.000 1.000 1.000 .048 .000 .030 .000
.000 8.0
130 1.000 1.000 1.000 1.000 .048 .000 .030 .000
.000 16.0
130 1.000 1.000 1.000 1.000 .048 .000 .030 .000
.000 24.0
130 1.000 1.000 1.000 1.000 .048 .000 .030 .000
.000 35.0
130 1.000 1.000 1.000 1.000 .048 .000 .030 .000
.000 .0
630 1.000 1.000 1.000 1.000 .048 .000 .030 .000
.000 -15.0
630 1.000 1.000 1.000 1.000 .048 .000 .030 .000
.000 -30.0
630 1.000 1.000 1.000 1.000 .048 .000 .030 .000
.000 -47.0
630 1.000 1.000 1.000 1.000 .048 .000 .030 .000
.000 -65.0
130 1.000 1.000 1.000 1.000 .048 .000 .030 .000
.000 .0
130 1.000 1.000 1.000 1.000 .048 .000 .030 .000
.000 -15.0
630 1.000 1.000 1.000 1.000 .048 .000 .030 .000
.000 -30.0
630 1.000 1.000 1.000 1.000 .048 .000 .030 .000
.000 -47.0
630 1.000 1.000 1.000 1.000 .048 .000 .030 .000
.000 -65.0= .0 .0 .0 .0 .0 .0 .0 .0 .0 .0 .0 .0
.0 .0 .0= .000 .000 .000 .000 .000 .000 .000 .000
.000 .000 .000 .000
.000 .000 .000
* * *
СХЕМА ПЕЧАТИ: NE NEY CE TK
ТГ ТГП TT
ПВ ППB GПB PIB NKB MKB DKYB
ПН ППН GПН PIH NKH MKH
DKYHNKS GB PITB NTB PITH NTHAKC AKS PITC NТC MKC TTK
КПД GT1 LC FC ПТС PE CYE
H= .0 MH= .000 TB=288.15 PB= 98285.3 NP.130
.1730E+05 244.2 .2101 722.2 1357. 941.1 717.3
.000 .9999 70.80 4.487 .8590 .1936E+05 .2170
.000 1.000 70.83 4.391 .8750 .1575E+05 .2302
.61 .8405 70.83 2.617 .9061 2.038 .8843
. 3.762 3.762 3.272 .9132 .5507E+05 941.1
.3393 3635. .1663 1.716 1.000 .2650E+06 .1371E-01
H= .0 MH= .000 TB=296.15 PB= 98285.3 NP.130
.1600E+05 236.7 .2143 729.8 1357. 941.4 724.5
.000 .9916 70.19 4.410 .8615 .1847E+05 .2239
.9939 .9804 68.51 4.262 .8788 .1500E+05 .2131
.70 .8445 67.58 2.617 .9061 2.037 .8829
. 3.805 3.805 3.124 .9156 .5092E+05 941.4
H= .0 MH= .000 TB=304.15 PB= 98285.3 NP.130
.1477E+05 229.2 .2188 737.4 1357. 941.8 731.7
.001 .9839 69.58 4.336 .8637 .1761E+05 .2301
.9883 .9620 66.21 4.134 .8816 .1427E+05 .1965
.83 .8478 64.45 2.617 .9062 2.036 .8817
. 3.849 3.849 2.987 .9177 .4702E+05 941.8
.3258 .0000 .1499 1.750 1.000 .2261E+06 .1429E-01
H= .0 MH= .000 TB=312.15 PB= 98285.3 NP.130
.1359E+05 221.5 .2239 744.6 1357. 942.6 739.5
.001 .9769 69.00 4.267 .8654 .1677E+05 .2357
.9823 .9438 63.88 4.000 .8838 .1352E+05 .1808
.98 .8503 61.37 2.617 .9063 2.030 .8807
. 3.892 3.892 2.856 .9193 .4327E+05 942.6
.3183 .0000 .1430 1.757 1.000 .2081E+06 .1463E-01
H= .0 MH= .000 TB=323.15 PB= 98285.3 NP.130
.1207E+05 210.8 .2319 753.8 1357. 944.2 750.8
.002 .9682 68.27 4.180 .8674 .1564E+05 .2424
.9733 .9191 60.65 3.809 .8856 .1249E+05 .1613
.84 .8529 57.27 2.617 .9064 2.016 .8797
. 3.948 3.948 2.687 .9206 .3843E+05 944.2
.3074 .0000 .1342 1.760 1.000 .1848E+06 .1515E-01
H= .0 MH= .000 TB=288.15 PB= 98285.3 NP.130
.1730E+05 244.2 .2101 722.2 1357. 941.1 717.3
.000 .9999 70.80 4.487 .8590 .1936E+05 .2170
.000 1.000 70.83 4.391 .8750 .1575E+05 .2302
.61 .8405 70.83 2.617 .9061 2.038 .8843
. 3.762 3.762 3.272 .9132 .5507E+05 941.1
.3393 .0000 .1663 1.716 1.000 .2650E+06 .1371E-01
H= .0 MH= .000 TB=273.15 PB= 98285.3 NP.630
.1730E+05 235.4 .2077 688.3 1300. 898.7 680.9
.9782 1.003 71.02 4.515 .8580 .1923E+05 .2146
.9802 1.007 71.56 4.429 .8737 .1563E+05 .2363
.90 .8390 73.50 2.619 .9059 2.039 .8846
. 3.949 3.949 3.311 .9156 .5507E+05 898.7
.3433 .0000 .1717 1.678 1.000 .2653E+06 .1354E-01
H= .0 MH= .000 TB=258.15 PB= 98285.3 NP.630
.1730E+05 226.4 .2050 654.3 1242. 855.9 644.4
.9555 1.006 71.26 4.544 .8569 .1908E+05 .2121
.9592 1.013 72.33 4.469 .8722 .1549E+05 .2428
.21 .8374 76.41 2.622 .9056 2.041 .8848
. 4.159 4.159 3.357 .9176 .5507E+05 855.9
.3477 .0000 .1715 1.696 1.000 .2653E+06 .1337E-01
H= .0 MH= .000 TB=241.15 PB= 98285.3 NP.630
.1730E+05 216.0 .2023 615.6 1176. 807.3 603.2
.9290 1.010 71.55 4.581 .8555 .1891E+05 .2089
.9346 1.022 73.28 4.519 .8703 .1534E+05 .2508
.60 .8353 80.10 2.625 .9052 2.042 .8851
. 4.419 4.419 3.413 .9198 .5507E+05 807.3
.3524 .0000 .1753 1.680 1.000 .2655E+06 .1318E-01
H= .0 MH= .000 TB=223.15 PB= 98285.3 NP.630
.1730E+05 204.7 .1992 574.5 1106. 755.3 559.5
.8998 1.014 71.89 4.624 .8539 .1873E+05 .2050
.9075 1.031 74.38 4.577 .8679 .1518E+05 .2601
.06 .8327 84.52 2.628 .9048 2.045 .8854
. 4.735 4.735 3.479 .9220 .5507E+05 755.3
.3579 .0000 .1773 1.685 1.000 .2657E+06 .1297E-01
H= .0 MH= .000 TB=288.15 PB= 98285.3 NP.130
.1730E+05 244.2 .2101 722.2 1357. 941.1 717.3
.000 .9999 70.80 4.487 .8590 .1936E+05 .2170
.000 1.000 70.83 4.391 .8750 .1575E+05 .2302
.61 .8405 70.83 2.617 .9061 2.038 .8843
. 3.762 3.762 3.272 .9132 .5507E+05 941.1
.3393 .0000 .1663 1.716 1.000 .2650E+06 .1371E-01
H= .0 MH= .000 TB=273.15 PB= 98285.3 NP.130
.1994E+05 257.6 .2035 707.7 1357. 940.5 704.7
.9991 1.015 71.95 4.637 .8535 .2116E+05 .2031
.013 1.040 75.35 4.645 .8656 .1726E+05 .2638
.43 .8310 77.39 2.618 .9059 2.038 .8864
. 3.683 3.683 3.563 .9081 .6346E+05 940.5
.3504 .0000 .1832 1.687 1.000 .3057E+06 .1327E-01
H= .0 MH= .000 TB=258.15 PB= 98285.3 NP.630
.1994E+05 247.8 .2010 673.0 1297. 896.3 667.1
.9760 1.019 72.19 4.667 .8523 .2101E+05 .2005
.9911 1.047 76.15 4.687 .8636 .1712E+05 .2705
.77 .8290 80.45 2.620 .9055 2.039 .8866
. 3.875 3.875 3.608 .9110 .6346E+05 896.3
.3546 .0000 .1882 1.657 1.000 .3059E+06 .1310E-01
H= .0 MH= .000 TB=241.15 PB= 98285.3 NP.630
.1994E+05 236.5 .1981 633.4 1229. 845.8 624.5
.9489 1.022 72.48 4.705 .8508 .2082E+05 .1971
.9659 1.056 77.12 4.738 .8611 .1695E+05 .2786
.18 .8265 84.30 2.623 .9051 2.041 .8869
. 4.120 4.120 3.668 .9139 .6346E+05 845.8
.3598 .0000 .1900 1.661 1.000 .3061E+06 .1291E-01
H= .0 MH= .000 TB=223.15 PB= 98285.3 NP.630
.1994E+05 224.2 .1951 591.4 1156. 792.0 579.5
.9191 1.027 72.82 4.749 .8490 .2062E+05 .1931
.9383 1.066 78.25 4.798 .8578 .1677E+05 .2880
.67 .8233 88.92 2.626 .9046 2.043 .8872
. 4.413 4.413 3.738 .9169 .6346E+05 792.0
.3654 .0000 .1934 1.655 1.000 .3063E+06 .1270E-01
Результаты расчета представлены в виде графических
зависимостей основных параметров двигателя от температуры на входе в него на
рисунках 7.7-7.13 соответственно.
Рисунок 7.7 - Характеристика КНД
Рисунок 7.8 - Характеристика КВД
Рисунок 7.9 - Зависимость мощности и удельного расхода
топлива от температуры на входе
Рисунок 7.10 - Зависимость удельной мощности и температуры
газа от температуры на входе
Рисунок 7.11 - Зависимость запаса устойчивости КНД и
крутящего момента ротора НД от температуры на входе
Рисунок 7.12 - Зависимость запаса устойчивости КВД и
крутящего момента ротора ВД от температуры на входе
Рисунок 7.13 - Зависимость еффективного КПД и расхода воздухаот температуры на входе
На рисунках 7.7 и 7.8 представлены характеристики
компрессоров НД и ВД. При увеличении температуры на входе рабочая точка
смещается влево по линии рабочих режимов (ЛРР). Это обусловлено уменьшением
плотности воздуха на входе в двигатель с ростом температуры Тн*.
При этом работа турбины компрессора и, следовательно, работа компрессора
остаются неизменными, так как теплоперепад срабатываемый на ТК постоянен, (Тг*/Ттк*=const), а (q(λ)тк≈1,0) всё это приводит к снижению степени повышения
полного давления и снижению расхода воздуха. При снижении Тн*
рабочая точка смещается вправо по ЛРР. При этом увеличивается плотность воздуха
на входе в двигатель, что приводит к росту πк* и увеличению расхода
воздуха. При этом относительная частота вращения ротора турбокомпрессора
низкого давления достигает величины ~1,031, что вполне допустимо с точки зрения
прочности вала.
Остановимся более подробно на рисунке 7.9. Здесь представлена
зависимость мощности от температуры на входе. Как уже отмечалось выше, при
росте Тн* наблюдается снижение мощности от расчетного
значения на 30,2 % , это объясняется тем, что мощность определяется как произведение
работы на расход, а так как расход снижается, то и мощность падает, что
является неприемлемым согласно техническому заданию потребителя. При снижении Тн*
нам необходимо из условия потребителя поддерживать значение мощности на
заданном уровне или определённой величины. В третьем блоке осуществлен выход
двигателя на максимальную мощность, которая определяется по формуле:
Ne max= Ne p+ Ne
p(0,1…0,2).
В нашем случае разница между значениями расчетной мощности и
максимальной составляет ~15,3 %, что удовлетворяет заданному условию, а также
отвечает требованиям потребителя.
Также большой интерес представляет зависимость крутящего
момента от температуры на входе в двигатель, которая представлена на рисунках
7.11, 7.12. При выходе на режим максимальной мощности с расчетного и снижении Тн*
происходит увеличение крутящего момента ротора высокого давления на 9,3%;и на
9,6% - ротора низкого давления. При дальнейшем снижении Тн*,
как видно из графика, наблюдается уменьшение крутящего момента. При увеличении
Тн* наблюдается уменьшение крутящего момента ротора
высокого давления от расчетного значения на19,2 % и ротора низкого на 20,7 %.
В результате проделанной работы следует отметить, что с увеличением
Тн* при законе регулирования Тг* = const мощность на выходном
валу турбовального двигателя уменьшается, и характеристики двигателя, а именно Ne=f(Тн) в летних
условиях значительно ухудшаются. Поэтому в целях получения приемлемых
характеристик двигатель проектируют таким образом, чтобы максимальная мощность
обеспечивалась при повышенной температуре Тн.огр*. А при
Тн*< Тн.огр* (в зоне ограничения
мощности) закон изменения расхода топлива выбирают из условия Ne= Ne мах. В зимних условиях,
следовательно, мощность ограничивается, путем снижения температуры газа перед
турбиной и всех остальных параметров двигателя.
Двигатель продемонстрировал удовлетворительные
эксплуатационные свойства во всём заданном диапазоне температур Тн*.
Запасы газодинамической устойчивости на всех режимах работы не опускались ниже
16 % , что является приемлемым. Экономичность двигателя возрастает в области
низких температур за счёт уменьшения удельного расхода топлива на 7,1 % , что
соответствует режиму работы двигателя на участке 1-3, на данном режиме работы
поддерживается мощность на выходном валу двигателя постоянной. При уходе в
область высоких температур на входе в двигатель наблюдается снижение
экономичности, за счёт возрастания удельного расхода топлива. Отсюда видно, что
двигатель более экономичен при работе в области отрицательных температур
соответствующих -40о..-50о С.
8. ПРОЕКТИРОВАНИЕ ВХОДНОГО УСТРОЙСТВА
Входные устройства ГТУ предназначены для подачи циклового
рабочего тела к компрессору ГТД, с минимальными искажениями полей скоростей и
давлений, а так же с минимальными потерями полного давления на входе в
компрессор.
Целью данного расчета является определение геометрических
размеров и основных параметров, характеризующих работу входного устройства.
Расчёт будем вести с учётом рекомендаций методического пособия[8].
Расчётная схема представлена на рисунке 8.1,
где: Dn - диаметр патрубка;
DK - диаметр коллектора;
Fk - площадь образующего цилиндра на входе с
высотой hK;
Do - наружный диаметр проточной части компрессора;
B - ширина патрубка;
ho - высота проточной части компрессора;
hK - осевое расстояние от торцевой стенки патрубка
до коллектора;
d - втулочный диаметр;
h - осевая протяженность патрубка;
L - осевая протяженность входного устройства.
Рисунок 8.1 - Расчетная схема входного устройства
К входному устройству предъявляются такие требования как:
подвод воздуха должен осуществляться с минимальными
гидравлическими сопротивлениями;
так как во входных устройствах часто располагают передний
подшипник, то корпус должен быть достаточно жесткий, чтобы не деформироваться
под действием статических и динамических нагрузок на подшипник.
8.1 Расчет входного устройства
Для расчета входного устройства воспользуемся следующими
соотношениями:
- удлинение входного устройства;
- радиус скругления входной кромки;
- степень поджатия патрубка (
);
- степень поджатия коллектора (
);
- относительный диаметр патрубка;
Минимальное значение потерь обеспечивается при отношении:
(примем 1,5);
(примем 1,5);
(принимаем - 2);
(примем 4).
8.2 Проведение расчета
Исходные величины берём из газодинамического расчёта
компрессора:
Do= 0,8365 м.
d= 0,3990 м.
ho= 0,2188 м.
Определяем осевое расстояние от торцевой стенки патрубка до
коллектора
м.
Площадь в сечении -(0-0) равна
м2.
Площади FК и FВХ:
FК= FВХ =4F0=4*0,4245=1,698
м².
Диаметр коллектора определим по формуле:
м.
Диаметр патрубка:
DП = 1,5*DК = 1,5*1,2351 = 1,8527 м.
Примем В= DП тогда:
м.
Длинна патрубка:
м.
Радиус скругления лемнискаты:
R=0,25*Do=0,25*0,8365=0,2091м.
Схема входного устройства, на основании проведённого расчёта
приведёна на рисунке 8.2.
Рисунок 8.2 - Чертеж входного устройства
Полученное входное устройство обеспечивает подачу рабочего
тела к компрессору с минимальными искажениями полей скоростей и давлений и
минимальными потерями полного давления на входе в компрессор. Степень
диффузорности сечения от входного сечения до сечения на входе в компрессор
выбрано оптимально, так чтобы обеспечить минимум потерь в патрубке; из тех же
соображений рассчитывался и его диаметр.
На этом этапе были заложены параметры, отвечающие
геометрическим соотношениям, обеспечивающим равномерность параметров на входе в
компрессор и минимальные гидравлические потери.
9 РАСЧЕТ ОСЕРАДИАЛЬНОГО ВЫХОДНОГО УСТРОЙСТВА С РАДИАЛЬНЫМ
ПОДЖАТИЕМ ПОТОКА
Согласно основным требованиям, предъявляемым к выходным
патрубкам газотурбинных установок, патрубки должны:
обеспечивать отвод рабочего тела из турбомашины в заданном
направлении с минимальными аэродинамическими потерями;
обеспечивать равномерное поле давлений за последней ступенью
турбины;
иметь равномерное поле скоростей на выходе из реактивного
насадка;
обеспечивать стационарный устойчивый характер течения на всех
режимах работы;
обладать высокой жесткостью;
иметь приемлемые конструктивные габариты.
Целью данного расчета является определение геометрических
размеров и основных параметров, характеризующих работу выходного устройства.
Диффузор - это аэродинамическое устройство, предназначенное
для преобразования кинетической энергии потока в потенциальную, с возможно
большей эффективностью. Осерадиальный диффузор с промежуточным поджатием потока
имеет преимущества связанные с конфузорным характером течения при повороте
потока и двумя отдельными участками диффузорного типа. А так же технологические
преимущества за счёт реализации обводов диффузора прямыми линиями и дугами
окружности.
Под оптимальным профилированием
осерадиального диффузора условимся понимать процесс определения формы его
обводов, обеспечивающих при заданных габаритах и оптимальной степени расширения
максимальную восстановительную способность.
Расчетная схема диффузора представлена на
рисунке 9.1
Рисунок 9.1 - Расчетная схема
осерадиального диффузора 9.1 Исходные данные
dH=1,175 - входной диаметр
обтекателя, м;
DH=1,525 - входной диаметр обечайки,
м;
- удлинение диффузора;
- радиальность, выбираем из диапазона 1,5..2,85.
Получаем данные для расчета размеров выходного патрубка:
втулочные отношения диаметров на входе:
выходной диаметр диффузора:
степень расширения диффузора:
Для диффузоров с промежуточным поджатием оптимальные значения
входных углов наклона образующих обтекателя и обечайки составляют
соответственно
Примем 
9.2 Расчет осерадиального диффузора
Расчет осерадиального диффузора выполняем
на ЭВМ с использованием программы DIFFUZOR.exe.
Программа DIFFUZOR.exe позволяет выполнять
расчет по предварительно заданным габаритным размерам диффузора. При этом его
проточная часть профилируется с оптимальной степенью конфузорноси на поворотном
участке. Кроме того, для диффузора с заданной геометрией программа позволяет
определить закон изменения текущей степени расширения по длине его проточной
части.
Массив исходных данных и результатов
расчета размещен в файле DIFFUZOR.rez и представлен на рисунке 9.1.
Таблица 9.1- Массив исходных данных и
результатов расчета
ДАТА: 6 11 10 S= 1.000 Q=
1.035= 1.17500 D2= 1.52500 L= 1.83000 DK= 2.44000 NP= 3.270= 2.00 R1= .20401
XC1= 1.62599 RC1= .84842 LK= .31661= 9.00 R2= .25501 XC2= 1.25837 RC2= 1.22000
FN= .74220NS XS RS LS
1.00171 .01378 .08745
.00000
1.06340 .08641 .09188
.07296
1.12614 .15904 .09632
.14592
1.18993 .23166 .10076
.21889
1.25477 .30429 .10520
.29185
1.32065 .37692 .10963
.36481
1.38759 .44955 .11407
.43777
1.45558 .52217 .11851
.51073
1.52461 .59480 .12295
.58369
1.59469 .66743 .12738
.65666
1.66582 .74006 .13182
.72962
1.73800 .81268 .13626 .80258
1.81123 .88531 .14070
.87554
1.88551 .95794 .14514
.94850
1.96084 1.03057 .14957
1.02146
2.03721 1.10319 .15401
1.09443
2.11464 1.17582 .15845
1.16739
2.19311 1.24845 .16289
1.24035
2.27263 1.32108 .16732
1.31331
2.47532 1.44058 .18323
1.43449
2.92182 1.56895 .21922
1.56910
3.24423 1.63611 .19389
1.70282
3.14480 1.66270 .16730
1.82966
3.27000 1.67169 .15831
1.94871= 1.032 NS1= 3.244 NS2= 3.145
коэффициент полных потерь= .451
На основании полученных данных построим
график изменения степени расширения вдоль средней линии и расчетную схему.
График и схема представлены на рисунках 9.2 и 9.3.
Рисунок 9.2 - Изменение степени расширения
потока вдоль средней линии осерадиального диффузора
В данном разделе курсового проекта мы спроектировали выходной
патрубок приводного ГТД - осерадиальный диффузор.
Полученное выходное устройство
удовлетворяет всем требованиям, предъявляемым к осерадиальным диффузорам:
обеспечены оптимальные размеры, а также обеспечиваются минимальные потери и
необходимое направление отвода рабочего тела.
М 1:20
ВЫВОДЫ
В результате термогазодинамического расчета двигателя
получили следующие параметры: удельная мощность Nеуд= 244.3 кВт·с/кг,
удельный расход топлива Се= 0.208 кг/кВт·ч. Определили давление и
температуру заторможенного потока в характерных сечениях. В качестве расчетных
примем расчеты на ЭВМ. Полученные значения основных удельных параметров
проектируемого двигателя на ЭВМ соответствуют уровню значений параметров
современных двигателей.
В разделе 2 сформирован облик двигателя.
Компрессор низкого давления состоит из девяти ступеней,
малонагруженный (
zc =0,1758),
имеет значение
=0,8760.
Компрессор высокого давления состоит из десяти ступеней,
средненагруженный (
zc =0,2211),
имеет значение
=0,8644.
Относительный диаметр втулки на выходе из последней ступени КВД
к = 0,9149, что не превышает допустимого
к доп =0,92.
Турбина высокого давления, одноступенчатая, высоконагруженная
(Mz=1,631), имеет значение
=0,9070, обеспечивается условие (h/D)г=0,0673>0,065.
Турбина низкого давления, одноступенчатая, средненагруженная
(Mz=1,436), имеет значение
=0,8853.
Силовая турбина, четырехступенчатая, средненагруженная (Mz=1,4),
имеет значение
=0,9150, обеспечивается условие
(h/D)т=0,1292<0,25.
В разделе 3 был проведен газодинамический расчет компрессора на
ЭВМ. В результате расчёта были получены геометрические параметры лопаточных
венцов проточной части компрессора, значения Р, Р*, Т, Т*
на среднем радиусе каждой ступени, а также работа и степень повышения давления
каждой ступени. Определились окончательные размеры проточной части. Алгоритм
расчета показан на примере ручного счета первой ступени компрессора.
Из анализа результатов расчета видно, что обеспечены следующие
условия: β1>25 град. (уменьшение угла
нежелательно, т.к это приводит к снижению КПД ступени);
= Са/UK >0.4, иначе увеличиваются потери в решётках ступени; числа Маха
(M1 w
0,7456), не превышают 0,82 , что исключает появление волновых
потерь. Были уточнены значения частот вращения КНД и КВД: n1= 7534,4 об/мин;
n2= 9542,3об/мин.
Полученные результаты расчета параметров потока и построенная
решетка профилей первой ступени компрессора высокого давления удовлетворяют
установленным требованиям, она сможет обеспечить требуемые параметры.
В результате газодинамического расчета на ЭВМ газовой турбины
получены параметры потока вдоль проточной части на среднем радиусе, которые
соответствуют требованиям, предъявляемым при проектировании осевой турбины.
Анализ результатов показал, что:
было обеспечено необходимое охлаждение лопаток СА и РК первой
ступени турбины;
на входе в РК ТВД был получен угол α1=15,5 град, отвечающий требованию - α1>14…16 град.;
- угол выхода потока газа из силовой
турбины равен a2= 84,9 град., т.е. направление потока близко к осевому;
на всех ступенях ступенях турбины были
получены приемлемые КПД
= 0,858,
= 0,917,
= 0, 894,
= 0,903,
= 0, 901,
коэффициенты загрузки ступеней находятся на допустимом уровне.
характерное изменение основных параметров (
, Т* и Т, Р* и Р) вдоль проточной части
соответствует типовому характеру для газовых осевых турбин;
частота вращения вала силовой турбины равна частоте вращения
нагрузки( генератора) - nтс = 3000 об/мин .
В процессе профилирования лопатки рабочего колеса ступени
турбины, были получены значения основных кинематических параметров потока и
геометрических параметров решётки профилей в пяти сечениях. По полученным
данным построены профиля лопаток по сечениям. Полученные профиля имеют
достаточную толщину и диаметр выходной кромки.
Проведенные расчеты характеристик двигателя показали его
эксплуатационные качества. Следует отметить, что данный двигатель
продемонстрировал удовлетворительные эксплуатационные свойства во всём заданном
диапазоне температур Тг* и Тн*.
Полученное входное устройство обеспечивает подачу рабочего
тела к компрессору с минимальными искажениями полей скоростей и давлений и
минимальными потерями полного давления на входе в компрессор. Степень диффузорности
сечения от входного сечения до сечения на входе в компрессор выбрано
оптимально, так чтобы обеспечить минимум потерь в патрубке; из тех же
соображений рассчитывался и его диаметр.
Спроектированный выходной патрубок приводного ГТД
удовлетворяет всем требованиям, предъявляемым к осерадиальным диффузорам:
обеспечены оптимальные размеры, а также обеспечиваются минимальные потери и
необходимое направление отвода рабочего тела.
Результаты проведенных расчетов являются удовлетворительными
и отвечают поставленной задаче на проектирование приводного ГТД.
Перечень ссылок
1.
Выбор параметров и термогазодинамический расчет ТВД, ТВВД и ТВаД / В.П.
Герасименко, Г.В. Павленко - Учебное пособие.- Харьков: Харьк. авиац. Ин - т,
1984 г.
.
Согласование параметров и определение основных размеров турбин и компрессоров
ГТУ/ Буслик Л.Н., Ковалев В.И.: Учеб. пособие. Харьков 1994г. 3бс.
.
Газодинамический расчет осевого компрессора ГТД / Г.В. Павленко. - Учеб.
пособие. - Харьков: Нац. аэрокосмический университет «Харьковский авиационный
институт», 2002. - 57с.
.
Газодинамический расчет осевой газовой турбины / Г.В. Павленко.- Учеб. пособие.
- Харьков: Нац. аэрокосмический университет «Харьковский авиационный институт»,
2006. - 62с.
.
Профилирование лопаток авиационных турбин/ В.А. Коваль: Учеб. пособие. Харьков
1986г. - 48с.
6.
Теория авиационных газотурбинных двигателей/ Ю.Н. Нечаев, Р.М. Федоров : Ч. 2.
М., «Машиностроение», 1978, 336 с.
7.
Анютин А.Н., Дегтярёв О.Д. Проектирование входных и выходных устройств ГТУ. Учеб.
пособие.