|
Тип
трансформатора, схема и группа соединения
|
Sн,
к ВА
|
Номинальное
напряжение
|
Номинальный
ток
|
ек,
%
|
I0,
%
|
Потери,
кВт
|
|
|
U1Л
B
|
U2ЛВ
|
Udн,
В
|
I2Л,
А
|
Idн,
А
|
|
|
∆Рхх
|
∆Ркз
|
|
ТСП
-16/0,7-УХЛ4 ∆/Y-11
|
14,6
|
380
|
205
|
230
|
41
|
50
|
5,2
|
10
|
0,14
|
0,55
|
|
|
|
|
|
|
|
|
|
|
|
|
|
Первичный линейный ток
где
- коэффициент трансформации
трансформатора.
Полное сопротивление обмоток
трансформатора, приведённое ко вторичной обмотке
Ом.
Активное сопротивление обмоток
трансформатора, приведённое ко вторичной обмотке
Ом.
Индуктивное сопротивление
Ом.
Индуктивность трансформатора
мГн.
3.3 Выбор тиристоров. Расчёт
силового модуля
На основании номинальных данных
преобразователя необходимо выбрать тиристоры, схему соединения и число вентилей
в плече.
Для трехфазной мостовой схемы
выпрямления при Idн= 50 А и
выбираются
тиристоры серии Т со следующей технической характеристикой, представленной на
рис. 3.2.
Структура условного обозначения
тиристора.1 3 3 - 400 - 4- 4 3- УХЛ 2
Т - тиристор;
- порядковый номер модификации
конструкции;
- обозначение диаметра корпуса;
- обозначение конструктивного
исполнения корпуса;
- максимально допустимый средний ток
в открытом состоянии, 400 А при tкорпуса = 90˚С;
- повторяющееся импульсное
напряжение в закрытом состоянии, 400 В (класс тиристора);
- критическая скорость нарастания
напряжения в открытом состоянии, не менее 200 В/мкс для гр. 4;
- время выключения, для группы 3 не
более 100 мкс;
УХЛ - климатическое исполнение;
- категория размещения по ГОСТ
15150-69.
Число параллельно включенных
тиристоров в плече определяется
,
где m=3 - число фаз питающей сети;пр
- предельный ток выбранного тиристора;= 0,9 - коэффициент, учитывающий
неравномерность загрузки параллельно включённых тиристоров;= 0,9 - коэффициент,
учитывающий неравномерную длительность включения тиристоров;= 0,3÷0,4- для
естественного воздушного охлаждения.
По результатам расчётов принимается
необходимое (целое) число параллельно включенных тиристоров в плече
(принимается один тиристор в плече).
Число последовательно включенных
тиристоров в плече
,
где
- максимальное обратное напряжение
на тиристоре,
В;
- коэффициент запаса по напряжению;
В - номинальное напряжение тиристора
(соответствует классу тиристора).
.
По результатам расчета принимается
один последовательно включенный тиристор.
Так как число параллельно и
последовательно включенных тиристоров принято равным единице, то нет
необходимости в установке индуктивных делителей тока и делителей напряжения.
3.4 Расчёт индуктивности и выбор
сглаживающего дросселя
Сглаживающий дроссель включается
последовательно с якорем двигателя, и его индуктивность рассчитывается
следующим образом.
Критическая индуктивность силовой
цепи из условия сглаживания пульсаций выпрямленного тока.
мГн,
где
- принятая величина действующего
значения основной гармоники переменной составляющей выпрямленного тока;
Еdnm - амплитуда основной
гармонической выпрямленной ЭДС n-го порядка
В, где
- амплитуда основной гармонической
ЭДС в функции угла α
при α=90° (для
реверсивных приводов), p=6 .
Критическая индуктивность силовой
цепи из условий ликвидации прерывистого режима на холостом ходу двигателя
(принят
).
;
;
Вс;
,
где Rя80ºС - активное
сопротивление двигателя с учётом сопротивления якоря и добавочных полюсов,
приведённое к рабочей температуре 80˚ С,
Ом;
Из двух значений критической
индуктивности выбирается большее, и определяется требуемая индуктивность
сглаживающего дросселя
мГн,
где
мГн,
где β -
эмпирический коэффициент, для некомпенсированных машин β=0,6;
р - число пар полюсов;н, Iн, ωн -
соответственно номинальные значения напряжения, тока, частоты вращения
двигателя.
1/c ,
где nн - номинальная скорость
вращения, об/мин.
Так как Lсд < 0, то в установке
сглаживающего дросселя нет необходимости.
3.5 Выбор СИФУ
Система импульсно-фазового
управления (СИФУ) предназначена для преобразования выходного напряжения системы
управления Uу в последовательность подаваемых на тиристоры отпирающих
импульсов, момент формирования которых смещён относительно моментов
естественного открывания тиристоров на угол a,
зависящий от значения Uу. Таким образом, основной задачей сифу является
управление средним значением выпрямленного напряжения Ud тиристорного
преобразователя и получение требуемой зависимости напряжения Ud от напряжения
управления Uу. в идеальном случае Ud=k×Uу, где k-постоянный коэффициент, не зависящий
от режимов сети и от нагрузки в цепи выпрямленного тока. Воздействие на
напряжение Ud осуществляется путём изменения угла управления a. Выходные сигналы СИФУ
представляют собой импульсы, параметры которых выбираются в соответствии с
параметрами управляющих цепей тиристоров и силовой схемой тиристорного
преобразователя.
Для управления тиристорным
преобразователем выбирается многоканальная синхронная система
импульсно-фазового управления (СИФУ) с опорным синусоидальным напряжением и
вертикальным принципом регулирования фазы отпирающих импульсов.
Управление углом a осуществляется синхронным
способом, характеризуется отсчётом угла от определённой фазы напряжения
питающей сети ,
где ni-угол
подачи i-ого импульса
управления, ni=w×ti (i=1,
2,..);-угловая
частота сети, рад/с;-время;
j-начальный
угол отсчёта фазы по отношению к напряжению сети;
р-число
пульсаций преобразователя (пульсность) за период сети;
q-регулируемый
угол задержки.
Системы импульсно фазового
управления тиристорными преобразователями должны удовлетворять целому ряду
требований, таких как надёжность, помехозащищённость и др. Специфические
требования к СИФУ могут быть разделены на две группы:
) требования, относящиеся
непосредственно к управляющему импульсу. Для надёжного открывания тиристора на
его управляющий электрод нужно подать импульс определённой полярности,
амплитуды и длительности. Поскольку параметры отдельных тиристоров одной и той
же серии (открывающий ток и открывающее напряжение управления) различны, то для
надёжного открывания тиристора данной серии применяемая сифу должна обеспечить
ток и напряжение управления, превышающие наибольшие ток и напряжение
управления, указываемые для тиристоров данной серии. С другой стороны, ток и
напряжение управления не должны превышать некоторых предельно допустимых
значений.
Минимально необходимая длительность
управляющего импульса должна быть больше времени включения тиристора, которое
составляет (5¸20) мкс.
Кроме того, за время существования управляющего импульса, ток в анодной цепи
должен успеть нарасти до тока удержания (последнее особенно существенно для
цепей с большой индуктивностью, где ток нарастает сравнительно медленно).
Обычно применяют импульсы длительностью (8¸10)°,
что составляет (440¸550) мкс.
Крутизна переднего фронта напряжения
управляющего импульса должна быть высокой для обеспечения быстрого нарастания
тока управления, чёткого открывания тиристора и уменьшения потерь при
включении. При малой крутизне из-за различия параметров цепей управления
тиристоров в многофазных схемах может появиться заметная асимметрия
выпрямленного напряжения. При параллельном соединении это влечёт за собой
кратковременную перегрузку тиристора, который открылся раньше, так как через
него течёт весь ток нагрузки. В обоих случаях неодновременное включение
тиристоров будет приводить к выходу их из строя. Обычно управляющий импульс
формируется так, чтобы крутизна переднего фронта тока импульса составляла (0,2¸2)А/мкс;
) требования, обусловленные схемой
выпрямления и используемыми режимами работы преобразователя. Необходимый
максимальный диапазон регулирования угла a
для преобразователя, работающего как в выпрямительном, так и в инверторном
режимах, теоретически составляет 180°.
Так как максимальный угол регулирования в инверторном режиме ограничивается,
то, требуемый диапазон регулирования составляет 150¸160.
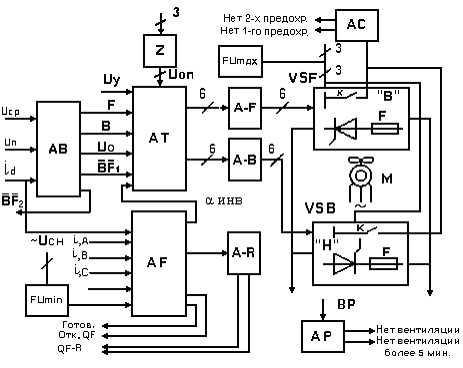
Функциональная схема
преобразовательной части электропривода серии ЭКТ.
Рис. 3.2
Система импульсно-фазового управления
должна обеспечивать симметрию импульсов по фазам. Асимметрия вызывает
неравномерную загрузку тиристоров из-за различной продолжительности их работы и
приводит к ухудшению условий работы питающего трансформатора и сглаживающего
дросселя, поэтому СИФУ должна обеспечивать асимметрию управляющих импульсов не
более 3°.
Быстродействие системы управления
тиристорным преобразователем является одним из важнейших её показателей. С
целью максимального использования высокого быстродействия, присущего
тиристорным преобразователям, СИФУ выполняются практически безинерционными.
Системы импульсно-фазового управления имеют
следующие технические данные:
максимальное входное напряжение, не
более (8¸10) В
входной ток, не более 5 мА
напряжение синхронизации с питающей
сетью трёхфазное 380 или 100 В
допустимые коммутационные провалы, %
400 град
температурный дрейф характеристики
при изменении температуры от 1 до 40°С,
не более 4 %
диапазон изменения угла a, (5¸170) град
асимметрия импульсов отдельных
каналов, не более ±3 град
Система импульсно-фазового
управления гальванически отдельна от силовой части электропривода. В
реверсивных электроприводах устройство раздельного управления обеспечивает
бестоковую паузу не более (5¸7)
мс с возможностью её регулирования. Системы импульсно-фазового управления
электроприводов серий ЭКТ выполняется с широким использованием операционных
усилителей серии К553УД2 многих интегральных микросхем серии К511.
СИФУ комплектных тиристорных
электроприводов серии ЭКТ состоит из ячейки фазосмещения, ячейки формирования
импульсов, ячейки переключающего устройства (ЛПУ) и представленной на рис. 3.3
в составе функциональной схемы преобразовательной части. СИФУ серии ЭКТ имеет
следующие особенности:
косинусоидальное опорное напряжение,
шестиканальное устройство фазосмещения для обоих выпрямительных мостов в
реверсивных преобразователях, высокочастотное заполнение узких отпирающих
импульсов, использование сигналов с трансформаторов переменного тока или
датчиков постоянного тока, подключённых к шунту в цепи нагрузки и датчиков
закрытого состояния тиристоров для работы логического переключающего устройства
(ЛПУ).
Как следует из функциональной схемы,
представленной на рис. 3.3, СИФУ состоит из узла формирования опорных
напряжений Z, узла фазосмещения АТ и переключающего устройства АВ.
Узел формирования опорных напряжений
(рис. 3.4) включает в себя синхронизирующий трёхфазный трансформатор с двумя
группами вторичных обмоток (СТ), которые можно включать по схемам звезды или
треугольника, и ячейку фильтра Z с тремя каналами апериодических фильтров,
обеспечивающих фазовый сдвиг на 60° (240° при учёте инвертирования напряжений
операционными усилителями). Амплитуда опорных напряжений после фильтра Uоп.м =8
В.
Узел фазосмещения АТ (рис. 3.3)
формирует шесть последовательностей импульсов для выпрямительного моста VSF
(”В”) или для моста VSB (“Н”), которые усиливаются усилителями A-F, A-B.
Узел фазосмещения состоит из шести
компараторов А7.1, А7.2, А8.1, А8.2, А9.1, А9.2 на входе которых сравниваются
напряжения управления +Uу, -Uу и соответствующее опорное напряжение Uоп.
Узел формирования опорного
напряжения.
Рис. 3.3
На один из входов усилителя А5.1,
имеющего коэффициент передачи равный 1, поступает сигнал управления Uу из
системы автоматического регулирования, а на второй вход - напряжение начального
согласования Uо, обеспечивающее начальный угол управления при U′у=0.
Постоянная времени цепи обратной связи А5.1 - 0,1мс. Коэффициент передачи
инвертирующего усилителя А5.2 также равен 1.
Сравнение Uу и опорного напряжения
соответствующей фазы (AF,BF или CF) осуществляется на компараторах А7-А9,
причём на компараторы А7.1-А9.1 подаётся -U′у, а на компараторы А7.2-А9.2
- +U′у. По переходу сигналов на выходах компараторов А7.1, А8.1, А9.1 из “1”
в ”0” - формируется напряжение прямоугольной формы группы “вперёд” VSF (AS, BS,
CS). Из трёх сигналов фазосмещения формируется шесть импульсов. Это можно
осуществить логической обработкой сигналов фазосмещения и 180-градусных
ограничений, в результате которой получают сигналы фазосмещений также
длительностью 180 электрических градусов. При этом по фронту этих сигналов
отпираются тиристоры катодной группы “вперёд”, а по спаду - тиристоры анодной
группы “вперёд”.
По переходу сигналов на выходах
компараторов А7.2, А8.2, А9.2 из “1” в ”0” - формируются импульсы группы
“назад”.
Выбор работающего моста
осуществляется логическим переключающим устройством АВ в зависимости от
полярности напряжения переключения Uп и абсолютного значения тока нагрузки |Id|
или состояния тиристоров силового моста. Устройство АВ формирует логические
сигналы выбора моста VSF или VSB, переключает полярность задания начального
угла Uо и вырабатывает сигнал бестоковой паузы B·F1=1, по которому снимаются
импульсы с обоих выпрямительных мостов. Сигнал B·F2 , появляющийся одновременно
с сигналом B·F1, но исчезающий несколько позже, служит для отключения задания
тока во время бестоковой паузы. По сигналу срыва импульсов Uср импульсы
снимаются с обоих мостов.
Измерение тока производится трансформаторами
переменного тока, установленных в фазах силового трансформатора, или датчиками
постоянного тока, подключёнными к шунту в цепи нагрузки. Оба этих датчика не
могут обеспечить достаточно высокую чувствительность измерения тока и поэтому
являются «грубыми» датчиками. Для получения быстродействующей системы реверса
тока наличие «грубого» датчика необходимо, так как по его команде производится
срыв импульсов, что ускоряет спадание тока в выходящей из работы группе.
Узел фазосмещения.
Рис. 3.4
Кроме измерения тока силовой цепи в
преобразователе производится контроль состояния силовых тиристоров с помощью
блока датчика состояния тиристоров, который непосредственно фиксирует моменты
запертого состояния всех тиристоров силового моста. По команде этого датчика
начинается отсчёт бестоковой паузы (1-2 мс), которая может быть рассчитана на
время, необходимое для восстановления запирающих свойств тиристоров.
В работе схемы АВ принимает участие
один из «грубых» датчиков и тонкий датчик.
Защита осуществляется узлом AF,
который воспринимает нагрузку в цепи переменного тока | Id |, и в цепи
постоянного тока id, а также сигнал «Авария», вырабатываемый в схеме управления
электроприводом. Узел AF через узел ускоренного отключения А-R отключает
автоматический выключатель главной цепи QF, воздействуя на его независимый
расцепитель, снимает сигнал готовности в схеме управления электроприводом и
сдвигает управляющие импульсы в инверторную область.
Расчет фазовых характеристик СИФУ
реверсивного тиристорного преобразователя с синусоидальным опорным напряжением
производится по формуле
,
B,
где
начальный угол согласования
характеристик (принимается 95о);
В - максимальное значение опорного
напряжения;
- напряжение смещения.
Максимальное значение угла
регулирования
,
где g - угол коммутации при
,
d
- угол восстановления запирающих свойств тиристора,
,выкл=100 мкс - время выключения
тиристора Т 133 -400;
Da=3о
- допустимая асимметрия импульсов.
Угол коммутации при
,
где
- номинальный угол, соответствующий
номинальному режиму работы двигателя,
Фазовые характеристики РТП
Рис. 3.5
По приведенному уравнению рассчитаны
фазовые характеристики
выпрямительных
мостов групп “Вперёд” и “Назад”, данные расчета приведены в табл. 3.3. Фазовые
характеристики реверсивного тиристорного преобразователя приведены на рис. 3.5.
Таблица 3.3 - Фазовые и регулировочные
характеристики СИФУ и реверсивного ТП при a1
+ a2 > 180º
|
Uу
В
|
-7
|
-6
|
-5
|
-4
|
-3
|
-2
|
-1
|
0
|
1
|
2
|
3
|
4
|
5
|
6
|
7
|
|
|
ГРУППА
VSF ("ВПЕРЁД")
|
|
α1
град
|
164
|
147
|
135
|
126
|
118
|
110
|
102
|
95
|
88
|
81
|
73
|
66
|
57
|
48
|
38
|
|
Ed1
В
|
-267
|
-232
|
-197
|
-163
|
-128
|
-93
|
-59
|
-24
|
10
|
45
|
80
|
114
|
149
|
183
|
218
|
|
ГРУППА
VSB ("НАЗАД")
|
|
α2,
град
|
38
|
48
|
57
|
66
|
73
|
81
|
88
|
95
|
102
|
110
|
118
|
126
|
135
|
164
|
|
Ed2
В
|
-218
|
-183
|
-149
|
-114
|
-80
|
-45
|
-10
|
24
|
59
|
93
|
128
|
163
|
197
|
232
|
267
|
3.6 Расчёт и построение
регулировочных и внешних характеристик
При синусоидальном опорном напряжении Э.Д.С.
тиристорного преобразователя
,
по которому рассчитаны
регулировочные характеристики выпрямительных групп VSF и VSB. Данные расчета
представлены в таблице 3.3, а на рис. 3.7 - регулировочные характеристики Ed=¦(a). Знак «-» принимается для
группы «Вперёд».
Максимальная ЭДС тиристорного
преобразователя с точки зрения безопасного инвертирования при amax=165 o составляет
.
Коэффициент усиления тиристорного
преобразователя определится либо по формуле
.
Внешняя характеристика тиристорного
преобразователя Ud=¦(Id) при a=const (одной выпрямительной
группы) в режиме непрерывного тока в соответствии со схемой замещения
реверсивного тиристорного преобразователя (рис. 3.8) может быть представлена
следующим уравнением
где ав = 2 - для мостовой схемы
выпрямления (см. табл. 3.1);т = 0,1091 Ом - активное сопротивление фазы
трансформатора;т = 0,236 Ом - индуктивное сопротивление фазы трансформатора.
.
При
в граничном режиме
;
.
Регулировочные характеристики РТП
Рис. 3.6
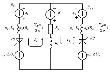
Схема замещения реверсивного
тиристорного преобразователя при работе на якорь двигателя
Рис. 3.7
В непрерывном режиме напряжение и
ток определяются по следующим формулам:
,
где Е2mл - амплитуда линейной ЭДС
вторичной обмотки трансформатора;
ωо =2· π· fс =2· 3,14·
50=314 1/c;э =ав·Lт + Lя = 25,5 мГн.
При l=0 (Id=0) a£30о
В,
а при a³30о
По приведенным формулам рассчитаны
зависимости Ud=¦(Id) (см.
табл. 3.4) при различных углах a,
которые представлены на рис. 3.9
Внешние характеристики РТП
Рис. 3.8
Таблица 3.4 - Зависимости Ud=¦(a) при a=var
|
α,
град
|
20
|
Idгр,
А
|
1,1
|
|
λ,
град
|
0
|
35
|
45
|
55
|
60
|
|
|
|
|
Id,
А
|
0
|
0,0
|
0,1
|
0,2
|
1,1
|
13
|
26
|
65
|
|
Ud,
В
|
290
|
283
|
276
|
266
|
256
|
251
|
245
|
227
|
|
α,
град
|
30
|
Idгр,
А
|
1,6
|
|
λ,
град
|
0
|
35
|
45
|
55
|
60
|
|
|
|
|
Id,
А
|
0
|
0,1
|
0,1
|
0,3
|
1,6
|
13
|
26
|
65
|
|
Ud,
В
|
290
|
272
|
261
|
247
|
235
|
230
|
224
|
207
|
|
α,
град
|
45
|
Idгр,
А
|
2,3
|
|
λ,
град
|
0
|
35
|
45
|
55
|
60
|
|
|
|
|
Id,
А
|
0
|
0,1
|
0,2
|
0,5
|
2,3
|
13
|
26
|
65
|
|
Ud,
В
|
280
|
241
|
224
|
206
|
191
|
186
|
180
|
163
|
|
α,
град
|
60
|
Idгр,
А
|
2,8
|
|
λ,
град
|
0
|
35
|
45
|
55
|
60
|
|
|
|
|
Id,
А
|
0
|
0,1
|
0,3
|
0,6
|
2,8
|
13
|
26
|
65
|
|
Ud,
В
|
251
|
193
|
172
|
150
|
133
|
129
|
123
|
106
|
|
α,
град
|
75
|
Idгр,
А
|
3,1
|
|
λ,
град
|
0
|
35
|
45
|
55
|
60
|
|
|
|
|
Id,
А
|
0
|
0,2
|
0,3
|
0,7
|
3,1
|
13
|
26
|
65
|
|
Ud,
В
|
205
|
132
|
108
|
84
|
66
|
62
|
56
|
39
|
|
α,
град
|
90
|
Idгр,
А
|
3,2
|
|
λ,
град
|
0
|
35
|
45
|
55
|
60
|
|
|
|
|
Id,
А
|
0
|
0,2
|
0,4
|
0,7
|
3,2
|
13
|
26
|
65
|
|
Ud,
В
|
145
|
62
|
37
|
12
|
-5
|
-10
|
-16
|
-33
|
|
α,
град
|
105
|
Idгр,
А
|
3,1
|
|
λ,
град
|
0
|
35
|
45
|
55
|
60
|
|
|
|
|
Id,
А
|
0
|
0,2
|
0,4
|
0,7
|
3,1
|
13
|
26
|
65
|
|
Ud,
В
|
75
|
-12
|
-37
|
-60
|
-77
|
-81
|
-87
|
-105
|
|
α,
град
|
120
|
Idгр,
А
|
2,8
|
|
λ,
град
|
0
|
35
|
45
|
55
|
60
|
|
|
|
|
Id,
А
|
0
|
0,2
|
0,3
|
0,6
|
2,8
|
13
|
26
|
65
|
|
Ud,
В
|
0
|
-86
|
-108
|
-129
|
-144
|
-148
|
-154
|
-171
|
|
α,
град
|
135
|
Idгр,
А
|
2,3
|
|
λ,
град
|
0
|
35
|
45
|
55
|
60
|
|
|
|
|
Id,
А
|
0
|
0,2
|
0,3
|
0,5
|
2,3
|
13
|
26
|
65
|
|
Ud,
В
|
-75
|
-153
|
-172
|
-188
|
-201
|
-206
|
-211
|
-229
|
|
α,
град
|
150
|
Idгр,
А
|
1,6
|
|
λ,
град
|
0
|
35
|
45
|
55
|
60
|
|
|
|
|
Id,
А
|
0
|
0,1
|
0,2
|
0,4
|
1,6
|
13
|
26
|
65
|
-145
|
-210
|
-224
|
-235
|
-245
|
-250
|
-255
|
-273
|
3.7 Расчёт энергетических
характеристик
Энергетические характеристики тиристорных
преобразователей оцениваются коэффициентом мощности c
и коэффициентом полезного действия h.
Коэффициент мощности c
в самом общем случае может быть определен как отношение активной мощности,
потребляемой преобразователем Р, к полной мощности S (кажущейся мощности для
несинусоидальных токов).
.
Полная и активная мощности, потребляемые из сети
в общем случае несинусоидальных напряжений и токов
тиристор трансформатор
преобразователь индуктивность
;
,
где
фазные первичные действующие
значения основных гармоник напряжения и тока;
действующие значения фазных
напряжения и тока высших гармоник;
угол сдвига между векторами основных
гармоник фазных напряжений и токов;
угол сдвига между векторами
напряжения и тока высших гармоник.
В случае U1ф»U1ф(1),что справедливо для
мощных сетей, коэффициент искажения по напряжению
а по току
величина которого для трехфазного
мостового выпрямителя

Активная мощность, потребляемая из
сети
=3·U1ф I1ф(1)cosj1(1) ,
где cosj1(1)=cosa ,
а коэффициент мощности без учета
процесса коммутации определяется по формуле
.
Для регулируемого мостового
выпрямителя с учетом процесса коммутации (g<30о)
коэффициент мощности определяется по формуле:
,
где
- коэффициент искажения кривой
первичного тока с учетом коммутации.
Активная и реактивная мощности по
первой гармонике тока
;
,
где
;
.
Мощность искажения (дисторции)
.
Рассчитаем и построим зависимости
S,P,Q,D c=¦(a) для спроектированного
тиристорного преобразователя при изменении a
от amin до amax в режиме непрерывного
тока и условии неизменной гладкой составляющей выпрямленного тока Idн = 50 А.
Порядок расчета следующий.
Определяются следующие величины:
. Вторичный линейный ток (обмотка
соединена по схеме звезда)
А,
. Первичный фазный ток (обмотка
соединена треугольник)
А,
. Первая гармоника первичного
фазного (линейного) тока
. Коэффициент искажения по току с
учетом коммутации
где
угол коммутации
,
где
угол регулирования. В расчетах
принимается от
=15º до
;
р = 6 -число пульсаций выпрямленного
тока;=277 В -максимальное значение выпрямленной ЭДС при
;
Хт = 0,236 Ом -индуктивное
сопротивление фазы трансформатора.
. Полная мощность
ВА
. Активная мощность
. Реактивная мощность
. Коэффициент мощности
. Мощность дисторции
Результаты расчетов зависимостей
S,P,Q,D,c = ¦(a) представлены в таблице 3.5
и на рис. 3.10 - 3.11.
К.П.Д. - отношение отдаваемой
выпрямителем мощности Рd к потребляемой из сети активной мощности Р.
Для случая работы выпрямителя со
сглаженным выпрямленным током, при малой величине пульсаций кривой
выпрямленного тока Id,можно считать, что
где
- выпрямленное напряжение на выходе
преобразователя;= Iян = 26 А - номинальный ток двигателя.
Тогда:
.
Необходимо определить номинальное
значение К.П.Д., рассчитать и построить зависимости h =¦ (Id) при a = aн, и h =¦(a) при Id = Iн. Исходные
данные для расчета: Ed0 = 277 В; Iн = 26 А; ΔUв = 2; ав = 2;U1ф = 380 В;
I1фн = 6,6 А; Rт = 0,1091 Ом; Xт = 0,236 Ом; m=3; cosφ=cosα;
ν=1.
Таблица 3.5 - Результаты расчета
энергетических характеристик
|
α,
град
|
γ,
град
|
γ,
рад
|
ν
|
cosφ1(1)
|
sinφ1(1)
|
I1Ф(1),
А
|
S,
ВА
|
Q,
Вар
|
P,
Вт
|
D,
ВА
|
χ
|
|
15
|
7,5
|
0,13
|
0,964
|
0,9448
|
0,3277
|
12,3
|
14558
|
4600
|
13262
|
3858
|
0,91
|
|
35
|
4,0
|
0,07
|
0,960
|
0,7980
|
0,6027
|
12,3
|
14558
|
8423
|
11153
|
4072
|
0,77
|
|
55
|
2,9
|
0,05
|
0,959
|
0,5524
|
0,8336
|
12,2
|
14558
|
11634
|
7710
|
4141
|
0,53
|
|
75
|
2,5
|
0,04
|
0,958
|
0,2377
|
0,9713
|
12,2
|
14558
|
13549
|
3315
|
4167
|
0,23
|
|
90
|
2,4
|
0,04
|
0,958
|
-0,0212
|
0,9998
|
12,2
|
14558
|
13944
|
-295
|
4171
|
0,00
|
|
95
|
2,4
|
0,04
|
0,958
|
-0,1083
|
0,9941
|
12,2
|
14558
|
13866
|
-1511
|
4170
|
0,10
|
|
115
|
2,7
|
0,05
|
0,958
|
-0,4438
|
0,8961
|
12,2
|
14558
|
12504
|
-6192
|
4154
|
0,43
|
|
135
|
3,5
|
0,06
|
0,959
|
-0,7283
|
0,6853
|
12,3
|
14558
|
9572
|
-10172
|
4102
|
0,70
|
|
150
|
5,3
|
0,09
|
0,962
|
-0,8872
|
0,4614
|
12,3
|
14558
|
6459
|
-12419
|
3996
|
0,85
|
|
160
|
9,1
|
0,16
|
0,966
|
-0,9608
|
0,2771
|
12,3
|
14558
|
3897
|
-13512
|
3763
|
0,93
|
Результаты расчета представлены в табл. 3.6 ,
3.7.
Таблица 3.6 - Зависимость h
= ¦
(Id) при aн = 31,8о
|
Id,
А
|
0
|
2,6
|
5,2
|
7,8
|
10,4
|
13,0
|
15,6
|
18,2
|
21,3
|
23,4
|
26,0
|
31,2
|
65,0
|
|
I1Ф,
А
|
0,0
|
0,7
|
1,3
|
2,0
|
2,6
|
3,3
|
4,0
|
4,6
|
5,4
|
6,0
|
6,6
|
7,9
|
16,5
|
|
η
|
-
|
0,93
|
0,93
|
0,93
|
0,92
|
0,92
|
0,91
|
0,91
|
0,90
|
0,90
|
0,89
|
0,88
|
0,82
|
Таблица 3.7 - Зависимости h=¦(a)
при Id= Iн= 26 A и I1ф= 6,6 А
|
α
|
15
|
25
|
35
|
40
|
45
|
50
|
55
|
60
|
65
|
70
|
75
|
80
|
85
|
|
η
|
0,90
|
0,90
|
0,89
|
0,89
|
0,88
|
0,87
|
0,86
|
0,85
|
0,83
|
0,80
|
0,75
|
0,65
|
0,34
|
Примечание. При a > 90о преобразователь работает
в инверторном режиме и
.
По результатам расчета на рис. 3.12
и рис. 3.13 построены зависимости h
=¦ (Id) и h = ¦ (a).
Зависимости S, P, Q, D = f(α)
Рис. 3.9
Зависимость χ =
f(α)
Рис. 3.10
Зависимость η = f(Id), при αн = 31,8º
Рис. 3.11
Зависимость η =
f(α), при
Id = Iн = 26 А, I1Ф = 6,6 А
Рис. 3.12
3.8 Защита тиристорного
преобразователя
.8.1 Разновидности и причины
аварийных режимов РТП
Защита преобразователя
осуществляется от внутренних и внешних аварийных режимов. Причиной
возникновения внутренних аварий являются всевозможные неисправности элементов
самой силовой схемы тиристорного преобразователя. К ним относятся: пробой
тиристоров силового моста, одновременное включение встречно-параллельных мостов
реверсивного тиристорного преобразователя с раздельным управлением группами.
К внешним авариям, которые
характеризуются внешними причинами, относятся: недопустимые перегрузки;
короткие замыкания на шинах постоянного и переменного тока; однофазное и
двухфазное опрокидывание инвертора.
В вентильных преобразователях могут
возникнуть аварийные режимы, сопровождающиеся недопустимыми по значению и
длительности токами через вентили, например внешние и внутренние к. з.;
опрокидывание инвертора; появление чрезмерных уравнительных токов в реверсивных
ТП с совместным управлением тиристорными группами; отпирание тиристоров в
неработающей группе (работа группы на группу) в реверсивных ТП с раздельным
управлением вентильными группами.
Внутренние к. з. возникают
вследствие потери тиристором запирающих свойств и закорачивании р-n структуры (пробой
тиристора).
Причинами пробоя тиристора могут
явиться: высокая скорость нарастания тока (больше 20¸200 А/мкс),
нарушение механической целости р-n
структуры при чрезмерном токе, усталостное разрушение её при цикличной токовой
нагрузке преобразователя.
Опрокидывание инвертора является
следствием нарушения правильной коммутации тока с одного вентиля на другой. В
преобразователях, имеющих трёхфазную мостовую схему, могут произойти однофазные
и двухфазные опрокидывания инвертора. В первом случае аварийный ток протекает
через два тиристора, соединённых с одной фазой трансформатора, который в этом
случае работает в режиме холостого хода. Во втором случае ток протекает через
два тиристора и две фазы трансформатора. В те полупериоды переменного
напряжения, когда линейное напряжение трансформатора действует согласно с
напряжением источника постоянного тока, происходит быстрое нарастание
аварийного тока.
Опрокидывания инверторов возникают
вследствие пропуска отпирания очередного тиристора (в трёхфазной мостовой схеме
это приводит к двухфазному, а затем к однофазному опрокидыванию), снижения
напряжения сети переменного тока, что приводит к увеличению тока инвертора и
угла коммутации, который может стать больше угла опережения инвертора.
Причиной опрокидывания инвертора
может быть скачок управляющего напряжения на входе системы фазового управления
в сторону увеличения угла опережения, а также отпирание тиристора под действием
импульсов помех на управляющем электроде, перенапряжений или высокой скорости
нарастания напряжения на тиристоре в прямом направлении.
Чрезмерные токи в контуре
уравнительных токов возникают в реверсивных вентильных преобразователях с
совместным управлением вследствие нарушения соотношения a1+a2³180°, что приводит к появлению
постоянной составляющей в уравнительном токе, насыщению уравнительных реакторов
и быстрому нарастанию уравнительного тока до аварийного.
Отпирание тиристоров в неработающей
группе (открывание группы на группу) в реверсивных преобразователях с
раздельным управлением вентильными группами происходит при подаче на них
управляющих импульсов вследствие неисправностей в системе раздельного
управления или кратковременного исчезновения и восстановления напряжения
собственных нужд.
Требования к защите
Защита преобразователей должна
действовать при внешних и внутренних к. з., при возникновении аварийных токов
между тиристорными группами и при опрокидывании инвертора. При внешних к.з. и
опрокидываниях инвертора защита должна отключать преобразователь со стороны
постоянного тока.
Кроме того, при внешних к.з.
желательна легализация аварийного тока по месту (предотвращение перехода
аварийного тока на следующие по порядку коммутации в схеме вентили) и по
времени (ограничение тока к.з. первой полуволны), что должно обеспечиваться
устройством защиты по управляющему электроду, которое снимает или сдвигает к
границе инверторного режима управляющие импульсы. При опрокидываниях инвертора
эта защита неэффективна.
При внутренних к.з. защита должна
отключать весь преобразователь или повреждённый тиристор (защита по
управляющему электроду при этом должна снять или сдвинуть к границе
инверторного режима управляющие импульсы).
При появлении аварийных токов между
тиристорными группами защита должна разомкнуть цепь аварийного тока или
отключить преобразователь от сети.
Основные требования, предъявляемые к
аппаратам и устройствам защиты, заключаются в следующем:
. Максимальное быстродействие. С
ростом продолжительности протекания аварийного тока увеличиваются размеры
повреждений преобразователя, а при опрокидываниях инвертора возрастает
абсолютное значение аварийного тока. Малая теплоёмкость кремниевого элемента и
обусловленная ею высокая чувствительность тиристоров к значению и
продолжительности протекания аварийных токов определяют высокие требования к
быстродействию защиты тиристорных преобразователей.
. Селективность. Отключение только
повреждённых вентилей без нарушения работы исправных вентилей и преобразователя
в целом. В то же время при срабатывании защиты, отключающей преобразователь в
целом, не должна срабатывать защита, отключающая вентили.
. Чувствительность. Обеспечение
срабатывания защиты при возможно меньших значениях аварийных токов.
. Надёжность, помехоустойчивость,
простота настройки и обслуживания.
.8.2 Выбор защитных аппаратов
а) Защита автоматическими
выключателями.
Автоматические выключатели являются
защитными аппаратами многократного действия и предназначены для защиты
вентильных преобразователей от внешних коротких замыканий, опрокидывания
инвертора и перегрузок по току. Выключатели устанавливаются на стороне
переменного и выпрямленного тока.
Место включения автоматических
выключателей в схемах вентильных преобразователей определяется теми наиболее
вероятными аварийными режимами, от которых предусматривается защита. При этом
должна учитываться специфика работы преобразователя, требования защиты вентилей
и селективности отключения поврежденной цепи.
Автоматические выключатели
переменного тока устанавливаются в преобразователях, питающихся от сети 380 В,
на первичной стороне трансформатора в трансформаторном варианте.
На стороне переменного тока
устанавливаются автоматические выключатели А3716Б-У3 [2] SF1 на напряжение
380В, с протеканием номинального тока Iн=160А; тепловой расцепитель на 32 А;
электромагнитного расцепитель на 160 А; уставка по току срабатывания: теплового
расцепителя на 37 А; электромагнитного расцепителя не менее
.
На стороне постоянного тока
устанавливаются автоматические выключатели А3715Б-У3 SF2 [2] на выпрямленное
напряжение 220В, с протеканием номинального тока Iн=160 А; тепловой расцепитель
на 32 А; электромагнитного расцепитель на 160 А; уставка по току срабатывания:
теплового расцепителя на 37 А; электромагнитного расцепителя не менее
.
Собственное время отключения А3700 с
дистанционным расцепителем полупроводникового типа не более 10мс.
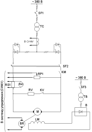
Для коммутации якорной цепи при
кратковременных остановках электропривода предусматриваются контакты линейного
контактора КМ (см. рис. 3.1).
б) Защита от перенапряжений.
Процессы, протекающие в вентильных
преобразователях, часто сопровождаются перенапряжениями, которые, воздействуя
на вентили, могут привести к их пробою, вызывающему, как правило, короткое
замыкание.
Основными видами перенапряжений
являются:
Сетевые перенапряжения,
обусловленные действием сетевой коммутационной аппаратуры или атмосферных
явлений.
Схемные перенапряжения
неповторяющегося характера, связанные с действием коммутационной аппаратуры
вентильного преобразователя. Это перенапряжения, связанные с включением
питающего трансформатора, подключением вентильного преобразователя к источнику
переменного напряжения, отключением питающего трансформатора, а также
отключением тока нагрузки при помощи автоматического выключателя.
Схемные повторяющиеся перенапряжения
- они обусловлены работой вентилей в силовой схеме и являются либо
резонансными, либо коммутационными.
Резонансные перенапряжения связаны с
потреблением из сети несинусоидального тока и прерывистым режимом работы
преобразователя.
Коммутационные схемные
перенапряжения вызываются периодическим переходом вентилей из закрытого
состояния в открытое и обратно. Они характеризуются (при отсутствии
ограничительных устройств) крутым фронтом (до 1000 В/мкс) и значительной
амплитудой (до 10 - кратного значения по отношению к рабочему напряжению).
Для ограничения перенапряжений
широко применяются накопители энергии - конденсаторы, входящие в состав RC -
цепочек. В целях защиты от коммутационных перенапряжений, поступающих из
питающей сети, при коммутациях трансформатора и цепей нагрузки RC - цепочки
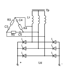
включают на вторичной стороне трансформатора по одной из схем, приведенных на
рис. 3.14.
С учетом параметров питающего
трансформатора емкость демпфирующего конденсатора С3 (С4, С5) в защитных цепях
трехфазных схем выпрямления (см. рис. 3.14) определится по формуле
где S - мощность трансформатора,
кВА;обр.мах - амплитудное значение обратного (прямого) напряжения на тиристоре,
В;н.т. - максимально-допустимое напряжение для защищаемых тиристоров, В;- ток
холостого хода трансформатора, А.
Схемы включения RC - цепочек
Рис. 3.13
Так как у нас Sном =14,6 кВА, Iо
=0,1∙6,6 = 0,66 А; UН.Т. = 400 В; Uобр.max= 290 В, то
.
При заряде конденсатора в результате
перенапряжений в контуре LC происходит колебательный процесс перехода
электромагнитной энергии в электростатическую и обратно. Для настройки колебательного
контура на апериодический процесс последовательно с конденсатором
устанавливается резистор R3, сопротивление которого должно быть больше
двукратного волнового сопротивления этого контура
.
Для защиты от коммутационных
перенапряжений применяются RC - цепочки, включенные параллельно тиристорам (см.
рис. 3.15).
Схема включения RC - цепочки
Рис. 3.14
Максимальное значение обратного тока
где τ= 25 мкс -
время восстановления вентиля Т133 - 400.
Сопротивление R:
.
Ёмкость конденсатора C
где eк=5,2% - напряжение короткого
замыкания трансформатора,=1030 А - максимальное действующее значение тока тиристора
в открытом состоянии.
4.
Сравнительная характеристика разработанного тиристорного преобразователя и
промышленного аналога
Таблица 4.1 - Сравнительная
характеристика разработанного РТП и промышленного аналога
|
Основные
характеристики
|
Разработанный
ТП
|
Промышленный
аналог ТП
|
|
Номинальный
ток, А
|
50
|
50
|
|
Номинальное
напряжение, В
|
230
|
230
|
|
Напряжение
сети, В
|
380
|
380
|
|
Схема
выпрямления
|
Мостовая
шестипульсная
|
мостовая
шестипульсная
|
|
Способы
включения
|
встречно-параллельная
|
встречно-параллельная
|
|
Способ
управления
|
раздельное
|
раздельное
|
|
Тип
тиристора
|
Т133-400
|
Т133-400
|
|
Количество
тиристоров в плече, штук
|
1
|
1
|
|
Сглаживающий
дроссель
|
-
|
-
|
|
Наличие
предохранителей
|
-
|
-
|
|
Тип
СИФУ
|
Многоканальное
|
Многоканальное
|
|
Охлаждение
РТП
|
Воздушное
естественное
|
Воздушное
естественное
|
|
Автоматический
выключатель на стороне переменного тока
|
A
3716 Б Iу.ср.т.р = 37 А Iу.ср.э.р. = 630 А
|
АК63-3М
|
|
Автоматический
выключатель на стороне постоянного тока
|
A
3715 Б Iу.ср.т.р = 37 А Iу.ср.э.р. = 600 А
|
-
|
ЗАКЛЮЧЕНИЕ
Спроектированный тиристорный преобразователь
удовлетворяет требованием задания на проектирование, имеет подходящий по
техническим данным промышленный аналог. Мостовая реверсивная схема выпрямления
по сравнению с нулевой схемой выпрямления уменьшает частоту пульсации
выпрямленного тока.
Данный тиристорный преобразователь спроектирован
на стандартное сетевое напряжение 380 В, что позволяет его использовать в любом
производстве. Отсутствие уравнительных реакторов и наличие одного тиристора в
плече, делает проект более экономичным и простым в эксплуатации и обслуживании.
Так как выбраны тиристоры большие по току, то нет в необходимости установки
плавких предохранителей для защиты вентилей от короткого замыкания. Разработана
защита ТП от коммутационных перенапряжений общей цепочкой R-C, которая должна
исключить аварийные режимы в системе ТП-Д.
СПИСОК ИСПОЛЬЗОВАННЫХ ИСТОЧНИКОВ
1.
Косматов В.И. Проектирование электроприводов металлургического производства.
Учебное пособие: Магнитогорск, МГТУ 1998, 224 с.
.
Комплектные тиристорные электроприводы: Справочник / И.Х. Евзеров, А. С.
Горобец М.: Энергоатомиздат, 1982, 411 с.
.
Замятин В.Я. и др. Мощные полупроводниковые приборы. Тиристоры: Справочник /
М.: Радио и связь, 1988, 576 с.
.
Трансформаторы серии ТСП, ТСЗП для питания комплектных тиристорных
преобразователей и электроприводов: Каталог 03.34.07 - 84. М.: Информэлектро,
1985, 6 с.