Применение электрической энергии в сельском хозяйстве

  • Вид работы:
    Дипломная (ВКР)
  • Предмет:
    Физика
  • Язык:
    Русский
    ,
    Формат файла:
    MS Word
    232,39 kb
  • Опубликовано:
    2011-06-14
Вы можете узнать стоимость помощи в написании студенческой работы.
Помощь в написании работы, которую точно примут!

Применение электрической энергии в сельском хозяйстве

Введение

Главной целью энергетической политики нашей страны является полное и надежное обеспечение всех отраслей экономики и населения энергоносителями с учетом соблюдения экологических требований , а также максимально эффективное использование топливо - энергетических ресурсов и производственного потенциала топливо - энергетического комплекса (ТЭК) страны. В ближайшие годы будет проведена модернизации основных производственных фондов белорусской энергосистемы, создана нормативна база для развития и функционирования электроэнергетической отрасли в рыночных условиях. Что касается внешнеэкономической деятельности энергетической политики Беларуси, то она предусматривает использование географического положения страны, дальнейшее развитие сети транспорта энергоресурсов с сопредельными странами, расширения межгосударственных электрических связей Беларуси с европейскими странами. Стратеги развития энергетики Беларуси предусматривает совершенствование топливо - энергетического баланса страны исходя из необходимости замещения монопольного вида топлива - природного газа. Планируется снижение его доли в топливо - энергетическом балансе республики за счет вовлечения в баланс угля, ядерной энергии и собственных энергоресурсов. Министерство энергетики Беларуси проводит постоянную работу с государствами-поставщиками и государствами-транзитерами топливо - энергетических ресурсов по направлениям, способами и маршрутами поставок, развития межгосударственных магистральных систем нефте -, газо - и электроснабжения, обеспечивающим альтернативные варианты поставок энергоресурсов, а также увеличение объемов их транзита через территорию республики. Это работа ведется как на политическом уровне, так и на уровне крупных энергетических компаний. Развивается система подземных хранилищ природного газа. Для реализации планов в республике приняты необходимые нормативные правовые акты.

Министерством энергетики уделяется самое пристальное внимание вопросу защиты окружающей среды и социальной ответственности.

Реализация комбинированных схем выработки энергии с применением парогазовых технологий;

Применение мероприятий технологического характера по подавлению образования оксидов азота;

Модернизация оборудования ТЭС и котельных;

Максимальное внедрение оборотных схем водопользования и схем повторного использования очищенных стоков в технологических циклах;

Сокращения водопотребления и предотвращение загрязнения водоемов организациями энергетического комплекса;

Приборный контроль топочного режима тепло - источников, выбросов и сбросов загрязняющих веществ.

Развитие белорусской энергетики осуществляется в соответствии с Концепцией энергетической безопасности. Для ее реализации в ближайшей перспективе разработана и реализуется программа модернизации производственных фондов энергосистемы, энергоснабжения и увеличения использования местных топливо - энергетических ресурсов. Уже сегодня модернизируются действующие тепловые электростанции и троятся новые крупные энергоисточники с применением новейших, главным образом, парогазовых, технологий, а также небольшие ТЭЦ на промышленных предприятиях. Начаты работы по сооружению каскадов гидроэлектростанций на основных реках Беларуси, общая мощность которых к 2020 году составит более 200 МВт.

В ближайшее десятилетия будет продолжено строительство энергоисточников, работающих на местных видах топлива, активизируется использование возобновляемых источников энергии, а также строительство и ввод в эксплуатацию атомной электростанции мощностью около 2000 МВт.

Модернизация энергетики, реализация энергоэффективных проектов в других отраслях экономики позволит боле полно использовать имеющийся у нас потенциал энергоснабжения и снизить энергоемкость ВВП к 2010 году на 31% , 2015 году - на 50 % и к 2020 году - на 60% от уровня 2005 года. В результате по уровню энергоемкости ВВП республика максимально приблизиться к аналогичному показателю развитых стран, который в настоящее время в 2,5 - 3 раза ниже (0,24 кг у. т./доллар США), чем в Беларуси.

1. Краткая характеристика объекта

Животноводческие фермы предназначены для содержания скота. Современные животноводческие фермы - крупные специализированные предприятия, включающие сооружение основного и вспомогательного назначения. Характерной особенностью действующих и вновь строящийся животноводческих ферм является комплексная механизации и автоматизация основных и вспомогательных операций производственных процессов. Животноводческая ферма по условиям электробезопасности относятся к помещениям с повышенной опасностью. Чтобы обеспечить безопасность обслуживающего персонала и животных нужно надежно заземлять все металлические части электрических установок которые могут оказаться под напряжением с выше 42В. Систематически необходимо проверять надежность заземления корпусов электродвигателей, пусковой, защитной и регулирующей аппаратуры сопротивление заземляющего устройства не должна превышать 40м.

Помещение с повышенной опасностью поражения электрическим током характеризуется наличием в них одного из следующих условий:

.        Сырость, при которой относительная влажность длительно превышает 75%, но ниже 100%;

.        Полы со сравнительно высокой, удельной электропроводимостью, например:

Металлические, земляные, железобетонные, кирпичные и т.д.;

.        Высокая температура длительно превышающая 300С;

.        Возможность одновременного прикосновения человека к заземленным конструкциям.

2. Требования ПУЭ к внутренним проводам

Электропроводкой называется совокупность проводов и кабелей с относящемся защитными конструкциями и деталями установленными в соответствии с ПУЭ.

Электропроводки различаются на следующие виды:

.        Открытая электропроводка - проложенная по поверхности стен, потолку, по фермам и другим строительным элементам зданий и сооружений, по опорам и т.п.

При отрытой электропроводке применяются следующие прокладки проводов и кабелей, непосредственно по поверхности стен, потолков, на струнах, тросах, изоляторах, в трубах, коробках, гибких металлических рукавах на лодках, в электрических плинтусах и наличниках свободной поверхности и т.п. открытая, электропроводка может быть стационарной, передвижной и переносной.

.        Скрытая электропроводка - проложенная в нутрии конструктивных элементах зданий и сооружений (в стенах, полах, фундаментах, перекрытиях), а также по перекрытиям в подготовке пола, не посредственно под съемным полом.

При скрытой электропроводке применяются следующие способы прокладки проводов и кабелей: в трубах, в гибких металлических рукавах, коробках, в замкнутых каналах и пустотах конструкциях, в заштукатуриваемых бороздах, подштукатуренной.

При прокладке проводов и кабелей в трубах, коробках, гибких металлических рукавах и замкнутых каналах должны проводится при помощи оприсовки, пайки или с зажимом, должен быть предусмотрен запас провода обеспечивающий возможность повторного соединения, отвлетления или присоединения места соединения и отвлетления проводов и кабелей должны быть доступны для осмотра и ремонта, и недолжно быть механических усилий натяжения.

Электропроводка должна соответствовать условиям окружающей среды, назначению и ценности сооружений их конструкций и архитектурным особенностям.

Выбор видов проводки, выбор проводов и кабелей и способа их прокладки следует осуществлять в соответствии с табличками ПУЭ. При наличии одновременно двух и более условий характеризующих окружающую среду, электропроводка должна соответствовать всем этим условиям.

3. Выбор марки проводов, их сечения и способы прокладки

Электрическая проводка должна соответствовать условиям окружающей среды, назначению и ценностей сооружения, их конструкции и архитектурным особенностям. При выборе вида электропроводки и способа прокладки проводов и кабелей должны учитываться требования электрической безопасности и пожарной безопасности. Выбор видов электрической проводки, выбор проводов и кабелей и способа их прокладки следует осуществлять в соответствии с таблицами ПУЭ. При наличии одновременно двух и более условий, характеризующих окружающую среду электропроводка должна соответствовать всем этим условиям. Оболочки и изоляция проводов и кабелей, применяемых в электрических проводах должны соответствовать способу прокладки и условиям окружающей среды. Изоляции, кроме того, должна соответствовать номинальному напряжению сети. Нулевые рабочие проводки должны иметь изоляцию равноценную изоляции фазных проводников. В производственных нормальных помещениях допускается использование стальных труб и тросов открытых электрических проводок.

Поскольку животноводческая ферма является производственным помещениям - принимаем скрытую электрическую проводку в трубах, прокладываем провод марки АПВ, четыре провода в трубе.

Задачей расчета электрических проводок является выбор сечения проводников, при этом сечение должно быть минимальным и удовлетворять следующим требованиям:

.        допустимому току;

.        электрической защите;

. допустимым потерям напряжения;

. механической прочности.

В отношении механической прочности выбор сечения сводится: для стационарных электрических установок, кабелей и изолированного провода, для силовых и осветительных сетей должны быть: медные 1,5 мм2 , алюминиевые 2,0 мм2 .

Сечение провода выбирается по допустимым токовым нагрузкам по формуле:

I доп. ≥ I н. дв. (4.1)

где: I доп. - длительный допустимый ток для данного сечения провода (принимается по таблице ПУЭ), (А).

I н. дв.- номинальный ток электрического двигателя, (А).

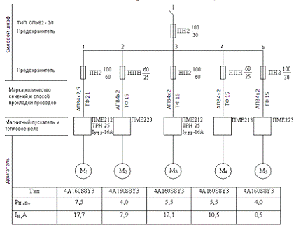
Диаметр трубы в зависимости от сечения провода ми количества, принимаем по таблицам ПУЭ. Результаты расчета и выбора марки проводов, их сечения, способа прокладки заносим в таблицу (4.1).

Таблица (4.1)

№ п/п

I н.дв., (А)

Марка количества, сечения провода

I доп., (А)

Способ прокладки

ΔU,%

1

17,7

 АПВ4х2,5

19

Т∅21

0,8

2

7,9

 АПВ4х 2

15

Т∅15

1,6

3

12,1

АПВ4х 2

15

Т∅15

3,2

4

АПВ4х 2

15

Т∅15

1,3

5

8,5

АПВ4х 2

15

Т∅15

2,7


Выбранное сечение провода электрической сети при проверке по потери напряжения, необходимо исходить из того, чтобы отклонения напряжения для присоединения к этой сети электрических приемников не выходило за пределы допустимого.

ПУЭ допускает следующие приделы отклонения напряжения на зажимах токов приемников:

для ламп освещения жилых зданий, аварийного освещения и наружного, выполненного светильниками, + -5%.

для ламп рабочего освещения промышленных предприятий и общественных зданий, а так же прожекторных установок наружного освещения + 5%, -2,5%.

для электрических двигателей + - 5%, в отдельных случаях для электрических двигателей допускается отклонения выше номинального до + - 10%.

Исходя из допустимых величин отклонения напряжения, можно определить величину допустимой потери напряжения в сети. Она должна быть такой, чтобы отклонения напряжения на зажимах токоприемников не превышали указанных выше значений.

Потеря напряжения в цепи трехфазного тока напряжением до 1000В, небольшой протяженности, выполненной медными или алюминиевыми проводами, может быть определена по упрощенным формулам:

при нагрузке в конце линии:

ΔU= (4.2)

при нагрузках присоединенных по длине линии:

ΔU= (4.3)

где:

𝜌 - расчетная мощность на участке, (Вт).

𝑙 - длинна участка, (М).

γ - удельная электрическая проводимость провода, (м/Ом · мм2).- напряжение сети, (В).

S - сечение провода, (мм2).

Рассчитываем допустимую потерю напряжения для одиночных двигателей при нагрузки в конце линии.

Рассчитываем потерю напряжения для φ = 34,5; 1-го двигателя.

ΔU1 = 1000 · Р1 · 𝑙1/U1 · φ1 · S1 = 1000 · 7,5 · 15/380 · 34,5 · 2,5 = 3,4 В

ΔU1 = 3,4 · 100/380 = 0,8%

 

Рассчитываем потерю напряжения для 2-го двигателя.

ΔU2 = 1000 · Р2 · 𝑙2/U2 · φ2 · S2 = 1000 · 4,0 · 20/380 · 34,5 · 2 = 6,1 В

ΔU2 = 6,1 · 100/380 = 1,6%

 

Рассчитываем потерю напряжения для 3-го двигателя.

ΔU3 = 1000 · Р3 · 𝑙3/U3 · φ3 · S3 = 1000 · 5,5 · 30/380 · 34,5 · 2 = 12,5 В

ΔU3 = 12,5 · 100/380 = 3,2%

 

Рассчитываем потерю напряжения для 4-го двигателя.

ΔU4 = 1000 · Р4 · 𝑙4/U4 · φ4 · S4 = 1000 · 5,5 · 25/380 · 34,5 · 2 = 5,2 В

ΔU4 = 5,2 · 100/380 = 1,3%

 

Рассчитываем потерю напряжения для 5-го двигателя.

ΔU5 = 1000 · Р5 · 𝑙5/U5 · φ5 · S5 = 1000 · 4,0 · 35/380 · 34,5 · 2 = 10,6 В

ΔU5 = 10,6 · 100/380 = 2,7%

4. Расчет и выбор аппаратов защиты (предохранители или автоматы)

Аппарат защиты - предохранитель

Предохранители предназначены для защиты электрических цепей от токов короткого замыкания и длительных токов перегрузок характеризуются номинальными токами плавкой вставки предохранителей.

Номинальным токам плавки вставки называют ток при котором она должна работать в течении продолжительного времени а номинальным током предохранителя - наибольший из номинальных токов плавок вставок используемых в данном предохранителе. В случаи прохождения через плавкую вставку предохранителя тока превышающего номинальный ток, вставка перегорает и разрывает электрическую цепь, отключая защитный участок от остальной цепи электроустановки. В электроустановках напряжением до 1000В широко перемещаются предохранители типов: ПР2, НПH, ПН2.

Плавкие вставки предохранителей для защиты одиночных двигателей, должны отвечать двум требованиям:

. Не должны перегорать при запуске двигателя;

. Обязательно должны перегорать при возникновении короткого замыкания.

Чтобы плавки вставки не перегорали при запуске двигателя, их выбирают по формуле:

I пл.вст. ≥ I н. дв. · Ki/α (5.1)

где:

I н.дв. - номинальный ток двигателя указывается в техническом паспорте, А;

Ki - кратность пускового тока указывается в каталоге;

α - условия запуска двигателя, применяется в зависимости технологичного процесса.

Чтобы не было ложных срабатываний групповой плавки вставки предохранителя необходимо соблюдать два условия:

1. I гр.пл.вст. ≥  (5.2)

. I гр.пл.вст. ≥ (5.3)

где:

 - сумма номинальных токов двигателей, (А);

 - сумма номинальных токов двигателя, за исключением двигателя у которого больший пусковой ток в группе, (А);

 - пусковой ток двигателя, у которого он больше в группе, (А).

 

По результатам расчета выбираем ближайшую, большую, стандартную плавкую вставку.

Результаты расчета и выбора плавок вставок заносим в таблицу (5.1).

Таблица (5.1)

I н., А

Ki

α

I расчет, А

Тип предохранителей

 I пл.вст.,А

1

17,7

7,5

2,5

53,1

ПН2 - 100

60

2

7,9

7,0

2,5

22,12

НПН - 60

25

3

12,1

6,0

2,5

29,4

ПН2 - 100

60

4

10,5

6,0

2,0

31,5

НПН - 60

40

5

8,5

6,0

2,5

20,4

ПН2 - 100

30

 I гр.пл.вст.

27,42

ПН2 - 100

30

Производим расчет и выбор плавких вставок предохранителя для каждого двигателя:

Для первого двигателя:

I пл.вст ≥

I пл.вст1;

I пл.вст1 ≥ 53,1 А

Принимаем I пл.вст1 = 60А

Тип предохранителя: ПН2 - 100

Для второго двигателя:

I пл.вст2;

I пл.вст2 ≥ 22,12 А

Принимаем I пл.вст2 = 25А

Тип предохранителя: НПН - 60

Для третьего двигателя:

I пл.вст3;

I пл.вст3 ≥ 29,4 А

Принимаем I пл.вст3 = 30А

Тип предохранителя: ПН2 - 100

Для четвертого двигателя:

I пл.вст4;

I пл.вст4 ≥ 31,5 А

Принимаем I пл.вст4 = 40А

Тип предохранителя: НПН - 60

Для пятого двигателя:

I пл.вст5; I пл.вст5 ≥ 20,4 А

Принимаем I пл.вст5 = 20А

Определяем групповую плавкую вставку предохранителя:

1)      I гр.пл.вст. ≥ н.дв1 + I н.дв2 + I н.дв3 + I н.дв4 + I н.дв5 = 17,7+7,9+12,1+10,5+8,5 = 56,7 (А)

)        I гр.пл.вст. ≥ пуск1 = I Н.ДВ1 · α1 = 17,7 · 2,5 = 44,25 А

I пуск2 = I Н.ДВ2 · α2 = 7,9 · 2,5 = 19,75 Апуск3 = I Н.ДВ3 · α3 = 12,1 · 2,5 = 30,25 Апуск4 = I Н.ДВ4 · α4 = 10,5 · 2,0 = 21 Апуск5 = I Н.ДВ5 · α5 = 8,5 · 2,5 = 21,25 Агр.пл.вст. ≥  ³  = 27,42 А

Принимаем I гр.пл.вст. = 30 А

Тип предохранителя ПН2 - 100

5. Проверка эффективности защиты

Стандартная плавка вставка проверяется на эффективность защиты.

Защита будет эффективна если:

I к.з. ≥ 3 I пл.вст. (6.1)

а для пожароопасных помещений:

I к.з. ≥ 4 I пл.вст. (6.2)к.з. =  (6.3)

где:

I к.з.- ток короткого замыкания, (А);

.- фазное напряжение в сети, (В);

. - сопротивление петли "фаза - ноль", (Ом).

Пусть сопротивление "фаза - ноль" имеет следующие значения:

Rn1 = 0,5 (Ом);

Rn2= 1,1 (Ом);

Rn3 = 1,5 (Ом);

Rn4 = 1,1 (Ом);

Rn5 = 1,0 (Ом);

Rобщ. = 0,5 (Ом)

Вычисляем токи однофазных коротких замыканий:

I к.з.1 =  =  = 440 А

I к.з.2 =  =  = 220 А

I к.з.3 =  =  = 146,6 А

I к.з.4 =  =  = 200 А

I к.з.5 =  =  = 220 А

I к.з.общ. =  =  = 440 А

Проверка эффективности защиты для электродвигателя:

I к.з. ≥ 4 I пл.вст.к.з.1 = 440 ³ 4 · 60;

440 > 240

Защита эффективна

I к.з.2 = 220 ³ 4 · 25;

> 100

Защита эффективна

I к.з.3 = 146,6 ³ 4 · 60;

,6 < 240

Защита не эффективна. Для эффективности защиты необходимо выполнить следующие условия: уменьшить длину провода, или увеличить сечение, или алюминиевый провод заменить на медный.

I к.з.4 = 200 ³ 4 · 40;

> 160

Защита эффективна

I к.з.5 = 220 ³ 4 · 30;

> 120

Защита эффективна

I к.з.общ. = 440 ³ 4 · 30;

> 120

Защита эффективна

6. Выбор силового шкафа

Для распределения электроэнергии в цехах сельскохозяйственных предприятий, применяются силовые шкафы разных конструкций и схем, силовые шкафы серии СП62 и СПУ62, комплектующимися плавками вставками предохранителями типа НПH - 60 и ПН2, они выполнены для трехфазных сетей с глухо - заземленной нейтрально. Силовые шкафы с двумя рубильниками на вводе имеют механическую блокировку, исключающую одновременное включение обоих рубильников. Длительно допустимая нагрузка шкафов серии СП - 62 равна номинальному току вводного аппарата, а СПУ62 - 70%, этой величины. Силовые шкафы выбираются:

. По способу установки:

на полу;

. По роду защиты от воздействия окружающей среды:

СП - IP22, СПУ - IР54

По вводу проводов в трубах:

сверху, через съемную крышку;

снизу, через съемную крышку;

для установленного на полу;

через свободный проем, который при необходимости уплотняется по периметру;

. По номинальному напряжению в сети;

. По номинальному току;

. По числу групп и токов нагрузкам на группе.

Исходя из этих условий, выбираем силовой шкаф типа СПУ62 - 2/1, UH = 400B, IH = 250A, число групп и токовая нагрузка на группы 2х60+3х100.

7. Выбор магнитных пускателей и тепловых реле

Магнитный пускатель - низковольтный коммутационный аппарат, предназначенный для местного и дистанционного управления электродвигателям, также осуществляет нулевую защиту, то есть при исчезновении напряжения или его снижения на 40 - 60% от номинального значения магнитная сила пускателя отпадает, силовые контакты размыкаются.

В комплекте с тепловым реле пускатели выполняют защиту двигателя от перегрузки, магнитные пускатели выбирают:

По номинальному напряжению сети;

По номинальному напряжению, катушки;

По величине магнитного пускателя;

По электрическому исполнению (реверсивный или нереверсивный).

Учитывая изложенное производим расчет и выбор магнитных пускателей, результаты заносим в таблицу (8.1).

Таблица (8.1)

№ п/п

PH.ДВ. кВм

Окружающая среда

Рабочая машина

Место установки

Тип магнитного пускателя



Сухое

Сырое

Пыльное

Перегрузка

Реверс



1

7,5


+


+

-

В шкафу

ПМЕ - 212

2

4,0


+


-

+

На машине

ПМЕ - 223

3

5,5


+


+

-

В шкафу

ПМЕ - 212

4

5,5


+


-

+

В шкафу

ПМЕ - 213

5

4,0


+


-

+

На машине

ПМЕ - 223


Выбор тепловых реле.

Тепловое реле применяются в комплекте с магнитными пускателями и служит для защиты электрических цепей от токов перегрузки. Установку теплового реле выбирают по формуле:

I у.т.р ≥ I н. дв. (7.1)

где:

I н.дв. - номинальный ток двигателя, А.

Выбираем по каталогу тип теплового реле и установки в нем, результаты заносим в таблицу (7.2).

Таблица (7.1)

№ п/п

IH.ДВ.,А

Перегрузка

Тип теплового реле

IУ.Т.Р.,А

1

17,7

+

ТРН - 25

16

2

7,9

-

-

3

12,1

+

ТРН - 25

16

4

10,5

-

-

-

5

8,5

-

-

-

. Разработка расчетных схем

Расчетная схема необходима для технического грамотного монтажа и эксплуатации электрооборудования. На расчетной схеме изображается: схема силового шкафа, его марка, число групп, типы предохранителей, типы магнитных пускателей, тепловое реле, и токи тепловых расцепителей. Типы двигателей их мощность и номинальный ток.

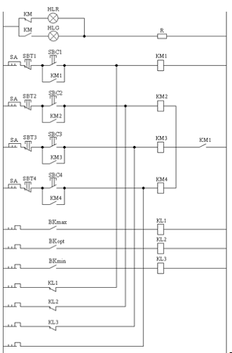
. Разработка схемы управления. Схема управления трехсекционным электрокалорифером

Включаем автоматы (QF1,QF2), напряжение подается на силовые контакты магнитных пускателей (КМ1,КМ2,КМ3,КМ4) и в цепь сигнализации. В цепи сигнализации загорается красная сигнальная лампочка, сигнализируя что напряжение подано, но калорифер не работает.

Ключ управления (SA), устанавливаем в автоматический режим.

Температура в помещении ниже минимальной, замыкающие контакты датчиков температуры (BK min, BK opt, BK max) разомкнуты промежуточного реле (KL1, KL2,KL3), отключены и через их размыкающие контакты (KL1, KL2,KL3) запитываются катушки магнитных пускателей, которые, включают калорифер. Температура воздуха в помещении высшее минимальной замыкающий контакт датчика минимальной температуры (BK min) замыкается и запитывается катушка третьего промежуточного реле (KL3), которая срабатывает размыкающий контакт его размыкается разрывая цепь питания катушки третьего магнитного пускателя (КМ3), который отключает одну секцию нагревательных элементов (ЕК1). Температура воздуха в помещении достигает оптимальной, замыкающий контакт датчика оптимальной температуры (BK opt) замыкается, запитывается катушка второго промежуточного реле (KL2) которая срабатывает, размыкающий контакт его (KL2) размыкается и разорвет цепь питания катушки второго магнитного пускателя, который отключает вторую секцию нагревательных элементов. Температура воздуха в помещении максимальная, замыкающий контакт датчика максимальной температуры (BK max) замыкается, запитывается катушка первого промежуточного реле (KL1) которая срабатывает, размыкающий контакт его (KL1) разрывает цепь питания катушки (KM1).

Первый магнитный пускатель отключает вентилятор, замыкающий блок контакт его (КМ1) замыкается, разрывая цепь питания катушки и магнитного пускателя, который отключает третью секцию нагревательных элементов (ЕК3).

Включение калорифера происходит в обратной последовательности.

Температура воздуха в помещении падает ниже максимальной. Замыкающий контакт датчика температуры (BK max) размыкается, и катушка первого промежуточного реле (KL1) обесточивается, и размыкающий контакт его (KL1) замыкается и замыкает цепь питания катушки магнитного пускателя (КМ1). Катушка магнитного пускателя (КМ1) запитывается и включает вентилятор и катушка третьего магнитного пускателя (КМ3) который включает третью секцию нагревательных элементов. Температура воздуха в помещении падает ниже оптимальной, то замыкающий контакт датчика оптимальной температуры (BK opt) размыкается, где катушка второго промежуточного реле (KL2) не запитывается. В следствии чего размыкающий контакт его (КL2) замыкается и катушка второго промежуточного реле (КL2) запитывается, и включает вторую секцию нагревательных элементов. Если температура падает ниже, то и тоже произойдет и с датчиком минимальной температуры (BK min) его замыкающий контакт разомкнется и обесточит катушку третьего промежуточного реле (KL3) где его размыкающий контакт замкнется и запитает третью катушку магнитного пускателя (КМ3) которая включит первую секцию нагревательных элементов.

10. Эксплуатация и техническое обслуживание электрических машин

монтаж кабель предохранитель электрокалорифер

Системой планово предусмотрительного ремонта и технического обслуживания электрооборудования, используемого в сельском хозяйстве (ППР3сх), предусматриваются следующие виды работ:

.        Производственно технической обслуживание осуществляется персоналом, обслуживающие рабочие машины. Оно заключается в ежедневном осмотре электрооборудования, очистке его от пыли и грязи и устранении неисправностей;

.        Технические осмотры проводят для определения состояния электрооборудования и выявления при очередном ремонте. В период технических осмотров чистят оборудование и устраняют мелкие неисправности без разборки. Осмотры проводит электромонтеры, имеющие квалификацию группы не ниже трех, в период естественных остановок рабочих машин;

.        Текущий ремонт проводит с разработкой оборудования. При этом выполняют все операции технического ухода, а также меняют или восстанавливают детали или узлы, срок службы которых равен межремонтному периоду. Текущий ремонт выполняю электромонтеры, имеющие квалификацию группы не ниже трех, в специальной мастерской. При затруднении транспортировки оборудования текущий ремонт можно проводить на месте установки. В конце года сезона эксплуатации электрооборудования для уточнения его состояния проводят сезонное обслуживание.

Текущий уход за асинхронным электродвигателям. Предусматривают следующие операции:

.        Очистку от пыли и грязи, осмотра двигателя, проверку станины и подшипниковых щитов на отсутствии трещин;

.        Проверка затяжки крепежных деталей;

.        Проверку и ремонт заземления;

.        Осмотр и ремонт вывод;

.        Проверка состояния щеток, контактных колец;

.        Проверка смазки в подшипниках;

.        Включение двигателя и проверку степени нагрева корпуса и подшипниковых щитов при отсутствии посторонних шумов.

11. Оказание первой помощи пострадавшему от электрического тока

Первая помощь - это комплекс мероприятий, направленных на восстановление или сохранение жизни и здоровья пострадавшего. Ее должен оказывать тот, кто находится рядом с пострадавшим (взаимопомощь) или сам пострадавший (самопомощь) до прибытия медицинского работника. От того, насколько умело и быстро оказана первая помощь, зависит жизнь пострадавшего и, как правило, успех последующего лечения. Поэтому каждый должен знать, как оказывать первую помощь, и уметь оказать ее пострадавшему и себе.

Последовательность действий при оказании первой помощи пострадавшему:

устранение воздействия на организм пострадавшего опасных и вредных факторов (освобождение его от действия электрического тока, вынос из зараженной атмосферы, гашение горящей одежды, извлечение из воды и т.п.);

оценка состояния пострадавшего;

определение характера травмы, создающей наибольшую угрозу для жизни пострадавшего, и последовательности действий по его спасению;

выполнение необходимых мероприятий по спасению пострадавшего в порядке срочности (восстановление проходимости дыхательных путей, проведение искусственного дыхания, наружного массажа сердца, остановка кровотечения, иммобилизация места перелома, наложение повязки и т.д.);

поддержание основных жизненных функций пострадавшего до прибытия медицинского персонала;

вызов скорой медицинской помощи или врача либо принятие мер для транспортировки пострадавшего в ближайшее лечебное учреждение.

Освобождение от действия электрического тока.

При поражении электрическим током необходимо как можно быстрее освободить пострадавшего от действия тока, так как от продолжительности его действия на организм зависит тяжесть электротравмы. Отключить электроустановку можно с помощью выключателя, рубильника или другого отключающего аппарата, а также путем снятия предохранителей, разъема штепсельного соединения, создания искусственного короткого замыкания на воздушной линии (ВЛ) "набросом" и т.п.

Если отсутствует возможность быстрого отключения электроустановки, то необходимо принять меры к отделению пострадавшего от токоведущих частей, к которым он прикасается. При этом во всех случаях оказывающий помощь не должен прикасаться к пострадавшему без применения надлежащих мер предосторожности, так как это опасно для жизни. Он должен также следить за тем, чтобы самому не оказаться в контакте с токоведущей частью или под напряжением шага, находясь в зоне растекания тока замыкания на землю.

При напряжении до 1000 В для отделения пострадавшего от токоведущих частей или провода следует воспользоваться канатом, палкой, доской или каким-либо другим сухим предметом, не проводящим электрический ток. Можно оттянуть пострадавшего от токоведущих частей за одежду, избегая при этом прикосновения к окружающим металлическим предметам и частям тела пострадавшего, не прикрытым одеждой. Для изоляции рук оказывающий помощь, особенно если ему необходимо коснуться тела пострадавшего, не прикрытого одеждой, должен надеть диэлектрические перчатки или обмотать руку шарфом, надеть на нее суконную фуражку, натянуть на руку рукав пиджака или пальто, накинуть на пострадавшего резиновый ковер, прорезиненную материю (плащ) или просто сухую материю. Можно также изолировать себя, встав на резиновый ковер, сухую доску или какую-либо не проводящую электрический ток подстилку, сверток сухой одежды и т.п. При отделении пострадавшего от токоведущих частей следует действовать одной рукой.

Если электрический ток проходит в землю через пострадавшего и он судорожно сжимает в руке токоведущий элемент, можно перерубить провод топором с сухой деревянной рукояткой или сделать разрыв, применяя инструмент с изолирующими рукоятками. Перерубать провода необходимо пофазно, т.е. разрубать провод каждой фазы отдельно.

При напряжении выше 1000 В для отделения пострадавшего от токоведущих частей необходимо использовать средства защиты: надеть диэлектрические перчатки и ботвы и действовать штангой или изолирующими клещами, рассчитанными на соответствующее напряжение. На ВЛ 6-20 кВ, когда нельзя быстро отключить их со стороны питания, надо создать искусственное короткое замыкание для отключения ВЛ. Для этого на провода ВЛ надо набросить гибкий неизолированный проводник, который должен иметь достаточное сечение во избежание перегорания при прохождении через него тока короткого замыкания. Перед тем как набросить проводник, один его конец надо заземлить (присоединить к телу металлической опоры, заземляющему спуску или отдельному заземлителю и др.), а на другой конец для удобства наброса желательно прикрепить груз. При набросе проводника надо пользоваться диэлектрическими перчатками и ботами.

Оказывающему помощь необходимо помнить об опасности напряжения шага, если токоведущая часть лежит на земле. Перемещаться в этой зоне нужно с особой осторожностью, используя средства защиты для изоляции от земли (диэлектрические галоши, боты, ковры, изолирующие подставки) или предметы, плохо проводящие электрический ток (сухие доски, бревна). Без средств защиты перемещаться в зоне растекания тока замыкания на землю следует, передвигая ступни ног по земле и не отрывая их одну от другой. После отделения пострадавшего от токоведущих частей следует вынести его из этой зоны на расстояние не менее 8м от токоведущей части.

Способы оказания первой помощи зависят от состояния пострадавшего. Признаки, по которым можно быстро определить состояние здоровья пострадавшего, следующие:

сознание: ясное, отсутствует, нарушено (пострадавший заторможен или возбужден);

цвет кожных покровов и видимых слизистых оболочек (губ, глаз): розовые, синюшные, бледные;

дыхание: нормальное, отсутствует, нарушено (неправильное, поверхностное, хрипящее);

пульс на сонных артериях: хорошо определяется (ритм правильный или неправильный), плохо определяется, отсутствует;

зрачки: расширенные, суженные;

При определенных навыках, владея собой, оказывающий помощь за минуту должен оценить состояние пострадавшего и решить, в каком объеме и порядке следует оказывать ему помощь. Если пострадавший находится в бессознательном состоянии, необходимо наблюдать за его дыханием и в случае нарушения дыхания из-за западания языка выдвинуть нижнюю челюсть вперед. Для этого четырьмя пальцами обеих рук захватывают нижнюю челюсть сзади за углы и, упираясь большими пальцами в ее край ниже углов рта, оттягивают и выдвигают вперед так, чтобы нижние зубы стояли впереди верхних. Поддерживать ее в таком положении следует, пока не прекратится западание языка. Если пострадавший дышит очень редко и судорожно, но у него прощупывается пульс, надо сразу же начать делать искусственное дыхание.

Если у пострадавшего отсутствуют сознание, пульс, дыхание, кожный покров синюшный, а зрачки расширенные, следует немедленно приступить к восстановлению жизненных функций организма путем проведения искусственного дыхания и наружного массажа сердца.

Искусственное дыхание.

Искусственное дыхание проводится в тех случаях, когда пострадавший не дышит или дышит очень плохо (редко, судорожно, как бы со всхлипыванием), а также если его дыхание постоянно ухудшается независимо от того, чем это вызвано: поражением электрическим током, отравлением, утоплением и др. Наиболее эффективным способом искусственного дыхания является способ "изо рта в рот" или "изо рта в нос", так как при этом обеспечивается поступление достаточного объема воздуха в легкие пострадавшего.

Для проведения искусственного дыхания пострадавшего следует уложить на спину, расстегнуть стесняющую дыхание одежду и обеспечить проходимость верхних дыхательных путей, которые в положении на спине при бессознательном состоянии закрыты запавшим языком. Кроме того, в полости рта может находиться инородное содержимое (рвотные массы, соскользнувшие протезы, песок, ил, трава, если человек тонул), которые необходимо удалить указательным пальцем, обернутым платком (тканью) или бинтом, повернув голову пострадавшего набок. После этого оказывающий помощь располагается сбоку от головы пострадавшего, одну руку подсовывает под его шею, а ладонью другой руки надавливает на лоб, максимально запрокидывая голову. При этом корень языка поднимается и освобождает вход в гортань, а рот пострадавшего открывается. Оказывающий помощь наклоняется к лицу пострадавшего, делает глубокий вдох открытым ртом, затем полностью плотно охватывает губами открытый рот пострадавшего и делает энергичный выдох, с некоторым усилием вдыхая воздух в его рот; одновременно он закрывает нос пострадавшего щекой или пальцами руки, находящейся на лбу. При этом обязательно следует наблюдать за грудной клеткой пострадавшего, которая должна подниматься. Для того чтобы выдох был более глубоким, можно несильным нажатием руки на грудную клетку помочь воздуху выйти из легких пострадавшего.

Наружный массаж сердца.

Если отсутствует не только дыхание, но и пульс на сонной артерии, одного искусственного дыхания при оказании помощи недостаточно, так как кислород из легких не может переноситься кровью к другим органам и тканям. В этом случае необходимо возобновить кровообращение искусственным путем, для чего следует проводить наружный массаж сердца. Показанием к проведению реанимационных мероприятий является остановка сердечной деятельности, для которой характерно сочетание следующих признаков: бледность или синюшность кожных покровов, потеря сознания, отсутствие пульса на сонных артериях, прекращение дыхания или судорожные, неправильные вдохи. При остановке сердца, не теряя ни секунды, пострадавшего надо уложить на ровное жесткое основание: скамью, пол, в крайнем случае подложить под спину доску.

Если помощь оказывает один человек, он располагается сбоку от пострадавшего, и, наклонившись, делает дав быстрых энергичных вдувания (по способу "изо рта в рот" или "изо рта в нос"), затем разгибается, оставаясь на этой же стороне от пострадавшего, ладонь одной руки кладет на нижнюю половину грудины, отступив на два пальца выше от ее нижнего края, а пальцы приподнимает. Ладонь второй руки он кладет поверх первой поперек или вдоль и надавливает, помогая наклоном своего корпуса. Руки при надавливании должны быть выпрямлены в локтевых суставах. Надавливать следует быстрыми толчками так, чтобы смещать грудину на 4-5 см, продолжительность надавливания не более 0,5 с, интервал между отдельными надавливаниями не более 0,5 с. В паузах рук с грудины не снимают, если помощь оказывают два человека, пальцы остаются приподнятыми, руки полностью выпрямлены в локтевых суставах.

Помощь при переломах, вывихах, ушибах и растяжениях связок

Каждый работник должен знать и уметь оказывать доврачебную помощь при несчастном случае:

. При ушибе следует обеспечить покой ушибленной части тела, к ушибленному месту приложить холод (лед, холодную воду, смоченную холодной водой ткань).

Не допускается смазывать ушибленное место йодом, растирать его, делать массаж.

При подозрении на ушибы внутренних органов до прибытия скорой помощи необходимо освободить пострадавшего от стесняющей его одежды и положить на ровное место.

. При растяжении необходимо также приложить холод и наложить мягкую фиксирующую повязку.

. При вывихе необходимо обеспечить полную неподвижность в суставе. Вправлять вывихнутый сустав самостоятельно запрещается.

. При любом повреждении кожи и тканей следует смазать йодом кожу вокруг раны, закрыть рану стерильным материалом (бинтом, салфеткой) и наложить повязку.

Промывать рану и извлекать из нее инородные тела самостоятельно запрещается.

. При переломе конечностей необходимо обеспечить неподвижность кости путем наложения шины из специальных или подручных материалов (доски, планки, фанеры, палки), длина которой должна быть такой, чтобы она заходила за те два сустава конечности, между которыми произошел перелом.

При подозрении на перелом позвоночника пострадавшего следует уложить животом вниз на жесткие носилки или щит из досок (дверь, крышку от стола, толстый фанерный лист). Вопрос о его транспортировке решает только медицинский работник.

При открытом переломе на поврежденное место следует дополнительно наложить стерильную повязку. Извлекать и трогать костные обломки запрещается.

Литература

- Дайнеко В.А., Крутов А.В "Применение электрической энергии в сельском хозяйстве" - Мн: Уроджай, 2001.

Павлович С.Н., Фираго Б.И "Ремонт и обслуживания электрооборудования"

Мн: Вышейшая школа, 2005.

Дьяков В.И "Типовые расчеты по электрооборудованию" - М: Вышейшая школа, 1991.

"ПУЭ" - М: Энергоатомиздат, 1987.

Копытов Ю.В., Банкер М.В., Стан В.В., Круглова Н.Е., Тубинис В.В.

"ПТЭ и ПТБ" - М: Энергоатомиздат, 1986.


Не нашли материал для своей работы?
Поможем написать уникальную работу
Без плагиата!
Без нейросетей!