Повышение эффективности хранения картофеля в учхозе 'Заря' ЧГАУ Челябинской области на основе использования электронной клубнеобрабатывающей установки
Министерство
сельского хозяйства Российской Федерации
ФГОУ ВПО
Дудинский
Государственный Агроинженерный Университет
Факультет:
Электрофикации и автоматизации сельскохозяйственного производства
Кафедра:
Применение электрической энергии в сельском хозяйстве
Повышение
эффективности хранения картофеля в учхозе
«Заря» ЧГАУ
Челябинской области на основе использования
электронной
клубнеобрабатывающей установки
Дипломный проект
(Выпускная
квалификационная работа)
Пояснительная
записка
ПЭСХ ХКЭУ
00.000 ПЗ
Дипломник
А.И. Балаганов
Руководитель
Профессор,
Д.В.Н., профессор
О.И. Бендер
Консультанты
По
экономической части
Профессор,
Д.Э.Н., профессор
Н.И. Лифшиц
По
безопасности труда
Доцент,
к.т.н., доцент
А.И. Зурабов
Декан И.А.
Джугашвили
Дудинский Государственный Агроинженерный университет
Кафедра: Применение электрической энергии в сельском хозяйстве
Зав.кафедрой: Э.С. Паниковский
Задание по дипломному проектированию
Студент: А.И. Балаганов
1. Тема проекта: «Повышение эффективности хранения картофеля в
учхозе «Заря» ЧГАУ Челябинской области на основе использования электронной
клубнеобрабатывающей установки»
2. Срок сдачи студентом законченного проекта 1 июня 2010 года
. Исходные данные к проекту:
3.1 Материалы к преддипломной практике
3.2 Справочная и учебная литература
.3 Нормативно-техническая литература (ПУЭ, СНиП, РУМ и др.)
.4 Типовые проекты
. Содержание расчетно-пояснительной записки
Введение
. Анализ хозяйственной деятельности учхоза и обоснование темы пректа
. Электрификация технологических процессов в хранилище
.1 Выбор технологии хранения
.2 Выбор технологического оборудования
.3 Выбор электроприводов
.4 Расчет установки вентиляции и отопления
.5 Расчет осветительной установки
.6 Разработка устройства для электрообработки картофеля
.6.1 Технология подготовки семенного картофеля
.6.2 Требования к семенному картофелю
.6.3 Физические воздействия, применяемые для обработки клубней
.6.4 Устройство для электрообработки
.7 Расчет силовых и осветительных сетейъ
.8 Особенности эксплуатации электрообрабатывающей установки
4. Графики разгрузки. Выбор ТП. Расчет наружных ЛЭП
5. Разработка мероприятий по безопасности жизнедеятельности
. Расчет технико-экономических показателей
. Перечень графического материала
|
1. План пункта по хранению
с нанесением ЛЭП и ТП
|
1 л
|
|
2. План хранилища с
нанесением силовых и осветительных сетей
|
1-2 л
|
|
3. План хранилища с
нанесением схемы вентиляции
|
1 л
|
|
4. Схема электрическая
принципиальная пульта управления вентиляцией
|
1 л
|
|
5. Конструкция устройства
для обработки клубней в поле коронного разряда
|
1 л
|
|
6. Схема электрическая
принципиальная высоковольтного источника
|
1 л
|
|
7. Технологическая схема
хранения картофеля
|
1 л
|
|
8. Технико-экономические
показатели
|
1 л
|
|
9. Озоновыделение
устройства для обработки клубней
|
1 л
|
8. Консультанты по проекту:
ТБ - Зурабов А.И.
ТЭР - Лифшиц А.И.
. Дата выдачи задания 1 марта 2010 года
Руководитель
Задание принял к исполнению
1. Введение
Картофель
является ценным пищевым продуктом. Его энергетическая ценность 800 ккал (3352
Дж) на килограмм. Картофель содержит белки, жиры,
углеводы, витамины
, С и др. Годовая потребность человека в картофеле 110
кг.
Картофель
является ценным кормом животным и сырьем для химической промышленности.
На
земле картофель возделывают в 52 странах. По занимаемой площади примерно 17,7
га (3 %) картофель занимает 9 место, а по валовому
сбору первое (14 % валового мирового сбора продукции растениеводства). Средний
мировой урожай 136 ц/га (в России - 113 ц/га, Бельгии - 376 ц/га, Швеции - 289
ц/га).
В
России производится примерно 330 кг на каждого человека. Это в 3 раза больше
потребности. Тем не менее, в весеннее и летнее время ощущается дефицит
картофеля. Основная причина такого явления - большие потери клубней при
хранении. В развитых странах мира потери составляют 25 %, а в развивающихся -
достигают 40 %. Суммарные мировые потери клубней примерно равны суммарному
валовому сбору картофеля в странах СНГ и США.
Причины
больших потерь можно разделить на объективные и социальные. Объективные причины
объясняются тем, сочные, богатые углеводами и водой, клубни являются благоприятной
средой обитания для всех групп возбудителей болезней. На клубнях могут обитать
около 10 000 видов грибов, 33 вида вирусов и множество бактерий.
В
процессе эволюции клубни выработали радикальную защитную меру от паразитов -
перидерму (кожуру). Кожура является непреодолимым препятствием для грибов,
вирусов и бактерий. При уборки клубни травмируются и паразиты получают доступ к
питательным веществам. Это приводит к их быстрому размножению, заболеванию и
гибели клубней.
При
хранении выделяют специальный лечебный период, когда идет залечивание
поврежденной перидермы. При активном вентилировании кожура зарастает за 6-15
дней. Всегда нужно стремиться к ускорению нарастания перидермы. Это уменьшает
вероятность загнивания клубней. Для ускорения заживления травм используют
физические и химические воздействия как на клубни, так и на воздушную среду в
хранилище.
В
нашем проекте предлагается модернизация системы вентилирования с использованием
ионизации циркуляционного воздуха. Это позволит ускорить заживление травм
клубней и затормозить распространение инфекции по хранилищу.
2.
Анализ хозяйственной деятельности Учхоза «Заря» ЧГАУ и обоснование темы проекта
Учхоз
расположен в с. Шигаево Сосновского района Челябинской области. Ближайшая
железнодорожная станция Есаульская.
Климат
района умеренно-континентальный. В его формировании важную роль играет
Уральский Хребет, преграждающий путь влажным западным ветрам. Зима холодная,
лето жаркое и сухое с частыми волнами холода и суховея. Среднегодовая
температура +1,3ºС. Среднегодовая температура самого жаркого месяца
(июль) +17,6ºС, а температура холодной пятидневки -29ºС. Зима начинается с 19 октября и заканчивается 25
марта. Снежный покров держится в течении 150 дней, а его глубина равна 400 мм.
В среднем за год выпадает 355 мм осадков.
Основной
отраслью отделения Учхоза является животноводство. Полеводство играет
вспомогательную роль и предназначено для производства кормов. В отделении
работают 128 человек. Во время уборки урожая привлекаются временные работники.
Структура
земельных угодий хозяйства приведена в таблице 2.1.
Пахотные
земли заняты посевами пшеницы, овса, гороха, овощами, картофелем и сеяными
травами. Структура посевных площадей, валовом и товарном сборе сельхозкультур
приведены в таблице 2.2.
Таблица
2.1 Структура площадей
|
Наименование угодий
|
На год обследования, га
|
На ближайшие пять лет, га
|
|
Пашня
|
2351
|
2351
|
|
Луга
|
130
|
130
|
|
Пастбища
|
300
|
300
|
|
Леса и овраги
|
1135
|
1135
|
|
Итого
|
3966
|
3966
|
Таблица 2.2. Структура посевных площадей
|
Наименование
|
Площадь, га
|
Урожайность, ц/га
|
Валовой сбор, ц
|
|
Пшеница
|
728
|
17,7
|
12 900
|
|
Овес
|
180
|
18,6
|
3 320
|
|
Ячмень
|
270
|
13,0
|
3 505
|
|
Горох
|
277
|
13,7
|
3 800
|
|
Свекла
|
22
|
200
|
4 400
|
|
Картофель
|
55
|
125
|
6 890
|
|
Морковь
|
4,5
|
10
|
450
|
|
Кукуруза
|
487
|
224
|
118 500
|
|
Сеяные травы
|
320
|
25
|
8 150
|
|
Ест. сенокос
|
600
|
10
|
6 000
|
Из таблицы 2.2 видно, что урожайность мала. Считается, что производство
картофеля становится рентабельным при урожайности более 250 ц/га, а пшеницы 20
ц/га. Поэтому в хояйстве применяются все методы для увеличения урожайности и
повышения сохранности продукции.
Наиболее полным критерием оценки производственной деятельности является
себестоимость продукции. Численные значения себестоимости некоторых видов
продукции хозяйства приведены в таблице 2.3.
Таблица 2.3 Себестоимость продукции хозяйства (цены 2003 года)
|
Наименование продукции
|
Молоко
|
Мясо
|
Зерно
|
Картофель
|
Овощи
|
Сеяные травы
|
Ест. сенокос
|
|
Себестоимость, руб/ц
|
355
|
3 225
|
99
|
118
|
111
|
40,5
|
66
|
В нашей работе наибольшее влияние уделяется картофелю. Несмотря на
довольно низкую себестоимость производство его нерентабельно из-за больших
потерь при хранении. Имеющееся в хозяйстве хранилище морально и физически
устарело. Потери при хранении достигают 30 %. За базовый вариант примем
хранилище, построенное по типовому проекту 813-76/75, емкостью до 1000 тонн,
что вполне достаточно для нужд хозяйства. Основное назначение хранилища -
расходный склад при ферме на 400 голов. Поэтому в нем предусмотрен пристрой для
мойки и резки корнеплодов.
. Электрификация технологических процессов в хранилище
.1 Описание технологии хранения
Хранилище по типовому проекту 83-76/75 для зоны с наружной температурой
-30ºС полузаглубленное с неполным
железобетонным каркасом и кирпичными стенами.
Расчетная емкость хранилища по фуражному картофелю 980 тонн. Хранение
продукции навальное в условиях активной вентиляции без искусственного
охлаждения.
Водоснабжение, теплоснабжение, электроснабжение и канализация
предусмотрены от сетей хозяйства.
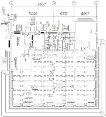
План помещения приведен на рисунке 3.1.
Полезная
площадь застройки 617
. Рабочая площадь 502
.
Подсобная площадь 115
. На 1
тонну хранимой продукции 0,54
.
Овощехранилище
представляет собой в плане прямоугольник с габаритными осями (24
)м. К зданию овощехранилища примыкает помещение
экспедиции с размерами в осях (9
6)м.
Здание одноэтажное. Сетка колонн (6
12)м.
Высота здания от пола до низа балок перекрытия - 4,8 м. Перекрытие здания с
плоской крышей и наружным водоотводом.
Коэффициент
теплоотдачи стен 0,4
, а перекрытия - 0,35
.
Рис.
3.1 План хранилища (М 1:200): I - помещение для мойки и резки корнеплодов;
II - экспедиция
(помещение для выгрузной тележки);
III -
электрощитовая;
IV - венткамера;
V - тамбур;
VI - помещение
хранения
Рис. 3.2 Схема механизации загрузки. План на отм. 0,000. М 1:200
Рис. 3.3 Схема загрузки Т3К30

Рис. 3.4 Схема выгрузки, мойки, резки клубней
Перед загрузкой хранилище дезинфицируют формалином, внутренние
поверхности белят свежегашеной известью с добавлением медного купороса и просушивают.
Загркзка производится с 5 по 25 сентября.
Способ хранения картофеля навальный с высотой насыпи 4 м.
Перед загрузкой в хранилище выделяют (огораживают досками) небольшую
загрузочную площадку. Взвешенные, перебранные и подготовленные к хранению клубни
доставляют в хранилище самосвалом россыпью. Клубни из самосвала высыпаются в
приемный бункер загрузочного транспортера ТЗК-30 (рис. 3.2). Площадка
загружается клубнями. После заполнения одной площадки траспортер выводится,
доски убираются, огораживается очередная загрузочная площадка, и так
продолжается, пока хранилище не заполнят полностью. В конце загрузки ТЗК
выводят из хранилища в тамбур, проем закрывается деревянной стенкой высотой 2,8
м, и производится дозагрузка хранилища (рис.3.2).
Хранение корнеплодов осуществляется в условиях активной вентиляции с
подачей воздуха непосредственно в насыпь «снизу-вверх», что обеспечивает
поддержание заданного температурного режима в массе продукции.
Параметры воздушной среды в хранилище и насыпи корнеплодов в различные
периоды хранения следующие:
- в начальный (лечебный) период продолжительностью 15 дней после
полной загрузки хранилища температура в насыпи поддерживается в пределах 8-19ºС;
- в период охлаждения продолжительностью 15 суток медленно
снижается до +1ºС;
- в
период хранения температура в насыпи корнеплодов поддерживается в пределах -1ºС до +1ºС при влажности
.
Выгрузка корнеплодов из хранилища может производится системой
транспортеров ТХБ-20 или равномерно в течении всего периода хранения по 4 тонны
два раза в день, начиная с декабря. В последнем случае выгружаемая продукция
моется, измельчается, грузится в тракторный прицеп, находящийся в помещении
экспедиции. Подача клубней в мойку, корнерезку производится следующим образом.
Снимаются щиты (доски) разборных стен между помещениями I и VI, корнеплоды высыпаются на пол, а потом самоходным роторным
подборщиком КМХ-01 подаются на ленточный транспортер СТХ-02 в приемный бункер
измельчителя клубней, где они моются и режутся. По мере выгрузки корнеплодов
подборщик вводится в хранилще, и увеличивается число трпнспортеров СТХ-02.
Схема выгрузки, мойки, резки и отгрузки готовой продукции приведены на рисунках
3.3 и 3.4.
Исходные данные для сантехнической части проекта
Расчетные
параметры наружного воздуха
,
.
В
помещении хранения температура +1ºС до -1ºС, а влажность воздуха
.
В
помещении мойки и резки +15ºС,
.
В
электрощитовой, венткамере +12
,
.
В
экспедиции 10ºС и
.
Отопление
в венткамере, электрощитовой, экспедиции и в помещении мойки водяное от
внутренних сетей хозяйства. В качестве нагревательных приборов устанавливаются
радиаторы М140-АО.
В
помещении хранения запроектирован воздушный обогрев
отопительно-рециркуляционными агрегатами с электрокалориферами. Включение и
отключение отопительно-рециркуляционных агрегатов осуществляется автоматически
в зависимости от температуры воздуха в верхней зоне хранилища.
В
помещении хранения предусматривается активная механическая система вентиляции.
Раздача воздуха в массу хранимой продукции «снизу-вверх» через систему каналов
с решетчатым перекрытием (рис. 5).
В
лечебный период вентиляция работает на наружном воздухе. В период зимнего
хранения температура в массе продукции поддерживается работой системы
вентиляции с полной или частичной рециркуляцией внутреннего воздуха.
Расход
воды на производственные нужды принят 2,5
. Напор
на вводе8 м. Производственная канализация для удаления стоков, загрязненных
остатками корнеплодов и земли подведена к измельчителю клубней. Стоки от
измельчителя через прямоток поступают в грязеотстойник, откуда после часового
отстаивания самотеком в хозяйственную канализацию. Для опорожнения отстойника
до уровня осадков устанавливается насос ВХС 1/16. Удаление осадков ручное.
.2
Выбор технологического оборудования
.2.1
Выбор оборудования для загрузки и выгрузки клубней
Загрузка
и выгрузка может быть выполнена транспортером ТЗК-30 или системой транспортеров
ТХБ-20. Транспортер ТЗК-30 позволяет загрузить хранилище с минимумом затрат
ручного труда. Если бы выгрузка осуществлялась непрерывно, то ТЗК-30 можно было
бы использовать и для выгрузки.
В
данном проекте выгрузка производится 2 раза в день по 4 тонны. Выгрузка
производится в проем, соединяющий помещение для мойки с помещением для хранения
(рис.3.3 и рис. 3.4). Учитывая большие размеры ТЗК-30 использовать его при
выгрузке невозможно. Поэтому для выгрузки применяют систему транспортеров
ТХБ-20 с напогабаритным самоходным подборщиком КМХ-01. Технические
характеристики транспортеров приведены в таблице.
.2.2
Выбор оборудования для вентиляции и отопления
Особенностью
приточной вентиляции овощехранилища является то, что она имеет длинные
вентиляционные каналы, а следовательно и большое аэродинамическое сопротивление
(до 400 Па). Поэтому приточные вентиляторы центробежные вентиляторы типа ЦЧ-70.
Величина (номер) вентилятора определяется воздухообменом и количеством
вентиляторов. В подобных хранилищах используют обычно 4 вентилятора.
Окончательно номер вентилятора ЦЧ-70 определим после расчета воздухообмена.
Вытяжные
вентиляторы в овощехранилище выполняют кришными. Это позволяет сократить до
минимума воздуховоды. В овощехранилище чаще всего используют кришние
центробежные вентиляторы типа КЦЗ-90. Для повышения к.п.д., а также для защиты
рабочего колеса от механических повреждений и заносов снегом в вентиляторе
предусмотрен защитный цилиндр и грибообразный кожух. Номер вентилятора зависит
от производительности приточной вентиляции и числа вентиляторов. Исходя из
необходимой равномерности воздушного потока примем 3 вентилятора КЦЗ-90. Номер
вентилятора определим после расчета воздухообмена.
В
помещении мойки и резки предусмотрена естественная вентиляция. На кровле
установлена вытяжная шахта УП1 с дефлектором Т17. Сечение шахты 200
700 мм, высота 2,5 м (от отметки +5,00 до 7,50 м).
.2.3
Выбор оборудования для мойки и резки клубней
В
системе машин для мойки и резки клубней предусмотрены три вида машин. Для резки
предварительно вымытых клубней корнерезка КПИ-4, производительности 4 т/час.
Для
мойки и резки измельчитель кормов ИКС-5м. Для мойки, резки и удаления камней
ИКМ-5.
Основные
технические данные машин приведены в таблице 3.
Таблица
3. Технические характеристики корнерезок.
|
Марка машины
|
Производительность, т/час
|
Установленная мощность, кВт
|
Удельный расход энергии,
кВт ч/тПримечание
|
|
|
КПИ-4 ИКС-5м ИКМ-5
|
4 5 5…8
|
5,5 9 12,9
|
1…1,3 1,15…1,8 1,6…2,5
|
2 эл.дв. 3 эл.дв.
|
Из этих машин выберем ИКМ-5. Эта машина универсальна. Расход
электроэнергии на единицу продукции сопоставим с ИКС-5. Ее производительность
совпадает с производительностью подборщика КХМ-01, установленного в начале
технологической линии.
Максимальная производительность линии приготовления кормов 8 т/ч при
разовой потребности ч т. Линия будет работать 30 минут. Суточная занятость
линии 1 час. Оборудование используется плохо, но других машин нет.
.3 Выбор электроприводов
Описать выбор электроприводов для всех рабочих машин хранилища в
ограниченном объеме дипломного проекта невозможно. Поэтому в проекте выполнен
подробный выбор электропривода только для двух механизмов, а результаты выбора
электропривода для остальных рабочих машин сведены в таблицу 3.
В проекте приведен выбор электропривода механизма работающего в длительном
режиме (моечный шнек корнерезки ИКМ-5) и механизма поворота смесительного
клапана воздуховода, работающего в кратковременном режиме.
.3.1 Выбор электропривода моечного шнека корнерезки ИКМ-5
Машина ИКМ-5 выпускается с тремя электродвигателями общей мощностью 12,5
кВт. Электродвигатель резки мощностью 7,5 кВт, моечного шнека - 2,2 кВт и
насоса - 2,2 кВт. Производительность машины 7 т/ч. Высота подъема готовой
продукции Н=2,05 м. Длина шнека 2,5 м, частота вращения шнека 350 мм, а вала
шнека - 75 мм. Угол наклона шнека 60º.
.3.1.1 Технологическая характеристика
Из анализа разделов 3.1 и 3.2 вытекает, что моечный шнек работает в
помещении с влажной средой, его нагрузка во времени практически не меняется,
частота вращения неизменна. Электропривод пускается на холостом ходу. Из этого
вытекает, что для привода можно использовать асинхронный электродвигатель.
.3.1.2 Кинематическая характеристика
Энергия
от электродвигателя передается у валу ленточного шнека через клиноременную
передачу с передаточным числом
(электродвигатель-первичный
вал редуктора), редуктор РПУ120А с передаточным числом
и цепную передачу с
,
соединяющую вторичный вал редуктора с валом шнека. Общее передаточное число
. Тогда скорость вала электропривода ровна 945 об/мин.
.3.1.3
Энергетическая характеристика
Мощность,
необходимая для моющего шнека, состоит из следующих составляющих: мощность,
расходуемая на преодоление сопротивления трения материала о корпус и подъем
клубней; мощность, необходимая для преодоления сопротивления трения корнеплодов
о шнек; мощность, необходимая для преодоления силы трения в подшипниках;
мощность, необходимая для преодоления сопротивления струи воды и
транспортировки грязи. Рассчитать последнюю составляющую практически
невозможно, поэтому воспользуемся заводскими рекомендациями, и примем мощность,
необходимую для привода моющего шнека равной 1,5 кВт.
Необходимая
мощность электродвигателя определяется по формуле
:
где
- к.п.д. клиноременной передачи,
=0,98;
- к.п.д
редуктора,
=0,88;
- к.п.д.
цепной передачи,
=0,96;
Вт
.3.1.4
Нагрузочная характеристика
Электродвигатель
привода моечного шнека включается на холостом ходу. Передаточный механизм
содержит цепь, редуктор, клиноременную передачу. Естественно, что в каждом
механизме есть зазоры. Поэтому можно считать, что электродвигатель запускается
на холостом ходу.
.3.1.4
Заключение по приводным характеристикам
Анализ
приводных характеристик позволяет сделать следующие выводы:
1. Шнек работает во влажной среде;
2. Регулирования скорости не требуется, поэтому можно выбрать
асинхронный электродвигатель;
. В кинематической схеме имеются упругие элементы и зазоры,
которые существенно облегчают запуск;
. Скорость вала шнека мала, поэтому приведенный момент инерции
мал;
. Режим работы электропривода продолжительный.
.3.1.6 Выбор электродвигателя
Учитывая приводные характеристики, выбираем асинхронный электродвигатель
с короткозамкнутым ротором. Исполнение защиты от воздействия окружающей среды JP44. Электродвигатель будет крепиться
на горизонтальной площадке, поэтому выбираем исполнение двигателя М1001 (на
лапах).
При выборе скорости вала электродвигателя следует учитывать, что чем
больше скорость, тем электродвигатель дешевле и легче. Всегда приходиться
искать компромиссный вариант. Учитывая, что скорость вала рабочей машины всего
10 об/мин, примем электродвигатель с синхронной скоростью 1000 об/мин.
Мощность электродвигателя мала, поэтому выберем его на низкое напряжение
380/220 В.
Таким образом, выбираем электродвигатель АИР 100Д6 мощностью 2,2 кВт и
номинальной скоростью 945 об/мин.
.3.1.7 Выбор аппаратуры управления и защиты
Технологический процесс мойки и резки клубней требует включения и
отключения электродвигателя, защиту его от перегрузки и токов КЗ. Аппаратура
управления и защиты будет расположена в специальном герметичном посту (боксе),
поэтому ее выбираем с исполнением JP00/
Для
защиты от токов КЗ и перегрузки используем автоматический выключатель серии ВА.
Выключатель трех положений, на переменное напряжение 380 В, имеет тепловой и
электромагнитный расцепители. Учитывая величину расчетного тока 5,58 А,
выбираем автоматический выключатель ВЫ51Г-25-34 с
А.
Ток
уставки комбинированного расцепителя
А. Это
близко к току расцепителя автомата 6,3 А. Чтобы выключатель не отключался при
пуске должно соблюдаться условие
.
Ток
срабатывания электромагнитного расцепителя находится как произведение тока
уставки расцепителя
на кратность тока срабатывания расцепителя
. Имеем
А.
Пусковой
ток равен произведению номинального тока электродвигателя
А на кратность пускового тока
.
Имеем
А,
>
А.
Условие
соблюдается. Окончательно выбираем ВА51Г-25-34.
Чтобы
автоматический выключатель ложно не отключался, ток срабатывания выключателя
должен быть больше пускового
.
А
А
Имеем
.
Условие
соблюдается.
Магнитный
пускатель выбираем по напряжению, роду тока, номинальному току, числу
контактов, наличию теплового реле и исполнению защиты от воздействий окружающей
среды. Учитывая напряжение питающей сети ~380, выбираем магнитный пускатель
серии ПМЛ с тремя силовыми контактами, одним блокировочным контактом, без
теплового реле, с током силовых контактов 10 А.
Окончательно
выбираем пускатель ПМЛ 11004.
.3.2
Выбор электропривода смесительного клапана
В
хранилище установлена смесительная камера. В ней наружный воздух смешивается
рециркуляционным. Доля наружного и рециркуляционного воздуха регулируется
положением смесительной заслонки. Она поворачивается на 90º (рис 3).
Для
проектируемого хранилища площадь поперечного сечения вент камеры 800
800 мм.
Рисунок
3 Технологическая схема смесительной камеры
Положение
заслонки зависит от наружной температуры воздуха и температуры внутри бурта
(см. раздел 3.4.2). Скорость поворота заслонки должна быть около 1º в секунду. Быстрое открытие заслонки может привести к
подмораживанию клубней.
Анализ
электроприводов подобных механизмов показал целесообразность использования
готового исполнительного механизма. Исполнительные механизмы выбирают по роду
тока, напряжению, углу поворота и моменту на валу выходного вала.
Механизм
включается в сему управления непосредственно (рис 3 ), поэтому него выбираем на
переменное напряжение 220 В. Момент сопротивления на валу заслонки рассчитаем,
исходя из следующих рассуждений. Масса заслонки определяется по формуле:
где
V - объем заслонки,
;
a, b, c -
длина, ширина и толщина заслонки,м;
-
плотность материала заслонки
;
кг
Предположим, что вся масса сосредоточена в центре заслонки, тогда момент
сопротивления равен:
,
где
- расстояние от оси вращения до центра заслонки,
=0,4 м;
Н
м
Для уменьшения этого момента к оси заслонки привариваем рычаг с
противовесом (рис ). Противовес по валу перемещается. Это позволяет менять его
момент относительно оси вращения. Максимальная длина рычага 0,5 м. Тогда масса
противовеса равна:
кг
Таким образом, при повороте заслонки необходимо преодолеть только силу трения
в опорах заслонки. Мощность, необходимую для преодоления трения, определим по
формуле ( ):
, ( )
где
- суммарная масса заслонки, противовеса, рычага и
вала,
=20 кг;
- диаметр
вала,
=20
м;
n - скорость
поворота вала, n
0,166 об/мин;
Вт
Выбираем
исполнительный механизм ИМ 2/120 с углом поворота 0…120º, время поворота на 90º - 30 секунд. Потребляемая из сети мощность
электродвигателя 25 Вт,
=220 В. Электродвигатель ЭП 93.
хранилище
вентилирование предпосадочный электрообработка картофель
.4 Установка вентиляции и отопления
.4.1 Расчет системы активного вентилирования и отопления
Методика
теплотехнического расчета системы активного вентилирования разработана В.З.
Жаданом. Она основана на термодинамической теории тепловлажностных процессов,
протекающих внутри штабеля хранимой продукции. По этой методике расчет
интенсивности вентиляции для периода охлаждения корнеплодов ведут по отдельным
фазам. Обычно продолжительность одной фазы при охлаждении картофеля принимают
равной
=10 суток. Учитывая сложность этой методики и то, что
детальные теплотехнические расчеты выходят за пределы специальности 3114,
воспользуемся упрощенной методикой.
Для
картофелехранилища, находящегося в районе с расчетной зимней температурой
ºС, минимальная удельная подача вентилирующего воздуха равна
Значит
подача вентилятора для хранилища емкостью М:1000 т равна:
В хранилище емкостью более 5000 т обычно устраивают не менее двух
автономных систем. Примем две системы, тогда производительность одного
вентилятора будет равна:
Расчетное полное давление Па, которое должен развивать вентилятор,
определяют по формуле:
где
1,1 - коэффициент запаса на непредвиденные сопротивления;
- потери
давления на трение и в местных сопротивлениях в районе протяжной ветви
вентиляционной цепи, Па. Применительно к одному сооружению
равна 300 Па.
Гидравлическое
сопротивление насыпи картофеля пропорционально ее высоте h (м)
и определяется по формуле:
Па
Значение
удельного гидравлического сопротивления
для
картофеля определяется по таблице 11.10.
По
напору
и
выбираем
вентилятор типа ЦЧ-70 N8 производительностью
и
Па
Для
определения мощности отопительной установки запишем уравнение теплового
баланса:
где
- тепловой поток на подогрев приточного воздуха, кВт;
-
тепловой поток, теряемый через отражающие конструкции, кВт;
-
тепловой поток от оборудования (5,5 кВт);
-
тепловой поток от продукции, кВт.
Тепловой
поток от продукции находится по формуле:
,
где
м - масса продукции, т;
кВт
Следует
отметить, что масса продукции за период хранения меняется, и теплопоступления
убывают. В пределах нашего проекта этими изменениями пренебрегаем.
Тепловой
поток на подогрев приточного воздуха учесть трудно. В идеале он отсутствует,
так как в холодное время года в хранилище применяется рециркуляционная система
вентиляции. Но в реальных условиях подсос холодного воздуха всегда есть. Примем
величину подсоса равной 0,5 % от Q, т.е.
=250
.
Тогда
кВт
Тепловой
поток через ограждающие конструкции определим по формуле Ньютона
где
- коэффициент теплопередачи ограждающих конструкций,
для стен
и
для перекрытий;
-
разность температур наружного и внутреннего воздуха, для Челябинска
равна 31ºС;
- площадь
ограждающих конструкций, стен - 9,6
,
перекрытий - 576
.
Вт
Подставим
значения потоков в уравнение теплового баланса:
кВт
Выберем
электрокалориферную установку типа С Ф00 10/04 Т.
Расположение
вентиляционного оборудования приведено на рисунке ..
На
рисунке приняты следующие обозначения:
ПУ-1,
ПУ-2, ПУ-3, ПУ-4 - приточные вентиляционные установки на уровне 0,000;
ВУ1,
ВУ2, ВУ3 - вытяжные вентиляторы на отметке +6,500 (крышные вентиляторы);
АО1,
АО2, АО3 - отопительно-рециркуляционные агрегаты на отметке +3,00 (подвеска).
.4.2
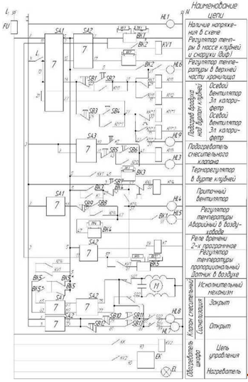
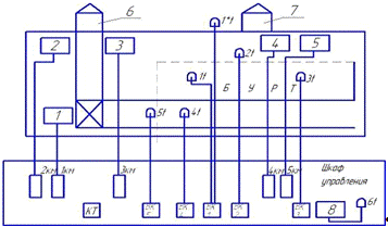
Описание работы электрической принципиальной схемы шкафа управления
температурным режимом в хранилище
В
нашей стране в основном используют системы обеспечения температурного режима в
хранилище с использованием естественного холода. Хранение продукции начинается
в сентябре и заканчивается в июле. Технологический процесс хранения принято
разделять на три периода.
Во
время первого (лечебного) периода травмированные клубни наращивают перидерму,
недозревшие клубни дозревают, и вся продукция просушивается. Продолжительность
лечебного периода 10…15 дней. Оптимальная температура окружающей среды 12…18ºС, а относительная влажность 90..95ºС.
Во
второй период (охлаждение) температуру овощей снижают до оптимальной при
длительном хранении (2…3ºС). Продолжительность периода охлаждения 20…40 дней.
План с нанесением системы вентиляции
Во время третьего периода вентиляция включается по программе. При
увеличении температуры в бурте выше нормы в массу подают смесь наружного и
внутреннего воздуха. При этом следует исключить подмораживание клубней.
Технологическая схема типовой системы управления температурным режимом в
хранилище приведена на рисунке ..
Электрическая схема системы управления температурным режимом
обеспечивает:
1. Автоматическое и ручное управление вентиляционной установкой,
отопительной установкой, смесительным клапаном и подогревателем смесительного
клапана;
2. Аварийную температурную защиту от подмораживания продукции;
. Поддержание температуры на заданном уровне в бурте продукции, в
верхней зоне хранилища и внутри шкафа;
. Защиту электрооборудования от ненормальных режимов;
. Световую сигнализацию о режимах работы оборудования.
Рис. Технологическая схема системы управления температурным режимом в
хранилище
- приточная вентиляционная установка;
- подогреватель смесительного клапана;
- приводное устройство смесительного клапана;
, 5 - электрокалориферная установка;
- приточная шахта;
- вытяжная шахта;
- обогреватель шкафа с терморегулятором 6t;
км - станция управления приточным вентилятором;
км - станция управления подогревателем смесителя;
км - станция управления смесительным клапаном;
км, 5 км - станцим управления электрокалориферной установкой;
КТ - двух программное реле времени;
ВК5 - регулятор температуры пропорциональный с датчиком 5t;
ВК4 - регулятор температуры аварийный с датчиком 4t;
ВК1 - регулятор температуры дифференциальный с датчиками 1t и 1*t;
ВК2 - регулятор температуры с датчиком 2t в верхней зоне хранилища;
ВК3 - - регулятор температуры с датчиком 3t в бурте.
Ручное управление.
Рукоятку переключателя SA1
ставят в положение 2 (ручное), SA3 -
в положение 2 (ручное), все приборы (за исключением терморегулятора ВК4)
отключены. Приточным вентилятором, рециркуляционным отопительным агрегатом и
обогревателем смесительного клапана управляют при помощи кнопочных станций SB, установленных на лицевой панели
шкафа. Кнопочная станция управления смесительным клапаном установлена вблизи
него. Если температура воздуха в воздуховоде будет ниже нормы, терморегулятор
ВК4 отключит приточный вентилятор.
Ручным управлением пользуются для проверки и настройки отдельных
агрегатов и при неисправности терморегуляторов.
Автоматическое управление.
Оно обеспечивает три режима хранения: лечебный, охлаждения и длительного
хранения.
В лечебном режиме переключатели устанавливают в следующие положения: SA1 - в положение 1 (автоматическое); SA2 - в положение 0 (лечебный); SA3 - в нулевое, ибо в этот период исключено
примерзание клапана. Реле времени КТ управляет только приточным вентилятором
(КМИ). Рециркуляционный отопительный агрегат отключен, а смесительный клапан
закрыт.
В период охлаждения переключатели устанавливают в положения: SA1 в положение 1 (автоматическое); SA2 - в положение 1 (охлаждение); SA3 - в положение 1 (автоматика). Если
температура наружного воздуха меньше, чем в массе продукта, то терморегулятор
ВК1 замыкает свои контакты в цепи катушки KV1 и регулятор ВК3 получает питание. Если температура внутри
бурта больше нормы, контакты ВК3 в цепи КМ4 замыкаются, и магнитный пускатель
КМ4 включает электродвигатель приточного вентилятора. Вентилятор подает воздух
в бурт до тех пор, пока температура наружного воздуха ниже температуры бурта
или когда температура в бурте хранимой продукции не достигнет заданного уровня
(срабатывает ВК3). При включенном электродвигателе вентилятора через
блок-контакты КМ4 получает питание устройство сигнальное HL4 (вентилятор включен) и
терморегулятор ВК5, а размыкающиеся контакты KV1 и КМ4 препятствуют включению смесительного клапана на
закрытие. В воздуховод поступает смесь наружного и внутреннего воздуха.
Положение клапана определяется положением терморегулятора ВК5. При высокой
наружной температуре реле KV1 не
получает питания. В этом случае пускатель вентилятора КМ4 получает питание
через контакты реле времени КТ. При этом смесительный клапан закрыт.
В период основного хранения переключатели устанавливают в следующем
положении: SA1 - в положение 1 (автоматическое); SA2 - в положение 2 (хранение); SA3 - в положение 1 (автоматика).
Следует заметить, что SA3
устанавливают в положение 1 только при наружной температуре воздуха ниже -15ºС. При более высокой температуре
клапан не примерзает, и нет необходимости его обогревать. Приточный вентилятор
включается 4-6 раз в сутки для снятия температурного градиента в бурте. Реле
времени КТ замыкает свои контакты в цепи катушки пускателя КМ4. Замыкающиеся
контакты КМ4 в цепи ВК2 замыкаются. Терморегулятор ВК2 через замкнувшиеся контакты
КМ4 и переключатель SA1 получает
питание. В зависимости от температуры в верхней зоне хранилища включается или
отключается отопительный рециркуляционный агрегат.
Остальная часть схемы работает аналогично режиму охлаждения. Следует
отметить, что отопительный рециркуляционный агрегат работает только при
закрытом клапане. Время работы программ реле времени сдвинуто на 20 минут.
Вторая включается раньше. Этого времени достаточно для подогрева клапана.
Схема электрическая принципиальная шкафа управления температурным режимом
в хранилище овощей
3.5 Расчет осветительной установки хранилища
Пользуясь планом хранилища, установим исходные данные для проектирования,
размеры, среду, коэффициенты отражения ограждающих конструкций. Результаты
сведем в таблицу 3.
Таблица 3. Характеристика помещений хранилища
|
Наименование помещения
|
Площадь, Длина, мШирина, мВысота, мСредаКоэффициенты
отражения
|
|
|
|
|
|
|
Помещение хранения
|
432
|
24
|
18
|
4,8
|
сырое
|
30,30,10
|
|
Тамбур
|
48
|
8
|
6
|
4,8
|
сырое
|
30,30,10
|
|
Помещение мойки и резки
|
36
|
6
|
6
|
4,8
|
сырое
|
30,30,10
|
|
Электрощитовая
|
18
|
6
|
3
|
4,8
|
сухое
|
50,30,10
|
|
Венткамера
|
48
|
8
|
6
|
4,8
|
сырое
|
30,30,10
|
|
Экспедиция
|
54
|
9
|
6
|
4,8
|
сырое
|
30,30,10
|
|
Площадка перед входом
|
6
|
3
|
2
|
4
|
сырое
|
0,0,0
|
Учитывая характер выполняемых работ во всех помещениях, выбираем общую
равномерную систему освещения. Вид освещения - рабочее освещение. Нормируемую
освещенность выбираем по отраслевым нормам: в помещении хранения - 20 лк; в
помещении мойки и резки - 150 лк; в экспедиции - 30 лк; в электрощитовой - 75
лк; в вентиляционной - 20 лк, в тамбуре - 20 лк; на входной площадке - 2 лк.
Коэффициент запаса для светильников с лампами накаливания равен 1,15…1,7,
а для ГРЛ - 1,3…2,0. Для помещения хранения в отраслевых нормах
предусматриваются светильники с лампами накаливания. С момента выхода
отраслевых норм появились светильники с лампами ДРЛ малой мощности 50, 80 и 125
Вт, которые рекомендуют использовать в сельскохозяйственных помещениях вместо
светильников с лампами накаливания.
В данном проекте принята освещенность из отраслевых норм для ламп
накаливания, а будет использоваться ГРЛ, для которых норм нет. Чтобы
скомпенсировать ухудшение качества освещения увеличим коэффициент запаса до1,7
(вместо 1,15 по отраслевым нормам).
Выбор световых приборов является сложной технико-экономической задачей.
Для упрощения этой задачи сначала выберем СП по исполнению защиты от
воздействия окружающей среды УР. Все помещения (кроме электрощитовой) сырые,
поэтому будем отбирать светильники с УР 53 и 54: НСР01, НСП02, НСП03, ПСХ,
НПП02, НПП03, НСП21, ВСГ-300, НЧБ, РПП01.
Для электрощитовой можно использовать более легкое исполнение, но,
учитывая, что в ней чисто СП мало, а эксплуатация однотипных светильников менее
запретна, примем такие же СП.
Помещение хранилища высокие, а стены плохо отражают световой поток.
Поэтому выбираем СП с КСС-Д (в электрощитовой и площадкой перед входом можно с
КСС-М). Из перечисленных этому условию удовлетворяют светильники ДПП01, ПСХ,
ВСГ-300, НЧБ300, а для электрощитовой еще и НСП02 и НСП03.
Светильник
РПП01 имеет наибольший
=65 %. Его и выбираем. Для электрощитовой и площадки
перед входом можно еще использовать НСП02 и НСП03.
Мощность
осветительной установки в электрощитовой и на площадки перед входом определим
точечным методом. В электрощитовой нормируется освещенность в вертикальной
плоскости, а осветительная установка площадки относится к наружным установкам,
в которых нормируется минимальная освещенность.
Мощность
осветительной установки других помещений определяем методом коэффициента
использования, ибо в них нет высоких затеняющих предметов, и нормируется
горизонтальная освещенность.
Для
сокращения текстового материала подробный расчет выполним только для помещения
хранения и площадки перед входом. Результаты расчета для остальных помещений
сведем в светотехническую ведомость.
.5.1
Расчет мощности ОУ помещения хранения
Светильники
обычно размещают вершинам квадратов или ромбов. Сторона ромба определяется по
формуле
где
и
-
относительное светотехническое и энергетическое расстояние между светильниками,
=1,4,
=1,6;
-
расчетная высота, м.
Значение
определяется по формуле ( ):
где
Н - высота помещения, Н=4,8 м;
- высота
свеса,
= 0,0 м;
- высота
рабочей поверхности,
=0.
м
Принимаем
6,5 м.
Число
рядов
ряда.
Примем
4 ряда.
Число
светильников в ряду
Примем
3 штуки.
Общее
число светильников равно
штук.
Рассчитаем фактическое расстояние между светильниками. Примем расстояние
между стеной и крайним светильником равным 2 метрам, тогда расстояние между СП
равно 5 м. Схема размещения 2+5+5+5+5+2=24 м. По ширине расстояние от стены до
крайнего светильника 1,5 м. Схема размещения рядов 1,5+5+5+5+1,5=18 м.
Мощность осветительной установки определим методом коэффициента
использования, потому что нормируется горизонтальная освещенность, высоких
затеняющих предметов нет, а ограждающие конструкции в период закладки имеют
сравнительно высокий коэффициент отражения.
Рассчитаем индекс помещения
По
индексу помещения,
=30,
=30,
=10, и типу светильника РПП01 находим значение
коэффициента использования
=0,43
Определяем
поток лампы в светильнике
где
- нормированная освещенность, лк;
А
- площадь помещения,
;
-
коэффициент запаса,
=1,7;
N - число
светильников;
-
коэффициента использования.
лм
По каталогу находим лампу ДРЛ: Р=80, Ф=3600 лм. Проверим отклонение от
расчетного значения
,1<0,15<0,2
Условие
соблюдается. Выбираем светильник РПП01 с лампой ДРЛ80. Установленная мощность
Вт
Удельная
мощность
Вт
Результаты расчета сводим в светотехническую ведомость.
.5.2 Расчет мощности ОУ площадки перед входом
Учитывая малую нормируемую освещенность и рассуждения в начале раздела
3.5, выберем светильник НСП03. Светильник располагается над дверями на высоте 4
м. Назначим расчетную точку в углу площадки (рис..).
Рисунок 3. К расчету освещенности площадки перед входом
Рассчитаем
угол между вертикалью и направлением силы света
в
расчетную точку А от светильника
. Из
рисунка 3… следует, что
,
где
м;
=4 м.
Рассчитаем
условную освещенность в расчетной точке А
где
- условная сила света,
=150 кд.
Вычислим
условную освещенность
лк
Световой
поток лампы в светильнике рассчитывается по формуле
где
- кпд светильника,
=0,65;
-
коэффициент запаса,
=1,1,3;
-
световой поток условной лампы.
лм
Из каталога выбираем лампу типа Б 230-240-60 с потоком Ф=705 лм. Проверим
отклонение от расчетного значения
,1<
<+0,2
,1<0,05<+0,2
Условие
соблюдается. Установленная мощность 60 Вт. Удельная мощность
Вт.
Результаты расчета сводим в светотехническую ведомость.
.6 Устройство для предпосадочной электрообработки семенного картофеля
.6.1 Технология подготовки семенного картофеля к посадке
Подготовка семенного материала картофеля один из сложных в
организационном и техническом исполнения процессов. От своевременной и
правильной подготовки семян зависят сроки и качество посадки,
производительность посадочных агрегатов и урожай картофеля. Подготовку семенного
картофеля проводят по одной из нескольких технологий (рис.3..).
Наиболее часто семенной материал картофеля. готовят по схеме А. Но при
этом нарушаются агротехнические требования подготовки семенного материала.
Механические повреждения семенных клубней отсортированных с осени составляют
30…40 %. При подготовке семенного материала одновременно с посадкой не
выполняются такие важные агротехнические приемы, как воздухо-тепловой обогрев,
обработка ядохимикатами и стимуляторами роста. Кроме того, часто бывает трудно
обеспечить бесперебойную работу картофелесажалок. Применение бункеров
накопителей вариант А-2 позволяет избавится от последнего недостатка.
Подготовка семенного материала но технологии Б-3 полностью соответствует
агротребованиям и требованиям индустриальной технологии - исключаются простои
сажалок за счет накопления заранее подготовленного материала и обеспечивается
повторный контроль качества клубней после прогрева.
Вариант технологии Б-4 принимают в случае, если семенной материал был
обработан защитно-стимулирующими средствами в процессе калибровки перед
укладкой на площадку для воздушно-теплового обогрева.
.6.2 Требования к семенному картофелю
У картофеля очень велика зависимость величины урожая от качества
посадочных клубней, так как в них откладывается большое количество питательных
веществ, обеспечивающие не только начальное питание проростка, но и развитие в
последующей период.
Качество семенного картофеля регламентируется ГОСТом 7001-66
"Картофель семенной. Сортовые и посевные качества».
Стандарт подразделяет семенной картофель на три категории и два класса.
Категоричность семян определяется наличием в посеве примесей растений других
сортов и пораженность болезнями.
Рисунок3… Технология подготовки семенного картофеля
Для
первой категории сортовая чистота
и наличие
больных растений
. Во всех категориях не допускается наличие карантинных
болезней и сельскохозяйственных вредителей.
Классность
семян определяется размерами клубней их массой, нормой, наличием больных и
поврежденных клубней. Минимальные размеры посадочных клубней должны быть
мм.. В партии посадочных клубней допускается наличие
клубней, проходящих минимальную мерку не более 3 %.
При
подготовке семенного материала должнны быть выполнены следующие основные
агротехнические требования: клубни целые, сухие, чистые, здоровые, типичные по
форме для данного сорта и откалиброванные на фракции: 20…25 г (мелкие), 51…80 г
(средние) и 81…1000 г (крупные).
В
каждой фракции допускается не более 10 % по массе клубней смежных фракций;
примесь крупных клубней (массой
100 г.)
не более 2 %, поскольку они накапливаются в питателе картофелесажалки и
ухудшают процесс посадки; механически поврежденных клубней должно быть меньше 3
%; примесь прилипшей почвы не должно превышать 1%.
.6.3
Физические воздействия, применяемые для обработки клубней
Одной
из биологических особенностей картофеля является вегетативное размножение. В
клубнях, используемых для этой цели, и послеуборочный период и в процессе
зимнего хранения протекают сложные биохимические изменения. Убранные клубни
картофеля в период хранения претерпевают две фазы: первая-покой, когда клубни
не прорастают даже при наличии оптимальных для роста условии внешней среды;
вторая-период отдыха, или естественный покой, который связан с отсутствием
оптимальных условий для прорастания. В нормальных условиях период покоя клубней
обусловлен взаимоотношением физиологически активных веществ: ауксинов,
гибберелинов, ингибиторов.
В
период хранения соотношение между данными ростостимулирующими и
ростоингибирующими веществами изменяется. Процесс прорастания связан с
повышенной интенсивностью газообмена, изменением РН среды в низкую сторону и
усилением активности ферментов. Изменяя условия хранение клубней можно
направленно влиять на характер прорастания. Это достигают посредством обработки
клубней различными физическими способами.
Известны
многие физические способы воздействия на клубни с целью их стимуляции:
обработка потоком ускоренных электронов; гамма и рентген облучение; обработка в
электрическом поле и оптическим излучением.
Установлено, что электронное облучение вызывает резкое возрастание
интенсивности дыхания клубней и усиление активности пероксидазы в зоне глазков
клубней. Обработка ускоренными электронами (оптимальными дозами за 3...4 дня до
посадки) повышает урожайность клубней картофеля на 10…12 %. Обработка гамма и
рентген лучами приводит к аналогичным результатам. Существенным недостатком
перечисленных методов воздействия является большая опасность облучения
обслуживающего персонала, необходимость строгого дозирования облучения (иначе
может наступить угнетение), сжижение естественных защитных свойств клубней.
Поэтому эти методу воздействия не получили широкого распространения в практике.
Оптическое излучение вызывает в биологических объектах фотохимические реакции.
Наиболее интенсивно эти реакции протекают при об лучении ультрафиолетовыми (УФ)
лучами. При малых дозах облучения биологические объекты стимулируются, а при
больших гибнут. Для УФ лучей, как биологического объекта, характерно длительное
последствие (спустя 7...18 дней после воздействия). Применение УФ лучей для
обработки семян и корнеклубнеплодов сдерживается быстрым снижением УФ потока
источников (ламп) из-за озонирования воздуха и загрязнения колбы ламп.
К настоящему времени установлено, что из всех разновидностей
электрических полей наиболее универсально (с точки зрения воздействия на
биологические объекты) электрическое поле коронного разряда.
Обработка семян в электрическом поле коронного разряда повышает окислительно-восстановительные
биопотенциалы в начальный период развития растений, способствует интенсификации
физиологических процессов.
Рис…. Классификационная схема способов воздействия на картофель при
хранении
.6.4 Устройство для электрообработки
Обзор литературы и патентный анализ (табл.3..) показал, что
предпосадочную электрообработку семенных клубней картофеля проводят по
технологии, изображенной на рис 3... Клубни 2 поступают на транспортер 1 и
вносятся в электрическое поле коронного разряда, образованное между заземленной
плоскостью 4 и коронирующим электродом 3. Высокое напряжение на электроды
подается от высоковольтного источника постоянного напряжения. Минусовой вывод
источника соединяется с коронирующим электродом. Скорость перемещения и длина
системы электродов выбираются такими, чтобы обеспечить пребывание клубней в
электрическое поле в течение 3…5 секунд. В качестве коронирующего электрода
может быть использованы иглы (игольчатый электрод) или нихромовый провод
(проволочный электрод). Межэлектродное расстояние выбирается таким, чтобы
обеспечить предробивную напряженность промежутка при действующем напряжении на
электродах 40…50 кВ. Кроме этого минимальное межэлектродное расстояние
обуславливается и размерами клубней. Межэлектродное расстояние должно в 2…3
раза превышать наибольший размер клубня.
Установлено, что качество обработки клубней несколько улучшается, если
они, находясь в электрическом поле вращаются вокруг своей оси. Т.е. клубни
должны подставлять под поток ионов вес свои стороны.
При подготовке семенного материала к электрообработке должны быть
выполнены следующие требования:
- клубни целые, сухие, чистые, здоровые и откалиброваны по размерам на
фракции ( в противном случае распределение напряженности электрического поля
будет неравномерно);
- клубни не должны иметь больших ростков, так как они могут
вызвать короткое замыкание.
Подача клубней в устройство должна быть равномерной и в один слой.
Электрообработку следует проводить за 1…12 дней до посадки.
Рисунок 3.. Технологическая схема предпосадочной электрообработки клубней
Из анализа технологии подготовки семенного картофеля следует, что во всех
их есть процесс транспортировки клубней. Для этого используются транспортеры.
При большом разнообразии их конструкций эти транспортеры можно разделить на две
группы: с просеивающим полотном и со сплошным полотном (непросеивающие).
Загрузочные транспортеры могут быть выполнены в виде самостоятельного агрегата
или входить в машину в виде ее отдельного узла, как это имеет место в
сортировальном пункте КСП-15 Б или в бункерах накопителях с транспортной
выгрузкой. В качестве самостоятельных транспортеров клубней используются
транспортеры типа ТЗК-30 и ТПЛ-30. С точки зрения предпосадочной обработки
клубней картофеля в поле коронного разряда пригодны все эти транспортеры.
В существующей технологии предпосадочной подготовки клубней наиболее
удобное место для электрообработки - вьгрузные транспортеры
картофелесортировальных столов и бункеров накопителей. В соответствии с
технологиями подготовки клубней к посадке (рис.3..), место установки
электрообрабатывающего устройства:
А1 на транспортерах загрузчиках;
А2 на транспортерах загрузчиках;
Б3 на транспортерах загрузчиках;
Б4 на транспортерах загрузчиках.
Учитывая различную производительность используемых транспортеров, а так
же возможную их модернизацию (например, КСП-15 Б будет заменен на КСП-25).
Устройство для электрообработки должно иметь несколько модификаций,
отличающихся друг от друга шириной. Или необходимо предусмотреть универсальный
(регулируемый по ширине) узел крепления электрообрабатывающего устройства и
перенастраиваемую по ширине систему электродов.
На рисунке 3.. в качестве некоронирующего электрода указана заземленная
плоскость 4. Исследованиями, проведенными на кафедре ПЭССХ ЧИМЭСХ установлено,
что лента транспортеров обладает значительной производимостью. Это навело на
мысль отказаться от дополнительной металлической заземленной плоскости,
устанавливаемой под лентой транспортера.
Проверка (на выгрузном транспортере КСП-15 Б) показала, что исключение
металлического листа из конструкции устройства не приводит к существенному
снижению электрического тока, т.е. к существенному снижению параметров
электрического режима в зоне обработки (различие в точках составило 2…7 %, а
напряженность поля в зоне обработки при этом несколько повышается). При этом
улучшается качество обработки. Клубни поворачиваются под поток ионов всеми
сторонами, а электрический ток разветвляется внутри клубня (как минимум на две
ветви - по числу точек касания клубня с роликами).
Расчет коронирующей системы сводится к определению межэлектродного
расстояния Н, расстояния между коронирующими проводами d, общей длины коронирующего привода, необходимого напряжения
высоковольтного источника и тока короны.
Общая
длина коронирующего электрода зависит от скорости движения ленты транспортера
(обычно
), ширины транспортера, времени обработки (3…5 с) и расстояние
между коронирующими проводами. В целях обеспечения равномерности обработки
примем Н=
м, тогда расстояние между проволоками будет равно
м
Длина
коронирующего электрода определится как произведение скорости ленты на время
обработки
м
Примем
L=2 м. Число коронирующих проволок
шт
Общая
длина провода
м
Диаметр
коронирующего провода
м
Рассчитаем
начальную напряженность коронного разряда, начальное напряжение и ток коронного
разряда. Для этого зададимся параметрами: диаметр коронирующего электрода
примем равным 0,2 мм; расстояние h между коронирующим и некоронирующим электродами
равным 0,15 м; расстояние L между коронирующими электродами 0,12 м.
Начальную
напряженность определим по формуле Пика
где
- относительная плотность воздуха (
=1 при давлении 760 мм рт.ст. и температуре 25ºС);
- радиус
коронирующего проводника, см.
кВ/см
Начальное
напряжение короны:
, ( )
Ток
короны на единицу длины провода для поля «провод-плоскость»:
где
- постоянное напряжение.
Для
удобства нахождения любого параметра из формул ( ), ( ), ( ) построим
зависимости
при h=0,01 м и
,
при
=0,001 м
и h=
,
,
.
Данные
для построения сведем в таблицы.
,
Рисунок
3… Графики зависимостей
при d=0,001 м и h=
Таблица
3.. Расчетные данные для построения зависимостей
при d=0,001
м и h=
|
h=0.125 м
|
, А/м00,311,630,496,690,3131,4179,8
|
|
|
|
|
|
|
|
|
|
, В9,810152025303540
|
|
|
|
|
|
|
|
|
|
h=0.1 м
|
, А/м00,9519,449,792146,5212,5290,6
|
|
|
|
|
|
|
|
|
|
, В9,610152025303540
|
|
|
|
|
|
|
|
|
|
h=0.075 м
|
, А/м03,598,495,4174,6275,8399544
|
|
|
|
|
|
|
|
|
|
, В9,210152025303540
|
|
|
|
|
|
|
|
|
м
м
м
Рисунок
3… Графики зависимостей
при h=0, 1 м и
=
Таблица
3.. Расчетные данные для построения зависимостей
при h=0,
1 м и
=
|
м ,
А/м00,9519,449,792146,3212,5290,6
|
|
|
|
|
|
|
|
|
|
|
, В9,6101920253035840
|
|
|
|
|
|
|
|
|
|
м ,
В03,923,25496,4150,4215,8293
|
|
|
|
|
|
|
|
|
|
|
, А/м8,310192025303540
|
|
|
|
|
|
|
|
|
|
м ,
А/м0726,957,899,6152,4216,1290,1
|
|
|
|
|
|
|
|
|
|
|
, В6,810192025303540
|
|
|
|
|
|
|
|
|
Общий ток короны равен произведению тока с единицы длины провода
А
Выбираем
источник высокого напряжения ИПЦГ 271355 постоянного тока 50 кВ и ток на
напряжение
А. Источник разработан институтом НИИЭТ г. Тбилиси.
Его электрическая принципиальная схема приведена на рис 3

Рис 3.. Схема электрическая принципиальная высоковольтного источника ПДС
ИПЦГ 271355
Таблица…. Справка о патентном поиске по теме «Обоснование технических
решений устройства предпосадочной электрообработки семенного картофеля»
|
Предмет поиска
|
Страна поиска
|
Классификационные индексы
|
По фонду какой организации
проведен поиск
|
Источники информации
|
|
|
|
|
Научно-техническая
документация, наименование, выходные данные с указанием пределов просмотра
|
Патентная документация
наименование с указанием пределов просмотра
|
|
Устройства и способы для
предпосевной обработки
|
СССР
|
Приняты по регламенту поиска
(графы 4,5)
|
Челябинская областная
универсальная научная библиотека Челябинский институт механизации и
электрификации сельского хозяйства
|
Реферативный журнал ВИНИТИ
21М «Электрификация и автоматизация сельского хозяйства» 1955…1985
Систематический указатель «Сельскохозяйственная литература СССР» 1955…1985
|
Принята по регламенту поиска
|
|
Великобритания
|
То же
|
То же
|
То же
|
То же
|
|
США
|
То же
|
То же
|
То же
|
То же
|
|
Франция
|
То же
|
То же
|
То же
|
То же
|
|
Япония
|
То же
|
То же
|
То же
|
То же
|
Таблица … Патентная документация, отобранная для последующего анализа
|
Предмет поиска
|
Страна поиска
|
Вид и номер охранного документа
|
Классификационные индексы
|
Источники информации
|
|
|
|
|
Заявитель, номер заявки,
дата приоритета, конвекционный приоритет, дата публикации
|
Сущность заявленного
технического решения и цели его создания
|
|
1
|
2
|
3
|
4
|
5
|
6
|
|
Устройства и способы для
предпосевной обработки семенного материала
|
СССР
|
Авторское свидетельство
(А.с) 42756
|
45е,4
|
Устройство для стерилизации
и стимуляции зерна комплексом воздействия тихого разряда
|
|
То же
|
А. с. 188194
|
AOI G
|
В.Н. Шмигель, В.Г. Рахманин,
А.В. Лаптев 884763/30-15 26.11.64 г. 20.10.66 г.
|
Машина для предпосевной
обработки сеямян в электростатическом поле, в котором с целью упрощения
конструкции лента транспортера выполнена металлической и заземлена через
приводные барабаны, а с целью выравнивания слоя семян лента оборудована
синхронно движущимися с ней цепями, звенья которых выполнены из
электро-изоляционного материала
|
|
Великобритания
|
Патент 1069270
|
AOIG 1/100 А2а, В2 J10
|
Technoimpem
MAGYAR Gepipari Kolkereskede LMI Vallalat Л47973/63
|
Устройство для предпосевной
обработки, движущаяся рабочая поверхность наклонена, и над ней установлены
средства зарядки семян с возможностью регулирования их положения относительно
поверхности
|
|
СССР
|
А.с. 231256
|
AOI G
|
А.В. Лаптев В.Н. Шмигель,
В.Г. Рахманин 115659/30-15 03.06.65 г. 15.11.68 г.
|
Машина для предпосевной
обработки семян в электрическом поле, в которой с целью упрощения конструкции
и облегчения эксплуатации машины транспортная лента выполнена с
неметаллической основой со слоем нанесенного на ее поверхность металла, а с
целью обеспечения прохождения тока слои металла, нанесенные на наружную и
внутреннюю поверхность
|
|
|
|
|
|
ленты, соединены проходящими
через ленту металлическими заклепками
|
|
Великобритания
|
Патент 1090011
|
AOIG 1/100 В2 J18
|
Technoimpex
MAGYAR Gepipari Kolkereskede LMI Vallalat 20752/66 10.05.1966 08.11.1967
|
Устройство для обработки
семян, в котором семена подвергаются обработке электрическим полем на
горизонтальной рабочей поверхности за счет расположения средств зарядки над
этой поверхностью
|
|
Устройства и способы для
предпосевной обработки семенного материала
|
СССР
|
А.с. 328849
|
AOIС
1/100
|
Литовский НИИ МЭСХ
146503/30-15 30.08.70 9.02.72
|
Способ предпосевной
обработки семян обработки семян, в котором с целью повышения посевных качеств
семян напряжение в каждом цикле пульсации поля снижают по затухающему
колебанию
|
|
СССР
|
А.с. 665834
|
AOIС
1/100
|
В.М.Ким Б.П. Копылов
Ю.В.Белотелов 2517152 11.08.77 8.06.79
|
Машина для предпосевной
обработки семян в электрическом поле, в которой с целью повышения
эффективности обработки поте6нциальные электроды выполнены в виде шайб,
которые насажены на полые перфорированные стержни и разделены распорными
втулками
|
|
СССР
|
А.с. 680 680
|
AOI С 1/100
|
ЧИМЭСХ 2510347/30-15
21.07.77 25.08.79
|
Транспортер для переборки
картофеля, в котором с целью обеспечения обработки посадочного картофеля
электрическим полем по обеим сторонам выходного участка рабочей ветви
бесконечной ленты параллельно установлены электроды, помещенные в кожух и
прикрепленные к ней
|
|
СССР
|
А.с. 721031
|
AOI G 7/04
|
ЧИМЭСХ 2676673/30-15
23.10.78 15.03.80
|
Машина для предпосевной
обработки семян в электрическом поле, в которой с целью повышения
производительности используется дополнительный потенциальный электрод,
установленный над нижней ветвью транспортной ленты, выполненной со сквозными
ячейками
|
|
СССР
|
А.с. 880 287
|
AOI С 1/100
|
Курганский НИИ зернового
хозяйства 2911091 19.02.80 15.11.81
|
Способ предпосевной
обработки семян путем воздействия на них поля коронного разряда, в котором с
целью повышения урожайности и увеличения устойчивости растения к полеганию
после воздействия полем коронного разряда семена обрабатывают 30-40 %-ным
раствором хлорхолинхлорида в дозе 10-15 л на 1 т семян через 15 дней после
воздействия полем коронного разряда
|
|
СССР
|
А.с. 986 311
|
AOI С 1/100
|
В.П. Федоров В.И. Анасенко
В.П. краденов М.С. Тургенбаев В.А. Ларин Г.П. Дорохов 3345237/30-15 06.10.81
07.01.83
|
Машина для предпосевной
обработки семян в электрическом поле, в которой с целью повышения
эффективности обработки за счет равномерного распределения корнеплодов в один
слой по всей ширине осадительного электрода она снабжена распределителем,
который установлен между загрузочным устройством и осадительным электродом и
выполнен в виде трапецеидального желоба с меньшим основанием в верхней части
с отогнутыми по отношению к его центральной части боковыми частями дна и с
вертикально установленными на нижнем конце желоба веерообразно расходящимися
разделителями, между которыми размещены выравниватели, выполненные в виде
упругих элементов
|
|
Франция
|
Патент 2511219
|
AOI С 1/100
|
13.01.81 18.02.83
|
Способ и устройство для
стимулирования прорастания семян, в котором с целью стимуляции семян растений
с аэробным метаболизмом семена подвергают ионизированному действию источника
высокого напряжения с контролируемыми параметрами,
|
|
Устройства и способы для
предпосевной обработки семенного материала
|
|
|
|
|
обеспечивающим оптимальное
состояние окислительной ионизации в условиях нормального или повышенного
давления в газовой среде определенного состава
|
|
ВНР
|
РСТ (Wр)
(Международная заявка 84) 00872
|
AOI С 1/100
|
30.08.82 15.03.84
|
Способ и устройство для
повышения биологической ценности семян в сельском хозяйстве, в котором с
целью стабилизации индуцированных полей семена после воздействия поляризующего
электрического поля минимум трое суток выдерживают в электроизолированных
условиях
|
Таблица Научно-техническая документация, отобранная для последующего
анализа
|
Наименование источников
информации
|
Автор (ы)
|
Год, место и орган издания
|
|
Влияние обработки клубней
картофеля электрическими полями на некоторые показатели урожая
|
Шмигель В.Н Потанина Н.Д
|
Труды ЧИМЭСХ, вып.25, 1967
|
|
Результаты предпосадочной
обработки клубней картофеля на электроклубнеобрабатывающей машине ЭКМ-ТБ
|
Дорохов Г.П. Гиринский В.В
Северский Б.С.
|
Труды ЧИМЭСХ, вып.61, 1972
|
|
Результаты предпосевной
обработки клубней картофеля электрическими полями
|
Шмигель В.Н. Коваленко А.Ф.
Бабицин Г.С.
|
Труды ЧИМЭСХ, вып.31, 1968
|
|
Эксплуатационные особенности
машин для предпосадочной обработки клубней картофеля электрическим полем
|
Гиринский В.В Северский Б.С.
Дорохов Г.П. Шмигель В.Н.
|
Труды ЧИМЭСХ, вып.65, 1972
|
|
Влияние предпосадочной
обработки клубней электрическими полями на урожай и качество картофеля
|
Бобров Л.Г. Капустин В.М.
|
Вестник сельскохозяйственной
науки Казахстана, 1967, №2
|
|
Предпосадочная обработка
картофеля электрическим полем
|
Басов А.М. Каменир Э.А.
Миронова А.Н. Коваленко А.Ф.
|
Вестник сельскохозяйственной
науки, 1978, №11
|
|
Влияние электробработки
картофеля на прорастание клубней
|
Сванидзе С.С.
|
Хранение и переработка
картофеля, овощей и плодов, винограда.-М.:Колос,1979
|
|
Агротехнические рекомендации
по предпосадочной обработке семенных клубней картофеля электрическим полем
постоянного тока
|
ОПУСХ ЧИМЭСХ
|
Челябинск,1979
|
|
Обработка семян в
электрическом поле
|
Стафутин В. и др.
|
Сельский механизатор,1980,
№5
|
|
Электрокоронная приставка к
КСП-15
|
Голдаев В.С. Пупов Н.В.
Турланов А.В.
|
Картофель и овощи, 1980, №8
|
|
Предпосадочная обработка
клубней коронным разрядом
|
Серегина Т.М. Петров А.Ф.
Батыгин Н.Ф.
|
Картофель и овощи, 1983, №1
|
|
Перспективы применения
электромагнитных полей в растенимеводстве
|
Дорохов Г.П.
|
Алма-Ата, КазНИИНТИ, 1984
|
Таблица Материалы государственной регистрации и учета НИР и ОКР,
отобранные для последующего анализа
|
Предмет поиска
|
Вид информационного
документа и источника информации
|
Держатель технической
документации
|
Рубрика УДК
|
Дата регистрации документа
во ВНИТЦе
|
|
Устройства и способы для
предпосевной электрообработки семенного материала
|
Отчет о НИР «Влияние
предпосадочной обработки клубней картофеля в электрическом поле на повашение
продуктивности растений»-ЧИМЭСХ 1973.Инв. № Б344 398
|
ЧИМЭСХ
|
631.531
|
|
|
Отчет о НИР «Технология и
схемы технических средств предпосадочной обработки семенного картофеля
электрическим полем»- ЧИМЭСХ, 1982, Инв. №О282.0072901 № гос.рег. 01828013481
|
ЧИМЭСХ
|
631.531
|
|
|
Отчет о НИР «Внедрение
агроприема внедрения предпосадочной электрообработки семенных клубней
картофеля с использованием электрокоронирующего приспособления для КСП-15» -
ЧИМЭСХ,1984 Инв. №0284.0039862 № гос.рег. 01828013481
|
ЧИМЭСХ
|
631.531
|
|
|
Отчет о НИР «Разработка
некоронирующих элементов приспособления для предпосадочной электрообработки
семенного картофеля» - ЧИМЭСХ,1984 Инв. №0284.0039862 № гос.рег. 01828013481
|
ЧИМЭСХ
|
631.531 027 635.21
|
|
Заключение
1. Устройство для предпосадочной обработки клубней картофеля может быть
установлено на ленточный или роликовый транспортеры;
2. Устройство должно быть регулируемым по ширине с целью
использования на транспортерах различных марок;
. Наиболее удобное место устройства в технологической схеме
подготовки семенного картофеля: загрузка в бункера накопители и выгрузка из
них; выгрузные транспортеры картофелесортировальных машин;
4. Источник
высокого напряжения должен иметь необходимую выходную мощность (
Ва), коэффициент пульсации не хуже 0,67, устойчивость
к перегрузкам (КЗ, межэлектродным пробоям), исполнение от воздействия
окружающей среды не хуже IP 53, стабильность источника определяется стабильностью
питающей сети. Номинальное действующее напряжение 50 кВ;
. Межэлектродное
расстояние должно быть в 2…3 раза больше наибольшего размера обрабатывающих
клубней (15…20 см);
. Время
нахождения клубней в электрическом поле должно быть в пределах 3…5 секунд;
. В
устройстве должна предусматриваться возможность перенастройки коронирующих
электродов по высоте.
5. Безопасность жизнедеятельности
Мероприятия по безопасности многогранны. Они содержат организационные и
технические мероприятия. В данном проекте рассматриваются вопросы только
электробезопасности; расчет контура заземления, озонообразование
электроклубнеобрабатывающей машины (приставки) и использование защитного
отключения.
Устройства защитного отключения наряду с устройствами защиты от сверх
токов относятся к основным видам защиты от косвенного прикосновения,
обеспечивающим автомаитческое отключение питания. При малых токах замыкания,
снижении сопротивления изоляции, а также при обрыве нулевого защитного провода
УЗО является единственным средством защиты.
В схеме электроснабжения на вводе установим 3-х полюсный УЗО-01-4 на
номинальный ток 100 А, с током срабатывания 100 мА, а для питания отдельных
потрерителей с током срабатывания 30 мА. Схема электроснабжения приведена на
рисунке..
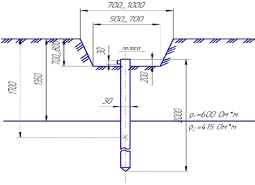
Расчет заземляющего устройства овощехранилища
. Исходные данные
1.1. Удельное
сопротивление верхнего слоя грунта,
Ом
м;
.2. Удельное
сопротивление нижнего слоя грунта,
Ом
м;
.3. Толщина
верхнего слоя грунта, Н = 1,35 м;
.4. Длина
вертикального заземлителя, L = 2,00 м;
.5. Заглубление
вертикального заземлителя, t = 1,70 м;
.6. Сезонный
климатический коэффициент,
= 1,64;
.7. Наружный
диаметр вертикального заземлителя, d= 30,00 мм;
.8. Нормируемое
ПУЭ сопротивление заземляющего устройства растеканию тока при базовом удельном
сопротивлении земли,
Ом;
.9. Заглубление
соединительной полосы,
= 0,70 м;
.10. Ширина
соединительной полосы, b= 30,00 мм;
.11. Расстояние
между электродами, Р = 1,00 м;
.12. Коэффициент
использования электрода,
= 0,80.
.
Вычисление удельного расчетного сопротивления грунта с учетом коэффициента
сезонности
Эквивалентное
удельное сопротивление грунта с учетом коэффициента сезонности определяется по
алгоритму:
,
где
- удельное сопротивление верхнего слоя грунта,
;
-
удельное сопротивление нижнего слоя грунта,
;
L -
длина вертикального заземлителя, м;
Н - толщина верхнего слоя грунта, м;
-
заглубление соединительной полосы, м;
-
сезонный (климатический) коэффициент.
.
Сопротивление одного вертикального заземлителя
Сопротивление
одного вертикального заземлителя определяется по алгоритму
,
где
t - заглубление вертикального заземлителя, м;
d - наружный
диаметр вертикального заземлителя, м;
-
эквивалентное удельное сопротивление грунта с учетом коэффициента сезонности,
;
L- длина
вертикального заземлителя, м.
4.
Определение ориентировочного числа стержней
Вычисляем
сопротивление контура по алгоритму:
,
где
- нормируемое ПУЭ сопротивление заземляющего
устройства растеканию тока при базовом удельном сопротивлении земли, Ом;
-
эквивалентное удельное сопротивление грунта с учетом коэффициента сезонности,
;
- базовое
удельное сопротивление грунта, (
= 100
);

Определяем
ориентировочное число стержней по алгоритму:
,
где
- сопротивление одного вертикального заземлителя, Ом;
- сопротивление
дополнительного контура, Ом.
Вычисленное
приблизительное количество вертикальных электродов округляется в сторону
увеличения до целого числа:
.
.
Вычисление сопротивления вычислительной полосы
Вычисляем
длину соединительной полосы по алгоритму:
Если
заземлители расположены в ряд
,
Если
заземлители расположены по контуру
,
где
L- длина вертикального заземлителя, м;
-
приблизительное число стержней.
м.
Определяем
сопротивление соединительной полосы по алгоритму
,
где
b - ширина соединительной полосы, м;
- заглубление
соединительной полосы, м;
-
сезонный (климатический) коэффициент.
-
удельное сопротивление верхнего слоя грунта,
;
-
длина соединительной полосы, м.
6. Сопротивление вертикальных заземлителей вместе с соединительной
полосой
Суммарное сопротивление вертикальных заземлителей и соединительной полосы
определяется по алгоритму:
,
где
- сопротивление соединительной полосы, Ом;
-
сопротивление дополнительного контура, Ом.
.
Уточненное количество вертикальных заземлителей с учетом соединительной полосы
Уточненное
количество вертикальных заземлителей определяется по алгоритму:
,
где
- коэффициент использования заземлителей;
-
суммарное сопротивление вертикальных заземлителей и соединительной полосы, Ом;
-
сопротивление одного вертикального заземлителя, Ом.
Вычисленное
количество вертикальных электродов округляется в сторону увеличения до целого
числа:
План
размещения заземляющего устройства с нанесением всех размеров (масштаб 1:100)
приведен в пояснительной записке на формате А4 (рис. )
Влияние
электроклубнеперерабатывающей машины на образование озона
В
используемой в данной работе зерноочистительной машины применяется коронный
разряд. Коронным разрядом называют вид электрического разряда в газе,
возникающий в резко неоднородном поле, когда радиус кривизны одного из
электродов намного меньше межэлектродного расстояния. Различают корону
постоянного и переменного тока. Корона постоянного тока бывает биполярной и
униполярной. Униполярная корона (коронирует один электрод) бывает положительной
и отрицательной. Рассмотрим сущность отрицательной короны (рис….)
Рисунок….
К механизму коронирования
Рисунок
..Установка одиночного заземлителя в двуслойном грунте
При
подачи на электроды напряжения в межэлектродном промежутке создается
неоднородное электрическое поле, напряженность которого максимальна на
поверхности отрицательного провода. При увеличении напряжения при некотором Uo
напряженность электрического поля у поверхности провода Ео достигает такого
значения, при котором начинается ионизация воздуха.
Положительные
заряды нейтрализуются на отрицательном проводе, а отрицательные под действием
электрического поля движутся к некоронирующему.
Коронный
разряд сопровождается образованием озона и оксидов азота, УФС излучением
(ультрафиолетовое излучение с длиной волны 200…300 нм).
Зависимость
концентрации озона в рабочей зоне электрозерноочистительной машины ЭЗМТ
приведен в работе В.Г. Райзвиха (Разработка и обоснование основных положений по
проектированию аппаратов ЭИМ сельскохозяйственного назначения с учетом
образования озона, автор диссертаций на соискание ученой степени к.т.н.
Челябинск 2003 г.).
Установлено,
что при увеличении напряжения на коронирующих электродах концентрация озона
увеличивается и значительно превосходит предельно допустимые концентрации (ПДК
0,1
) (рис…). На рисунке… приведены результаты
исследования концентрации озона в воздушной среде по мере удаления от машины.
Видно, что концентрация озона уже на расстоянии 10 см от машины достигает ПДК.
Исследования указывают на необходимость ограждения машины металлической сеткой.
Это понизит вероятность поражения людей электрическим током и отравление
озоном.
Общепринято,
что небольшие концентрации озона полезны для человека. В малых дозах до 0,1
он оказывает прямое целебное действие - стимулирует
дыхание, сердечную деятельность, снимает утомление. Повышает настроение,
успокаивает, улучшает сон и аппетит, придает воздуху приятный аромат и
свежесть.
У
поверхности земли концентрация озона составляет 0,02…0,06
. Однако с увеличением концентрации начинает
сказываться токсическое действие озона на организм человека. При длительном
воздействии озон поражает сердечно-сосудистую систему, вызывает катаральное
состояние слизистых оболочек, отек легких и другие заболевания. Озон влияет и
на растения. Он угнетает дыхание клубней (используется при хранении клубней
картофеля) и фотосинтез.
Рис
Зависимость концентрации озона от напряжения короны на ЭЗМТ
Рис
Зависимость концентрации озона от расстояния
Список
литературы
1. А.И.
Замотаев и др. «Производство картофеля на промышленной основе». Агропромиздат,
1985;
2. И.Л.
Волкинд «Промышленная технология хранения картофеля, овощей и плодов»;
. Колчин
Н.Н. «Комплексы машин и оборудования для послеуборочной обработки картофеля и
овощей». М, Машиностроение, 1982-202.;
. Метлицкий
Л.В. «Хранение плодов в регулируемой газовой среде». М, Экономика, 1972;
. Рослов
Н.Н. «Комплексы для хранения картофеля и овощей». М, Россельхозиздат, 1985;
. Скрипноков
Ю.Г. «Хранение и переработка овощей, плодов и ягод». М, Агропромиздат, 1986;
. И.Л.
Волкинд «Комплексы для хранения картофеля, овощей и фруктов». М, Колос, 1981;
. Пшеченков
К.А. «Машины для возделывания и уборки картофеля». М, Россельхозиздат, 1984;
. Пшеченков
К.А., Верещегин Н.И. «Индустриальная технология производства картофеля». М,
Колос, 1983;
. Электротехнический
справочник под ред. М.Г. Чиликина, ТЗМ., «Энергия», 1966-872с.;
. Фоменков
А.П. «Электропривод сельскохозяйственных машин, агрегатов и поточных линий».
М., Колос, 1973;
. Кондратенков
Н.И. и др. «Курсовое проектирование по электроприводу в сельском хозяйстве».
Челябинск, ЧГАУ, 2002;
. Отраслевые
нормы освещения сельскохозяйственных предприятий, зданий, сооружений. М.,
ВИЭСХ, 1992-27с.;
. Справочная
книга для проектирования электрического освещения. Под ред. Г.М. Кнорринга. Л.,
Энергия, 1976-384с.;
. Справочник
конструктора. С.Х. Мамин. ГНТИМЛ, 1964;
. А.М.
Басов, Э.А. Каменир и др. Транспортер для переборки картофеля. - А.С. №680 680
/СССР/. - Бюллетень Открытия. Изобретения. Промышленные образцы. Товарные
знаки, 1979.№3.;
. Г.Л.
Дорохов, В.В. Гиринский, Б.С. Северский. Результаты предпосадочной обработки
клубней картофеля на электроклубнеобрабатчвающей машине ЭКМ-ТБ. Труды ЧИМЭСХ,
1972;
. А.П.
Блонская, В.Г.Быков, В.А. Захаров. Влияние поля коронного разряда и
ультрафиолетового излучения на процесс образования раневой перидермки в
лечебный период хранения картофеля. В кн. Применение аппаратов и средств эит в
семеноводстве и птицеводстве. Научные труды, Челябинск,1983, с. 25…29;
. Н.М.
Березина, Д.А. Каушанский. Предпосевное облучение семян сельскохозяйственных
растений. Атомиздат, М.,1975;
. Технология
и схемы технических средств предпосадочной обработки семенного картофеля
электрическим полем. Научный отчет. Челябинск, 1982-120с.;
. Разработка
не коронирующих элементов приспособления для предпосадочной электрообработки
семенного картофеля. Научный отчет. Челябинск, 1984-74с.;
. Б.В.
Анисимов, В.Т. Парфенов. Биологическое действие электронов на картофель.
Атомиздат, М.,1975;
. М.Н.
Рыбаков, Б.С. Федоров. Стандартизация и качество фруктов, овощей и картофеля.
М., Издательство стандартов. 1982, 200с.;
. А.М.
Басов и др. Электротехнология. М., Агропромиздат, 1985-256с.;
. Справочник
по проектированию электропривода, силовых и осветительных установок. Под ред.
Я.М. Большама. М., Энергия, 1974-728с.