Привод галтовочного барабана
Содержание
Введение
. Энергетический, кинематический и
силовой расчеты привода
1.1
Определение номинальной мощности и номинальной частоты вращения двигателя
1.2 Определение передаточного числа
привода и его ступеней
.3 Определение кинематических и
силовых параметров привода
. Расчет зубчатой передачи редуктора
.1 Выбор твердости, термообработки,
материала зубчатой передачи
.2 Определение допускаемых
контактных напряжений
.3 Определение допускаемых
напряжений изгиба
.4 Проектный расчет закрытой
цилиндрической зубчатой передачи
2.5
Проверочный расчет закрытой цилиндрической зубчатой передачи на контактную
прочность
.6
Проверочный расчет закрытой цилиндрической зубчатой передачи на выносливость по
напряжениям изгиба
3. Проектный расчет валов редуктора
.1 Выбор материала валов и
допускаемых напряжений на кручение
.2 Выбор муфт, определение размеров
ступеней валов
.3 Предварительный выбор подшипников
качения
. Конструирование зубчатых колес,
вал-шестерни
. Эскизная компоновка редуктора
. Нагрузки валов редуктора
.1 Силовая схема нагружения валов
редуктора
.2 Определение консольных сил и сил
в зацеплении закрытой передачи
6.3
Расчетные схемы быстроходного и тихоходного валов. Схемы нагружения подшипников
6.4 Определение радиальных реакций в
опорах валов
.5 Построение эпюр изгибающих и
крутящих моментов
. Проверочный расчет подшипников
качения
. Подбор и проверочный расчет
шпоночных соединений
. Проверочный расчет валов редуктора
10.
Назначение посадок, допусков формы и расположения для основных деталей
редуктора
11. Смазка и сборка редуктора
Заключение
Список литературы
Введение
Правила проектирования и оформления
конструкторской документации устанавливают четыре стадии ее разработки:
техническое задание, эскизный проект, технический проект, рабочая документация.
Курсовой проект по технической механике представляется в виде пояснительной
записки, сборочного чертежа редуктора, чертежа цилиндрического зубчатого
колеса и тихоходного вала.
Заданием на курсовой проект предусмотрена
разработка конструкции одноступенчатого цилиндрического редуктора привода
галтовочного барабана для снятия заусенцев после штамповки.
Приводное устройство включает в себя двигатель,
передачу с поликлиновым ремнем, цилиндрический редуктор, упругую
втулочно-пальцевую муфту и галтовочный барабан.
Исходными данными для проектирования
являются: окружная сила на барабане
=0,6кН; окружная скорость барабана
=2,5м/с;
диаметр барабана
=700мм;
допускаемое отклонение скорости барабана
=4%; срок службы привода
=5лет.
Редуктор предназначен для передачи
мощности от вала двигателя к приводному валу рабочей машины, понижения угловых
скоростей и, соответственно, повышения вращающегося момента ведомого вала по
сравнению с ведущим валом. Редуктор состоит из корпуса, в котором помещаются
элементы передачи - зубчатые колеса, валы, подшипники и т.д.
В корпусе редуктора размещают так же
устройства для смазывания зацепления и подшипников.
Основные требования, предъявляемые к
создаваемому приводу: надежность, технологичность, ремонтопригодность,
минимальные габариты и масса, удобство эксплуатации, техническая эстетика. Все
эти требования учитывают в процессе проектирования и конструирования.
1. Энергетический, кинематический и
силовой расчеты привода
.1 Определение номинальной мощности
и номинальной частоты вращения двигателя
.1.1 Определяем срок службы (ресурс)
привода
,ч, приняв
время простоя машинного агрегата 15% ресурса, по формуле
ч,
где
- срок службы привода, лет;
- продолжительность смены, ч;
- число смен.
.1.2 Определяем требуемую мощность
рабочей машины
,кВт, по
формуле
кВт,
где
- окружная сила на барабане, кН;
- окружная скорость барабана, м/с.
.1.3 Определяем общий коэффициент
полезного действия
привода по
формуле
,
где
= 0,96 - кпд открытой
передачи[5,раздел 2, таблица 2.2];
= 0,97 - кпд закрытой
передачи[5,раздел 2, таблица 2.2];
= 0,98 - кпд муфты[5,раздел 2,
таблица 2.2];
= 0,99 - кпд подшипников
качения[5,раздел 2, таблица 2.2];
= 0,98 - кпд подшипников
скольжения[5,раздел 2, таблица 2.2].
.1.4 Определяем требуемую мощность
двигателя
, кВт, по
формуле
кВт.
.1.5 Определяем номинальную мощность
двигателя
, кВт,
учитывая, что
[5, раздел
2, таблица 2.1].
= 2,2 кВт.
.1.6 Выбираем тип двигателя [5,
приложение К9].
Таблица
1
|
Вариант
|
Тип
двигателя
|
Номинальная
мощность Частота вращения,
об/мин
|
|
|
|
|
синхронная
|
при
номинальном режиме
|
|
1
|
4AM80B2УЗ
|
2,2
|
3000
|
2850
|
|
2
|
4АМ90L4У3
|
2,2
|
1500
|
1425
|
|
3
|
4АМ100L6У3
|
2,2
|
1000
|
950
|
|
4
|
4АМ112МА8У3
|
2,2
|
750
|
700
|
.2 Определение передаточного числа привода и его
ступеней
.2.1 Определяем частоту вращения приводного вала
рабочей машины
, об/мин, по формуле
об/мин,
где D - диаметр
барабана, мм.
.2.2 Определяем максимальное
допустимое отклонение частоты вращения приводного вала рабочей машины
, об/мин, по
формуле
об/мин,
где
- допускаемое отклонение скорости
барабана, %.
.2.3 Определяем допускаемую частоту
вращения приводного вала рабочей машины с учетом отклонения
, об/мин, по
формуле
об/мин.
Принимаем
= 70 об/мин.
.2.4 Определяем передаточное число
привода u для всех
приемлемых вариантов типа двигателя при заданной номинальной мощности
по формуле
;
.
.2.5 Принимаем передаточное число
закрытой передачи
= 4,0 [5.
раздел 2, таблица 2.3].
.2.6 Определяем передаточное число
открытой передачи
по формуле
.
Таблица
2
|
Передаточное
число
|
Варианты
|
|
1
|
2
|
3
|
4
|
|
40,7020,3613,5710,00
|
|
|
|
|
|
10,205,103,402,50
|
|
|
|
|
|
4,004,004,004,00
|
|
|
|
|
1.3 Определение кинематических и силовых
параметров привода
Таблица
3
|
Параметр
|
Вал
|
Последовательность
соединения элементов привода по кинематической схеме
|
|
Мощность
P, кВт
|
Дв
|
1,70
|
|
Б
|
|
|
Т
|
|
|
РМ
|
1,50
|
|
Частота
вращения n, об/мин
|
Дв
|
950
|
|
Б
|
|
|
Т
|
|
|
РМ
|
70
|
|
Угловая
скорость , 1/cДв
|
|
|
|
Б
|
|
|
Т
|
|
|
РМ
|
|
|
Вращающий
момент Т, Дв
|
|
|
|
Б
|
|
|
Т
|
|
|
РМ
|
|
Таблица
4
|
Тип
двигателя 4АМ100L6У3 = 2,2 кВт; =
950об/мин
|
|
Параметр
|
Передача
|
Параметр
|
Вал
|
|
закрытая
(редуктор)
|
открытая
|
|
двигателя
|
редуктора
|
приводной
рабочей машины
|
|
|
|
|
|
быстроходный
|
тихоходный
|
|
|
Переда-
точное число и
|
4,0
|
3,4
|
Расчетная
мощность Р, кВт
|
1,70
|
1,60
|
1,55
|
1,50
|
|
|
|
Угловая
скорость ,
1/с99,4329,257,307,30
|
|
|
|
|
КПД
0,970,96Частота
вращения
|
п,
об/мин950,0279,470,070,0
|
|
|
|
|
|
|
|
|
|
|
Вращающий
момент Т, Н м
|
17,10
|
55,26
|
212,25
|
204,00
|
2. Расчет зубчатой передачи редуктора
.1 Выбор твердости, термообработки и материала зубчатой
передачи
2.1.1 Выбираем твердость, термообработку и
материл зубчатой закрытой передачи [5, раздел 3, таблицы 3.1 и 3.2].
Таблица
5
|
Элемент
передачи
|
Марка
стали
|
,
мм ,
ммТермооб-работкаТвердость
|
|
|
|
|
Шестерня
|
Сталь
45
|
125
|
80
|
У
|
235
… 262 НВ
|
|
Колесо
|
Сталь
45
|
Любые
размеры
|
Н
|
179
… 207 НВ
|
.1.2 Определяем среднюю твердость зубьев
шестерни НВ1ср и колеса НВ2ср
НВ1ср =
; НВ2ср =
.
.1.3 Определяем разность средних
твердостей зубьев шестерни и колеса
НВ1ср - НВ2ср = 248,5-193 = 55,5
< 70.
2.2 Определение допускаемых контактных
напряжений
.2.1 Принимаем коэффициент долговечности для
зубьев шестерни и колеса КHL=1,0
, что имеет место при длительной эксплуатации редуктора [3, §3.2].
2.2.2 Определяем допускаемые
контактные напряжения
, МПа,
соответствующие пределу контактной выносливости при числе циклов перемены
напряжений NHO по формуле
для шестерни
МПа;
для колеса
МПа.
2.2.3 Определяем допускаемые
контактные напряжения для зубьев шестерни и колеса
, МПа, по
формуле
для шестерни
МПа;
для колеса
МПа.
2.2.4 Определяем допускаемое
контактное напряжение
, МПа, для
расчета цилиндрической зубчатой передачи: так как НВ1ср - НВ2ср < 70, то
косозубая передача рассчитывается на прочность по меньшему значению
МПа.
2.3 Определение допускаемых напряжений изгиба
2.3.1 Принимаем коэффициент долговечности для
зубьев шестерни и колеса КFL=1,0
, что имеет место при длительной эксплуатации редуктора [3, §3.2].
2.3.2 Определяем допускаемые
напряжения изгиба
, МПа,
соответствующие пределу изгибной выносливости при числе циклов перемены
напряжений NHO по формуле
для шестерни
МПа;
для колеса
МПа.
2.3.3 Определяем допускаемые
напряжения изгиба для зубьев шестерни и колеса
, МПа, по формуле
для шестерни
МПа;
для колеса
МПа.
Таблица
6
Механические характеристики материалов зубчатой
передачи
|
Элемент
передачи
|
Марка
стали
|
Dпред
|
Термообработка
|
НВ1ср
|
  
|
|
|
|
|
|
Sпред
|
|
НВ2ср
|
МПа
|
|
Шестерня
|
45
|
125
|
У
|
248,5
|
780
|
335
|
514,3
|
256
|
|
Колесо
|
45
|
Любые
размеры
|
Н
|
193,0
|
600
|
260
|
414,4
|
199
|
2.4 Проектный расчет закрытой цилиндрической
зубчатой передачи
.4.1 Определяем главный параметр передачи -
межосевое расстояние
, мм, по формуле
мм,
где
= 43 - вспомогательный коэффициент
[5, раздел 4.1];
= 0,4 - коэффициент ширины венца
колеса [3, §3.2];
=1 - коэффициент неравномерности
нагрузки по длине зуба [5, раздел 4.1].
Принимаем
= 125 мм по
ГОСТ 6636-69.
.4.2 Определяем делительный диаметр
колеса
, мм, по
формуле
мм.
2.4.3 Определяем ширину венца колеса
, мм, по
формуле
мм.
.4.4 Определяем модуль зацепления m, мм, по
формуле
мм,
где
=5,8 - вспомогательный коэффициент
[5, раздел 4.1].
Принимаем т=2,25 мм.
2.4.5 Принимаем предварительно угол
наклона зубьев
для
косозубых колес [3, §3.2].
.4.6 Определяем суммарное число зубьев
, число
зубьев шестерни
и колеса
по формулам
;
;
.
Принимаем
=22,
=88.
2.4.7 Определяем фактическое
передаточное число
и проверяем
его отклонение
от
заданного значения по формулам

2.4.8 Уточняем действительную
величину угла наклона зубьев
для косозубой передачи по формуле
.4.9 Определяем фактическое
межосевое расстояние по формуле
мм
.4.10 Определяем основные геометрические
параметры передачи
Таблица
7
Размеры в миллиметрах
|
Параметры
|
Шестерня
|
Колесо
|
|
Диаметр
|
делительный
|

|
|
|
вершин
зубьев
|

|
|
|
впадин
зубьев
|

|
|
|
Ширина
венца
|

|
|
2.4.11 Проверяем межосевое
расстояние
, мм, по
формуле
мм.
.4.12 Проверяем пригодность
заготовок колес [таблица 7]:
диаметр заготовки шестерни
мм;
толщина диска заготовки колеса
мм.
Условие пригодности заготовок колес [таблица 6]:
мм;
(любые размеры).
2.5 Проверочный расчет закрытой цилиндрической
зубчатой передачи на контактную прочность
2.5.1 Определяем окружную силу в
зацеплении
, Н, по
формуле
Н
2.5.2 Определяем окружную скорость
колес
, м/с, и
степень точности передачи [5, раздел 4.1, таблица 4.2] по формуле
м/с; 9 степень точности.
.5.3 Определяем расчетные контактные
напряжения
, МПа, в
зоне зацепления зубьев по формуле
Мпа;
;
недогруз составляет
,
где К=376 - вспомогательный коэффициент [5,
раздел 4.1];
= 1,11 - коэффициент, учитывающий
распределение нагрузки между зубьями [5, раздел 4.1, рисунок 4.2];
=1,01-коэффициент динамической
нагрузки [5, раздел 4.1, таблица 4.3].
.6 Проверочный расчет закрытой
цилиндрической зубчатой передачи на выносливость по напряжениям изгиба
2.6.1 Определяем эквивалентное число зубьев и
коэффициенты формы зуба шестерни и колеса по формулам
= 3,96;
= 3,60,
где
- эквивалентное число зубьев;
- коэффициент формы зуба [5,раздел
4.1, таблица 4.4].
2.6.2 Определяем коэффициент,
учитывающий наклон зуба
по формуле
.
.6.3 Определяем расчетные напряжения
изгиба
, Мпа, в
основании зубьев шестерни и колеса по формулам
где
= 1,0 - коэффициент, учитывающий
распределение нагрузки между зубьями [5, раздел 4.1];
= 1,0 - коэффициент неравномерности
нагрузки по длине зуба [5, раздел 4.1];
= 1,04 - коэффициент динамической
нагрузки [5, радел 4.1, таблица 4.3].
Расчетные напряжения изгиба
значительно меньше допускаемых значений, так как нагрузочная способность
передачи ограничена контактной прочностью.
Таблица
8
Параметры закрытой зубчатой цилиндрической
передачи, мм
|
Проектный
расчет
|
|
Параметр
|
Значение
|
Параметр
|
Значение
|
|
Межосевое
расстояние 125
|
Угол
наклона зубьев 
|
|
|
Модуль зацепления m 2,25 Диаметр
делительной окружности: шестерни 
Ширина зубчатого венца: шестерни 

|
колеса
54
50
|
|
|
|
Число зубьев: шестерни
колеса
22
88Диаметр окружности вершин: шестерни
колеса
,5
Вид зубьев косые Диаметр
окружности впадин: шестерни
колеса
,375
|
194,375
|
|
|
|
Проверочный
расчет
|
|
Параметр
|
Допускаемые
значения
|
Расчетные
значения
|
Примечания
|
|
Контактные
напряжения , Мпа414,40
|
410,13
|
Недогруз
1,03%
|
|
|
Напряжения
изгиба, Мпа
|
|
256,00
|
73,20
|
Недогруз
71,4%
|
|
199,00
|
66,54
|
Недогруз
66,6%
|
|
|
|
|
|
|
|
|
3. Проектный расчет валов редуктора
3.1 Выбор материала валов и допускаемых
напряжений на кручение
3.1.1 Выбираем материал
быстроходного вала-шестерни и тихоходного вала: сталь 45 ГОСТ 1050-88.
Термообработка - улучшение, твердость 235…262 НВ,
,
,
[таблица 6;
5, таблица 3.2].
3.1.2 Принимаем допускаемые
напряжения на кручение заниженными и равными:
для быстроходного вала;
для
тихоходного вала [5, раздел 7.2].
.2 Выбор муфт, определение размеров
ступеней валов
.2.1 Определяем геометрические
параметры ступеней валов [5, раздел 7.3,].
Таблица
9
Размеры ступеней быстроходного вала, мм
|
Ступень
вала
|
Размеры
|
Вал-шестерня
цилиндрическая
|
1-я под шкив поликлиноременной
передачи 
=
=30,23,
принимаем
= 30.
|
Принимаем
t = 2,2; r
=2,0.
|
|

=36…45,
|
принимаем
=
45.
|
|
2-я под уплотнение крышки с
отверстием и подшипник 
,
|
принимаем
=
35.
|
|

,
|
принимаем
=
53.
|
|
3-я под шестерню 
,
|
принимаем
=
42, причем < .
|
|
|
|
определим
графически на эскизной компоновке.
|
|
|
4-я
под подшипник
|
|
= =
35
|

=
,
|
принимаем
=20.
|
|
Таблица
10
Размеры ступеней тихоходного вала, мм
|
Ступень
вала
|
Размеры
|
Вал
колеса
|
1-я под полумуфту 
=
=37,58,
принимаем
= 40 [5,K 21].
|
Принимаем
t = 2,5; r
=2,5; f = 1,2.
|
|
|
|
Принимаем
=
82 [5,K 21].
|
|
2-я под уплотнение крышки с
отверстием и подшипник 
,
|
принимаем
=
45.
|
|

,
|
принимаем
=
58.
|
|
3-я под колесо 
,
|
принимаем
=
53.
|
|
|
|
определим
графически на эскизной компоновке.
|
|
|
4-я
под подшипник
|
|
= =
45
|

=
,
|
принимаем
=22.
|
|
5-я упорная 
,
|
принимаем
=60.
|
|
|
|
|
определим
графически на эскизной компоновке.
|
.2.2 Выбираем муфту упругую втулочно-пальцевую
500 - 40-I. 45-I.
2-У3 ГОСТ 21424-93 [5, К21].
3.3 Предварительный выбор подшипников качения
3.3.1 Определяем тип, серию, и схему
установки подшипников [5, раздел 7.4, таблица 7.2]. Выбираем типоразмер
подшипников по величине диаметров
=
ступеней валов под подшипники [5,
К27]
Таблица
11
|
Вал
|
Серия
|
Схема
установки
|
Обозначение
|
Размеры,
мм
|
Грузоподъемность,
кН
|
|
|
|
|
d
|
D
|
B
|
r
|

|
|
|
Б
|
Легкая
|
Враспор
|
207
|
35
|
72
|
17
|
2,0
|
25,5
|
13,7
|
|
Т
|
Легкая
|
Враспор
|
209
|
45
|
85
|
19
|
2,0
|
33,2
|
18,6
|
редуктор привод галтовочный барабан
4. Конструирование зубчатых колес
.1 Основные параметры зубчатого колеса и
шестерни (диаметры, ширина, модуль, число зубьев) определены при проектировании
передачи [таблица 8].
.2 Определяем конструкцию и размеры
цилиндрического зубчатого колеса (обод, ступица, диск) [5, раздел 10.1, таблица
10.2].
Таблица
12
Параметры цилиндрического зубчатого колеса, мм
|
Элемент
колеса
|
Параметр
|
Способ
получения заготовки: штамповка
|
|
Обод
|
Диаметр
|
|
Толщина
,
|
принимаем
S = 8.
|
|
|
Ширина
|
|
|
Ступица
|
Диаметр
внутренний
|
|
Диаметр наружный
|
принимаем
.
|
Толщина
,
|
принимаем
.
|
Длина
,
|
принимаем
.
|
Диск Толщина
|
принимаем
С = 14.
|
|
|
Радиусы
закруглений и уклон
|
;
|
|
Отверстия
|
;
.
|
5.
Эскизная
компоновка редуктора
Таблица
13
Материал вала: Сталь 45 ГОСТ1050-88
Механические характеристики:
= 780 Мпа;
= 540 Мпа;
|
=
335
Мпа.Размеры
ступеней, мм
|
|
|
       
|
|
|
|
|
|
|
|
|
|
     
|
|
|
|
|
|
|
|
|
|
Быстроходный
вал
|
30
|
35
|
42
|
35
|
125
|
108
|
66
|
10
|
125
|
|
45
|
53
|
90
|
20
|
|
|
|
|
|
|
Тихоходный
вал
|
40
|
45
|
53
|
45
|
129
|
110
|
130
|
|
|
|
82
|
58
|
90
|
22
|
|
|
|
|
|
|
Подшипники
|
Типо-размер
|
,
ммГрузоподъемность, кН
|
|
|
|
|

|
|
|
Быстроходный
вал
|
207
|
25,513,7
|
|
|
|
Тихоходный
вал
|
209
|
33,218,6
|
|
|
|
|
|
|
|
|
|
|
|
|
|
|
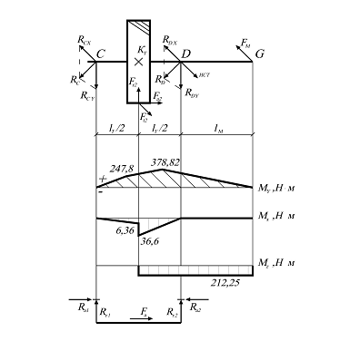
6. Нагрузки валов редуктора
Рисунок 1
.1 Силовая схема нагружения валов редуктора
Направление линии зуба колеса - правое, шестерни
- левое.
Вращение быстроходного вала по часовой стрелке
.2 Определение консольных сил и сил в зацеплении
закрытой передачи
Таблица
14
Силы в зацеплении закрытой цилиндрической
косозубой передачи [5, раздел 6.1, таблица 6.1]
|
Силы
в зацеплении
|
Значение
силы, Н
|
|
на
шестерне
|
на
колесе
|
|
Окружная
|

|
|
|
Радиальная
|

|
|
|
Осевая
|

|
|
Таблица
15
Консольные силы [6]
|
Вал
|
Вид
открытой передачи
|
Характер
силы по направлению
|
Значение
силы, Н
|
|
Быстроходный
|
Клиноременная
|
Радиальные
|
|
|
Тихоходный
|
Муфта
|
Радиальные
|
|
.3 Расчетные схемы быстроходного и тихоходного
валов. Схемы нагружения подшипников
Рисунок 2 - Быстроходный вал
Рисунок 3 - Тихоходный вал
.4 Определение радиальных реакций в опорах валов
.4.1 Исходные данные для расчета быстроходного
вала:
2122,5 Н;
780,4 Н;
302,4 Н;
930 Н;
108 мм;
66 мм;
50 мм
[таблицы 8, 13, 14, 15, ЭК].
.4.2 Определяем реакции опор в
горизонтальной плоскости

Н.

Н.
Проверяем правильность определения реакций


= 0.
.4.3 Определяем реакции опор в
вертикальной плоскости
Н.
Н.
Проверяем правильность определения
реакций
=0.
.4.4 Определяем суммарные радиальные
опорные реакции
Н;
Н.
.4.5 Исходные данные для расчета
тихоходного вала:
2122,5 Н;
780,4 Н;
302,4 Н;
2914 Н;
110 мм;
130 мм;
200 мм
[таблицы 8, 13, 14, 15, ЭК].
.4.6 Определяем реакции опор в
горизонтальной плоскости
Н.

Н.
Проверяем правильность определения
реакций
= 0.
.4.7 Определяем реакции опор в
вертикальной плоскости
Н.
Н.
Проверяем правильность определения
реакций

=0.
.4.8 Определяем суммарные радиальные
опорные реакции
Н;

Н.
.5 Построение эпюр изгибающих и
крутящих моментов
.5.1 Строим эпюру изгибающих
моментов в горизонтальной плоскости на быстроходном валу

.
.5.2 Строим эпюру изгибающих
моментов в вертикальной плоскости на быстроходном валу
;
;

.
.5.3 Строим эпюру крутящегося
момента: передача вращающего момента происходит вдоль оси от середины шестерни
до точки приложения консольной нагрузки
.
Крутящий момент равен вращающему
моменту
6.5.4 Определяем суммарные изгибающие моменты в
опасных сечениях

;

.
.5.5 Строим эпюру изгибающих
моментов в горизонтальной плоскости на тихоходном валу

;

.
.5.6 Строим эпюру изгибающих
моментов в вертикальной плоскости на тихоходном валу
;

.
.5.7 Строим эпюру крутящегося
момента: передача вращающего момента происходит вдоль оси от середины ступицы
колеса до точки приложения консольной нагрузки
.
Крутящий момент равен вращающему
моменту
6.5.8 Определяем суммарные изгибающие моменты в
опасных сечениях

;

.
Таблица
16
|
Вал
|
Суммарная
радиальная реакция, Н
|
Радиальная
нагрузка подшипника, Н
|
Суммарный
изгибающий момент, Крутящий момент,
|
|
Б
= 2227,5
= 1090,0
= 1090,0
= 2227,5
= 58,86
|
=
61,38 55,26
|
|
|
|
Т
= 4506,6
= 5338,2
= 4506,6
= 5338,2
= 250,50
|
=
378,82 212,25
|
|
|
|
7. Проверочный расчет подшипников качения
7.1 Проверяем пригодность подшипников 207
быстроходного вала редуктора, работающего с умеренными толчками.
Исходные данные: 
2227,5 Н;
1090 Н;
об/мин;
ч [разделы
1, 2, 6].
Характеристика подшипника:
[5, раздел
9, таблицы 9.1, 9.4, 9.5; К27].
.2 Определяем отношение

,
определяем интерполированием
значения
0,21;
2,123 [5,
раздел 9, таблица 9.2].
Определяем отношение 
.
.3 Определяем эквивалентную
динамическую нагрузку
, Н, по
формуле

Н.
7.4 Определяем динамическую
грузоподъемность
, Н,
подшипника по формуле
.
7.5 Определяем долговечность
, ч,
подшипника по формуле
Подшипник пригоден.
.6 Проверяем пригодность подшипников
209 тихоходного вала редуктора, работающего с умеренными толчками.
Исходные данные: 
4506,6 Н;
5338,2 Н;
об/мин;
ч [разделы
1, 2, 6].
Характеристика подшипника:
[5, раздел
9, таблицы 9.1, 9.4, 9.5; К27].
.7 Определяем отношение

,
определяем интерполированием
значения
0,195;
2,25 [5,
раздел 9, таблица 9.2].
Определяем отношение

.
7.8 Определяем эквивалентную
динамическую нагрузку
, Н, по
формуле

Н.
.9 Определяем динамическую
грузоподъемность
, Н,
подшипника по формуле
.
7.10 Определяем долговечность
, ч,
подшипника по формуле
Подшипник пригоден.
Таблица
17
Основные размеры и эксплуатационные
характеристики подшипников
|
Вал
|
Подшипник
|
Размеры,
мм
|
Грузоподъемность,
кН
|
|
|
d
|
B
|

|
|
|
Б
|
207
|
35
|
72
|
17
|
25,5
|
13.7
|
|
Т
|
209
|
45
|
85
|
19
|
33,2
|
18,6
|
8. Подбор и проверочный расчет шпоночных
соединений
.1 Проверке подлежат две шпонки тихоходного вала
- под зубчатым колесом и под полумуфтой, и одна шпонка на быстроходном валу -
под шкив ременной передачи.
.2 Принимаем шпонки призматические со
скругленными торцами. Размеры сечений шпонки, пазов и длины шпонок назначаем из
условия технологичности по ГОСТ 23360-78:
быстроходный вал
= 30,
= 45 мм -
размеры шпонки
мм;
тихоходный вал
= 40,
= 82 мм -
размеры шпонки
мм;
= 53,
= 70 мм - размеры шпонки
мм.
.3 Принимаем материал шпонок - сталь
45 ГОСТ 1050-88 нормализованная,
допускаемое напряжение на смятие
= 120 МПа
при стальной ступице.
.4 Определяем площадь смятия
,
, для каждой
шпонки по формуле
где
- высота шпонки [5, К42], мм;
- глубина паза вала [5, К42], мм;
- рабочая длина шпонки, мм;
l - длина
шпонки [5, К42], мм;
- ширина шпонки [5, К42], мм.
.5 Проверяем прочность шпонки на
смятие по формуле
,
где
- напряжение смятия, МПа;
Т - вращающий момент на валу,
;
d - диаметр
ступени вала, мм.
Таблица
18
Размеры в миллиметрах
Диаметр
вала b h
l
,
Т,
|
 МПа
МПа
|
|
|
|
|
|
|
|
|
30
|
8
|
7
|
4
|
40
|
32
|
82,56
|
55,26
|
44,62
|
120
|
|
40
|
12
|
8
|
5
|
80
|
68
|
171,36
|
212,25
|
61,93
|
|
|
53
|
12
|
8
|
5
|
63
|
51
|
128,52
|
212,25
|
62,32
|
|
Как видно из расчетов, во всех случаях прочность
шпоночных соединений обеспечена.
9. Проверочный расчет валов редуктора
.1 Проанализировав эпюры [рисунки 2,3], наметим
опасные сечения:
быстроходный вал - m.А (два
концентратора напряжений - посадка подшипника с натягом и ступенчатый переход
галтелью r) и т.
,
(концентратор напряжения - шлицы); тихоходный вал - m.D (два
концентратора напряжений посадка подшипника с натягом и ступенчатый переход
галтелью r) и m.
(два
концентратора напряжений - посадка колеса с натягом и шпоночный паз).
.2 Определяем нормальные напряжения
, МПа, в
опасных сечениях вала по формуле
где
- расчетные напряжения изгиба, МПа;
- суммарный изгибающий момент в
рассматриваемом сечении,
[раздел 6];
- осевой момент сопротивления
сечения вала,
.
.3 Определяем касательные напряжений
, МПа, в
опасных сечениях вала по формуле
где
- расчетные напряжения кручения,
МПа;
- крутящий момент,
[раздел 6];
- полярный момент сопротивления
сечения вала,
.
.4 Определяем коэффициент
концентрации нормальных
и
касательных
напряжений
для расчетных сечений вала по формулам
;
где
- эффективные коэффициенты
концентрации напряжений [5, раздел 11.3, таблица 11.2];
- коэффициент влияния абсолютных
размеров поперечного сечения [5, раздел 11.3, таблица 11.3];
- коэффициент влияния шероховатости
[5, раздел 11.3, таблица 11.4].
.5 При действии в расчетном сечении
двух источников концентрации напряжений учитывают только наиболее опасный из
них (с наибольшим отношением
или
) - посадка с натягом.
.6 Определяем пределы выносливости в
расчетных сечениях вала
,
, МПа, по
формулам
,
где
и
- пределы выносливости гладких
образцов при симметричном цикле изгиба и кручения, МПа, [раздел 3].
.7 Определяем коэффициенты запаса
прочности по нормальным
и
касательным
напряжениям
по формулам
.8 Определяем общий коэффициент
запаса прочности в расчетных сечениях по формуле
где
- допускаемый коэффициент запаса
прочности в опасном сечении вала.
Таблица 19
|
Сечение
вала
|
Диаметр,
мм
|
Ми,
Мк,
   МПа
МПа
|
|
|
|
|
|
|
Быстроходный
вал
|
61,38
|
55,26
|
 14,33,2
|
|
|
|
|

|
|
|
|
|
|
|
|
|
 58,8655,26 4,91,6
|
|
|
|
|
|
|
|
|
Тихоходный
вал
|
378,82
|
212,25
|
 41,65,8
|
|
|
|
|

|
|
|
|
|
|
|
|
|
 250,50212,25 18,43,7
|
|
|
|
|
|
|
|
Таблица
20
|
Сечение
вала
|
|
           S
|
|
|
|
|
|
|
|
|
|
|
|
|
|
|
|
|
|
|
|
МПа
|
|
|
|
|
|
3,52,51,03,52,5335195967814,33,26,724,46,51,6
… 2,1
|
|
|
|
|
|
|
|
|
|
|
|
|
|
|
|
|
  1,02,32,1335195146934,91,629,858,126,5
|
|
|
|
|
|
|
|
|
|
|
|
|
|
|
|
|
4,02,81,04,02,8335195847041,65,82,012,11,9
|
|
|
|
|
|
|
|
|
|
|
|
|
|
|
|
|
4,32,91,04,32,9335195786718,43,74,218,11,7
|
|
|
|
|
|
|
|
|
|
|
|
|
|
|
|
10. Назначение посадок, допусков формы и
расположения для основных деталей редуктора
Таблица
21
Посадки для основных соединений деталей редуктора
|
Соединение
|
Посадка
|
|
Зубчатое
колесо - вал
|
|
|
Шкив
ременной передачи - вал
|
|
|
Полумуфта
- вал
|
|
|
Распорные
кольца
|
|
|
Мазеудерживающие
кольца на вал
|
|
|
Наружные
кольца ПК
|
|
|
Внутренние
кольца ПК
|
|
|
Сквозные
крышки подшипников
|
|
|
Глухие
крышки подшипников
|
|
|
Шпонки
- вал
|
|
|
Шпонка
- зубчатое колесо, шкив, полумуфта
|
|
Таблица
22
Допуски формы и расположения поверхностей для
основных деталей редуктора
|
Назначение
поверхности
|
Вид
допуска (7-8 степень точности)
|
|
Под
подшипники качения
|
,
,
(торцовое)
|
|
Под
зубчатое колесо
|
,
,
(торцовое)
|
|
Под
полумуфту
|
,
,
(торцовое)
|
|
Под
открытую передачу
|
,
(торцовое)
|
|
Шпоночный
паз
|
,
|
|
Внутреннее
отверстие зубчатого колеса
|
,
|
Примечание - Числовые значения допусков формы и
расположения, шероховатости поверхностей соответствуют [5, раздел 13.3, таблицы
13.10.
11. Смазка и сборка редуктора
.1 Смазывание зубчатого зацепления производим
непрерывно жидким маслом И-Г-А-68 ГОСТ 17479.4-87 картерным непроточным
способом (с помощью разбрызгивателей). Для одноступенчатых редукторов при
смазывании окунанием объем масляной ванны определяем из расчета 0,4…0,8 л масла
на 1 кВт передаваемой мощности.
.2 Определяем уровень масла из условия, чтобы
уровень масла проходил через центр нижнего тела качения подшипника. Контроль
уровня масла, находящегося в корпусе редуктора, осуществляем трубчатым
маслоуказателем.
Для замены масла в корпусе предусмотрено сливное
отверстие, закрываемое пробкой с цилиндрической резьбой. Чтобы избежать
повышения давления внутри корпуса и просачивания масла через уплотнения и стыки
устанавливаем колпачковую отдушину в крышке корпуса редуктора.
.3 Смазывание подшипников осуществляем
пластичными материалами. Полость подшипника закрываем с внутренней стороны
мазеудерживающими шайбами. Смазочный материал набивают в подшипник вручную при
снятой крышке подшипникового узла на несколько лет. Смену смазочного материала
производят при ремонте. Для предотвращения вытекания смазочного материала из
подшипниковых узлов, а также для защиты их от попадания пыли, грязи и влаги
применяем манжетные уплотнения.
.4 Сборку редуктора производят в соответствии со
сборочным чертежом.
Перед сборкой внутреннюю полость корпуса
редуктора тщательно очищают и покрывают маслостойкой краской.
Сборка редуктора производится в следующем
порядке:
на быстроходный вал устанавливают
разбрызгиватели и закрепляют их винтами, затем мазеудерживающие шайбы и
напрессовывают подшипники, предварительно нагретые в масле, до упора в буртик
вала. Собранный вал устанавливают в основании корпуса редуктора;
устанавливают компенсаторные кольца между
торцами наружных колец подшипников и крышек;
в крышку с отверстием устанавливают манжету,
затем устанавливают крышку на быстроходный вал (левая опора); устанавливают
глухую крышку (правая опора) в основании корпуса;
фиксируют среднюю часть корпуса и основание с
помощью установочных штифтов, устанавливают и зажимают стяжные винты
соединительного фланца.
на тихоходном валу закладывают шпонку под
зубчатое колесо, напрессовывают колесо до упора в буртик вала. Устанавливают
распорную втулку, мазеудерживающие шайбы и напрессовывают подшипники,
предварительно нагретые в масле, до упора в буртик вала. Собранный вал
устанавливают в средней части корпуса редуктора. Производят регулировку
зацепления;
устанавливают компенсаторные кольца между
торцами наружных колец подшипников и крышек;
в крышку с отверстием устанавливают манжету,
затем устанавливают крышку на тихоходный вал (правая опора); устанавливают
глухую крышку (левая опора) в средней части корпуса;
фиксируют крышку корпуса и среднюю часть с
помощью установочных штифтов, устанавливают и зажимают стяжные винты соединительного
фланца;
закладывают шпонки в пазы валов под шкив
ременной передачи и полумуфту. Вворачивают сливную пробку и маслоуказатель в
корпус редуктора;
заливают масло и закрывают смотровой люк с
пробкой-отдушиной.
Регулирование радиальных шарикоподшипников
производим установкой компенсаторных колец между торцами наружных колец
подшипников и крышек.
При этом между торцом наружного
кольца подшипника и торцом крышки с отверстием оставляем зазор
мм для
компенсации тепловых деформаций.
Заключение
На всех стадиях разработки конструкции редуктора
я думал об экономичности принимаемых решений, возможной технологии изготовления
и сборки, условиях эксплуатации и обслуживания, сроке службы и надежности
редуктора:
важным показателем совершенства конструкции
является условие равной долговечности всех элементов;
электродвигатель рекомендуется выбирать
быстроходный, с синхронной частотой вращения не менее 1000 об/мин., т.е.
сравнительно малогабаритный. Это обуславливает, во-первых, невысокую стоимость
такого двигателя серийного выпуска и, во-вторых, снижение трудоемкости его
сборки с редуктором;
в проекте широко использованы стандартные
изделия (подшипники, муфты, крепежные детали, уплотнения, сливные пробки,
пробки-отдушины и т.д.), а так же стандарты на различные элементы проектируемых
деталей (выточки, галтели, литейные уклоны и т.д.);
на всех стадиях проектирования редуктора
соблюдался принцип унификации (типы и размеры подшипников качения, модули зубчатых
колес, крепежные детали, посадочные размеры и материалы);
посадки, допуски, степени точности и классы
чистоты поверхности деталей выбраны с позиции их влияния на эксплуатационные
свойства редуктора и согласования с технологическими возможностями производства,
использованы система отверстия и ряды предпочтительных чисел;
экономические аспекты учтены при выборе
материала, термообработки, формы и способов изготовления деталей;
при проектировании уделено внимание
осуществлению удобной сборки, максимально исключены ручные операции,
неправильное взаимное расположении сопряженных узлов (с помощью штифтов),
разработана удобная компоновка узлов с легко доступными местами крепления;
для снижения коррозионно-механического
изнашивания использованы рекомендации по вопросу смазки и смазочных устройств.
Для безопасной работы редуктора надо соблюдать
следующие условия:
перед сборкой производить внешний осмотр деталей
для выявления дефектов;
не применять слишком больших усилий при сборке
узлов редуктора;
грамотно произвести две регулировки в узлах
редуктора и между ними;
все крепежные детали должны быть затянуты и
зафиксированы стопорными шайбами;
не запускать редуктор в работу без смазки или
без достаточного ее количества;
не допускать превышения скорости вращения и мощности
редуктора;
все вращающиеся части редуктора, выступающие за
его корпус, должны быть ограждены;
иметь приспособления для зачаливания редуктора
при транспортных и монтажных работах;
не производить ремонт и техническое обслуживание
редуктора при его работе;
снимать крышки, закрывающие смотровые окна при
работе редуктора, во избежание разбрызгивания нагретого масла;
проверку уровня масла, замену свежим и слив
отработанного масла производить только при полной остановке привода;
не рекомендуется поджимать сливные пробки во
избежание срыва резьбы; - при монтажных
работах необходимо отключить электрические источники питания от сети, проверить
заземление и снять внешние нагрузки на валы. Соблюдение
этих требований обеспечивает надежную и безопасную работу редуктора, что
значительно повышает экономических эффект.
Список литературы
1.
Аркуша, А.И. Техническая механика: Теоретическая механика и сопротивление
материалов: учебник для машиностроительных специальностей техникумов / А.И.
Аркуша. - 3-е изд., испр. - М.: Высшая школа, 1998.
.
Куклин, Н.Г. Детали машин: учебник для машиностроительных специальностей
техникумов / Н.Г. Куклин, Г.С. Куклина. - 4-е изд., перераб. и доп. - М.:
Высшая школа, 1987.
.
Курсовое проектирование деталей машин: учеб. пособие для учащихся
машиностроительных
специальностей техникумов / С.А. Чернавский, К.Н. Боков, И.М. Чернин и др. -
2-е изд., перераб. и доп. - М.: Машиностроение, 1987.
.
Курмаз Л.В. Детали машин. Проектирование: учеб. пособие для вузов /
Л.В.
Курмаз, А.Т. Скойбеда. - 2-е изд., испр. и доп. - Мн.: УП «Технопринт»,
.
.
Шейнблит, А.Е. Курсовое проектирование деталей машин: учеб. пособие для ССУЗов
/ - 2-е изд., перераб. и доп. - Калининград: Янтарный Сказ, 2002.
.
ГОСТ 16162. Редукторы зубчатые. Общие технические условия.