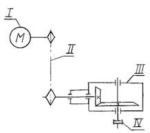
Привод галтовочного барабана
1.
Техническое задание
Спроектировать привод
галтовочного барабана.
Мощность на ведомом звене
N3=7,2 кВТ.
Частота вращения ведомого
звена n3=150 об/мин.
Тип цепи – роликовая.
Срок службы привода L=5 лет.
l – Электродвигатель
ll – Цепная передача
lll – Конический одноступенчатый
редуктор
4 –
Муфта
Рисунок
1 – Кинематическая схема привода
2. Энерго-кинематический
расчет привода
Определение мощности
двигателя
Nэд
Nдс
Мощность движущих сил,
кВт:
Nдс=
, (1)
где
-КПД привода:
,
(2)
где
- КПД цепной передачи;
-
КПД зубчатой конической передачи;
-
КПД подшипниковой пары;
-
КПД муфты.
Nдс=
кВт
Эл. двигатели,
соответствующие данной мощности представлены в таблице 1.
Таблица 1- Данные для
выбора электродвигателя
|
№ п/п
|
Обозначение
|
Мощность, кВт
|
Частота вращения, об/мин
|
Требуемое передаточное число
привода, u=nдв/n3
|
|
1
|
4А132М2У3
|
11
|
2900
|
19,23
|
|
2
|
4А132М4У3
|
11
|
1460
|
9,73
|
|
3
|
4А160S6У3
|
11
|
975
|
6,5
|
|
4
|
4А160М8У3
|
11
|
730
|
4,866
|
Выбор привода с меньшим
передаточным числом целесообразнее, так как позволяет уменьшить его габариты.
Выбираем электродвигатель
4А160М8У3.
Передаточное число
привода:
,
(3)
uзпк: 2; 2,24; 2,5; 2,8; 3,15; 3,55; 4.
Выбираем uзпк=2,5.
Определяем передаточное
число цепной передачи:
,
(4)
Определяем частоту
вращения звеньев, об/мин:
n1=nдв=730 об/мин
n2=n1/uцп , (5)
n2=730/1,946=375,13 об/мин
n3=n2/uзпк , (6)
n3=375,13/2,5=150,05 об/мин
Определяем крутящие
моменты на соответствующих валах, Нм:
Т=Nдс/
, (7)
где
- угловая скорость двигателя, рад/с:
рад/с
Т1=8,136х103
/76,4=106,5 Нм
Т2=Т1
uцп
, (9)
Т2=106,5
1,946
Нм
Т3=Т2
uзпк
, (10)
Т3=196,97
2,5
Нм
3. Расчет
цепной передачи
3.1
Проектный расчет
Определяем шаг цепи, мм:
РР=
, (11)
где Кэ=1 –
коэффициент режима работы;
Sp=0,25 – коэффициент шага цепи;
Кm=1 – коэффициент, учитывающий число
рядов цепи;
[p]=24,2 МПа – допускаемое удельное давление в шарнирах цепи;
z1 – число
зубьев ведущей звездочки:
z1=29-2
uцп , (12)
z1=29-2
1,946=26,108
Принимаем z1=27.
Предварительное значение
скорости цепи, м/с:
v=z1
n1
Pp/(60000) , (13)
v=27
730
15/(60000)=4,93 м/с
Действительное допускаемое
удельное давление в шарнирах [p]=17
МПа.
Принимаем шаг цепи Рр=15,875
мм.
Выбираем цепь
ПР-15,875-2270-2: шаг Рр=15,875, ширина В=13,95 мм, Qразр=2,27 кН, масса 1 метра цепи 1 кг,
диаметр валика dВ=5,08 мм, ширина внутреннего звена b3=9,65 мм, срок службы 4000 ч, nмах=900 об/мин.
Действительное значение
скорости цепи, м/с:
v=27
730
15,875/(60000)=5,21 м/с
Определяем число зубьев
ведомой звездочки:
z2=z1
uцп , (14)
z2=27
1,946=52,54
Принимаем z2=53.
Определяем фактическое
передаточкое число цепной передачи:
uф=z2 / z1 , (15)
uф=53/27=1,963
Отклонение фактического
передаточного числа:
,
(16)
Определяем
предварительное межосевое расстояние, мм:
а=(30
50)Рр , (17)
а=30
15,875=476,25 мм
Проверяем частоту
вращения ведущей звездочки, об/мин:
n1
[n]1 , (18)
где [n]1- допускаемая частота
вращения, об/мин:
[n]1=15
103/Рр
, (19)
[n]1=15
103/15,875=944,8
об/мин
900
об/мин944,8
об/мин
Проверяем
давление в шарнирах, МПа:
Рц=Ft
Кэ/А
, (20)
где Ft – окружное усилие, Н:
Ft=N1
103/v , (21)
Ft=8,136
103/5,21=1561,6 Н
А –
площадь опрорной поверхности шарнира, мм2:
А=dВ
bЗ , (22)
А=5,08
9,65=49,022 мм2
Рц=1561,6
1/49,022=31,85
МПа
Рц=31,85
Мпа [p]=17 МПа
Выбираем
цепь с большим шагом ПР-19,05-3180: шаг Рр=19,05, ширина В=17,75 мм,
Qразр=3,18 кН, масса 1 метра цепи q=1,9 кг, диаметр валика dВ=5,94 мм, ширина внутреннего звена b3=12,7 мм, срок службы Т=2000 ч.
Действительное
допускаемое удельное давление в шарнирах [p]=21 МПа Определяем скорость цепи, м/с:
v=27
19,05
730/6000=6,258
м/с
Межосевое
расстояние, мм:
а=30
19,05=571,5 мм
Определяем
число звеньев цепи:
Lц=
, (23)
Lц=
Принимаем
Lц=100 звеньев.
Определяем
фактическое межосевое расстояние, мм:
аф=
, (24)
аф=
мм
Определяем
длину цепи, мм:
L=Lц
Рр , (25)
L=100
19,05=1905 мм
dD1=Pp/sin(180/z1)
, (26)
dD1=19,05/sin(180/27)=164,1
мм
Диаметр делительной окружности ведомой звездочки, мм:
dD1=19,05/sin(180/53)=321,8
мм
Диаметр окружности
выступов, мм:
De=
, (27)
где к=0,7 – коэффициент
высоты зуба;
=1,6
– геометрическая характеристика зацепления;
Кz1=ctg180/z – коэффициент числа зубьев.
De1=
мм
De=
мм
Диаметр окружности
впадин, мм:
Df=dD-(d1-0,175
) , (28)
где d1=11,91 – диаметр ролика шарнира цепи.
Df1=164,1-(11,91-0,175
)=154,43 мм
Df=321,8-(11,91-0,175
)=313,03
мм
3.2
Проверочный расчет
Проверяем частоту
вращения ведущей звездочки, об/мин:
n1
[n]1
где [n]1- допускаемая частота
вращения, об/мин:
[n]1=15
103/19,05=787,4
об/мин
900
об/мин787,4 об/мин
Проверка
числа ударов цепи о зубья звездочек, с-1:
V
[V] , (29)
где V – расчетное число ударов цепи:
V=
, (30)
V=
с-1
[V] – допускаемое число ударов:
[V]=508/Рр , (31)
[V]=508/19,05=26,66 с-1
V=13,14 с-1
[V]=26,66 с-1
Определяем
окружное усилие, Н, по формуле 21:
Ft=
Н
Проверка
давления в шарнирах цепи, МПа, по формуле 20:
Рц=
МПа
Рц=17,23
Мпа [p]=21 МПа
Определение
нагрузок, действующих на валы, Н:
R=КД
Ft+2Fr , (32)
где Fr – натяжение от провисания ведомой
ветви, Н:
Fr=Кf
q
g
a , (33)
где Кf=6 – коэффициент провисания;
Fr=6
1,9
9,8
0,5632=62,9 Н
R=1,15
1300,1+262,9=1620,95 Н
Определение
срока службы цепи, ч:
Тф=
, (34)
где
- допускаемое увеличение шага цепи, %;
ар
– межосевое расстояние в шагах:
ар=а/Рр
, (35)
ар=566,03/19,05=29,7
Кс
– коэффициент смазки:
Кс=Ксп
, (36)
где Ксп=1,8
– коэффициент, учитывающий способ смазки.
Кс=1,8/
Тф=
ч
Уточненный
ожидаемый срок службы, ч:
Т0=
, (37)
Т0=
ч