Реконструкция подстанции 35/10 'Полигон ГЭТ'

  • Вид работы:
    Дипломная (ВКР)
  • Предмет:
    Физика
  • Язык:
    Русский
    ,
    Формат файла:
    MS Word
    685,81 kb
  • Опубликовано:
    2012-03-21
Вы можете узнать стоимость помощи в написании студенческой работы.
Помощь в написании работы, которую точно примут!

Реконструкция подстанции 35/10 'Полигон ГЭТ'

Министерство образования и науки РБ

ГБОУ СПО «Гусиноозёрский энергетический техникум»









Курсовая работа

По дисциплине: Электрооборудование

На тему: Реконструкция подстанции 35/10 «Полигон ГЭТ»

Выполнил студент: 4 курса

группы 29-2 специальности

Выполнил: Дергунов П.С

Проверил: Жарова Ю.Л



Гусиноозёрск 2012г.

Введение

Электрификация то есть производство распределение и применение электроэнергии во всех отраслях народного хозяйства и быта населения-одна из важных факторов технического прогресса. На базе электрификации стала развиваться промышленность электроэнергия стала проникать в сельское хозяйство и транспорт. Использование электроэнергии обуславливает значительное увеличение производительности труда. Весь опыт развития электрификации показал что надежное высококачественное и дешевое электроснабжение можно получить только от крупных районных подстанций объединенных в мощные энергетические системы. Развитие районных электростанций объединение их в энергетические системы создают благоприятные условия для электрификации всех отраслей народного хозяйства страны и в том числе сельского хозяйства. Однако широкое применение централизованного электроснабжения сельского хозяйства оказалось возможным только в последние 20….30 лет. В основном задача перевода сельского хозяйства на централизованное электроснабжение решена. Все совхозы и колхозы пользуются электроэнергией все жилые дома в сельских населенных пунктах имеют электрический ввод. Это было связано с большими материальными затратами которые потребуются и в дальнейшем. По теме роста нагрузок будет происходить реконструкция существующих электрических сетей. При реконструкции будут широко внедрятся мероприятия по повышению надежности электроснабжения сельских потребителей которая еще далеко не достаточна.

Задание на курсовую работу

Произвести проектирование подстанции 35-10 кВ. «Полигон ГЭТ». Произвести расчёт , выбор и проверку основного и вспомогательного оборудования на подстанции с установкой современного оборудования. Произвести технико-экономическое обоснование проекта.

Исходные данные:

) R 3-х фазное К3 на шинах подстанции __________5,7 Ом.

) Расстояние до проектируемой подстанции _______40 км.

) Мощность нагрузки на момент выдачи задания____1,25 мВА.

) Ежегодный прирост нагрузки __________________ 4% .

Расчет нагрузки выбор числа и мощности силовых трансформаторов

Мощность нагрузки составляет 1,25 мВА. Находим максимальную потребляемую мощность всех отходящих присоединений на стороне 35кВ:

Трансформаторы относятся к основному оборудованию подстанции и необходимо правильно технически и экономически произвести обоснованный выбор их типа, числа и мощности для рационального электроснабжения потребителей электрической энергией.

Выбор трансформаторов заключается в определении их числа, типа и номинальной мощности.

К основным параметрам трансформатора относится номинальная мощность, напряжение, ток, напряжение короткого замыкания, ток холостого хода, потери холостого хода и короткого замыкания.

Основным решением для понижающей подстанции всех категорий районных, крупных и средних, промышленных, городских, сельских и сельских подстанций со смешанной нагрузкой является установка двух трансформаторов.

При этом повышается надежность электроснабжения потребителей по сравнению с однотрансформаторной подстанцией в то же время двухтрансформаторная подстанция, как, правило, значительно экономичнее многотрансформаторной.

Согласно существующей проектной практике мощность каждого из двух трансформаторов выбирается такой, чтобы при выходе из строя одного из них, другой с длительно допустимой нагрузкой мог полностью обеспечить питание нагрузки в часы максимума.

Проектируемая подстанция 35/10кВ «Полигон ГЭТ» предусматривает подключение потребительских линий 10кВ.

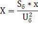
При установки двух трансформаторов на подстанции мощность трансформатора выбирается по условию

=0.7*

Трансформаторы, выбранные по этому условию обеспечивают питание всех потребителей в нормальном режиме при оптимальной загрузке трансформаторов (Кз= 0,6-0,7), а в аварийном режиме оставшееся в работе один трансформатор обеспечивает питание всех потребителей с учетом дополнительной систематической, аварийной перегрузкой трансформатора.

По заданию нагрузка подстанции составляет 1,25 мВА, ежегодный прирост нагрузки составляет 4%,проектируемое количество времени 5 лет.

Максимальная расчетная нагрузка с учетом увеличения роста нагрузки


Основные технические характеристики ТМ-1600/35:

Номинальная мощность, Ква

Номинальное высшее напряжение, кВ

Номинальное низшее напряжение, кВ

Потери холостого хода, кВт.

Потери короткого замыкания, кВт.

Ток холостого хода, %

Напряжение короткого замыкания, %

Схема и группа соединения обмоток

1600

35

10,5

2,9

16,5

1,4

6,5

У/Д-11


Коэффициент загрузки трансформаторов в режиме короткого замыкания


Коэффициент загрузки трансформаторов в аварийном режиме


Выбор сечения и марки провода питающий ЛЭП

Проектирование ВЛ электропередачи должно выполнятся в соответствии с ПУЭ, СНиП, НТП. При проектировании рекомендуется ориентироваться на утвержденную схему развития энергосистемы и электросетей с перспективой на ближайшие 5-10лет. Для ВЛ-35кв это условие является обязательным.

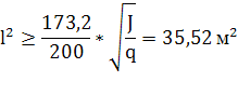
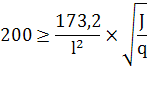
Сечение проводов выбирается по экономической плотности тока и далее проверяется по условиям:

1.       по допустимой длительной нагрузки по нагреву;

2.       По потерям энергии на корону;

.         технико-экономическим показателям.

Рассчитываем наибольший длительный ток


Рассчитываем сечение провода



Выбираем провод марки АС-25

Наружный диаметр провода 6.6мм

Проверка по нагреву

 Смотрим в ПУЭ

130 A

A≤130 A

Проверка по условиям короны


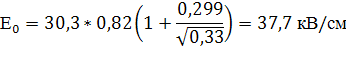
Напряженность электрического поля около поверхности нерасщепленного провода определяется по выражению


Таким образом, провод АС-25 по условиям нагрева и короны проходит.

Выбор главной схемы подстанции

Главная схема электрических соединений подстанций - это совокупность основного оборудования, сборных шин, коммутационной и другой первичной аппаратуры со всеми выполненными соединениями. Подстанция 35/10 кВ «Полигон ГЭТ» расположена в Селенгинском районе на территории Гусиноозёрского энергетического техникума. Питание подстанции осуществляется путем врезания в линию 35кВ одиночной линии. Подстанция является двухтрансформаторной. Для РУ высокого напряжения проектируемой тупиковой двухтрансформаторной подстанции.

В нормальном режиме работы Т1 подключен к линии через выключатель Q1, а Т2 - к линии через выключатель Q2.При необходимости вывода в ремонт трансформатора или выключателей, ошиновки в цепи трансформатора на стороне 35 и 10кВ предварительно вся нагрузка подстанции переводится на другой трансформатор. Например, при выводе в ремонт Т1 отключается выключатель10кВ Q и выкатывается из ячейки в ремонтное положение. Включается секционный выключатель 10кВ. Затем отключается выключатель Q1 со стороны высокого напряжения и отключается соответствующий разъединитель 35кВ. При коротком замыкании в трансформаторе релейной защитой отключаются выключатели 35и 10кВ, и после срабатывания АВР включается секционный выключатель 10 кВ, переводя нагрузку обесточенных секций на оставшийся в работе трансформатор. В нормальном режиме работы выключатели трансформаторов включены, в секционный выключатель отключен. На каждую секцию подключено по 1 линии и одному вводу от трансформатора. На стороне 10кВ применяется одна одиночная секционированная выключателем система шин. Предусматривается раздельная работа трансформаторов для уменьшения токов короткого замыкания. Секционный выключатель в нормальном режиме работы схемы отключен.

Распределительное устройство сооружается из ячеек КРУН из выключателей на выкатных тележках, что позволяет отказаться от разъединителей. Их функции выполняют втычные контакты выкатной тележки. Это значительно снижает затраты на сооружение ПС, упрощает обслуживание, повышает надежность электроснабжения потребителей. Применение ячеек КРУН позволяет увеличить надежность схемы, улучшить условия эксплуатации, снизить затраты на сооружение РУ-10кВ.

При коротком замыкании на секции отключается вводной выключатель и секция обесточивается на все время ремонтных работ. Короткое замыкание на линии отключается одним выключателем, но если происходит отказ в отключении выключателя, то к.з с линии переходит на секцию. Гасится вся секция на время, необходимое для вывода в ремонт линии и неотключившегося выключателя.

Схема наглядна, проста и удобна в обслуживании, экономична.


Выбор трансформатора собственных нужд

На собственных нуждах используют переменный оперативный ток, и трансформаторы подключаются отпайкой от шин 10КВ.Выбор мощности производится с учётом числа и мощности потребителей собственных нужд.

Нагрузка собственных нужд подстанции:

Вид потребителя

Установленная мощность


Единицы, кВт∙кол-во

Всего, кВт

Обогрев шкафов РЗА

0,7х3

2,1

Освещение ПС

0,25х7

1,75

Кабина связи

0,2х2

0,4

Подогрев шкафов КРУН 10кВ

1х8

8

Подогрев выключателей и приводов 35кВ

4,4х2

8,8

Итого:


21,05



Принимаем два трансформатора ТМ 25, при отключении одного трансформатора, второй будет загружен на 21,05/25=0,84<1,4 , что допустимо

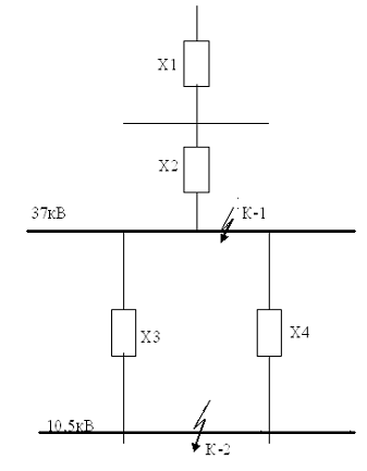
Расчет токов короткого замыкания

Расчетная схема электроустановки

Определяем ток короткого замыкания (к.з.) в точках К-1, К-2, на шинах подстанции 35/10 кВ.

По заданию имеем следующие исходные данные:

1.       Система имеет бесконечную мощность;

2.       Сопротивления КЗ на шинах 35кВ подстанции X= 5,7м;

.         Длина линий составляет линия l=40км;

.         Трансформаторы Т1 и Т2 мощностью по 1000кВА

Расчетная схема подстанции 35/10кВ

Составим схему замещения схемы для расчетной схемы подстанции

сопротивление системы; сопротивление линии; сопротивления трансформаторов.

Произведем расчет в относительных единицах. Определим параметры схемы замещения. Применяем для энергосистем сверх переходную ЭДС  Определим сопротивления системы при базовой мощности

Сопротивление короткого замыкания на шинах 35кВ подстанции


Сопротивление линии


Сопротивление трансформатора.


Базовый ток Iб в точке короткого замыкание



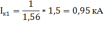
Ток трехфазного короткого замыкания в точке к1


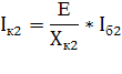
Ток трехфазного короткого замыкания в точке к2

 

Периодическая составляющая точки кз в начальный момент времени


Ударный ток


Апериодическая составляющая тока кз


Тепловой импульс




МПК-35 масленый выключатель

РДЗ-35 разъединитель

Сводная таблица результатов расчета токов короткого замыкания

Точки к.з.

Источник

Iпо, Ка

 JУ,кА

 Iаτ, кА

;

К1 (шины 35 кВ)

энергосистема

0,95

4,2

 1,4

0,33

К2 (шины 10 кВ)

энергосистема

1,86

3,5

4,6

O,54


ВЫБОР И ПРОВЕРКА ЭЛЕКТРИЧЕСКИХ АППАРАТОВ И ТОКОВЕДУЩИХ ЧАСТЕЙ

Выбор и проверка выключателей и разъединителей на 35 кВ

Разъединитель по напряжению установки

 

По длительному току

 


Электродинамическая стойкость


Термическая стойкость


Выключатель по напряжению установки

 

По длительному току


Ассиметричный ток отключение


апериодическая составляющая тока кз


Откл. способность полного тока кз


Электродинамическая стойкость


Термическая стойкость

 

Расчетные и каталожные данные выключатель МПК-35кв и разъединителя РДЗ-35кв:

Расчетные данные

Величина

Каталожные данные

Выключатель МПК-35-1000-25

Разъединитель РДЗ-35

Напряжение установки, Кв

35

Номинальное напряжение, кВ

35

35

Нормальный ток (максимальный) установки, А

24.77

Номинальный ток, А

1000

1000

Периодическая составляющая тока К.З., кА

0,95

Отключающий номинальный ток, кА

25

___

Апериодическая составляющая тока К.З., кА               1,4           Допускаемое значение апериодической составляющей, кА(*βн*Iотк/100)

9,5___



 

Полный ток

2,7

Проверка на отключающую способность полного тока К.З., кА

7

___

Периодическая составляющая тока К.З., кА

0,95

Действующее значение периодической составляющей тока К.З., кА

25

____

Ударный ток, кА

4,2

Ток электродинамической стойкости, Ка

25

63

Тепловой импульс тока К.З., кА²с

0,33

Термическая стойкость, кА²с

25

25


Расчетные и каталожные данные на выключатель ВММ-10 и разъединитель РВ-10

Расчетные данные

Величина

Каталожные данные

Выключатель ВММ-10

Разъединитель РВ-10

Напряжение установки, кВ

10

Номинальное напряжение, кВ

10

10

Нормальный ток (максимальный) установки, А

86

Номинальный ток, А

200-630

400

Периодическая составляющая тока К.З., кА

1,86

Отключающий номинальный ток, кА

10

____

Апериодическая составляющая тока К.З., кА

4,6

Допускаемое значение апериодической составляющей, кА(*βн*Iотк/100)1,41____



Полный ток

7,2

Проверка на отключающую способность полного тока К.З., кА

1,5

____

Периодическая составляющая тока К.З., кА

1,86

Действующее значение периодической составляющей тока К.З., кА

10

____

Ударный ток, кА

3,5

Ток электродинамической стойкости, кА

10

41

Тепловой импульс тока К.З., кА²с

0,54

Термическая стойкость, кА²с

10

16


Выбор ограничителей перенапряжения (ОПН)

Ограничитель перенапряжений нелинейный (ОПН) - это элемент защиты без искровых промежутков. Активная часть ОПН состоит из легированного металла, при подаче напряжения он ведет себя как множество последовательно соединенных варисторов. Принцип действия ОПН основан на том, что проводимость варисторов нелинейно зависит от приложенного напряжения. При отсутствии перенапряжений ОПН не пропускает ток, но как только на участке сети возникает перенапряжение, сопротивление ОПН резко снижается, чем и обуславливается эффект защиты от перенапряжения. После окончания действия перенапряжения на выводах ОПН, его сопротивление опять возрастает. Переход из «закрытого» в «открытое» состояние занимает единицы наносекунд (в отличие от разрядников с искровыми промежутками, у которых это время срабатывания может достигать единиц микросекунд).

Кроме высокой скорости срабатывания ОПН обладает еще рядом преимуществ. Одним из них является стабильность характеристики варисторов после неоднократного срабатывания вплоть до окончания указанного времени эксплуатации, что, кроме прочего, устраняет необходимость в эксплуатационном обслуживании.


Выбор производим по номинальному напряжению:

ОПН/TEL-Х/Х-550 УХЛ1        на 35 кВ

ОПН/TEL-Х/Х-250 УХЛ1        на 10 Кв

Наименование параметров

ОПН/TEL-X/X-550 УХЛ1

ОПН/TEL-X/X-250 УХЛ1

Класс напряжения сети, кв

35

10

Наибольшее длительное допустимое рабочее напряжение,Unд,кв

40.5

12,6

Номинальный разрядный ток 8/20мкс,Iн,кА

10

10

Остающееся напряжение Vоста,кв,не более:

При коммутационном импульса тока

125А,30/60МКС

93

19,2

250А,30/60МКС

98

19,6

500А,30/60МКС

101

20,3

При грозовом импульсе тока

5000А,8/20МКС

119

10000А,8/20МКС

130

25,6

20000А,8/20МКС

146

28,6

При крутом импульсе тока

10000А,1/10МКС

153

8,72

Емкостной ток проводимость, /с, МА,не более:

Амплитуда

0,9

0,6

Действующее значение

0,7

0,45

Удельная энергия ОПН, кДж/квUнд,неменее

5,5

3,6

Максимальная амплитуда импульса тока 4/10мкс, Ка

100

100

Взрывобезопасный ток при коротком замыкании Iкз, кА

30

20

Максимальное изгибающее усилие Н

580

335


Выбор токоведущих частей и изоляторов на подстанции

Выбор шин учитывает основные требования, предъявляемые к ним. Шины должны надежно выдерживать любые токи нормального режима и короткого замыкания.

Выбор ошиновки на стороне


Выбираем провод марки АС-25

Наружный диаметр провода 6.6мм

Проверка по нагреву


 Смотрим в ПУЭ

130 A

A≤130 A

Выбор ошиновки на стороне


Выбираем шины

Размеры:    153 мм ()

Сечение:     45

Проверка на термическую стойкость


Проверяем шины на механическую прочность

Определяем пролет  , при условии что частота собственных колебаний больше


Напряжение в материале шины, возникающее при воздействии изгибающего момента


Условие механической прочности


Выбираем жесткие шины АДО

Выбор изоляторов


Проходные изоляторы


Выбираем проходной изолятор П-10-5000-4250


Опорные изоляторы


Выбираем опорные изоляторы

ИШД   2000 кГ - прочность на изгиб

ОД-10   2000 кГ - прочность на изгиб

Выбор трансформатора тока

Измерительный трансформатор тока. Трансформатор предназначенный для преобразования тока до значения, удобного для измерения. Первичная обмотка трансформатора тока включается последовательно в цепь с измеряемым переменным током, а во вторичную включаются измерительные приборы. Ток, протекающий по вторичной обмотке трансформатора тока, пропорционален току, протекающему в его первичной обмотке.

Трансформаторы тока широко используются для измерения электрического тока и в устройствахрелейной защиты электроэнергетических систем, в связи с чем на них накладываются высокие требования по точности.

Трансформаторы тока обеспечивают безопасность измерений, изолируя измерительные цепи от первичной цепи с высоким напряжением, часто составляющим сотни киловольт.К трансформаторам тока предъявляются высокие требования по точности. Как правило, трансформатор тока выполняют с двумя и более группами вторичных обмоток: одна используется для подключения устройств защиты, другая, более точная - для подключения средств учёта и измерения (например,электрических счётчиков).

Выбор трансформаторов тока производится по следующим параметрам

1)     

)       

)        По конструкции и классу точности

)        По электродинамической стойкости


5)       По термической стойкости


)        По вторичной нагрузке

Сопротивление приборов и реле:

Класс точности

Приборы и реле

Тип

Сопротивление, Ом

Класс Р Класс 0,5

Реле дифференциальной защиты

ДЗТ-11

0,1


Реле тока

РТ-40

0,02


Промежуточное реле

РП-341

0,15


Реле времени

РВМ

0,15


Амперметр

Э-379

0,02


Счетчик активной энергии

САЗ-И670

0,1


В КРУН на вводах и отходящих линиях

По  на вводе

Выбираем трансформатор тока:

Тип

Время

Измерительная нагрузка




ТПЛК10-У3

1000

5

74,5

27

4

10


Расчетные и каталожные данные:

Расчетные данные

Величина

Каталожные данные

ТПЛК10-У3

Номинальное напряжение  установки, кВ

10

Номинальное напряжение трансформатора тока, кВ

10

Максимальный ток, А

86

Номинальный ток Т.Т,А

100

Тепловой импульс тока к.з., кА²*с

0,54

Условие термической устойчивости для Т.Т:

27

Вторичная нагрузка Т.Т, В*А

10

Номинальная нагрузка Т.Т, В*А

10


Выбор трансформаторов напряжения

Трансформатор напряжения - трансформатор, питающийся от источника напряжения. Типичное применение - преобразование и гальваническая развязка высокого напряжения в низкое в измерительных цепях. Применение трансформатора напряжения позволяет изолировать логические цепи защиты и цепи измерения от цепи высокого напряжения.

Выбор трансформаторов напряжения производится по следующим параметрам:

1)      По напряжению установки


)        По конструкции и схеме соединений обмоток

)        По классу точности

)        По вторичной нагрузке


Вторичная нагрузка ТН:

Прибор

Тип

S одной обмотки, В*А

Число обмоток

cosφ

sinφ

Число приборов

Общая потребляемая мощность








Р, Вт

Q, Вар

Вольтметр

Э-335

2

1

1

0

1

2

-

Счетчик активной энергии

САЧ-И670

2 Вт

2

0,38

0,925

7

28

67,9

Счетчик реактивной энергии

СРЧ-И676

2 Вт

2

0,38

0,925

1

4

9,7

Итого:







34

77,6

Выбираем трансформатор напряжения ТМ-63/10(6)/0,4

Выбор предохранителей

Плавкие предохранители служат для защиты электрических цепей от сверх токов при коротких замыканиях. Выбирают их по конструктивному выполнению, номинальному напряжению и току, предельным отключаемым током и мощностям, роду установки (наружная, внутренняя). Плавкие вставки предохранителей выбирают с учетом отстройки их от бросков намагничивающего тока трансформатора и по условию избирательности (селективности) защиты. На стороне 10 кВ для защиты трансформаторов собственных нужд устанавливаются предохранители типа ПКТ-001-10 У3. Для защиты трансформаторов напряжения 10 кВ применяем предохранители типа ПКН-1-10УЗ.

Технико-Экономическое Обоснование Проекта

Капитальные затраты определяются по укрупненным показателям стоимости строительства ВЛ, стоимости трансформаторов, стоимости строительства ОРУ и стоимости КРУН-10кВ введенных в Минэнерго.


Определяем стоимость строительства ВЛ, стоимость одного километра ВЛ-35кв, выполненная проводами марки АС-25 составляет 24000тыс. руб (Ас70-32000 тыс. руб).


Кл- стоимость ВЛ;

L- длина линии.

Определим капиталовложения в трансформаторы, стоимость одного трансформатора типа ТМ-1600/35 составляет 1милн050000 тыс.руб:


Определим капиталовложения в КРУН-10кВ, стоимость одной ячейки составляет 54,8тыс. руб., КРУН-10кВ состоит из 10 ячеек, тогда


Стоимость ОРУ-35кВ составляет 2милн300000тыс. руб.

По формуле капиталовложения в строительства подстанции составляет:


Ежегодные эксплуатационные расходы представляют собой стоимость годовых потерь электроэнергии и отчислений на амортизацию ремонта и оборудования подстанции и воздушной линии.


где Сэ- стоимость потерь электроэнергии(тыс.руб/год), или стоимость расхода электроэнергии на ее транспортировку

Годовая стоимость всех электрических потерь


Стоимость потерь в линии находим по формуле


Где I- максимальный ток в линии в нормальном режиме,А

R- активное сопротивление в линии,


Определим потери мощности и стоимость потерь в трансформаторахТМ-1600/35.

Реактивная мощность холостого хода трансформатора:


Потери мощности холостого хода:


Реактивная мощность короткого замыкания:


Активные потери короткого замыкания:


Приведенные потери мощности в трансформаторе:

где Со = 1,9 руб./кВт- стоимость 1кВт/ч энергии холостого хода и короткого замыкания

Т=8760ч- время работы трансформаторов;

Ежегодные отчисления на амортизацию ремонт и обслуживание подстанции:


Р =0,094-коэффициент отчисления на амортизацию, ремонт и обслуживание подстанции.

Ежегодные отчисления на амортизацию, ремонт и обслуживание ВЛ:


Р =0,028-коэффициент отчисления на амортизацию, ремонт и обслуживание подстанции.

Годовые приведенные затраты:


Определяем срок окупаемости проекта




заключение

В данной курсовой работе я произвел проектирование понизительной подстанции 35/10 кВ «полигон ГЭТ» Был произведен выбор числа, мощности и типа трансформаторов; расчет токов короткого замыкания для выбора оборудования; выбор вспомогательного оборудования и токоведущих частей; измерительные трансформаторы тока и напряжения; число и мощность трансформаторов собственных нужд.

Также было произведено технико-экономическое обоснование проекта.

Список использованной литературы

1)     Электрооборудование электрических станций и подстанций-Л.Д. Рожкова, Л.К. Карнеева, Т.В. Чиркова;

)      Электрические станции и сети-Л.Н. Баптиданов:

)      Правила устройства электрических установок-С.Г.Королёв;

)      Правила технической эксплуатации электрических станций и сетей Российской Федерации. РД 34.20.501.95.

)      Справочник по электрическим установкам высокого напряжения - И.А. Баумштейна, М.В. Хомякова.

)      ГОСТ 27514-87. Короткие замыкания в электроустановках. Методы расчета в электроустановках переменного тока напряжением свыше 1 кВ.

)      ГОСТ 50254-92. Короткие замыкания в электроустановках. Методы расчета электродинамического и термического действия токов короткого замыкания.

)      Руководящие указания по расчету токов короткого замыкания и выбору электрооборудования. РД 153-34.0-20.527-98.

)      Электротехнический справочник - Под ред. проф. МЭИ. Т. 1

)      Электрическая часть станций и подстанций-А.А. Васильев, И.П. Крючков

)      Справочник по электрическим аппаратам высокого напряжения - Н.М. Адоньев, В.В. Афанасьев, И.М. Бортник

)      Нормы технологического проектирования тепловых станций. ВНТП-Т-88.

)      Комплектные распределительные устройства 6 - 35 кВ-К. И. Доротее.

Похожие работы на - Реконструкция подстанции 35/10 'Полигон ГЭТ'

 

Не нашли материал для своей работы?
Поможем написать уникальную работу
Без плагиата!
Без нейросетей!