Цифровой блок управления электроприводом

  • Вид работы:
    Дипломная (ВКР)
  • Предмет:
    Информатика, ВТ, телекоммуникации
  • Язык:
    Русский
    ,
    Формат файла:
    MS Word
    173,15 kb
  • Опубликовано:
    2012-02-27
Вы можете узнать стоимость помощи в написании студенческой работы.
Помощь в написании работы, которую точно примут!

Цифровой блок управления электроприводом

Содержание

цифровой управление электропривод датчик импульс

1. Объект разработки

2. Исходные данные

3. Функциональная схема

.1 Назначение элементов

.2 Принцип работы центрального блока управления (ЦБУ)

4. Расчет блоков принципиальной схемы

.1 Фотоэлектрический импульсный датчик

.2 Формирователь импульсов

.3 Счетчик импульсов

.4 КТ - командный триггер

.5 Импульсный усилитель мощности

Список литературы

1. ОБЪЕКТ РАЗРАБОТКИ

Разработать цифровой блок управления (ЦБУ) электроприводом для позиционирования транспортера в соответствии с заданным количеством кодовых импульсов поступающих от датчика угла поворота электропривода.

ЦБУ должен содержать фотоэлектрический импульсный датчик, формирователь импульсов, счетчик импульсов с предустановкой, командный триггер и импульсный усилитель мощности.

2. ИСХОДНЫЕ ДАННЫЕ


Номер зачетной книжки 20001484

Элементная база: ТТЛ

Диапазон изменения угла поворота: a=150+5n±5=165 - 175 кодовых импульсов

Относительный световой ток фотодиода: IC / IT = 5+n=9

Относительная амплитуда помехи: IП / IC = 0,1

Номинальное напряжение электродвигателя: UЭД =100-8n=68 В

Пусковой ток электродвигателя: IЭД = 1+n=5 А

 

3. ФУНКЦИОНАЛЬНАЯ СХЕМА


Рисунок 1 - функциональная схема

 

.1 Назначение элементов


ФИД - фотоэлектрический импульсный датчик. Датчик представляет собой оптрон, преобразующий поток излучения светодиода в импульсы тока фотодиода за счет периодического прерывания потока излучения вращающимся щелевым диском, установленным на валу привода. Ток фотодиода кроме световой составляющей Iс, имеет темновую составляющую IТ и составляющую помехи UП, возникающую на частоте вибрации.

ФИ - формирователь импульсов. Формирователь импульсов выполняется на основе регенеративного компаратора, который повышает крутизну фронта импульсов датчика, а также устраняет влияние помехи и темнового тока фотодиода на выходной сигнал.

СИ - счетчик импульсов. Счетчик обеспечивает подсчет числа импульсов датчика, сформированных компаратором, и выдает на командный триггер сигнал после поступления заданного числа импульсов. Для изменения этого кода, соответствующего заданному углу поворота, необходимо в схеме предусмотреть специальный переключатель-задатчик.

КТ - командный триггер. Командный триггер формирует сигнал управления электроприводом по командам "ПУСК" и "СТОП", которые могут подаваться как вручную от соответствующих кнопок, так и от внешних устройств.

ИУМ - импульсный усилитель мощности. Импульсный усилитель мощности содержит силовой транзистор, обеспечивающий необходимый ток в якорной цепи электродвигателя при включении его от командного триггера.

 

.2 Принцип работы центрального блока управления (ЦБУ)


Назначение ЦБУ осуществить точное позиционирование ленточного транспортера в соответствии с заданным значением угла поворота исполнительного вала привода, который устанавливается с помощью специального переключателя - задатчика. По команде "Пуск/Запись" поступающей от кнопки ручного управления (РУ) или внешнего управления (ВУ) командный триггер (КТ) переходит в состояние логической 1 и через импульсный усилитель мощности (ИУМ) включает электродвигатель (ЭД), одновременно с этим происходит запись заданного числа импульсов в СИ. Вращение исполнительного вала через редуктор (Р), служащий для понижения угловой скорости вала, передается на фотоэлектрический импульсный датчик (ФИД).

На выходе ФИД формируется импульсы напряжения, количество которых определяется углом поворота исполнительного вала, а частота зависит от скорости вращения вала. Эти импульсы нельзя напрямую подать на счетчик импульсов (СИ) так как у них очень пологий фронт, слабый сигнал, и они содержат помеху. Поэтому эти импульсы подаются на формирователь импульсов (ФИ) который делает их пригодными для подачи на счетчик импульсов. СИ считает импульсы с ФИ и сравнивает их с заданным числом импульсов, если они равны, то счетчик выдает сигнал логического 0, который сбрасывает КТ в ноль. Также по команде "Стоп" поступающей от кнопки ручного управления (РУ) или внешнего управления (ВУ) командный триггер (КТ) переходит в состояние логического 0 и далее чрез ИУМ выключает ЭД.

 

4. РАСЧЕТ БЛОКОВ ПРИНЦИПИАЛЬНОЙ СХЕМЫ

 

.1 Фотоэлектрический импульсный датчик



Схема ФИД содержит светодиод VD1 с балансным резистором R1, который задает номинальный ток VD1. Сигнал фотодиода VD2 выделяется на нагрузочном резисторе R2. В качестве светодиода выбираем инфракрасный излучатель типа АЛ107Б, который имеет минимальные габариты и позволяет совместно с инфракрасным светофильтром исключить влияние фоновой засветки на выходной сигнал ФИД. Его параметры следующие:

lМИН=940 нм, lМАКС=965 нм, PE=9 мВт, IПР. МАКС=100 мА, UПР=1.86 В

Задаем номинальный ток из условия IПР. НОМ=(0.1-0.2)IПР. МАКС что дает возможность увеличить срок службы излучателя (светодиода) и в то же время достаточно для получения необходимого потока излучения.

IПР. НОМ=0.15 IПР. МАКС=0.15×100=15 мА

Определяем сопротивление R1 из условия что напряжение питание UП1=12 В


Берем R1 из ряда E24 и окончательно принимаем R1=680 Ом±5% тип МЛТ-0.25. В качестве фотоприемника выбираем кремниевый фотодиод VD2 который имеет малый темновой ток IТ и высокую термостабильность работы (по сравнению с германиевым фотодиодом). Окончательно выбираем ФД-27К имеющий минимальные габариты. Его параметры следующие: IТ =1-2 мкА, UРАБ=20 В. При выборе R2 используем технические условия предприятия изготовителя. По ним R2=10-100 кОм. Берем R2=100 кОм±5% тип МЛТ-0.25. Определяем полезный световой сигнал(UC), темновой сигнал(UT) и сигнал помехи(UП):

IC=(5+n)IT=9×1.5=13.5 мкАC= IC×R2=13.5×10 -6×100×103=1.35 ВT=IT×R2=1.5×10 -6×100×103=0.15 В

 

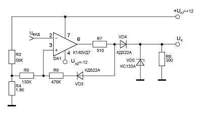
.2 Формирователь импульсов


Рисунок 3 - схема формирователя импульсов

Формирователь импульсов строится на основе регенеративного компаратора. Статическая характеристика имеет гистерезис, который позволяет исключить влияние помехи, вызванной вибрацией кромки щели, и темнового тока на выходной сигнал ФИД. Статическая характеристика с отмеченными порогами переключения показана на рисунке 4. Назначение элементов схемы следующее: Делитель R3-R4 задает опорное напряжение (нижний порог переключения) UОП»UH, резисторы R5-R6 задают верхний порог переключения UB, а диод VD3 вместе с резистором R6 создают положительную ОС, сигнал которой суммируется с опорным напряжением, что и дает гистерезис. Диод VD4 нужен для исключения отрицательного напряжения на выходе компаратора. Стабилитрон VD5 служит для стабилизации напряжения логической единицы (2.4-5В), резистор R7 задает ток стабилитрона, а резистор R8 служит для согласования входного сопротивления для ТТЛ.

Рисунок 4 - Статическая характеристика регенеративного компаратора

Определим порог переключения компаратора:


Проверяем условие помехоустойчивости


Следовательно, пороги назначили правильно. Выбираем операционный усилитель типа К140УД7 (Зарубежные аналоги µ A741HC, µ A741PC). Он представляет собой операционный усилитель средней точности с внутренней частотной коррекцией и защитой выхода от короткого замыкания, и имеющий малое напряжение смещения нуля - UСМ=не более 9 мВ, малый входной ток IВХ= не более 400 нА и большой коэффициент усиления KU=не менее 30 000. Его параметры при Uп=12 В следующие:

UОУ.МАКС=10 В, UСМ= 9 мВ, IВХ= 400 нА, KU= 30 000

Определим сопротивление резисторов делителя R3-R4 по напряжению нижнего порога переключения UH. Задаем ток делителя R3-R4: IД>>IВХ.ОУ.

IД=500 IВХ.ОУ=500×400×10 -9=200 мкА

UП1=12 В


Решая эту систему линейных уравнений относительно R3 и R4, получим:

®

Окончательно принимаем по ряду Е24 R4=1.8 кОм±5% тип МЛТ-0.25 и

R3=56 кОм±5% тип МЛТ-0.25.

В качестве стабилитрона VD5 возьмем кремниевый маломощный стабилитрон типа КС133А, имеющий следующие параметры:

UСТ.НОМ=3.3 В, IСТ.МИН =3 мА

В качестве диодов VD3 и VD4 возьмем кремниевые маломощные импульсные диоды типа КД522А с прямым падением напряжения UПР»0.6 В

R5-R6 задают верхний порог переключения компаратора:


Второе уравнение получим из условия, что сопротивления по входам "+" и "-" должны быть равны, если R4<<R5 то R4 не учитываем и получим:


Напряжения логической единицы на выходе компаратора равно напряжению стабилизации стабилитрона:

àà

Принимаем R6=470 кОм±5% тип МЛТ-0.25 и R5=130 кОм±5% тип МЛТ-0.25.

Проверим ранее заданное условие R4<<R5: R5/R4=130/1.8=72>50 следовательно условие согласования входных сопротивлений по входам компаратора выполняется. Резистор R8=390 Ом±5% тип МЛТ-0.25 берем из условия согласования ЛЭ ТТЛ с источником сигнала (не более 400 Ом).

Рассчитаем резистор R7 задающий ток стабилизации.


Окончательно принимаем R7=510 Ом±5% тип МЛТ-0.25

 

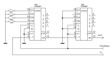
.3 Счетчик импульсов


Счетчик импульсов строим на основе делителя частоты с изменяемым коэффициентом деления Кд в соответствии с таблицей 1. Для построения делителя частоты используем типовой параллельный четырехразрядный реверсивный двоичный счетчик с входами предустановки. Для обеспечения восьмиразрядного КД используем два таких счетчика. В качестве типового счетчика возьмем ИС из серии универсального применения К155ИЕ7 (Зарубежные аналоги SN74193N, SN74193J).

Таблица 1

a2

a10

10100101

165

10100110

166

10100111

167

10101000

168

10101001

169

10101010

170

10101011

171

10101100

172

10101101

173

10101110

174

10101111

175


Для построения делителя частоты используем режим обратного счета. На входы предустановки подается коэффициент деления одновременно с нулевым импульсом сигнала "Пуск/Запись" и счетчик, по мере подачи на него импульсов от регенеративного компаратора, отнимает от значения коэффициента деления по единице. Когда счетчик дойдет до нуля, на выходе "обратного переноса" (£0) возникнет сигнал логического нуля, который и будет сигнализировать о нужном количестве импульсов.

Рисунок 5 - счетчик импульсов

Для изменения заданного значения Кд предусматриваем 4 переключателя-задатчика SA1..SA4, так как в таблице 1 меняются только четыре младших разряда. Схема счетчика приведена на рисунке 5. Так как для создания логической единицы на входах предустановки используется "висячая единица", что значительно упрощает схему, то плату надо поместить в стальной корпус и заземлить. Переключатели показаны в положении соответствующему максимальному значению КД(17510 или 101011112).

4.4 КТ - командный триггер


Командный триггер строим по схеме асинхронного RS-триггера на логических элементах И-НЕ, которые управляются "нулями". Схема командного триггера представлена на рисунке 6.

Рисунок 6 - командный триггер

В качестве логического элемента И-НЕ выбираем ЛЭ универсальной 155 серии типа КР155ЛА3 (Зарубежные аналоги SN7400N, SN7400J) содержащий 4 элемента И-НЕ на два входа. Принцип его работы следующий: При нажатии кнопки "Пуск/Запись" или от ВУ2 на входы DD3.4 и на входы синхроимпульса счетчика подается сигнал нулевого уровня, который устанавливает триггер в единицу и устанавливает счетчик в соответствии с заданным числом кодовых импульсов. При нажатии на кнопку "Стоп" или при нулевом сигнале от ВУ1 или при сигнале нуля от выхода "обратного переноса" счетчика DD2 срабатывает элемент DD3.1 осуществляющий логическую операцию или по нулям. Он подает сигнал единицы на DD3.2 выполняющего логическую операцию НЕ, нулевой сигнал с которого подается на вход сброса триггера в ноль. Выход триггера Q управляет ИУМ.

 

4.5 Импульсный усилитель мощности


Импульсный усилитель мощности предназначен для увеличения тока и напряжения, подаваемого с командного триггера. Это нужно, потому что величина напряжения и тока, которая требуется для работы двигателя, много больше, чем может дать командный триггер. Схема импульсного усилителя мощности представлена на рисунке 7.


Схема построена с применением одного силового транзистора VT1 (так это уменьшает ее габариты). Резистор R9 задает ток базы VT1, а диод VD6 снижает влияние индуктивности нагрузки (якорная цепь электродвигателя), которая создает противоЭДС до падения напряжения на самом диоде (0.6 В).

Выбираем VT1 из условий :


Выбираем кремниевый высоко мощный среднечастотный транзистор типа КТ827А (Зарубежные аналоги 2N6284)имеющего следующие характеристики:


Выбранный транзистор (КТ827А) устанавливается на радиатор.

Проверим условия насыщения транзистора VT1 по току:


Принимаем по ряду Е24 R9=330 Ом±5% тип МЛТ-0.25. Диод VD12 выбираем по току и напряжению из условий:


Берем диод типа КД202В со следующими параметрами:


Следовательно диод выбран правильно

СПИСОК ЛИТЕРАТУРЫ


1.   Интегральные микросхемы и их зарубежные аналоги: Справочник. Том 2./А. В. Нефедов. - М.:ИП РадиоСофт, 1998г. - 640с.:ил.

2.       Отечественные микросхемы и зарубежные аналоги Справочник. Перельман Б.Л.,Шевелев В.И. "НТЦ Микротех", 1998г.,376 с. - ISBN-5-85823-006-7

.        Основы промышленной электроники: учеб. пособие для вузов под ред. В.Г. Герасимова. - М.: Высш. шк., 1986г. -336с., ил.

.        Зельдин Е.А. Цифровые интегральные микросхемы в информационно-измерительной аппаратуре. -Л.: Энергоатом-издат. Ленингр. Отд-ние, 1986. -280 с.:ил

Похожие работы на - Цифровой блок управления электроприводом

 

Не нашли материал для своей работы?
Поможем написать уникальную работу
Без плагиата!
Без нейросетей!