Проектирование цифровых систем передачи PDH и SDH

  • Вид работы:
    Дипломная (ВКР)
  • Предмет:
    Информатика, ВТ, телекоммуникации
  • Язык:
    Русский
    ,
    Формат файла:
    MS Word
    672,55 kb
  • Опубликовано:
    2012-03-19
Вы можете узнать стоимость помощи в написании студенческой работы.
Помощь в написании работы, которую точно примут!

Проектирование цифровых систем передачи PDH и SDH

СОДЕРЖАНИЕ

цифровой регенератор дискретизация квантование

ВВЕДЕНИЕ

. ЗАДАНИЕ К КУРСОВОЙ РАБОТЕ

. ПРОЕКТИРОВАНИЕ ЦСП PDH(ПЦИ)

.1 Выбор частоты дискретизации, расчет количества разрядов в кодовом слове и защищенности от искажений квантования на выходе каналов ЦСП

.2 Разработка укрупненной структурной схемы ЦСП

.2 Разработка структур цикла и сверхцикла первичной ЦСП и расчет тактовой частоты сигнала в линии

.3 Описание цикла передачи

.4 Построение сигнала на выходе регенератора

.5 Выбор типа кабеля и расчет длины регенерационного участка

. ПРОЕКТИРОВАНИЕ ЦСП SDH(СЦИ)

.1 Расчет эквивалентного числа первичных цифровых потоков

.2 Конфигурация узлов транспортной сети

.3 Организация тактовой сетевой синхронизации

.4 Организация сети управления

.5 Выбор аппаратуры SDH

ЗАКЛЮЧЕНИЕ

СПИСОК ЛИТЕРАТУРЫ

ВВЕДЕНИЕ


Данная работа посвящена разработке цифровых систем передач двух поколений: ПЦИ и СЦИ. В первой части работы представлен проект цифровой системы передачи с плезиохронной цифровой иерархией, содержащей первичную и вторичную временные группы. В работе приведен подробный анализ дискретизации, группообразования, регенерации, приема, синхронизации цифрового потока.

Вторая часть работы содержит проектирование системы СЦИ, по требуемой емкости между узлами связи. Рассмотрены вопросы резервирования, выбора оптимальной емкости системы передачи, синхронизации, резервирования, управления. Из требуемой емкости, топологии приведен список оборудования и его комплектация.

1. ЗАДАНИЕ К КУРСОВОЙ РАБОТЕ


Данная курсовая состоит из двух частей: проектирование цифровой системы передачи на основе технологии PDH и проектирование транспортной сети на основе технологии SDH.

.        Проектирование цифровой системы передачи на основе технологии PDH.

.1.      Выбрать частоту дискретизации телефонных сигналов, рассчитать количество разрядов в кодовом слове и защищенность от искажений квантования на выходе каналов ЦСП.

.2.      Разработать укрупненную структурную схему оконечного оборудования ЦСП.

.3.      Разработать структуры временных циклов первичного цифрового сигнала и расчет тактовой частоты агрегатного цифрового сигнала.

.4.      Построить сигнал на выходе регенератора (в коде КПВ-3) для заданной кодовой последовательности символов. Рассчитать и построить временную диаграмму сигнала на выходе корректирующего усилителя регенератора.

.5.      Выбрать тип кабеля и рассчитать длину регенерационного участка.

.        Проектирование транспортной сети на основе технологии SDH

.1.      Рассчитать общее число первичных цифровых потоков для каждого узла транспортной сети с учетом развития.

.2.      Произвести конфигурацию узлов транспортной сети.

.3.      Разработать организацию тактовой сетевой синхронизации.

.4.      Разработать организацию сети управления.

.5.      Выбор аппаратуры SDH.

Исходные данные:

-       Протяженность линейного тракта L = 600 км;

-       Количество переприемников по ТЧ n = 3;

-       Коэффициент шума корректирующего усилителя, F = 5 ед.;

-       Амплитуда импульса на выходе регенератора Uпер = 4 В;

-       Кодовая последовательность символов - 101001101010;

-       Количество каналов ТЧ N = 260;

-       Защищенность от шума квантования на выходе канала AЗ = 25 дБ;

-       Среднее количество щелчков от цифровых ошибок в течении 10 мин. (не более) K = 10;

Оценка трафика сигналов


год Х

год Y





A

A

год Х

год Y




B

34(12)

56(13)

B

год Х

год Y



C

15(-)

28 (5)

20(9)

29(8)

C

год Х

год Y


D

7(1)

8(7)

14(12)

15(10)

31(-)

40(7)

D

год Х

год Y

E

45(12)

- (2)

23(5)

32(9)

- (3)

4(2)

5(1)

6(4)

E

F

3(8)

15(1)

2(-)

6(5)

25(4)

23(6)

13(2)

-

41(7)

65(9)


Рисунок 1 - Топология транспортной сети SDH

 

2. ПРОЕКТИРОВАНИЕ ЦСП PDH(ПЦИ)


2.1    Выбор частоты дискретизации, расчет количества разрядов в кодовом слове и защищенности от искажений квантования на выходе каналов ЦСП


Выбор частоты дискретизации осуществляется на основе теоремы Котельникова. Для передачи телефонных сигналов с верхней граничной частотой 3,4 кГц частоту дискретизации выбирают равной fд = 8 кГц. Это связано с тем, что при частоте fд = 2FВ требуется фильтр с идеальной характеристикой среза, что не осуществимо с технической точки зрения. Следовательно, необходимо предусмотреть частоту расфильтровки. Т.к. частоту дискретизации рекомендуется выбирать кратной 2, её приняли равной 8 кГц.

Расчет количества разрядов в кодовой комбинации выполняется на основе заданной величины защищенности от шума квантования на выходе канала и количества переприемов по ТЧ.

Оценим защищенность от шума квантования гармонического сигнала с амплитудой UМ:

(1)

гдеm - количество разрядов в кодовой комбинации;

U0 - напряжение, соответствующее порогу перегрузки АЦП.

Для расчета защищенности от шума квантования при неравномерном квантовании примем UМ = U0/4:

Учтем аппаратурные погрешности АЦП. Таким образом величину защищенности от шума квантования Aкв лог при неравномерном квантовании можно оценить следующим образом:

Так как в разрабатываемой ЦСП предусмотрены переприемы по ТЧ, то защищенность на выходе любого из каналов Аз будет меньше рассчитанной по формуле (2), Обычно считают, что шумы, вносимые каждым АЦП некоррелированы и поэтому суммируются по мощности. Следовательно:

(2)

В данном варианте предусмотрено 3 переприема по ТЧ

Таким образом, число разрядов кодовой комбинации, отвечающее заданной помехозащищенности:

(3)

где квадратные скобки означают округление в большую сторону.

Теперь построим зависимость защищенности сигнала на выходе канала от его уровня.

Определим максимальную величину защищенности сигнала в пункте приема с учетом заданного числа переприемов по ТЧ и аппаратурных погрешностей АЦП:

(4)

Минимальная величина защищенности будет на 3…4 дБ ниже максимальной:

(5)

Рисунок 2 - График величины защищенности сигнала

2.2    Разработка укрупненной структурной схемы ЦСП


Разработка структурной схемы выполняется, исходя из заданного количества каналов ТЧ и переприемов по ТЧ. Чтобы полностью использовать кабель, в котором есть четыре коаксиальных пары, необходимо включить две идентичные системы передачи (по четырехпроводной схеме). Таким образом, проектируемая система передачи, должна иметь емкость не менее чем  каналов. Так как проектируемая первичная СП имеет емкость 30 каналов, то проектируемая вторичная СП будет иметь число каналов кратное емкости первичной СП и больше 130, т.е. 150 каналов.

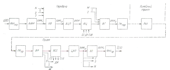
На передаче первичный аналоговый сигнал c(t) ограничивается по спектру с помощью ФНЧпер, что позволяет в последующем достаточно просто осуществить дискретизацию сигнала по времени в соответствии с теоремой Котельникова. Ограничение спектра производится с учетом особенностей восприятия того или иного вида информации и не оказывает существенного влияния на качество передачи информации.

После ограничения по спектру аналоговый сигнал подвергается дискретизации по времени в АИМ модуляторе, в результате чего формируется дискретный по времени индивидуальный АИМ сигнал.

Дискретизованный по времени индивидуальный (АИМ) сигнал объединяется с аналогичными сигналами других каналов, т.е. формируется групповой N-канальный АИМ сигнал (АИМгр), который подвергается квантованию по уровню.

Групповой квантованный АИМ сигнал поступает на кодирующее устройство, где подвергается аналого-цифровому преобразованию (АЦП). Затем групповой информационный цифровой сигнал (ИКМ) в формирователе цикла (ФЦ) объединяется с сигналами синхронизации (СС), управления и взаимодействия (СУВ) и дискретной информации (ДИ), в результате чего формируется цикл передачи с соответствующей структурой.

При использовании высокоскоростных цифровых трактов осуществляется временное группообразование (ВГ), т.е. объединение Mn групповых цифровых потоков с более низкими скоростями.

Затем объединенный высокоскоростной поток (ИКМ) в преобразователе кода передачи (ПКпер) преобразуется в сигнал, удобный для передачи по линии и поступает в цифровой линейный тракт, где в промежуточных пунктах осуществляется регенерация цифрового сигнала (Рег).

На приеме в ПКпер осуществляется обратное преобразование кода, применяемого в линейном тракте, в двоичный сигнал. После преобразования кода происходит временное разделение (ВР) высокоскоростного сигнала на Mn компонентных цифровых потоков.

Из группового цифрового сигнала в блоке выделения служебных сигналов (ВСС) выделяются сигналы синхронизации, а также сигналы управления и взаимодействия.

Групповой цифровой сигнал затем подвергается цифро-аналоговому преобразованию (ЦАП) в декодирующем устройстве, в результате чего формируется групповой АИМ сигнал.

Из АИМгр сигнала с помощью временного селектора (ВС) выделяются индивидуальные канальные АИМ сигналы. И с помощью ФНЧпр восстанавливается исходный аналоговый сигнал.

Рисунок 3 - Схема цифровой системы передачи

На рисунке 3 приведена общая схема системы передачи, укрупненная схема системы передачи приведена в приложении 1.

 

.3 Разработка структур цикла и сверхцикла первичной ЦСП и расчет тактовой частоты сигнала в линии


Тактовая частота первичного цифрового потока рассчитывается по формуле

(6)

Задача второй ступени цифрового группообразования состоит в объединении нескольких первичных цифровых потоков в единый цифровой поток с соответственно большей скоростью передачи. Известны два метода группообразования: синхронное и асинхронное. Отличительной чертой синхронного группообразования является использование только одного задающего генератора, частота которого равна тактовой частоте вторичного (группового) потока. Сигналы хронирования для аппаратуры системы низшего порядка получаются именно от этого генератора (делением частоты). При асинхронном объединении потоков тактовые частоты систем низшего порядка отличаются друг от друга вследствие того, что каждая из них использует «свой» задающий генератор. Этот способ группообразования предполагает использование так называемого цифрового выравнивания. Оно осуществляется путем введения в цифровой сигнал дополнительных (выравнивающих) символов, либо удаления информационных символов, причем значения удаленных символов передаются в приемное устройство с помощью дополнительного служебного канала.

При любом способе объединения потоков зависимость между тактовой частотой соединяемых символов Fт1 и тактовой частотой объединенного сигнала fт, имеет вид

(7)

гдеq - отношение числа дополнительных символов в цикле объединенного сигнала к числу информационных символов;

М - количество объединяемых потоков.

Рассчитаем количество объединяемых потоков, т.е. первичных СП для заданного числа каналов


где n - число каналов в первичной СП (ИКМ30).

Примем q = 0.03 для синхронного объединения и q = 0.04 для асинхронного объединения.

При синхронном объединении

При асинхронном объединении

Оценить среднее время восстановления состояния циклового синхронизма можно по следующей формуле:

(7)

гдеH-число информационных позиций, заключенных между двумя соседними синхрокомбинациями

b - количество символов в синхрокомбинации

T0 - временной интервал между двумя ближайшими синхрокомбинациями.

Увеличение скорости передачи из-за добавления согласующих символов мало по сравнению с увеличением скорости передачи из-за добавления служебных символов. Соотношение числа информационных и служебных символов в цикле передачи для каждого входного потока, т. е. цифрового сигнала системы низшего уровня, имеет вид:

(8)

где а1/b1- несократимая дробь, в которой а1 определяет минимальное число информационных символов, а b1 - служебных символов, приходящихся на один входной поток. Частота считывания и записи определяется как:

(9)

Соотношение числа информационных и служебных символов в цикле передачи в расчете на каждый входной поток составляет:


Тогда общее число информационных Ми и служебных Мс символов в цикле передачи будет определяться соотношениями:

, ,

где

Следует, что число информационных (а1) и служебных (b1) символов в цикле соответственно равно:

.

Общее число информационных и служебных символов в цикле равно:

.

При этом минимальное значение i выбирается из условия:

(10)

А реальное значение i определяется после анализа параметров системы с выбранной структурой цикла.

Кроме выбора оптимального соотношения числа информационных и служебных символов, обеспечивающего заданные параметры системы передачи, при построении цикла передачи необходимо учитывать следующие важные требования к его структуре:

-              число следующих подряд служебных символов должно быть по возможности минимальным, что обеспечивает минимизацию объема памяти запоминающих устройств в ОВГ;

-              распределение символов синхросигнала должно быть таким, чтобы обеспечивалось минимальное время восстановления синхронизма (обычно это достигается формированием сосредоточенного синхросигнала соответствующей длительности);

-              распределение команд согласования должно быть таким, чтобы обеспечивалась их максимальная помехоустойчивость (обычно это достигается за счет равномерного распределения символов команд согласования по циклу передачи, при котором уменьшается вероятность их искажений сосредоточенными помехами);

-              длительность цикла должна быть по возможности минимальной, что позволяет уменьшить время вхождения в синхронизм и временные флуктуации цифрового сигнала за счет оборудования объединения;

-              распределение служебных символов в цикле должно быть равномерным, что обеспечивает минимизацию объема памяти запоминающих устройств в ОВГ;

-              структура цикла должна обеспечивать возможность работы системы как в асинхронном, так и в синхронном режимах и т. п.

Для обеспечения коррекции одного искаженного символа команды согласования необходимо выбрать dc, как минимум равную трем:

.

Учитывая, что сигналы контроля могут передаваться на позициях сигнала, предназначенных для передачи информационных символов при отрицательном согласовании скоростей в те моменты, когда это согласование не осуществляется, можно принять dk=dи=dсл=dд=4. В работе dцс=8, т.е. выбираем количество символов для цифрового синхросигнала равным 8, поскольку при dцс<8, время вхождения в синхронизм не выполняется.

Минимальное значение i:

Общее число импульсных позиций в цикле:

(11)

Частота следования циклов равна:

(12)

где Свп - номинальная скорость передачи сигналов системы высшего порядка.

Теперь можно рассчитать время вхождения в синхронизм цикла передачи, т.е. оценим среднее время восстановления циклового синхронизма. Для этого, найдем это значение и сравним его с нормой, которая равна Тср≤2 мс.

В системе m = в=8.

мс

Таким образом, выполняется условие

 

.4 Описание цикла передачи


Цикл передачи состоит из последовательно следующих друг за другом сверхциклов, каждый из которых содержит 16 циклов. Циклы, в свою очередь, разделяются на 32 канальных интервала, каждый из которых содержит восемь разрядов. Длительность цикла равна 125 мкс, что соответствует частоте дискретизации 8 кГц, длительность сверхцикла соответственно равна 2 мс, длительность канального интервала 3,9 мкс, а разряда 0,488 мкс.

Циклы в сверхцикле нумеруются следующим образом: Ц0, Ц1, Ц2,..., Ц14, Ц15. Отсчет циклов в сверхцикле начинается с Ц0, в котором передается сверхцикловой синхросигнал (СЦС) в виде комбинации 0000 в разрядах P1...Р4 16-го канального интервала (KИ16). Символы остальных разрядов KИ16 в Ц0 имеют вид: P5-1; Р7-1; P8-l, а Р6 используется для передачи сигнала о нарушении сверхциклового синхронизма на противоположную станцию. Организация сверхциклов связана с тем, что передача СУВ для каждого телефонного канала (ТК) осуществляется не в каждом цикле передачи. При этом в каждом цикле в KИ16 передаются СУВ для двух телефонных каналов, каждому из которых соответствуют два одноразрядных канала СУВ.

Канальные интервалы в каждом цикле нумеруются следующим образом: КИ0, КИ1, КИ2,..., КИ31 Отсчет КИ в цикле начинается с КИ0, содержащего цикловой синхросигнал вида 10011011, передаваемый в Р2... P8 четных циклов сверхцикла. Разряд P1 в KИ0 всех циклов используется для передачи дискретной информации со скоростью 8 кБод. Символ разряда Р3 в КИ0 нечетных циклов используется для передачи сигнала о нарушении циклового синхронизма на противоположную, станцию: Р2 имеет значение 0, а Р6 используется для передачи сигнала автоматического контроля остаточного затухания канала (по ТК23). Использование символов Р4, P5, P7 и P8 в КИ0 нечетных циклов не регламентируется и на их местах формируется 1.

Таким образом, канальные интервалы КИ0 и КИ16 используются для передачи синхросигналов и СУВ, а канальные интервалы КИ1…КИ15 и КИ17…КИ31 - для организации 30 телефонных каналов. Развернутая структура цикла передачи приведена в приложении Б.

2.5 Построение сигнала на выходе регенератора


Изобразим заданную последовательность 101001101010 в кодах ЧПИ и HDB-3.



1

0

1

0

0

1

1

0

1

0

1

0



























RZ




















































ЧПИ














































































HDB-3




















































Рисунок 5 - Временная диаграмма заданной последовательности в кодах ЧПИ и HDB-3

В коде ЧПИ символы «1» исходной двоичной последовательности передаются чередующимися положительными и отрицательными импульсами. А «0» - обозначается отсутствием импульса.

Правила формирования кода HDB-3 аналогичны ЧПИ, но при поступлении серии из 4х нулей, она заменяется на серию «000V» или «B00V» в зависимости от того, какое количество импульсов поступило после последней вставки. Если количество нечетное, то вставляется серия «000V», если четное - «B00V». Импульс «V» - повторяет полярность последнего импульса, «B» - противоположен последнему импульсу.

Преимущество ЦСП перед АСП состоит в возможности регенерации искаженного цифрового сигнала. Причинами искажения прямоугольной формы импульсов на выходе физической цепи являются линейные искажения, вносимые цепью. На рисунке 4 показаны отклики на прямоугольный импульс длительностью 15 нс на выходе коаксиальной пары размером 1,2/4,4 мм. При увеличении длины цепи длительность отклика существенно возрастает:

Рисунок 6 - Графики откликов на прямоугольный импульс на выходе коаксиальной пары

Вследствие этого происходит наложение символов друг на друга (интерференция). Для уменьшения межсимвольной интерференции сигнал до регенерации корректируют. Одновременно с этим осуществляется его усиление. Эти операции выполняются корректирующим усилителем, включенным на входе регенератора.

Рисунок 7 - Структурная схема регенератора

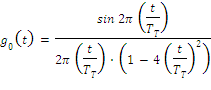
Чтобы построить временную диаграмму сигнала на выходе корректирующего усилителя регенератора, предлагается использовать «оптимальный» отклик, описываемый выражением:


Рисунок 7 - График «оптимального» отклика

Таблица 1 - Значения «оптимального» отклика

t/TT

0

0,2

0,4

0,6

0,8

1

1,2

1,4

1,6

1,8

2

g0(t/TT)

1

0,901

0,650

0,354

0,121

0

-0,026

-0,010

0,006

0,007

0


Теперь в соответствии с полученным линейным кодом HDB-3 можно построить временную диаграмму сигнала на выходе КУ:

Рисунок 8 -Временная диаграмма сигнала на выходе КУ

2.6 Выбор типа кабеля и расчет длины регенерационного участка


Для выполнения этого задания необходимо рассчитать длины регенерационных участков при использовании коаксиальных пар трех размеров. Выбрать тип кабельной пары из условия минимума затрат на создание ЛТ ЦСП.

Основным видом помех в линейных трактах ЦСП, работающих по коаксиальному кабелю, являются собственные помехи. Защищенность сигнала от собственной помехи (ожидаемая) на входе решающего устройства регенератора можно оценить по следующей формуле из [2 стр 419]:

(13)

где Uo- амплитуда отклика (импульса) на выходе КУ при подаче на вход участка регенерации одиночного прямоугольного импульса с амплитудой UПЕР, В;

Uсп- действующее значение напряжения собственной помехи в той же точке,

 - абсолютный уровень пиковой мощности прямоугольного импульса на входе регенерационного участка, дБм,

, Ом; - волновое сопротивление коаксиальной кабельной цепи.

F - Коэффициент шума корректирующего усилителя регенератора, ед.

Fт - тактовая частота сигнала в линии, МГц,

- затухание цепи длиной  на полутактовой частоте, дБ,

 - длина регенерационного участка, км,

α - коэффициент затухания цепи на полутактовой частоте, дБ/км.

Коэффициент затухания цепи приближенно равен:

,дБ/км;(14)

где αо - параметр, аппроксимирующей функции, равный 2,34 дБ/км для кабеля КМ - 4 с парами 2,6/9,4 мм, 5,31 дБ/км - для малогабаритного кабеля МКТ - 4 с парами 1,2/4,6 мм, 8,86 дБ/КМ - для микрокоаксиала с размерами проводников 0,73/3,0 мм.

Рассчитаем основные параметры формулы.

, дБ/км;

, дБ/км;

, дБ/км;

 дБ;

Подставив все величины в (13) получим:

Минимально допустимая защищенность (требуемая) - это допустимая вероятность ошибки регенерации в одиночном регенераторе (ho) с учетом необходимых запасов (∆h) и определяется выражением:

(15)

где , а значение ho определяется из следующих условий:



где К - среднее количество щелчков от цифровых ошибок.

Ошибки регенерации (сбои) приводят к помехам на выходе цифрового канала. При передаче телефонных сообщений по каналам СП с ИКМ и ВРК ошибки приводят к появлению щелчков, похожих на щелчки, возникающие при проигрывании старых граммофонных пластинок. Сбои наиболее заметны в случае неправильной регенерации импульсов, соответствующих двум старшим разрядам кодовой комбинации. По заданному допустимому количеству щелчков К≤10 за единицу времени (в данном случае за 10 минут) можно найти среднюю допустимую вероятность ошибки Рош на весь линейный тракт. Такой расчет выполняется следующим образом. При fд=8кГц в течение 10 мин. будет передано 8×103×60×10=4,8×106 кодовых комбинаций и соответственно 4,8×m×106 кодовых символов для каждого канала системы. Если бы каждая ошибка приводила к щелчку, то за это время можно было бы допустить К сбоев. Поскольку заметный щелчок возникает только в случае ошибок в двух старших разрядах, а вероятность поражения любого символа одна и та же, можно допустить не К, а К×(m/2) сбоев. Отсюда допустимая вероятность ошибки на весь тракт составит:


А вероятность ошибки в одном регенераторе равна:

(16)

где L- протяженность линейного тракта.

Исходя из вычисленной вероятности ошибки в одном регенераторе, можно найти требуемую величину защищенности на входе РУ от собственной помехи по формуле указанной на с.370 {5}. Однако расчет по ней может быть выполнен только при наличии таблиц интеграла вероятности. Значительно более удобна для инженерных расчетов следующая приближенная формула {4}:

(17)

Рассчитанная по этой формуле величина ho является теоретическим порогом помехоустойчивости. Реально приходится считаться с аппаратурными погрешностями и различными дестабилизирующими факторами: смещением порога решения и флуктуациями момента стробирования, неточностями коррекции, влиянием межсимвольных помех второго рода (из-за ограничения полосы частот линейного тракта снизу) и рядом других. Поэтому необходимо обеспечить определенный запас помехоустойчивости ∆h, который гарантирует долговременную стабильность параметров регенератора в процессе эксплуатации. На практике выбирают ∆h=6…12 дБ.

Подставив значения своего варианта в формулы (13), (15), (16), (17) получим неравенство (13)>(17):


Решим графически данное неравенство:

При , дБ/км длина регенерационного участка


При , дБ/км длина регенерационного участка


При , дБ/км длина регенерационного участка


Следующий этап работы состоит в выборе размера коаксиальной пары, которым определяется тип используемого кабеля. Этот выбор осуществляется на основе экономических соображений, рассчитываются затраты на кабель и аппаратуру линейного тракта для трех вариантов размера пары. Окончательно выбирают такой кабель, при котором затраты минимальны. Порядок расчета следующий. Определяется количество НРП на магистрали по формуле:


где n - количество переприемов по ТЧ.

И их стоимость :


где С - стоимость одного (равно 0,5 ед)

Находятся затраты на кабель:


где Скаб цена одного км кабеля (значения приведены в таблице).

Суммарные затраты:


Для удобства приведем все полученные результаты в виде таблицы 1:


2,6/9,4 мм;

1,2/4,6 мм;

0,73/3,0 мм;

, дБ/км5.38712.2220.39




, дБм23.2923.2923.29




, км15.3876.7744.034




, дБ82.8882,7782.25




Количество НРП на магистрали 3989149




Стоимость НРП, ед

19.5

44.5

74.5

Стоимость километра кабеля ед/км

0,12

0,08

0,03

Затраты на кабель, ед

72

48

18

Суммарные затраты, ед

91.5

92.5

92.5


Исходя из полученных результатов, можно придти к выводу, что стоимость прокладки всех кабелей практически одинакова, однако из целей экономии времени на монтаж НРП, можно предложить прокладку КМ - 4 с параметрами 2,6/9,4.

3. ПРОЕКТИРОВАНИЕ ЦСП SDH(СЦИ)

 

.1 Расчет эквивалентного числа первичных цифровых потоков


Произведем расчет общего числа первичных ЦП для каждого узла транспортной сети с учетом развития:

Таблица 2 - Оценка трафика


год Х

год Y






A

A

год Х

год Y





B

34(12)

56(13)

B

год Y




C

15(-)

28 (5)

20(9)

29(8)

C

год Х

год Y



D

7(1)

8(7)

14(12)

15(10)

31(-)

40(7)

D

год Х

год Y


E

45(12)

-2

23(5)

32(9)

-3

4(2)

5(1)

6(4)

E


F

3(8)

15(1)

2(-)

6(5)

25(4)

23(6)

13(2)

-

41(7)

65(9)

F

Cумма:


107


138


124


69


107

109


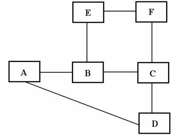
Рассчитаем количество первичных цифровых потоков между всеми пунктами в Y году. Для этого обозначим существующие цифровые линейные тракты между пунктами малыми латинскими буквами:

Рисунок 10 - Топология транспортной сети

Далее формируем основной и резервный пути для заданных в задании направлений. Пути меньшего ранга считаем основными, большего - резервными. Для путей указываем количество первичных цифровых потоков.

Таблица 3 Маршрутизация потоков


осн.

рез.





A

A

осн.

рез.




B

a (56)

fdb (13)

B

осн.

рез.



C

ab (28)

fd (5)

b (29)

afd (8)

C

осн.

рез.


D

f (8)

abd (7)

af (15)

bd (10)

d (40)

baf (7)

D

осн.

рез.

E

ag (0)

fdce (2)

g (32)

bce (9)

ce (4)

gb (2)

ecd (6)

gaf (4)

E

F

age(15)

fdc (1)

ge (6)

bc (5)

c (23)

bge(6)

-

-

e (65)

cbg (9)


По таблице 3 посчитаем количество первичных цифровых потоков в каждом цифровом ЛТ с учетом резервирования::        56 + 28 + 15 + 7 + 15 +8 +7 + 4= 140

b:      28 + 13 + 7 + 29 + 10 + 9 + 5 + 7 + 6 + 9= 123

c:      2 + 1 + 9 + 5 + 4 + 23 + 6 +9= 59

d:      13 + 5 + 7 + 2 + 1 + 8 + 10 +40 + 6= 92

e:      15 + 2 + 6 + 9 + 4 + 6 +6+65= 113

f:       8 + 13 + 5 + 2 + 1 + 15 + 8 + 7 + 4= 63

g:      15 + 32 + 6 + 2 + 6 + 4 + 9= 74

Отобразим проделанные расчеты на схеме топологии транспортной сети:

Рисунок 11 - Топология транспортной сети с рассчитанными параметрами

3.2 Конфигурация узлов транспортной сети


После определения необходимой пропускной способности между станциями и количества компонентных потоков на станциях можно более точно определить требуемые конфигурации узлов на станциях.

Мультиплексор в полной комплектации весьма сложное и дорогое устройство, состоящее из нескольких составляющих его узлов. Однако, часто полной комплектации мультиплексора не требуется, что уменьшает стоимость его приобретения, установки и эксплуатации.

Сконфигурируем узлы наиболее подходящим к варианту способом:

Рисунок 12 - Конфигурация узлов транспортной сети

3.3    Организация тактовой сетевой синхронизации


Синхронизация в транспортной сети необходима для устранения потерь информации из-за проскальзываний, которые возникают из-за колебаний тактовых частот генераторов цифрового оборудования. Синхронизация производится от первичного эталонного генератора со стабильностью частоты не хуже 10-11.

В качестве синхронизирующих сигналов оборудования сетевых элементов возможно использование следующих источников тактовой синхронизации:

-       Компонентные сигналы 2048 Мбит/с,

-       Любой из агрегатных сигналов STM-N,

-       Любой из компонентных входов STN-N,

-       Внешний источник синхросигнала 2048 кГц,

-       Внешний генератор с относительной стабильностью частоты не хуже 4.6×10-6.

Указанные синхросигналы, кроме последнего, работающего в режиме автоколебания, должны быть синхронизированы от первичного или вторичного источников эталонных сигналов. Выбор источника синхросигнала в аппаратуре программируется и осуществляется автоматически. При этом возможен автоматический выбор наилучшего по качеству источника синхронизации среди нескольких (как правило, не менее трех). Если источники синхронизации имеют одинаковое качество, то должен быть запрограммирован приоритет использования. Информация о качестве синхросигнала, как правило, передается в структуре цикла информационного сигнала, например, в STM-N, и ее изменение обусловлено состоянием сети синхронизации. При проектировании сети SDH необходима организация тактовой сетевой синхронизации (ТСС) с применением в качестве источников синхронизации первичного эталонного генератора (ПЭГ) и ведомого задающего генератора (ВЗГ), а в качестве средств восстановления синхронизации - генератор сетевых элементов (ГСЭ) SDH.

При построении трасс синхронизации (рисунок 3.4) в каждом узле сети определяется свой перечень приоритетов по эталону хронирования.

ПЭГ установим на станции B, а ВЗГ - на станции C.

Схема синхронизации сети должна предусматривать возможность автоматического самовосстановления и исключать при этом появление петель синхронизации. Сообщения о статусе синхронизации отмечается в заголовке цикла передачи (агрегатного сигнала), передаваемого по линии.

Приоритеты назначаются в каждом узле и в процессе ручной или автоматической реконфигурации сети синхронизации остаются неизменными. Число возможных приоритетов может быть от 1 до 15.

При построении трасс синхронизации в каждом узле сети определяется свой перечень приоритетов по эталону хронирования.

Рисунок 13 - Синхронизация транспортной сети

3.4    Организация сети управления


Одним из немаловажных факторов обеспечения надежности сетей связи является эффективное управление их ресурсами. Для этого должны организовываться сети управления электросвязью.

Сеть управления состоит из:

-       «агентов управления» - контроллеров, помещаемых в сетевые элементы,

-       каналов передачи данных,

-       систем управления с их операционными системами и рабочими станциями.

Рисунок 13 - Схема управления транспортной сети

3.5    Выбор аппаратуры SDH


Согласно проделанным расчетам определим тип необходимого оборудования для построения транспортной сети SDH, сведем все данные в таблицу:

Таблица 4 - Типы оборудования SDH

Тип Пункты

STM-1, шт

STM-4, шт

Число типовых стоек, шт

Число мультиплексоров на стойке, шт

A

1

1

1

1

B

4

3

1

2

C

1

2

1

1

D

1

1

1

1

E

-

2

1

1

F

-1

1

1

1



Для построения транспортной сети SDH используем оборудование фирмы Siemens. Для уровня STM-1 применим мультиплексор типа SMA-1 R2, а для уровня STM-4 - мультиплексор типа SMA-4 R2.

Таблица 5- Основные характеристические параметры используемого оборудования «Siemens»

Тип мультиплексора

SMA-1 R2

SMA-4 R2

Каналы доступа SDH, Мбит/с

155

155, 622

Число портов на трибной карте

21(2), 3(34),1(155)

21(2), 3(34), 1(140)

Число трибных интерфейсных карт

6(3+3)

12(6+6)

Тип защищенного режима по входу

6:0, 5:1

12:0, 11:1

Максимальная нагрузка на мультиплексор

128/252х2, 6/12х34, 16х140

252х2/24х34/16х155

Агрегатный выход

155 (эл., опт.)

155(эл., опт.),622 (опт.)

Тип защиты по выходу

1:1, 1+1

1+1

Тип локальной коммутации каналов доступа

т-л, т-т, л-л

т-л, т-т, л-л

Возможности неблокируемой кросс-коммутации

1008х2 Мбит/с

1008х2 Мбит/с

Варианты использования

TM, R, ADM - л, к

TM, R, ADM - л, к

Размеры компактных блоков в стойке (ВхШхГ), мм

757х515х280

875х515х280

Тип элемент-менеджера (ЭМ)

EMOS

Тип сетевого менеджера

SMN - OS

PC интерфейс F

V. 24/9.6 kbps

LAN интерфейс

Qx(Eth, X.25)/64 kbps

Служебные каналы

блок OHA - Siemens

Максимальное число мультиплексоров, управляемых ЭМ

180

Тип и размеры (ВхШхГ), м стойки

ETSI 2.2x0.6x0.3

Тип синхронизации

в.т., с.т., т.с., л.с.


Таблица 6 - Комплектация блоков STM в узлах транспортной сети SDH

пункт

наименование блоков


21х2М

STM-1

A-1

6

1

B-1

4

2

B-2

4

2

C-1

6

1

D-1

4

1

E-1

6

-

F-1

6

1


Для установки данного оборудования на каждой станции будем использовать стойки TS300119-19 дюймов с размерами ВхШхГ 2.2х0.6х0.3 м по одной на каждую станцию.

Для соединения станций используем кабель типа A-DSF фирмы Siemens.

ЗАКЛЮЧЕНИЕ


В данной работе были предложены проекты разработки систем плезиохронной и синхронной цифровой иерархий. В первой части работы был проведен подробный анализ и проектирование цифровой системы передачи аналогичной существующим системам ИКМ-120, только под конкретные требования. Был проведен анализ сигналов, затухания, длины регенерационного участка, порога помехозащищенности.

Вторая часть работы посвящена разработке транспортной системы связи на основе синхронной цифровой иерархии, где на основе требуемой емкости каналов, выбиралось оборудование, уровень иерархии, также были рассмотрены вопросы резервирования, синхронизации, управления.

Похожие работы на - Проектирование цифровых систем передачи PDH и SDH

 

Не нашли материал для своей работы?
Поможем написать уникальную работу
Без плагиата!
Без нейросетей!