Расчет электромагнита постоянного тока
Введение
Электромагниты нашли в
аппаратостроении широкое применение и как элемент привода аппаратов
(контакторы, пускатели, реле, автоматы, выключатели), и как устройство,
создающее силы, например, в муфтах и тормозах.
При заданном потоке
падение магнитного потенциала уменьшается с уменьшением магнитного
сопротивления. Так как сопротивление обратно пропорционально магнитной
проницаемости материала, при данном потоке магнитная проницаемость должна быть
возможно выше. Это позволяет уменьшить м.д.с. обмотки и мощность, необходимую
для срабатывания электромагнита; уменьшаются размеры обмоточного окна и всего
электромагнита. Уменьшение м.д.с. при прочих неизменных параметрах уменьшает
температуру обмотки.
Вторым важным
параметром материала является индукция насыщения. Сила, развиваемая
электромагнитом, пропорциональна квадрату индукции. Поэтому чем больше
допустимая индукция, тем больше развиваемая сила при тех же размерах.
После того, как
обмотка электромагнита обесточивается, в системе существует остаточный поток,
который определяется коэрцитивной силой материала и проводимостью рабочего
зазора. Остаточный поток может привести к залипанию якоря. Во избежание этого
явления требуется, чтобы материал обладал низкой коэрцитивной силой.
Существенными
требованиями являются низкая стоимость материала и его технологичность.
Наряду с указанными
свойствами магнитные характеристики материалов должны быть стабильны (не
изменяться от температуры, времени, механических ударов).
В данной курсовой
работе нам следует проанализировать, насколько эффективно используется сталь
электромагнита, сделать соответствующие выводы и предложения по рациональному
использованию магнита.
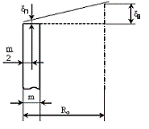
1.
Исходные данные и эскиз для расчета
Исходные данные для расчёта
выписываются из таблицы по двухзначному номеру варианта. Номер варианта
соответствует двум последним цифрам присвоенного шифра, указанного в зачётной
книжке. Вариант №92.
Для всех вариантов материал
магнитопровода сталь Ст. 2. Величина зазора неплотности между ярмом и
сердечником
= 0,1
мм.
Эскиз рассчитываемого электромагнита
приведен на рисунке 1.1
Рисунок 1.1 - Эскиз рассчитываемого
электромагнита
2. Составление схемы
замещения магнитной цепи
Намечаем пути прохождения магнитных
потоков в заданной системе (рис. 2.1). Рассчитываемая система является системой
с распределённой магнитодвижущей силой (МДС) катушки. Считаем поток рассеяния
сосредоточенным в середине зоны рассеяния, высота которой равна высоте катушки,
при этом величину проводимости рассеяния берём приведённую. Потоки рассеяния,
замыкающиеся вне контура магнитной системы, не учитываем.
Рисунок 2.1 - Потоки и воздушные
зазоры магнитной системы:
- начальный рабочий
воздушный зазор;
- паразитный зазор;
- зазор неплотности
между ярмом и сердечником;
- рабочий магнитный
поток;
- поток рассеяния;
- полный поток.
Принимаем обозначения
потоков и воздушных зазоров магнитной систем (рис. 2.1): рабочий поток, проходящий
через рабочий воздушный зазор, Фв;
поток рассеяния Фу; полный
поток Ф.
Согласно первому закону
Кирхгофа:
(2.1)
Принимаем обозначения воздушных
зазоров магнитной системы:
рабочий
воздушный зазор;
паразитный
зазор;
зазор неплотности между ярмом и сердечником.
Производим разбивку стали
магнитопровода на участки (рис. 2.2). Каждый участок на всей своей длине должен
иметь постоянное сечение и обтекаться одним и тем же магнитным потоком.
Полюсный наконечник, несмотря на большое сечение, в отдельный участок не
выделяем и условно считаем сечение полюсного наконечника, равным сечению сердечника.
Это допущение не даёт большой погрешности в расчёте, поскольку высота полюсного
наконечника невелика.
Рисунок 2.2 - Разбивка стали
магнитной системы на участки:
,
,
,
,
-
длины участков;
,
,
,
,
-
сечения участков;
,
,
,
- сопротивления участков;
,
- сопротивления паразитного зазора и зазора неплотности.
Определяем сечение и среднюю длину
магнитной силовой линии каждого участка. Определение средней линии можно
проводить как аналитически, так и графически по оси симметрии потока на данном
участке.
Для заданной магнитной системы имеем
5 участков. Результаты расчётов сводим в таблицу 2.1.
Таблица 2.1 - Размеры поперечных
сечений и длин участков магнитной системы
|
№ участков
|
Участок
|
Обозначение на схеме замещения
|
Сечение участка
|
Длина участка
|
|
1
|
Верхняя часть сердечника
|
|

|
|
|
2
|
Якорь
|
 
|
|
|
|
3
|
Верхняя часть ярма
|
 
|
|
|
|
4
|
Нижняя часть ярма
|
 
|
|
|
|
5
|
Нижняя часть сердечника
|
 
|
|
|

, м;

, м;

, м;

, м;

, м;

, м.
С учётом принятых обозначений
составляем электрическую схему и схему замещения магнитной цепи электромагнита.
а) б)
Рисунок 2.3 - Электрическая схема
электромагнита (а) и схема замещения магнитной цепи с учётом сопротивления
стали (б)
3. Расчёт магнитных
проводимостей и сопротивлений воздушных зазоров
Расчёт магнитных проводимостей и
сопротивлений воздушных зазоров производим методом вероятных путей потока.
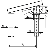
Рабочий воздушный зазор
При расчёте магнитной системы важно
знать величину проводимости воздушного зазора между якорем и сердечником
электромагнита, т. к. от неё зависит тяговое усилие, создаваемое
электромагнитом.
Магнитный поток в воздушном зазоре
располагается неравномерно. Весь поток в этом случае делят на три зоны (рис.
3.1): 1 - основной поток; 2 - краевой поток, возникающий из-за выпучивания
основного потока; 3 - краевой поток, выходящий из ребра полюсного сердечника.
Рисунок 3.1 - К расчёту проводимости
рабочего воздушного зазора
Проводимость зоны 1 вычисляем по
формуле из 2
, Гн (3.1)
где
Гн/м
- абсолютная проницаемость вакуума,
, м (3.2)
м - вычисляем, исходя
из заданных размеров электромагнита.
, Гн
Проводимость зоны 2 не
зависит от величины рабочего воздушного зазора и является величиной постоянной.
Она в соответствие с 2 вычисляется по формуле
, Гн (3.3)
, Гн
Проводимость зоны 3
вычисляем по формуле из 3. При
> 3h, где:= 5 мм -
высота полюсного наконечника, применяется следующая формула:
, Гн (3.4)
где
- радиус полюсного наконечника, который берётся равным
, мм (3.5)
, мм
, Гн
Полная проводимость рабочего
воздушного зазора равна
, Гн (3.6)
, Гн
Сопротивление рабочего
воздушного зазора
, 1 / Гн (3.7)
, 1 / Гн
Вычисляем первую
производную полной проводимости рабочего воздушного зазора
(3.8)
Её значение будет использовано в
дальнейшем при вычислениях усилия притяжения электромагнита в рабочем зазоре.
Приняв расчётные значения рабочего
воздушного зазора равными:
; 0,75
;
0,5
;
0,25
;
0,05
,
вычислим для этих величин проводимость
, сопротивление
и
первую производную
.
Результаты вычислений сведём в таблицу 3.1.
Таблица 3.1 - Расчёт проводимости,
сопротивления и первой производной воздушного зазора
|
Расчетные параметры
|
,
м ,
м ,
м ,
м ,
м
|
|
|
|
|
|
,
Гн
|
3,904·10-8
|
4,429·10-8
|
5,372·10-8
|
7,61·10-8
|
1,688·10-7
|
|
,
1 / Гн2,561·107
|
2,258·107
|
1,862·107
|
1,314·107
|
5,925·106
|
|
|
,
Гн-5,846·10-7
|
-9,627·10-7
|
-1,887·10-6
|
-5,48·10-6
|
-6,24·10-5
|
|
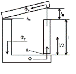
Паразитный зазор
Величина паразитного зазора
переменная и зависит от величины рабочего воздушного зазора
. Для вычисления проводимости
паразитного зазора воспользуемся рис. 3.2. Из подобия
треугольников имеем:
Рисунок 3.2 - К расчету проводимости
паразитного зазора
, откуда,
м (3.9)
Проводимость паразитного зазора
вычислим по формуле из 2:
, Гн (3.10)
, Гн
откуда
, 1 / Гн (3.11)
, 1 / Гн
Величина паразитного зазора очень
мала, поэтому краевые потоки не учитываются.
В соответствии с принятыми
значениями рабочего воздушного зазора
рассчитаем значения величины паразитного зазора
, его проводимости и сопротивления. Результаты расчётов оформим в
виде таблицы 3.2.
|
Расчетные параметры
|
,
м ,
м ,
м ,
м ,
м
|
|
|
|
|
|
,
м
|
4,582·10-3
|
3,436·10-3
|
2,291·10-3
|
1,145·10-3
|
2,291·10-4
|
|
,
Гн1,866·10-7
|
2,488·10-7
|
3,732·10-7
|
7,464·10-7
|
3,732·10-6
|
|
|
,
1 / Гн5,359·106
|
4,019·106
|
2,679·106
|
1,34·106
|
2,679·105
|
|
Зазор
неплотности между сердечником и ярмом
Величина зазора неплотности мала и
постоянна. Она принимается равной
= 0,1 мм. Вследствие малости зазора краевые потоки не
учитываются. В соответствие с рекомендациями 2 проводимость неплотности
вычисляем по формуле:
, Гн (3.12)
, Гн
Сопротивление зазора
неплотности будет равно
, 1 / Гн (3.13)
, 1 / Гн
4. Расчёт проводимости
потока рассеяния
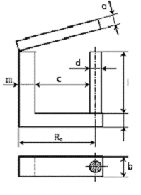
Составляем эскиз для
расчёта потока рассеяния (рис. 4.1)
Рисунок 4.1 - К расчету
удельной проводимости потока рассеяния
Расчётная формула
удельной проводимости потока рассеяния зависит от соотношения размеров b и h.
Для заданных значений исходных величин расчёт удельной проводимости потока
рассеяния проводится по формуле
, Гн/м (4.1)
где
;
, Гн/м
(4.2)
Полная магнитная
проводимость и сопротивление потока рассеяния:
, Гн, (4.3)
где H - длина зоны рассеяния, равная
высоте катушки.
, Гн
Законы распределения
потоков рассеяния ФУ по
длине сердечника имеют различный вид. Для магнитной системы с Fмк = const (при постоянном токе),
поток рассеяния распределяется по закону треугольника, а для магнитной системы
с Fмк = var (при переменном
токе), закон распределения выражается вогнутой кривой (рис. 4.2).
Рисунок 4.2 -
Распределение потоков рассеяния по длине сердечника
При расчётах принимают
допущение, что поток рассеяния является сосредоточенным в середине зоны
рассеяния и создаётся полной магнитодвижущей силой катушки Fмк. Для того чтобы получить
действительную величину потока рассеяния, проводимость рассеяния берётся не
полной, а приведённой. Приведённая проводимость для магнитной системы с Fмк = const согласно 2 равна:
, Гн (4.4)
, Гн
Приведенное
сопротивление рассеяния
, 1 / Гн (4.5)
, 1 / Гн
Обычно при расчётах
магнитной системы за основной поток принимается поток в рабочем воздушном
зазоре, а все остальные потоки выражаются в долях от него. Отношение
максимального потока магнитной системы к потоку в рабочем воздушном зазоре (к
рабочему потоку) называется коэффициентом рассеяния магнитной системы:
(4.6)
Так как величина
максимального потока
,
то
Наиболее удобно
рассчитывать коэффициент рассеяния по проводимостям или сопротивлениям участков
магнитной системы. Обычно сопротивлением стали пренебрегают ввиду его малости
по сравнению с сопротивлениями воздушных зазоров. Составив схему замещения без
учёта сопротивления стали, (рис. 4.3) определим коэффициенты рассеяния для
принятых значений рабочего воздушного зазора
.
Рисунок 4.3 - Схема
замещения магнитной системы без учета сопротивления стали
Если падение
магнитодвижущей силы на сопротивлении рассеяния
обозначить через
,
то согласно схеме замещения для данной магнитной системы имеем:
, Вб (4.7)
, Вб (4.8)
Подставляя значения потоков в
формулу коэффициента рассеяния, получим:
(4.9)
Рассчитанные значения
коэффициентов рассеяния для принятых значений рабочих воздушных зазоров
приводим в табл. 4.1:
Таблица 4.1 - Расчет коэффициента рассеяния
|
Коэффициент рассеяния
|
    
|
|
|
|
|
2,851
|
2,59
|
2,273
|
1,865
|
1,37
|
|
5. Расчёт кривых
намагничивания магнитной системы электромагнита
Кривые намагничивания позволяют
определять связь между магнитным потоком и магнитодвижущей силой катушки электромагнита.
При срабатывании электромагнита изменяются рабочий воздушный зазор и его
магнитная проводимость.
В общем случае расчёт
кривых намагничивания является решением обратной задачи магнитной системы.
Методика расчёта приводится ниже. Здесь приводим расчет для значения рабочего
потока
=
,
Вб.
Расчёт начинаем при
максимальном воздушном зазоре
. Задаёмся произвольным
значением рабочего потока
,
.
Примерные значения рабочего потока, которыми следует задаваться, приведены в
табл. 4. Определяем магнитную индукцию, в Тл, на остальных участках
,
,
,
обтекаемых этих потоком.
, Тл, (5.1)
где Bi - магнитная индукция, Тл;i - площадь поперечного сечения участка, м2
Значения сечений участков определены
в табл. 1.
, Тл
, Тл
, Тл
По кривой намагничивания
материала магнитопровода (приложение 1) определяем напряжённости магнитного
поля, соответствующие значениям индукций.
При значении
Тл
напряженность магнитного поля равна
H1 = 0,111 А/м.
При значении
Тл
напряженность магнитного поля равна
H2 = 0,042 А/м.
При значении
Тл
напряженность магнитного поля равна
H2 = 0,049 А/м
По закону полного тока
определяем падение МДС на стальных участках магнитопровода
,
.
, А, (5.2)
где Fi падение МДС на участке, А;
Hi - напряжённость магнитного поля участка, А/мi - длина участка, м; значения длин
участков определены в табл. 1
А
А
А
По закону Ома определяем
падение МДС на воздушных участках рабочего зазора Rв и паразитного зазора Rп, обтекаемых потоком Фв.
, А (5.3)
, А (5.4)
А
А
Зная коэффициенты
рассеяния, вычисленные в п. 4.7 (табл. 4.1), определяем полный поток магнитной
системы
, Вб (5.5)

Вб
Определяем индукции на
стальных участках R4, R5, обтекаемых полным потоком Ф
, Тл (5.6)
Значения сечений определены в табл.
1.
Тл
Тл
По кривой намагничивания
материала магнитной системы (приложение 1) определяем напряжённости магнитного
поля Hi, соответствующие
вычисленным значениям индукций Bi для
участков
и
При значении
Тл
напряженность магнитного поля равно
H4 = 0,071 А/м.
При значении
Тл
напряженность магнитного поля равно
H5 = 0,384 А/м.
По закону полного тока
определяем падение МДС на стальных участках
и
.
, А (5.7)
Значения длин участков
и
определены
в табл. 1.
А
А
По закону Ома определяем
падение МДС на воздушном участке
, обтекаемом потоком Ф.
, А (5.8)
А
Суммируя все падения МДС
по замкнутому контуру согласно второму закону Кирхгофа, получим МДС катушки Fмк, необходимую для создания
принятого в начале расчёта потока Фв в
рабочем воздушном зазоре:
(5.9)
А
Задаёмся новым значением потока Фв
и повторяем все вычисления. Для построения кривой намагничивания вполне
достаточно иметь три-четыре точки. При этом необходимо помнить, что добавочной
точкой при построении является начало координат, через которое кривая
намагничивания обязательно должна проходить.
После расчета при трёх различных
значениях потока переходим к расчету кривой намагничивания магнитной системы
при другой величине рабочего зазора в такой же последовательности, как указано
в п.п. 5.2 … 5.12.
Результаты расчётов сводим в таблицу
5.1, чтобы можно было наглядно и быстро проанализировать магнитное состояние
магнитопровода.
Расчёты считаются законченными, если
они выполнены при всех рекомендованных значениях воздушного зазора:
; 0,75
; 0,5
; 0,25
; 0,05
На основании полученных результатов,
приведённых в табл. 5.1, строим семейство кривых намагничивания заданной
системы (рис. 5.1).
Рисунок 5.1 - Вид семейства кривых
намагничивания
6. Расчёт тяговой
характеристики электромагнита
Пользуясь кривыми намагничивания
магнитной системы, по заданной магнитной МДС катушки определим потоки рабочего
воздушного зазора Фв при
каждом значении
. Зная
величины действительных рабочих потоков, определим падение МДС в рабочем
воздушном зазоре:
, А (6.1)
, А
Пользуясь величинами первой
производной проводимости рабочего воздушного зазора из табл. 2, рассчитаем
усилие притяжения электромагнита (в Н) по энергетической формуле из 3
(6.2)
Повторим вычисления для
значений воздушного зазора, равных
; 0,75
;
0,5
;
0,25
;
0,05
и сведем их в табл. 6.1.
Таблица 6.1 - Результаты вычислений
усилия притяжения электромагнита
|
Расчетные параметры
|
,
м ,
м ,
м ,
м ,
м
|
|
|
|
|
|
,
Вб
|
1,28∙10-4
|
1,32∙10-4
|
1,44∙10-4
|
1,76∙10-4
|
3,32∙10-4
|
|
,
А3,278∙103
|
2,981∙103
|
2,681∙103
|
2,313∙103
|
1,967∙103
|
|
|
,
Н3,141
|
4,2762
|
6,7831
|
14,6544
|
120,7279
|
|
По полученным данным строим тяговую
характеристику электромагнита.
Рисунок 6.1 - Тяговая характеристика
электромагнита
Заключение
В результате расчета
электромагнита постоянного тока было построено семейство кривых намагничивания.
Здесь мы можем видеть, что участки системы при всех значениях воздушного
зазора, равных δ=0,028 м, 0,75δ=0,021 м, 0,5δ=0,014
м, 0,25δ=0,007 м и 0,05δ=0,0014
м при намагничивающей силе, равной
А, работа электромагнита
находится на прямолинейном участке кривых намагничивания, то есть, система
насыщается при 0,05δ=0,0014 м.
Отсюда следует, что при
данной конструкции в рассчитываемом электромагните желательно увеличить
намагничивающую силу до величины,
при которой начнет
происходить его насыщение, с целью получения большего тягового усилия и более
полной реализации всех потенциальных возможностей данного электромагнита.
Или же при заданной МДС
катушки с целью экономии материала можно уменьшить сечение сердечника ярма и
якоря электромагнита до величины при которой начнет происходить насыщение
магнитопровода.
Список используемой
литературы
1. Гордон А.В. Электромагниты постоянного тока. - М.:
Госэнергоиздат, 1960.
2. ГОСТ 2.105-95. Общие требования к текстовым документам.
. Сахаров П.В. Проектирование электрических аппаратов. -
М.: энергия, 1971.
. Сливинская А.Г. Электромагниты и постоянные магниты. -
М.: Энергия, 1972.
. Соболев С.Н. Расчет и конструирование низковольтной
электрической аппаратуры. - М.: Высшая школа, 1981.
. Чунихин А.А. Электрические аппараты. - М.: Энергия,
1982.
. Моногаров С.И. Методические указания на курсовую работу
на тему «Расчет электромагнита». - Краснодар КубГТУ, 2000.