Магнитные цепи. Величины и законы, характеризующие магнитные поля в магнитных цепях
МАГНИТНЫЕ ЦЕПИ. ВЕЛИЧИНЫ И ЗАКОНЫ,
ХАРАКТЕРИЗУЮЩИЕ МАГНИТНЫЕ ПОЛЯ В
МАГНИТНЫХ ЦЕПЯХ
Магнитное
поле проявляет себя следующим образом:
1) В проводнике, который движется в
постоянном магнитном поле, наводится ЭДС;
2) В неподвижном проводнике, который
находится в переменном магнитном поле, наводится ЭДС;
3) На проводник, по которому течет ток и
который находится в магнитном поле, действует механическая сила.
Параметры,
характеризующие магнитное поле:
Магнитный поток F - характеризуется числом силовых
линий, пронизывающих поверхность площадью S.
Магнитное поле принято
изображать силовыми линиями, направленными от северного к южному полюсу
магнита.
[F] = [ Вб] = [ В×с].
,
где a - угол между нормалью к площадке и
направлением силовых линий.
Индукция магнитного поля
характеризует интенсивность магнитного
поля в заданной точке пространства. Это векторная величина. Направление ее
совпадает с касательной к силовой линии
[B] =[Вб/м2] = [Тл].
Если магнитное поле
равномерное, то
.
Поток вектора индукции
магнитного поля через замкнутую поверхность равен нулю
.
Силовые линии всегда
замкнуты. Это принцип непрерывности силовых линий.
Напряженность магнитного
поля
- это векторная величина, которая
совпадает с направлением индукции и характеризует интенсивность магнитного поля
в вакууме (при отсутствии магнитных веществ). [
] =
[А/м].
,
где ma – абсолютная магнитная проницаемость среды.
mr=ma/m0 – относительная магнитная проницаемость.
m0=4p×10-7 Гн/м – магнитная постоянная, равная
абсолютной магнитной проницаемости в вакууме.
В 1831 г. Фарадей открыл закон электромагнитной индукции:
Электромагнитной
индукцией называется явление возбуждения ЭДС в контуре при изменении магнитного
потока, сцепленного с ним. Индуктированная ЭДС равна скорости изменения потока,
сцепленного с контуром:
.
Знак «минус» выражает
правило Ленца:
Ток, создаваемый в замкнутом контуре
индуцированной ЭДС, всегда имеет такое направление, что магнитный поток тока
противодействует изменению магнитного потока внешнего поля, его вызвавшего.
Поскольку
,
то
ЭДС, которая индуцируется
в обмотке, равна сумме ЭДС каждого витка:
,
где w – число витков в
обмотке.
,
где F1, F2, …, Fw – потоки, которые охватывают, соответственно, первый,
второй и w витки обмотки.
- полный магнитный поток
– потокосцепление обмотки.
Тогда для обмотки:
.
Если каждый виток обмотки
охвачен одним и тем же потоком, тогда:
и
.
Если магнитное поле
создается током этой же обмотки, то такая индуцированная ЭДС называется ЭДС
самоиндукции.
Если магнитное поле
создано током других контуров, то такая ЭДС называется ЭДС взаимоиндукции.
;
.
Если проводник
перемещается в постоянном магнитном поле, то индуцированная ЭДС равна:
,
где l – активная длина
проводника;
V – скорость перемещения
проводника;
B – индукция магнитного
поля;
a - угол между направлением силовых линий и направлением перемещения
проводника.
По правилу правой руки
(большой палец – направление перемещения).
Если проводник с током I
находится в магнитном поле с индукцией B, то на проводник действует сила:
- закон Ампера,
где a - угол между направлением силовых
линий и направлением проводника.
По правилу левой руки
(большой палец - сила):
В электротехнике все
материалы делятся на немагнитные и магнитные. У немагнитных материалов (пара- и
диамагнетики) относительная магнитная проницаемость mr»1: медь, алюминий, изоляторы, воздух, вода и др.
Магнитные материалы
(ферромагнетики) имеют mr>>1:
железо, никель, кобальт, сплавы – сталь, чугун и др.
Особенностью
ферромагнитных материалов является то, что относительная магнитная
проницаемость mr ¹ Const, а зависит
от интенсивности магнитного поля.
Для ферромагнетиков
зависимости B(H), m(H) нелинейны.
B(H) - кривая намагничивания.
B0=m0H.
При циклическом
перемагничивании образуется петля гистерезиса:
Br – остаточная магнитная индукция;
Hc – коэрцитивная сила.
Ферромагнетики делятся на
магнитомягкие (Hc<
4 кА/м) и магнитотвердые. У магнитомягких материалов петля гистерезиса узкая
(используются для сердечников электротехнического оборудования). Площадь петли
гистерезиса характеризует потери на гистерезис.
Магнитотвердые материалы
имеют широкую петлю гистерезиса (используются для постоянных магнитов, систем
носителей информации – компьютерные диски).
«Линейный интеграл от
вектора напряженности магнитного поля вдоль любого замкнутого контура равен
полному току, охватывающему данный контур».
.
Полный ток – это алгебраическая сумма токов.
В пространстве вокруг
этих проводников с током образуется магнитное поле. В соответствии с законом
полного тока:
.
Токи, которые при
выбранном направлении обхода совпадают с направлением правоходового винта,
считаются положительными.
Для многовитковой
обмотки:
Контур интегрирования
охвачен током w раз:
Величина
- называется намагничивающей или
магнитодвижущей силой.
При практических расчетах
контур интегрирования можно разбить на ряд участков с таким расчетом, чтобы
напряженность магнитного поля на протяжении участка оставалась неизменной и ее
направление совпадало с направлением dl. В этом случае интеграл меняется на сумму:
и
.
Магнитная цепь – это
совокупность намагничивающих сил, ферромагнитных участков и других сред, по
которым замыкается магнитный поток.
Магнитные цепи могут
быть: простыми и сложными (один или несколько МДС); однородными и неоднородными
(напряженность магнитного поля постоянна или непостоянна); разветвленными и
неразветвленными (поток разветвляется или нет) и др.
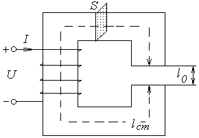
Рассмотрим простую
неразветвленную магнитную цепь с постоянной МДС.
lст – длина силовой линии на протяжении
всего участка в стали;
l0 – длина воздушного зазора.
Для данной магнитной цепи
запишем:
.
Но
поэтому
. Отсюда
Тогда запишем:
и
- закон Ома для магнитной
цепи.
- магнитное сопротивление стального участка (сравнить
с
);
- магнитное сопротивление воздушного зазора.
Так как mст >> m0 , то
<<
.
Поэтому в магнитную цепь
вводят ферромагнитный материал (сердечник с малым магнитным сопротивление), что
позволяет при одной и той же намагничивающей силе получать большой магнитный
поток.
Аналогия между электрическими и
магнитными цепями
|
Электрические величины
|
|
|
Магнитные величины
|
|
|
ток
|
I
|
-
|
Поток
|
F
|
|
ЭДС
|
E
|
-
|
МДС
|
F
|
|
Сопротивление
|
|
-
|
Сопротивление
|
|
|
Напряжение
|
|
-
|
Напряжение
|
|
|
Проводник
|
|
-
|
Ферромагнетик
|
|
|
Изолятор
|
|
-
|
Немагнитное вещество
|
|
|
Удельная проводимость
|
|
-
|
Магнитная проницаемость
|
ma
|
По аналогии можно
записать законы Кирхгофа для магнитных цепей.
1-й закон Кирхгофа: Сумма
магнитных потоков ветвей разветвленной магнитной цепи в узле равна нулю.

2-й закон Кирхгофа: МДС
неразветвленной неоднородной магнитной цепи равна арифметической сумме падений
магнитных напряжений на отдельных ее участках.
.
Принцип расчета магнитных цепей
постоянного тока
Фр - магнитный
поток рассеяния (он обычно мал).
ЗАДАНО: поток Ф, размеры
магнитопровода, материал сердечника, марка стали, кривая намагничивания B(H).
ЗАДАЧА: Найти
- намагничивающую силу обмотки, необходимую
для создания этого магнитного потока Ф.
ПОСЛЕДОВАТЕЛЬНОСТЬ
РАСЧЕТА:
1) Цепь разбивается на участки с таким
расчетом, чтобы индукция и напряженность магнитного поля на протяжении участка
оставалась неизменной;
По конструктивным
размерам магнитопровода определяются lk и Sk;
Предполагается, что поток
Ф на каждом участке одинаков;
2) По заданному магнитному потоку Ф
определяем индукцию на каждом участке
;
Затем, зная Bk по кривой намагничивания определяем Hk
3) Зная Hk, по закону полного тока находим МДС
и
находим ток
.