Расчет кремового соединения

  • Вид работы:
    Контрольная работа
  • Предмет:
    Технология машиностроения
  • Язык:
    Русский
    ,
    Формат файла:
    MS Word
    309,53 kb
  • Опубликовано:
    2011-02-24
Вы можете узнать стоимость помощи в написании студенческой работы.
Помощь в написании работы, которую точно примут!

Расчет кремового соединения

Задача 1. Рассчитать болт кремового соединения, посредством которого рычаг неподвижно закрепляется на валу. Диаметр вала D=60 мм, сила, действующая на рычаг, F=600 Н и радиус рычага R=460 мм, и расстояние от оси болта до вала а=36 мм. Материал вала – сталь, материал рычага – чугун


Решение

Определим силу затяжки болта:

Fзат = К∙Т/(2,5z∙f∙D),

где z=1 – число болтов расположенных с одной стороны вала;

К=1,3…1,8 – коэффициент запаса;

f =0,15…0,18 – коэффициент трения;

D – диаметр вала;

Т – вращающий момент.

Т = F∙R = 600∙0,46 = 276 Н∙м

Fзат = 1,5∙276/(2,5∙1∙0,16∙0,06) = 17250 Н

Прочность болта:

уэк = 1,3Fзат/[(р/4) d12] ≤ [у]

[у] = уT/[s] = 360/3 = 120 МПа – сталь 45.

[s] = 3 – коэффициент безопасности.

Внутренний диаметр резьбы болта:

Берем болт М20 ГОСТ 7805–70, из стали 45.

Шаг резьбы: 2,5 мм; внутренний диаметр резьбы: 17,294 мм.

Задача 2. Рассчитать клиноременную передачу. Передаваемая ведущим шкивом мощность N1 =22 кВт, угловая скорость его w1=150 рад/с и угловая скорость ведомого шкива w2=38 рад/с. Работа односменная; пусковая нагрузка до 150% номинальной


Решение

Передаточное число ременной передачи:

Uрем = w1/w2 = 150/38 = 3,95

По номограмме из справочника принимаем ремень типа Б. Минимально допустимый диаметр ведущего шкива:

d1min = 125 мм

Принимаем: d1 = 180 мм

Диаметр ведомого шкива:

d2 = d1 · Uрем(1 – е),

где е = 0,015 – коэффициент скольжения.

d2 = 180 · 3,95 · (1 – 0,015) = 700,3 мм

Принимаем: d2 = 710 мм из стандартного ряда.

Фактическое передаточное число:

UФ = d2 / d1(1 – е) = 710 / (180 · (1 – 0,015)) = 4

ДU =  · 100% = 1,3% < 3%

Ориентировочное межосевое расстояние:

б ≥ 0,55 (d1 + d2) + h(H),

где h(H) = 10,5.

б ≥ 0,55 (180 + 710) + 10,5 = 500 мм

Расчетная длина ремня:

L = 2б + (d1 + d2) + (d2 – d1)2 / 4б = 2 · 500 + (180 + 710) + (710 – 180)2 / 4 · 500 = 2537,75 мм

Принимаем: L = 2500 мм.

Уточнение значения межосевого расстояния:

б = (2L – р(d1 + d2) + ) = (2 · 2500 – 3,14 · 890 + ) = 477,9 мм

Принимаем: б = 478 мм.

Угол обхвата ремнем ведущего шкива:

б1 = 180° – 57° = 180° – 57° = 116,8°

Определяем допускаемую мощность, передаваемую одним клиновым ремнем:

[Pn] = [P0] Cp Cб Cl Cz,

где [P0] = 3,82 кВт определяем из справочника:

v = р d1 n1 / 60 · 103 = 3,14 · 180 · 1433 / 60 · 103 = 13,5 м/с

Из справочных материалов:

Коэффициент динамичности и режима нагрузки при односменной работе:

Cp = 0,9 – пусковая нагрузка до 150%;

Cб = 0,82 – коэффициент угла обхвата;

Cl = 1,04 – коэффициент длины ремня;

Cz = 0,85 – коэффициент числа ремней.

[Pn] = 3,82 · 0,9 · 0,82· 1,04· 0,85 = 2,8 кВт.

Количество клиновых ремней:

Z = Pном / [Pn] = 22 / 2,8 = 7,8, принимаем: Z = 8.

Pном = N1 = 22 кВт.

Сила предварительного натяжения:

F0 =  =  = 244 H

Окружная сила:

Ft = Pном · 103 / v = 22 · 103 / 13,5 = 1629,6 H

Силы натяжения:

F1 = F0 + Ft / 2z = 244 + 1629,6 / 2 · 8 = 346 H

F2 = F0 – Ft / 2z = 244 – 1629,6 / 2 · 8 = 142 H

Cила давления на вал:


Задача 3. Рассчитать червячную передачу редуктора. Передаваемая червяком мощность N1 =12 кВт, угловая скорость его w1=150 рад/с и передаточное число передачи u=20. Недостающими данными задаться. Срок службы передачи 20000 ч


Решение

Вращающие моменты на валах:

Т1 = N1 / щ 1 = 12 / 150 = 0,08 кН·м = 80 Н·м;

Т2 = N2 / щ 2 = 9,5 / 7,5 = 1,27 кН·м = 1270 Н·м;

щ 2 = щ 1 /Uред = 150/20 = 7,5 рад/с

N2 = з · N1 · зп = 0,8 · 12 · 0,99 = 9,5 кВт

з = 0,8 – КПД червячной передачи; зп = 0,99 – КПД пары подшипников качения.

Предварительно примем коэффициент диаметра червяка:

q = 10;

k = 1,2 – коэффициент нагрузки;

z1 = 2 – число витков червяка при Uред = 20.

Число зубьев червячного колеса:

z2 = z1 · Uред = 2 · 20 = 40

Межосевое расстояние из условия контактной выносливости:

бw = (z2/q + 1) ·  = (40/10 + 1) ·  = 159,37 мм

Принимаем: бw = 160 мм.

Модуль:

m = 2 · бw / (z2 + q) = 2 · 160 / (40 + 10) = 6,4 мм

Примем: m = 6,3 мм; q = 10.

Межосевое расстояние при стандартных m и q:

бw = (m · (z2 + q)) / 2 = (6,3 · (40 + 10)) / 2 = 157,5 мм

Основные размеры червяка:

Делительный диаметр:

d1 = q · m = 10 · 6,3 = 63 мм

Диаметр вершин витков червяка:

da1 = d1 + 2m = 63 + 2 · 6,3 = 75,6 мм

Диаметр впадин витков червяка:

df1 = d1 – 2,4m = 63 – 2,4 · 6,3 = 47,8 мм

Длина наружной части шлифовального червяка:

b1 ≥ (11 + 0,06 · z2) · m + 25 = (11 + 0,06 · 40) · 6,3 + 25 = 109,4 мм

Делительный угол подъема витка:

при z1 = 2; q = 10; г = 5,31°

Тихоходная ступень (червячное колесо).

Основные размеры венца червячного колеса:

Делительный диаметр:

d2 = z2 · m = 40 · 6,3 = 252 мм

Диаметр вершин зубьев:

da2 = d2 + 2m = 252 + 2 · 6,3 = 264,6 мм

Диаметр впадин зубьев:

df2 = d2 – 2,4m = 252 – 2,4 · 6,3 = 236,8 мм

Наибольший диаметр червячного колеса:

dam2 = da2 + 6m / (z1 + 2) = 264,6 + 6 · 6,3 / (2 + 2) = 274,1 мм

Ширина венца червячного колеса:

b2 ≤ 0,75 · da1 = 0,75 · 75,6 = 56,7 мм

Окружная скорость червяка:

V1 = р · d1 · n1 / 60 = 3,14 · 63 · 1433 · 10-3 / 60 = 4,7 м/с

Скорость скольжения:

Vs = V1 / cos г = 4,7 / cos 5,31° = 4,7 м/с

Уточняем КПД редуктора.

При Vs = 4,7 м/с приведенный угол трения для без оловянной бронзы и шлифованного червяка будет равен:

с’ = 1°20’

КПД редуктора, с учетом потерь в опорах, потерь на разбрызгивание и перемешивание масла:

зред = (0,95–0,96)· = (0,95–0,96)· = (0,76–0,767)

Примем зред = 0,76.

Выберем 7-ю степень точности.

kv = 1,1 – коэффициент динамичности.

Коэффициент неравномерности распределения нагрузки:

kв = 1 + (z2 / Q)3 · (1 – x), где

Q = 86 – коэффициент деформации червяка; х = 0,6.

kв = 1 + (40 / 86)3 · (1 – 0,6) = 1,04

Коэффициент нагрузки:

k = kв · kv = 1,04 · 1,1 = 1,14

Проверка контактного напряжения:

уН = (170/(z2/q)) ·  = (170/(40/10)) ·  = 242 МПа < [уH] = 246 МПа – условие выполняется.

Проверка прочности зубьев червячного колеса на изгиб:

Эквивалентное число зубьев:

zv = z2 / cos3 г = 40 / cos3 5,31 = 40,5. Примем: zv = 41.

Коэффициент формы зуба: уF = 1,64.

уF =  =  = 20 МПа < [уF] = 104 МПа – условие выполняется.

Силы в зацеплении:

Окружная:

Ft1 =  =  = 2540 H

Ft2 =  =  = 10079 H

Радиальная:

Fr1 = Fr2 = Ft2 · tgб = 10079 · tg20 = 3668 H

Осевая:

Fб1 = Ft2 = 10079 H

Fб2 = Ft1= 2540 H

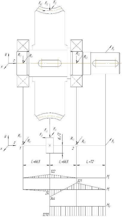
Задача 4. По данным предыдущей задачи 3 рассчитать вал червячного колеса редуктора и подобрать для него по ГОСТ 8338–75 подшипники качения. Расстояниями между подшипниками выбрать конструктивно. Вал колеса соединяется со следующим валом посредством упругой муфты. Привести рабочий эскиз вала

болт рычаг червячный редуктор

Решение

Диаметр выходного конца вала:

dв2 =  =  = 63,1 мм

Принимаем dв2 = 64 мм.

Диаметр вала под подшипники принимаем dп2 = 75 мм.

Диаметр вала под колесом: dк = 82 мм.

Fм = 125 = 125 = 4455 Н

Определим реакции опор:

Ry1 = Ry2 = Fr2 / 2 = 3668 / 2 = 1834 H

Rx1 = (Ft2 · l2 – Fб2 · (d2 / 2) – Fм · lм) / l = (10079· 66,5 – 2540 · 126 – 4455 · 72) / 133 = 355 Н

Rx2 = (Fм · (l + lм) + Fб2 · (d2 / 2) + Ft2 · l1) / l = (4455 · 205 + 2540 · 126 + 10079 · 66,5) / 133 = 14179 Н

Проверка:

УХ = 0: – Fм + Rx1 – Ft2 + Rx2 = 0

-4455 + 355 – 10079 + 14179 = 0

Суммарные реакции:

R1 =  =  = 1868 H

R2 =  =  = 11700 H

Берем подшипники №315 ГОСТ 8338–75

d = 75 мм; С = 112 кН;

D = 160 мм; В = 37 мм.

Материал вала: сталь 45, нормализованная: ув = 600 МПа.

Предел выносливости:

у-1 = 0,43 · ув = 0,43 · 600 = 258 МПа,

ф-1 = 0,58 · у-1 = 0,58 · 258 = 150 МПа

Табличное значение:

Ку / Кd = 3,85; Кф / Кd = 2,7.

Ку, Кф – эффективные коэффициенты концентрации напряжений;

Кd – коэффициент влияния абсолютных размеров поперечного сечения;

КF = 1 – коэффициент влияния шероховатости;

КY = 1,6 – коэффициент влияния поверхностного упрочнения.

Определим коэффициент концентрации нормальных и касательных напряжений для расчетного сечения вала:

KуD = (Ку / Кd + КF – 1) · 1 / КY = (3,85 + 1 – 1) · 1 / 1,6 = 2,4

KфD = (Кф / Кd + КF – 1) · 1 / КY = (2,7 + 1 – 1) · 1 / 1,6 = 1,69

Определим пределы выносливости в расчетном сечении вала:

у-1D = у-1 / KуD = 258 / 2,4 = 108 МПа

ф-1D = ф -1 / KфD = 150 / 1,69 = 89 МПа

Определим коэффициенты запаса прочности по нормальным и касательным напряжениям:

Sу = у-1D / уа; Sф = ф -1D / ф а, где

уа = уu = М · 103 / Wнетто; фа = фк /2 = Мк / 2 Wснетто – нормальные и касательные напряжения.


М = 344 Н · м – изгибающий момент (см. эпюру)

Wнетто = 0,1d3 = 0,1 · 823 = 55,1 · 103 мм3 – осевой момент сопротивления;

Wснетто = 0,2d3 = 0,2 · 823 = 110,3 · 103 мм3 – полярный момент.

Мк = 1270 Н · м

Тогда:

уа = 344 · 103 / 55,1 · 103 = 6,2 МПа; фа = 1270/ 2 · 110,3 = 5,8 МПа

Sу = 108 / 6,2 = 17,4; Sф = 89 / 5,8 = 15,3

Определим общий коэффициент запаса прочности в опасном сечении:

S = Sу Sф /  ≥ [S], где

[S] – допускаемые коэффициенты запаса прочности:

при высокой достоверности расчета [S] = 1,3…1,5;

при менее точной расчетной схеме [S] = 1,6…2,1.

S = 17,4 · 15,3 /  = 11,4 ≥ [S]

Условие выполнено. Вал пригоден.

 


Не нашли материал для своей работы?
Поможем написать уникальную работу
Без плагиата!
Без нейросетей!