Лекции по организационному поведению

  • Вид работы:
    Тип работы
  • Предмет:
    Финансы, деньги, кредит
  • Язык:
    Русский
    ,
    Формат файла:
    MS Word
    109,38 kb
  • Опубликовано:
    2008-12-09
Вы можете узнать стоимость помощи в написании студенческой работы.
Помощь в написании работы, которую точно примут!

Лекции по организационному поведению











РЕФЕРАТ

На тему «Пристрої введення інформації. Клавіатура»

 

1. Клавіатура

Клавіатура на сучасному етапі розвитку обчислювальної техніки є найбільш універсальним пристроєм введення інформації. Для введення будь – якої інформації (в даному разі інформації про символ) необхідно створити адекватний фізичному електричний сигнал. Такий сигнал можливо створювати за допомогою клавішного пристрою, який є складовою частиною клавіатури. Клавішні пристрої введення інформації призначені для ручного введення алфавітно-цифрових символів з метою їх подальшого перетворення в електричні сигнали. Клавішні пристрої можуть виконуватись як автономні, конструктивно завершені одиниці, так і у вигляді вбудованих блоків. В загальному вигляді клавішний пристрій має одну або декілька клавіатур, шифратори, мультиплексори, інтерфейсні регістри, пристрої пам'яті, схему керування, індикатори контролю за станом клавіатури та ряд інших вузлів [2].

Рисунок 1 – Структура клавіатури

В структурі використано наступні абревіатури: ДШ - дешифратор, МПС - мультиплексор сигналів вибору клавіші; G - генератор тактових імпульсів, ЛЧ - лічильник імпульсів, ПД – протидребезгова схема, RG – регістр, МП - мікропроцесор, П - пам'ять, ІНТ – інтерфейс.

Схема працює в наступному порядку: лічильник ЛЧ, молодші розряди якого підключені до дешифратора ДШ, а старші до цифрового мультиплексора М, під впливом генератора Г за допомогою дешифратора вибирає сигнал логічного “О” на стовпцях матриці К. В цей час мультиплексор МПС під управлінням старших розрядів лічильника ЛЧ вибирає для опитування рядки матриці К. Якщо один з комутаційних елементів матриці К знаходиться в замкненому положенні, то при виборі відповідного стовпця, логічний “О” з виходу дешифратора ДШ з’являється на виході мультиплексора МПС та видає запис коду відповідного замкненого елемента в регістр RG. Після перетворення коду в стандартну форму послідовний інтерфейс передає його в процесор. Протидребезгова схема ПД частіше всього є одно вібратором з повторним запуском. Клавіатура має модульну конструкцію і є частиною робочого місця оператора, яке повинно відповідати ряду ергономічних вимог. Клавіатура повинна розташовуватись під кутом біля 15 градусів до горизонтальної площини в доступній для оператора зоні та мати клавіші з вільним ходом 4 - 7мм, зусиллям натиску 0,9Н. Клавіші, що використовуються в клавіатурах, поділяються на дві групи: контактні та безконтактні. Контактні клавіші знайшли широке застосування у якості елементів клавіатур. Вони поділяються за видом перемикачів на електромеханічні, герконові, мембранні, гумові.

Електромеханічні клавіші відрізняються простотою конструкції, їх основою є контактний перемикач, що забезпечує значну потужність перемикання. В той же час він має явні недоліки: наявність "дребезгу", невисоку частоту перемикання, непостійність електричного опору між контактами, велике зусилля натискання, невеликий термін служби.

Більш надійними є герконові клавіші, в яких комутація здійснюється герметизованими в склі контактами - герконами. Як відомо, герконовий контакт замикається під дією на нього магнітного поля. Тому в склад клавіші вводиться спеціальний кільцевий магніт. Геркон спрацьовує якщо постійний магніт рухається навколо нього при натискуванні клавіші.

В герконових клавіатурах використовують геркони типу КЕМ2, КЕМЗ. Така клавіатура відрізняється простотою та великим терміном служби.

Рисунок 2 – Герконова клавіша

Мембранні клавіші побудовані на базі плоского перемикача, мають дві пластинки з еластичного матеріалу на які нанесені контакти та провідники. Між пластинками знаходиться тонка ізоляційна прокладка з отвором у зоні контактів. Ця прокладка перешкоджає замиканню контактів у ненатисненому стані. Натискання верхньої пластинки призводить до замикання контактів. Мембранні клавіші компактні та технологічні при виготовленні.

Перемикачі на основі провідної гуми (Рисунок 2.3) виготовляються у вигляді силіконових клавіш. Клавіші кріпляться прямо на друковану плату, на якій технологічним шляхом нанесено контакти перемикача та схема їх з'єднання. При натисканні клавіші провідна гума основи клавіші притискається до плати та замикає необхідні контакти.

Рисунок З – Мембранна клавіша

До безконтактних перемикачів відносяться перемикачі, у яких механічні переміщення клавіш перетворюються у зміну ємності, індуктивності або опору і, в подальшому, у зміну напруги або струму.

В безконтактних перемикачах механічний вплив (наприклад, механічне переміщення) перетворюється в зміну ємності, індуктивності або опору, а потім ця зміна перетворюється в електричний сигнал. Для цього може бути використана конструкція мембранного перемикача, у якому між контактами розміщується зтискуюча ізолююча прокладка, котра не дозволяє контактам замкнутися. Тоді факт натискання клавіші визначається по зміні зазору між контактами та пов'язаною з цим зміною міжконтактної ємності, які реєструються спеціальною чутливою схемою. Відомі конструкції безконтактних перемикачів на основі взаємодії феритового сердечника та магніту, які використовують диференційні трансформатори та ефект Холла.

При натисканні на клавішу постійний магніт, який закріплений на плунжері, зміщується в напрямку перетворювача Холла. В генераторі Холла, який потрапив у магнітне поле, виробляється е.р.с. Холла. Напруга подається на вхід підсилювача, а далі аналоговий сигнал у тригері перетворюється в дискретний. Одновібратор з сигналу, що знімається з плеча тригера, формує одноразовий імпульс. Перевагою цього перемикача є відсутність "дребезгу", висока надійність, довговічність та малі габарити. Недоліком є постійна потреба в електроживленні та порівняно висока вартість.

Рисунок 4 – Безконтактний перемикач, заснований на ефекті Холла а) генератор Хола; б) структурна схема перетворювача Хола

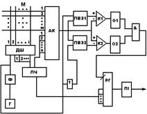
Ємнісні клавіатури, що забезпечують найвищі показники надійності при порівняно низькій вартості та високій технологічності займають провідне положення на ринку клавіатур. Структура ємнісної клавіатури відображена на рисунку 2.5. При натисканні на клавішу зв'язок між пластинами ємнісної клавіатури різко збільшується, що легко визначити, пропускаючи по ланцюгу імпульсний сигнал. Проблема перешкодостійкості одна з найсуттєвіших для ємнісних клавіатур. Ця проблема вирішується в трьох напрямках: збільшення відношення сигнал/перешкода; введення адаптивного порогу спрацьовування; використання алгоритмічних методів відсіву перешкод.

Рисунок 5 – Структурна схема ємнісної клавіатури

Позначення на рисунку: М – матриця ємнісних перемикачів, АК –аналоговий комутатор, ДШ – дешифратор, Г – генератор прямокутних імпульсів, Ф – формувач імпульсу опитування, ЛЧ – двійковий лічильник, ПВЗ – пристрій вибірки та зберігання, К – компаратор, О1,О2 – одновібратори, РГ – регістр, ПІ – послідовний інтерфейс.

Сканування матриці перемикача здійснюється аналогічно клавіатурі з електромеханічними перемикачами. Для кожної з вибраних ємнісних клавіш формувач генерує імпульс опитування, що призводить до появи позитивного та негативного сплеску напруги. Для натиснутої клавіші такий сплеск буде в декілька раз вищий, ніж для ненатиснутої. Для формування адаптивного порогу (під кожний ємнісний перемикач) рівень напруги безпосередньо перед сплеском запам'ятовується на ПВЗ. Перевищення сплеску над порогом свідчить про те, що клавішу натиснуто. Реєстрація натискання фіксується, як по позитивному перемиканню схеми фіксації (ПВЗ1, К1, О1), так і по негативному (ПВЗ2, К2, О2), що дає можливість ігнорувати імпульсну перешкоду. Збіг сигналів О1 та О2 формує сигнал запису коду вибраної клавіші в регістр. Принцип дії клавіші ілюструє рисунок 2.6.

 

Рисунок 6 – Принцип дії ємнісного перемикача.

Оптоелектронні клавіатури, не маючи електричного контакту, за своєю надійністю не поступаються ємнісним, але за стійкістю до дії перешкод значно їх перевищують. Завдяки цьому вони незамінні там, де існує високий рівень перешкод, наприклад, електромагнітне поле, радіаційне випромінювання та інше.

Звичайно, оптоелектронні клавіатури містять в собі лінійки світловипромінювачів та фотоприймачів, отже промені, які їх з'єднують, утворюють матрицю. У вузлах матриць розміщені елементи перемикання так, що при натисканні клавіші вони перекривають випромінювання по рядках та стовпчиках матриці. Контролер клавіатури реєструє перекриття світлових променів та виробляє код відповідно знакомісцю клавіші. Оскільки швидкодія не є першочерговим фактором в людинно-машиннім інтерфейсі, то з метою зменшення апаратних витрат використовують послідовне сканування оптоелектронних каналів. В останній час починають поширюватись модульні оптронні клавішні перемикачі та клавіатури з світловим кодуванням.

На рисунку 2.7 зображена конструкція фотоелектричного клавішного перемикача. Кодування за допомогою клавіатури, побудованої на базі цих перемикачів, здійснюється шляхом переривання світлового потоку при натисканні клавіші. Пристрій складається з матричної панелі (МП), кодуючої маски (KM), зв'язаної з клавішами, джерела світла та фотоприймачів. Джерело світла та фотоприймач встановлені на протилежних стінках корпусу. МП та KM розмішують між ними таким чином, щоб забезпечувалась співосність відповідних отворів в МП та KM. Отвори в МП модулюють промені світла, що падають на фотоприймачі. При натисканні на клавішу між МП вводиться кодуюча маска, яка пропускає світловий потік, необхідний для одержання відповідної кодової комбінації.

Рисунок 7 – Конструкція фотоелектричної клавіатури.

Можна вважати, що при досягненні більш високої якості світлодіодів (мінімальний розкид по яскравості) оптронні клавіатури та модульні оптрони і перемикачі зможуть успішно конкурувати з перемикачами, що використовують ефект Холла.

Сенсорні перемикачі не мають рухомих механічних елементів. Процес вмикання (перемикання) викликається лише дотиком пальців оператора до клавіатури. Робота на сенсорній клавіатурі вимагає певних навиків, оскільки клавіші нерухомі або малорухомі, а "зворотний зв'язок" з оператором замикається через фіксатор інформації, що вводиться.

Перетворення електричного сигналу від тієї чи іншої клавіші в двійковий код (відповідно кодовій таблиці) здійснює шифратор. Шифратори можуть виконуватись на контактній або безконтактній основі, отже останні - на інтегральних елементах - отримали переважний розвиток.

Для узгодження клавіатури з мікропроцесором зазвичай використовуються БІС програмованих мікроконтролерів або мікропроцесорів клавіатури. В перших розробках персональних комп’ютерів використовувались контролери, які мали клавіатурну та дисплейну частини. Прикладом такого контролера є програмований контролер клавіатури й індикації (ПККІ) КР580ВВ79, структурна схема якого наведена на рисунку 2.8.

Буфер клавіатури, що містить схему захисту від дребезгу контактів, приймає по лініях RET0—RET7 код позицій клавіш і запам'ятовує його в стеці клавіатури на 8 байт із механізмом ПРО. Схема аналізу стека (САС) виробляє сигнал переривання на виході INT, якщо черга не порожня. Вхід V/STB використовується для подачі керуючого сигналу при скануванні або стробуванні в режимі введення по стробу. На вхід SН подається сигнал зсуву, який використовується для сканування клавіатури. Лічильник сканування з виходами S0—S3 призначений для сканування стану або клавіш дисплея.

Рисунок 8 – Структура контролера клавіатури типу КР 580ВВ79

Оперативний ЗП зберігає інформацію про натиснуті клавіші, яка відображується на дисплеї. Регістр адреси містить адресу даних, які записуються або зчитуються МП. Регістри відображення зберігають дані, що відображуються на виходах DISPA (0 - 3) і DISB (0 - 3). Схема керування і синхронізації (СКС) здійснює керування роботою мікросхеми. На вхід CLK надходять синхроімпульси, на вхід CLR.- сигнал скидання. На виході BD виробляється сигнал гасіння відображення.

2. Робота клавіатури

Клавіатура персонального IBM сумісного комп'ютера містить контролер клавіатури (наприклад мікросхему типу Intel 8048), який зменшує навантаження на центральний процесор ПК. Основна діяльність контролера полягає в стеженні за клавішами і видачі повідомлень ROM-BIOS при натисканні і відпусканні клавіш чи їх комбінацій. Якщо будь-яка клавіша залишається натиснутою більш як напівсекунди, контролер надсилає сигнали через задані інтервали часу. Контоллер І8048 має також деякі можливості з діагностування та виявлення помилок, а додатково у буфері контролера може зберігатися інформація про натискання до 20 клавіш, які не зміг прийняти центральний процесор, що у реальному часі буває рідко. Щораз при натисканні чи відпусканні однієї з клавіш схеми клавіатури генерують однобайтове число, яке називається скен-кодом, що однозначно ідентифікує положення клавіші на матриці поля клавіатури. Клавіатура видає різні скен-коди при натисканні і відпусканні клавіші. При натисканні клавіші байт скен-кода містить число в діапазоні від 1 до 83, якщо клавіатура стандартна і містить у конкретному випадку 83 клавіші. При відпусканні клавіші клавіатура генерує скен-код, число якого на 128 більше, ніж скен-код при натисканні клавші, встановлюючи одиницю в старший (сьомий) розряд скен-кода. Наприклад, коли ми натискаємо клавішу Z, у вказаному стандарті клавіатура генерує скен-код 44, а при відпусканні цієї клавіші клавіатура генерує скен-код 172 (44+128). Діаграма на рисунку 2.9 показує клавіші стандартної клавіатури і відповідні їм скен-коди.

При введенні інформації, клавіатура не знає значення клавіші, що натискається, вона просто звітує про ті дії, що відбуваються. Переклад дії натискання клавіші у значущу інформацію, яка використовується програмами — це робота підпрограм ROM-BIOS, що обслуговують клавіатуру. Як ми побачимо, клавіатура зв'язується з ROM-BIOS за допомогою портів і переривань

Програми, що обслуговують клавіатуру, керують даними, що надходять із клавіатури, і змінюють їх будь-яким способом, який ми покажемо. Звичайно цим програмам передаються команди, які називаються макросами клавіатури, що повідомляють їм, на натискання яких клавіш звертати увагу і які при цьому робити зміни. Зміни можуть складатися з придушення натискань клавіш (тобто начебто нічого не відбулося), заміни одних клавіш іншими чи заміни одного натискання клавіші довгою серією натискань. Найбільш розповсюджене використання макросів - це скорочення фраз, що вводяться найбільш часто; наприклад, ми можемо дати команду перетворювати комбінацію клавіш, таку як Alt-S, у вітання, що ми використовуємо у своїй кореспонденції, таке як "Щиро Ваш". Ви можете також використовувати клавіші клавіатури для скорочення програмних команд таким чином, що трьох або чотирьох символьні команди можна буде вводити одним натисканням клавіші. Подібні програми працюють, використовуючи комбінацію можливостей двох спеціальних функцій: одна з них є частиною DOS, а друга - частиною ROM-BIOS.

Рисунок 9 – Схема та скен-коди стандартної клавіатури PC.

Функція DOS дозволяє програмі залишатися резидентною у пам'яті комп'ютера, непомітно керуючи його операціями, у той час як звичайне керування передається іншим програмам, таким, наприклад, як програма підготовки текстів. Можливості ROM-BIOS дозволяють перехопити потік інформації від клавіатури, так що до того, як інформація потрапить у яку-небудь програму, вона може бути переглянута і змінена.

Щоразу, коли натискається або відпускається яка-небудь клавіша на клавіатурі, про цю дію повідомляє ROM-BIOS за допомогою переривання 9, переривання від клавіатури. Переривання 9 викликає підпрограму обробки переривання, що відповідає на це читання з порту 96 (16-рична адреса 60), щоб визначити, яка клавіша була натиснута або відпущена. Потім очікуваний скен-код повертається і підпрограми, що обслуговують клавіатуру, переводять його в 2-байтний код. Молодший байт цього коду містить звичайно код ASCII клавіші, а старший байт — скен-код клавіатури. Спеціальні клавіші, такі як функціональні клавіші і клавіші додаткової цифрової клавіатури, мають у молодшому байті ноль, а в старшому — скен-код .

Потім підпрограми ROM-BIOS розміщують відтрансльований код у чергу, що знаходиться в молодших адресах пам'яті, з 0000 04IE. Ці коди знаходяться тут доти, поки не будуть запитані програмою, що очікує введення з клавіатури.

Похожие работы на - Лекции по организационному поведению

 

Не нашли материал для своей работы?
Поможем написать уникальную работу
Без плагиата!
Без нейросетей!