Технология изготовления магнитопроводов
КОНТРОЛЬНАЯ РАБОТА 3
Вариант 1
1. Составить схему контроля, сигнализации, регистрации
расхода, температуры и уровня воды.
2. Выбрать из справочника приборы.
3. Рассчитать среднеквадрат. погрешность контроля.
4. Определить абсолютную и относительную погрешность на
отметке 11840 кг/час; 18ºС; 2.64 м.
5. Составить схему автоматического регулирования расхода воды
на притоке.
6. Выбрать из справочника приборы.
7. Выбрать тип регулятора, исходя из свойств объекта:
запаздывание 18с:
постоянная
времени 60с;
коэффициент
усиления 1,04.
8. Рассчитать параметры настройки регулятора, если
переходный процесс колебательный.
9. Составить принципиальную электрическую схему
дистанционного управления приводом насоса.
10.
Предусмотреть автоматическую защиту привода от превышения температуры воды.
11. Составить спецификацию на приборы и средства
автоматизации.
12. Оформление задания производить на листах А4 условные
обозначения приборов выполнить согласно ГОСТ 21.404-85 (https://www.engineer-oht.ru) .

Решение
1.
Схема контроля изображена на рисунке 1 в приложении.
2.
Спецификация приборов в таблице 1 приложении.
Относительная
погрешность измерения при измерении расхода
Относительная погрешность измерения при измерении температуры
Относительная погрешность измерения при измерении
уровня
Общая погрешность определится
4. Абсолютная погрешность при измерении расхода 11840
кг/ч
кг/ч
Абсолютная погрешность при измерении температуры 18ºС
ºС
Абсолютная погрешность при измерении уровня 2,64 м.
м
5. Схема автоматического регулирования расхода воды на
притоке дана на рисунке
2 приложения.
6.
Спецификация приборов в таблице 2 приложении
7. Выбираем и
рассчитываем тип регулятора
Интегральные регуляторы.
При астатическом объекте система астатическая по
каналу задающего воздействия и статическая – по каналу возмущающего воздействия.
Таким образом, АСР П-регулятором всегда имеет установившуюся
ошибку регулирования по канал возмущающего воздействия, а при статическом
объекте – и по каналу задающего воздействия, Хотя путём выбора оптимального
значения коэффициента передачи П-регулятора и можно существенно уменьшить
установившуюся ошибку регулирования,её полная ликвидация в системе с
П–регулятором даже теоретически невозможна.
8. Если по условия
технологии требуется точное поддержание заданного значения регулируемой величины,
то в знаменателе передаточной функции W (р) = WP (р) WОБ (р) разомкнутой системы в
качестве сомножителя должен быть оператор р. С учётом этого
передаточная функция разомкнутой системы должна иметь вид W(р) = WP (р) Wоб (р) = WОБ (р)
/ р, т.е. необходимо применение в системе астатического регулятора с
законом регулирования, определяемого передаточной функцией W (р) = 1 / р,или в более общем случае
W (р) = kP / р
W (р) = 1,04 / 18 = 0,058
Выходная величина такого регулятора пропорциональна
интегралу от входной величины, т.е.
Поэтому регуляторы с
таким законом регулирования называются интегральными или сокращённ И-регуляторами.
Коэффициент передачи kp определяет степень
ввода в закон регулирования интеграла и является параметром настройки
И-регулятора. В соответствии с
L (w) =
20 lg k – 20 lg w = 20 lg 1,04 – 20 lg 0,058 = 25
WИ
(i w) = kP e - j p / 2 / w.
WИ
(i w) = kP e - j p / 2 / w = 1,04 · 2,72- j 180
/ 2 / 0,25 = - 1,22
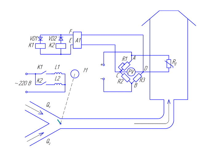
9.
Принципиальная схема дистанционного управления приводом насоса показана на рисунке 3.
Рисунок
3 - Принципиальная электрическая схема дистанционного управления приводом
насоса
10 Автоматическая защита привода от превышения
температуры в ресивере представлена на рисунке 4 приложения.
11.
Спецификация приборов в таблице 3 приложении.
Список используемой литературы
1. https://www.engineer-oht.ru - Сборник задач и вопросов по
теплотехническим измерениям и приборам.
3. Преображенский В.П.
Теплотехнические измерения и приборы. – 3-е изд. М.: Энергия, 1978.- 701 с.
4. Иванова Г.М., Кузнецов
Н.Д., Чистяков В.С. Теплотехнические измерения и приборы. М. : Энергоатомиздат,
1984.- 232 с.
5. Кремлевский П.П.
Расходы и счетчики количества. 3-е изд. Л.: «Машиностроение», 1975.- 775 с.
6. Правила измерения
расходов газов и жидкостей стандартными сужающими устройствами: РД 50-213-80. М.: Издательство стандартов, 1982.- 320 с.