Силовой масляный трансформатор ТМН-8000/60
Тольяттинский
государственный университет
Кафедра
«Электромеханика»
Силовой масляный трансформатор ТМН-8000/60
Пояснительная
записка к курсовому проекту по курсу:
«Электрические
машины»
Руководитель
________________ Леунова
Е.М.
Исполнитель
студент группы ЭМз-601
________________ Иконникова
Е.О.
Тольятти 2010
Аннотация
В
данном курсовом проекте спроектирован силовой масляный трансформатор ТМН-8000/60.В
процессе проектирования трансформатора был осуществлён расчёт оптимального
варианта, отвечающего условиям минимума приведённых затрат. Это позволило
выявить основные размеры и параметры данного трансформатора, а именно диаметр
стержня, высоту окна магнитопровода, потери холостого хода и короткого
замыкания, минимальную цену трансформатора. При проектировании выполнены
построения и расчёт активного сечения стержня магнитопровода, произведён выбор
типа и расчёт параметров обмоток трансформатора, определены потери и
напряжение короткого замыкания, потери и ток холостого хода. Кроме того, в ходе
расчёта произведена компоновка активной части трансформатора в баке, выбор
размеров бака. Помимо этого пояснительная записка включает в себя расчёт
динамической стойкости трансформатора при коротком замыкании, выбор
расширителя, термосифонных фильтров. Курсовой проект состоит из пояснительной
записки объёмом 45 листов и графической части, выполненной на одном листе
формата А3
Содержание
Введение
1.
Исходные данные для расчета
2.
Технико-экономический расчет оптимального варианта
3.
Построение и расчет активного сечение стержня магнитопровода
4.
Расчет напряжения одного витка, количества витков, напряжений и токов на всех
ответвлениях обмотки РО
5.
Выбор типа и расчет параметров обмоток трансформатора
6.
Расчет потерь короткого замыкания и напряжения короткого замыкания
7.
Расчет напряжения короткого замыкания
8.
Расчет потерь и тока холостого хода
9.
Тепловой расчет трансформатора
10.
Компоновка активной части в баке
11.
Выбор вспомогательного оборудования трансформатора
12.
Описание конструкции трансформатора
Заключение
Список
используемой литературы
Введение
магнитопровод напряжение обмотка трансформатор
Трансформатором
называется статическое электромагнитное устройство, имеющее две или более
индуктивно связанных обмоток и предназначенное для преобразования посредством
электромагнитной индукции одной или нескольких систем переменного тока в одну
или несколько других систем переменного тока.
В
народном хозяйстве используются трансформаторы различного назначения в
диапазоне мощностей от долей вольт-ампера до 1 млн. кВ-А и более. Принято
различать трансформаторы малой мощности с выходной мощностью 4 кВ-А и ниже для
однофазных и 5 кВ-А и ниже для трехфазных сетей и трансформаторы силовые
мощностью от 6,3 кВ-А и более для трехфазных и от 5 кВ-А и более для однофазных
сетей.
Трансформаторы
малой мощности различного назначения используются в устройствах радиотехники,
автоматики, сигнализации, связи и т. п., а также для питания бытовых
электроприборов. Назначение силовых трансформаторов — преобразование
электрической энергии в электрических сетях и установках, предназначенных для
приема и использования электрической энергии. Силовые
трансформаторы
подразделяются на два вида. Трансформаторы общего назначения предназначены для
включения в сеть, не отличающуюся особыми условиями работы, или для питания
приемников электрической энергии, не отличающихся особыми условиями работы,
характером нагрузки или режимом работы. Трансформаторы специального назначения
предназначены для непосредственного питания потребительской сети или приемников
электрической энергии, если эта сеть или приемники отличаются особыми условиями
работы, характером нагрузки или режимом работы. К числу таких сетей или
приемников электрической энергии относятся подземные рудничные сети и
установки, выпрямительные установки, электрические печи и т. п.
Силовой
трансформатор является одним из важнейших элементов каждой электрической сети.
Передача электрической энергии на большие расстояния от места ее производства
до места потребления требует в современных сетях не менее чем
пяти-шестикратной трансформации в повышающих и понижающих трансформаторах. Так,
при напряжении на шинах электростанции 15, 75 кВ в современной сети при
удалении потребителей от электростанции, питающей сеть, около 1000 км часто
применяется такая последовательность шести трансформаций напряжения с учетом
падения напряжения на линиях передачи: 15,75 на 525 кВ; 500 на 242 кВ; 230 на
121 кВ; 115 на 38,5 кВ; 35 на 11 кВ; 10 кВ на 0,4 или 0,69 кВ.
Новые
конструкции магнитных систем характеризуются применением косых стыков пластин в
углах системы, стяжкой стержней и ярм кольцевыми бандажами вместо сквозных
шпилек в старых конструкциях и многоступенчатой формой сечения ярма в плоских
магнитных системах. Находят применение стыковые пространственные магнитные
системы со стержнями, собранными из плоских пластин, и с ярмами, навитыми из
ленты холоднокатаной стали, а также магнитные системы, собранные только из
навитых элементов. Эти конструкции позволяют уменьшить расход активной стали и
потери холостого хода.
Уменьшение
расхода электротехнической стали при стабильности допустимой индукции
достигается в настоящее время за счет изменения конструкции магнитной системы,
например путем перехода от плоских к пространственным магнитным системам.
Силовой
трансформатор является одним из важнейших элементов современной электрической
сети, и дальнейшее развитие трансформаторостроения определяется в первую
очередь развитием электрических сетей, а следовательно, энергетики страны.
1.
Исходные данные для расчета
ТМН
8000/60 - трехфазный двухобмоточный трансформатор, с естественной циркуляцией
масла, с регулированием напряжения под нагрузкой ±16% от номинального: 9
ступеней по 1,78% в каждой ступени, номинальной мощностью 8 МВА
1.1
Номинальная мощность Sном=8·106
В·А
1.2
Число фаз mф=3
1.3
Частота f=50 Гц
1.4
Номинальные линейные напряжения обмоток Uвн=66·103
В, Uнн=6,3·103
В
1.5
Схема и группа соединения обмоток Y/Д11
1.6
Диапазон регулирования αрег=16 %
Количество
ступеней nступ=9
Тип
регулирования РПН-регулирование под нагрузкой
1.7
Тип охлаждения: М - с естественной циркуляцией масла
1.8
Характер нагрузки: длительная непрерывная
1.9
Потери короткого замыкания Ркз=48·103 Вт
1.10
Напряжение короткого замыкания Uкз=10,5
%
1.11
Марка стали ЭЗ407
1.12
Материал обмоток: алюминий
Потери
и ток холостого хода не задаются, а определяются при расчете оптимального
варианта.
2.
Технико-экономический расчет оптимального варианта
При
постоянных потерях короткого замыкания Рк.з. и постоянном напряжении
короткого замыкания Uк.з.
приведенные затраты при выборе оптимального варианта определяются выражением
Зприв
=
(eн+атр)×Цтр
+ уэ×Твкл×Рхх
+ руб./год (2) ,
атр
– норма амортизационных отчислений от стоимости трансформатора, атр=
0,063 1/год;
Цтр
– оптовая цена трансформатора, руб.;
уэ
– стоимость электроэнергии, рассчитанная для двухставочного тарифа при средней
продолжительности максимальной нагрузки для понижающих трансформаторов 5300
час/год, уэ = 0,338×10-3 руб/Вт×час;
Твкл
– продолжительность включения трансформатора, Твкл =
8600 час/год.
Критерием
при выборе оптимального варианта является минимум проведенных затрат,
рассчитанных по вышеприведенной формуле, для различных значений b
- коэффициента, определяющего соотношение основных размеров в трансформаторе.
,
где
ДН-В – средний диаметр канала между обмотками НН и ВН;
Нобм
– высота обмоток.
Коэффициент
b
в трансформаторах изменяется в пределах 0,5…4. Определение минимума приведенных
затрат проводится в результате расчета нескольких вариантов с различными
значениями b (0.63, 1, 1.6, 3.5, 4). Результаты расчета сводятся
в таблицу 2.2., форма которой приведена ниже. Выбор оптимального варианта,
соответствующего Зприв min
,
проводится по графику Зприв = f(b)
(см. рис. 2.1). Для выбранного по графику bопт
необходимо провести повторный расчет, округляя Дст до ближайшего
стандартного значения, и уточнить bопт
bопт
ут = bопт
Таблица
2.2
|
Наименование параметра
|
РЕЗУЛЬТАТЫ РАСЧЕТА
|
|
b
|
0,63
|
1
|
1,6
|
2,5
|
4
|
bопт =1,11
|
|
Дст , м
|
0,314
|
0,351
|
0,395
|
0,44
|
0,497
|
0,360
|
|
Дн-в ,
м
|
0,531
|
0,569
|
0,614
|
0,66
|
0,719
|
0,579
|
|
Lм-о , м
|
0,959
|
0,997
|
1,042
|
1,089
|
1,147
|
1,006
|
|
Hобм , м
|
2,607
|
1,788
|
1,206
|
0,838
|
0,565
|
1,638
|
|
Hокн , м
|
2,857
|
2,038
|
1,456
|
1,088
|
0,815
|
1,888
|
|
Gст , кг
|
6,886·10³
|
7,146·103
|
7,815·103
|
8,881·103
|
1,066·104
|
7,258·103
|
|
Рхх , Вт
|
9,868·10³
|
1,024·104
|
1,12·104
|
1,273·104
|
1,528·104
|
1,04·104
|
|
Qхх , ВАР
|
2,73·104
|
3,154·104
|
3,772·104
|
4,545·104
|
5,663·104
|
3,274·104
|
|
iхх , %
|
0,341
|
0,394
|
0,471
|
0,568
|
0,708
|
0,409
|
|
j , А/м
|
9,642·105
|
1,124·106
|
1,318·106
|
1,524·106
|
1,78·106
|
1,165·106
|
|
|
|
|
|
|
|
|
Зпр руб/год
|
1,943·104
|
1,804·104
|
1,791·104
|
1,895·104
|
2,145·104
|
1,79·104
|
2.1.
Предварительная ширина обмотки НН
kв1 , kв2 и αв -
коэффициенты, определяемые на основе анализа геометрических соотношений в
изготавливаемых трансформаторах и могут быть приняты равными следующим
значениям:
kв1=0,14,
kв2=0,4,
αв=0,0577
- коэффициенты, определяемые на основе анализа геометрических соотношений в
изготавливаемых трансформаторах (для трансформаторов с обмотками из
алюминиевого провода)
2.2.
Предварительная ширина обмотки ВН

2.3.
Приведенная ширина главного канала рассеяния (между обмотками ВН и НН)
bн_в=0,045
м - ширина между обмотками ВН и НН
2.4.
Диаметр стержня магнитопровода
β=1,11
-коэффициент, связывающий радиальный размер и высоту трансформатора
Кзап.КР=0,885
-коэффициент заполнения площади круга стержня магнитопровода активной сталью;
Кос=0,95
-коэффициент осевого поля рассеяния
Вст=1,6
Тл - индукция в стержне
Принимаем
стандартное значение Dст=0,360
м
2.5.
Средний диаметр канала между обмотками
Кст_о=0,015
-коэффициент, учитывающий толщину бандажей, прессующих стержень магнитопровода
bо_н=0.018
м -изоляционное расстояние от стержня до обмотки НН
2.6.
Межосевое расстояние между центрами разных фаз
bр=0,5·bн=0,5·0,063=0,0315
м -ширина регулировочной обмотки
bм_ф=0,04
м -межфазное расстояние
bв_р=0,045
м -ширина канала между ВН и РО
2.7.
Высота обмотки
2.8.
Высота окна магнитопровода
hЕК=0,03
м -высота емкостного кольца обмотки ВН совместно с прилегающим к обмотке
каналом
hобм_в.я=0,08
м -изоляционный промежуток от обмотки до верхнего ярма магнитопровода
hобм_н.я=0,07
м -изоляционный промежуток от обмотки до нижнего ярма магнитопровода
hпрес=0,07
м -высота, необходимая для размещения устройств, прессующих обмотки
2.9.
Масса электротехнической стали магнитопровода
γст=7,65·103
кг/м3 -плотность электротехнической стали
Кус.яр=1,02
м -коэффициент увеличения площади сечения ярма по сравнению с площадью сечения
стержня
2.10.
Удельные потери в стали магнитопровода
Кр=0,296,
Квр=2,64 -коэффициенты, определенные для стали марки 3407 толщиной
0,3 мм для диапазона индукции в стали Вст=1,5...1,7 Тл
2.11.
Активные потери холостого хода трансформатора (полные потери в стали
магнитопровода)
Кув.р=1,4
-коэффициент, учитывающий увеличение активных потерь в стали в зависимости от
конструкции и технологии изготовления магнитопровода
2.12.
Удельная намагничивающая мощность стали
Кq=0,137,
Кbq=5,06
2.13.
Удельная намагничивающая мощность в стыках
Кстык=2620,
Кв.стык=5
2.14.
Реактивные потери холостого хода трансформатора (полная намагничивающая
мощность)
Кув.Q=1,2
-коэффициент, учитывающий увеличение реактивных потерь в стали в зависимости от
конструкции и технологии изготовления магнитопровода
nстык=8
-количество стыков в схеме шихтовки трехфазных трансформаторов плоской
стержневой конструкции с косым стыком
2.15.
Ток холостого хода трансформатора
2.16.
Средняя плотность тока в обмотках
ρпр=3,65·10-8
Ом·м -удельное сопротивление провода при 75оС (для алюминия)
Кдоб=1,25
-коэффициент, учитывающий добавочные потери короткого замыкания, создаваемые
магнитным полем рассеяния трансформатора
2.17.
Масса обмоточного провода
γпр=2,7·103
кг/м3 -плотность обмоточного провода (для алюминия)
Крег=1,05
-коэффициент, учитывающий увеличение массы обмоточного провода за счет
регулировочной обмотки (РО)
2.18
Экономически приведенная к стали масса активных материалов
Цпр=66
руб/кг - оптовая цена провода на 2000г. (Табл.2.3) [1]
Цст=21
руб/кг - цена стали на 2000г. (Табл.2.3) [1]
Киз=1,21
-коэффициент увеличения массы обмоточного провода за счет изоляции (для
алюминия)
2.19
Удельная оптовая цена трансформатора
kc1=6,03,
kc2=0,284
2.20
Цена трансформатора
2.21
Приведенные затраты
αтр=0,063
1/год -норма амортизационных отчислений от стоимости трансформатора
yэ=0,0183·103
руб/Вт·час - стоимость электроэнергии, рассчитанная для двухставочного тарифа
при средней прoдолжительности
максимальной нагрузки для понижающих трансформаторов 5300 час/год
Твкл=8600
час/год - продолжительность включения трансформатора
εн=0,15
- нормативный коэффициент эффективности дополнительных капиталовложений, 1/год,
обратная величина которого называется нормативным сроком окупаемости, с помощью
этого коэффициента осуществляется приведение размерностей капитальных затрат и
эксплуатационных затрат.
3.
Построение и расчет активного сечения стержня магнитопровода
Поперечное
сечение стержня в стержневых магнитных системах имеет вид симметричной
ступенчатой фигуры, вписанной в окружность диаметром Dст. и
схематично представлено на рисунке 3
Рис.3.
Активное сечение стержня магнитопровода
Ступенчатое
сечение стержня (и ярма) образуется сечениями пакетов пластин стандартного
размера (стопой пластин одного размера).
Вк
- ширина пакета [м]
tк
- толщина пакета [м]
Расчет
выполнен построением графическим методом части поперечного сечения стержня
сердечника, с учетом наибольших и наименьших стандартных величин ширины
пластин, минимальной толщины пакета не менее 6 мм, величины f
= 27 мм, необходимой для размещения конструктивных элементов прессовки стержня
магнитопровода, а так же с учетом одного охлаждающего канала шириной 6 мм.
Данные сведены в таблицу 2.
3.1.
Расчёт геометрического сечения стержня
Поперечное
сечение стержня имеет вид симметричной ступенчатой фигуры, вписанной в окружность
диаметром Дст (рис.3).
Расчёт
геометрического сечения стержня представлен в таблице 2.
Таблица
2
Расчёт
геометрического сечения стержня
|
Номер пакета
|
Ширина пакета ВК , м
|
Толщина пакета tК , м
|
Площадь пакета, м2
|
|
1
|
0,350
|
0,046
|
0,01886
|
|
2
|
0,325
|
0,040
|
0,0154
|
|
3
|
0,310
|
0,018
|
0,006624
|
|
4
|
0,295
|
0,015
|
0,00525
|
|
5
|
0,270
|
0,017
|
0,005525
|
|
6
|
0,250
|
0,008
|
0,00248
|
|
7
|
0,230
|
0,007
|
0,002065
|
|
8
|
0,195
|
0,010
|
0,0027
|
|
9
|
0,175
|
0,008
|
0,002
|
|
10
|
0,155
|
0,006
|
0,00138
|
|
11
|
0,135
|
0,008
|
0,00156
|
|
Геометрическое сечение
стержня Fcт .геом = 2∙Σ ВК∙tК = 0,146727 м2
|
3.2.
Активное сечение стержня
где
kзап = 0,96 – коэффициент заполнения пакета сталью.
Fст=
kзап·
Fст.геом=0,96·0,146727=0,141
м2
3.3.Коэффициент
заполнения площади круга
Кзап.КР
≥ 0,885 – сечение стержня спроектировано рационально.
4.
Расчет напряжения одного витка, количества витков, напряжений и токов на всех
ответвлениях обмотки РО
4.1
Предварительное значение напряжения одного витка
Вст=1,6
Тл - предварительное значение индукции в стержне
4.2
Количество витков в обмотке НН
4.3
Уточненное значение напряжения одного витка
4.4
Уточненное значение индукции в стержне
4.5
Количество витков обмотки ВН на основном ответвлении
где

5. Выбор типа и расчет параметров обмоток трансформатора
5.1
Исходные данные для выбора типа и расчета параметров обмоток
-число параллельных ветвей
обмотки
-коэффициент усадки обмоток
при сушке
-коэффициент заполнения
сечения провода учитывающий уменьшение сечения провода за счет скругления его
углов;
м -расстояние между
соседними прокладками рассчитываемое по окружности среднего диаметра обмоток
-кратность количества
катушек в одной параллельной ветви непрерывной обмотки
-Высота минимального
радиального канала НН
-Высота минимального
радиального канала ВН
-Толщина изоляции провода
на две стороны НН
-Толщина изоляции провода
на две стороны ВН
-минимальная высота провода
-максимальная высота
провода
-максимальная ширина
провода
-минимальная ширина провода
5.2
Выбор типа обмотки НН
Выбираем
однозаходную винтовую обмотку НН, т.к. hпр>hпр.мин
hпр.мин=4,75·10-3 м
Принимаем
стандартное значение высоты провода hпр_нн=6.3·10-3
м
5.2.1
Число катушек обмотки НН
nзах=1
– число заходов
5.2.2
Высота провода обмотки НН
Принимаем
стандартное значение высоты провода hпр_нн=6.3·10-3
м
bкат0=bн=0,063 м – предварительная ширина обмотки
5.2.3
Ширина провода обмотки НН
Выбираем
стандартное значение ширины провода bпр_нн=2,5·10-3
м
5.2.4
Площадь поперечного сечения провода обмотки НН
5.2.5
Число параллельных проводников обмотки НН
5.2.6
Площадь поперечного сечения обмотки НН
5.2.7
Плотность тока в обмотке НН

5.2.9.
Ширина катушки обмотки НН
5.2.10
Средняя высота радиального канала обмотки НН
Полученные
в результате расчета окончательные размеры ширины обмотки (bкат) и высоты канала hкан.ср должны, по возможности,
минимально отличаться от bн и
hкан.мин
5.3
Выбор типа обмотки ВН
hпр_вн
меньше hпр.мин поэтому выбираем тип обмотки: равномерная
непрерывная обмотка ВН
5.3.1.
Число прокладок
5.3.2.
Высота провода обмотки ВН
м mв0=mв=1
5.3.3.
Число параллельных проводников обмотки ВН
nпар_вн=
mв=1
5.3.4.
Площадь поперечного сечения обмотки ВН
5.3.5.
Ширина провода обмотки ВН
Выбираем
стандартный размер провода
5.3.6.
Площадь поперечного сечения провода обмотки ВН
5.3.7.
Площадь обмотки ВН
5.3.8.
Плотность тока обмотки ВН
5.3.9.
Магнитная индукция осевого поля рассеяния
5.3.10.
Добавочные потери от осевого поля рассеяния
5.3.11.
Высота катушки обмотки ВН
5.3.12.
Число катушек обмотки ВН
Принимаем
5.3.13.
Число витков в катушке
5.3.14.
Ширина катушки обмотки ВН
6.
Расчет потерь короткого замыкания и напряжений короткого замыкания
6.1.
Расчет сопротивлений обмоток НН и ВН постоянному току и масс обмоточного
провода
6.1.1.
Активное сопротивление обмоток НН и ВН при расчетной температуре
- разомкнутая длина одного провода на
номинальном
ответвлении обмотки НН
- разомкнутая длина
одного провода на номинальном ответвлении обмотки ВН
6.1.2.
Масса обмоточного провода ВН и НН

6.2.
Расчет основных потерь в обмотке НН
6.2.1.
Основные потери в функции тока и сопротивления в обмотке НН
6.2.2.
Основные потери в обмотке НН и ВН в функции плотности тока и массы провода
6.2.3.
Сумма основных потерь в обмотках НН и ВН
Таблица
6.1. Результаты расчета основных потерь в обмотках НН и ВН
|
Параметр
|
Обмотка
|
|
НН
|
ВН
|
|
Lпар, м
|
190
|
1754
|
|
Rобм, Ом
|
0.019
|
1,066
|
|
Gпр, кг
|
574.17
|
853.3
|
|
Росн=f(I,R), Вт
|
1.003·104
|
1.566·104
|
|
Росн=f(j, Gпр), Вт
|
1.003·104
|
1.259·104
|
6.3.
Расчет составляющих добавочных потерь в обмотках ВН и НН
6.3.1.
Индукция осевого поля рассеяния
-магнитная проницаемость воздуха
6.3.2.
Удельные потери от осевой составляющей поля рассеяния в обмотках НН и ВН
6.3.3.
Полные потери от осевой составляющей поля рассеяния в обмотках НН и ВН
6.3.4.
Радиальная составляющая поля рассеяния
Индукция
на участках 1-2 и 2-3 обмотки
6.3.5.
Удельные потери от радиальной составляющей поля рассеяния в обмотках НН и ВН на
участках 1-2 и 2-3
6.3.6.
Полные потери на участках 1-2 и 2-3 от радиальной составляющей поля рассеяния в
обмотках НН и ВН
6.3.7.
Потери от радиальной составляющей поля рассеяния в обмотках НН и ВН
Таблица
6.3. Результаты расчетов добавочных потерь от вихревых токов, вызванных осевой
и радиальной составляющих поля рассеяния
|
ПАРАМЕТР
|
Обмотка
|
|
НН
|
ВН
|
|
Вос
|
Тл
|
0,055
|
0,055
|
|
рв.ос
|
Вт/кг
|
0,263
|
0,761
|
|
Рв.ос
|
Вт
|
150,815
|
649,304
|
|
Врад
|
1
|
Тл
|
0,022
|
0,022
|
|
2
|
0,00549
|
0,00549
|
|
1-2
|
0,025
|
0,025
|
|
2-3
|
0,00549
|
0,00549
|
|
рв.рад
|
1-2
|
Вт/кг
|
0,35
|
2,259
|
|
2-3
|
0,017
|
0,108
|
|
Gпр
|
1-2
|
Кг
|
28,709
|
42,667
|
|
2-3
|
258,378
|
384,007
|
|
Рв.рад
|
1-2
|
Вт
|
10,056
|
96,4
|
|
2-3
|
4,31
|
41,314
|
|
ΣРв.обм.рад
|
Вт
|
27,732
|
275,428
|
6.3.8.
Расчет добавочных потерь от циркулирующих токов, вызванных осевым полем
рассеяния
kтранс=0.125
- коэффициент относительной эффективности типа транспозиции
-функция типа
транспозиции и числа параллельных проводов
6.4.
Расчет добавочных потерь в металлоконструкциях
6.4.1.
Межосевое расстояние
6.4.2. Наружный диаметр обмоток
- средний диаметр
между обмотками ВН и РО
6.4.3. Ширина бака
bобм_Б=0.365 м
-усредненное расстояние от наружной обмотки до стенки бака
6.4.4. Длина бака
6.4.5. Периметр бака
6.4.6. Средний радиус бака
6.4.7. Добавочные потери в металлоконструкциях
k=2.20
-поток одного
стержня
6.4.8. Общие потери короткого замыкания
Полученные из расчета потери короткого замыкания имеют
отклонение от заданных потерь (Pк.з. =49·103
Вт) в рамках, установленных ГОСТ (10%).
7. Расчет напряжения короткого замыкания
7.1. Активная составляющая напряжения к.з.
7.2. Полное напряжение к.з.
Полученное из расчета напряжение короткого замыкания
имеет отклонение от заданного напряжения (Uк.з.
=10,5 %) в рамках, установленных ГОСТ (10%).
8. Расчет потерь и тока холостого хода
8.1 Расчет массы магнитопровода
8.1.1. Масса стержней магнитопровода
Kзап=0,96 - коэффициент
электротехнической стали с жаростойким покрытием γст=7,65·103
кг/м3 - плотность электротехнической стали
-объем
стержней
8.1.2. Масса углов магнитопровода
-объем
угла
8.1.3. Масса ярм магнитопровода
где Кус.яр=1,02 -коэффициент усиления ярма
-объем
ярм
8.1.4. Полная масса магнитопровода
8.2. Потери холостого хода
8.3 Намагничивающая мощность, потребляемая
трансформатором при холостом ходе
8.4. Реактивная составляющая тока холостого хода
9. Тепловой расчет трансформатора
9.1 Расчет превышения температуры катушки над маслом
(для обмоток ВН и НН)
9.1.1. Удельная тепловая нагрузка теплоотдающей
поверхности катушки
-ширина прокладки
обмотки НН
-ширина прокладки
обмотки ВН
-
коэффициент закрытия части поверхности катушки
изоляционными прокладками, создающими канал между катушками обмоток ВН и НН
-коэффициент,
учитывающий действие добавочных потерь, равный отношению суммы добавочных
потерь в обмотках ВН и НН к основным потерям в них
9.1.2.
Расчет превышения температуры катушки над маслом
Kкат=0,7
9.2.
Расчет превышения температуры масла над воздухом
9.2.1.
Превышение температуры масла над воздухом исходя из норм нагрева масла
-расстояние
от бака до нижнего ярма
-расстояние
от бака до верхнего ярма
-нормализованная
величина превышения температуры верхних слоев масла над температурой окружающей
среды
ΔHБ=0,15
м
-высота бака
Hмо=3
-коэффициент,
учитывающий взаимное расположение тепловых центров трансформатора
9.2.2.
Превышение температуры масла над воздухом исходя из норм нагрева обмоток
Qобм=65
0С
9.3.
Расчет количества радиаторов для системы охлаждения типа Д
9.3.1.
Расчетные потери трансформатора
9.3.2.
Удельная тепловая нагрузка поверхности бака
9.3.3.
Тепловой поток, отводимый поверхностью бака
9.3.4.
Тепловой поток, отводимый радиатором
9.3.5.
Удельная тепловая нагрузка радиатора
Kохл=0,22
- для системы охлаждения Д
9.3.6.
Необходимое число радиаторов
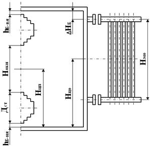
Рис.9.2.
Эскиз для расчета высоты бака
Fрад=52
м2 - теплоотдающая поверхность одного радиатора
10.
Компоновка активной части в баке
10.1.
Определяем ширину бака
Ось
бака
11.
Выбор вспомогательного оборудования трансформатора
11.1
Выбор расширителя
11.1.1
Внутренний объем гладкого бака
- ширина бака по
рисунку
- длина бака по
рисунку
- средняя плотность
активной части (для алюминиевой обмотки)
11.1.2
Объем, занимаемый активной частью
11.1.3
Общая масса масла
-масса масла в
радиаторах-элементах систем охлаждения трансформатора
11.1.4
Выбор размеров расширителя
Расширитель
выбирается по рассчитанной массе масла трансформатора из табл.12.1 и табл.12.2
[1]
Основные
размеры расширителя:
Масса
масла в расширителе - 1342 кг
Объем
расширителя - 3150 л
Длина
расширителя - 2520 мм
Толщина
стенок - 4 мм
Внутренний
диаметр расширителя - 1260 мм
11.2
Выбор термосифонного фильтра
Термосифонный
фильтр выбирается из учета массы масла трансформатора
11.2.1
Выбор необходимой массы селикагеля
Из
табл.12.3 выбираем необходимое количество селикагеля в зависимости от массы
масла в трансформаторе
Масса
селикагеля - 320 кг
11.2.2
Размеры фильтра
Из
табл. 12.4. выбираем:
Диаметр
фильтра Д - 585 мм
Высота
фильтра Н - 1890 мм
Расстояние
от оси фильтра до фланца L - 290 мм
Расстояние
между осями верхнего и нижнего патрубков A - 1560 мм
11.3.
Выбор радиаторов системы охлаждения
Выбор
типа радиатора производим из расчета высоты бака по расстоянию между осями
верхнего нижнего патрубков Нмо, которое должно быть на 200...300 мм
меньше высоты бака
11.3.1
Характеристики радиатора (табл.9.1 [1])
Выбираем
радиатор типа Мо-3000
Расстояние
между осями верхнего и нижнего патрубков Нмо - 3000 мм
Масса
масла в радиаторе - 328 кг
Масса
радиатора - 538 кг
Теплоотдающая
поверхность одного радиатора Fрад - 52 м2
12. Описание конструкции трансформатора
В
конструктивном отношении современный силовой масляный трансформатор можно
схематически представить состоящим из трёх основных систем – магнитной, системы
обмоток с их изоляцией, системы охлаждения и вспомогательных систем –
устройства регулирования напряжения, измерительных и защитных устройств,
арматуры и др.
Конструктивной
и механической основой трансформатора является магнитная система
(магнитопровод), который служит для локализации в ней основного магнитного
потока поля трансформатора. Магнитная система представляет собой комплект
пластин и других элементов из электротехнической стали или другого
ферромагнитного материала, собранных в определённой геометрической форме.
Большинство
типов магнитных систем можно чётко подразделить на отдельные части. В
соответствии с этим делением в магнитной системе разделяют стержни – те части,
на которых располагаются основные обмотки трансформатора, служащие
непосредственно для преобразования электрической энергии, и ярма – части, не
несущие основных обмоток и служащие для замыкания магнитной цепи.
В
магнитных системах, разделяющихся на стержни и ярма, при расчёте параметров
холостого хода особо выделяют части, находящиеся в зоне сопряжения стержня и
ярма и называемые углами магнитной системы. Наибольшее распространение в
практике трансформаторостроения получили плоские магнитные системы стержневого
типа со ступенчатой формой поперечного сечения стержня, вписанного в
окружность, и с обмотками в виде круговых цилиндров. Отдельные пластины
магнитопровода собираются из тонких листов электротехнической стали марки 3407
толщиной 0.3 мм. Для рационального и экономичного построения технологического
процесса в отрасли действует стандартный ряд ширин пластин магнитных систем.
Плоские
стыковые магнитные системы с раздельно собираемыми стержнями и ярмами требуют,
по сравнению с шихтованными, более массивного и прочного крепления стержней и
ярм и специальных конструкций для стяжки стержней с ярмами в виде металлических
башмаков, стяжных шпилек и т.д. После завершения сборки магнитной системы её
стержни, как правило, спрессовываются и стягиваются бандажами из стеклоленты.
Ярма плоских систем обычно спрессовываются ярмовыми балками.
Магнитная
система со всеми узлами и деталями, которые служат для соединения её отдельных
частей в единую конструкцию, называется остовом трансформатора. На остове в
процессе дальнейшей сборки устанавливаются обмотки и крепятся отводы, то есть
проводники, предназначенные для соединения обмоток трансформатора с переключателями,
вводами и др. токоведущими частями.
Основным
элементом обмотки трансформатора является виток – электрический проводник или
несколько параллельно соединяемых проводников, однократно охватывающих часть
магнитной системы. Ток витка совместно с токами др. витков и других частей
трансформатора, в которых возникает электрический ток, создаёт магнитное поле
трансформатора. Под воздействием этого поля в каждом витке наводится ЭДС. В
трансформаторостроении используются проводники с прямоугольным сечением, и с
учётом электрической прочности изоляционной конструкции приняты следующие
предельные параметры:
hпр.мин=4,75*10^-3
м, bпр.мин=1,25*10^-3 м,
hпр.макс=19,5*10^-3
м, bпр.макс=5,6*10^-3 м, (1).
Обмоткой
называется совокупность витков, образующих электрическую цепь, в которой
суммируются ЭДС, наведённые в витках, с целью получения высшего или низшего
напряжения трансформатора или с другой целью. Обмотки трансформаторов различают
по назначению, способу взаимного расположения и форме.
В
двухобмоточном трансформаторе, имеющем две электрически несвязанные между собой
обмотки, различают обмотку высшего напряжения (ВН), присоединяемую к сети более
высокого напряжения, и обмотку низшего напряжения (НН), присоединяемую к сети
более низкого напряжения.
По
способу расположения их на стержне, обмотки трансформатора подразделяются на
концентрические и чередующиеся. Концентрическими обмотки называются в том
случае, когда обмотки ВН и НН выполняются в виде цилиндра и располагаются на
стержне концентрически одна относительно другой. Высоты обеих обмоток, как
правило, делаются одинаковыми. При концентрическом расположении обмотка НН
обычно располагается внутри, а обмотка ВН – снаружи. При расположении обмотки
ВН снаружи упрощается вывод от неё ответвлений для регулирования напряжения.
Для
образования в обмотках и между обмотками и изоляционным цилиндром осевых
каналов чаще всего применяются рейки, склеенные бакелитовым или др. лаком из
полос электроизоляционного картона или изготовленные из дерева твёрдой породы,
например белого или красного бука. При намотке рейки укладываются по образующей
цилиндра и плотно прижимаются проводами к цилиндру или ранее намотанной
катушке. Толщина рейки определяет ширину осевого канала.
Радиальные
каналы между катушками или между витками в обмотках с большим числом
параллельных проводов обычно образуются междукатушечными прокладками,
выштампованными из электроизоляционного картона. Каждая междукатушечная или
муждувитковая прокладка набирается из нескольких пластин толщиной 0,5-3 мм до
нужной толщины, соответствующей осевому или радиальному размеру канала.
Для
того, чтобы связать рейки с междукатушечными прокладками, в картонных
прокладках проштамповываются просечки. Этими просечками междукатушечные
прокладки надеваются на крайнюю широкую полосу рейки при намотке на стане или
сборке обмотки на стержне.
Обмотки
трансформатора должны быть надёжно изолированы одна от другой и от всех
заземлённых частей конструкции трансформатора – магнитной системы и деталей
крепления остова, стенок бака, в котором устанавливается трансформатор. Эта
изоляция создаётся путём сочетания изоляционных деталей, изготовленных из
твёрдых диэлектриков – электроизоляционного картона, бумажно-бакелитовых
изделий, дерева с промежутками, заполненными основной изолирующей средой –
жидким или газообразным диэлектриком или диэлектрическим компаундом. Во время
работы трансформатора в его обмотках, магнитной системе и некоторых других
частях происходят потери энергии, выделяющиеся в виде тепла. При
продолжительном режиме работы всё выделяющееся тепло должно полностью отводится
в окружающую среду. В большинстве современных силовых трансформаторах отвод
тепла осуществляется через теплоноситель – жидкий или газообразный диэлектрик,
заполняющий бак, в котором установлен трансформатор. Основной изолирующей и
охлаждающей средой в них служит свободно проникающий к активной части
атмосферный воздух.
Жидкий
или газообразный теплоноситель, чаще всего трансформаторное масло, обмывающее
обмотки и магнитную систему трансформатора, нагреваясь у их поверхностей,
интенсивно отводит путём конвекции всё выделяющееся в них тепло и передаёт его
стенкам бака. Внешняя поверхность стенок бака (омывается воздухом) отдаёт тепло
путём конвекции и излучения. Масляный бак с гладкими стенками имеет
относительно малую омываемую поверхность, которой оказывается недостаточно, и
для обеспечения нормального охлаждения приходится искусственно развивать
внешнюю поверхность бака путём установки рёбер труб, навесных радиаторов и
других элементов, отдающих тепло при естественной конвекции воздуха.
Для
заполнения бака трансформатора маслом до самой крышки при всех возможных в
эксплуатации колебаниях температуры и объёма масла, над крышкой устанавливается
расширитель – стальной бачок, сообщающийся с баком трубопровода. Если внутренний
объём расширителя сообщается с окружающим воздухом, то на пути движения воздуха
устанавливается фильтр, заполненный сорбентом – веществом, поглощающим влагу из
воздуха, поступающего в расширитель. Для более надёжного предохранения масла от
окисления, его поверхность в расширителе часто изолируют от окружающего
трансформатор воздуха подушкой из инертного газа, и расширитель герметизируют
наглухо при помощи гибкой растягивающейся мембраны.
На
крышке бака устанавливаются вводы, служащие для присоединения внешней сети к
обмоткам трансформатора; на крышке и частично на стенках бака устанавливаются
также различного устройства, служащие для защиты трансформатора.
Состав
изделия
В
конструкцию трансформатора входят следующие основные составные части:
-
активная
часть (остов, обмотки, изоляция, отводы);
-
бак
с арматурой;
-
расширитель;
-
система
охлаждения;
-
вводы;
-
контрольно-измерительная
и защитная аппаратура;
-
вспомогательная
арматура, принадлежности, запасные части.
Заключение
В
данном курсовом проекте был рассчитан трансформатор мощностью 8 МВА с
приемлемыми потерями короткого замыкания Pк.з.
=119 кВт, потерями холостого хода Рхх=18.5 кВт, напряжением короткого
замыкания Uкз=10,04%, током холостого хода iхх=1.25 %, намагничивающей
мощностью Qхх=33кВАР. Проведение теплового расчёта позволило выяснить среднее
превышение температуры масла трансформатора над воздухом Qмс.ср=32º С, а
также необходимое число радиаторов nрад=2.
Таким
образом, спроектирован трансформатор, который соответствует исходным данным и
пригоден для эксплуатации.
Таким
образом, цель проекта достигнута, что подтверждается результатами,
перечисленными в выводах.
Список используемой литературы
1.
Борю
Ю.И., Терентьева М.А., Леунова Е.М. Расчет силовых масляных трансформаторов:
Метод. указания для курсового проектирования. Тольятти: ТГУ, 2002. 58 с.
2.
Тихомиров
П. М. Расчет трансформаторов: Учеб. пособие для
вузов.—
5-е изд., перераб. и доп. — М.: Энергоатомиздат, 1986. — 528 с.
3.
Голунов
А.М., Мазур А.Л. Вспомогательное оборудование трансформаторов: (Устройства
контроля и защиты, вводы, арматура). – М.: Энергия, 1978. – 144 с.
/