|
нагрузка
|
|
|
|
Постоянные:
вес пола, перегородок вес плиты 25 · 0,1
|
2.3
2,5
|
1,1
1,1
|
2,53
2,75
|
|
Итого:
|
4,8
|
---
|
g
= 5,28
|
|
Длительная
временная
|
14.00
|
1,2
|
v
= 16.8
|
Погонная расчетная нагрузка для
полосы плиты шириной b = 1,000 м при учете коэффициента
= 0,95=
· (g + v) ·
b = 0, 95 · (5.28 + 16.8) · 1,000 = 20.976 кН / м.
Изгибающие моменты в расчетных
сечениях плиты равны[1] в крайних пролета= q ·
= 20.976 · 2,07 2 /14 = 8.171 кН ·
м;
на вторых от края опорах В при
=2,16 м
>
= 2,07 мВ =
- q ·
= - 20.976
· 2,16 2 / 14 = - 7.00 кН · м;
в средних пролетах=q·
=20.976·2,162/16=6,99кН·м;
на средних опорах СС = - q ·
= - 20.976 · 2,162 / 16 = - 6,117
кН·м
Расчетная схема плиты и эпюра
изгибающих моментов М приведены на рисунке 3.1.
3.2 Расчет плиты на прочность по
нормальным сечениям
Определим толщину плиты (b = 1,000
м) во втором приближении по максимальному изгибающему моменту M1 =8.17 кН·м при
оптимальном значении относительной высоты сжатой зоны бетона
ξ= x / h0 = 0,24;
= 0,24 · (1
- 0,5 · 0,24) = 0,2112.
Требуемая рабочая высота плиты h0
определяется по формуле=
=
Требуемая толщина плиты hf = h0 + а
= 54.4+ 14 = 68.4 мм.
Принимаем во втором приближении
толщину плиты hf = 70 мм. Рабочая высота плиты, принимаемая в расчете
прочности, h0 = hf - а = 70 - 14 = 56 мм.
Рис. 5
Рис. 6
Расчет прочности по нормальным сечениям в
пролете (рис. 3.2,а), на опоре (рис. 3.2,б) выполняется на пролетные М1, М2 и
опорные Мв=М3, Мс=М4 изгибающие моменты с помощью безразмерных коэффициентов.
Расчет прочности плиты по нормальному сечению в
первом пролете, где М = М1 = 8.17 кН · м, h0 = 0,056 м.
=
=
;
Схема усилий, приведенная на рисунке
3.2, верна при
, где
граничное значение относительной высоты сжатой зоны бетона
определяется
по формуле[1]

Условие
(0,225<
0,531) выполняется, схема верна. Площадь рабочей арматуры сетки С1 (i
=1)определяется по следующим формулам:
≥
=
;
≥ 0,1 · 1,000 · 0,056 / 100;
Аs1 = 463 · 10 -6 м2 > 56 · 10 -6
м2 (Аs1 = 463 мм 2 >
= 56 мм 2);
;
;
Аs1 = 463 · 10 -6 м2 > 56 · 10 -6
м2 (Аs1 = 463мм 2 > 56 мм 2).
Принимаем по таблице 3.1[1]
фактическую площадь арматуры A s1, r = 448 мм2 (Ǿ10 А 400, шаг U = 175 мм;
0,95 < (448/463) = 0.97 < 1,05 - хороший подбор).
Расчет прочности по нормальным
сечениям во втором пролете
(i = 2) и на опоре С (i = 4),
где М = М2 = | M4 | = 6,117 кН · м,
h0 = 0,056 м.
=
;
=
< 0, 531;
;
≥
;
≥
= 56 · 10
-6 м 2;
.8· 10-6 м2 > 56 · 10 -6 м 2
(334.8мм 2 > 56 мм2).
Принимаем по таблице 3.1 фактическую
площадь арматуры сеток С2, С4 A s2, r = 335мм2 (Ǿ8 А 400, шаг U = 150 мм;
0,950 < (335/334.8) = 1.0006 < 1, 050).
Расчет прочности по нормальному
сечению на второй от края опоре В (i = 3), где М= M3 = -7,0 кН · м, h0 = 0,56 м
=
;
=
< 0, 531;
≥
;
≥
= 56 · 10
-6 м 2;
.6 · 10-6 м2 > 56 · 10 -6 м 2
(319,1 мм 2 > 66 мм2).
Принимаем по таблице 3.1 фактическую
площадь арматуры сетки С3
A s3, r =
377 мм2
(Ǿ6А
400, шаг
U = 75 мм;
0,950 < (377 / 388.6) = 0.97 < 1, 050).
Проверка прочности нормальных
сечений плиты по предельному моменту Mu при защитном слое бетона ab = 10 мм,
Rb= 13.05 МПа, Rs = 355 МПа выполнена в таблице 4. Прочность сечений
обеспечена, критерий прочности выполняется: 0,950 <
< 1,100.
Таблица 4 - Проверка прочности
нормальных сечений плиты
|
№
Сечения i
|
Изгибающий
момент Мi, кН · м
|
Диаметр
арматуры, dw, мм
|
Фактическая
площадь Арматуры Asi, r, мм 2
|
Расстояние
a= ab + dw/2, мм
|
Рабочая
высота плиты h0 = h f - a, мм
|
|
1
|
8.171
|
10
|
448
|
15
|
55
|
|
2
|
6.117
|
8
|
335
|
14
|
56
|
|
3
|
7,0
|
6
|
377
|
13
|
57
|
|
4
|
6,117
|
8
|
335
|
14
|
56
|
№
сечения i Высота сжатой зоны бетона
Коэффициент
армирования
%Предельный
момент
кН ·
мЗначение
|
|
|
|
|
|
|
1
|
0,222
|
0,816
|
7.78
|
0.952
|
|
2
|
0.163
|
0,5998
|
6.117
|
1.0
|
|
3
|
0,180
|
0,662
|
6.94
|
0,99
|
|
4
|
0,163
|
0,5998
|
6.117
|
1.0
|
Площадь монтажной арматуры сеток Asw
определяется по выражению Asw
≥
0.1· As;
Asw ≥ 0, 1 ·
463 мм
2; Asw ≥ 46.3мм
2.
Принимаем фактическую площадь монтажной арматуры
сеток С1- С4 по сортаменту Asw, r = 50.4 мм 2 (Ǿ4 В500, шаг V = 250 мм;
Asw, r =A so · b / V = 12,6 ·1000 /250 = 50.4 мм 2).
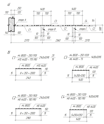
3.3 Конструирование плиты
Плита армирована в крайних пролетах
сетками С1, в средних - сетками С2, над вторыми от края опорами - сетками С3,
над остальными опорами - сетками С4. Длины всех сеток Lс одинаковы и
определяются шириной плиты Bp, длиной зоны опирания плиты на стену
при
привязках осей ao = 250 мм, a′o = 255мм:
Bp = lb - ao
- a′o + 2 ·
= 5,800 -
0,250 - 0,255 + 2 · 0,060 = 5,415м;с
= Bp - 2 · ab = 5,415 - 2 · 0,010 = 5,395 м.
Ширины Вс1, Вс2 пролетных сеток C1,
C2 определяются шириной армируемых пролетов плиты Bp1, Bp2 и величиной запуска
арматуры ∆ от минимальной величины ∆min= 0 до максимальной ∆max
= 20 мм за грань второстепенной балки. Максимальная Вс1, мах и минимальная Вс1,
мin ширины сетки С1 при длине зоны опирания плиты на стену
= 120 мм определяются по
выражениям:= S - ao - bb /2 +
= 2.370 - 0,250 - 0,200 /2 + 0,120
= 2.14 м;
Вс1, мах = Bp1 - ab + ∆max =
2.14- 0,010 + 0,020 = 2,15 м;
Вс1, мin = Bp1 - ab + ∆min =
2.14 - 0,010 + 0 =2.13 м.
аналогично определяются размеры
сетки С2:= S - bb = 2,36 - 0,2 = 2,16 м;
Вс2, мах = Bp2 + 2 · ∆max
= 2,16 + 2 · 0,020 = 2,2м;
Вс2, мin = Bp2 + 2 · ∆min
= 2,16 + 2 · 0 = 2,16м.
По требованию унификации принимаем
ширину сеток С3, С4 одинаковыми и определяемыми по условию
Вс3,Вс4≥
/2+bb;
Вс3, Вс4 ≥ 2,36 / 2 + 0,200;
Вс3, Вс4 ≥ 1,38 м.
Принимаем следующие размеры сеток
при длине Lс = 5,395 м, перепуске ∆ = 10 мм: ширина сетки С1 - Вс1 =
2.14м;
сетки С2-Вс2= 2,18 м;
сетки С3 - Вс3 = 1,4 м;
сетки С4 - Вс4 = 1,4 м.
Выполним конструирование сетки С1 (U
= 175 мм, V = 250 мм): число шагов рабочей поперечной арматуры n1 при
рекомендуемых выпусках монтажной продольной арматуры К1 = К2 = 25 мм определяется
по выражению= (Lc - 2 · К1) / U = (5,395 - 2 · 0,025) / 0,175 = 30.54;
принимаем n1 = 30, вычислим доборный
шаг U1 (U1 ≥ 50 мм)= Lc - n1 · U - 2 · К1 = 5,395 - 30· 0,175- 2 · 0,025
= 0,095м > 0.050 м,
Поэтому принимаем
Число шагов n2 монтажной арматуры при
рекомендуемых по условию анкеровки выпусках поперечной рабочей арматуры К = 15
мм определяется по выражению= (Вс1 - 2 · К1) / V = (2.18 - 2 · 0,015) / 0,250 =
8.44;
принимаем n2 = 8, вычислим доборный
шаг V1 (V1 ≥ 50 мм)= Вс1 - n2 · V1 - 2 · К = 2.14 - 8 · 0,250 - 2 · 0,015
= 0,110 м > 0,050 м.
Выполним конструирование сетки С2 (U
= 150 мм, V = 250 мм): число шагов рабочей поперечной арматуры n1 при
рекомендуемых выпусках монтажной продольной арматуры К1 = 25 мм, К2 = 15мм
определяется по выражению= (Lc - К1-К2) / U = (5,395 - 0,025·2) / 0,150 =
35.63;
принимаем n1 = 35, вычислим доборный
шаг U1 (U1 ≥ 50 мм)= Lc - n1 · U - К1-К2= 5,395 - 35 · 0,150 -0,025·2 =
0,095 м
0,050 м,
Число шагов n2 монтажной арматуры
при рекомендуемых по условию анкеровки выпусках поперечной рабочей арматуры К
=15 мм определяется по выражению= (Вс2 - 2 · К) / V = (2,18 - 2 · 0,015) /
0,250 =8.6;
принимаем n2 = 8, вычислим доборный
шаг V1 (V1 ≥ 50 мм)= Вс2 - n2 · V - 2 · К = 2,18 - 8 · 0,250 - 2 · 0,015
= 0,15 м > 0,050 м.
Выполним конструирование сетки С3 (U
= 75 мм, V = 250 мм): число шагов рабочей поперечной арматуры n1 при
рекомендуемых выпусках монтажной продольной арматуры К1 = К2 = 25 мм
определяется по выражению= (Lc - 2 · К1) / U = (5,395 - 2 · 0,025) / 0,075 =
71.3;
принимаем n1 = 71, вычислим доборный
шаг U1 (U1 ≥ 50 мм)= Lc - n1 · U - 2 · К1 = 5,395 - 71 · 0,075 - 2 ·
0,025 = 0,02 м ≤0,05.
Число шагов n2 монтажной арматуры
при рекомендуемых по условию анкеровки выпусках поперечной рабочей арматуры К =
15 мм определяется по выражению= (Вс3 - 2 · К) / V = (1,4- 2 · 0,015) / 0,250 =
5.48;
принимаем n2 =5, вычислим доборный
шаг V1 (V1 ≥ 50 мм)= Вс3 - n2 · V1 - 2 · К = 1,4 - 5· 0,250 - 2 · 0,015 =
0,12 м >=0,050 м.
Выполним конструирование сетки С4 (U
= 150 мм, V = 250 мм): число шагов рабочей поперечной арматуры n1 при
рекомендуемых выпусках монтажной продольной арматуры К1 = 25 мм, К2 = 25мм
определяется по выражению= (Lc - К1-К2) / U = (5,395 - 0,025·2) / 0,150 =
35.63;
принимаем n1 = 35, вычислим доборный
шаг U1 (U1 ≥ 50 мм)= Lc - n1 · U - К1-К2= 5,395 -35· 0,150 -0,025·2 =
0,195 м
0,050 м,
Число шагов n2 монтажной арматуры
при рекомендуемых по условию анкеровки выпусках поперечной рабочей арматуры К =
15 мм определяется по выражению= (Вс4 - 2 · К) / V = (1,4 - 2 · 0,015) / 0,250
= 5.48;
принимаем n2 =5, вычислим доборный
шаг V1 (V1 ≥ 50 мм)= Вс4 - n2 · V1 - 2 · К = 1,4 - 4· 0,250 - 2 · 0,0015
= 0,12 м >=0,050 м.
Армирование железобетонной
монолитной плиты плоскими сетками представлено на рис.7.
Рис. 7
Рис. 8
Рис. 9
Рис. 10
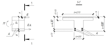
4. Проектирование второстепенной
балки перекрытия модуля А
Выполнить расчет и конструирование балки
монолитного междуэтажного перекрытия модуля А при следующих исходных данных:
расстояние между балками в осях S = 2,37 м;
- пролет балки
= 5800 м
длина зоны опирания балки
= 0,250 м;
высота балки в первом приближении hb
= 500 мм;
ширина ребра балки в первом
приближении bb = 200 мм;
толщина плиты hf = 70 мм;
бетон тяжелый класса В25;
арматура стержневая продольная
класса А 400;
арматура стержневая поперечная
класса А 240;
постоянная нормативная нагрузка на
перекрытие gn = 2.3 кН/м2;
длительная временная нормативная
нагрузка на перекрытие vn = 14,00 кН/м2;
коэффициент надежности по
ответственности
= 0,95;
граничная высота сжатой зоны бетона
= 0,531.
Расчетные характеристики материалов.
Сопротивление бетона конструкции сжатию (с учетом коэффициента
= 0,9) Rb =
14.5 · 0,9 = 13,05 МПа; сопротивление бетона конструкции растяжению Rbt = 1.05
· 0,9 = 0,945 МПа. Сопротивление продольной арматуры класса А400 растяжению
= 355 МПа.
Сопротивление поперечной арматуры класса А240 растяжению
= 170 МПа.
4.1 Статический расчет балки
Расчетная схема балки приведена на
рисунке 4.1., где расчетный пролет
=
- 0,255 = 5,800 - 0,255 = 5,545 м.
Расстояние в свету между стенами
=
- 0,505 =5,800 - 0,505 = 5,295 м.
Расчет нагрузок на плиту выполнен в таблице 5.
Расчетная погонная нагрузка на балку
= qg + qv,
где q g = γn · (g ·
S + γg · (hb - hf) · bb · γf) = 0,95 ·
(4,455 · 2,37 + 25· (0,500 - 0,070) · 0,20 · 1,1) = 12,27 кН /м;
qv = γn · v · S = 0,95 · 16.8 ·
2,37 = 37.83 кН
/м;= qg + qv = 12.27 + 37.83 = 50.095 кН /м.
Расчетный изгибающий момент в
наиболее нагруженном сечении 1-1= qb ·
/ 8 = 50.095 · 5,5452 / 8 = 192.53
кНм;
Расчетная поперечная сила на опоре=
qb ·
/ 2 =
50.095 · 5,295 / 2 = 132.63 кН.
Рис. 11
Таблица 5 - Расчетные нагрузки на перекрытие, кН
/ м2
Вид
нагрузки Нормативная Нагрузка Коэффициент надежности по нагрузке
Расчетная
|
нагрузка
|
|
|
|
Постоянные:
вес пола, перегородок вес плиты 25 · 0,07
|
2,3
1.75
|
1,1
1,1
|
2,53
1.925
|
|
Итого:
|
4,05
|
---
|
g
= 4.455
|
|
Длительная
временная
|
14.00
|
1,2
|
v
= 16,8
|
4.2 Расчет балки по нормальному
сечению
Нормальное сечение 1-1 балки имеет
форму тавра с полкой толщиной
= 70 мм в сжатой зоне бетона.
Определим ширину
сжатой
полки при
= 70 мм >
0,1 · hb = 0,1 · 500 = 50 мм:
= bb +
/ 3 = 0,200
+ 5,545 / 3 = 2,048 м;
= S = 2,37 м.
Принимаем ширину сжатой полки тавра
= 2,37 м.
Высота балки hb, мм, во втором
приближении принимается из диапазона от 70 ·
до 90
:
·
= 70 ·
мм;
·
= 90 ·
мм.
Принимаем следующие размеры балки во
втором приближении: высота hb = 500 мм, ширина ребра bb = 200 мм (0,33 < 200
/ 500 = 0,4 < 0,50).
Рабочая высота балки h0 = hb - а =
500 - 60 = 440 мм.
Определим положение нейтральной оси
сечения по условию
;
;
192.53 кН · м < 876.82 кН · м.
Условие выполняется.
Граница сжатой зоны находится в
полке (x <
), сечение 1
- 1 (рис. 4.2.) рассчитывается как прямоугольное высотой hb = 500 мм (h0 =
440мм), шириной
= 2,37 м.
Площадь продольной рабочей арматуры As определяется с использованием
безразмерных коэффициентов:
=
;
≤
;
;
= 0,0327 < 0,531;=
· h0 =
0,0327 · 440 = 14.38 мм < 70 мм;
=1-0,5 · 0,0327= 0,984;
≥
;
м2 ≥
;
=
=
м2;= 1253 мм2 >
= 88 мм2.
Принимаем продольную рабочую
арматуру площадью As, r = 1344мм2
(2Ø 20 + 2Ø 20 A 400, где площадь
2Ø
20
- As1 = 628 мм2, площадь 2Ø 20 - As2 = 628 мм2 (628 мм2 + 628 мм2
= 1256 мм2)).
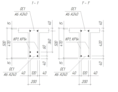
Схема опирания и армирования балки
плоскими сварными каркасами приведена на рисунке. Балка армирована двумя
плоскими сварными каркасами КР1, КР1н (число каркасов nk = 2) Конструктивная
схема сечения 1-1 приведена на рисунке 12.
as1 = ab +
dw/2 мм;=
20+20/2 =30
Принимаем as1=40 мм;=
as1 + v1 = 40 + 60 =100 мм;=
=(628·40+
628 ·100) / (628 + 628) = 70 мм;=hb-a=500-70=430мм;=
13,05 МПа,
Rs = 355МПа.

=
кН · м.
Mult / M = 188,52 / 192,53 = 0,979
(прочность
обеспечена).
;
;
,46% > 0,1% (
- сечение
железобетонное, схема усилий верна).
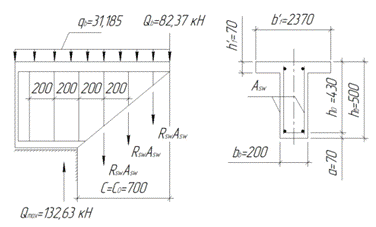
4.3 Расчет прочности балки по
сечению 2 - 2, наклонному к продольной оси, на действие поперечной силы
. Принимаем класс поперечной
арматуры А240 и диаметр поперечных стержней dw =10 мм,
= 78,5 мм2
(d /3 = 28 / 3 = 9,33 мм; 10 мм > 9,33 мм).
. Вычисляем площадь сечения
поперечных стержней двух каркасов=
= 2 · 78,5 = 157,0 мм2.
. Назначаем шаг поперечной арматуры
на приопорных участках длиной
не менее
/4 = 5,295
/ 4 = 1.32м: Sw1 ≤ 0,5 · h0 = 0,5 · 450 = 225 мм; Sw1 ≤ 300 мм. На
остальной части балки длиной
не более
/ 2, где
прочность наклонного сечения обеспечивается только бетоном (Q ≤ Qb1), шаг
поперечной арматуры Sw2 ≤ 0,75 · h0 = 0, 75 · 430 = 332.5мм; Sw2 ≤
500 мм.
Принимаем Sw1 = 200 мм, Sw2 =300 мм
(Sw2 / Sw1 = 300 / 200 = 1,5 < 3,0).
. Шаг поперечной арматуры Sw1 = 200
мм должен быть меньше максимального шага Sw,max (Sw1 ≤ Sw,max),
определяемого по формуле:

м > 200 мм.
. Определяем погонное усилие в
поперечной арматуре и проверяем условие
qsw = Rsw ·
Asw / Sw1 = 170000 · 157,0 · 10-6 / 0,2 = 133.45 кН / м;≥
0,25 · Rbt · bb;
,45 ≥
0,25 ·
945 ·
0,200;
,45 кН
/ м
> 47.25 кН
/ м,
(поперечная арматура полностью
учитывается в расчете сечения).
Рис. 12
6. Вычисляем момент Mb = 1,5 · Rbt
·b·
=1,5·945·0,200·0,4302=52.42 кН·м.
. Определяем погонную эквивалентную
нагрузку=qg+0,5·qv=12.27 +0,5·37.83=31.185 кН / м.
. Вычисляем проекцию опасного
наклонного сечения С: при условии
;
1.30 м≤ 1,33 м
(выполняется);=
=
= 0,399 м
< 3 · 0,430=1,29м.
В расчете принимать значение С не
более 3 · h0=3·0.430=1.29; С = 0,7 м, но С0 не более 2 · h0 (С0 = 0,7 м
2 · 0,430 =
0.860 м).
Рис. 13
. Схема усилий при расчете балки по
наклонному сечению 2-2 на действие поперечной силы Q приведена на рисунке 13.
Проверяем условие обеспечения прочности Q ≤ Qb + Qsw при входящих
компонентах:= Qmax - q1 · С = 132.63 - 31.185 ·0.7 = 110.8кН;= Mb /C ≥
Qb, min = 0,5 · Rbt · bb ·
;= 52.42 / 0,7 ≥ Qb, min = 0,5
· 945 · 0,200 · 0,430; 74,89 кН > 40,64 кН.= 0,75 · qsw · C0 = 0,75 ·
133,45· 0,7 = 70,06 кН.≤ Qb + Qsw; 110,8≤ 74.89 +70,06;
Условие прочности по поперечной силе
обеспечено:110,8 кН<144.95 кН.
. Проверяем прочность сжатой
бетонной полосы по формуле (6.65[2])
;
;
Прочность сжатой полосы бетона между
наклонными трещинами обеспечена:
,63 кН < 336.69 кН.
При С <
/ 4 (0,7
м< 5,295 / 4 = 1.32 м) длина приопорных участков балки принимается
≥
/ 4 =
5,295/ 4 = 1.32м, длина средней части балки
≤
- 2 ·
;
≤ 5,295 - 2 · 1.32 = 2,66 м.
Рис. 14
Рис. 15
4.4 Эпюра материалов
В соответствии с Правилами [2]
допускается обрыв двух стержней продольной арматуры 2Ø 20 А 400
(площадь As2 = 628 мм2 ≤ 0,5 ·As = 0,5 · 1256 = 628 мм2). После обрыва
стержней в сечении остается продольная арматура площадью As1 = 628 мм2, рабочая
высота сечения h0 = hb - a = 500 - 40 = 460 мм. Предельный изгибающий момент
, который
выдерживает сечение с арматурой 2Ø 20 А400,
определяется при фактическом значении относительной высоты сжатой зоны бетона
=

кН· м.
Место теоретического обрыва (м.т.о)
смещено от опоры в пролет на величину х1, определяемую графически или из
решения уравнения:· (х1)2 / 2 - Qmax · х1 +
= 0;
,185 · (х1)2 /2 - 132,63 · х1 +
123,14 = 0; х1 = 1,07 м.
Расчетное значение поперечной силы=
Qmax - q1 · х1 = 132,63 - 31,185 · 1.07 = 99,26 кН.
Прочность наклонного сечения по
моменту обеспечена при достаточной длине зоны анкеровки w обрываемой арматуры.
При выполнении условия/ (2 · qsw) > h0; 99,26/ (2 · 133,45) = 0.37 м <
0,460м.
Так как условие не выполняется, то
w= Q3 / (2 · qsw)+ 5 · ds; w ≥ 20 · ds.=99,26/(2*133,45)+ 5 · 0,020 =
0,47 м;≥ 20 · 0,020= 0,400 м.
Принимаем длину зоны анкеровки
обрываемой арматуры w =470 мм. Расстояние от начала каркаса до обрываемого
стержня, мм, x2 = х1 - w + 240 = 1070 - 570 + 240 = 740мм. Принимаем x2 = 740
мм (кратно 5 мм).
4.5 Расчет в программе SCAD Office
Сопротивление ж/б сечений
Расчет выполнен по СНиП 2.03.01-84*
(Россия и другие страны СНГ)
Коэффициент надежности по
ответственности n = 0,9
Длина элемента 5,545 м
Коэффициент расчетной длины в
плоскости XoY 1
Коэффициент расчетной длины в
плоскости XoZ 1
Случайный эксцентриситет по Z принят
по СНиП 2.03.01-84* (Россия и другие страны СНГ)
Случайный эксцентриситет по Y принят
по СНиП 2.03.01-84* (Россия и другие страны СНГ)
Конструкция статически неопределимая
Силовая плоскость
Рис. 16
Сечение
|
b
= 200 мм h = 500 мм b1 = 2370 мм h1 = 70 мм a1 = 70 мм a2 = 40 мм
|
Площади
арматуры AS1 = 12,56 см2 AS2 = 1,56 см2
|
|
Арматура
|
Класс
|
Коэффициент
условий работы
|
|
Продольная
|
A-III
|
1
|
|
Поперечная
|
A-II
|
1
|
Бетон
Вид бетона: Тяжелый
Класс бетона: B25
Условия твердения: Естественное
Коэффициент условий твердения 1
Коэффициенты условий работы бетона
Учет нагрузок длительного действия b2 0,9
Результирующий коэффициент без b2 1
Трещиностойкость
Категория трещиностойкости - 1
Результаты расчета по комбинациям загружений= 0
кН= 192,53 кН*м= 0 кН
Коэффициент длительной части 1
|
Проверено
по СНиП
|
Проверка
|
Коэффициент
использования
|
|
п.п.
3.15-3.20, 3.27-3.28
|
Прочность
по предельному моменту сечения
|
0.981
|
|
п.4.5
|
Момент,
воспринимаемый сечением, при образовании трещин
|
7,442
|
Коэффициент использования 7,442 - Момент,
воспринимаемый сечением, при образовании трещин
Коэффициент длительной части 1
5. Проектирование каменных
конструкций
.1 Проверка прочности кирпичной
стены
Проверить несущую способность
поперечной кирпичной стены здания, расположенной по координационной оси 8
(рисунок 1.1). Расчетная нагрузка собирается с грузовой площади 5, имеющей
размеры Агр =
× S. Расчетное
сечение стены - прямоугольник с размерами, мм, h × b = 510 × 2370. Высота стены
равна высоте двух этажей: lc= 2*4,2=8,4 м (рис. 5.1), расчетные нагрузки на
перекрытие: постоянная g =4,73 кН /м2, временная v = 16,8 кН /м2. Кладка
сплошная (R = 1100 кН /м2) с объемным весом
= 18,0 кН /м3. На кирпичную стену
опираются две второстепенные балки и плиты модулей А, Пр. Глубина заделки балок
в стену - 250 мм, плит - 60 мм.
) сетка внутренних опор (столбов),
м,
×
= 7,100 ×
5,800;
2) шаг второстепенных балок
(наибольший), м, S = 2,370;
) высота этажа, м, Hэ = 4,200;
) число перекрытий np = 2;
) толщина пола, мм, hp = 100;
) толщина плиты перекрытия, мм, hf =
70;
) сечение ригеля, мм, hr × br =
800 × 300;
8) сечение второстепенной балки, мм,
hb
× bb = 500 × 200;
9) нормативные нагрузки на
перекрытие, кН /м2, постоянная от веса пола, переборок gn = 2,3; длительная
временная от веса оборудования vn = 14,00;
) коэффициент снижения временной
нагрузки столбов и стен, воспринимающих нагрузку от двух перекрытий и более
= 0,90;
) марка кирпича 75;
) марка цементно-известкового
раствора 25;
) коэффициент надежности по
ответственности
= 0,95.
Решение.
Расчетная схема. Конструкция и
нагрузка симметричны относительно оси стены, совпадающей с координационной осью
8. Следовательно, стена является центрально - сжатым элементом. Расчетная схема
стены приведена на рисунке 5.2. для наиболее нагруженного пролета первого
этажа, где расчетная длина стержня l0 = 0,8 · H = 0,8 · 4.20 = 3,36 м.
Расчетное сечение 1 - 1 находится
выше уровня чистого пола на расстоянии
= Hэ /3= 4.2 /3 = 1.4 м, где
коэффициенты φ,
η соответствуют
табличным.
Сбор нагрузок. Нагрузка собирается с
площади перекрытия Агр =
× S =
5,800 · 2,37 = 13,746 м2,
на которой расположен участок второстепенных балок длиной
= 5,800 м.
Нагрузки от перекрытия постоянные:
вес пола, перегородок,
железобетонной плиты=
· g · Агр =
0,95 · 4,73 · 13,746 = 61,77 кН;
вес ребра второстепенной балки
Gb =
·
· bb ·(hb -
hf)·
·
=0,95·25,0·0,200·(0,500
-0,070) · 5,800 · 1,1 = 12,35 кН.
-временная длительная нагрузка с
учетом коэффициента снижения
= 0,90:=
· v · Агр ·
= 0,95 ·
16,8 · 13,746 · 0,90 = 197,45 кН.
Суммарная нагрузка от одного
перекрытияp = Gp + Gb + F = 61,77 + 12,35 + 197,45= 271,57 кН.
Суммарная нагрузка от двух
перекрытийp = N1p · np = 271,57 · 2 = 543,14кН.
Постоянная нагрузка от веса кладки в
сечении 1 - 1 при высоте стены
от отметки + 1.500 до отметки +
8.40 (
=8,4-1.50=
6,9 м;
= 1,1):к =
·
· h · b ·
·
= 0,95 ·
18,0 · 0,510 · 2,37 · 6,9 · 1,1 = 156,86 кН.
Вес стены Gс с учетом веса
штукатурки больше веса кладки на величину от 7 до 8%с = 1,08 · Gк = 1,07 ·
156,86 = 169,43 кН.
Суммарная сжимающая сила в расчетном
сечении 1 - 1 от нагрузки с перекрытия и собственного веса стены:= N2p + Gс =
543,14 + 169,43= 712,57 кН.
Несущая способность стены Nult
определяется по формуле (10)[3] расчета неармированного центрально - сжатого
элемента:
=
,
где Ar - фактическая площадь
расчетного сечения стены,= h · b= 0,510 · 2,37= 1,2087 м2 > 0,300 м2
(расчетное сопротивление кладки не корректируется).
По фактическим размерам поперечного
сечения уточняем линейным интерполированием значения коэффициентов
, mg:
=
/ h
=3,36/0,510 = 6,59;
= 0; mg =
1,0, так как
<10. По
таблице гибкости
= 6
соответствует
= 0,96,
гибкости
= 8
соответствует
= 0,92.
Приращение гибкости
= (
-
)/ (
-
) = (6,59 - 6.00)/(8,00 - 6,00) =
0,295. Интерполированное значение коэффициента продольного изгиба
вычисляем
по выражению:
=
+
· (
-
) = 0.96 +
0,292 · (0,92 -0.96) = 0,9482.= 1,0 · 0,9482 · 1100 · 1,2087 = 1260,7 кН.
Вывод. Несущая способность
(прочность) стены достаточна при выполнении условия Nult ≥ N (1260,7 кН
> 712,57 кН). Условие выполняется, прочность стены обеспечена.
Рис. 16
Рис. 17
Заключение
В результате выполнения данного курсового
проекта по дисциплине «Строительные конструкции» мы изучили действующие нормы
СНиП «Бетонные и железобетонные конструкции» приобрели навыки в самостоятельном
подборе и проверке сечений железобетонных конструкций, в результате чего было
спроектировано производственное трехэтажное здание судоремонтного завода с
кирпичными несущими стенами.
По результатам проведенных расчетов можно
сделать вывод, что все проверки по прочности выполняются, следовательно,
прочность и жесткость спроектированного здания обеспечена.
Список использованных источников
1.
К.Н. Пряничников. Железобетонные и каменные конструкции производственного здания.
Расчет и конструирование: учебно -методическое пособие / К.Н. Пряничников. -Н.
Новгород: Изд-во ФГОУ ВПО «ВГАВТ»,2007. - 76 с.
.
СП 52 - 101 - 2003. Бетонные и железобетонные конструкции без предварительного
напряжения арматуры / ГУП НИИЖБ Госстроя России. - М.: ГП ЦПП, 2004. - 54 с.
.
ГОСТ 21.501-93. Правила выполнения архитектурно-строительных рабочих чертежей.
- М.: Изд-во стандартов, 1996. - 41 с.
.
СНиП II-22-81.Каменные и армокаркасные конструкции/Минстрой России. -М.:ГУП
ПП,1995. -40с.