Электроснабжение отопительной котельной
Оглавление
Введение
Исходные данные для
расчета на основании перечня электроприемников (далее ЭП)
1. Расчет Электрических Нагрузок
1.1 Расчет силовых нагрузок по объекту на 0,4 кВ
1.2 Расчет осветительной нагрузки в целом по
объекту
2. Выбор трансформаторов
3. Выбор схемы
электроснабжения
3.1 Выбор кабелей питающих и распределительных
линий 0,4 кВ
4. Расчет токов
короткого замыкания
4.1 Расчет токов короткого замыкания в сети 0,4
кВ
5. Расчет возмоности
пуска двигателя
5.1 Определение параметров схемы замещения
5.2 Расчет параметров эквивалентной схемы
замещения
5.3 Определение возможности пуска двигателя
5.4 Проверка устойчивости работы предвключенного
двигателя
6. Выбор и проверка
коммутационной аппаратуры
7. Экономическая часть
7.1 Смета - спецификация
7.2 Перерасчет сметной стоимости в цены 2016
года
7.3
Определение численности электромонтажной бригады
8. БЖД
Заключение
Список использованных пользованных источников
Введение
В последнее время электроэнергия занимает все
большее значение в жизни современного общества. Начиная от производства и
заканчивая бытовыми нуждами.
Основная часть производимой электроэнергии
потребляется промышленностью, на долю которой приходится более 60%. С помощью
электрической энергии приводятся в движение миллионы электродвигателей,
освещение помещений, осуществляется автоматическое управление технологическими
процессами и др. А где-то электроэнергия является единственным энергоносителем.
На фоне увеличения потребления электроэнергии
встает вопрос экономии энергетических ресурсов, которая должна осуществляться
путем перехода на энергосберегающие технологии производства; совершенствования
энергетического оборудования; реконструкции устаревшего оборудования;
сокращение всех видов энергетических потерь; улучшения структуры производства,
преобразования и использования энергетических ресурсов.
Электроснабжение любого предприятия должно быть
надежным, экономичным с возможностью загрузки на полную мощность. При расчете
электроснабжения городской районной котельной учтены категории токоприемников,
учтены вопросы пожара и взрывобезопасности помещений, в которых расположено
электрооборудование.
В данной выпускной квалификационной работе
произведены необходимые расчеты по определению мощности трансформатора, выбору
его типа и количества трансформаторов установленных в помещении КТП. Выбрана
оптимальная для данной котельной схема электроснабжения с расчетом токов
нагрузки отходящих кабелей и проводных линий, рассчитаны токи коротких
замыканий. Значение токов к.з. использованы для проверки работоспособности
электрических аппаратов, шин и кабелей на динамическую и термическую стойкость.
Важное значение отводится качеству электрической энергии, поэтому произведен
расчет электрических цепей на потерю напряжения. В проекте применена типовая
аппаратура для комплектации силовых ящиков и щитов. Расчет и выбор пусковой и
защитной аппаратуры поизведен по расчетным пусковым токам питаемых
электродвигателей.
Исходные данные для расчета на основании перечня
электроприемников (далее ЭП)
|
По
заданию технологов
|
По
справочным данным
|
|
Наименование
ЭП
|
Кол-во
ЭП, (шт.) n
|
Номинальная
(установленная) мощность, кВт
|
Коэффициент
использования
|
Коэффициент
реактивной мощности
|
|
|
Одного
ЭП
|
Общая
|
|
|
|
1
|
2
|
3
|
4
|
5
|
6
|
|
Насос
|
7
|
30
|
210
|
0,8
|
|
|
Насосная
станция
|
3
|
4
|
12
|
0,8
|
|
|
Рециркуляционный
насос
|
1
|
18,5
|
18,5
|
0,8
|
|
|
Подпиточный
насос
|
2
|
4
|
8
|
0,8
|
|
|
Подпиточный
насос
|
2
|
11
|
22
|
0,8
|
|
|
Повысительный
насос
|
2
|
11
|
22
|
0,8
|
|
|
Дымосос
|
2
|
19
|
38
|
0,8
|
|
|
Дымосос
|
2
|
11
|
22
|
0,8
|
|
|
Вентилятор
|
2
|
19
|
38
|
0,8
|
|
|
Вентилятор
|
2
|
15
|
30
|
0,8
|
|
|
Сверлильный
станок
|
1
|
2,2
|
2,2
|
0,14
|
|
|
Точильный
станок
|
1
|
2,2
|
2,2
|
0,14
|
|
ВРУ - 21Л - (400 + 400) - 201
1. Расчет Электрических Нагрузок
1.1 Расчет
силовых нагрузок по объекту на 0,4 кВ
На сегодняшнее время для расчета электрических
нагрузок промышленных объектов используется РТМ 36.18.32.4-92 [2].
Расчет силовой нагрузки по объекту выполним по
форме Ф636-92 (таблица 1) и согласно указаний, представленных в [2].
Исходные данные для расчета заполняются на
основании полученных таблиц-заданий на проектирование электротехнической части
(графы 1-4) и согласно справочным материалам (графы 5, 6), в которых приведены
значения коэффициентов использования и реактивной мощности для индивидуальных
электроприемников (ЭП), взятых из таблицы П1 [1]
В каждой строке группируются ЭП по характерным категориям
с одинаковыми
и
,
одинаковыми мощностями. В итоговой строке графы 4 записывается общая суммарная
мощность ЭП.
В графах 7 и 8 соответственно записываются
построчно величины
и
.
В итоговой строке определяются суммы этих величин
Определяется групповой коэффициент использования
и
заносится в итоговою строку графы 5:
Для последующего
определения
в графе 9
построчно определяются для каждой характерной группы ЭП одинаковой мощности
величины
и
в итоговой строке - их суммарное значение:
Определяется
эффективное число ЭП
следующим образом:
В зависимости от
средневзвешенного коэффициента использования и эффективного числа ЭП
определяется по таблице 2 [2] и заносится в графу 11 коэффициент расчетной
нагрузки
.
При
и
коэффициент
расчетной нагрузки будет равен 0,9.
Расчетные активная
и реактивная мощности определяются следующим образом:
Результат
записывается в 12-ой и 13-ой графах соответственно.
Полная расчетная
мощность (графа 14) определяется выражением:
1.2 Расчет
осветительной нагрузки в целом по объекту
Расчетная нагрузка осветительных приемников,
может быть определена по установленной мощности и коэффициенту спроса для
освещения [5].
Освещение на обоих этажах 1-го и 2-го
котельного помещения выполним лампами ДРЛ, все остальные (бытовые, складские и
насосное помещения) люминесцентными лампами. Общая площадь 2-х
этажей котельных помещений равна 854
,
площадь насосного помещения равна 212,75, площадь остальных помещений 264,5
.
Установленную мощность приемников электрического
освещения котельной определим при помощи формулы:
где
;
;
-
мощность приемников электрического освещения котельных и остальных помещений
соответственно;
;
;
-
общие площади помещений;
- удельная
плотность осветительной нагрузки для механических цехов равна 19 Вт/
(таблица 2.4 [5]).
Определим расчетную нагрузку осветительных
приемников:
где
-
коэффициент спроса для освещения, (таблица 2.3 [5]).
Для 2-х этажей котельных и насосного
помещений коэффициент спроса освещения определим, как коэффициент спроса для
производственных зданий, состоящих из отдельных помещений
.
Большинство остальных помещений являются бытовыми и складскими, то коэффициент
спроса освещения для этих помещений примем
.
Для осветительных установок с газоразрядными
лампами расчетная реактивная нагрузка определяется по формуле:
где
-
коэффициент мощности источников света (таблица 2.5 [3]).
Для люминесцентных ламп по двухламповой схеме с
конденсаторами для повышения коэффициента мощности
=
0,85, для ДРЛ
= 0,57 (таблица
2.5 [5]).
Расчетная активная осветительная нагрузка (графа
12):
Расчетная реактивная осветительная нагрузка
(графа 13):
Полная осветительная нагрузка (графа 14):
Полная нагрузка по объекту (графа 14):
Таблица 1.1 - Расчет электрических нагрузок по
объекту (по форме Ф636-92)
|
Исходные
данные
|
Расчетные
величины
|
Расчетные
мощности
|
Расчетный
ток, А
|
|
по
заданию технологов
|
по
справочным данным
|
|
|
|
активная,
кВт
|
реактивная,
квар
|
полная,
кВ∙А
|
|
|
Наимен.
ЭП
|
Кол-во
ЭП, шт. n
|
Номинальная
(установленная) мощность, кВт
|
Коэфф.
использ.
|
Коэфф.
реактивной мощности
|
|
|
|
|
|
|
|
|
|
одного
ЭП
|
общая
|
|
|
|
|
|
|
|
|
|
|
1
|
2
|
3
|
4
|
5
|
6
|
7
|
8
|
9
|
12
|
13
|
14
|
15
|
|
Насос
|
7
|
30
|
210
|
0,8
|
|
168
|
126
|
6300
|
|
|
|
|
|
Насосная
подстанция
|
3
|
4
|
12
|
0,8
|
|
9,6
|
7,2
|
48
|
|
|
|
|
|
Рециркуляционный
насос
|
1
|
18,5
|
18,5
|
0,8
|
|
14,8
|
11,1
|
342,25
|
|
|
|
|
|
Подпиточный
насос
|
2
|
4
|
8
|
0,8
|
|
6,4
|
4,8
|
32
|
|
|
|
|
|
Подпиточный
насос
|
2
|
11
|
22
|
0,8
|
|
17,6
|
13,2
|
242
|
|
|
|
|
|
Повысительный
насос
|
2
|
11
|
22
|
0,8
|
|
17,6
|
13,2
|
242
|
|
|
|
|
|
Дымосос
|
2
|
19
|
38
|
0,8
|
|
30,4
|
22,8
|
722
|
|
|
|
|
|
Дымосос
|
2
|
11
|
22
|
0,8
|
|
17,6
|
13,2
|
242
|
|
|
|
|
|
Вентилятор
|
2
|
19
|
38
|
0,8
|
|
30,4
|
22,8
|
722
|
|
|
|
|
|
Вентилятор
|
2
|
15
|
30
|
0,8
|
|
24
|
18
|
450
|
|
|
|
|
|
Сверлильный
станок
|
1
|
2,2
|
2,2
|
0,14
|
|
0,31
|
0,53
|
4,84
|
|
|
|
|
|
Точильный
станок
|
1
|
2,2
|
2,2
|
0,14
|
|
0,31
|
0,53
|
4,84
|
|
|
|
|
|
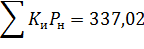
Итоговая
строка силовой нагр.
|
27
|
|
424,9
|
|
|
337,02
|
253,36
|
9351,93
|
303,32
|
228,02
|
322,94
|
|
|
Осветительная
нагрузка
|
|
|
|
|
|
|
|
|
20,33
|
13,4
|
24,35
|
|
|
Итого
по объекту
|
|
|
|
|
|
|
|
|
323,65
|
241,42
|
403,77
|
582,79
|
|
Общежитие
|
|
|
|
|
|
|
|
|
124,88
|
160
|
230,94
|
|
Столовая
|
|
|
|
|
|
|
|
|
113,26
|
82,3
|
140
|
202,07
|
|
Стройка
№1
|
|
|
|
|
|
|
|
|
420,69
|
305,64
|
520
|
750,55
|
|
Стройка
№2
|
|
|
|
|
|
|
|
|
240,52
|
179,3
|
300
|
433,01
|
|
Итого
|
|
|
|
|
|
|
|
|
1319,6
|
979,89
|
1587,29
|
1944,68
|
|
|
|
|
|
|
|
|
|
|
|
|
|
|
|
|
2. Выбор трансформаторов
На проектируемой котельной электроприемники
относятся ко второй категории по надежности электроснабжения, следовательно,
требуется установка двухтрансформаторной подстанции.
Номинальная мощность силовых трансформаторов
определяется по условию [1]:
где
-
полная расчетная мощность объекта(помещения), кВ∙А;
- количество
трансформаторов;
- коэффициент
загрузки трансформатора.
Для двухтрансформаторных подстанций при
преобладании потребителей второй категории коэффициент загрузки трансформаторов
принимается в пределах от 0,7 до 0,8 [1].
Исходя из этого, выбираем трансформаторы с
номинальной мощностью, максимально близкой к расчетной. Принимаем 1600 кВ∙А.
Коэффициент перегрузки масляных трансформаторов
в аварийном режиме не должен превышать 1,4 [5]:
Исходя из того, что расчеты соответствуют
условию, к установке принимаем трансформаторы с номинальной мощностью 1600 кВ∙А,
марки ТМГ, характеристики приведены в таблице 2.1.
Таблица 2.1 - технические данные ТМГ - 1600/10/0,4
|
Мощность,
кВ·А
|
Номинальное
напряжение, кВ
|
Потери,
кВт
|
Ток
ХХ,
|
Напряжение
КЗ,
|
Схема
и группа соединения обмоток
|
|
|
|
ХХ,
|
КЗ,
|
|
|
|
|
1600
|
10
|
0,4
|
1,95
|
16
|
0,5
|
6,0
|
Д/Ун
- 11
|
Определяем потери напряжения во вторичной
обмотке трансформатора по формуле [1]:
где
-
коэффициент загрузки трансформатора на полную мощность;
,
- соответственно активная и индуктивная составляющие напряжения короткого
замыкания трансформатора, %
- средневзвешенный
коэффициент мощности трансформатора.
где
-
полная расчетная мощность трансформатора, кВ·А.
- активная
расчетная мощность, кВт.
Коэффициент загрузки трансформатора по полной
мощности определим по формуле:
Активную и индуктивную составляющие напряжения
короткого замыкания трансформатора определяются по формулам:
где
-
мощность потерь короткого замыкания, кВт;
- напряжение
короткого замыкания трансформатора, %;
Потери напряжения:
3. Выбор схемы электроснабжения
Согласно СНиП -35-76 для электроснабжения
газовой котельной применяется радиальная схема.
К достоинствам радиальной схемы относятся
высокая надежность и удобство автоматизации.
К недостаткам радиальных схем относятся
значительный расход проводникового материала, необходимость в дополнительных
площадях для размещения силовых распределительных пунктов, а так же
ограниченная гибкость сети при перемещениях технологического оборудования.
Таблица 3.1 - Расчет электрических нагрузок на
первую секцию ВРУ 0,4
|
Исходные
данные
|
Расчетные
величины
|
Эф.
число ЭП
|
Коэф.
Расч. Наг-ки
|
Расчетные
мощности
|
Расчетный
ток, А
|
|
по
заданию технологов
|
по
справочным данным
|
|
|
|
|
|
Акт.,
кВт
|
Реакт.,
квар
|
полная,
кВ∙А
|
|
|
Наим.
ЭП
|
Кол-во
ЭП, шт. n
|
Номинальная
(установленная) мощность, кВт
|
Коэф.
Использ.
|
Коэф.
Реакт. мощности
|
|
|
|
|
|
|
|
|
|
|
|
одного
ЭП
|
общая
|
|
|
|
|
|
|
|
|
|
|
|
|
1
|
2
|
3
|
4
|
5
|
6
|
7
|
8
|
9
|
10
|
11
|
12
|
13
|
14
|
15
|
|
Шкаф
управления котлом ШУ-1
|
|
Вентилятор
|
1
|
19
|
19
|
0,8
|
|
15,2
|
11,4
|
361
|
|
|
Дымосос
|
1
|
19
|
19
|
0,8
|
|
15,2
|
11,4
|
361
|
|
|
Итого:
|
2
|
|
38
|
|
|
30,4
|
22,8
|
722
|
2
|
1
|
30,4
|
22,8
|
38
|
54,85
|
|
Шкаф
управления котлом ШУ-2
|
|
Дымосос
|
1
|
11
|
11
|
0,8
|
|
8,8
|
6,6
|
121
|
|
|
Вентилятор
|
1
|
15
|
15
|
0,8
|
|
12
|
9
|
225
|
|
|
Итого:
|
2
|
|
26
|
|
|
20,8
|
15,6
|
346
|
2
|
1
|
20,8
|
15,6
|
26
|
37,53
|
|
Шкаф
управления сетевыми насосами ШУ-3
|
|
Насос
|
4
|
30
|
120
|
0,8
|
|
96
|
72
|
3600
|
|
|
Итого:
|
4
|
|
120
|
|
|
96
|
72
|
3600
|
4
|
1
|
96
|
72
|
120
|
173,21
|
|
Шкаф
управления вспомогательными насосами ШУ-4
|
|
Подпиточный
насос
|
1
|
4
|
4
|
0,8
|
|
3,2
|
2,4
|
16
|
|
|
Подпиточный
насос
|
1
|
11
|
11
|
0,8
|
|
8,8
|
6,6
|
121
|
|
|
Повысительный
насос
|
1
|
11
|
11
|
0,8
|
|
8,8
|
6,6
|
121
|
|
|
Рециркуляционный
насос
|
1
|
18,5
|
18,5
|
0,8
|
|
14,8
|
11,1
|
342,25
|
|
|
Итого:
|
4
|
|
44,5
|
|
|
35,6
|
26,7
|
600,25
|
3
|
1
|
35,6
|
26,7
|
44,5
|
64,23
|
|
Первая
секция ВРУ 0,4 кВ
|
|
ШУ-1
|
2
|
|
38
|
|
|
30,4
|
22,8
|
722
|
|
|
ШУ-2
|
2
|
|
26
|
|
|
20,8
|
15,6
|
346
|
|
|
ШУ-3
|
4
|
|
120
|
|
|
96
|
72
|
3600
|
|
|
ШУ-4
|
4
|
|
44,5
|
|
|
35,6
|
26,7
|
600,25
|
|
|
Итого:
|
12
|
|
228,5
|
0,8
|
|
182,8
|
137,1
|
5268,25
|
9
|
1
|
182,8
|
137,1
|
228,5
|
329,82
|
Таблица 3.2 - Расчет электрических нагрузок на
вторую секцию ВРУ 0,4
|
Исходные
данные
|
Расчетные
величины
|
Эф.
число ЭП
|
Коэф.
Расч. Н-зки
|
Расчетные
мощности
|
Расчетный
ток, А
|
|
по
заданию технологов
|
по
справочным данным
|
|
|
|
|
|
Акт.,
кВт
|
Реакт.,
квар
|
полная,
кВ∙А
|
|
|
Наимен.
ЭП
|
Кол-во
ЭП, шт. n
|
Номинальная
(установленная) мощность, кВт
|
Коэф.
Исп.
|
Коэф.
Реакт. мощности
|
|
|
|
|
|
|
|
|
|
|
|
одного
ЭП
|
общая
|
|
|
|
|
|
|
|
|
|
|
|
|
1
|
2
|
3
|
4
|
5
|
6
|
7
|
8
|
9
|
10
|
11
|
12
|
13
|
14
|
15
|
|
Шкаф
управления котлом ШУ-5
|
|
Вентилятор
|
1
|
19
|
19
|
0,8
|
|
15,2
|
11,4
|
361
|
|
|
Дымосос
|
1
|
19
|
19
|
0,8
|
|
15,2
|
11,4
|
361
|
|
|
2
|
|
38
|
22,8
|
722
|
2
|
1
|
30,4
|
22,8
|
38
|
54,85
|
|
Шкаф
управления котлом ШУ-6
|
|
Дымосос
|
1
|
11
|
11
|
0,8
|
|
8,8
|
6,6
|
121
|
|
|
Вентилятор
|
1
|
15
|
15
|
0,8
|
|
12
|
9
|
225
|
|
|
2
|
|
26
|
|
|
20,8
|
15,6
|
346
|
2
|
1
|
20,8
|
15,6
|
26
|
37,53
|
|
Шкаф
управления сетевыми насосами ШУ-7
|
|
Насос
|
3
|
30
|
90
|
0,8
|
|
72
|
54
|
2700
|
|
|
3
|
|
90
|
|
|
72
|
54
|
2700
|
3
|
1
|
72
|
54
|
90
|
129,9
|
|
Шкаф
управления вспомогательными насосами ШУ-8
|
|
Подпиточный
насос
|
1
|
4
|
4
|
0,8
|
|
6,4
|
4,8
|
32
|
|
|
Подпиточный
насос
|
1
|
11
|
11
|
0,8
|
|
17,6
|
13,2
|
242
|
|
|
Повысительный
насос
|
1
|
11
|
11
|
0,8
|
|
17,6
|
13,2
|
242
|
|
|
Насосная
подстанция
|
3
|
4
|
12
|
0,8
|
|
9,6
|
7,2
|
48
|
|
|
6
|
|
38
|
|
|
30,4
|
22,8
|
306
|
4
|
1
|
30,4
|
22,8
|
38
|
54,85
|
|
Силовой
щит ЩС-9
|
|
Сверлильный
станок
|
1
|
2,2
|
2,2
|
0,14
|
|
0,31
|
0,53
|
4,84
|
|
|
Точильный
станок
|
1
|
2,2
|
2,2
|
0,14
|
|
0,31
|
0,53
|
4,84
|
|
|
Итого
|
2
|
|
4,4
|
|
|
0,62
|
1,06
|
9,68
|
2
|
4,57
|
2,9
|
4,9
|
5,6
|
8,12
|
|
Вторая
секция ВРУ 0,4 кВ
|
|
ШУ-5
|
2
|
|
38
|
|
|
30,4
|
22,8
|
722
|
|
|
ШУ-6
|
2
|
|
26
|
|
|
20,8
|
15,6
|
346
|
|
|
ШУ-7
|
3
|
|
90
|
|
|
72
|
54
|
2700
|
|
|
ШУ-8
|
6
|
|
38
|
|
|
30,4
|
22,8
|
306
|
|
|
ЩС-9
|
2
|
|
4,4
|
|
|
0,62
|
1,06
|
9,68
|
|
|
Итого:
|
15
|
|
196,4
|
0,79
|
|
154,22
|
116,26
|
4083,68
|
9
|
1
|
154,22
|
116,26
|
193,13
|
278,76
|
|
Шкаф
управления котлом ШУ-6
|
.1 Выбор кабелей
питающих и распределительных линий 0,4 кВ
Выбор сечений по допустимому нагреву.
Выбор сечений по допустимому нагреву длительно
протекающим максимальным рабочим (расчетным) током производится по условию [1]:
где
-
максимальный рабочий (расчетный) ток нагрузки, А;
- поправочный
коэффициент на длительно допустимый ток в зависимости от температуры земли и
воздуха;
- поправочный
коэффициент на длительно допустимый ток, учитывающий способ прокладки;
- длительно
допустимый ток, А.
В питающих линиях за максимальный рабочий ток
принимается расчетный ток (таблицы 3.1 - 3.2). Для распределительных линий,
питающих отдельные электроприемники, расчетный ток определяется выражением:
где
-
максимальный рабочий(расчетный) ток, А;
- номинальная
активная мощность ЭП, кВт;
- номинальное
напряжение сети, кВ;
- коэффициент
мощности.
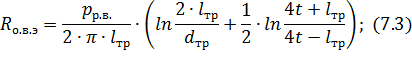
Проверку сечений по потере напряжения производим
по условию:
где
-
потери напряжения в силовом трансформаторе, % ;
- потери
напряжения в линии, % ;
- допустимые
потери напряжения, % (равное 5%) [1].
Потери напряжения в линии определяем по формуле:
где
-
расчетный ток линии, А ;
l - длина линии, км
;
- номинальное
напряжение линии, В ;
- удельное
активное сопротивления линии, Ом/км ;
- удельное
индуктивное сопротивление линии, Ом/км ;
- средневзвешенный
коэффициент мощности группы электроприемников.
Рассмотрим питающую линию 1 и распределительную
линию 1-1 в качестве примера выбора кабеля.
Согласно расчетам, приведенным в таблице 3.1,
максимальный рабочий ток для питающей линии 1 равен 54,85 А. Поправочные
коэффициенты равны [1]:
= 1 ;
=
0,9.
Руководствуясь справочными материалами [3]
выбираем пятижильный кабель ВВГ сечением 10 мм2 . Длительно
допустимый ток для данного кабеля равен 72 А.
Согласно 3.1 выбранный кабель соответствует
условию по нагрева:
,85≤1∙0,9∙72
Далее выполняем проверку по потере напряжения,
пользуясь формулой (3.4), принимая l
= 0,015км (смотрим исходные данные),
=
54,85 А,
=
0,8 (таблица 3.2),
= 1,84 Ом/км ,
= 0,073 Ом/км [1]:
Согласно выражению (3.3) кабель подходит по
условию потери напряжения:
В тех случаях, когда потери напряжения превышают
допустимые, требуется выбрать ближайшее большее сечение из стандартных
вариантов и повторно выполнить проверку по потере напряжения. Если
электроприемники, запитанные от одного распределительного пункта или
распределительного шинопровода, имеют одинаковую мощность, то проверку сечений
по потере напряжения следует производить для наиболее удаленного
электроприемника.
Таблица 3.3 - Выбор кабелей питающей и
распределительной линий 0,4 кВ.
|
Обозначение
линии
|
Марка
кабеля
|
Способ
прокладки
|
Длинна
линии, l, км
|
Максимальный
рабочий ток, , А
|
Поправочный
коэффициент,
|
Поправочный
коэффициент,
|
Сечение
по допустимому нагреву, ,
|
Длительно
допустимый ток, , А
|
Удельное
активное сопротивление, ,мОм/км
|
Удельное
индуктивное сопротивление, ,мОм/км
|
Потери
напряжения в линии, , %
|
Суммарные
потери напряжения, , %
|
Окончательно
выбранное сечение, S,
|
|
Т1-1
|
2×АВРБГ
|
в
земле
|
0,05
|
501,3
|
1,0
|
0,9
|
2×120
|
2×272
|
0,258
|
0,0602
|
1,365367
|
3,44
|
120
|
|
Т2-1
|
2×АВРБГ
|
в
земле
|
0,05
|
501,3
|
1,0
|
0,9
|
2×120
|
2×272
|
0,258
|
0,0602
|
1,365367
|
3,44
|
120
|
|
1
|
ВВГнг
|
по
воздуху
|
0,015
|
54,85
|
1,0
|
0,9
|
10
|
66
|
1,84
|
0,073
|
0,540021
|
2,61
|
10
|
|
1-1
|
ВВГ
|
по
воздуху
|
0,015
|
34,28
|
1,0
|
0,9
|
4
|
37
|
4,6
|
0,095
|
0,832066
|
2,90
|
4
|
|
1-2
|
ВВГ
|
по
воздуху
|
0,0155
|
34,28
|
1,0
|
0,9
|
4
|
37
|
4,6
|
0,095
|
0,859802
|
2,93
|
4
|
|
2
|
ВВГнг
|
по
воздуху
|
0,03
|
37,53
|
1,0
|
0,9
|
6
|
49
|
3,07
|
0,09
|
1,223698
|
3,29
|
6
|
|
2-1
|
ВВГ
|
по
воздуху
|
0,015
|
19,84
|
1,0
|
0,9
|
2,5
|
28
|
7,36
|
0,099
|
0,766657
|
2,84
|
2,5
|
|
2-2
|
ВВГ
|
по
воздуху
|
0,0163
|
27,06
|
1,0
|
0,9
|
2,5
|
28
|
7,36
|
0,099
|
1,136046
|
3,21
|
2,5
|
|
3
|
ВВГнг
|
по
воздуху
|
173,21
|
1,0
|
0,9
|
50
|
177
|
0,37
|
0,0625
|
0,25
|
2,32
|
50
|
|
3-1
|
ВВГ
|
по
воздуху
|
0,007
|
54,13
|
1,0
|
0,9
|
10
|
66
|
1,84
|
0,073
|
0,248686
|
2,32
|
10
|
|
3-2
|
ВВГ
|
по
воздуху
|
0,009
|
54,13
|
1,0
|
0,9
|
10
|
66
|
1,84
|
0,073
|
0,319739
|
2,39
|
10
|
|
3-3
|
ВВГ
|
по
воздуху
|
0,011
|
54,13
|
1,0
|
0,9
|
10
|
66
|
1,84
|
0,073
|
0,390792
|
2,46
|
10
|
|
3-4
|
ВВГ
|
по
воздуху
|
0,013
|
54,13
|
1,0
|
0,9
|
10
|
66
|
1,84
|
0,073
|
0,461845
|
2,53
|
10
|
|
4
|
ВВГнг
|
по
воздуху
|
0,013
|
64,23
|
1,0
|
0,9
|
10
|
66
|
1,84
|
0,073
|
0,548055
|
2,62
|
10
|
|
4-1
|
ВВГ
|
по
воздуху
|
0,007
|
7,22
|
1,0
|
0,9
|
1,5
|
21
|
12,26
|
0,101
|
0,215876
|
2,29
|
1,5
|
|
4-2
|
ВВГ
|
по
воздуху
|
0,009
|
19,85
|
1,0
|
0,9
|
2,5
|
28
|
7,36
|
0,099
|
0,459994
|
2,53
|
2,5
|
|
4-3
|
ВВГ
|
по
воздуху
|
0,016
|
19,85
|
1,0
|
0,9
|
2,5
|
28
|
7,36
|
0,099
|
0,817768
|
2,89
|
2,5
|
|
4-4
|
ВВГ
|
по
воздуху
|
0,0045
|
33,38
|
1,0
|
0,9
|
4
|
37
|
4,6
|
0,095
|
0,243051
|
2,31
|
4
|
|
5
|
ВВГнг
|
по
воздуху
|
0,014
|
54,85
|
1,0
|
0,9
|
10
|
66
|
1,84
|
0,073
|
0,504019
|
2,57
|
10
|
|
5-1
|
ВВГ
|
по
воздуху
|
0,021
|
34,28
|
1,0
|
0,9
|
4
|
37
|
4,6
|
0,095
|
1,164893
|
3,23
|
4
|
|
5-2
|
ВВГ
|
по
воздуху
|
0,0215
|
34,28
|
1,0
|
0,9
|
4
|
37
|
4,6
|
0,095
|
1,192629
|
3,26
|
4
|
|
6
|
ВВГнг
|
по
воздуху
|
0,029
|
37,53
|
1,0
|
0,9
|
6
|
49
|
3,07
|
0,09
|
1,182908
|
3,25
|
6
|
|
6-1
|
ВВГ
|
по
воздуху
|
0,021
|
19,85
|
1,0
|
0,9
|
2,5
|
28
|
7,36
|
0,099
|
1,07332
|
3,14
|
2,5
|
|
6-2
|
ВВГ
|
по
воздуху
|
0,0225
|
27,06
|
1,0
|
0,9
|
2,5
|
28
|
7,36
|
0,099
|
1,568162
|
3,64
|
2,5
|
|
7
|
ВВГнг
|
по
воздуху
|
0,011
|
129,9
|
1,0
|
0,9
|
35
|
141
|
0,62
|
0,52
|
0,0637
|
2,13
|
35
|
|
7-1
|
ВВГ
|
по
воздуху
|
0,014
|
54,13
|
1,0
|
0,9
|
10
|
66
|
1,84
|
0,073
|
0,497372
|
2,57
|
10
|
|
7-2
|
ВВГ
|
по
воздуху
|
0,016
|
54,13
|
1,0
|
0,9
|
10
|
66
|
1,84
|
0,073
|
0,568425
|
2,64
|
10
|
|
7-3
|
ВВГ
|
по
воздуху
|
0,018
|
54,13
|
1,0
|
0,9
|
10
|
66
|
1,84
|
0,073
|
0,639478
|
2,71
|
10
|
|
8
|
ВВГнг
|
по
воздуху
|
0,014
|
54,85
|
1,0
|
0,9
|
10
|
66
|
1,84
|
0,073
|
0,504019
|
2,57
|
10
|
|
8-1
|
ВВГ
|
по
воздуху
|
0,011
|
7,22
|
1,0
|
0,9
|
1,5
|
21
|
12,26
|
0,101
|
0,339233
|
2,41
|
1,5
|
|
8-2
|
ВВГ
|
по
воздуху
|
0,013
|
19,85
|
1,0
|
0,9
|
2,5
|
28
|
7,36
|
0,099
|
0,664436
|
2,73
|
2,5
|
|
8-3
|
ВВГ
|
по
воздуху
|
0,018
|
19,85
|
1,0
|
0,9
|
2,5
|
28
|
7,36
|
0,099
|
0,919988
|
2,99
|
2,5
|
|
8-4
|
ВВГ
|
по
воздуху
|
0,02
|
21,65
|
1,0
|
0,9
|
2,5
|
28
|
7,36
|
0,099
|
1,115138
|
3,19
|
2,5
|
|
8-4-1
|
ВВГ
|
по
воздуху
|
0,002
|
1,0
|
0,9
|
1,5
|
21
|
12,26
|
0,101
|
0,061679
|
2,13
|
1,5
|
|
8-4-2
|
ВВГ
|
по
воздуху
|
0,003
|
7,22
|
1,0
|
0,9
|
1,5
|
21
|
12,26
|
0,101
|
0,092518
|
2,16
|
1,5
|
|
8-4-3
|
ВВГ
|
по
воздуху
|
0,004
|
7,22
|
1,0
|
0,9
|
1,5
|
21
|
12,26
|
0,101
|
0,123358
|
2,19
|
1,5
|
|
9
|
ВВГнг
|
по
воздуху
|
0,028
|
8,12
|
1,0
|
1,0
|
2,5
|
21
|
7,36
|
0,099
|
0,370775
|
2,44
|
2,5
|
|
9-1
|
ВВГ
|
по
воздуху
|
0,003
|
6,35
|
1,0
|
1,0
|
1,5
|
21
|
12,26
|
0,101
|
0,051297
|
2,12
|
1,5
|
|
9-2
|
ВВГ
|
по
воздуху
|
0,003
|
6,35
|
1,0
|
1,0
|
1,5
|
21
|
12,26
|
0,101
|
0,051297
|
2,12
|
1,5
|
|
|
|
|
|
|
|
|
|
|
|
|
|
|
|
|
|
|
|
|
|
|
|
4. Расчет токов короткого замыкания
электроснабжение ток силовой
трансформатор
Расчет токов КЗ в низковольтной сети
производится для проверки защитной аппаратуры по отключающей способности и
чувствительности, а также для проверки на термическую и электродинамическую
стойкость.
4.1 Расчет токов
короткого замыкания в сети 0,4 кВ
Для определения суммарных сопротивлений до точек
КЗ составлена расчетная схема на рис. 4.4.
В качества примера рассчитаем токи КЗ для самого
удаленного элетроприемника, предварительно составив для этого участка цепи
расчетную схему.(рис. 4.1).
Рис. 4.1 - расчетная схема для выбранного
участка сети 0,4 кВт.
На основании расчетной схемы составляем схемы
замещения прямой и нулевой последовательности, представленные на рис. 4.2 и 4.3
соответственно.
Рис. 4.2. - Схема замещения прямой
последовательности
- эквивалентное
сопротивление системы;
,
-
активное и индуктивное сопротивление прямой последовательности трансформатора;
,
-
активное и индуктивное сопротивление токовых катушек автоматических
выключателей;
,
-
активное и индуктивное сопротивление прямой последовательности кабельных линий;
-
активное сопротивление различных контактов.
Рис. 4.3 - Схема замещения нулевой
последовательности
-
активное и индуктивное сопротивления нулевой последовательности трансформатора;
-
активное и индуктивное сопротивление нулевой последовательности кабельных
линий;
-
сопротивление дуги в месте короткого замыкания.
При расчете токов КЗ в электроустановках,
получающих питание непосредственно от сети энергосистемы, допускается считать,
силовые трансформаторы подключены к источнику неизменного по амплитуде
напряжения через эквивалентное индуктивное сопротивление системы [1]. Значение
этого сопротивления определяется по формуле:
где
-
среднее номинальное напряжение сети, подключенной к обмотке низшего напряжения
трансформатора, В;
- среднее
номинальное напряжение сети, к которой подключена обмотка высшего напряжения
трансформатора, В;
- действующее
значение периодической составляющей тока при трехфазном КЗ у выводов обмотки
высшего напряжения трансформатора, кА;
- условная
мощность короткого замыкания у выводов обмотки высшего напряжения
трансформатора, МВ·А.
При отсутствии указанных данных эквивалентное
индуктивное сопротивление системы допускается рассчитывать по формуле [10]:
где
-
номинальный ток отключения выключателя, установленного на стороне высшего
напряжения понижающего трансформатора цепи.
Активное и индуктивное сопротивления прямой
последовательности силовых трансформаторов определяются по формулам:
где
-
номинальная мощность трансформатора, кВ·А;
- потери КЗ в
трансформаторе, кВт;
- номинальное
напряжение обмотки низшего напряжения трансформатора, кВ;
- напряжение КЗ
трансформатора, %.
Активные и индуктивные сопротивления нулевой
последовательности силовых трансформаторов, обмотки которых соединены по схеме D/Y0,
при расчете токов КЗ в низковольтной сети следует принимать равными, активным и
индуктивным сопротивлениям прямой последовательности соответственно [1].
Пользуясь табличными данными [10], определяем активные и индуктивные
сопротивления прямой и нулевой последовательности: кабелей с алюминиевыми
жилами сечением 120 мм при параллельном соединении:
· автоматического выключателя на 630
А:
· автоматического выключателя на 100
А:
· кабеля с медной жилой сечением 10
мм:
;
.
· автоматического выключателя на 70 А:
· кабеля с медной жилой сечением 4 мм:
;
.
Активное сопротивление различных контактов:
- для контактных
соединений кабелей;
- для
коммутационных аппаратов.
Расчет токов трехфазного и однофазного КЗ
выполним по формулам [10]:
Далее пользуясь формулами (4.3 - 4.4) вычислим:
Таблица 4.1 - Расчет токов КЗ в сети 0,4 кВ
|
Расчетная
точка КЗ
|
, мОм
|
, мОм
|
, мОм
|
, мОм
|
, кА
|
, кА
|
|
К1
|
10,71
|
8,144
|
20,46
|
41,79
|
17,16
|
9,67
|
|
К2
|
10,71
|
8,144
|
20,46
|
41,79
|
17,16
|
9,67
|
|
К3
|
41,75
|
10,484
|
58,39
|
64,44
|
5,36
|
4,18
|
|
К4
|
17,31
|
9,424
|
32,36
|
57,39
|
11,71
|
6,82
|
|
К5
|
121,61
|
12,964
|
147,26
|
94,49
|
1,88
|
1,69
|
|
К6
|
47,36
|
50,044
|
38,36
|
68,54
|
3,35
|
3,22
|
|
К7
|
45,41
|
11,144
|
62,16
|
66,79
|
4,93
|
3,91
|
|
К8
|
118,41
|
13,144
|
143,16
|
92,79
|
1,93
|
1,73
|
|
К9
|
19,92
|
9,713
|
35,5
|
59,43
|
10,42
|
6,35
|
|
К10
|
45,41
|
11,144
|
62,16
|
66,79
|
4,93
|
3,91
|
|
К11
|
118,91
|
15,644
|
142,66
|
93,29
|
1,92
|
1,73
|
|
К12
|
62,38
|
12,904
|
81,39
|
74,04
|
3,62
|
3,02
|
|
К13
|
106,59
|
16,484
|
131,71
|
95,98
|
2,14
|
1,88
|
|
К14
|
81,81
|
15,784
|
103,22
|
84,15
|
2,77
|
2,38
|
|
К15
|
65,95
|
15,384
|
84,59
|
76,94
|
3,41
|
2,86
|
|
К16
|
37,01
|
12,424
|
56,06
|
71,39
|
5,91
|
4,28
|
|
К17
|
41,01
|
12,424
|
61,06
|
74,39
|
5,38
|
3,97
|
|
К18
|
45,01
|
12,424
|
66,06
|
77,39
|
4,94
|
3,71
|
|
К19
|
49,7
|
12,568
|
71,64
|
80,84
|
4,50
|
3,44
|
|
К20
|
187,512
|
18,994
|
221,76
|
126,49
|
1,22
|
1,11
|
|
К21
|
187,81
|
19,464
|
221,46
|
126,99
|
1,223
|
1,11
|
|
К22
|
108,56
|
55,544
|
107,56
|
98,04
|
1,89
|
1,79
|
|
К23
|
110,43
|
56,004
|
109,56
|
99,04
|
1,86
|
1,76
|
|
К24
|
127,61
|
17,644
|
155,36
|
106,29
|
1,792
|
1,59
|
|
К25
|
129,61
|
17,644
|
158,36
|
107,29
|
1,76
|
1,57
|
|
К26
|
200,61
|
19,644
|
236,36
|
132,29
|
1,14
|
1,04
|
|
К27
|
206,26
|
19,644
|
242,94
|
135,29
|
1,11
|
1,021
|
|
К28
|
54,62
|
12,713
|
77,2
|
84,43
|
4,11
|
|
К29
|
58,62
|
12,713
|
83,2
|
87,43
|
3,85
|
3,01
|
|
К30
|
62,62
|
13,713
|
88,2
|
91,43
|
3,60
|
2,83
|
|
К31
|
92,61
|
16,644
|
115,36
|
90,29
|
2,45
|
2,13
|
|
К32
|
99,61
|
16,644
|
123,36
|
93,29
|
2,28
|
1,99
|
|
К33
|
117,61
|
17,644
|
143,36
|
101,29
|
1,94
|
1,72
|
|
К34
|
123,61
|
17,644
|
151,36
|
105,29
|
1,84
|
1,63
|
|
К35
|
137,11
|
20,444
|
162,86
|
97,795
|
1,66
|
1,51
|
|
К36
|
137,11
|
20,444
|
162,86
|
102,79
|
1,66
|
1,50
|
|
К37
|
138,81
|
24,144
|
167,56
|
112,79
|
1,63
|
1,46
|
|
К38
|
142,81
|
25,144
|
171,56
|
114,79
|
1,59
|
1,42
|
|
К39
|
145,81
|
25,144
|
175,56
|
114,79
|
1,56
|
1,39
|
Рис. 4.4 - расчетная схема сети 0,4 кВ
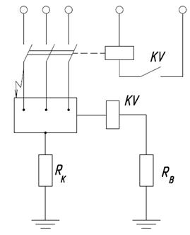
5. Расчет возмоности пуска двигателя
При помощи данного расчета производится проверка
возможности пуска двигателя и устойчивости работы предвключенного двигателя при
пуске.
Рассмотрим пуск двигателя, обозначенного на
схеме М11 (рисунок 5.1), принимая, что двигатель М12 находится в работе с
нагрузкой 80% от номинальной (смотри исходные данные). Расчетная схема
представлена на рисунке 5.1
Рис. 5.1 - Расчетная схема
5.1 Определение
параметров схемы замещения
Расчет параметров схемы замещения выполним
используя литературу [5],[7].
Параметры схемы замещения линий.
Активное сопротивление:
Индуктивное сопротивление:
гдеr0
- удельное активное сопротивление линии, Ом/км;
x0
- удельное индуктивное сопротивление линии, Ом/км;
l - длина линии, км.
Значения r0,
x0
и l, необходимые для
расчета параметров линий принимаем по таблице 3.3.
Параметры схемы замещения линии W1,
обозначенной - Т1-1 в таблице 3.3:
Параметры остальных линий определяются
аналогичным образом, результаты представлены в таблице 5.1.
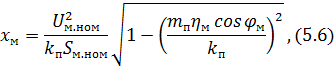
Параметры схемы замещения трансформатора
определим по формулам (4.3), (4.4), принимая значение величин, необходимых для
расчета по таблице 2.1:
Параметры схемы замещения предвключенного
двигателя:
где Uм.ном
- номинальное напряжение двигателя, кВ;
Sм.ном
- полная номинальная мощность двигателя, МВ∙А;
сosφм
- коэффициент мощности двигателя.
Определим параметры схемы замещения
предвключенного двигателя М12:
Полную номинальную мощность двигателя найдем по
формуле (4.11), принимая по паспортным данным для данного типа двигателя
значения сosφм
= 0,89 и ηм
= 0,91 [8].
Значение sinφм
определим по формуле (5.3)
Параметры схемы замещения пускаемого двигателя:
где mп
- кратность начального пускового момента двигателя по отношению к номинальному;
kп
- кратность пускового тока двигателя по отношению к номинальному;
Определим параметры схемы замещения пускаемого
двигателя М11:
Значения mп
и kп
определим по паспортным данным [8].
Значение ЭДС системы определим по формуле:
Полные сопротивления элементов схемы замещения
определим по формуле:
Полное сопротивление линии W1:
Полные сопротивления остальных элементов
определяются аналогично, результаты представлены в таблице 5.1. Схема замещения
показана на рисунке 5.2.
Таблица 5.1 - Параметры схемы замещения
|
Элемент
схемы
|
Обозначение
в таблице 3.3
|
r, Ом
|
х,
Ом
|
z, Ом
|
ЭДС,
кВ
|
|
С1
|
-
|
-
|
-
|
-
|
0,219
|
|
W1
|
Т1-1
|
0,065
|
0,0015
|
0,065
|
-
|
|
W2
|
1
|
0,0276
|
0,0011
|
0,028
|
-
|
|
W3
|
1-1
|
0,069
|
0,002
|
0,069
|
-
|
|
W4
|
1-2
|
0,0713
|
0,001
|
0,071
|
-
|
|
М12
|
-
|
7,449
|
3,87
|
8,39
|
-
|
|
М11
|
-
|
4,87
|
1,14
|
5
|
-
|
Рис. 5.2 - Схема замещения
5.2 Расчет
параметров эквивалентной схемы замещения
Определим сопротивления ветвей:
Определим проводимости ветвей по формуле:
Определим эквивалентное сопротивление:
Определим эквивалентную ЭДС:
Эквивалентная схема замещения представлена на
рисунке 5.3.
Рисунок 5.3 - Эквивалентная схема замещения
Определим пусковой ток:
Определим напряжение на выводах двигателя в
начальный момент пуска:
5.3 Определение
возможности пуска двигателя
По условию необходимого момента вращения пуск двигателя
обеспечивается, если выполняется условие:
где U*п2
- относительное напряжение на выводах двигателя в начальный момент пуска;
mп
- кратность начального пускового момента двигателя по отношению к номинальному;
mмех.0
- кратность начального момента сопротивления механизма по отношению к
номинальному;
Проверим возможность пуска двигателя, принимая,
что условия пуска являются нормальными (mмех.0
= 0,5 [9]):
Значение U*п
можно определить следующим образом:
Условие (5.10) выполняется, следовательно, пуск
двигателя обеспечивается.
5.4 Проверка
устойчивости работы предвключенного двигателя
Устойчивость работы предвключенного двигателя
при снижении напряжения в момент пуска обеспечивается, если выполняется
условие:
гдеmмах
- максимальный момент вращения двигателя по отношению к номинальному;
mмех
- момент сопротивления механизма по отношению к номинальному, численно равный
коэффициенту загрузки двигателя;
Проверим устойчивость работы предвключенного
двигателя:
Условие (5.11) выполняется, следовательно,
устойчивая работа предвключенного двигателя обеспечивается.
6. Выбор и проверка коммутационной аппаратуры
Выключатели являются основными коммутационными
аппаратами в электроустановках и должны обеспечивать коммутацию электрических
цепей, как в нормальных, так и в аварийных режимах. Поэтому выключатели
выбираются по допустимому напряжению, по длительному нагреву максимальным
рабочим (расчетным) током и проверяются по отключающей способности, а также на
электродинамическую и термическую стойкость к токам КЗ. [1]
Выбор по номинальному напряжению:
где
-
номинальное напряжение автоматического выключателя, В;
- номинальное
напряжение сети, В.
Выбор по номинальному току:
где
-
номинальный ток автоматического выключателя, А;
- максимальный
рабочий (расчетный) ток, А.
Выбор по номинальному току теплового
расцепителя:
где
-
номинальный ток теплового расцепителя автоматического выключателя, А;
- пиковый ток
защищаемого электроприемника, А.
Пиковый ток для электродвигателей равен
пусковому току. Для питающей линии пиковый ток определяется по формуле [1]:
где
-
наибольший пусковой ток электроприемника в группе, А;
- максимальный
расчетный ток электроприемников, питающихся от расчетной линии, А;
- коэффициент
использования электроприемника с наибольшим пусковым током;
- номинальный ток
электроприемника с наибольшим пусковым током, А.
Выбор по номинальному току электромагнитного
расцепителя:
где
-
номинальный ток электромагнитного расцепителя автоматического выключателя, А;
- максимальный
расчетный ток электроприемников, питающихся от расчетной линии, А.
Проверка по отключающей способности:
где
-
отключающая способность автоматического выключателя, кА;
- ток трехфазного
короткого замыкания на выходе автоматического выключателя, кА.
Проверка по чувствительности защит.
Для тепловых расцепителей:
Для электромагнитных расцепителей:
где
-
ток однофазного короткого замыкания на землю в конце зоны действия защиты
автоматического выключателя, кА.
Произведем выбор автоматического выключателя для
первой секции ВРУ - 0,4 кВ.
Пиковый ток (6.4):
Выбираем автоматический выключатель ВА 51-39.
Номинальные и расчетные параметры для выбора данного автоматического
выключателя приведены в таблице 6.1.
Выполним проверку по чувствительности защит:
Таблица 6.1 - выбор автоматического выключателя
ВА 51-39
|
Критерий
|
Наименованые
параметры
|
Расчетные
параметры
|
|
|
380
|
380
|
|
|
630
|
283,7
|
|
|
630
|
615,3
|
|
|
6300
|
830,66
|
|
|
35
|
5,38
|
|
|
-
|
3,97
|
|
|
-
|
6,3
|
|
|
-
|
1,32
|
Таблица 6.2 - выбор автоматических выключателей
|
Обозначение
на схеме
|
Место
установки
|
Защищаемая
линия
|
Тип
выключателя
|
Номинальный
ток выключателя, А
|
|
QF1, QF2
|
I,
II ввод ВРУ 0,4 кВ
|
-
|
ВА
51-39
|
630
|
|
QF3
|
I
секция ВРУ 0,4 кВ
|
4
|
ВА
51-31
|
100
|
|
QF4
|
I
секция ВРУ 0,4 кВ
|
3
|
ВА
51-35
|
250
|
|
QF5
|
I
секция ВРУ 0,4 кВ
|
2
|
ВА
51-29
|
63
|
|
QF6
|
I
секция ВРУ 0,4 кВ
|
1
|
ВА
51-29
|
63
|
|
QF8
|
II
секция ВРУ 0,4 кВ
|
5
|
ВА
51-29
|
63
|
|
QF9
|
II
секция ВРУ 0,4 кВ
|
6
|
ВА
51-29
|
63
|
|
QF10
|
II
секция ВРУ 0,4 кВ
|
7
|
ВА
51-33
|
160
|
|
QF11
|
II
секция ВРУ 0,4 кВ
|
8
|
ВА
51-29
|
63
|
|
QF12
|
II
секция ВРУ 0,4 кВ
|
9
|
25
|
|
QF13
|
ШУ-4
|
4-1
|
ВА
51-25
|
25
|
|
QF14
|
ШУ-4
|
4-2
|
ВА
51-25
|
25
|
|
QF15
|
ШУ-4
|
4-3
|
ВА
51-25
|
25
|
|
QF16
|
ШУ-4
|
4-4
|
ВА
51-29
|
63
|
|
QF17
|
ШУ-3
|
3-1
|
ВА
51-29
|
63
|
|
QF18
|
ШУ-3
|
3-2
|
ВА
51-29
|
63
|
|
QF19
|
ШУ-3
|
3-3
|
ВА
51-29
|
63
|
|
QF20
|
ШУ-3
|
3-4
|
ВА
51-29
|
63
|
|
QF21
|
ШУ-2
|
2-1
|
ВА
51-25
|
25
|
|
QF22
|
ШУ-2
|
2-2
|
ВА
51-29
|
63
|
|
QF23
|
ШУ-1
|
1-1
|
ВА
51-29
|
63
|
|
QF24
|
ШУ-1
|
1-2
|
ВА
51-29
|
63
|
|
QF25
|
ШУ-5
|
5-1
|
ВА
51-29
|
63
|
|
QF26
|
ШУ-5
|
5-2
|
ВА
51-29
|
63
|
|
QF27
|
ШУ-6
|
6-1
|
ВА
51-25
|
25
|
|
QF28
|
ШУ-6
|
6-2
|
ВА
51-29
|
63
|
|
QF29
|
ШУ-7
|
7-1
|
ВА
51-29
|
63
|
|
QF30
|
ШУ-7
|
7-2
|
ВА
51-29
|
63
|
|
QF31
|
ШУ-7
|
7-3
|
ВА
51-29
|
63
|
|
QF32
|
ШУ-8
|
8-1
|
ВА
51-25
|
25
|
|
QF33
|
ШУ-8
|
8-2
|
ВА
51-25
|
25
|
|
QF34
|
ШУ-8
|
8-3
|
ВА
51-25
|
25
|
|
QF35
|
ШУ-8
|
8-4
|
ВА
51-25
|
25
|
|
QF36
|
ШУ-8
|
8-4-1
|
ВА
51-25
|
25
|
|
QF37
|
ШУ-8
|
8-4-2
|
ВА
51-25
|
25
|
|
QF38
|
ШУ-8
|
8-4-3
|
ВА
51-25
|
25
|
|
QF39
|
ШУ-9
|
9-1
|
ВА
51-25
|
25
|
|
QF40
|
ШУ-9
|
9-2
|
ВА
51-25
|
25
|
7. Экономическая часть
.1 Смета -
спецификация
Таблица 7,1- смета спецификация
|
№
п/п
|
Наименование
оборудования и материалов
|
Тип,
мощность
|
Единицы
измерения
|
Кол-во
|
|
Распределительное
устройство
|
|
1
|
Распределительное
устройство
|
ВРУ-21Л-(400-400)-201
|
шт.
|
1
|
|
Кабели
|
|
2
|
Кабель
алюминиевый
|
АВРБГ
4×120
|
м
|
210
|
|
3
|
Кабель
медный
|
ВВГнг
4×50
|
м
|
12
|
|
4
|
Кабель
медный
|
ВВГнг
4×35
|
м
|
14
|
|
5
|
Кабель
медный
|
ВВГнг
5×10
|
м
|
60
|
|
6
|
Кабель
медный
|
ВВГнг
4×6
|
м
|
60
|
|
7
|
Кабель
медный
|
ВВГ
4×10
|
м
|
110
|
|
8
|
Кабель
медный
|
ВВГ
4×4
|
м
|
122
|
|
9
|
Кабель
медный
|
ВВГ
4×2,5
|
м
|
158
|
|
10
|
Кабель
медный
|
ВВГ
4×1,5
|
м
|
40
|
|
Шкафы
управления
|
|
11
|
Шкаф
управления насосами
|
ШУН-2
|
шт.
|
3
|
|
12
|
Шкаф
управления котлами
|
ШКА-01-С-О-К-СПУ-7
|
шт.
|
2
|
|
13
|
Щит
силовой
|
ЩС
|
шт.
|
1
|
|
Заземлители
|
|
14
|
Горизонтальный
заземлитель
|
Полосовая
сталь 40×4
мм
|
м
|
1116
|
Таблица 7.2 - локальная смета
|
Шифр
|
Наименование
работ и затрат
|
Стоимость
на ед
|
Общая
стоимость
|
Трудозатраты
|
|
|
Всего
|
Осн.
зарплата
|
Экспл.
машин
|
Зарпл.
маш.
|
Мат-лы
|
Всего
|
Осн.
Зарпл.
|
Экспл.
машин
|
Зарпл.
маш.
|
Мат-лы
|
На
ед.
|
Всего
|
|
ТЕРм
08-02-142-01
|
Устройство
постели для кабеля
|
1373,59
|
66,43
|
1305,83
|
72,01
|
1,33
|
549,44
|
26,58
|
522,33
|
28,80
|
0,53
|
6,63
|
2,65
|
|
ТЕРм
08-02-143-01
|
Покрытие
кабеля проложенного в траншее
|
1176,1
|
65,23
|
1109,57
|
61,18
|
1,3
|
470,44
|
26,1
|
443,83
|
24,47
|
0,52
|
6,51
|
2,6
|
|
ТЕРм
08-02-143-02
|
Каждого
последующего
|
246,92
|
27,25
|
219,12
|
13,13
|
0,55
|
98,79
|
10,9
|
87,65
|
5,25
|
0,22
|
2,72
|
1,1
|
|
ТЕРм
08-02-145-03
|
Прокладка
кабеля по дну канала
|
201,7
|
74,55
|
56,41
|
2,89
|
70,74
|
80,68
|
29,82
|
22,56
|
1,16
|
28,3
|
7,44
|
2,98
|
|
ТЕРм
08-02-572-07
|
ВРУ
0,4 В
|
549,12
|
48,14
|
116,32
|
5,92
|
381,66
|
546,12
|
48,14
|
116,32
|
5,92
|
381,66
|
4,66
|
4,66
|
|
ТЕРм
08-01-084-04
|
Мост
шинный
|
326,24
|
101,2
|
170,10
|
9,38
|
54,94
|
326,24
|
101,2
|
170,1
|
9,38
|
54,94
|
10,10
|
10,10
|
|
ТЕРм
08-02-572-04
|
Шкаф
управления, щит силовой
|
440,67
|
36,05
|
85,87
|
4,18
|
318,75
|
2644,02
|
216,3
|
515,22
|
25,08
|
1912,5
|
3,49
|
20,94
|
|
ТЕРм
08-02-404-01
|
Прокладка
кабелей в готовых каналах
|
175,08
|
143,47
|
2,41
|
0,14
|
29,20
|
152,32
|
124,82
|
2,10
|
0,13
|
14,64
|
12,74
|
|
ТЕРм
08-02-404-02
|
Прокладка
кабелей в готовых каналах
|
218,89
|
180,32
|
2,41
|
0,14
|
36,16
|
122,58
|
100,98
|
1,35
|
0,08
|
20,25
|
18,4
|
10,30
|
|
ТЕРм
08-02-404-03
|
Прокладка
кабелей в готовых каналах
|
290,86
|
250,88
|
2,41
|
0,14
|
37,57
|
32,00
|
27,60
|
0,27
|
0,02
|
4,14
|
25,6
|
2,82
|
|
ТЕРм
08-02-404-04
|
Прокладка
кабелей в готовых каналах
|
389,22
|
347,31
|
2,41
|
0,14
|
39,5
|
38,93
|
34,74
|
0,250
|
0,02
|
3,95
|
35,44
|
3,55
|
|
ТЕРм
08-02-411-01
|
Рукав
металлический
|
1083,58
|
272,05
|
175,27
|
2,6
|
636,26
|
4659,39
|
1169,81
|
753,66
|
11,18
|
2735,92
|
27,76
|
119,37
|
|
ТЕРм
08-02-412-02
|
Затягивание
провода в металлические рукава
|
72,86
|
52,82
|
4,82
|
0,29
|
15,22
|
313,30
|
227,13
|
20,73
|
1,25
|
65,45
|
5,39
|
23,18
|
|
ТЕРм
08-02-472-02
|
Заземлитель
горизонтальный
|
1095,75
|
162,68
|
84,74
|
3,17
|
848,33
|
12228,6
|
1818,51
|
945,70
|
35,38
|
94670,4
|
16,6
|
185,26
|
7.2 Перерасчет
сметной стоимости в цены 2016 года
В базисных ценах (01.01.2000 г.)
Всего: 22,266 тыс. руб.
Основной зарплаты: 6,137 тыс. руб.
Эксплуатация машин: 3,603 тыс. руб.
Зарплата машинистов: 0,149 тыс. руб.
Стоимость материалов: 14,702 тыс. руб.
Стоимость оборудования: 1350,014 тыс. руб.
Пусконаладочные работы: 2,176 тыс. руб.
Индекс пуско-наладочных работ: 22,76
Индекс пуско-наладочных работ: 22,76
Индекс экспл. маш.: 6,586 Индекс заработной
платы: 12,998
Индекс стоимости материалов: 6,631
Пересчет сметы в цены текущего года проводится с
помощью корректирующих коэффициентов, характеризующих цепные темпы инфляции по
отдельным видам товаров, работ и услуг.
Для того чтобы определить сметную стоимость
строящегося объекта в ценах текущего периода, необходимо исчислить полную
сметную стоимость строящегося объекта, т.е. учесть накладные расходы, которые
определялись на период, когда действовали прейскурантные цены.
Полная стоимость объекта:
(7.1)
гдеССМР - стоимость
строительно-монтажных работ по возведению зданий и сооружений, монтажа
технологического оборудования; СОБ - затраты на приобретение
основного и вспомогательного технологического оборудования; СПР -
прочие лимитированные затраты.
) Затраты на основную заработную плату по
монтажу и по эксплуатации машин текущего года.
СЗП2016 = (СЗП
+ СЗП.М )I
ЗП2016 Крег ,
(7.2)
гдеIτзп
- индекс текущего уровня зарплаты у строителей и механизаторов, (12,998);
Крег - региональный коэффициент.
СЗП2016 = (6,137 + 0,149)
12,998∙1 = 81,706 тыс. руб.;
). Затраты на пуско-наладочные работы
СП2016 = СП· I
П2016 (7.3)
где I
П2016 - индекс текущего
удорожания пуско-наладочных работ
СП2016 = 2,176 · 22,76 =
49,526 тыс. руб.
) Затраты на эксплуатацию строительных машин и
оборудования.
СЭМ2016= (СЭМ -
СЗП.М )I
ЭМ2016Крег ,
(7.4)
гдеIτэм
- индекс текущего удорожания эксплуатации машин к текущему году (6,586).
СЭМ2016 = (3,603 - 0,149)
6,586∙1 = 22,749 тыс. руб.
) Затраты на материалы необходимые для
выполнения СМР.
СМАТ2016 = СМАТ
∙IМАТ2016
Крег (7.5)
гдеIτмат
- индекс текущего удорожания материалов (6,631).
СМАТ2016 = 14,702∙6,631∙1
= 97,489 тыс. руб.
). Расчет стоимости строительно-монтажных работ:
(7.6)
гдеСПЗ - прямые затраты, включающие
стоимость материалов, изделий, конструкций, оплаты труда рабочих и эксплуатации
машин;
СН - накладные расходы;
РСМ - сметная прибыль.
Расчет прямых затрат:
(7.7)
гдеСЗП - оплата труда рабочих занятых
непосредственно на СМР;
СЭМ - расходы по эксплуатации
строительных машин и оборудования;
СМАТ - расходы на материалы
необходимые для выполнения работ.
СПЗ = 49,526 + 81,706 + 22,749 +
97,489 = 251,47 тыс. руб.
Накладные расходы:
СН2016=
ΔСЗП2016
КН , (7.8)
гдеСЗП - суммарная величина основной
зарплаты строителей и механизаторов;
КН - норматив накладных расходов
установленных государственным строем РФ.
СН = 81,706∙ 0,95 = 77,621 тыс.
руб.
Сметная прибыль:
РСМ = ΔСЗП2016
КП (7.9)
гдеКП - норматив сметной прибыли.
РСМ = 81,706∙ 0,65 = 53,109
тыс. руб.
ССМР = 251,47 + 77,621 + 53,109 =
382,2 тыс. руб.
). Расчет затрат на приобретение основного и
вспомогательного технологического оборудования.
(7.10)
гдеСО - стоимость основного
технологического оборудования;
Сдоп - дополнительные затраты
связанные с приобретением оборудования.
Стоимость запасных частей:
(7.11)
гдеКзч - коэффициент, учитывающий
стоимость запасных частей.
СЗЧ = 0,02 135·0,014= 27,1 тыс. руб.
Расходы на тару и упаковку:
(7.12)
гдеКТУ- коэффициент, учитывающий
расходы на тару и упаковку.
СТУ = 0,015 ∙1350,014= 20,251
тыс. руб.
Транспортные расходы:
(7.13)
гдеКТР - коэффициент, учитывающий
транспортные расходы.
СТР = 0,03 ∙ 1350,014= 40,501
тыс. руб.
Стоимость услуг посреднических и сбытовых
организаций:
(7.14)
гдеКСБ - коэффициент, учитывающий
снабженческо-сбытовую наценку.
ССБ = 0,05 ∙ 1350,014= 67,501
тыс. руб.
Расходы на комплектацию:
(7.15)
гдеККОМ - коэффициент, учитывающий
расходы на комплектацию.
СКОМ = 0,005· 1350,014= 6,751 тыс.
руб.
Заготовительно-складские расходы:
(7.16)
гдеКЗС - коэффициент, учитывающий
заготовительно-складские расходы. СЗС = 0,012 ∙ 1350,014=
16,201 тыс. руб.
Расчет дополнительных затрат, связанных с
приобретением оборудования.
(7.17)
СДОП = 178,305 тыс. руб.,
СОБ = 1350,014+ 178,305 = 1528,319
тыс. руб.
). Расчёт сметной стоимости материалов, изделий
и конструкций:
Срсм = (Смат2016
+ Стр + Сту)·Кзг (7.18)
где kзг
- коэффициент, учитывающий заготовительно-складские расходы (1,012). Стр
= 0,04∙97,489 = 3,9 тыс. руб.;
Сту = 0,015∙97,489 = 1,463 тыс.
руб.;
Срсм = (97,489 + 3,9 + 1,463)∙1,012
= 104,087 тыс. руб.
). Лимитированные и прочие затраты.
Затраты на строительство временных зданий и
сооружений:
Свз = квз·Ссмр2016
; (7.19)
Свз = 0,039·382,2 = 14,906 тыс. руб.
Затраты на добровольное страхование:
Сстр = кстр·Ссмр2016
; (7.20)
Сстр = 0,03·382,2 = 11,466 тыс. руб.
Затраты на отчисления в фонд
научно-исследовательских и опытно-конструкторских работ (НИОКР):
Сниокр = книокр (См2016+
Соб + Ссмр2016) (7.21)
Сгр = 0,015 (382,2 + 1350,014 +
97,489) = 27,446 тыс. руб.
Затраты на перевозку крупногабаритной грузов:
Сгр = кгр·Ссмр2016
(7.22)
Сгр = 0,0003·382,2 = 0,115 тыс. руб.
Затраты на премирование за ввод в эксплуатацию:
Сэксп = кэксп · Ссмр2016
(7.23)
Сэксп = 0,0254 · 382,2= 9,708 тыс.
руб.
Дополнительные затраты по охране объектов
строительства:
Сохр2016= Ссмр2016
∙ кохр, (7.24)
Сохр = 382,2 ∙ 0,013 = 4,969
тыс. руб.
Авторский надзор:
Савт = кавт·Сп2016
(7.25)
·Сп2016 = Ссмр
+ Срсм + Соб + Спр.зат. (7.26)
Савт = 0,0002 · 1904,911 = 0,381 тыс.
руб.
Резерв средств на непредвиденные работы и
затраты:
Снепр = Сп2016
· кнепр , (7.27)
где кнепр - коэффициент, учитывающий
размер резерва на непредвиденные работы и затраты.
Снепр = 2886,529 · 0,03 = 57,148 тыс.
руб.
Таблица 7.3 - Итоговая стоимость
электромонтажных работ в текущих ценах
|
№
п/п
|
Наименование
показателя
|
Коэффициент
отн. ед.
|
Значение
тыс.руб.
|
|
1.
|
Монтажные
работы в базисных ценах (01.01.2000 г.): Основная заработная плата Заработная
плата машинистов Затраты по эксплуатации машин Строительные материалы
Пусконаладочные работы
|
|
6,137
0,149 3,603 14,702 2,176
|
|
2.
|
Пересчет
стоимости монтажных работ в текущие цены: Удорожание затрат на заработную
плату Удорожание затрат по эксплуатации машин Удорожание строительных
материалов Удорожание пусконаладочных работ Всего прямых затрат в текущих
ценах Накладные расходы организации Сметная прибыль организации Всего затрат
на монтажные работы по смете
|
12,998
6,586 6,631 22,76 0,95 0,65
|
81,706
22,749 97,489 49,526 251,47 77,621 53,109 382,2
|
|
3.
|
Стоимость
оборудования по смете Стоимость оборудования в текущих ценах Расчет
дополнительных расходов на оборудование: Расходы на запасные части Расходы на
тару и упаковку Транспортные расходы Снабженческо - сбытовая наценка
Заготовительно - складские расходы Расходы на комплектацию Всего
дополнительных расходов на оборудование: Всего расходов на оборудование в
текущих ценах:
|
0,02 0,015 0,03 0,05 0,012 0,005
|
1331,997
27,1 20,251 40,501 67,501 16,201 6,751 178,305 1510,302
|
|
4.
|
Стоимость
материалов по смете Оптовая цена на материалы в текущих ценах Расчет
дополнительных расходов на материалы: Транспортные материалы Расходы на тару
и упаковку Заготовительно - складские расходы Всего дополнительных расходов
на материалы Всего расходы на материалы в текущих ценах
|
0,03 0,015 0,012
|
97,489
40,501 20,251 16,201 76,953 174,442
|
|
5.
|
Лимитированные
и прочие затраты в текущих ценах: На строительство временных зданий На
перевозку крупногабаритных грузов На добровольное страхование На НИОКР На
премирование за ввод в эксплуатацию На охрану объектов строительства
Авторский надзор Непредвиденные расходы и затраты Всего лимитированных и
прочих затрат
|
0,039
0,0003 0,03 0,015 0,0254 0,013 0,0002 0,03
|
14,906
0,115 11,466 27,446 9,708 4,969 0,381 57,148 126,139
|
|
6.
|
Полная
стоимость электромонтажных работ в текущих ценах:
|
|
2193,083
|
7.3 Определение численности электромонтажной
бригады
Исходя из заданного срока выполнения
строительно-монтажных работ, рассчитываем явочную численность бригад
электромонтажников по формуле:
,(7.28)
гдеТМ - общие
трудозатраты (общая трудоемкость) выполнения монтажных работ, определяемая по
сметно-финансовому расчету, чел/ч.;
ТПЛ - плановый срок
выполнения монтажных работ.
ТПЛ = n ∙ ТМЕС,(7.29)
гдеn -
количество месяцев планируемых на проведение строительно-монтажных работ, мес.;
ТМЕС - месячный фонд
рабочего времени, час.
КВ - коэффициент
выполнения норм труда, принимается в диапазоне 1,00…0,40.
КИ - коэффициент
использования рабочего времени, принимается равным значению 0,9.
ТПЛ = 1 ∙ 168 = 168
час;
чел.
Принимаем Чя = 5 чел.
Списочное число электромонтажников:
ЧСПИС = ЧЯ ∙
КНВ, (7.30)
где КНВ - плановый коэффициент
невыходов на работу. Учитывает плановые невыходы работающих в связи с
предоставлением работникам очередного отпуска, потери рабочего времени по
болезни, потери трудоспособности выполнения государственных обязанностей и
другие плановые потери. Для большинства предприятий КНВ = 1,10…1,15.
ЧСПИС = 5∙ 1,1 = 6 чел.
8. БЖД
Выполнение требований электробезопасности в
особо опасных помещениях по степени опасности поражения электрическим током.
Степень безопасности обслуживания электрических
установок во многом зависит от условий эксплуатации и характера среды
помещений, в которых электрооборудование установлено.
Влага, пыль, едкие пары, газы, высокая
температура разрушительно действуют на изоляцию электроустановок, тем самым в
значительно)! степени ухудшают условия безопасности.
В соответствии с правилами устройства
электротехнических установок, все помещения, содержащие электроустановки,
классифицируются с точки зрения опасности поражения электрическим током на
следующие три категории.
Помещения без повышенной опасности: сухие, не
жаркие, с токонепроводящим полом, без токопроводящей пыли, а также помещения с
небольшим количеством металлических предметов, конструкций, машин и т. п. или с
коэффициентом заполнения площади k < 0,2 (т. е. отношением площади, занятой
металлическими предметами, к площади всего помещения).
Помещения с повышенной опасностью: сырые, в
которых при нормальных условиях влажность временно может повышаться до
насыщения, как, например, при резких изменениях температуры или при выделении
большого количества пара; сухие, по неотапливаемые, чердачные помещения,
неотапливаемые лестничные клетки и помещения отапливаемые, по с кратковременным
присутствием влаги; помещения с токопроводящей пылью (угольные мельницы,
волочильные цехи и другие им подобные); жаркие, т. е. помещения с температурой
свыше 30° С; помещения с токопроводящими полами (земляные, бетонные, деревянные
в сыром состоянии).
Помещения особо опасные: особо сырые помещения;
помещения с едкими парами, газами и охлаждающими жидкостями, разрушительно
действующими на обычно употребляемые в электрических установках материалы и
снижающими сопротивление человеческого тела; помещения, в которых имеются два
или несколько признаков опасности (например, жаркое помещение и проводящий пол
или сырое помещение с коэффициентом заполнения более 0,2 и т. д.).
С целью избежания произвольного толкования
определений, вошедших в классификацию помещений, согласно правилам устройства
электротехнических установок, сухими считаются помещения с относительной
влажностью не выше 75% и температурой не ниже +5° С, т. е. те, в которых пол,
стены и все предметы нормально находятся в сухом состоянии; сырыми считаются
помещения с относительной влажностью, которая постоянно превышает 75% или может
временно повышаться до 100%, так как в этих помещениях может возникать
значительная влажность при резком изменении температуры или при выделении
большого количества пара.
Особо сырыми считаются помещения, в которых
воздух постоянно насыщен водяными парами, т. е. относительная влажность
достигает 100% и в результате пол, потолок и все предметы постоянно покрыты
влагой.
Помещениями с токопроводящей пылью в которых в
связи с характером производственных процессов может выделяться и собираться в
большом количестве токопроводящая пыль (например, угольная, металлическая). Эта
пыль, препятствует поддержанию должного сопротивления изоляции
электроустановки, а также снижает сопротивление человеческого тела.
Помещениями с едкими парами или газами считаются
те, в которых при производственном процессе выделяются пары или газы,
разрушительно действующие на изолирующие материалы, обычно применяемые в
электроустановках. Вследствие этого необходимо принимать особые меры для защиты
изоляции электрооборудования. Кроме разрушительного действия на изоляцию
электрооборудования, эти пары и газы могут также значительно снизить
сопротивление человеческого тела.
Жаркие помещения характеризуются высокой
температурой, вызывающей высыхание и разрушение изоляции, а также обильную
транспирацию, повышающую опасность поражения током у лиц, находящихся в таких
помещениях. Различают помещения жаркие - с температурой выше 30° С и особо
жаркие - с температурой выше 35° С.
Пожароопасными помещениями считаются те, в
которых обрабатываются или хранятся легко воспламеняющиеся предметы или по
условиям производства могут образоваться легко воспламеняющиеся газы, пары,
пыль и волокна.
Взрывоопасными являются помещения, в которых
изготовляют, обрабатывают или хранят взрывчатые вещества или могут образоваться
взрывчатые газы, пары, либо взрывчатая смесь их с воздухом.
Применение более совершенной технологии
производства, хорошей вентиляции и герметизации дает возможность значительно
снизить степень опасности большинства производственных помещений.
Особое значение для электробезопасности имеет
токопроводимость пола. Сухие торцовые (без гвоздей) или паркетные полы обладают
довольно большим сопротивлением и хорошо изолируют человека от земли. Наоборот,
кирпичные, плиточные, бетонные или земляные полы, сопротивление которых резко
уменьшается при увлажнении, являются плохой изоляцией.
Полы с высоким сопротивлением могут служить
весьма эффективной мерой защиты. В цехах с хорошими торцовыми, паркетными или
другими полами, имеющими большое сопротивление, однофазное прикосновение может
оказаться менее опасным при поврежденной изоляции.
Как показывает анализ электротравм, на
предприятиях с полами, имеющими высокое электрическое сопротивление,
возможность электропоражений при эксплуатации электрооборудования значительно
уменьшается. Однако, при прикосновении к двум фазам одновременно изолирующие
свойства пола не имеют значения и поражение током неизбежно.
Выбор и обоснование сети до 1кВ для
электроснабжения отопительной котельной в условиях высокой влажности. Выбор
заземляющего устройства энергообъекта. Подключение энергоприемников 0,4 кВ к
контуру заземления. Электроустановки в отношении мер электробезопасности
разделяются на:
) электроустановки напряжением выше 1 кВ в сетях
с глухозаземленной или эффективно заземленной нейтралью;
) электроустановки напряжением выше 1 кВ в сетях
с изолированной или заземленной через дугогасящий реактор или резистор
нейтралью;
) электроустановки напряжением до 1 кВ в сетях с
глухозаземленной нейтралью;
)электроустановки напряжением до 1 кВ в сетях с
изолированной нейтралью.
В соответствии с ПУЭ п.1.7.57. Электроустановки
напряжением до 1 кВ жилых, общественных и промышленных зданий и наружных
установок должны, как правило, получать питание от источника с глухозаземленной
нейтралью с применением системы TN.
Для защиты от поражения электрическим током при
косвенном прикосновении в таких электроустановках должно быть выполнено
автоматическое отключение питания в соответствии
Питание электроустановок напряжением до 1 кВ
переменного тока от источника с изолированной нейтралью с применением системы
IT следует выполнять, как правило, при недопустимости перерыва питания при
первом замыкании на землю или на открытые проводящие части, связанные с
системой уравнивания потенциалов.
При применении системы TN рекомендуется
выполнять повторное заземление РЕ- и РEN-проводников на вводе в
электроустановки зданий, а также в других доступных местах. Для повторного
заземления в первую очередь следует использовать естественные заземлители.
Применение в качестве защитной меры зануления.
Зануление - это преднамеренное электрическое
соединение открытых проводящих частей электроустановок с глухозаземленной
нейтральной точкой, выполняемое в целях электробезопасности.
Зануление необходимо для обеспечения защиты от
поражения электрическим током при косвенном прикосновении за счет снижения
напряжения корпуса относительно земли и быстрого отключения электроустановки от
сети.
Область применения зануления:
) электроустановки напряжением до 1 кВ в
трехфазных сетях переменного тока с заземленной нейтралью (система TN - S;
обычно это сети 220/127, 380/220, 660/380 В);
) электроустановки напряжением до 1 кВ в
однофазных сетях переменного тока с заземленным выводом;
) электроустановки напряжением до 1 кВ в сетях
постоянного тока с заземленной средней точкой источника.
При замыкании фазного провода на зануленный
корпус электропотребителя образуется цепь тока однофазного короткого замыкания
(то есть замыкания между фазным и нулевым защитным проводниками). Ток
однофазного короткого замыкания вызывает срабатывание максимальной токовой
защиты, в результате чего происходит отключение поврежденной электроустановки
от питающей сети. Кроме того, до срабатывания максимальной токовой защиты
происходит снижение напряжения поврежденного корпуса относительно земли, что
связано с защитным действием повторного заземления нулевого защитного
проводника и перераспределением напряжений в сети при протекании тока короткого
замыкания. Следовательно, зануление обеспечивает защиту от поражения
электрическим током при замыкании на корпус за счет ограничения времени
прохождения тока через тело человека и за счет снижения напряжения
прикосновения.
Назначение проектируемого устройства защитного
отключения - устранение опасности поражения людей током при возникновении на заземленном
или зануленном электродвигателе повышенного потенциала. Разработанное
устройство является дополнительной мерой защиты к заземлению или занулению.
Рисунок. 9.2 - Схема УЗО
Принцип действия - быстрое отключение от сети
поврежденного оборудования, если возникший на его корпусе потенциал окажется
выше потенциала φК доп ,В,
при котором напряжение прикосновения к корпусу имеет наибольшее длительно
допустимое значение U пр, доп,В.
Датчиком в схеме автоматического отключения
служит реле максимального напряжения, включенное между защищаемым корпусом и
вспомогательным заземлителем непосредственно или через трансформатор
напряжения. Электроды вспомогательного заземлителя должны быть размещены вне
зоны растекания токов стекающих с заземлителя корпуса или с заземлителей
нулевого проводника сети, т.е. на расстоянии более 20 м. При замыкании фазы на
заземленный (или зануленный) корпус вначале проявляется защитное свойство
заземления (или зануления), снижающее потенциал корпуса до некоторого предела
UK=IЗrK .
Если φК
превысит φК.ДОП , сработает
устройство защитного отключения, т.е. произойдет отключение поврежденной
установки от сети.
Расчет заземляющего устройства объекта.
Исходные данные:
) Подстанция является понижающей, имеет два
трансформатора 10/0,4 кВ с глухозаземленной нейтралью на стороне 0,4 кВ и
изолированной на стороне 10 кВ;
2) Площадь застройки подстанции 25 м
;
) Площадь застройки котельной 939 м
) Искусственный заземлитель
предполагается выполнить электродами из стального стержня диаметром
= 18 мм,
длиной
= 3 м,
соединённой стальной проволокой диаметром 12мм. и заглублённой на глубину 0,7
м;
)Длина контура
= 28 м.;
) длина контура котельной
= 192 м
)Грунт в месте сооружения подстанции
имеет удельное сопротивление
ρ = 100 Ом∙м
(суглинок). Климатическая зона 3.
Определяется расчётное удельное
сопротивление грунта для горизонтальных и вертикальных заземлителей:
где
коэффициенты сезонности для
горизонтальных и вертикальных заземлителей:
Определяется сопротивление
растеканию одного вертикального электрода по формуле:
где
- расстояние от поверхности земли
до центра стержня, м.
Определяем расчётное сопротивление
растеканию горизонтальных полос по формуле:
Уточняется необходимое сопротивление
вертикальных электродов:
Уточняется число вертикальных
электродов:
Окончательно принимаем к установке 14
вертикальных заземлителей.
Расстояние между вертикальными электродами:
Для подстанций напряжением 6-10/0,4 кВ должно
быть выполнено одно общее заземляющее устройство, к которому должны быть
присоединены:
) нейтраль трансформатора на стороне напряжением
до 1 кВ;
) корпус трансформатора;
) металлические оболочки и броня кабелей
напряжением до 1 кВ и выше;
) открытые проводящие части электроустановок
напряжением до 1 кВ и выше;
) сторонние проводящие части.
Вокруг площади, занимаемой подстанцией, на
глубине не менее 0,5 м и на расстоянии не более 1 м от края фундамента здания
подстанции или от края фундаментов открыто установленного оборудования, должен
быть проложен замкнутый горизонтальный заземлитель (контур), присоединенный к
заземляющему устройству.
Первичные средства тушения пожара. Использование
огнетушителей.
К первичным средствам тушения загораний и пожаров
относят различные огнетушители, песок, кошмы, внутренние пожарные краны.
Пользование ими рассчитано на любого человека, оказавшегося на месте загорания
и пожара. Наибольшее распространение в качестве первичных средств тушения
загораний и пожаров получили огнетушители. По содержанию огнетушащих веществ
огнетушители подразделяют на пенные, газовые и порошковые.
Ручные пенные огнетушители. Основным ручным
аппаратом для получения химической пены является огнетушитель ОХП-10
(огнетушитель химический пенный модель 10).
Рис. 76. Химический огнетушитель ОХП-10
- корпус; 2 - кислотный стакан; 3 - ручка; 4 -
переходник горловины; 5 - горловина; 6 - рукоятка; 7 - шток; 8 - крышка; 9 -
резиновые прокладки; 10 - пружина; 11 - спрыск; 12 - клапан; 13 - накидная
гайка; 13 - мембрана; 15 - штуцер предохранителя; 16 - дно
Огнетушитель ОХП-10 (рис. 76) представляет собой
баллон с находящимся внутри него зарядом. Заряд состоит из щелочной и кислотной
частей. Щелочная часть представляет собой водный раствор двууглекислой соды
(бикарбоната натрия NaHCO8). В щелочной раствор добавляют небольшое
количество вспенивателя - солодкового экстракта. Кислотная часть представляет
собой смесь серной кислоты H2SO4 с сернокислым окисным
железом Fe2(SO4)3, сернокислым алюминием и т.
д. Ее содержат в специальном герметически закрытом стеклянном стакане, а
щелочной раствор заливают в корпус огнетушителя. Перед началом работы
огнетушителя необходимо прочистить спрыск шпилькой, подвешенной к огнетушителю.
Чтобы привести огнетушитель в действие, нужно
поднять вверх рукоятку, при этом открывается клапан кислотного стакана, и
перевернуть огнетушитель. Кислотная часть заряда вытекает из стакана и
смешивается с раствором щелочной части заряда. В результате химической реакции
образуется углекислый газ, создающий в корпусе огнетушителя давление, под
которым заряд выбрасывается через спрыск в виде химической пены.
Огнетушитель ОХП-10 работает всего лишь около 1
мин и дает до 45 л пены. Дальность полета струи около 8 м.
Пена, получаемая с помощью химических пенных
огнетушителей, электропроводна, поэтому химические пенные огнетушители нельзя
применять для тушения загораний в электроустановках, находящихся под
напряжением.
Газовые огнетушители. В качестве огнетушащего
средства в этих огнетушителях в основном используют углекислоту,
углекислотно-бромэтиловый состав, реже четыреххлористый углерод, азот и другие
инертные газы.
Углекислотные огнетушители выпускаются емкостью
2; 5 и 8 л, соответственно марок ОУ-2, ОУ-5 и ОУ-8.
Рис. 77. Углекислотный огнетушитель ОУ-2
Основными частями углекислотного огнетушителя
(рис. 77) являются: корпус в виде стального баллона 1, латунный запорный
вентиль 2 с сифонной трубкой, раструб-снегообразователь 4,присоединяемый к
запорному устройству с помощью накидной гайки 3. Запорный вентиль имеет
предохранительное устройство в виде мембраны, которое срабатывает при повышении
давления в баллоне огнетушителя сверх допустимого. Обычно газ в баллонах
находится под давлением 60 ат. Предохранительное устройство срабатывает при
повышении давления в огнетушителе до 180-210 ат. Время действия ручных
угле-кислотных огнетушителей до 40 с.
Значительно больший заряд углекислоты содержат
одно- и двухбаллонные углекислотные огнетушители УП-1М и УП-2М с емкостью
баллонов 27 и 40 л.
В производственных зданиях могут применяться
стационарные двухбаллонные огнетушители с углекислотой или составом 3,5.
Баллоны имеют емкость 40 л, открываются вручную. Подача углекислоты
производится по шлангу длиной 30 м с раструбом на конце,
Порошковые огнетушители. Промышленностью
выпускаются порошковые огнетушители ОП-1 и ОП-10. Огнетушитель ОП-1 применяют
для тушения загораний двигателей, электроустановок, находящихся под
напряжением, горючих жидкостей. Полезная емкость корпуса огнетушителя 1,2 л.
Заряд огнетушителя - порошок ПСБ, состоящий из бикарбоната натрия (88%), талька
(10%) и стеаратов металлов - железа, алюминия, магния, кальция или цинка - по
выбору (2%).
В зависимости от интенсивности встряхивания
огнетушителя время истечения порошка - в пределах 20-50 с. Заряженный
огнетушитель весит 1450 г.
Рис. 78. Порошковый огнетушитель ОП-1: 1 -
крышка; 2 -распылитель; 3 - корпус
Огнетушитель ОП-1 (рис. 78) представляет собой
цилиндрический корпус, в горловину которого вставляется сетчатый распылитель,
имеющий 19 отверстий диаметром 6 мм каждое. Горловина закрывается крышкой на
резьбе, а для уплотнения в крышку вставляют резиновую прокладку. Для
обеспечения возможности осмотра внутренней поверхности огнетушителя при зарядке
и очистке от загрязнений распылитель и крышку делают из полиэтилена. Загорания
тушат огнетушителем ОП-1 путем энергичного встряхивания и выбрасывания порошка
через сетчатый распылитель, чем создается туманообразное облако порошка в зоне
горения. Огнетушитель ОП-10 имеет баллон емкостью 10 л, в который вмещается 10
кг порошка. В корпус огнетушителя вмонтирован баллон емкостью 300 мл для
сжатого газа. Аэрозольный способ вытеснения порошка из огнетушителя позволяет
выбросить весь порошковый заряд за 25-30 с на расстояние 6- 8 м.
Огнетушитель ОП-10 предназначен для тушения
горючих жидкостей и электроустановок, находящихся под напряжением.
Аппараты стационарного типа, устанавливаемые в
цехах, и передвижные огнетушащие установки. В цехах машиностроительных
предприятий можно встретить стационарные установки воздушно-пенного
огнетушения, стационарные и передвижные углекислотные установки, установки СЖБ
и др.
Рис. 79. Схема стационарного воздушно-пенного
огнетушителя: 1- трубка для подачи сжатого воздуха; 2 - резервуар для водного
раствора пенообразователя; 3 - приспособление для заливки в резервуар
пенообразователя; 4- патрубок для выхода пены
Стационарные воздушно-пенные огнетушители (рис.
79) нашли применение в цехах, где постоянно имеется сжатый воздух, используемый
для производственных целей. Установка состоит из резервуара 2, в котором
постоянно хранится водный раствор пенообразователя, заливаемый через
приспособление 3. К резервуару подключен трубопровод сжатого воздуха 1. При
возникновении пожара к патрубку для выхода пены 4 присоединяют рукав и
открывают вентиль на трубопроводе сжатого воздуха. При емкости резервуара
огнетушителя 250 л из него можно получить до 7,5 м3
воздушно-механической пены.
Более эффективная защита объектов от пожара
обеспечивается внедрением огнетушителей высокократной пены ОВП-100 и ОВПУ-250.
Первый их них - передвижной, образует около 9 м3 пены высокой
кратности (до 100), другой - стационарный, дает до 25 м3 пены. Такое
количество пены достаточно для тушения горения на площади до 100 м2.
Для тушения загораний электрообрудования,
находящегося под напряжением, и в тех случаях, когда пена для тушения не может
быть применена, устанавливают стационарные углекислотные установки тина СУМ-8
(стационарная, углекислотная, местная, восьмибаллонная). Восемь баллонов этой
установки включаются попарно и приводятся в действие четырьмя пусковыми
механизмами.
Для тушения небольших очагов пожаров горючих
веществ и тлеющих материалов, а также электроустановок, находящихся под
напряжением, применяют также огнетушащие установки СЖБ-50 и ОКБ-150, в которых
в качестве огнетушащего состава применяется бромистый этил и фреон-114В2.
Роль место и задачи МЧС. Возложенные на МЧС
официальные задачи и анализ ее реальной роли в ЧС различного происхождения
позволяют сделать вывод о том, что эта роль сводится к трем целевым функциям
системы:
предупреждение возникновения ЧС;
снижение потерь и ущерба от ЧС;
ликвидация последствий ЧС.
Если удается в достаточной степени выполнить эти
целевые функции, государственная, общественная потребность в РСЧС будет
удовлетворена. В общем, МЧС занимается проблемами экологии, оказания
гуманитарной помощи пострадавшим в результате стихийных бедствий, аварий,
катастроф, вооруженных конфликтов в России и за ее пределами, информационным
обеспечением в зонах ЧС, созданием сил быстрого реагирования на все ЧС, где бы
они не происходили.
Основные задачи МЧС России
разработка предложений по государственной
политике в области гражданской обороны, предупреждения и ликвидации
чрезвычайных ситуаций, в том числе преодоления последствий радиационных аварий
и катастроф, проведения подводных работ особого назначения.
руководство гражданской обороны Российской
Федерации, Войсками гражданской обороны Российской Федерации,
поисково-спасательной службой МЧС России;
обеспечение функционирования и дальнейшего
развития Российской системы предупреждения и действий в чрезвычайных
ситуациях(РСЧС);
организация и осуществление государственного
надзора за готовностью к действиям при возникновении чрезвычайных ситуаций и
выполнением мероприятий по их предупреждению;
руководство по поручению Правительства
Российской Федерации работами по ликвидации крупных аварий, катастроф и других
чрезвычайных ситуаций;
координация деятельности федеральных органов
исполнительной власти, органов исполнительной власти субъектов Российской
Федерации, органов местного самоуправления, предприятий, учреждений и
организаций по преодолению последствий радиационных аварий и катастроф,
контроль за осуществлением мероприятий в этой области; организация разработки и
реализации федеральных целевых и научно-технических программ, направленных на
предотвращения и ликвидацию чрезвычайных ситуаций, в том числе преодоление
последствий радиационных аварий и катастроф, защиту населения, территории
страны, а также на повышение устойчивости функционирования объектов народного
хозяйства при возникновении чрезвычайных ситуаций;
координация работ по созданию и использованию
системы чрезвычайных резервных фондов, включая государственные резервы, для
проведения первоочередных работ по ликвидации чрезвычайных ситуаций, контроль
за целевым расходованием средств, выделяемых Правительством Российской
Федерации на проведение мероприятий по ликвидации чрезвычайных ситуаций;
организация обучения населения, подготовки
должностных лиц органов управления и формирований гражданской обороны,
подразделений РСЧС к действиям в чрезвычайных ситуациях;
организация международного сотрудничества по
вопросам, входящим в компетенцию Министерства;
организация разработки и осуществления
мероприятий по предупреждению и ликвидации чрезвычайных ситуаций, в том числе
последствий радиационных аварий и катастроф, подъему затопленной военной
техники, боеприпасов, в том числе снаряженных отравляющими веществами, и
контейнеров с радиоактивными отходами;
организация подготовки спасателей к действиям в
чрезвычайных ситуациях и выживанию в экстремальных условиях;
осуществление руководства функционированием и
развитием федеральной системы сейсмологических наблюдений и прогноза
землетрясений;
координация деятельности федеральных органов
исполнительной власти по проведению поиска и спасения людей,
аварийно-спасательных работ, ликвидации разливов нефти, нефтепродуктов, вредных
химических и радиоактивных веществ на море и внутренних водоемах страны;
организация оповещения и информирования
населения о чрезвычайных ситуациях, контроль за созданием и работой
соответствующих территориальных и локальных систем оповещения;
организация совместно с заинтересованными
организациями и координация работ по прогнозированию вероятности возникновения
чрезвычайных ситуаций природного и техногенного характера, их моделированию,
районированию территории Российской Федерации по наличию потенциально опасных
производств, объектов и угрозы стихийных бедствий, разработке и внедрению
нормативных показателей степени риска на объектах народного хозяйства и
территориях;
организация формирования и доставки гуманитарной
помощи населению Российской Федерации и зарубежных стран, пострадавшему в
результате чрезвычайных ситуаций;
определение совместно с федеральными органами
исполнительной власти, органами исполнительной власти субъектов Российской
Федерации и органами местного самоуправления состава размещения и оснащения сил
и средств, предназначенных для ликвидации чрезвычайных ситуаций, создание
учебных и реабилитационных центров;
рассмотрение и согласование программ учебных и
специальных учебных заведений по вопросам гражданской обороны, подготовки к
действиям при чрезвычайных ситуациях;
организация проведения научно-исследовательских
и опытно-конструкторских работ по проблемам защиты населения и территории при
чрезвычайных ситуациях, совершенствования существующих и создания новых
высокоэффективных аварийно-спасательных средств, повышения устойчивости
функционирования объектов народного хозяйства при чрезвычайных ситуациях;
координация разработки, утверждение или
согласование программы обучения населения, подготовки должностных лиц и органов
управления и формирований гражданской обороны, подразделений РСЧС к действиям в
чрезвычайных ситуациях, организация и осуществление аттестаций спасателей и
аварийно-спасательных формирований;
осуществление связи с общественностью,
гражданами и средствами массовой информации по вопросам гражданской обороны,
предупреждения и ликвидации чрезвычайных ситуаций, преодоления последствий
радиационных аварий и катастроф, защиты жизни и здоровья людей, повышения
устойчивости функционирования объектов народного хозяйства при авариях,
катастрофах и стихийных бедствиях;
осуществление международного сотрудничества по
вопросам гражданской обороны, предупреждения и ликвидации чрезвычайных
ситуаций, в том числе преодоления последствий радиационных аварий и катастроф,
оказания помощи пострадавшему населению, проведения подводных работ особого
назначения и другим вопросам, относящимся к компетенции МЧС России.
Министерство РФ по делам ГО и ЧС является одним
из силовых министерств. Проводимые им мероприятия, его силы и средства это
составная часть, одно из звеньев всей системы общегосударственной обороны и
защитных мер. Предупредить человека о надвигающейся опасности, вызволить из
беды при возникновении чрезвычайных ситуаций нет более важной гуманной задачи.
Заключение
В ходе выполненной работы был проведен расчет
электроснабжения городской районной котельной. Был произведен расчет электрических
нагрузок электроприемников 0,4 кВ, выбрана наиболее актуальная схема
электроснабжения. Так же произведен выбор и проверка кабеля для
распределительных и питающих линий, произведен выбор и проверка защитной и
коммутационной аппаратуры, проверена возможность пуска двигателя, выполнен
расчет заземляющего устройства объекта и проведена оценка эффективности
инвестиционных вложений. Экономический расчет показал актуальность данного
проекта.
Список использованных пользованных источников
1.
Указания по расчету электрических нагрузок: РТМ 36.18.32.4-92: утв. ВНИПИ
Тяжпромэлектропроект 30.07.92: ввод в действие с 01.01.93.
.
Беляевский, Р. В. Электроснабжение и электрооборудование предприятий: учеб.
пособие [Электронный ресурс]: для студентов очной формы обучения специальности
140604 «Электропривод и автоматика промышленных установок и технологических
комплексов» / Р. В. Беляевский. - Электрон. дан. - Кемерово: ГУ КузГТУ, 2011.
.
Киреева, Э. А. Полный справочник по электрооборудованию и электротехнике: справочное
издание / Э. А. Киреева, С. Н. Шерстнев - 2-е издание, стер. - М.: КНОРУС, 2013
- 864 с.
.
Синенко, Л. С. Электроснабжение. Версия 1.0 [Электронный ресурс]: учеб. пособие
по курсовому проектированию / Л. С. Синенко, Е. Ю. Сизганова, Ю. П. Попов. - Электрон.
дан. (2 Мб). - Красноярск: ИПК СФУ, 2008.
.
ГОСТ 14209-97 Руководство по нагрузке силовых масляных трансформаторов.
.
ПУЭ
.
РД 153-34.0-20.527-98
.
Двигатели асинхронные вертикальные серии ВАН и ВАН2. Каталог Е04000301. ОАО
«Уралэлектротяжмаш»
.
Куликов Ю. А. Переходные процессы
.
ГОСТ 28249-93 Короткое замыкание в электроустановках. Методы расчета в
электроустановках переменного тока напряжением до 1кВ.