Расчет отопительно-производственной котельной

  • Вид работы:
    Контрольная работа
  • Предмет:
    Другое
  • Язык:
    Русский
    ,
    Формат файла:
    MS Word
    321,04 Кб
  • Опубликовано:
    2012-06-23
Вы можете узнать стоимость помощи в написании студенческой работы.
Помощь в написании работы, которую точно примут!

Расчет отопительно-производственной котельной

МИНИСТЕРСТВО ОБРАЗОВАНИЯ И НАУКИ РОССИЙСКОЙ ФЕДЕРАЦИИ

ФЕДЕРАЛЬНОЕ АГЕНСТВО ПО ОБРАЗОВАНИЮ

ГОСУДАРСТВЕННОЕ ОБРАЗОВАТЕЛЬНОЕ УЧРЕЖДЕНИЕ

ВЫСШЕГО ПРОФЕССИОНАЛЬНОГО ОБРАЗОВАНИЯ

НОВОСИБИРСКИЙ ГОСУДАРСТВЕННЫЙ ТЕХНИЧЕСКИЙ УНИВЕРСИТЕТ

Кафедра ТЭС

Расчетно-графическая работа

Расчет отопительно-производственной котельной



Студент: Шаюк С.М.

Преподаватель: Шаров Ю.И.

Новосибирск

2012

Содержание

Задание

1. Построение температурного графика

2. Расчет принципиальной тепловой схемы котельной

2.1 Исходные данные

2.2 Выбор основного оборудования (котла)

2.3 Сетевая установка (пароводяной подогреватель)

2.4 Собственные нужды котельной

2.5 Расширитель непрерывной продувки котлов

2.6 Деаэратор питательной воды

2.7 Относительная погрешность расчета

2.8 Выбор котельных агрегатов

2.9 Оценка экономичности котельной

3. Оценка экологических проблем

3.1 Расчет вредных выбросов котельной

4. Расчет высоты дымовой трубы

Задание


-       Рассчитать принципиальную тепловую схему отопительно-производственной котельной с закрытой (без водоразбора) системой горячего водоснабжения для г. Семипалатинск Рисунок 1.1.

-       Выбрать основное оборудование и оценить экономичность котельной.

-       Определить вредные выбросы котельной в окружающую среду и высоту дымовой трубы.

-       Исходные данные выбрать из табл.3.1.


1. Построение температурного графика


Температурный график - это зависимость температур прямой сетевой воды tпс (отпускаемой котельной потребителю) и обратной tос (возвращаемой от потребителя) от температуры наружного воздуха tвз.

Начало графика - точка С соответствует условию tпс = tос=tвз =18°С. При графике теплоснабжения tпс/tос=150/70°С максимальная температура прямой сетевой воды 150°С соответствует расчетной температуре наружного воздуха (средней температуре наиболее холодной пятидневки года) - точка D на температурном графике. Из табл. П.4 для Семипалатинска расчетная температура наружного воздуха равна - 38°С. При этой же температуре наносится на график максимальная температура обратной сетевой воды tос = 70°С (точка Е).

После соединения прямыми линиями точки С с точками D и Е получаются зависимости прямой и обратной сетевой воды от температуры наружного воздуха (температурный график). Считается экономически нецелесообразным отпускать потребителю горячую воду с температурой не ниже 70°С, поэтому из рис.1 при температурах наружного воздуха tвз > - 3,7°С (для Семипалатинска) температура отпускаемой потребителю горячей воды остается постоянной (см. точку А на температурном графике) tпс = 70°С, а регулирование тепловой нагрузки системы теплоснабжения осуществляется расходом горячей воды (количественное регулирование). Аналогично остается постоянной и температура обратной сетевой воды toc =38°С (см. точку В на температурном графике). При температурах же tвз < - 3,7°С - регулирование качественное, т.е. изменением температуры отпускаемой потребителю горячей воды (при ее постоянном расходе).

Необходимая поверхность нагрева отопительных приборов, обеспечивающая компенсацию потерь теплоты через ограждения здания в окружающую среду, определяется обычно при средней температуре наиболее холодного месяца (января). Из табл. П.4 таковая для Семипалатинска равна tвз = - 16,2°С, при ней и находятся из температурного графика (рис.1) расчетные температуры прямой и обратной сетевой воды tпс =99°С и toc = 50°С.

котельная тепловая схема водоснабжение

2. Расчет принципиальной тепловой схемы котельной


2.1 Исходные данные

· Тепловая нагрузка сетевой установки: QТ = 85 МВт.

· Расчетные температуры прямой и обратной сетевой воды при расчетной средней температуре наиболее холодного месяца для С tвз = - 16,2°С из температурного графика (рис.1): tnc/toc = 99/50°С.

· Расход производственного пара на технологические нужды: Dn = 10 т/ч (2,778 кг/с) при давлении рп = 10 бар.

Коэффициент возврата конденсата от производственного потребителя: = 0,62.

· Относительная величина непрерывной продувки котла: αпр=0,06.

· Расчетное топливо: Оренбургский газ.

2.2 Выбор основного оборудования (котла)


Для заданного давления производственного пара рп = 26 бар при заданном топливе (бухарский газ) выбирается из табл. П.1 котел Е-25-14-ГМ на ближайшее давление р0= 14 бар с паропроизводительностью D0 =25 т/ч (6,944 кг / с), КПД брутто котлоагрегата  = 89 %, температурой свежего пара t0 = 225°С и его энтальпией h0 = 2867кДж/кг.

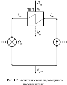
2.3 Сетевая установка (пароводяной подогреватель)


Расчетная схема подогревателя представлена на рис.1.2.

Температура конденсата греющего пара (температура насыщения):

, (1)

где tпс = 99°С - температура прямой сетевой воды (отпускаемой потребителю) была определена по температурному графику (рис.1) при расчетной температуре (средней температуре наиболее холодного месяца) для Семипалатинска t*вз = - 16,2°С (см. табл. П.4);  = 7.10°С - недогрев сетевой воды до температуры конденсации греющего пара;

Расход греющего пара на сетевую установку находится из ее уравнения теплового баланса по пару, кг/с:

(2)

Здесь  =85 МВт - тепловая нагрузка сетевой установки (задана);  = 0,98 - КПД подогревателя;  = 2867 кДж/кг - энтальпия греющего пара;  = 448,5 кДж/кг - энтальпия конденсата греющего пара, взятая из табл. П.2 при температуре насыщения.

Расход сетевой воды находится из уравнения теплового баланса пароводяного подогревателя по воде, кг/с:

 (3)

где =4,19 кДж/ (кгК) - теплоемкость воды; tпс; tос - температуры прямой и обратной сетевой воды, найденные по температурному графику (рис.1) на расчетном режиме (см. исходные данные),°С.

2.4 Собственные нужды котельной


По известным расходам производственного пара (задан) и теплофикационного [определен по формуле (2)], находится отпуск пара внешним потребителям, кг/с:

 (4)

Оценивается расход пара на деаэратор (собственные нужды котельной) в размере 10 % от внешнего потребления, кг/с:

 (5)

Паропроизводительность котельной с учетом потерь (коэффициент запаса 1,03), кг/с:

 (6)

2.5 Расширитель непрерывной продувки котлов


Расчетная схема расширителя продувки дана на рис.1.3 Количество отсепарированного вторичного пара (сухого, насыщенного) находится из уравнения теплового баланса расширителя продувки кг/с:

 (7)

где расход продувочной воды  кг/с; =h'=790 кДж/кг - энтальпия продувочной воды по табл. П.2 при давлении насыщения в барабане котла рб =1,15р0 = 1,15*10 = 11,5 бар; = h' = 504 кДж /кг - энтальпия отсепарированной воды по табл. П.2 при давлении насыщения в расширителе продувки Pрп = 2 бара;  = h" = 2707 кДж/кг - энтальпия отсепарированного пара по табл. П.2 при давлении насыщения 2 бара.


Тогда расход отсепарированной воды, кг/с:

 (8)

Потери воды, конденсата и пара, кг/с:

конденсата у производственных потребителей

кг/с

воды в тепловой сети

,

где коэффициент утечки для закрытых (без водоразбора) тепловых сетей  =0,015.0,02;

пара в котельной порядка 3 % П4 = 0,03Dк = 0,03*43.78 = 1,3134.

Тогда расход химически очищенной подпиточной воды, кг/с:

 (9)

2.6 Деаэратор питательной воды


Суммарный материальный поток на входе в деаэратор (кроме греющего пара), кг/с:

 (10)

где  кг/с - возврат конденсата от производственных потребителей;  кг/с - возврат конденсата греющего пара от сетевой установки.

Суммарный тепловой поток на входе в деаэратор (кроме греющего пара), кВт:

 (11)

где взятые по табл. П.2 при соответствующих температурах:  = h' = 105 кДж/кг - энтальпия химически очищенной подпиточной воды, подогретой предварительно в водо-водяном подогревателе отсепарированной продувочной водой до температуры txo =25°С;  =h’’= 293 кДж/кг - энтальпия конденсата, возвращаемого от производственных потребителей с температурой  = 70°С;  = h’=335 кДж/кг - энтальпия конденсата греющего пара, возвращаемого из пароводяного подогревателя с температурой  = 80°С; =h"= 2707 кДж/кг - энтальпия отсепарированного вторичного пара при температуре = 120°C, соответствующей давлению насыщения 2 бара в сепараторе непрерывной продувки котла.

С учетом (10) и (11) расход греющего пара на деаэратор из его уравнения теплового баланса, кг/с:

 (12)

Здесь  = 2867 кДж/кг - энтальпия перегретого пара на входе в деаэратор по табл. П.1 для выбранного котла;  = h' = 448,5 кДж/кг - энтальпия питательной воды на выходе из деаэратора по табл. П.2 при температуре tпв=107°С, соответствующей давлению насыщения в деаэраторе 1,3 бар.

2.7 Относительная погрешность расчета

Уточненная паропроизводительность котельной с учетом потерь на уровне 3 %, кг / с:

 (13)

где  = 38,641 кг/с - расход пара внешними потребителями по формуле (4).

Относительное расхождение между уточненной паропроизводительностью котельной (13) и принятой предварительно [см. формулу (6)], %:

 (14)

Относительное расхождение по абсолютной величине не превышает 3 %, поэтому расчет производительности котельной считается законченным.

2.8 Выбор котельных агрегатов


Количество котлов (парогенераторов) выбранного выше типа Е-25-14-ГМ:

 (15)

где -паропроизводительность котельной (13), кг/с;

 = 6,944 кг/с (25 т/ч) - единичная производительность котла.

Кроме того, необходимо установить в котельной еще один резервный котел, который будет включаться в работу при аварии или плановом ремонте действующего.

Принимаем число котлов равным 8.

2.9 Оценка экономичности котельной

Расход натурального топлива (бухарский газ) парогенераторами котельной, кг /с:

 (16)

Здесь  = 2867 кДж /кг - энтальпия перегретого пара на входе в деаэратор по табл. П.1 для выбранного котла;

=h'=448,5кДж / кг - энтальпия питательной воды на выходе из деаэратора по табл. П.2 при температуре tпв =107°С, соответствующей давлению насыщения в деаэраторе 1,3 бара; пp =2,6268 кг / с - расход продувочной воды [см. пояснения к формуле (7)];

=790 кДж/кг - энтальпия продувочной воды (см. там же);

 =38 МДж /кг - теплота сгорания оренбургского газа по табл.П. З;

 = 0,89 - КПД брутто котлоагрегата по табл. П.1 для выбранного котла Е-25-14-ГМ, работающего на газе.

Расход условного топлива, кг/с:

 (17)

где -29,3 МДж /кг - теплота сгорания условного топлива, не существующего в природе, понятие которого введено для возможности сравнения экономических показателей энергетических предприятий, использующих различные виды топлив.

Отпуск тепловой энергии котельной с производственным паром, МВт:

 (18)

где =2,788 кг / с (10 т/ч) - заданный расход производственного пара;

= = 2867 кДж/кг - энтальпия производственного пара, равная энтальпии свежего пара из-за его условно изоэнтальпийного дросселирования в редукционном устройстве;

= 0,62 - заданный коэффициент возврата производственного конденсата;

= 293 кДж/кг - энтальпия конденсата, возвращаемого технологическим потребителем с температурой t* = 70°С [ (см. пояснения к формуле (11)].

Отпуск тепловой энергии внешним потребителям (производственным и теплофикационным), МВт:

 (19)

где  = 85 МВт - заданная тепловая нагрузка сетевой установки.

Удельный расход условного топлива

Показателями экономичности котельной являются удельный расход условного топлива на единицу отпущенной теплоты и КПД нетто котельной.

Удельный расход условного топлива:

 кг/Мдж (20)

или  кг/Гкал.

Здесь 4187 МДж/Гкал - переводной коэффициент.

КПД нетто котельной (с учетом ее собственных нужд), %:

 (21)

3. Оценка экологических проблем

3.1 Расчет вредных выбросов котельной

Выбросы окислов азота, г/с:

 (3.1)

где в соответствии с пояснениями к формуле: = 0,85 - поправочный коэффициент, учитывающий влияние качества сжигаемого топлива;  = 3,5D0/70 = 3.5*25/70 = 1,25 - коэффициент выхода окислов азота на 1 т топлива для котлов с производительностью D0< 70 т/ч; =38 МДж/кг - низшая рабочая теплота сгорания бухарского газа.

Объем дымовых газов, выбрасываемых котельной в окружающую среду по, ():

 (3.2)

Здесь: 1,05 - коэффициент запаса по производительности; =11,25; =10,05 (см. П3); =1,4; =105.

4. Расчет высоты дымовой трубы


По выбросам окислов азота

 (4.1)

Высота дымовой трубы, м

(4.2)

где в соответствии с пояснениями к формулам: А = 200 - для Казахстана (Семипалатинск): коэффициент, зависящий от места расположения котельной; F = 1 - для окислов серы и азота; m = 0,9; n = 1 - коэффициенты при скорости выхода газов из устья трубы w = 25 м/с; Z = 1 - число стволов дымовой трубы для котельных с паровыми котлами; °С - разность между температурой уходящих газов и средней температурой наиболее холодного месяца года (tвз = - 16,2°С - из табл. П.4 для Семипалатинска);  = 105°С - температура уходящих газов для газа; ,  - фоновые концентрации окислов серы и азота в приземном слое, мг/м, которые принимаются при строительстве котельной в городе или вблизи от других энергетических предприятий на уровне 30 % от соответствующей ПДК (Сф = 0,3 ПДК).

Принимается ближайшее более высокое стандартное значение Н = 30 м.

Диаметр устья ствола трубы при скорости уходящих газов w = 25 м/с:

м. (4.3)

Оценивается расстояние от дымовой трубы, на котором наблюдается максимальная концентрация вредностей у поверхности земли в метрах:

м. (4.4)

Похожие работы на - Расчет отопительно-производственной котельной

 

Не нашли материал для своей работы?
Поможем написать уникальную работу
Без плагиата!
Без нейросетей!